Скачать ОРД 14.370-44-87 Указания по проектированию кислородного хозяйства металлургических заводовДата актуализации: 01.01.2021
|
| Обозначение: | ОРД 14.370-44-87 |
| Обозначение англ: | ORD 14.370-44-87 |
| Статус: | действует |
| Название рус.: | Указания по проектированию кислородного хозяйства металлургических заводов |
| Дата добавления в базу: | 01.02.2020 |
| Дата актуализации: | 01.01.2021 |
| Дата введения: | 01.09.1987 |
| Область применения: | Требования Указаний по проектированию кислородного хозяйства металлургических заводов должны выполняться на всех стадиях проектирования вновь строящихся и реконструируемых объектов по производству, хранению, транспортированию и использованию продуктов разделения воздуха - кислорода, азота, аргона, криптона, ксенона, неоно-гелиевой смеси, - расположенных на территории предприятий Министерства черной металлургии СССР. |
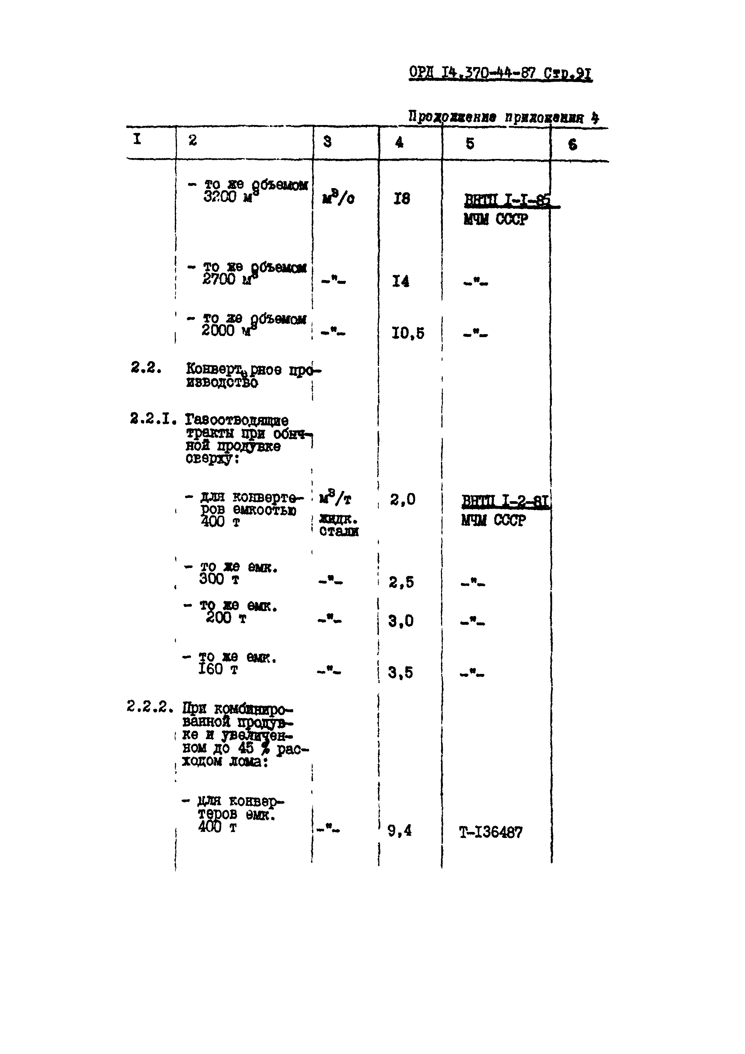
| Оглавление: | 1. Общие положения 2. Определение потребности в продуктах разделения воздуха 3. Характеристика потребителей продуктов разделения воздуха 4. Основные требования по обеспечению предприятия продуктами разделения воздуха 4.1. Снабжение от сторонних предприятий-поставщиков 4.2. Условия сооружения на предприятии собственной кислородной станции 4.3. Кооперирование производства продуктов разделения воздуха для различных предприятий 5. Требования по обеспечению надежности снабжения потребителей продуктами разделения воздуха 5.1. Классификация потребителей по обеспечению надежности их снабжения продуктами разделения воздуха 5.2. Выбор резервного оборудования 5.3. Надёжность энергоснабжения объектов кислородной станции 5.4. Прочие требования по обеспечению надёжности снабжения кислородом, азотом 6. Указания по выбору воздухоразделительных установок и компрессоров 7. Потери продуктов разделения воздуха. Мероприятия по их снижению 8. Указания по проектированию объектов производства и потребления продуктов разделения воздуха 8.1. Кислородные станции 8.2. Системы отбора (приёма), хранения, газификации и выдачи жидких продуктов 8.3. КРП, АРП, реципиенты, цехи-потребители 8.4. Межцеховые трубопроводы 8.5. Экономия материальных, трудовых и топливно-энергетических ресурсов 9. Мероприятия по предупреждению аварий, созданию безопасных условий труда 9.1. Общие положения 9.2. Цехи (отделения) компрессии кислорода 9.3. КРП и узлы регулирования подачи кислорода в металлургические агрегаты 9.4. Арматура 9.5. Межцеховые кислородопроводы 10. Автоматизация, диспетчеризация, микропроцессорные автоматизированные системы управления 11. Указания по проектному обеспечению эксплуатации и ремонта оборудования 12. Мероприятия по улучшению условий труда 13. Категории помещений по взрывопожарной и пожарной опасности 14. Технико-экономические показатели Приложение 1 Перечень нормативных документов, отражающих специфику производства производства и использования кислорода, которые необходимо соблюдать при проектировании объектов чёрной металлургии Приложение 2 Перечень руководящих материалов Гипрокислорода, которые могут быть использованы при проектировании объектов производства продуктов разделения воздуха Приложение 3 Терминология, принятая в Указаниях по проектированию кислородного хозяйства металлургических заводов Приложение 4 Нормы удельных расходы кислорода, азота, аргона для различных производств черной металлургии Приложение 5 Нормы периодичности и продолжительности планово-предупредительных ремонтов воздухоразделительных установок Приложение 6 Нормы периодичности и продолжительности планово-предупредительных ремонтов компрессоров кислородных станций Приложение 7 Перечень потребителей по обеспечению надежности снабжения этими продуктами Приложение 8 Потребность кислородных станций в основном крановом оборудовании Приложение 9 Определение гидравлической емкости реципиента Приложение 10 Нормы сооружения вспомогательных помещений на кислородных станциях Приложение 11 Расчетное время пуска воздухоразделительных установок из теплого состояния Приложение 12 Нормативная численность ИТР и служащих производства продуктов разделения воздуха Приложение 13 Нормативная численность рабочих по обслуживанию гардеробов и душевых ППРВ Приложение 14 Указания по установке газоразборных постов для кислорода |
| Разработан: | Гипромез Минчермета СССР |
| Утверждён: | 07.05.1987 Минчермет СССР (USSR Minchermet ) |
| Заменяет собой: | |
| Нормативные ссылки: |
|
























































































































