Скачать Типовые схемы вскрытия и подготовки новых горизонтов на действующих шахтах Донецкого бассейна, разрабатывающих пологие и наклонные пласты

Дата актуализации: 01.01.2021

Типовые схемы вскрытия и подготовки новых горизонтов на действующих шахтах Донецкого бассейна, разрабатывающих пологие и наклонные пласты

Статус:справочные материалы, мп, тпр
Название рус.:Типовые схемы вскрытия и подготовки новых горизонтов на действующих шахтах Донецкого бассейна, разрабатывающих пологие и наклонные пласты
Дата добавления в базу:01.02.2020
Дата актуализации:01.01.2021
Область применения:Типовые схемы предназначены для использования проектными организациями при разработке проектов вскрытия и подготовки новых горизонтов на действующих шахтах Донецкого бассейна, а также научно-исследовательскими институтами и производственными объединения при решении вопросов совершенствования горных работ на угольных шахтах, разрабатывающих пологие и наклонные пласты.
Оглавление:1. Пояснительная записка
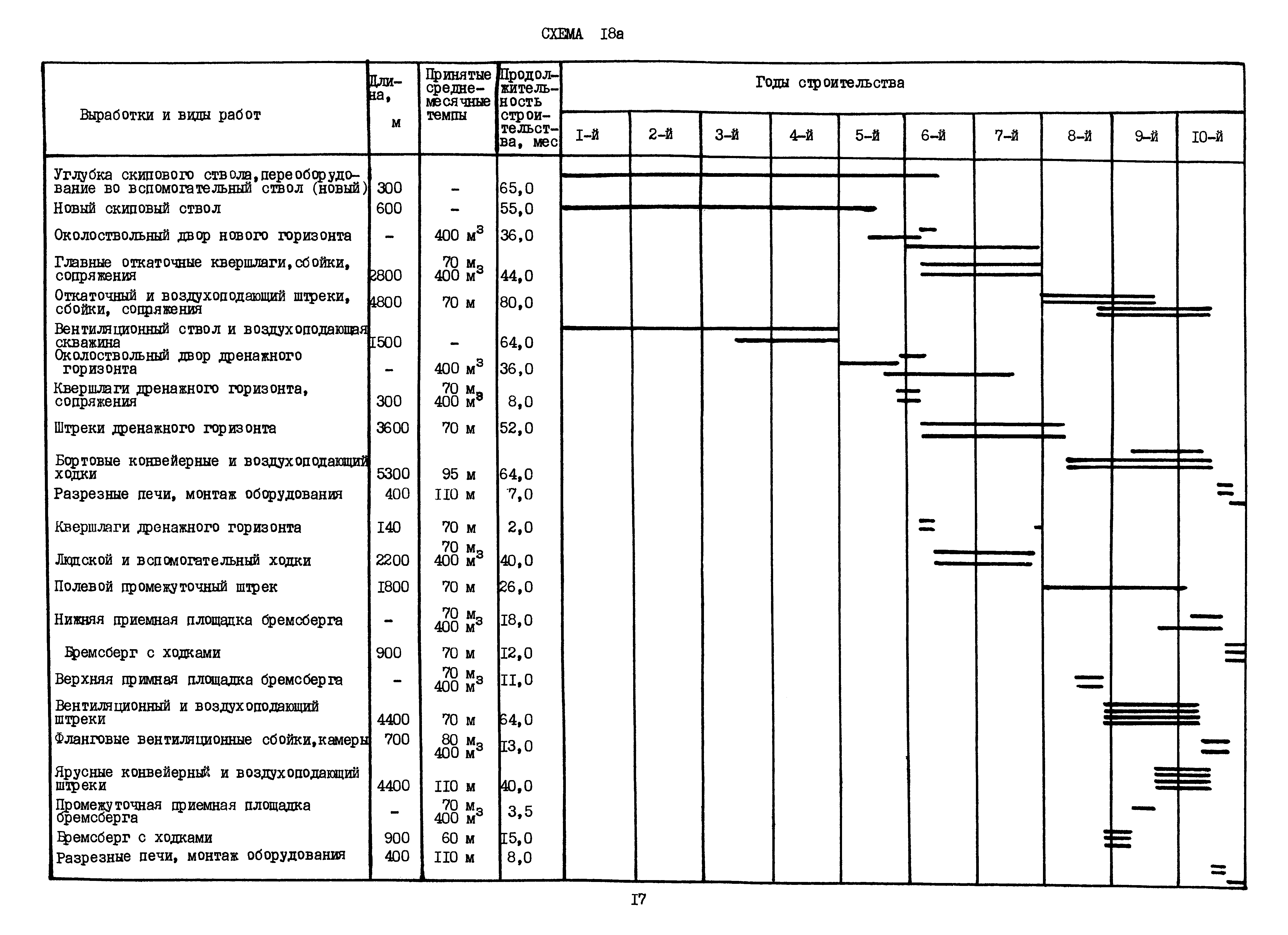
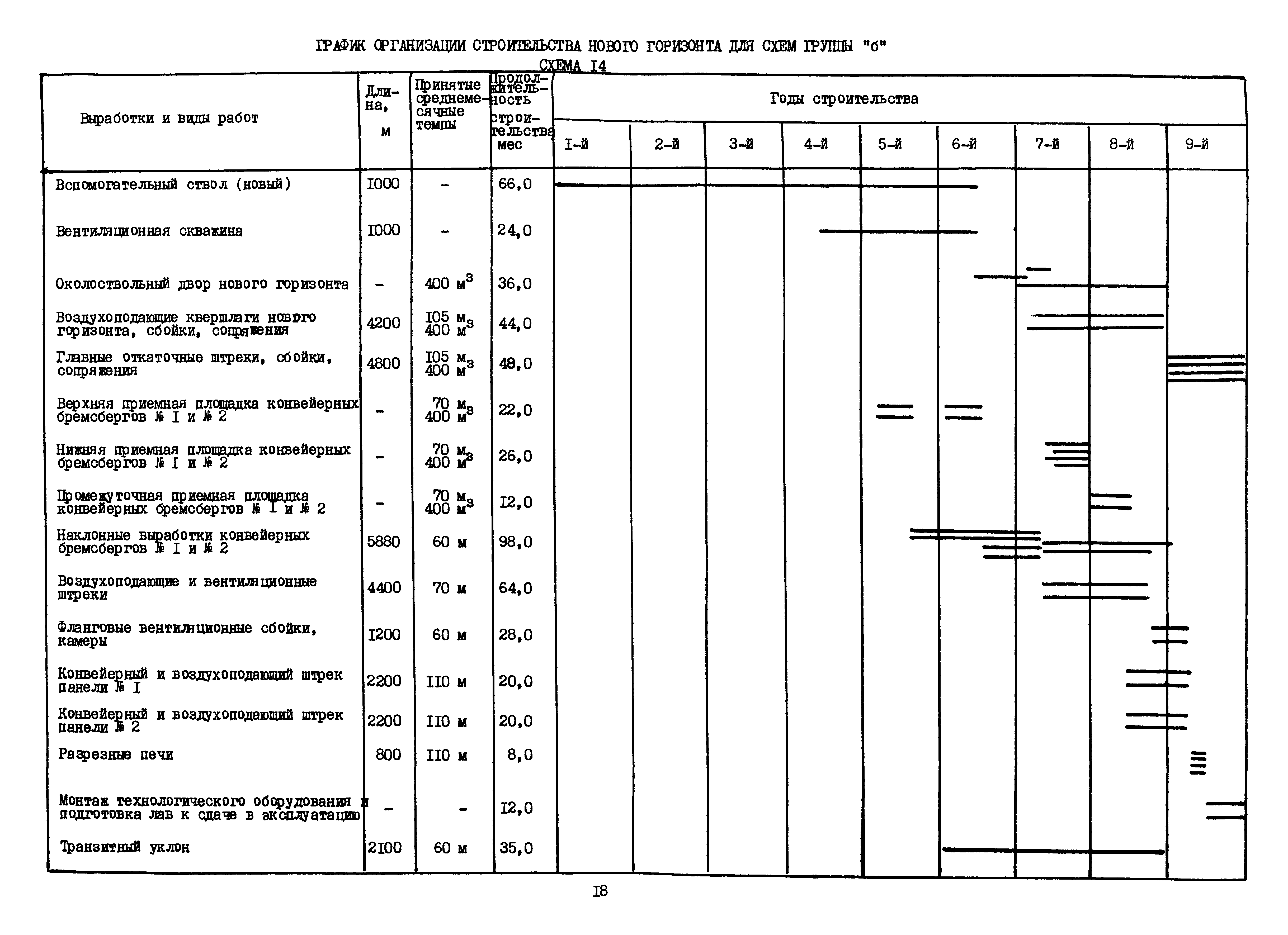
2. Схемы вскрытия и подготовки нового горизонта при отработке пластов лавами по простиранию
3. Схемы вскрытия и подготовки нового горизонта при отработке пластов лавами по восстанию
4. Элементы схем вскрытия и подготовки нового горизонта
Разработан: ИГД им. А.А. Скочинского
Южгипрошахт
Донецкий научно-исследовательский угольный институт
Утверждён:22.03.1986 Министерство угольной промышленности СССР (USSR Ministry of the Coal Industry )