Скачать Правила техники безопасности и производственной санитарии в деревообрабатывающей промышленностиДата актуализации: 01.01.2021 |
| Статус: | справочные материалы, мп, тпр |
| Название рус.: | Правила техники безопасности и производственной санитарии в деревообрабатывающей промышленности |
| Дата добавления в базу: | 01.02.2020 |
| Дата актуализации: | 01.01.2021 |
| Область применения: | Правила распространяются на все предприятия, организации и учреждения отраслей промышленности, связанные с обработкой древесины и обслуживаемые профсоюзом рабочих лесной, бумажной и деревообрабатывающей промышленности. |
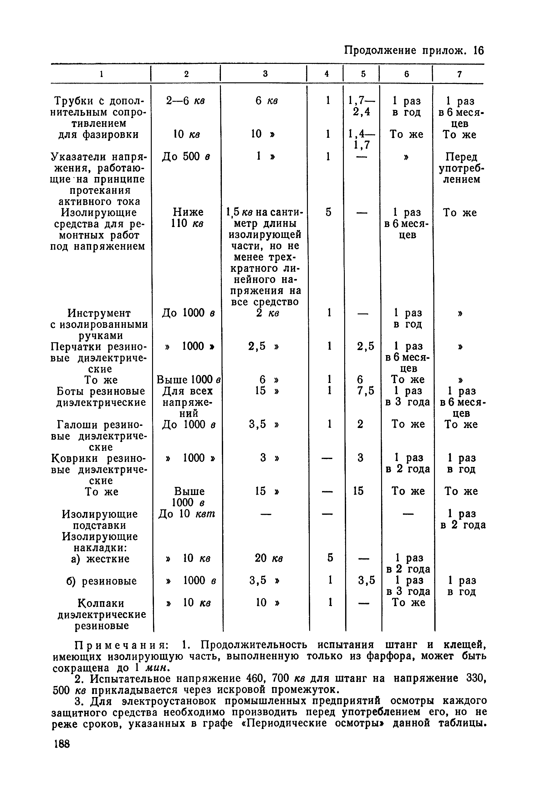
| Оглавление: | I. Общие положения II. Обязанности и ответственность административно-технического персонала III. Обучение и инструктирование рабочих, инженерно-технических работников и служащих IV. Требования к устройству и содержанию территории, зданий и сооружений предприятий V. Требования по устройству, расположению и содержанию оборудования и рабочих мест VI. Оборудование стационарного транспорта. Внутрицеховой и внутризаводской транспорт VII. Требования к оборудованию и технологическим процессам VIII. Инструменты IX. Рейды, бассейны и склады круглых лесоматериалов X. Склады готовой продукции Приложение 1 Перечень официальных руководящих нормативных и общетехнических материалов по технике безопасности и производственной санитарии, применение которых обязательно во всех отраслях промышленности Приложение 2 Методические указания к составлению инструкций по технике безопасности Приложение 3 Структура служб охраны труда в зависимости от числа рабочих Приложение 4 Предписание Приложение 5 Методические указания по созданию и организации работы кабинета охраны труда Приложение 6 Типовые программы инструктажей и курсового обучения рабочих Приложение 7 Журнал регистрации вводного инструктажа по технике безопасности Приложение 8 Удостоверение по технике безопасности Приложение 9 Протокол Приложение 10 Типовая программа для обучения административно-технического персонала Приложение 11 Положение о порядке проверки знаний правил, норм и инструкций по технике безопасности руководящими работниками подведомственных предприятий, организаций и объектов, подконтрольных органам Госгортехнадзора СССР в системе Министерства лесной и деревообрабатывающей промышленности СССР Приложение 12 Предельно допустимые концентрации вредных газов, паров, пыли и других аэрозолей в воздухе рабочей зоны производственных помещений Приложение 13 Состав и нормы санитарно-бытовых помещений Приложение 14 Нормы и сроки испытаний подъемных механизмов и приспособлений Приложение 15 Наименьших допустимый коэффициент запаса прочности канатов и цепей Приложение 16 Нормы и сроки электрических испытаний защитных средств Приложение 17 Классификация производственных помещений по степени взрыво- и пожароопасности с точки зрения применения электрооборудования Приложение 18 Временная инструкция по устройству расходных складов бертолетовой соли и о порядке ее хранения на спичечных фабриках Приложение 19 Нормы браковки стальных канатов Приложение 20 Шкала приближенного определения силы ветра и состояния водной поверхности |
| Разработан: | ЦНИИМОД ВНИИдрев СПКБ Главмебельпрома СвердНИИДрев НИЛТара |
| Утверждён: | 21.05.1970 Министерство целлюлозно-бумажной промышленности СССР (Ministry of
the Pulp and Paper Industries ) 10.06.1970 Министерство лесной и деревообрабатывающей промышленности СССР 29.05.1970 Государственный комитет лесного хозяйства Совета Министров СССР |
| Принят: | 22.05.1970 ЦК профсоюза рабочих Лесбумдревпрома |
| Издан: | Издательство Лесная промышленность (1973 г. ) |
| Нормативные ссылки: |
|







































































































































































































