Скачать Правила проектирования газового отопления печей и сушил машиностроительных заводовДата актуализации: 01.01.2021 |
| Статус: | действует |
| Название рус.: | Правила проектирования газового отопления печей и сушил машиностроительных заводов |
| Дата добавления в базу: | 01.02.2020 |
| Дата актуализации: | 01.01.2021 |
| Дата введения: | 01.03.1983 |
| Область применения: | Правила обязательны для всех организаций и предприятий, независимо от их ведомоственной принадлежности, проектирущих, строящих (изготавляющих), налаживающих и эксплуатирующих печи, сушила (за исключением сушил для окрашенных металлических изделий) и другие теплотехнические установки (за исключением котлов и аппаратов, работающих под давлением и подведомственных организациям Котлонадзора), отапливаемые газовым топливом и предназначенные для применения на машиностроительных и металлообрабатывающих заводах СССР. Ведомственные технические условия и инструкции, регламентирующие проектированние, строительство (изготовление), наладку и эксплуатацию печей в машиностроительной и металообрабатывающей промышленности, должны соответствовать настоящим Правилам. Правила распространяются на печи и другие агрегаты, отапливаеммые естественными и искусственными газами. Правила распространяются также на печи и другие агрегаты с комбинированным (например, газсмазутным) отоплением, если одним из видов топлива является газ. |
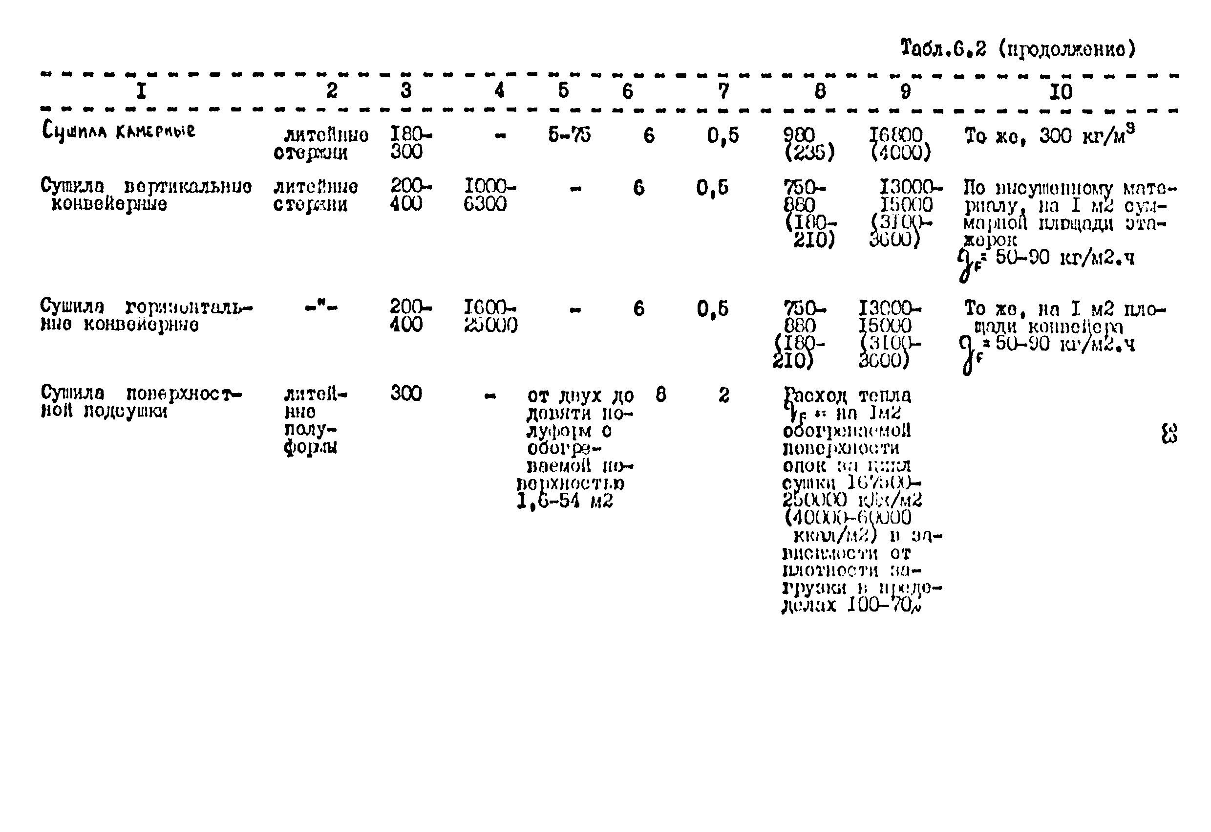
| Оглавление: | 1. Общие положения 2. Классификация газовых печей, сушил и других агрегатов 3. Технические требования к конструкции печей, сушил и других агрегатов 4. Правила и рекомендации по выбору газогорелочных устройств 5. Правила и рекомендации по выбору рекуператоров 6. Нормы расхода топлива 7. Перечень нормативных документов |
| Разработан: | Всесоюзный научно-исследовательский и проектный институт Теплопроект Всесоюзный НИИпромгаз |
| Утверждён: | 22.06.1983 Министерство газовой промышленности СССР |
| Нормативные ссылки: |
|





































