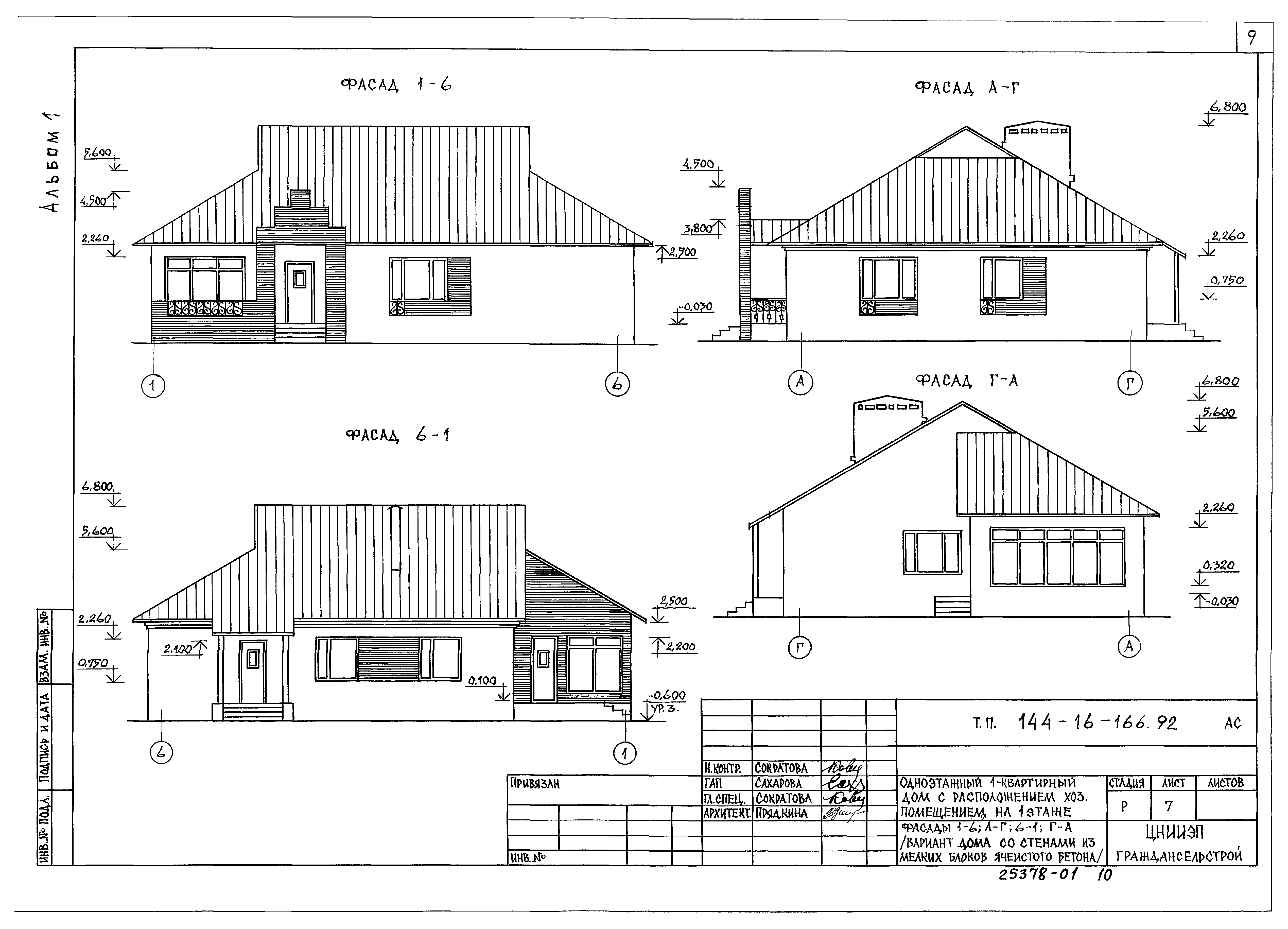
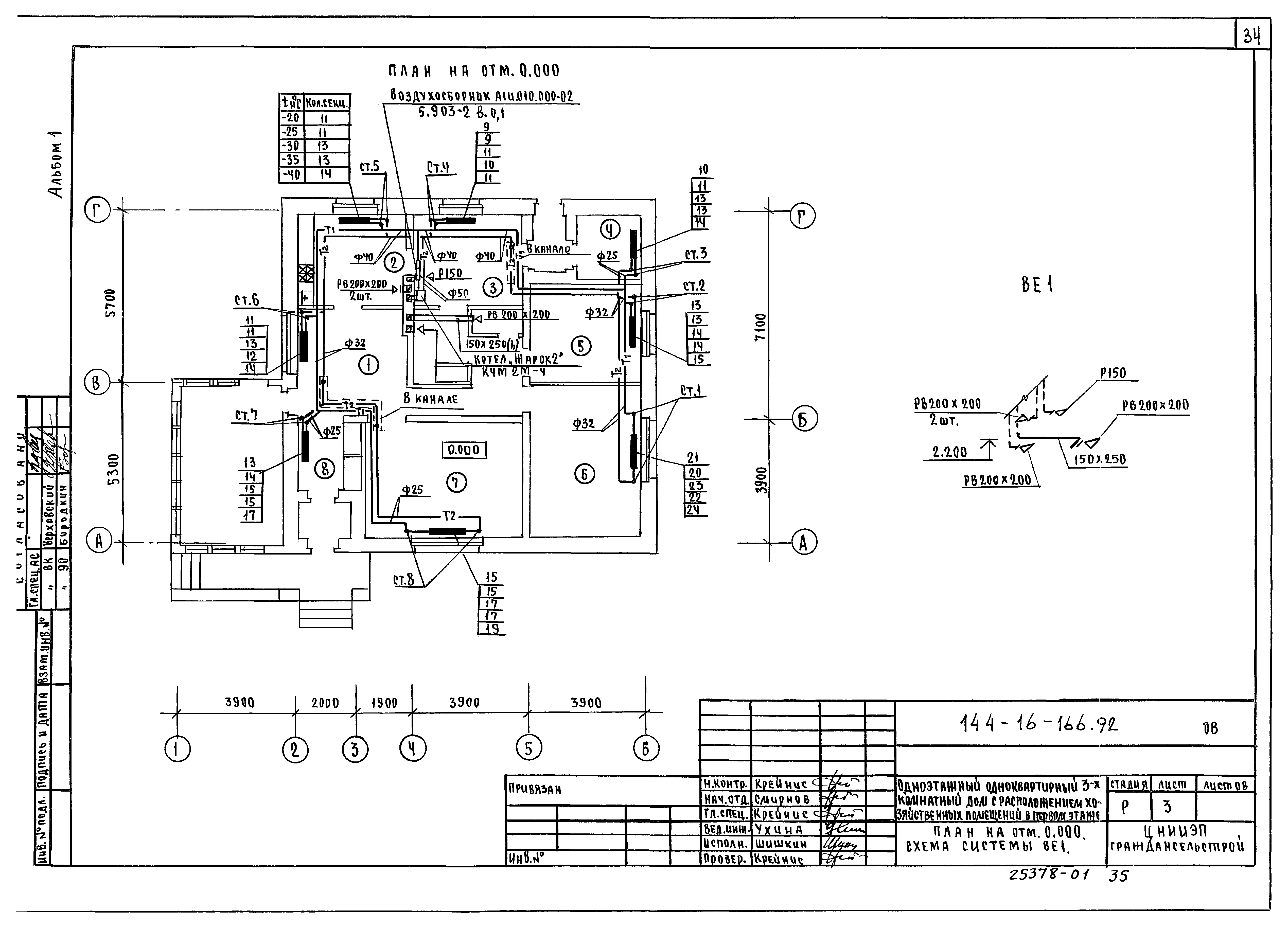
Скачать Типовой проект 144-16-166.92 Альбом 1. Пояснительная записка. Архитектурно-строительные решения. Отопление и вентиляция. Водопровод и канализация. Электрооборудование. Связь и сигнализация. ГазоснабжениеДата актуализации: 01.01.2021
|
| Обозначение: | Типовой проект 144-16-166.92 |
| Обозначение англ: | 144-16-166.92 |
| Статус: | не определен законодательством |
| Название рус.: | Альбом 1. Пояснительная записка. Архитектурно-строительные решения. Отопление и вентиляция. Водопровод и канализация. Электрооборудование. Связь и сигнализация. Газоснабжение |
| Дата добавления в базу: | 01.02.2020 |
| Дата актуализации: | 01.01.2021 |
| Дата введения: | 30.03.1992 |
| Дата окончания срока действия: | 30.06.2003 |
| Разработан: | ЦНИИЭП граждансельстрой |
| Утверждён: | 14.01.1991 Госкомархитектура (3) |



















































