Скачать РД 39-1-301-79 Методика определения по динамограмме основных параметров исследования глубиннонасосных скважин, откачивающих жидкость со свободным газомДата актуализации: 01.01.2021
|
| Обозначение: | РД 39-1-301-79 |
| Обозначение англ: | RD 39-1-301-79 |
| Статус: | введен впервые |
| Название рус.: | Методика определения по динамограмме основных параметров исследования глубиннонасосных скважин, откачивающих жидкость со свободным газом |
| Дата добавления в базу: | 01.02.2020 |
| Дата актуализации: | 01.01.2021 |
| Дата введения: | 20.03.1980 |
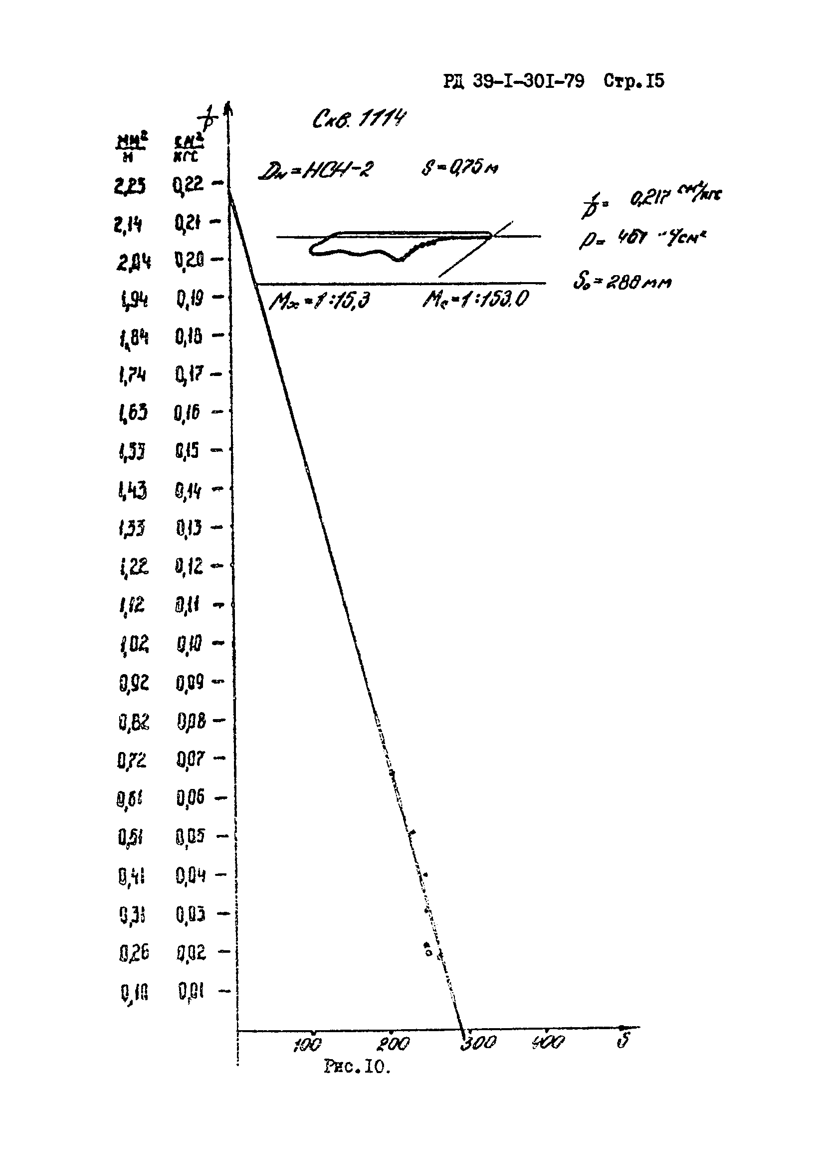
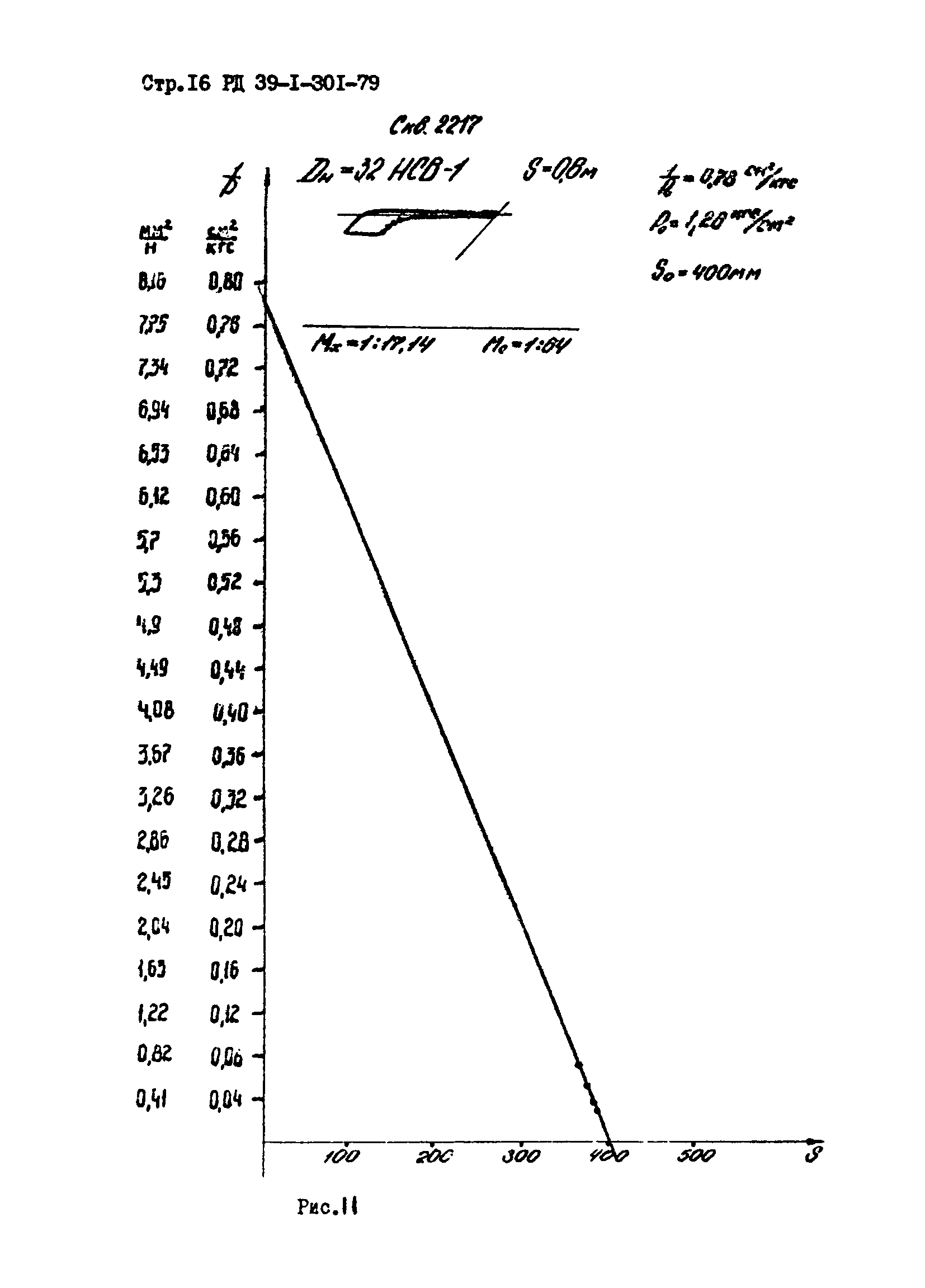
| Область применения: | Методика служит для определения по динамограмме работы скважинного насоса в среде, содержащей свободный газ, следующих параметров6 давление у приема насоса, дебит жидкости, дебит трубного газа |
| Оглавление: | 1 Общие сведения 2 Закономерность изменения давления в цилиндре скважинного насоса при ходе штанг вниз 3 Определение по динамограмме основных параметров исследования глубиннонасосных скважин, откачивающих жидкость со свободным газом 4 Приложение Рисунки 5 - 12 |
| Разработан: | АзНИПИнефть |
| Утверждён: | 25.12.1979 Министерство нефтяной промышленности СССР (USSR Ministry of the Petroleum Industry ) |



















