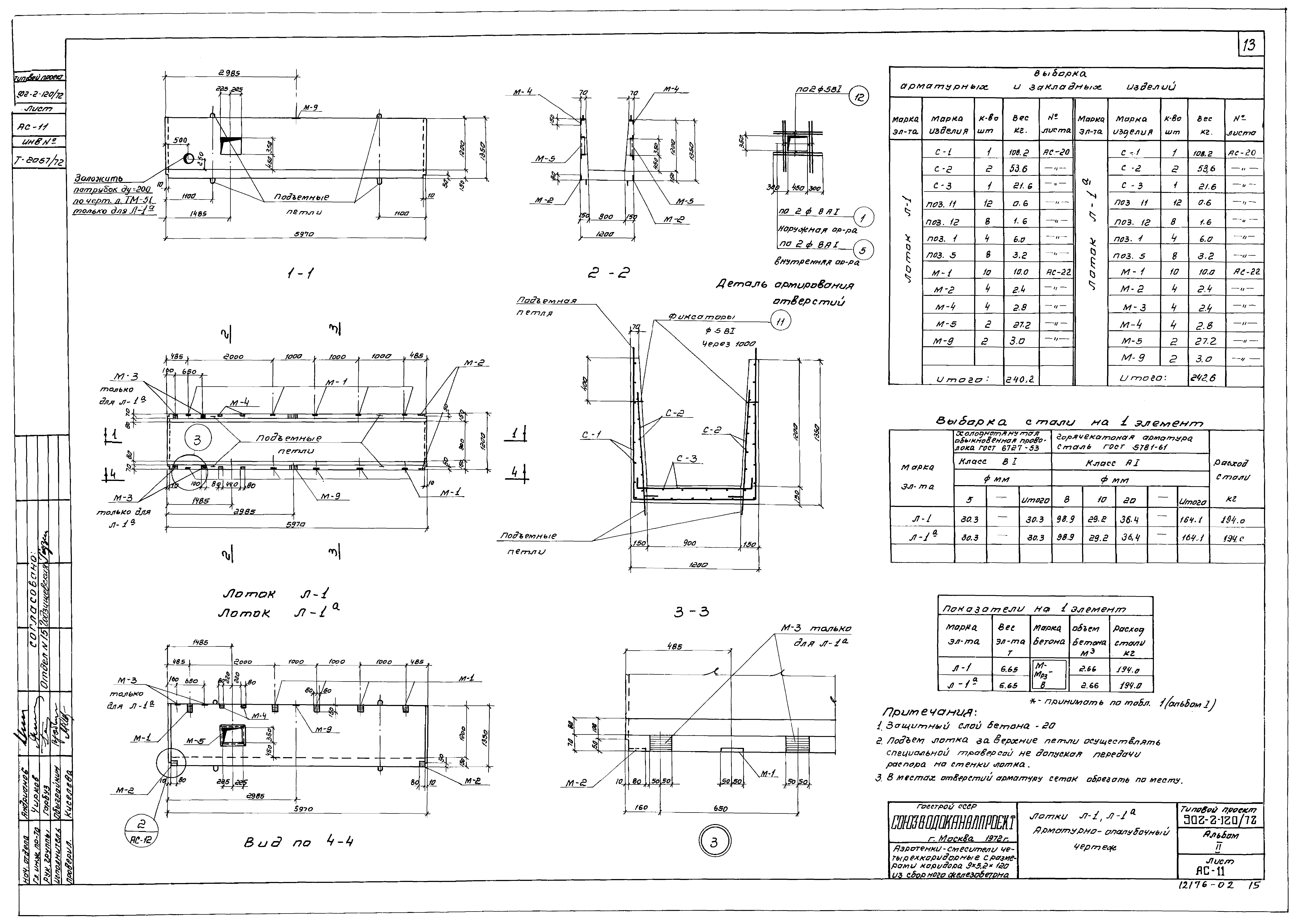
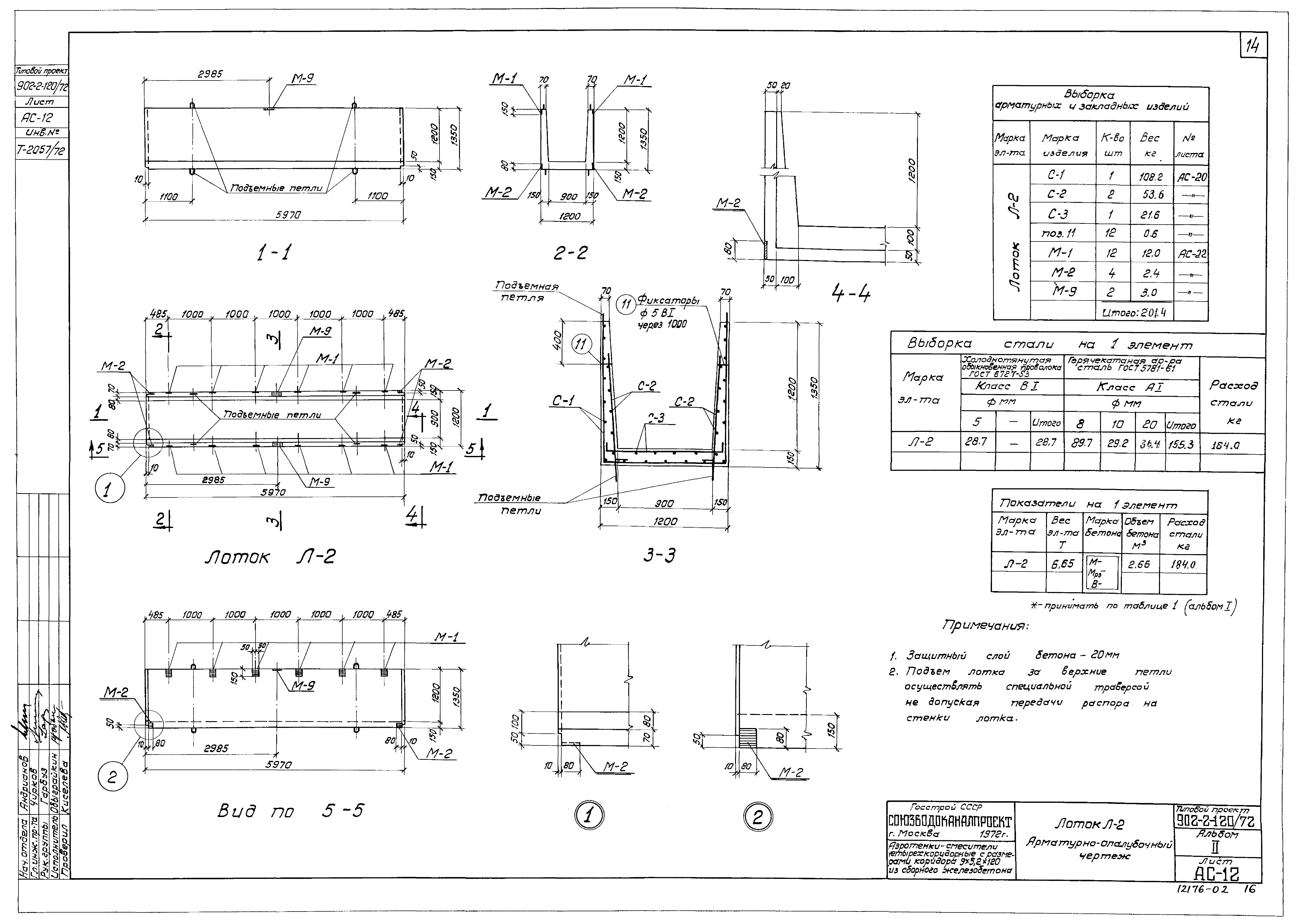
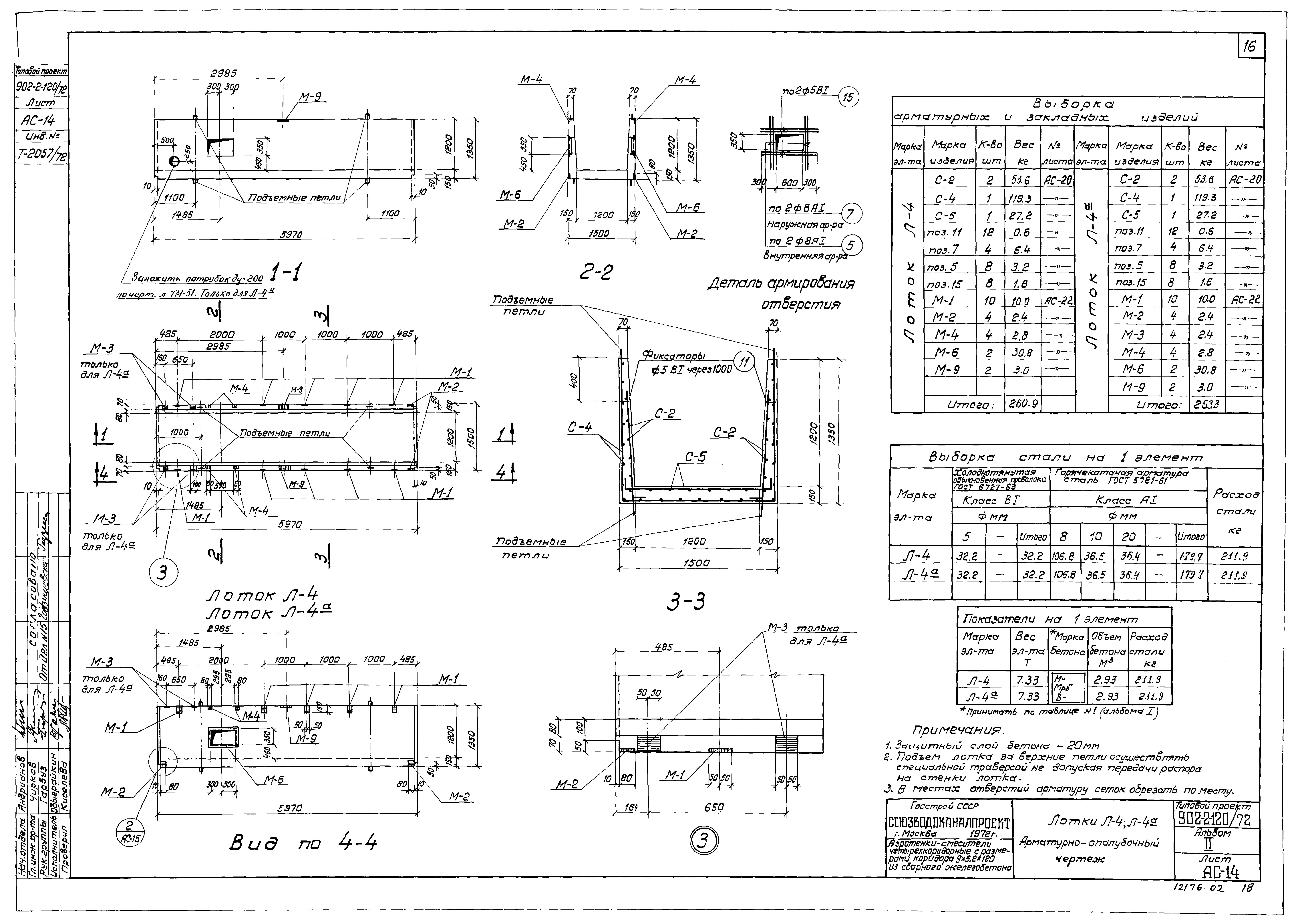
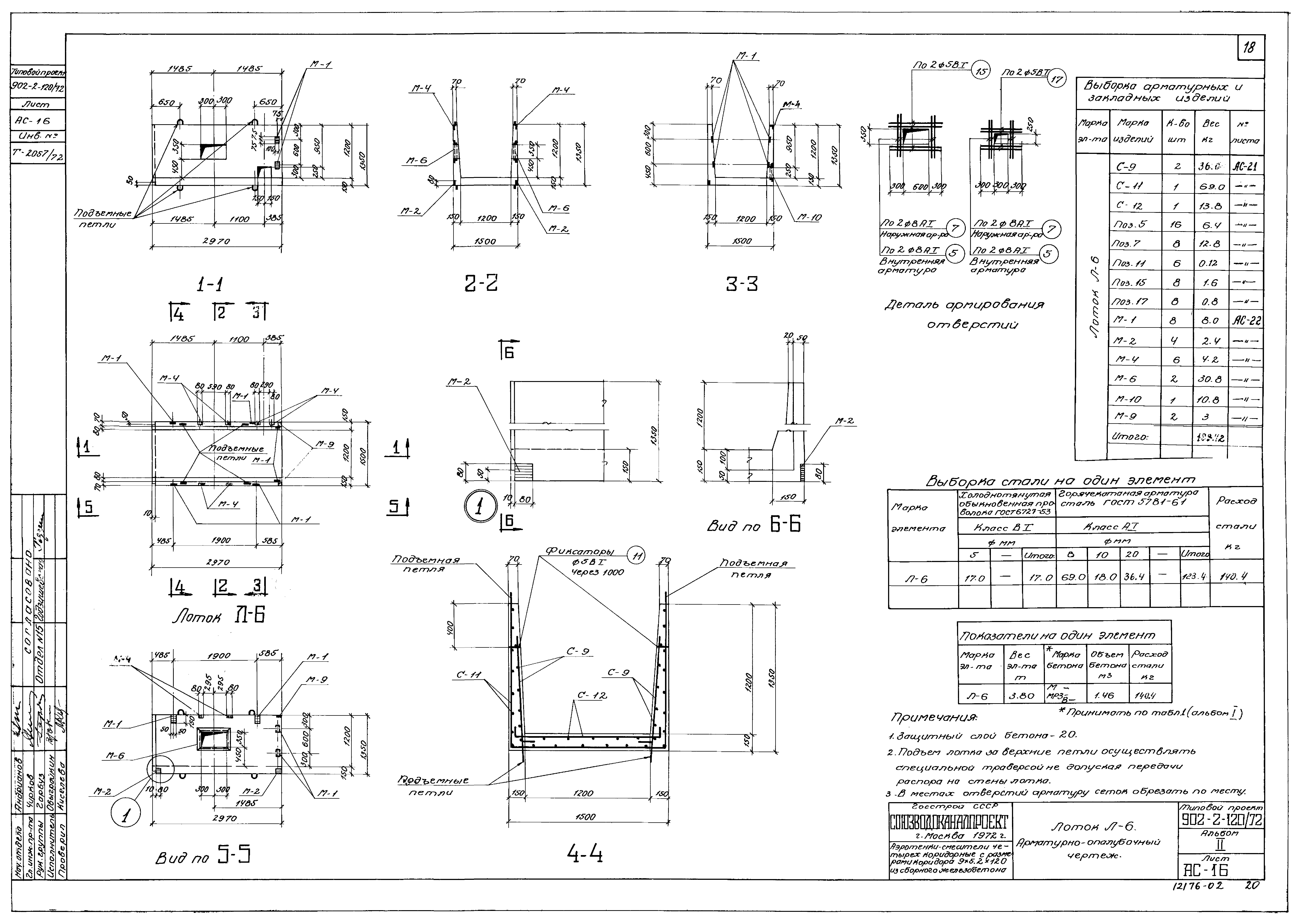
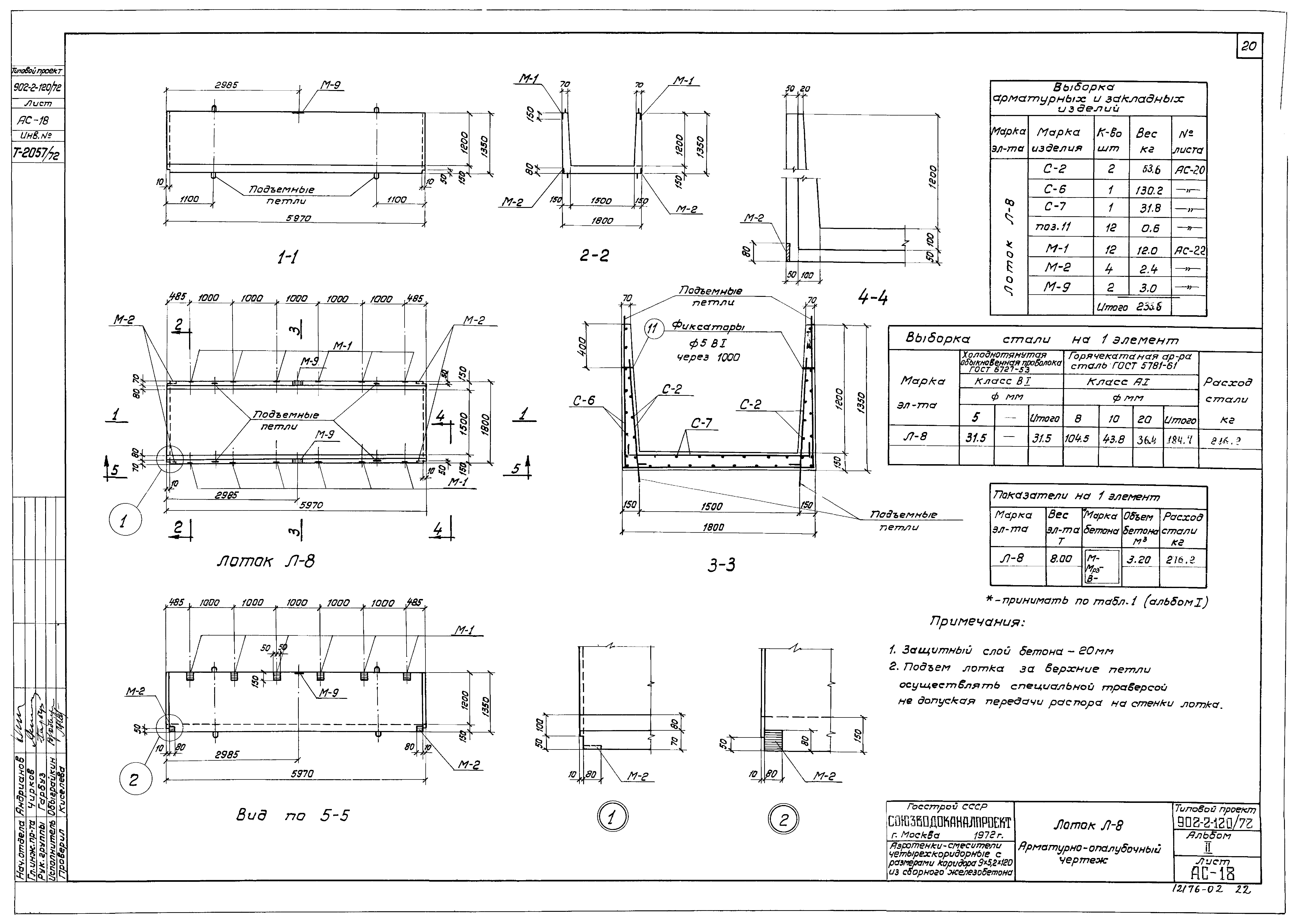
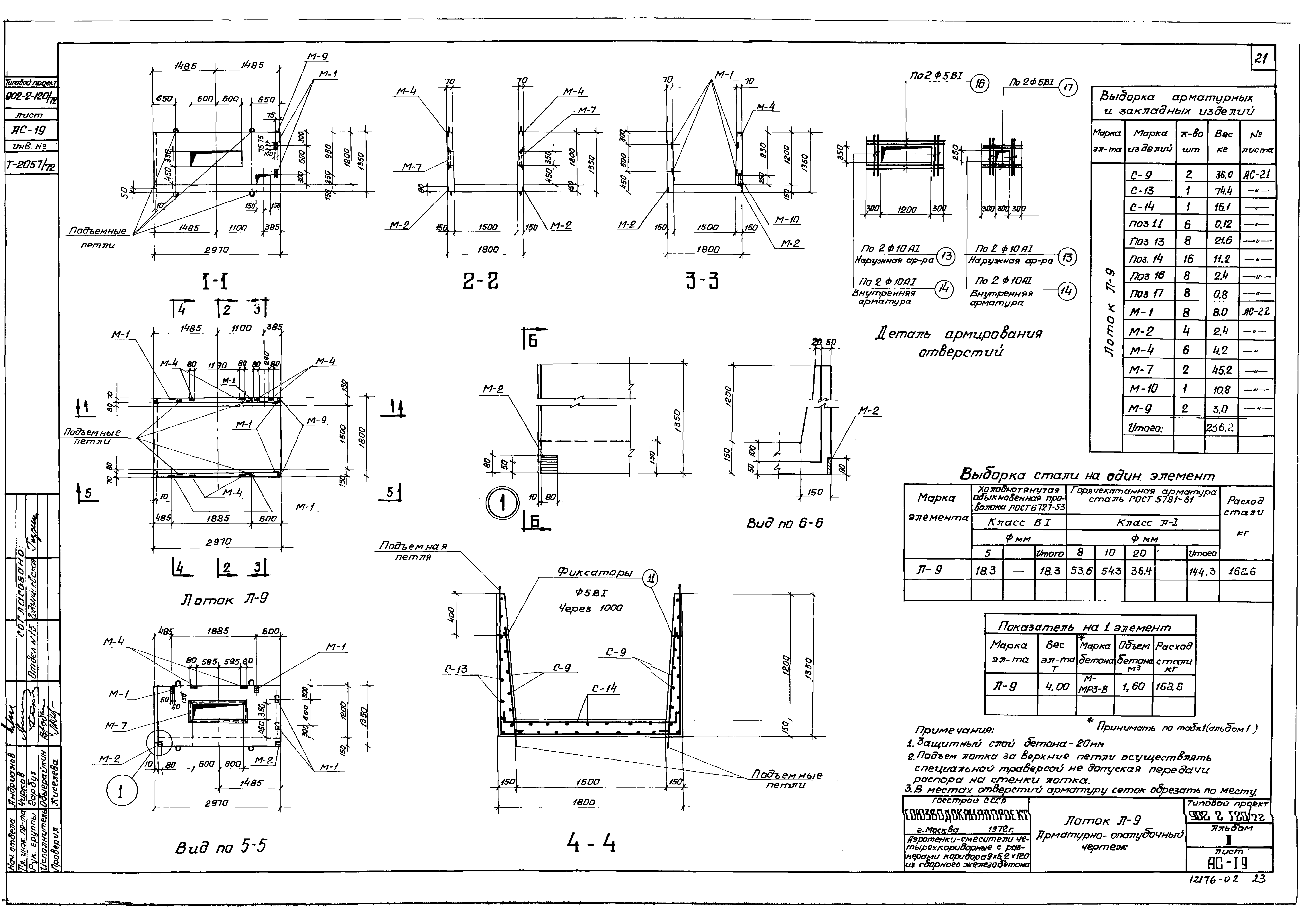
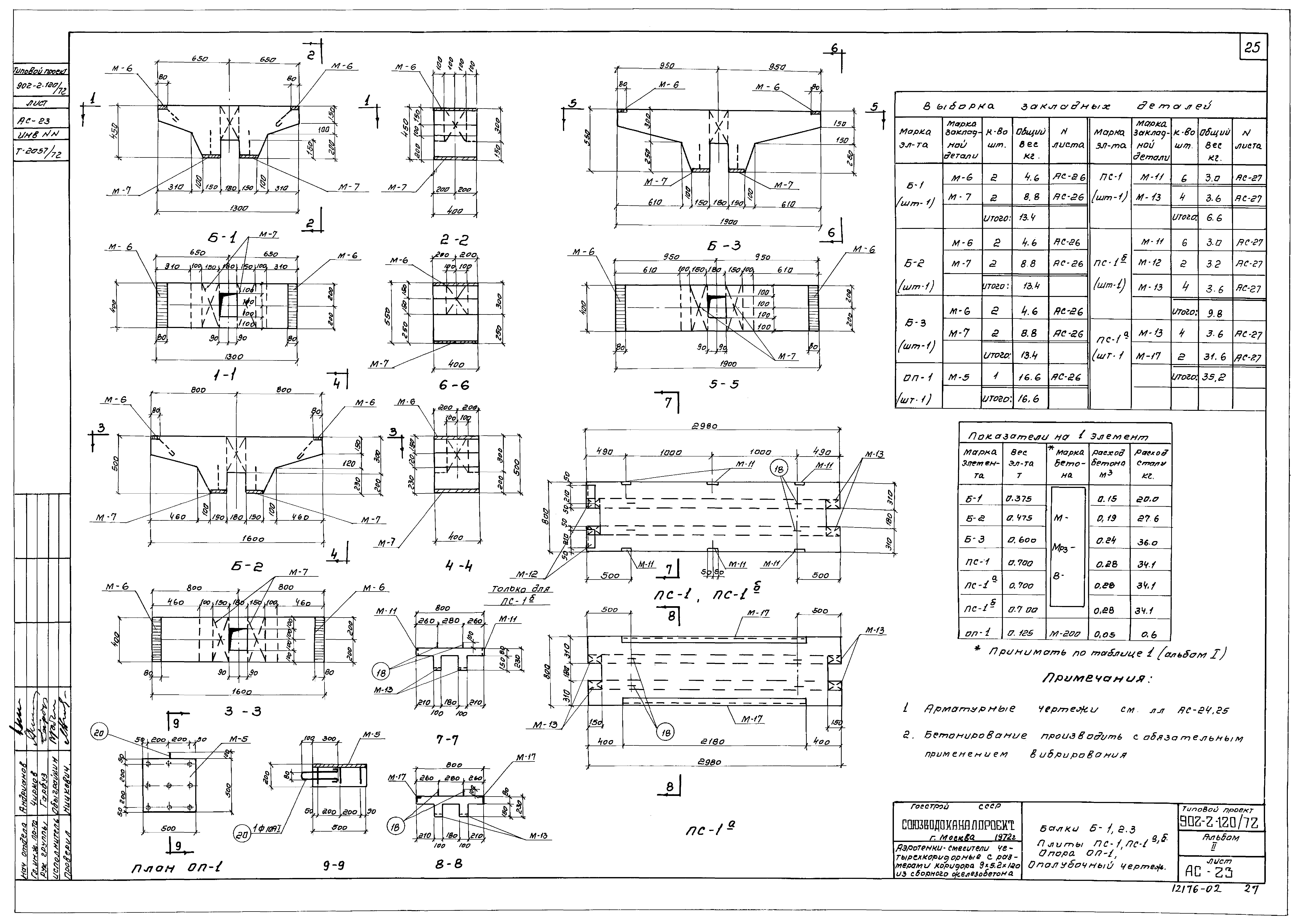
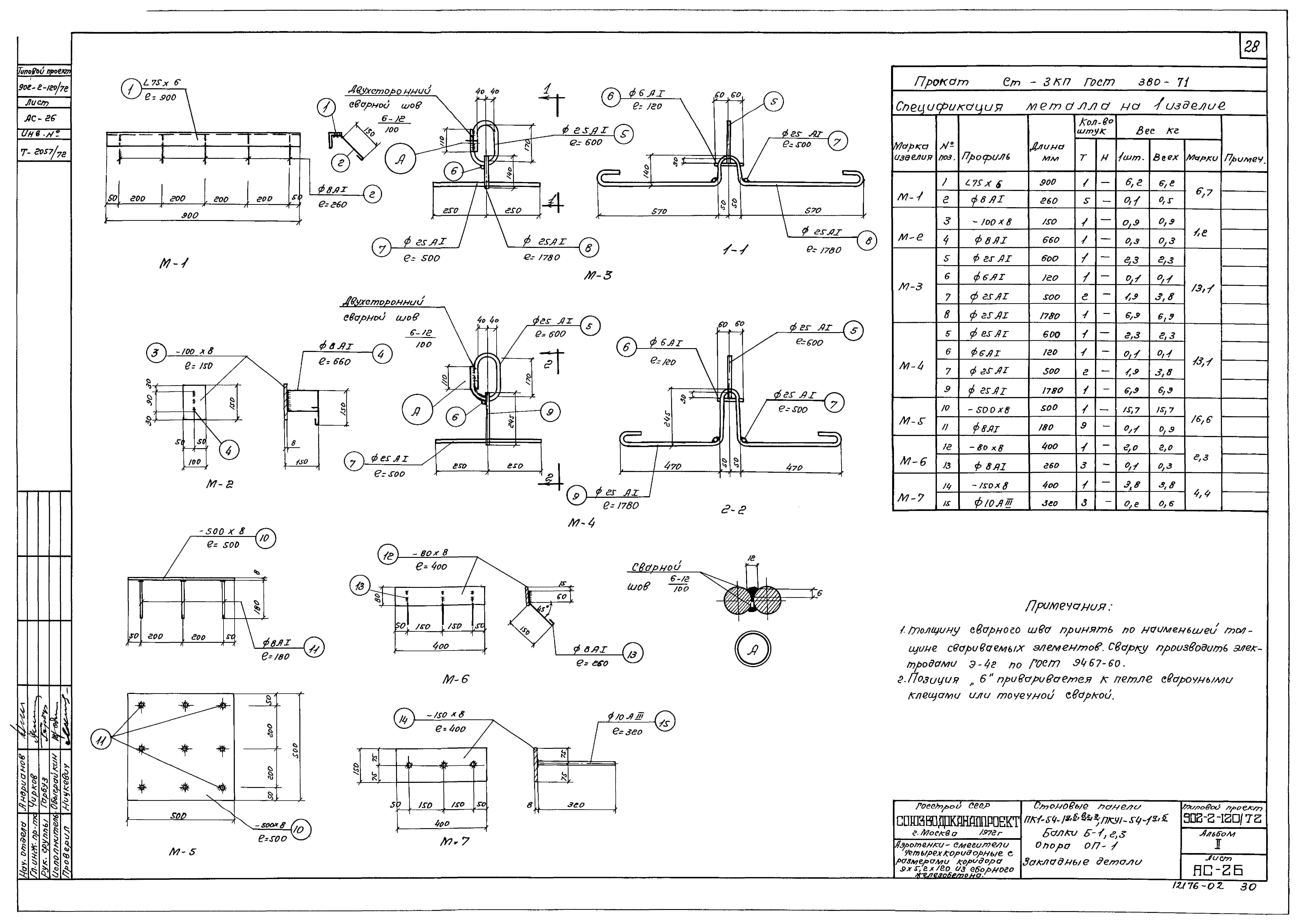
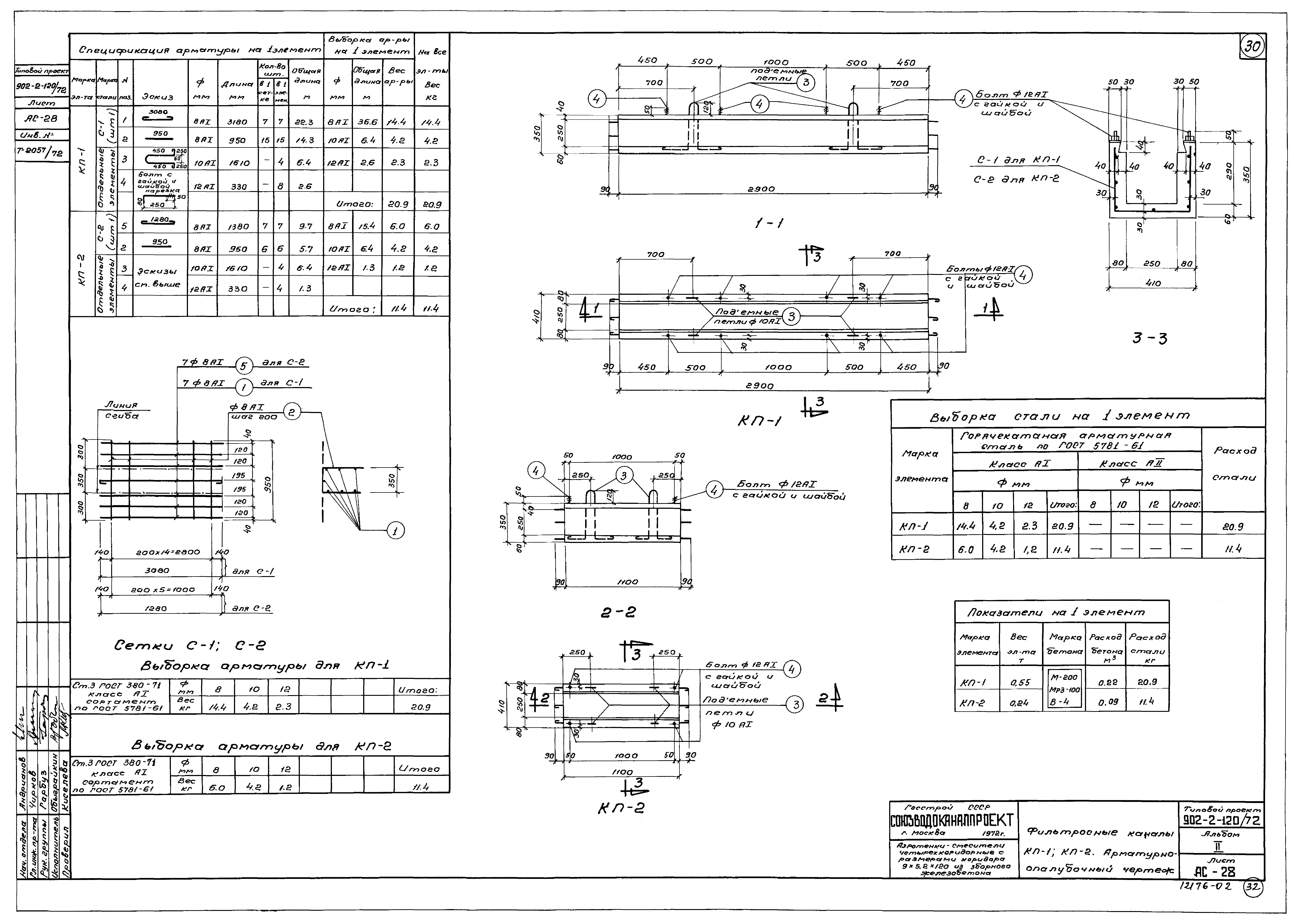
Скачать Типовой проект 902-2-120/72 Альбом II. Сборные железобетонные элементыДата актуализации: 01.01.2021 Типовой проект 902-2-120/72
Альбом II. Сборные железобетонные элементы| Обозначение: | Типовой проект 902-2-120/72 | | Обозначение англ: | 902-2-120/72 | | Статус: | отменен | | Название рус.: | Альбом II. Сборные железобетонные элементы | | Дата добавления в базу: | 01.02.2020 | | Дата актуализации: | 01.01.2021 | | Дата введения: | 16.02.1973 | | Дата окончания срока действия: | 01.04.1985 | | Разработан: | Союзводоканалпроект
| | Утверждён: | 16.02.1973 Союзводоканалпроект (Soyuzvodokanalproject 30)
| | Заменяет собой: | |
                              
|