Скачать Общеотраслевые методические материалы по определению экономической эффективности использования систем автоматизированного проектирования в проектных, проектно-конструкторских и технологических организациях, в основном производстве и капитальном строительствеДата актуализации: 01.01.2021
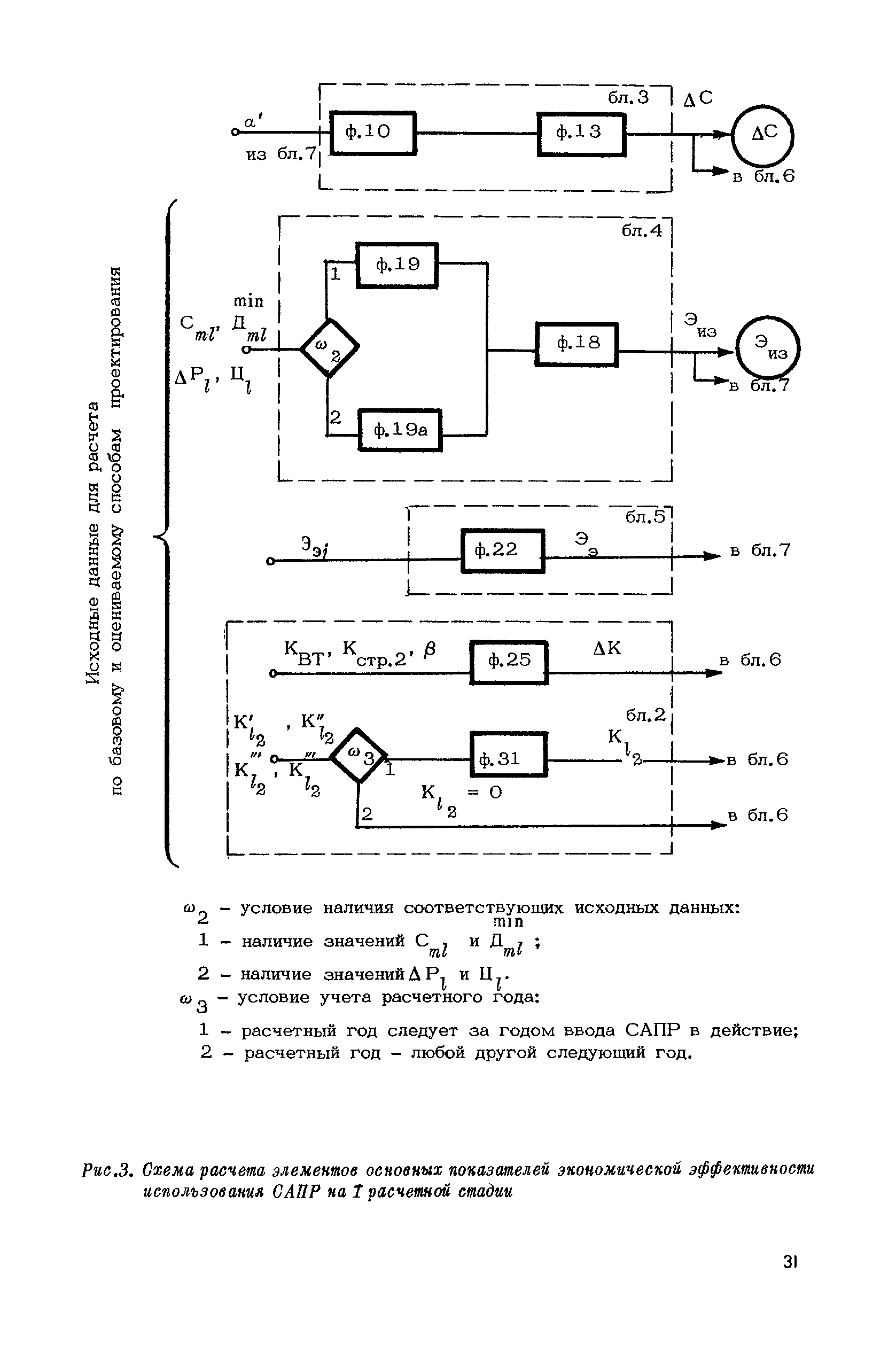
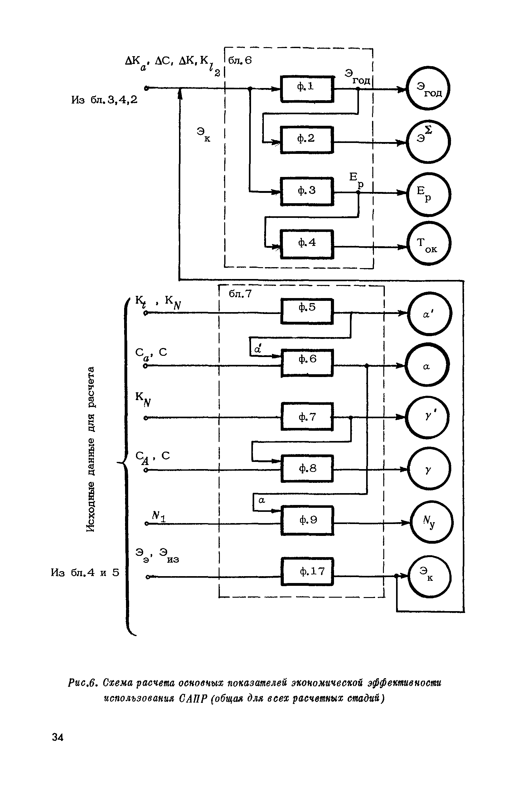
Общеотраслевые методические материалы по определению экономической эффективности использования систем автоматизированного проектирования в проектных, проектно-конструкторских и технологических организациях, в основном производстве и капитальном строительстве| Статус: | справочные материалы, мп, тпр | | Название рус.: | Общеотраслевые методические материалы по определению экономической эффективности использования систем автоматизированного проектирования в проектных, проектно-конструкторских и технологических организациях, в основном производстве и капитальном строительстве | | Дата добавления в базу: | 01.01.2021 | | Дата актуализации: | 01.01.2021 | | Область применения: | Общеотраслевые методические материалы содержат базовые положения, общие нормы и правила, выполнение которых в отраслевых нормативных и методических материалах обеспечит методологического единство и сопоставимость результатов расчета показателей экономической эффективности. | | Оглавление: | 1. Общие положения 2. Основные показатели экономической эффективности использования САПР, их назначение 3. Общие принципы и правила определения экономической эффективности использования САПР 4. Разработка отраслевых методических материалов на основе ОММ Приложение 1. Правила обеспечения сопоставимости характеристик базового и оцениваемого способов проектирования Приложение 2. Правила выбора базового способа проектирования для сравнения в расчетах экономической эффективности использования САПР Приложение 3. Расчет основных показателей экономической эффективности САПР Приложение 4. Исходные данные для расчета основных показателей экономической эффективности САПР по принятому в ОММ алгоритму Приложение 5. Разработка нормативов для расчета показателей экономической эффективности САПР | | Утверждён: | 17.04.1985 ГКНТ СССР (USSR GKNT 169/87/65/50) Президиум Академии наук СССР (Presidium of the USSR Academy of Sciences ) Госплан СССР (USSR Gosplan ) Госстрой СССР
| | Нормативные ссылки: | |
                                                 
|