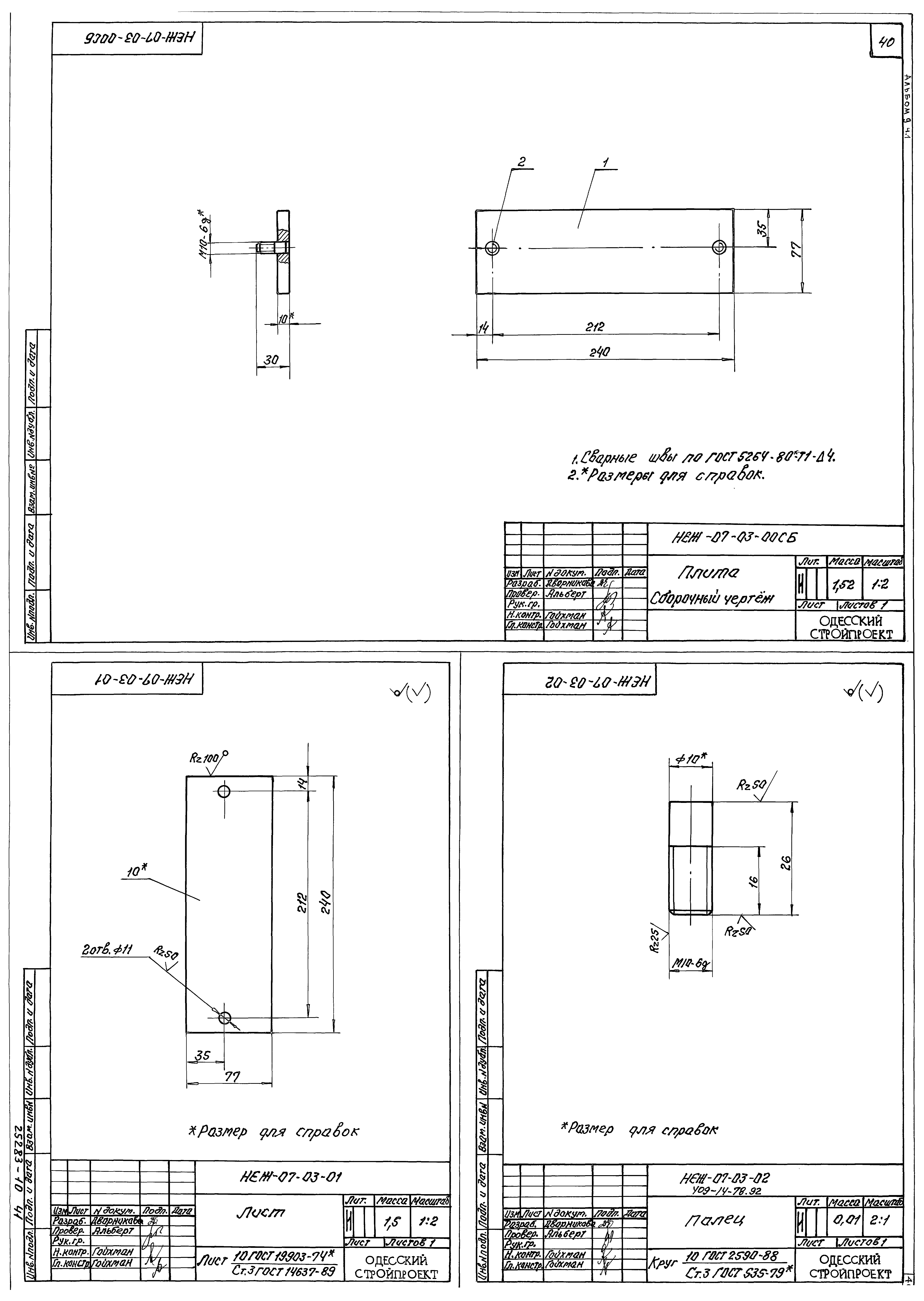
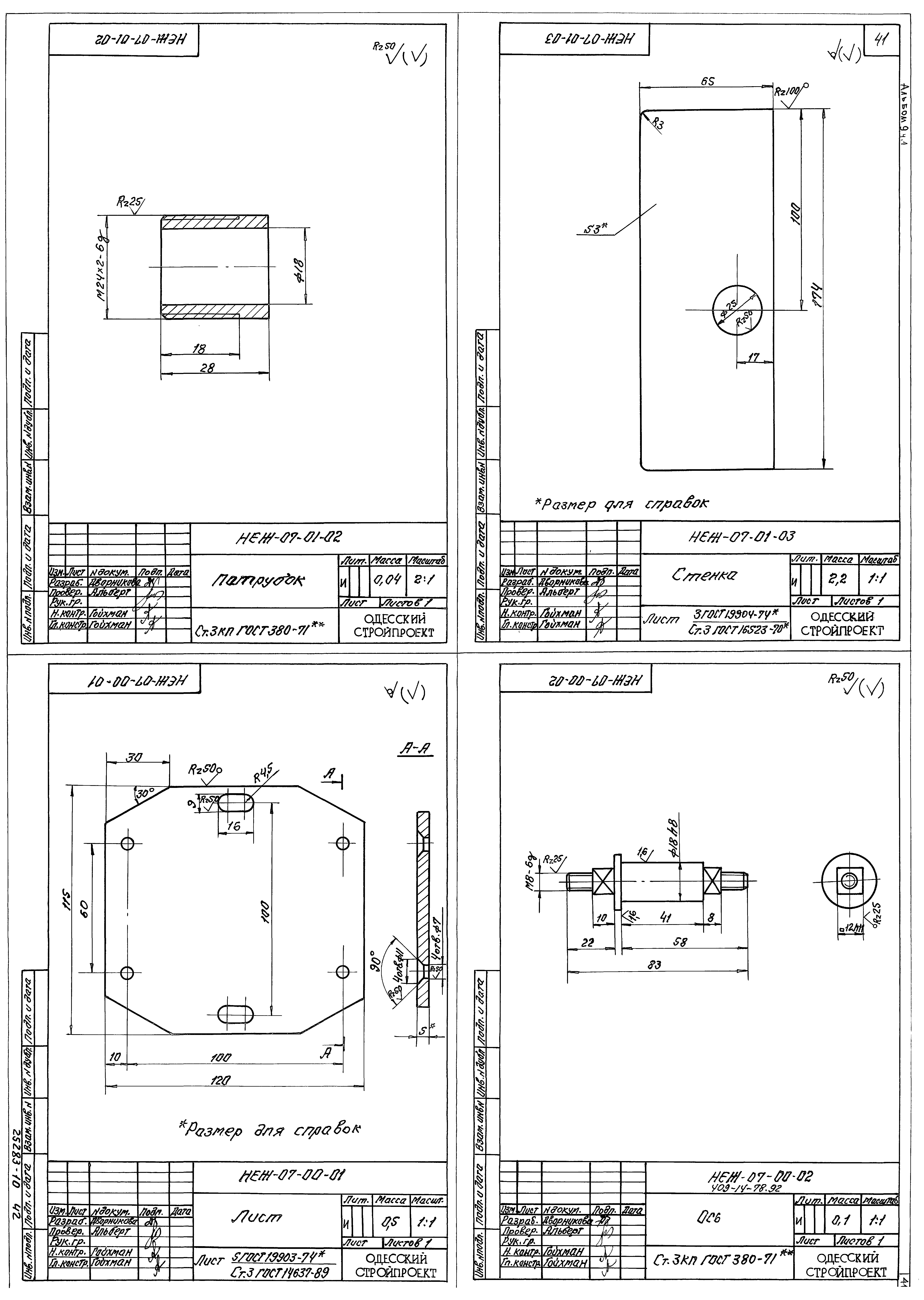
Скачать Типовой проект 409-14-78.92 Альбом 9. Часть 1. Нестандартизированное оборудование участка мойкиДата актуализации: 01.01.2021
|
| Обозначение: | Типовой проект 409-14-78.92 |
| Обозначение англ: | 409-14-78.92 |
| Статус: | не определен законодательством |
| Название рус.: | Альбом 9. Часть 1. Нестандартизированное оборудование участка мойки |
| Дата добавления в базу: | 01.02.2020 |
| Дата актуализации: | 01.01.2021 |
| Дата введения: | 15.01.1992 |
| Дата окончания срока действия: | 30.06.2003 |
| Разработан: | Одесский стройпроект |
| Утверждён: | 15.01.1992 Одесский Стройпроект (62) |
| Издан: | ЦИТП Госстроя СССР (CITP, Gosstroy (USSR) 1992 г. ) |
| Заменяет собой: |










































