Скачать Типовой проект научной организации труда при экскавации вскрышных пород экскаватором ЭКГ-12,5 с погрузкой на железнодорожный транспортДата актуализации: 01.01.2021
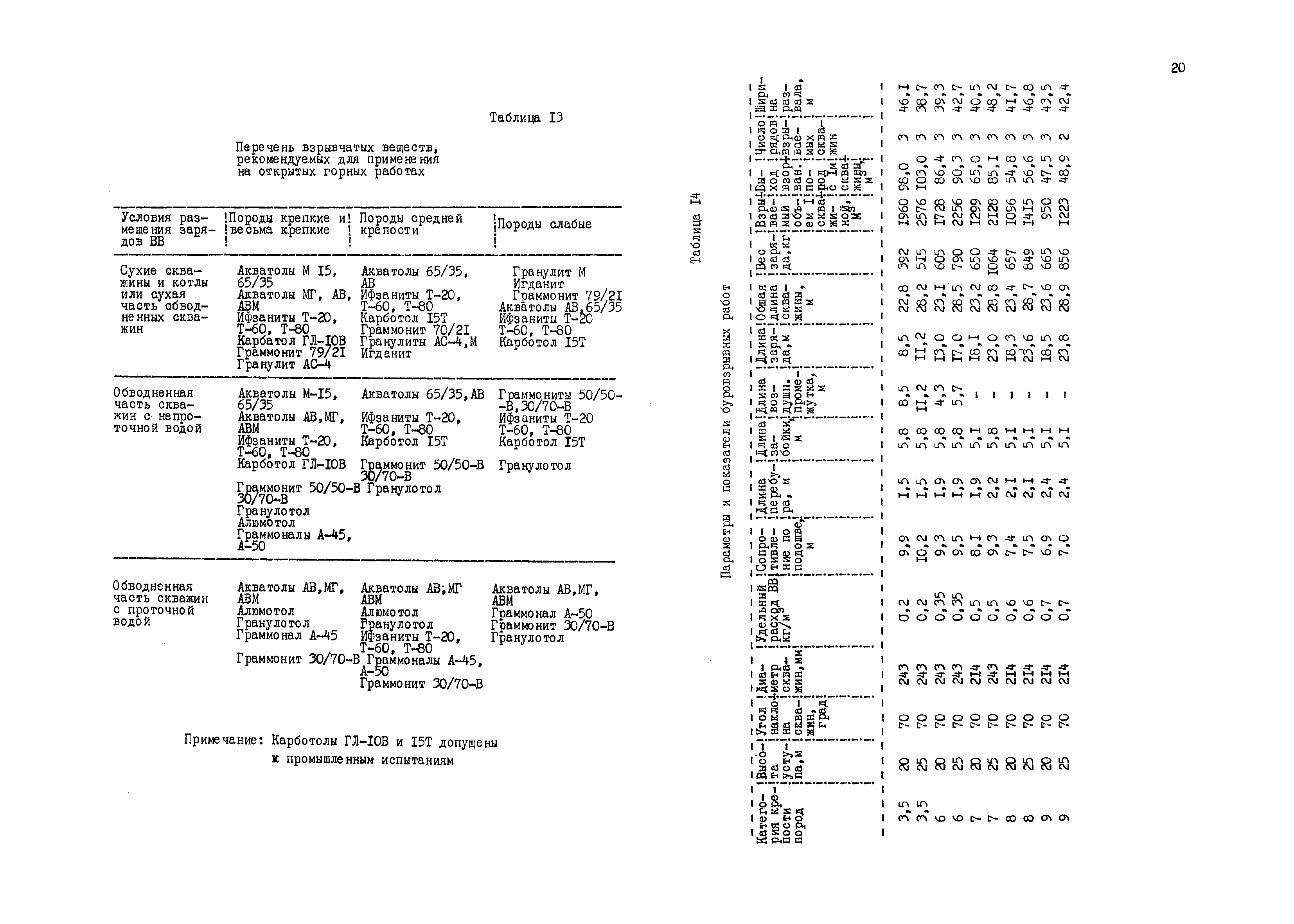
Типовой проект научной организации труда при экскавации вскрышных пород экскаватором ЭКГ-12,5 с погрузкой на железнодорожный транспорт| Статус: | информационный документ | | Название рус.: | Типовой проект научной организации труда при экскавации вскрышных пород экскаватором ЭКГ-12,5 с погрузкой на железнодорожный транспорт | | Дата добавления в базу: | 01.01.2021 | | Дата актуализации: | 01.01.2021 | | Область применения: | В работе даются рекомендации по организации и обслуживанию рабочих мест, методам и приемам труда, нормированию, оплате труда и бригадному хозрасчету. | | Оглавление: | Аннотация 1 Общая и техническая часть 1.1 Условия применения типового проекта и основные технико-экономические показатели, которые могут быть получены при внедрении рекомендаций 1.2 Технологические схемы выполнения работ 2 Организация труда 2.1 Форма организации труда 2.2 Разделение и кооперирование труда внутри бригады 2.3 Графики организации труда 2.4 Карта организации труда 2.4.1 Технология рабочего процесса 2.4.2 Организация рабочего процесса 2.4.3 Методы и приемы труда 2.4.4 Техника безопасности при эксплуатации экскаватора 3 Условия труда 3.1 Санитарно—гигиенические нормы труда 3.1.1 Температура воздуха 3.1.2 Концентрация пыли 3.1.3 Производственный шум 3.1.4 Освещение 3.1.5 Эстетическое оформление рабочих мест 4 Обслуживание рабочего места 4.1 Буровзрывные работы 4.2 Материально—техническое снабжение экскаватора 4.3 Энергоснабжение экскаватора 4.4 Техническое обслуживание и ремонт экскаватора 4.5 Обеспечение экскаватора железнодорожным транспортом 4.6 Связь, доставка рабочих 5 Нормирование, оплата труда и бригадный хозрасчет 6 Порядок разработки конкретных проектов организации труда при исполнении рекомендаций типового проекта 7 Эффективность рекомендаций типового проекта НОТ 7.1 Определение повышения производительности экскаватора 7.2 Определение объема дополнительно вскрытых запасов угля 7.3 Определение повышения производительности труда рабочего 7.4 Определение экономической эффективности Приложение 1. Права и обязанности рабочих экскаваторной бригады Приложение 2. Перечень отказов и принимаемых решений по ликвидации Приложение 3. Карта организации труда при экскавации вскрышных пород экскаватором ЭКГ—12,5 с погрузкой на ж.д. транспорт Приложение 4. Перечень оборудования, запасных частей и материалов, хранящихся на складе участка и экскаваторе Приложение 5. Перечень отказов и способов их устранения | | Разработан: | НИИОГР
| | Утверждён: | 16.06.1982 Министерство угольной промышленности СССР (USSR Ministry of the Coal Industry )
| | Нормативные ссылки: | |
                                   
|