Скачать Выпуск 13А Руководящие указания по релейной защите. Релейная защита понижающих трансформаторов и автотрансформаторов 110 - 500 кВ. СхемыДата актуализации: 01.01.2021
|
| Обозначение: | Выпуск 13А |
| Обозначение англ: | Выпуск 13А |
| Статус: | информационный документ |
| Название рус.: | Руководящие указания по релейной защите. Релейная защита понижающих трансформаторов и автотрансформаторов 110 - 500 кВ. Схемы |
| Дата добавления в базу: | 01.01.2021 |
| Дата актуализации: | 01.01.2021 |
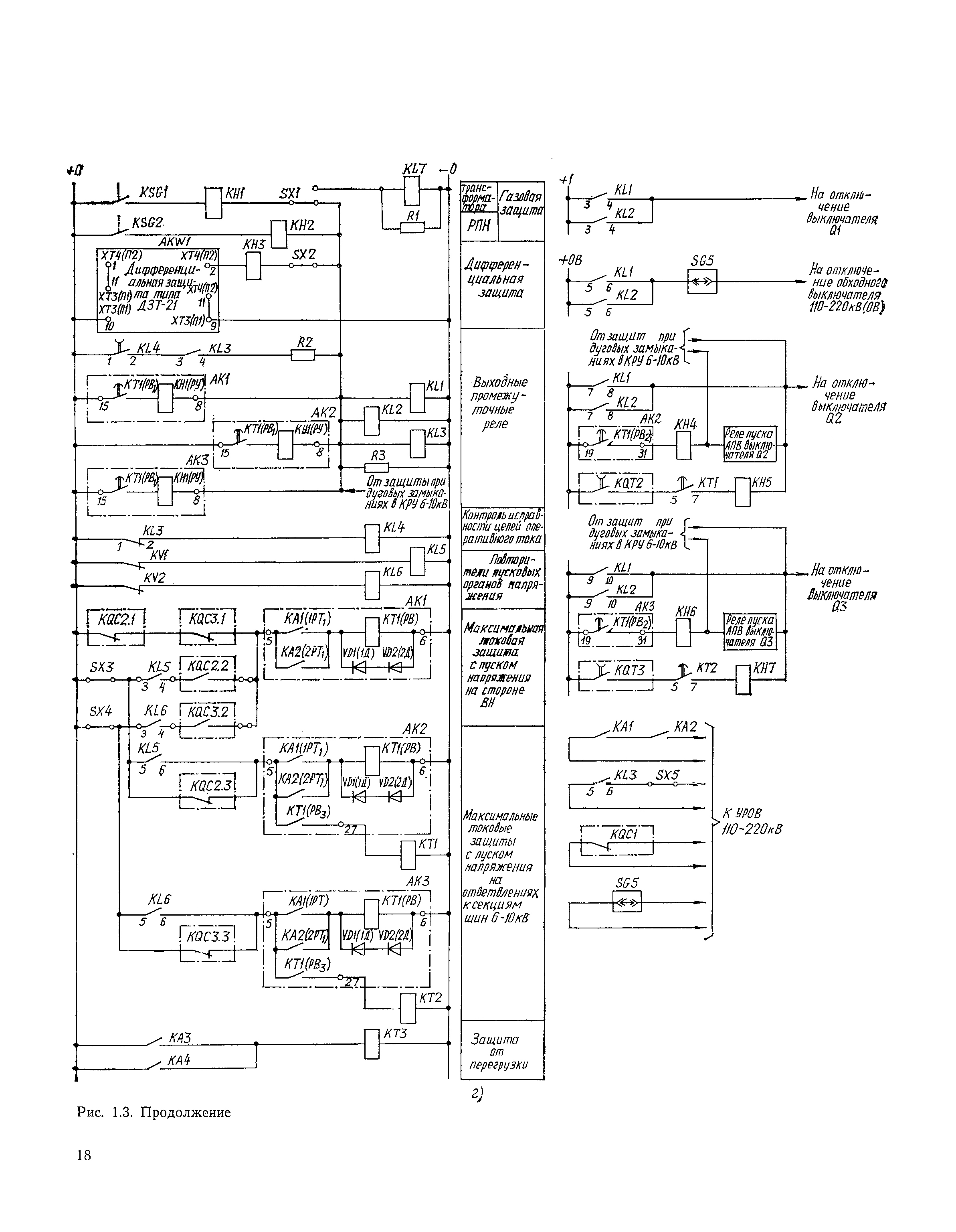
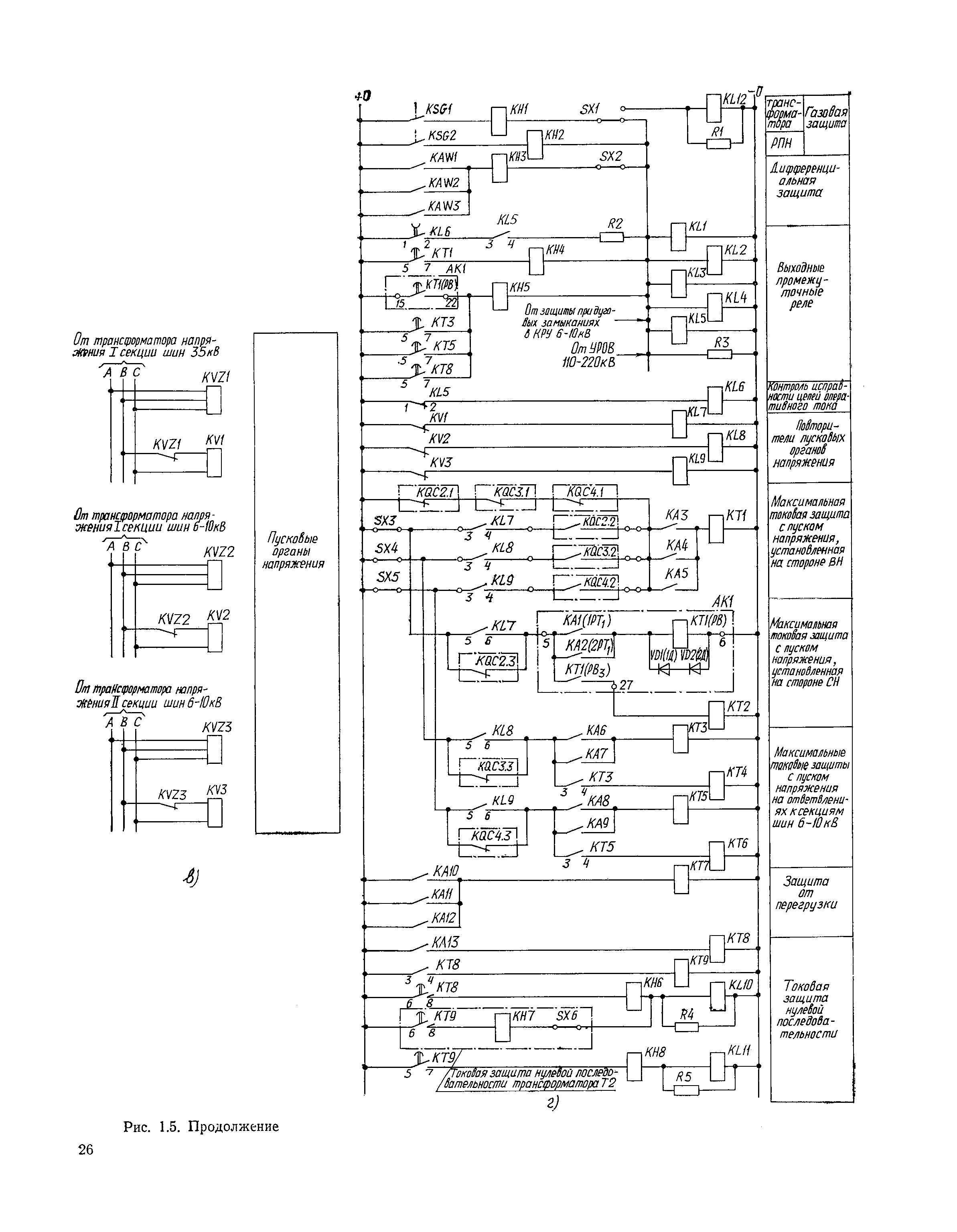
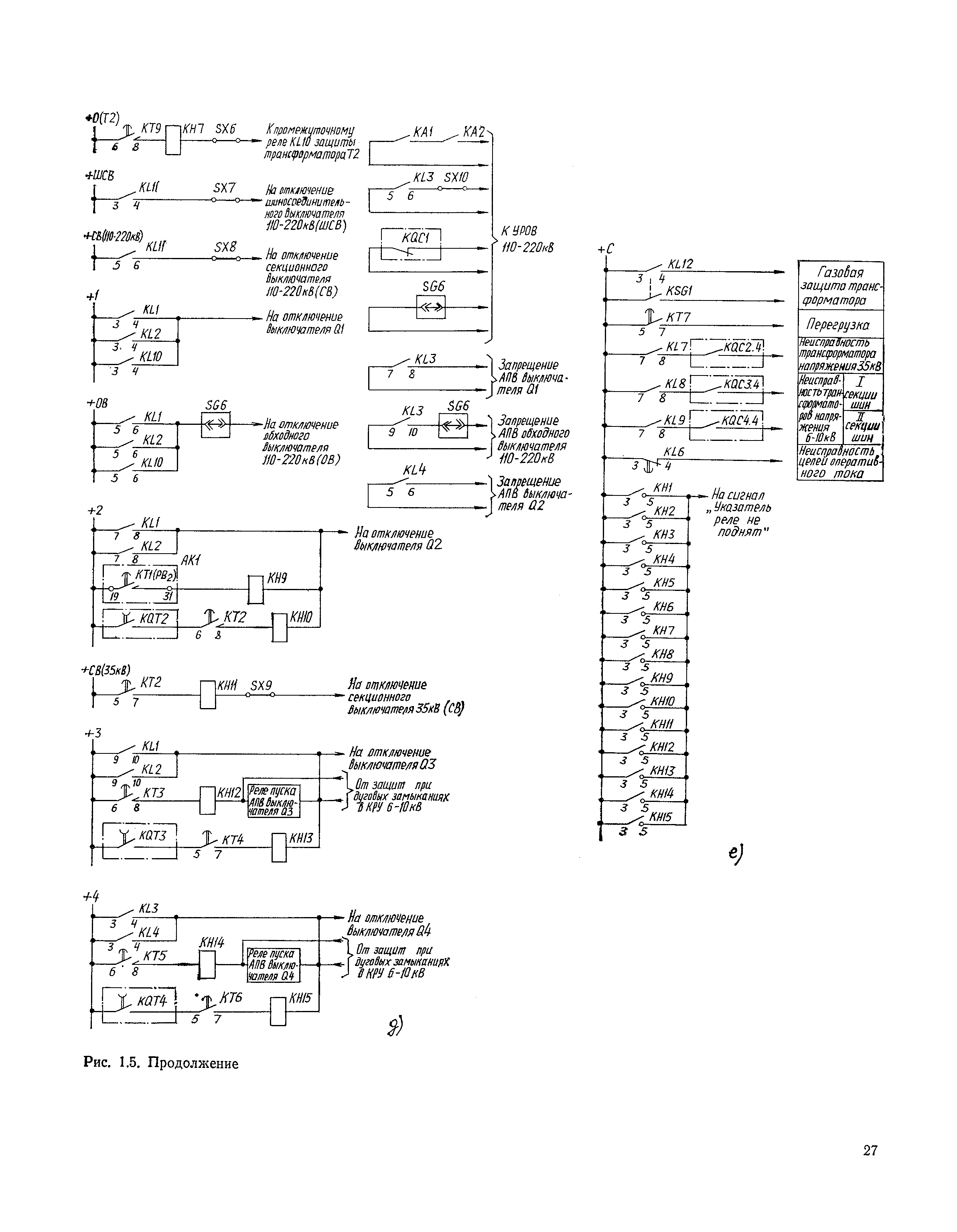
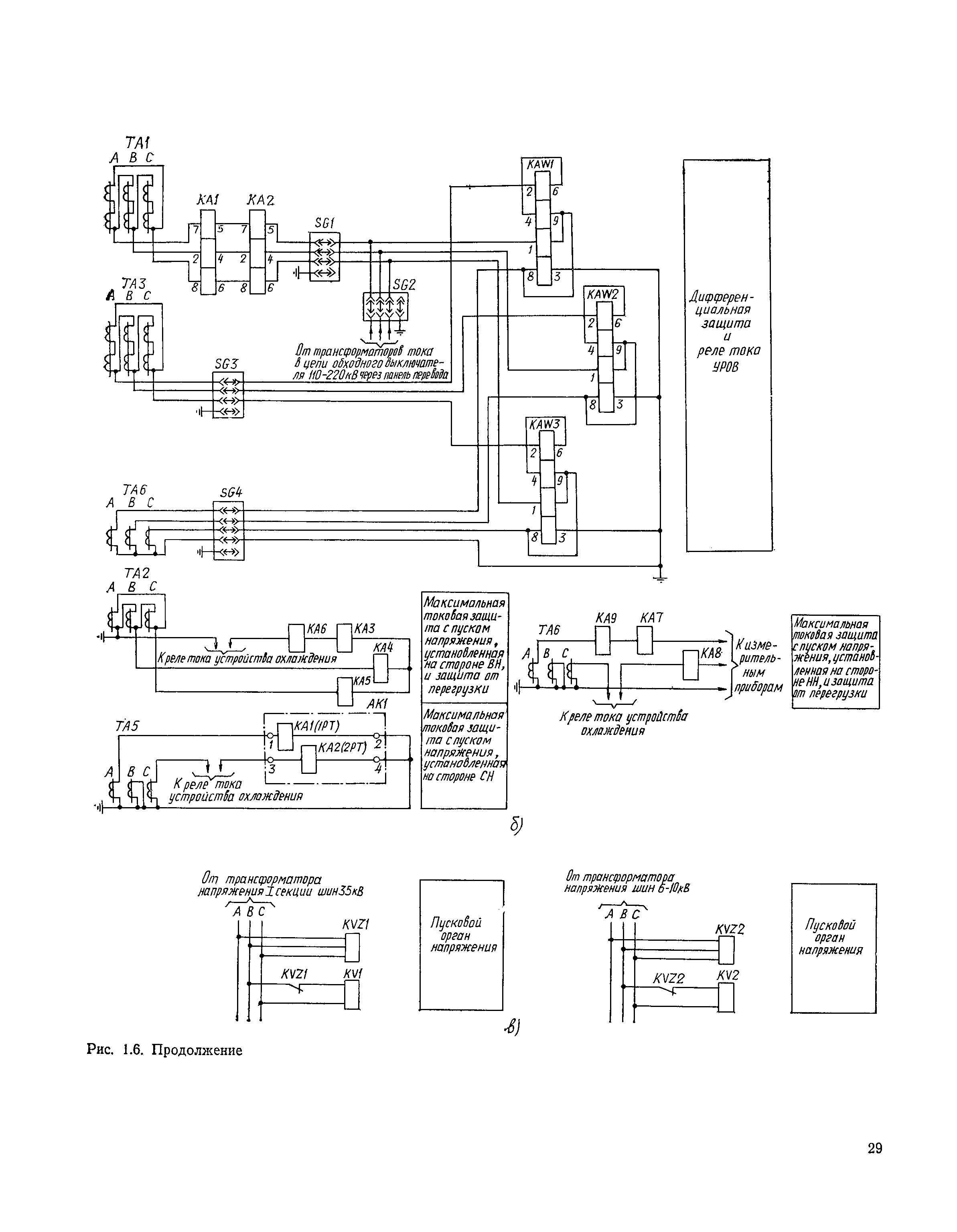
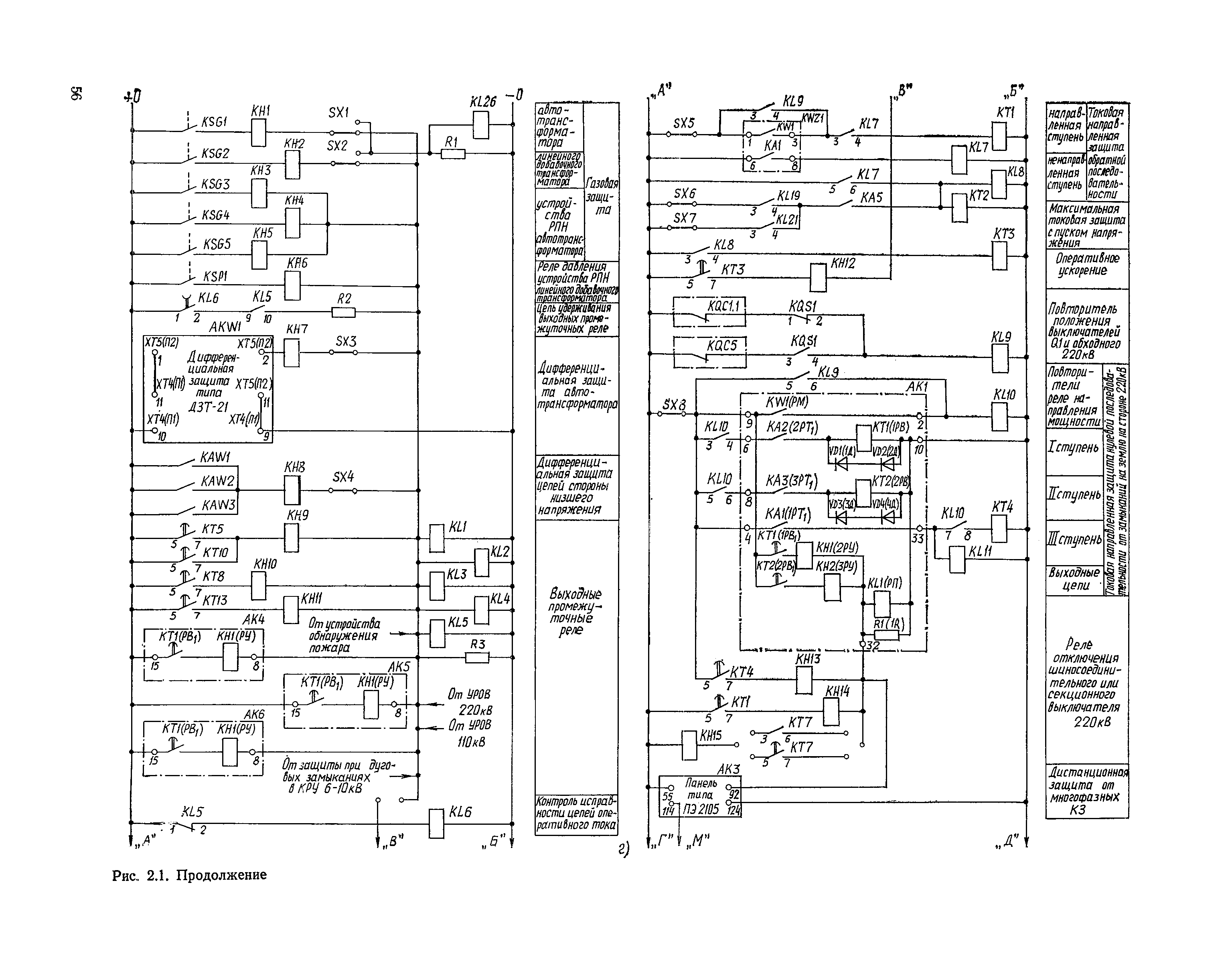
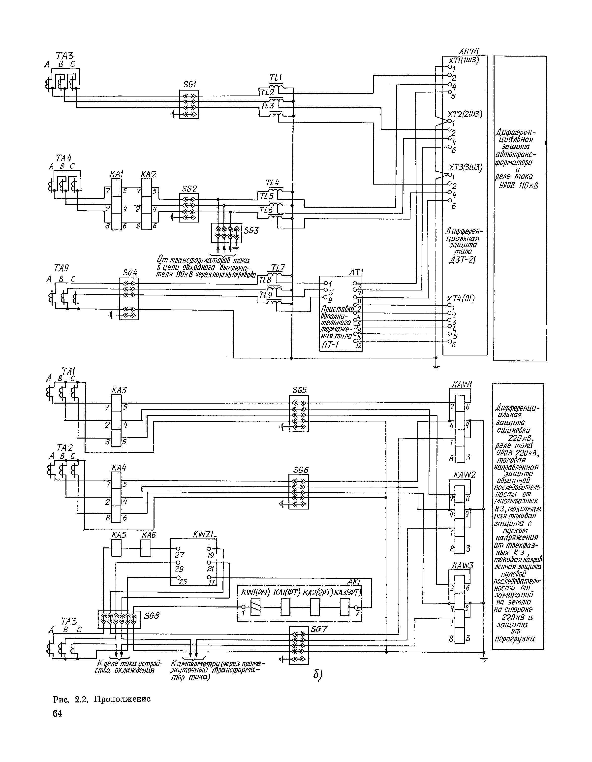
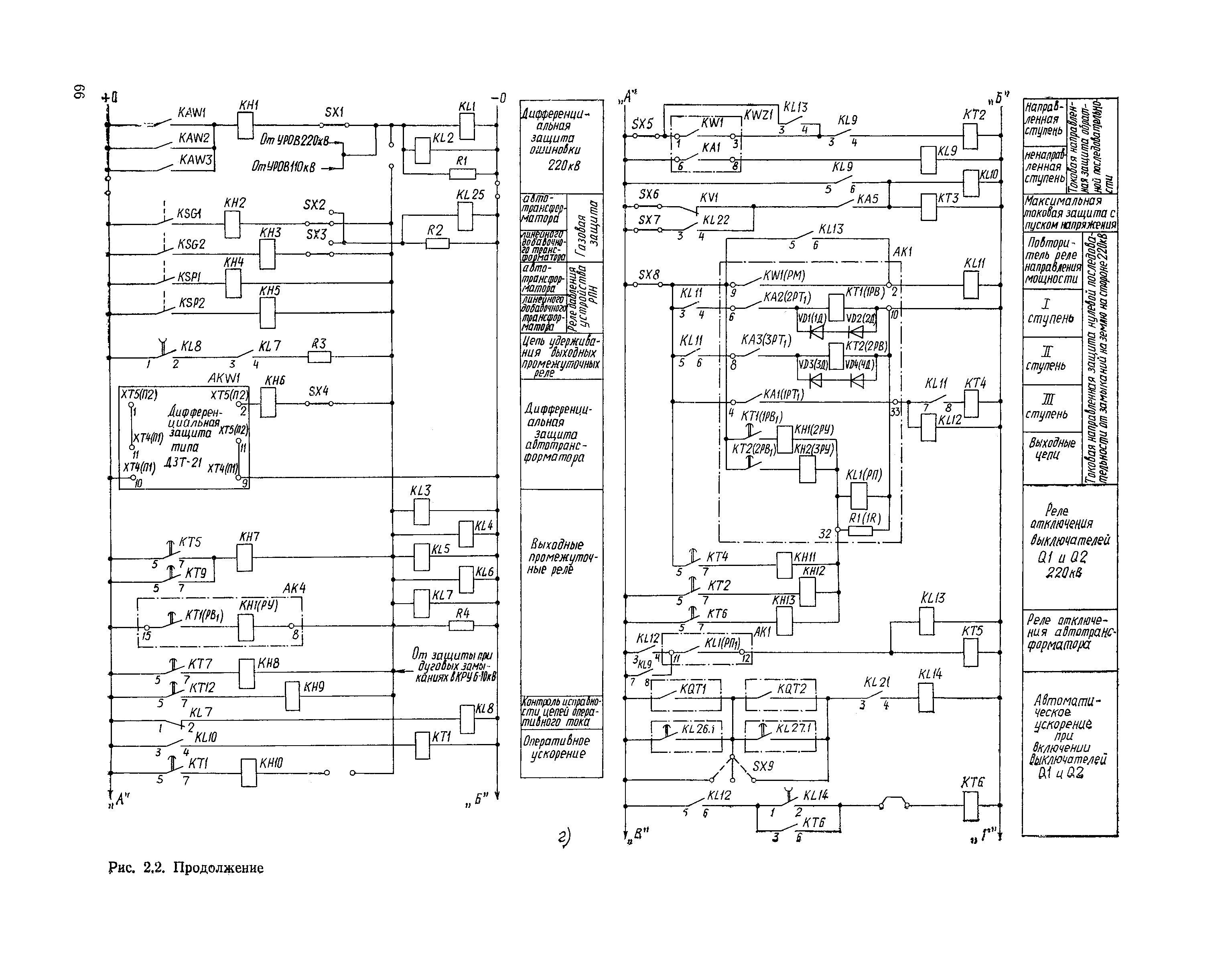
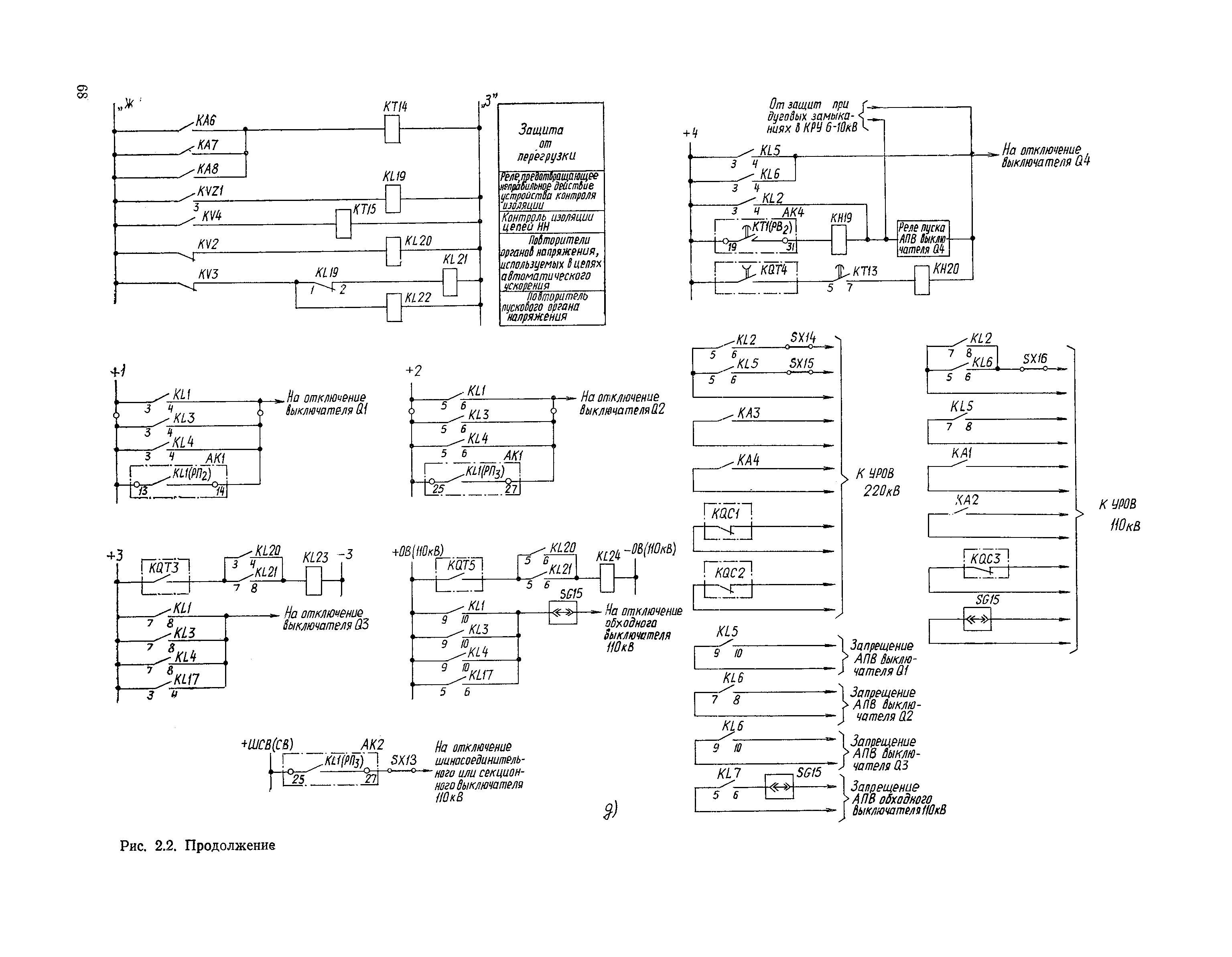
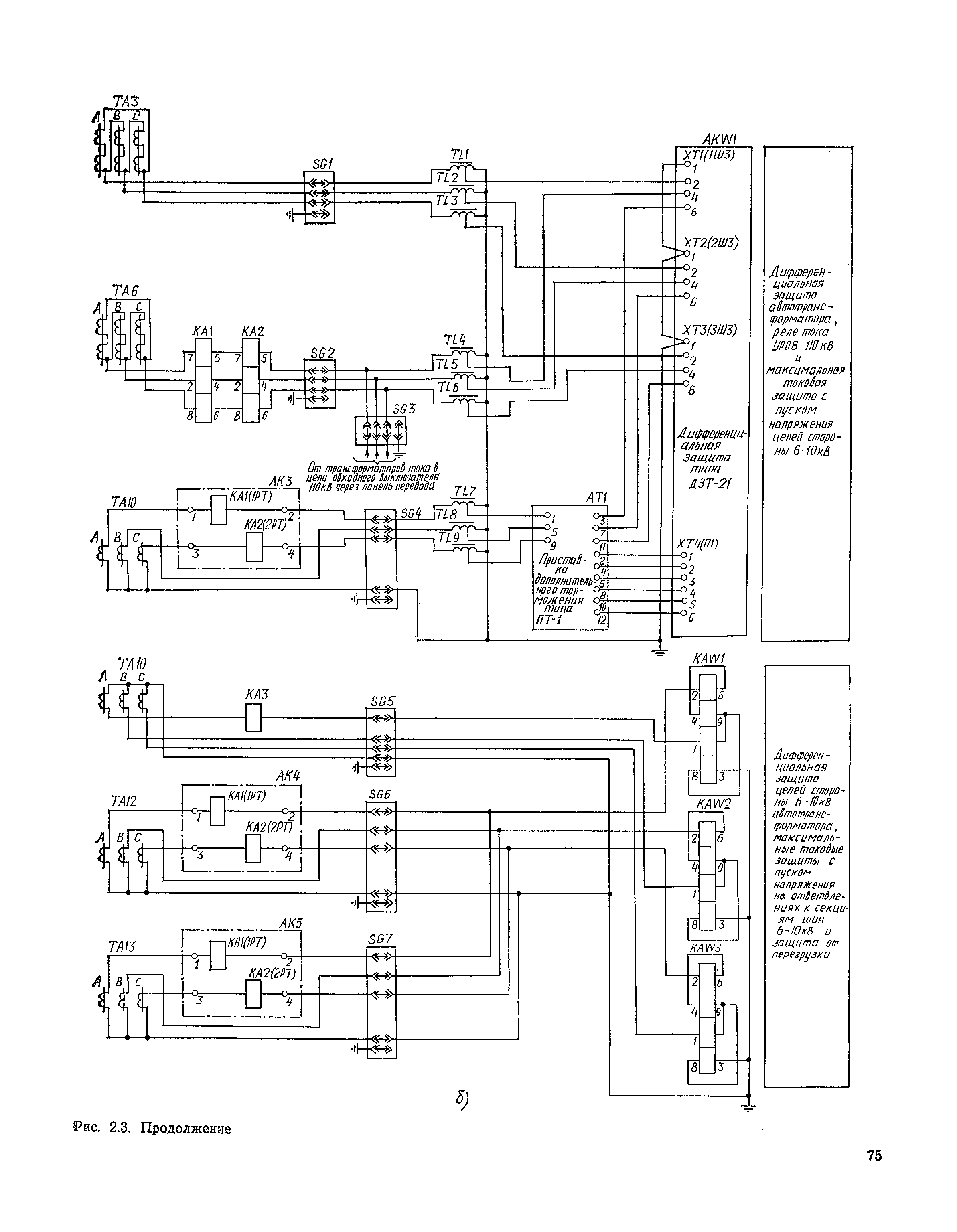
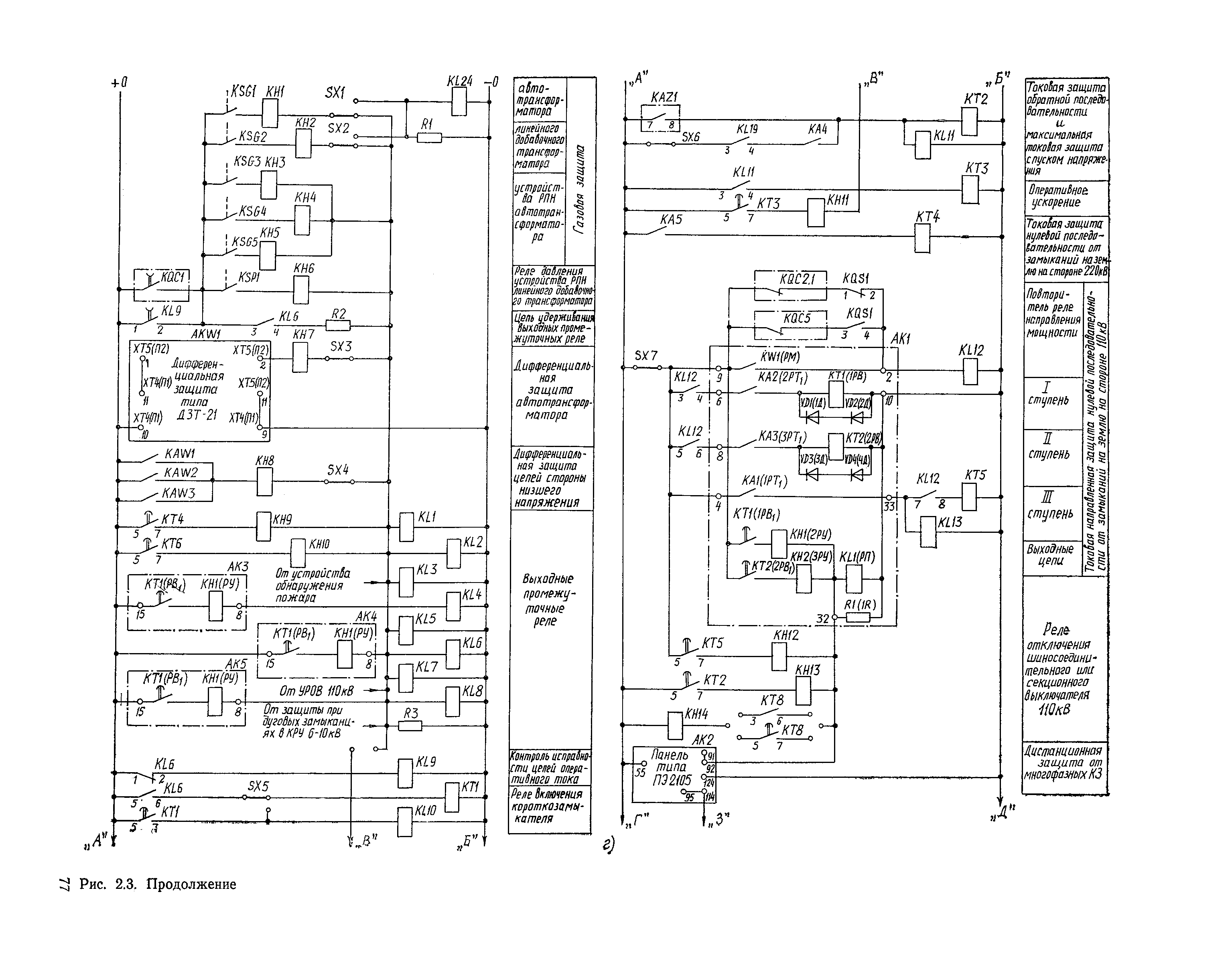
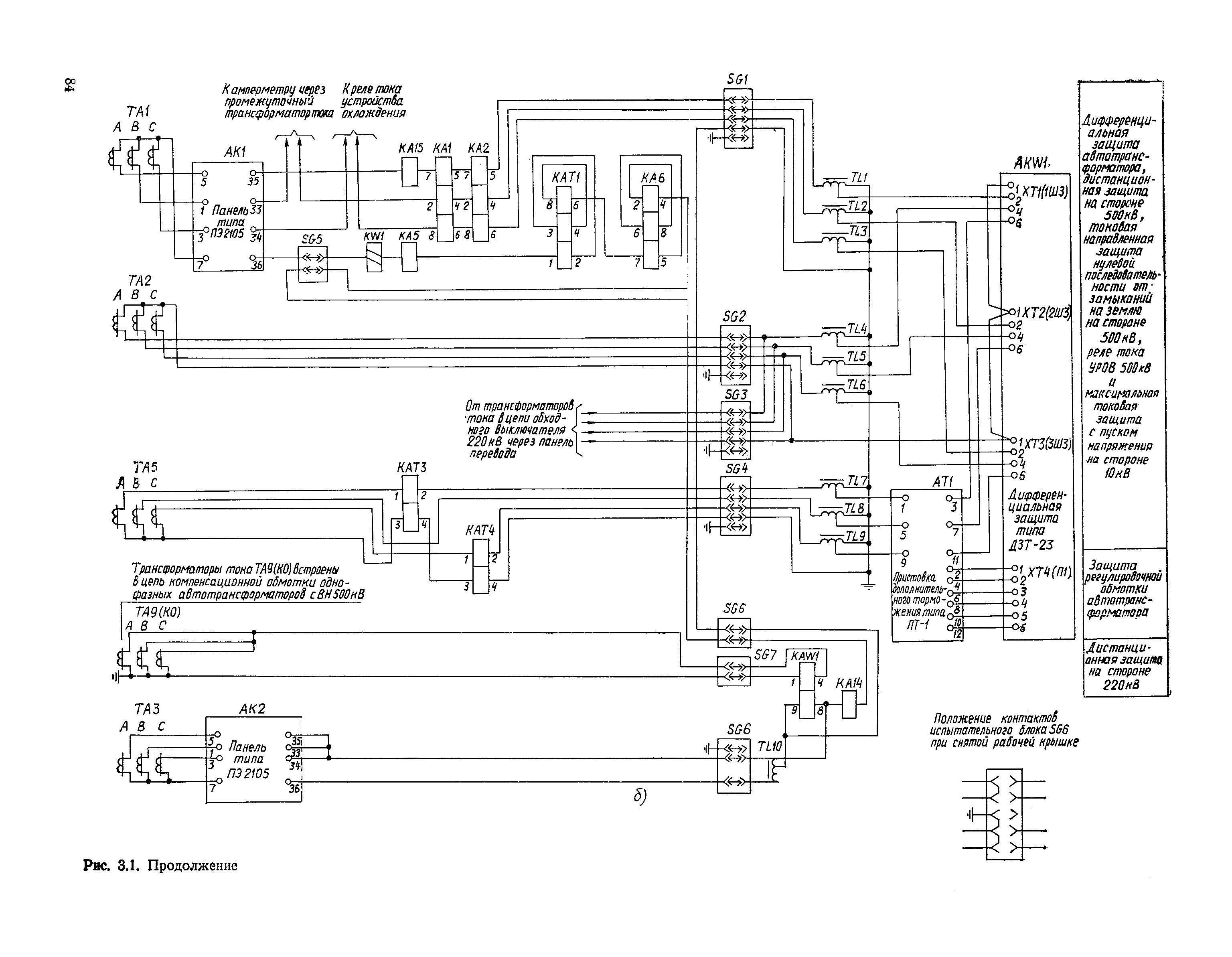
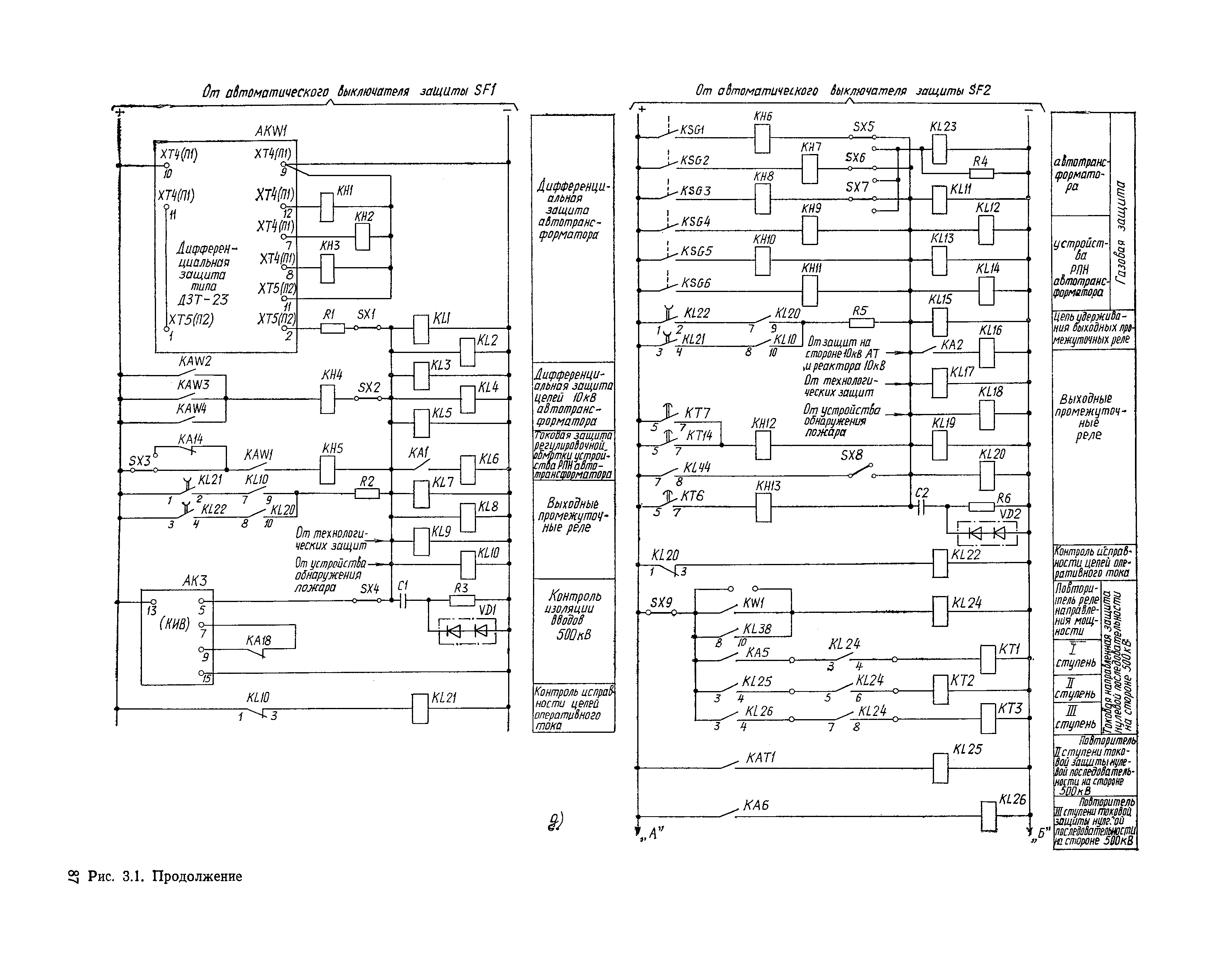
| Область применения: | В документе схемы релейной защиты на постоянном оперативном токе двух- и трехобмоточных трансформаторов мощностью 10 МВА и более с высшим напряжением 110 и 220 кВ и автотрансформаторов мощностью 63 МВА более с высшим напряжением 220 и 500 кВ понижающих подстанций. Защиты выполнены на выпускаемом союзными заводами релейном оборудовании. Для ИТР, занятых проектированием и эксплуатацией релейной защиты, аспирантов и студентов электроэнергетических специальностей. |
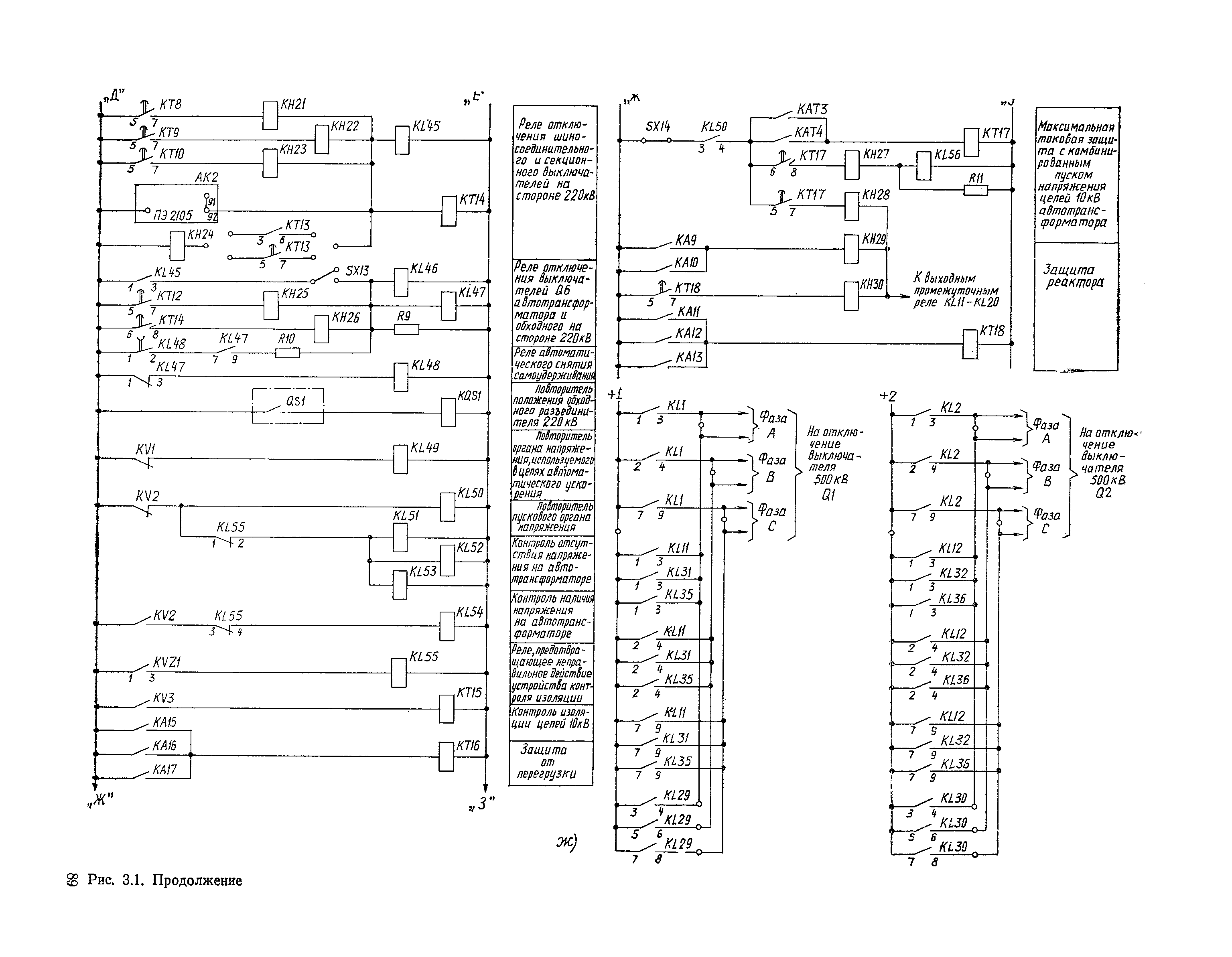
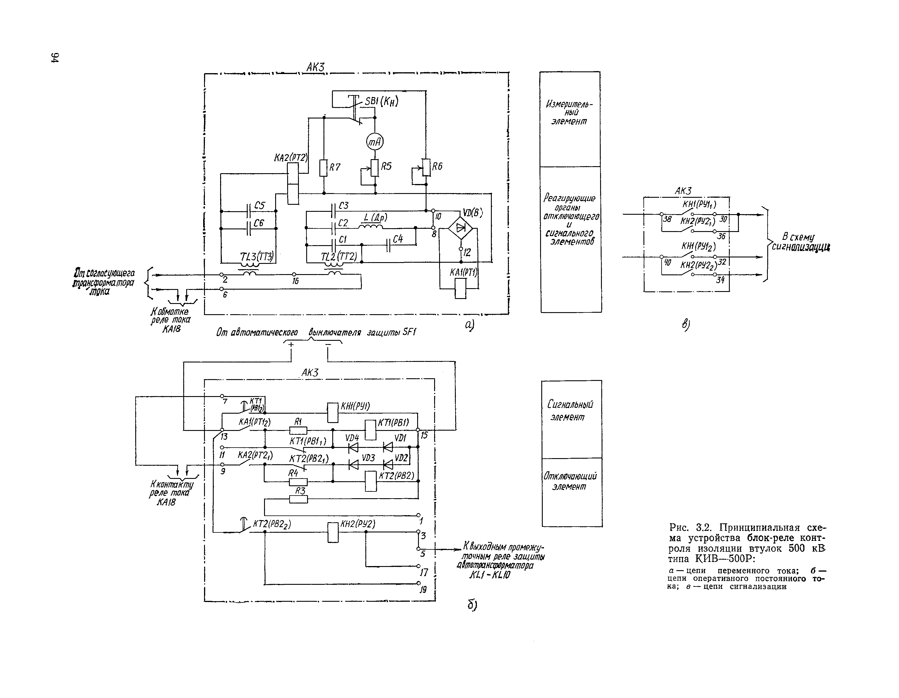
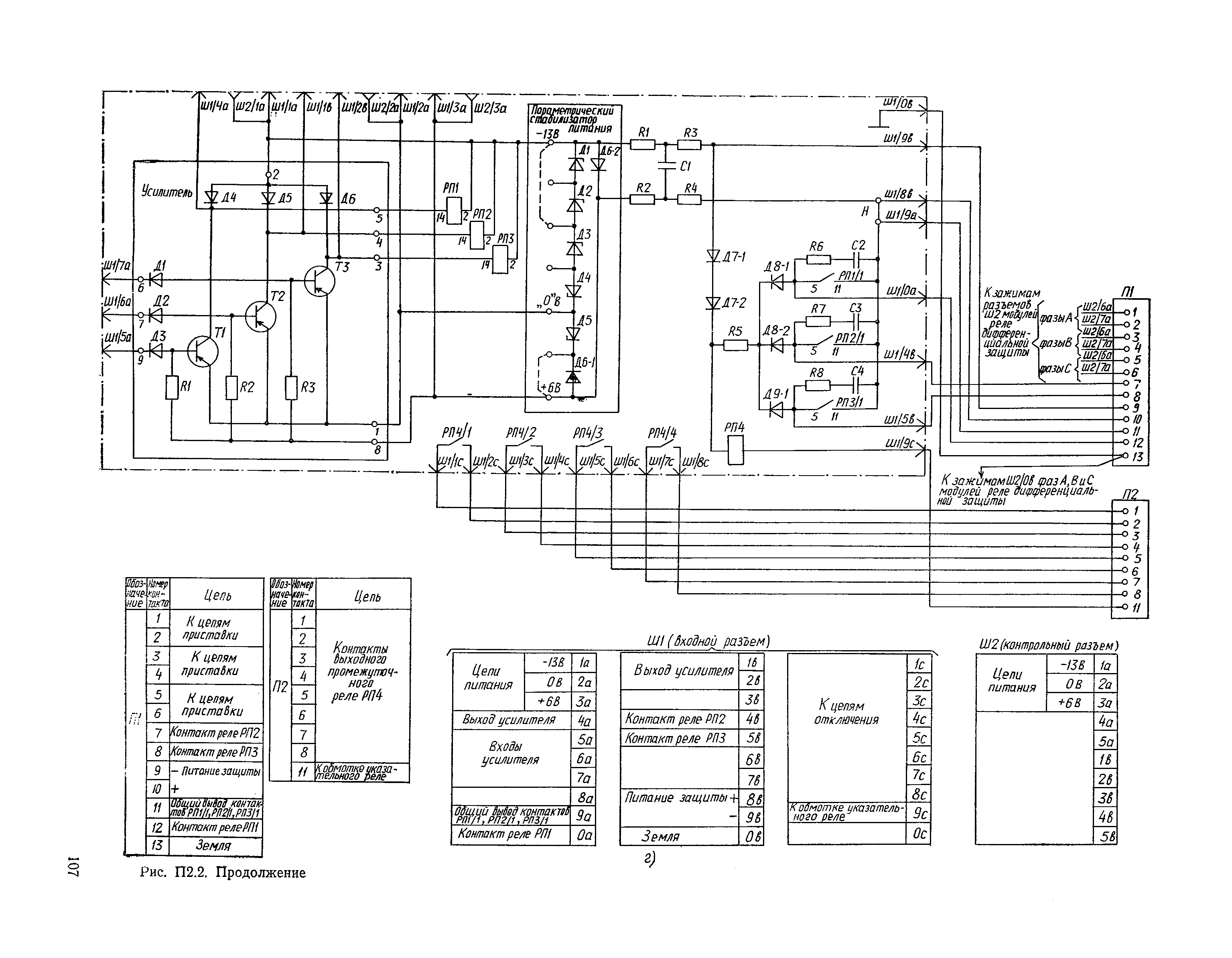
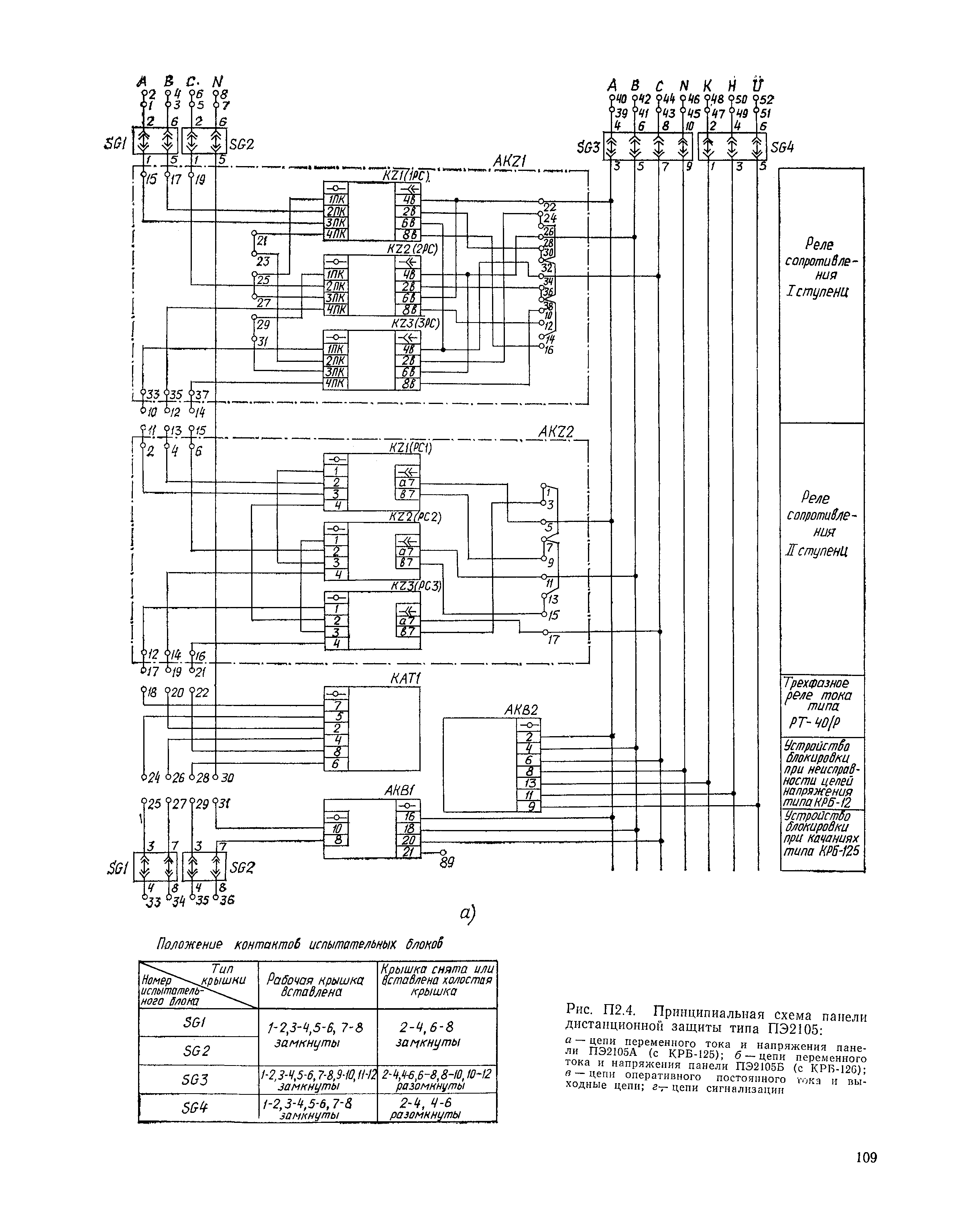
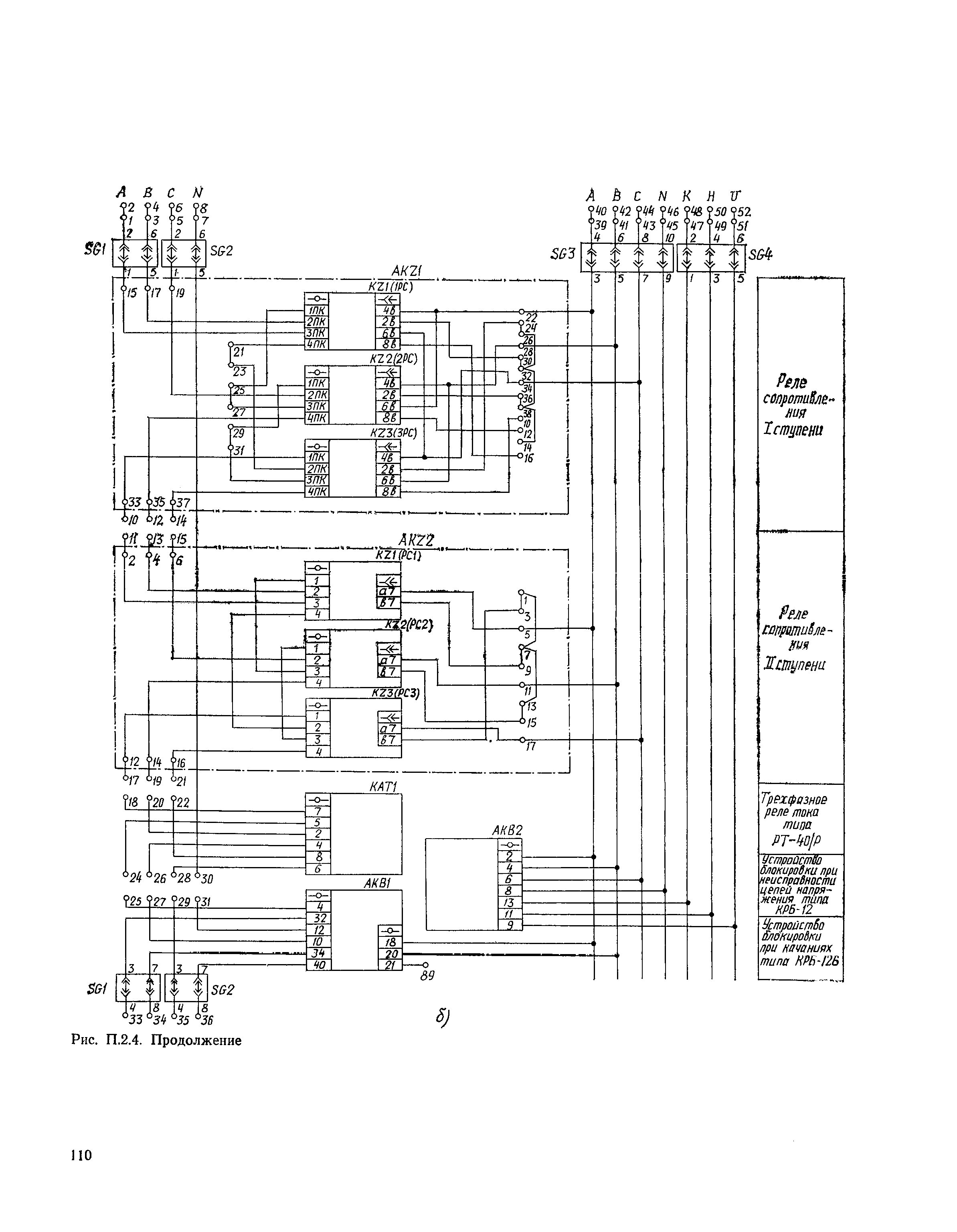
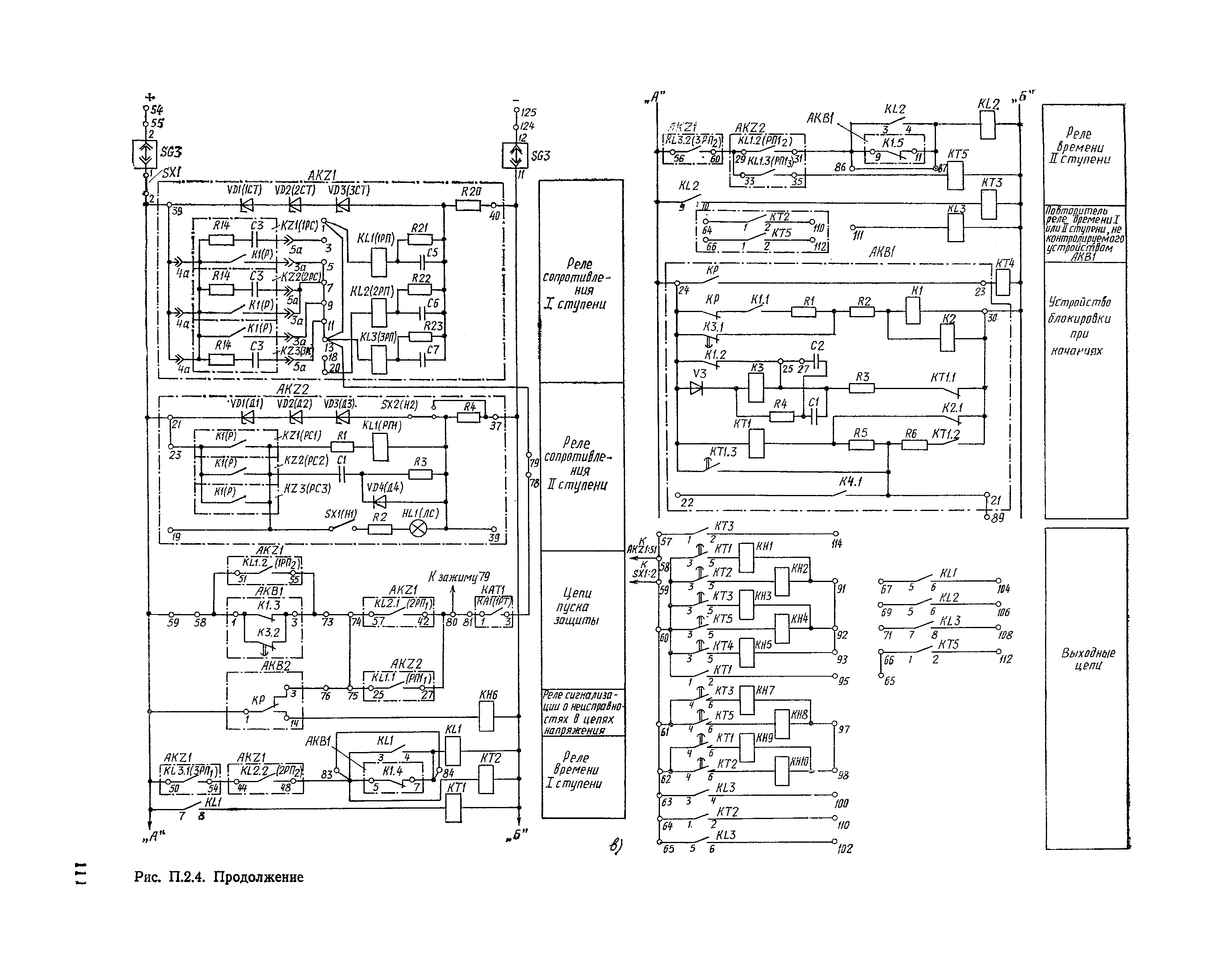
| Оглавление: | Предисловие Глава первая. Схемы защит понижающих трансформаторов 110 — 220 кВ Глава вторая. Схемы защит понижающих автотрансформаторов 220 кВ Глава третья. Схемы защит понижающих автотрансформаторов 500 кВ Глава четвертая. Схемы отключения отделителей с трехфазным и пофазным приводами Приложение 1. Приложение 2. Схемы |
| Разработан: | Институт Энергосетьпроект |
| Утверждён: | 04.02.1980 Министерство энергетики и электрификации СССР (USSR Ministry of Energy and Electrical Power 7) |
| Издан: | Энергоатомиздат (1985 г. ) |
| Заменяет собой: |
|
| Нормативные ссылки: |
















































































































