Скачать Выпуск 13Б Руководящие указания по релейной защите. Релейная защита понижающих трансформаторов и автотрансформаторов 110 - 500 кВ. РасчетыДата актуализации: 01.01.2021
|
| Обозначение: | Выпуск 13Б |
| Обозначение англ: | Выпуск 13Б |
| Статус: | информационный документ |
| Название рус.: | Руководящие указания по релейной защите. Релейная защита понижающих трансформаторов и автотрансформаторов 110 - 500 кВ. Расчеты |
| Дата добавления в базу: | 01.01.2021 |
| Дата актуализации: | 01.01.2021 |
| Область применения: | В выпуске рассмотрены расчеты защит понижающих трансформаторов и автотрансформаторов 110 — 500 кВ, выполненных на постоянном оперативном токе, принципы и методика расчета параметров срабатывания релейной защиты на постоянном оперативном токе двух и трехобмоточных трансформаторов мощностью 10 МВ-А и более с высшим напряжением 220 — 500 кВ понижающих подстанций, внедряемые в практику проектирования и эксплуатации Энергосетьпроектом. Для инженерно-технических работников, занятых в области проектирования и эксплуатации релейной защиты, а также аспирантов и студентов электроэнергетических специальностей. |
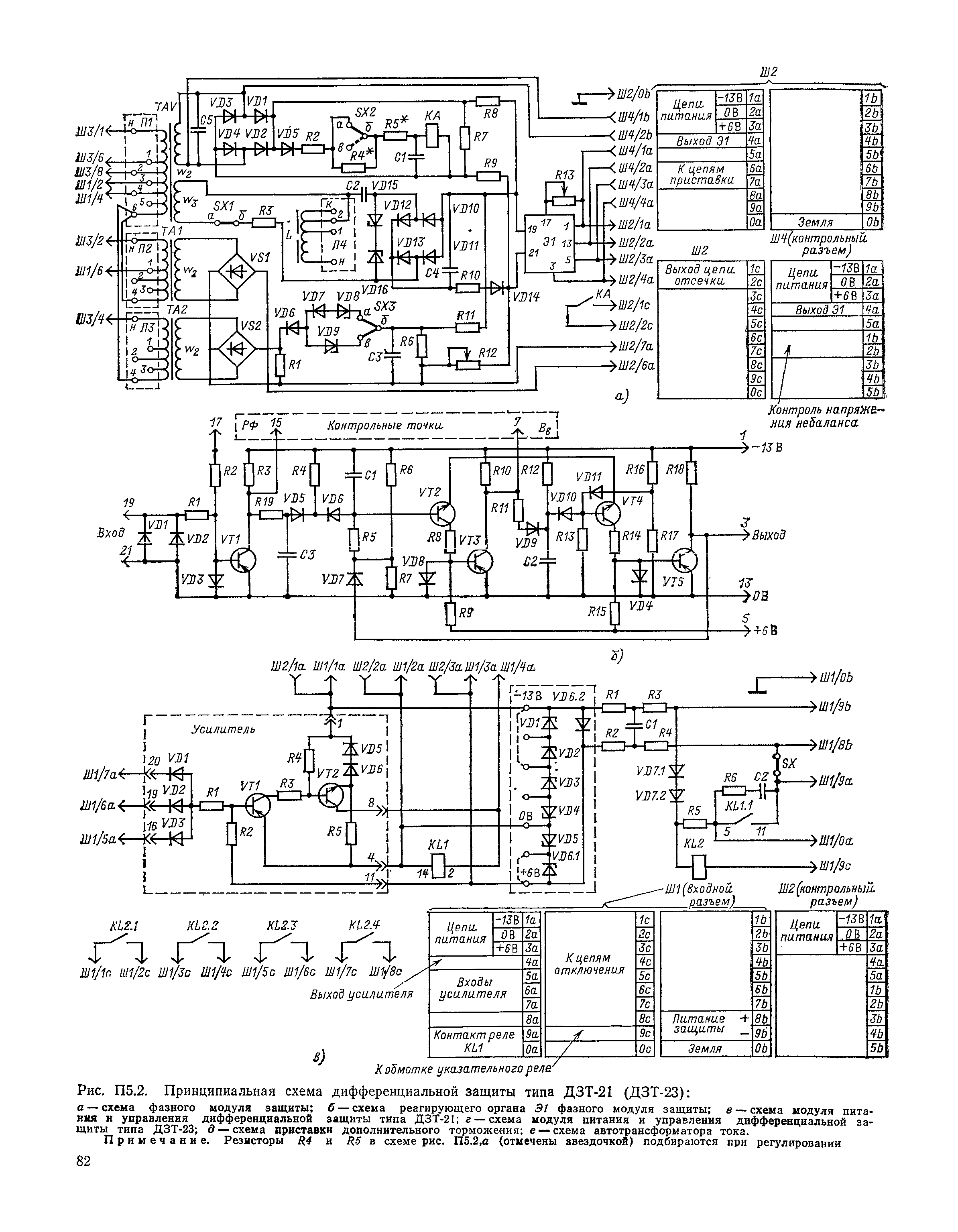
| Оглавление: | Предисловие 1 Общие положения 2 Дифференциальная токовая защита трансформаторов, выполненная с реле серии РНТ-560 3 Дифференциальная токовая защита трансформаторов и автотрансформаторов, выполненная с реле серии ДЗТ-11 4 Дифференциальная токовая защита трансформаторов, имеющая зоны разной чувствительности м выполненная с реле серии РНТ-560 или ДЗТ-11 5 Дифференциальная токовая защита трансформаторов и автотрансформаторов, выполненная с реле типа Д3Т-21 (Д -23) 6 Дифференциальная токовая защита ошиновки высшего (среднего) напряжения автотрансформаторов 7 Дифференциальная токовая защита цепей стороны низшего напряжения автотрансформаторов 8 Дистанционная защита автотрансформаторов от многофазных К3 9 Токовая защита обратной последовательности автотрансформаторов 10 Максимальная токовая защита с пуском напряжения трансформаторов и автотрансформаторов 11 Максимальная токовая защита 12 Ступенчатая токовая направленная защита нулевой последовательности автотрансформаторов от замыканий на землю в сетях с глухо заземленными нейтралями 13 Защита от замыканий на землю на стороне низшего напряжения автотрансформаторов 14 Токовая защита нулевой последовательности трансформаторов от замыканий на землю 15 Защита от перегрузки трансформаторов и автотрансформаторов 16 Контроль изоляции вводов обмотки высшего напряжения автотрансформаторов 17 Токовая защита регулировочных обмоток группы однофазных автотрансформаторов 18 Защита синхронного компенсатора, работающего в блоке с автотрансформатором Приложение П1. Уточнение значений коэффициента отстройки k от броска намагничивающего тока дифференциальной токовой защиты трансформаторов и автотрансформаторов, выполненной с реле серии РНТ-560 или ДЗТ-11 Приложение П2. Методика определения коэффициента чувствительности дифференциальной токовой защиты трансформаторов при отсутствии торможения Приложение П3. Принципы выполнения дифференциальной токовой защиты трансформаторов, имеющей зоны разной чувствительности Приложение П4. Дифференциальная токовая защита группы однофазных автотрансформаторов, выполненная с использованием тока в компенсационной обмотке, с реле серии РНТ-560 или ДЗТ-11 Приложение П5. Устройство и принцип действия чувствительной дифференциальной токовой защиты трансформаторов и автотрансформаторов типа ДЗТ-21 (ДЗТ-23) Приложение П6. Определение параметров схемы замещения и вывод выражений для расчета токов КЗ за линейным регулировочным трансформатором Приложение П7. Определение сопротивления срабатывания второй ступени дистанционной защиты автотрансформаторов от многофазных КЗ Приложение П8. Указания к выбору тока срабатывания токовой защиты обратной последовательности автотрансформаторов Приложение П9. Определение токов в обмотках и на выводах однофазных автотрансформаторов с вынесенной на боковой стержень магнитопровода регулировочной обмоткой при внешних КЗ Приложение П10. Устройство чувствительной защиты от однофазных замыканий на землю в обмотке статора синхронного компенсатора типа ЗЗГ-2 |
| Разработан: | Институт Энергосетьпроект |
| Утверждён: | 04.02.1980 Министерство энергетики и электрификации СССР (USSR Ministry of Energy and Electrical Power 7) |
| Издан: | Энергоатомиздат (1985 г. ) |
| Заменяет собой: |
|
| Нормативные ссылки: |
|

































































































