Скачать Выпуск 7 Руководящие указания по релейной защите. Дистанционная защита линий 35 - 330 кВ (дополнение)

Дата актуализации: 01.01.2021

Выпуск 7

Руководящие указания по релейной защите. Дистанционная защита линий 35 - 330 кВ (дополнение)

Обозначение: Выпуск 7
Обозначение англ: Выпуск 7
Статус:информационный документ
Название рус.:Руководящие указания по релейной защите. Дистанционная защита линий 35 - 330 кВ (дополнение)
Дата добавления в базу:01.01.2021
Дата актуализации:01.01.2021
Область применения:В дополнении к Руководящим указаниям по релейной защите "Дистанционная защита линий 35 - 330 кВ", рассмотрены особенности схем дистанционной защиты линий 35 - 330 кВ от многофазных коротких замыканий, выполненной с использованием комплектных устройств типа ДЗ-1, ДЗ-2 и КРС-1, содержащих магнитоэлектрические реле. Указанные комплектные устройства разработаны лабораторией релейной защиты ОРЗАУМ института Энергосетьпроект
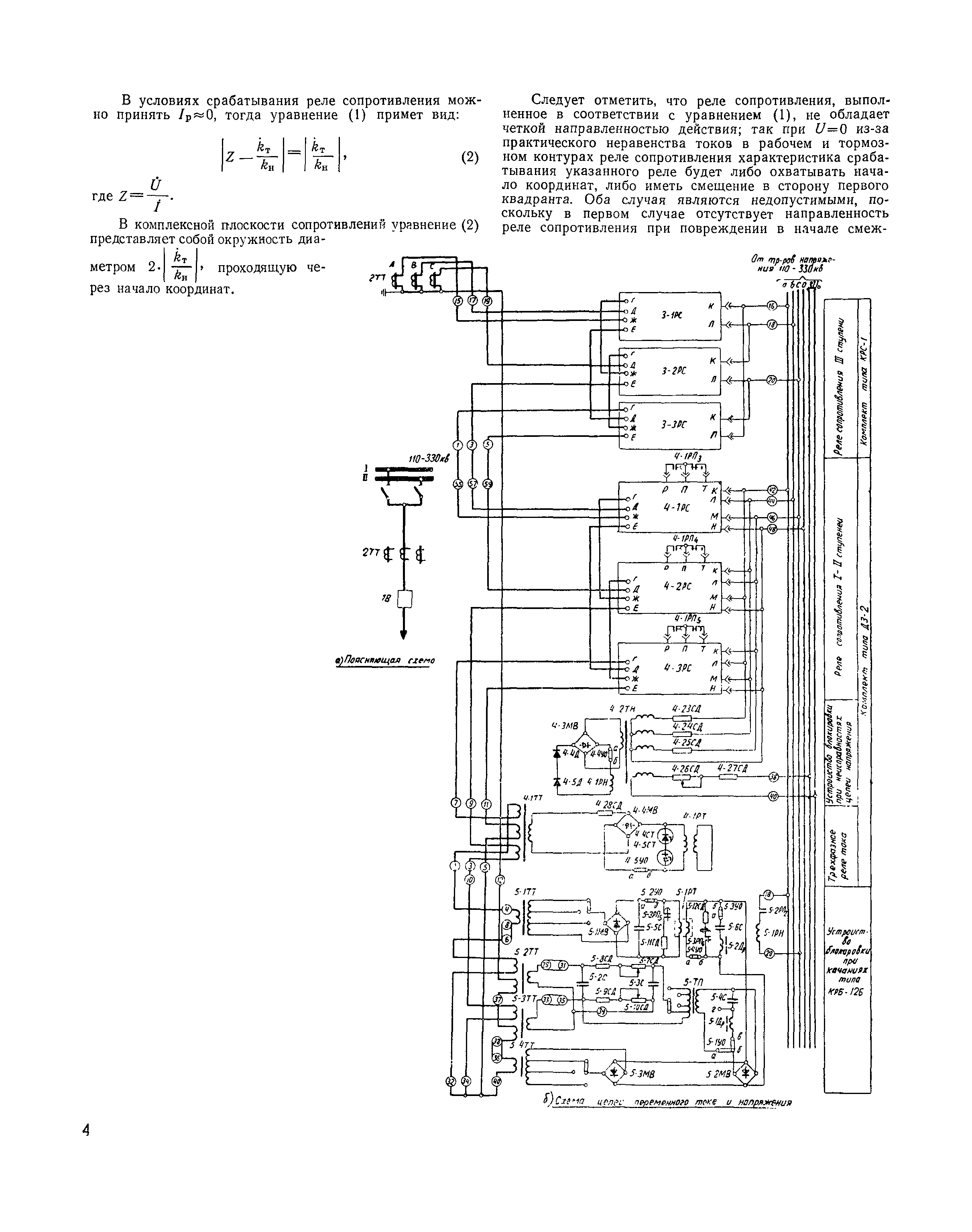
Оглавление:Схема трехступенчатой защиты линий 110 — 330 кВ от всех видов многофазных коротких замыкании, выполненной с использованием комплекта двухступенчатой дистанционной защиты типа ДЗ-2 и комплекта реле сопротивления типа КРС-1 (рис. 1)
Схема трехступенчатои защиты с первой и второй дистанционными ступенями и пуском по току, используемым для осуществления третьей ступени, для линии 35 кВ от всех видов многофазных коротких замыканий, выполненной с использованием комплекта защиты типа ДЗ-1 (рис. 3)
Разработан: Институт Энергосетьпроект
Утверждён: Министерство энергетики и электрификации СССР (USSR Ministry of Energy and Electrical Power )
Издан: Издательство Энергия (1968 г. )
Нормативные ссылки:
Выпуск 7Выпуск 7Выпуск 7Выпуск 7Выпуск 7Выпуск 7Выпуск 7Выпуск 7Выпуск 7Выпуск 7Выпуск 7Выпуск 7Выпуск 7Выпуск 7Выпуск 7Выпуск 7Выпуск 7