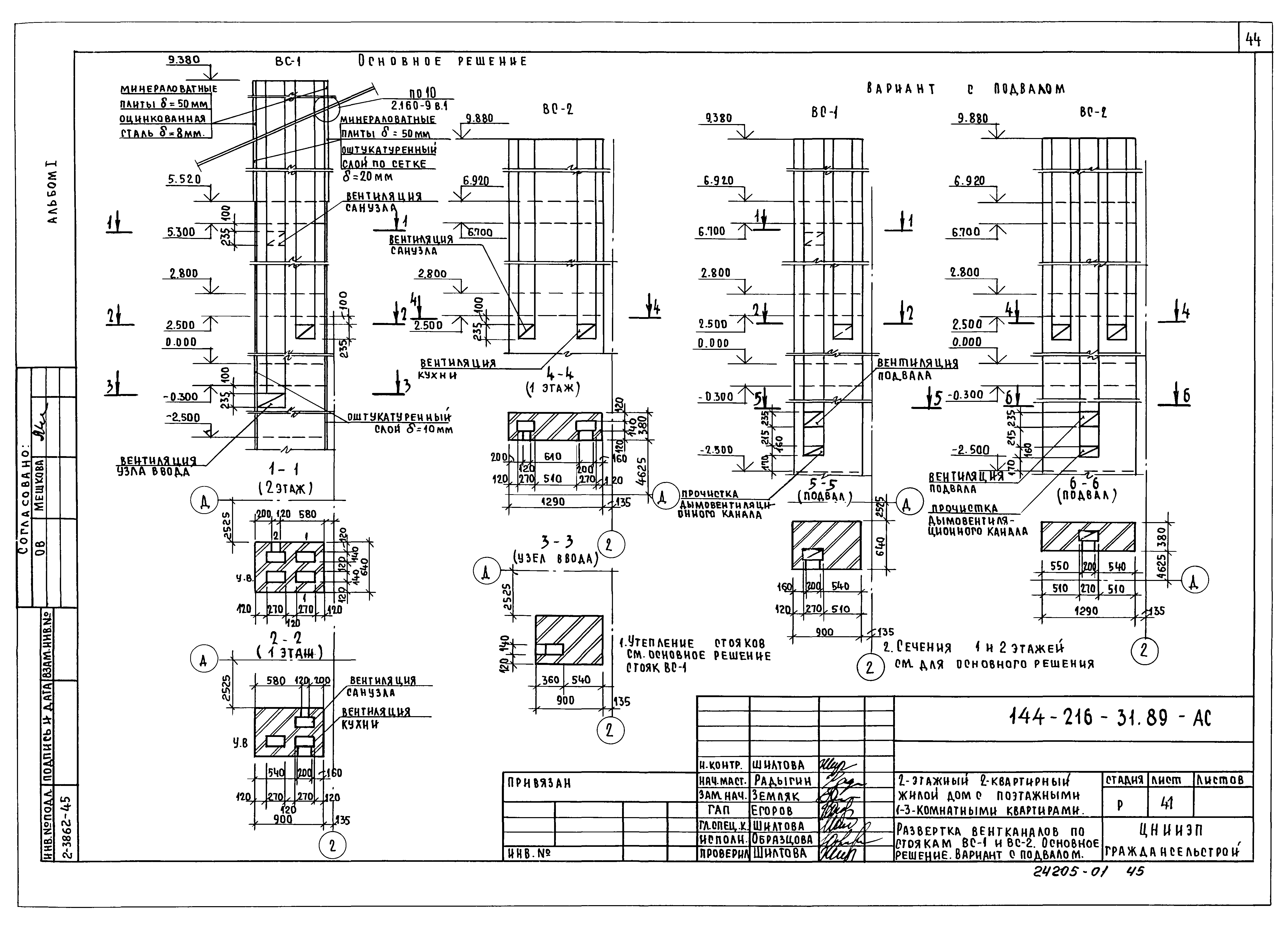
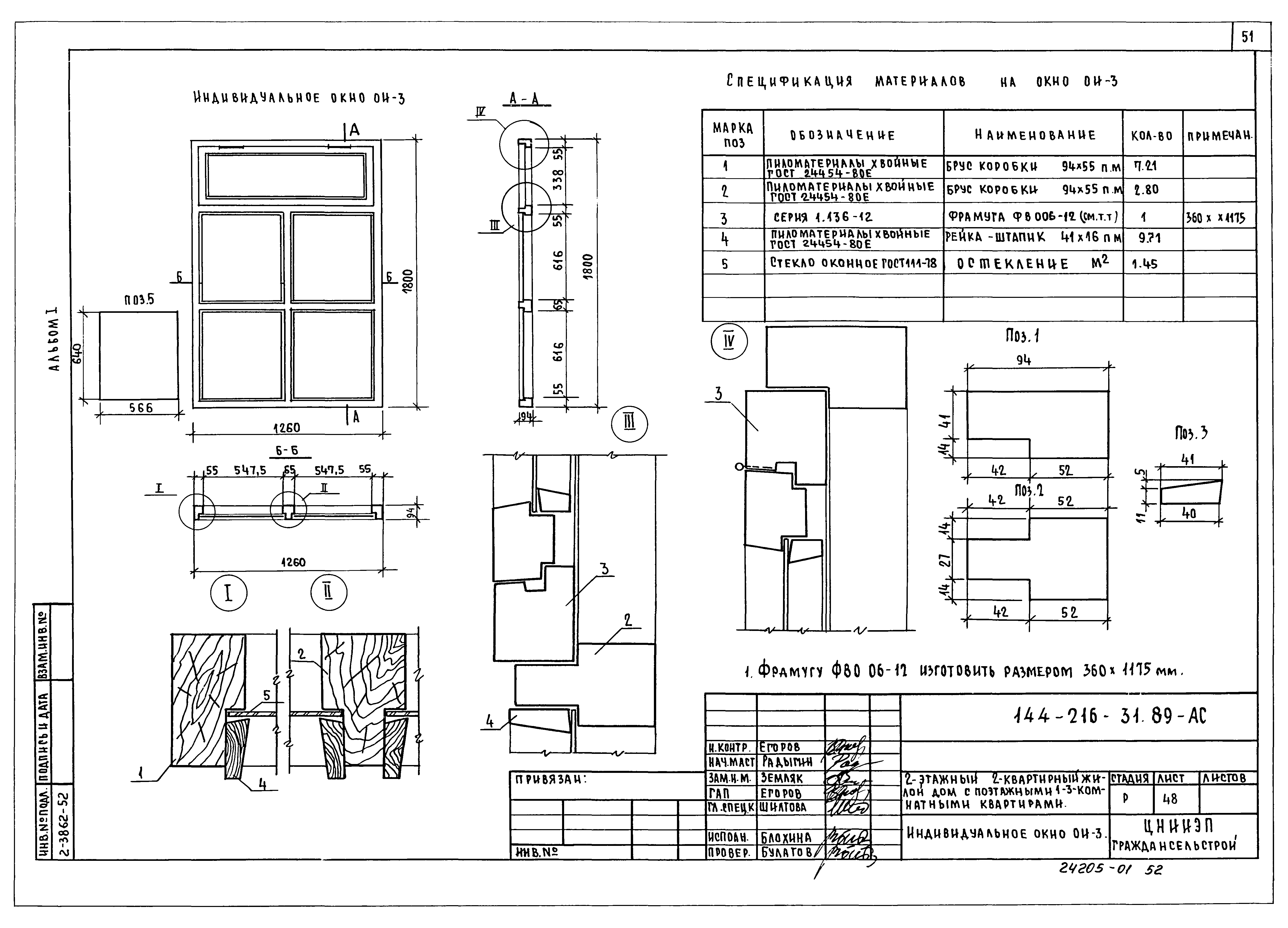
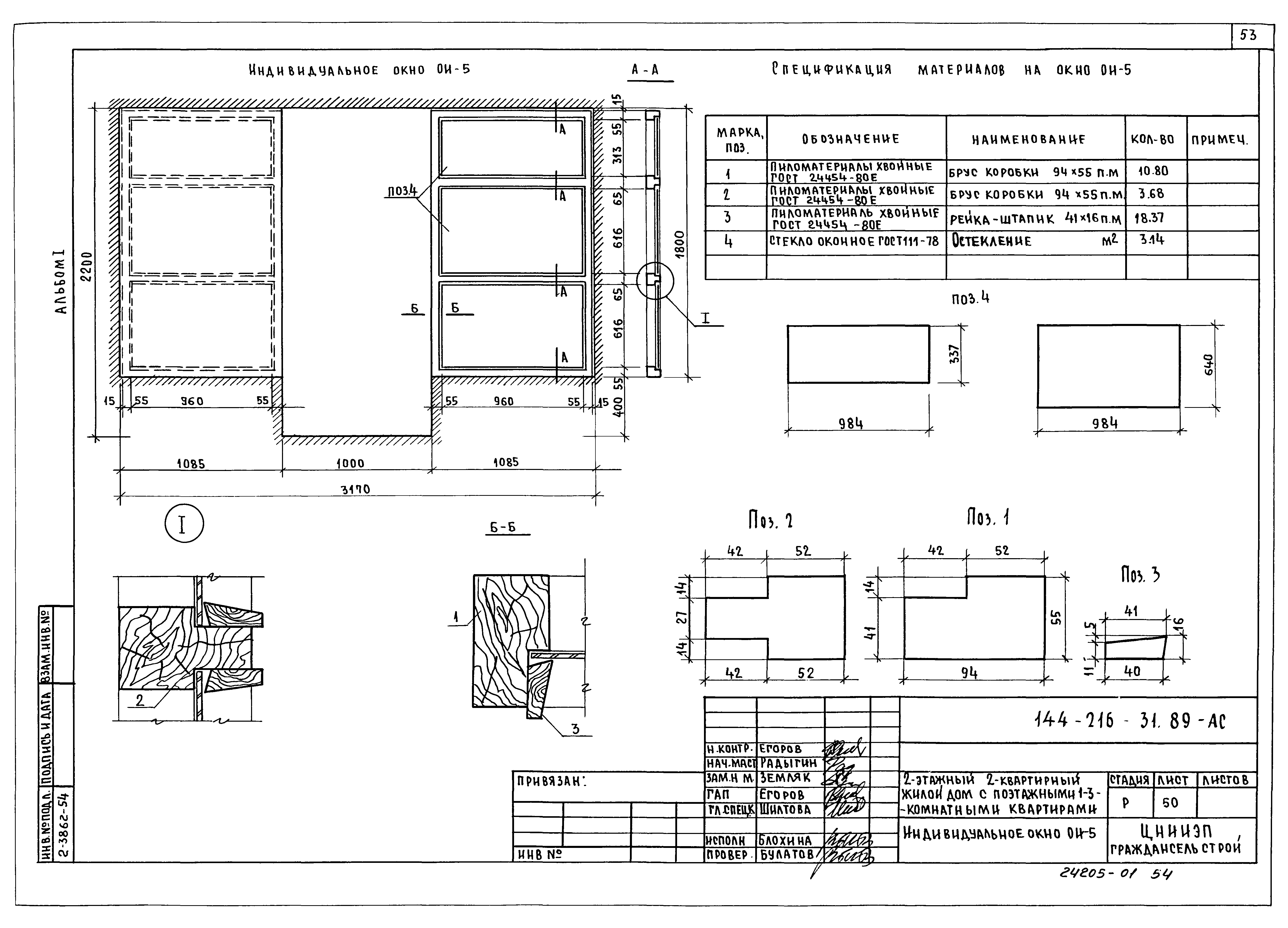
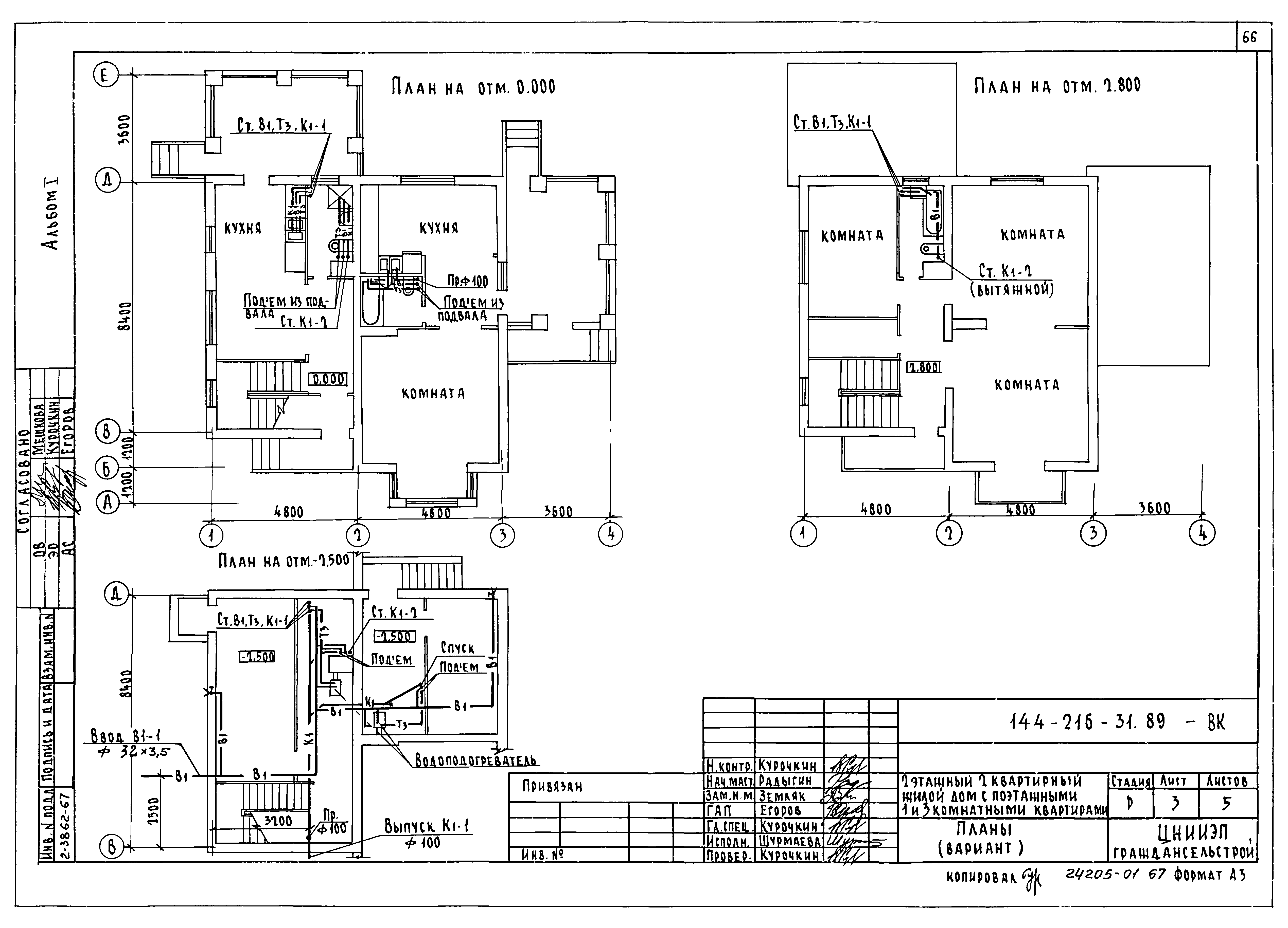
Скачать Типовой проект 144-216-31.89 Альбом I. Архитектурно-строительные чертежи, чертежи инженерного оборудованияДата актуализации: 01.01.2021 Типовой проект 144-216-31.89
Альбом I. Архитектурно-строительные чертежи, чертежи инженерного оборудования| Обозначение: | Типовой проект 144-216-31.89 | | Обозначение англ: | 144-216-31.89 | | Статус: | не определен законодательством | | Название рус.: | Альбом I. Архитектурно-строительные чертежи, чертежи инженерного оборудования | | Дата добавления в базу: | 01.01.2021 | | Дата актуализации: | 01.01.2021 | | Дата введения: | 10.10.1989 | | Дата окончания срока действия: | 30.06.2003 | | Разработан: | ЦНИИЭП граждансельстрой
| | Утверждён: | 10.10.1989 Госкомархитектура (188)
|
                                                                         
|