Скачать ГОСТ Р ИСО 12164-1-2025 Хвостовики инструментов полые конические (HSK). Типы A, AB, C, CB и EB. Основные размерыДата актуализации: 01.01.2026 ГОСТ Р ИСО 12164-1-2025
Хвостовики инструментов полые конические (HSK). Типы A, AB, C, CB и EB. Основные размеры
| Обозначение: |  ГОСТ Р ИСО 12164-1-2025 |
| Статус: | принят |
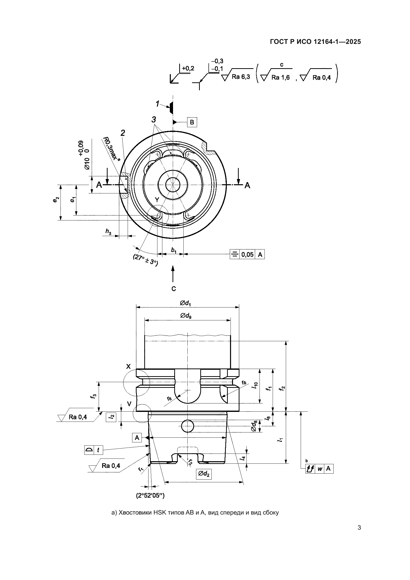
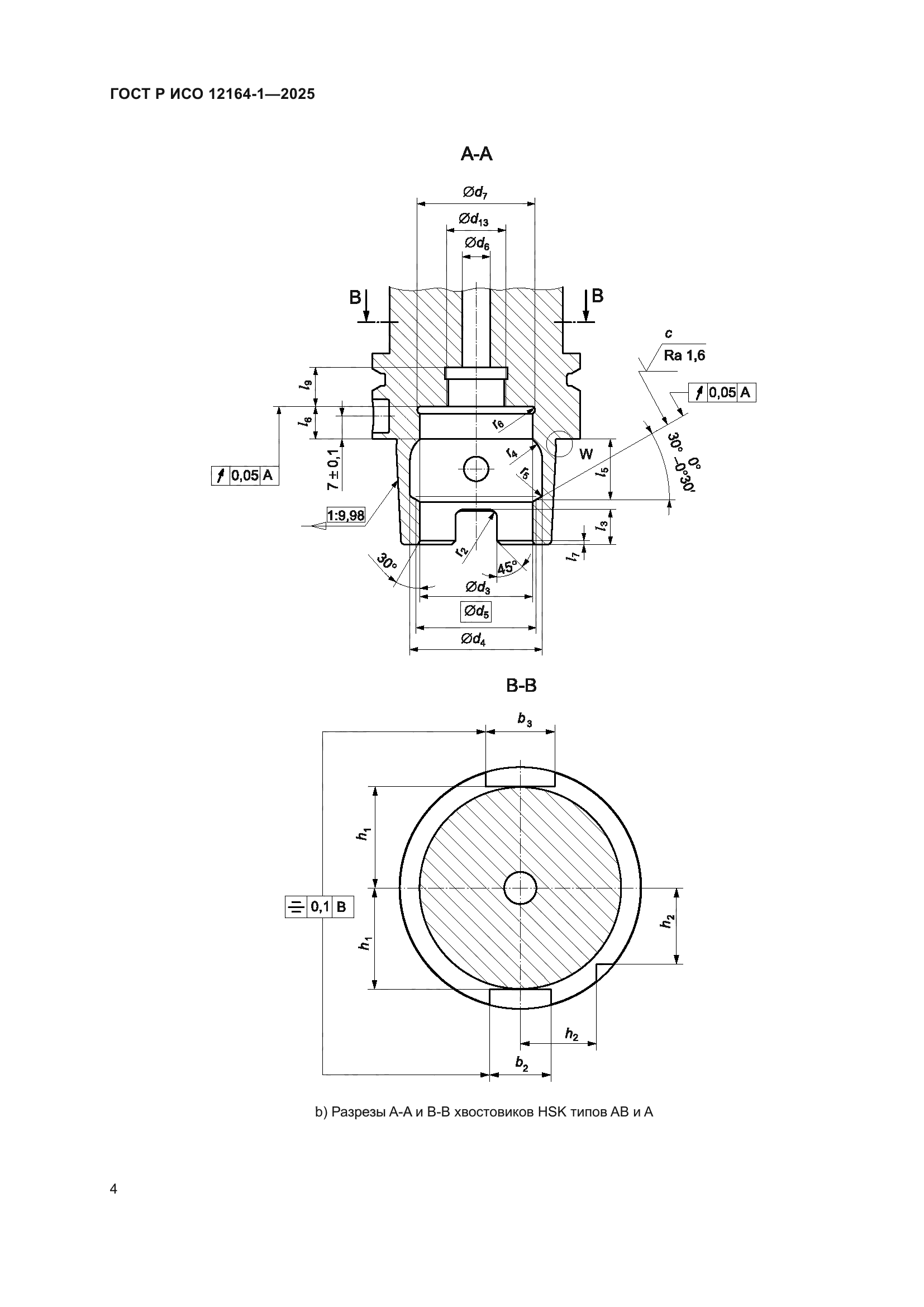
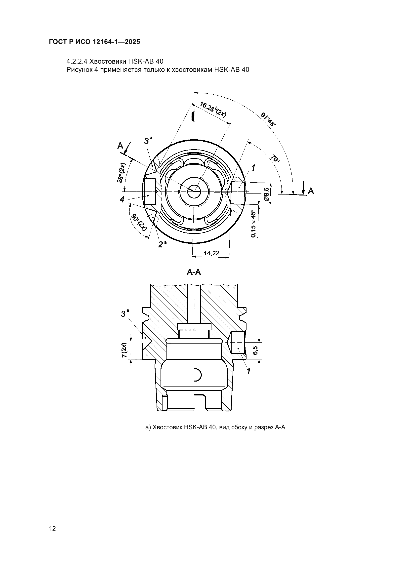
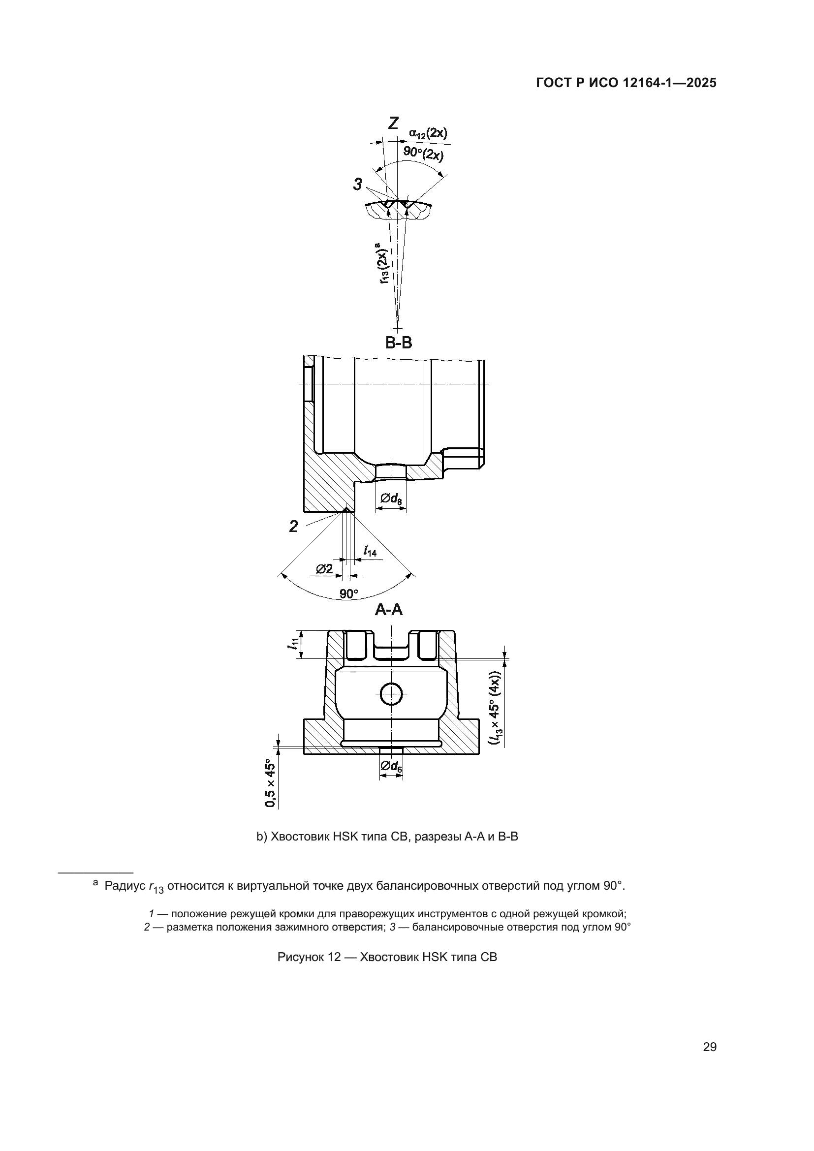
| Название рус.: | Хвостовики инструментов полые конические (HSK). Типы A, AB, C, CB и EB. Основные размеры | | Название англ.: | Hollow conical tool shanks (HSK). Types A, AB, C, CB and EB. Basic dimensions | | Дата актуализации текста: | 01.01.2026 | | Дата актуализации описания: | 01.01.2026 | | Дата издания: | 22.12.2025 | | Дата введения: | 01.07.2026 | | Взамен: | ГОСТ Р ИСО 12164-1-2013 | | Аутентичен стандартам: | ISO 12164-1:2023 | | Нормативные ссылки: | ISO 2768-1 | | Область применения: | Настоящий стандарт устанавливает размеры полых конических хвостовиков (HSK) инструментов с прилеганием по плоскости фланца к торцу шпинделя станка. Данные хвостовики являются частью соединительного интерфейса инструмента для станков (например, фрезерных/сверлильных, токарных и шлифовальных) | |
                                                
|