| Обозначение: |  ГОСТ Р 71632-2024 |
| Статус: | действующий |
| Название рус.: | Сосуды и аппараты. Опоры горизонтальных сосудов и аппаратов. Общие технические требования |
| Название англ.: | Vessels and apparatus. Supports for horizontal vessels and apparatus. General technical requirements |
| Дата актуализации текста: | 01.01.2026 |
| Дата актуализации описания: | 01.06.2025 |
| Дата издания: | 24.12.2024 |
| Дата введения: | 01.03.2025 |
| Нормативные ссылки: | ГОСТ 1050; ГОСТ 5520; ГОСТ 5915; ГОСТ 7798; ГОСТ 11371; ГОСТ 14637; ГОСТ 15521; ГОСТ 16093; ГОСТ 19281; ГОСТ 24379.0; ГОСТ 24379.1; ГОСТ 25346; ГОСТ 25347; ГОСТ 30893.1; ГОСТ 31842; ГОСТ 34233.5 ; ГОСТ 34347-2017 |
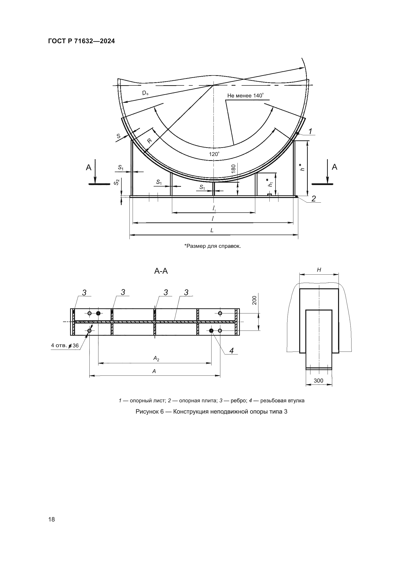
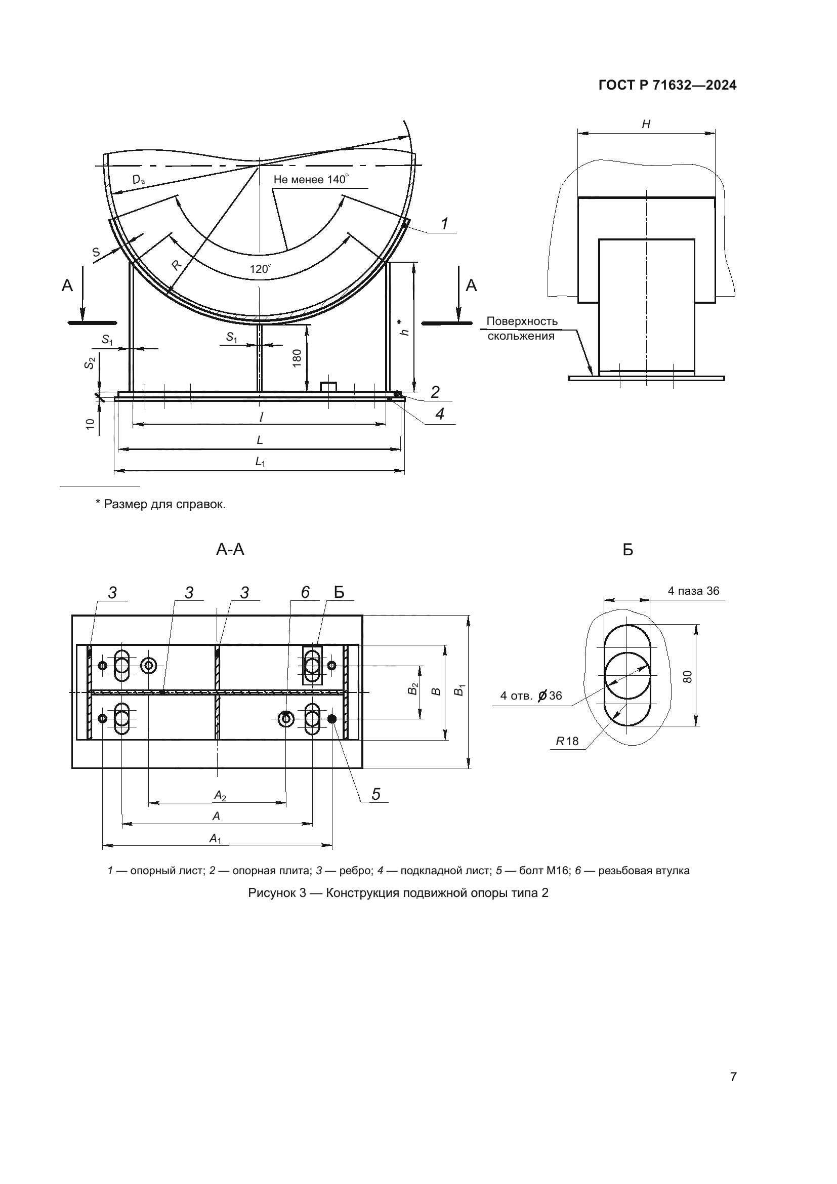
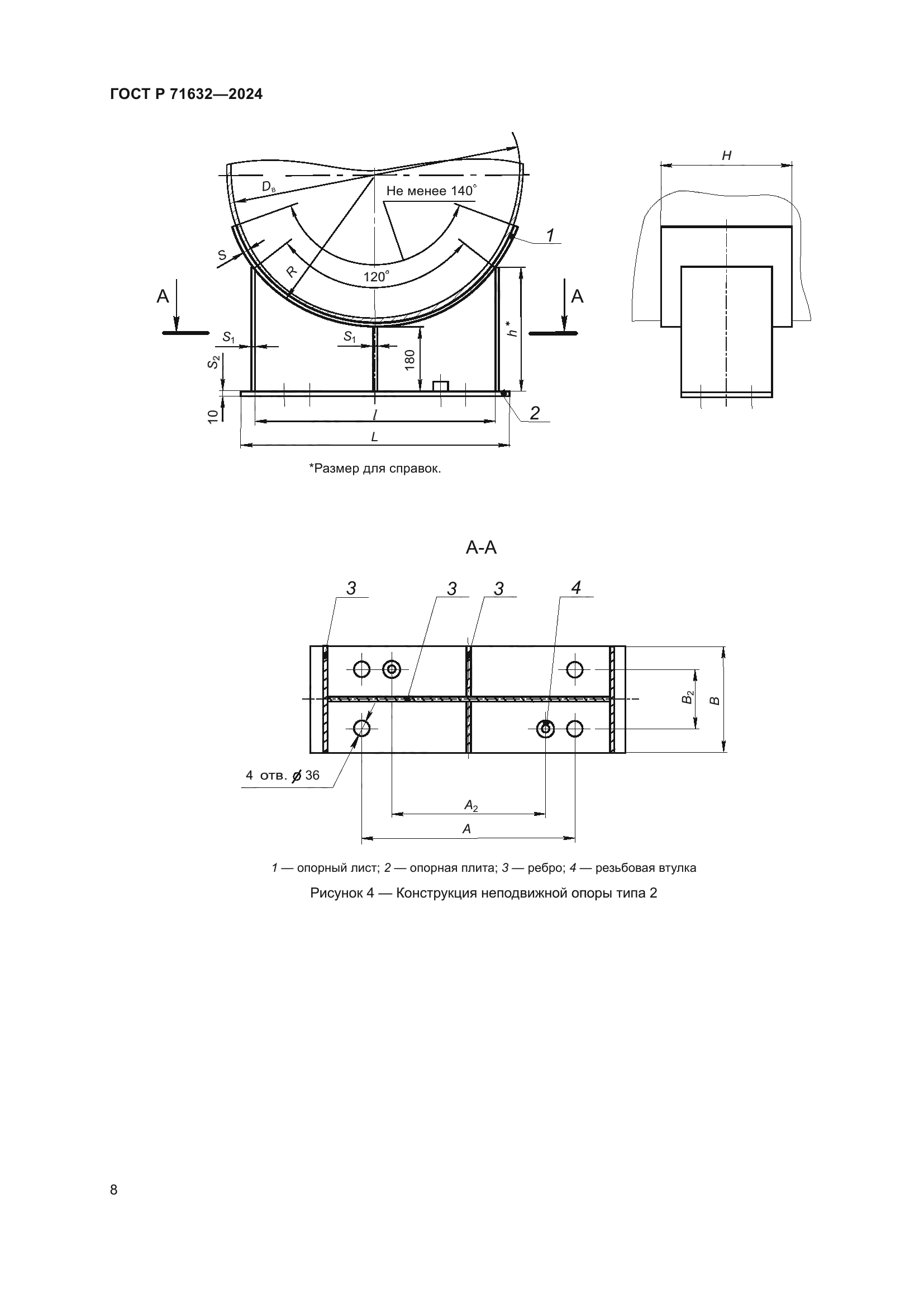
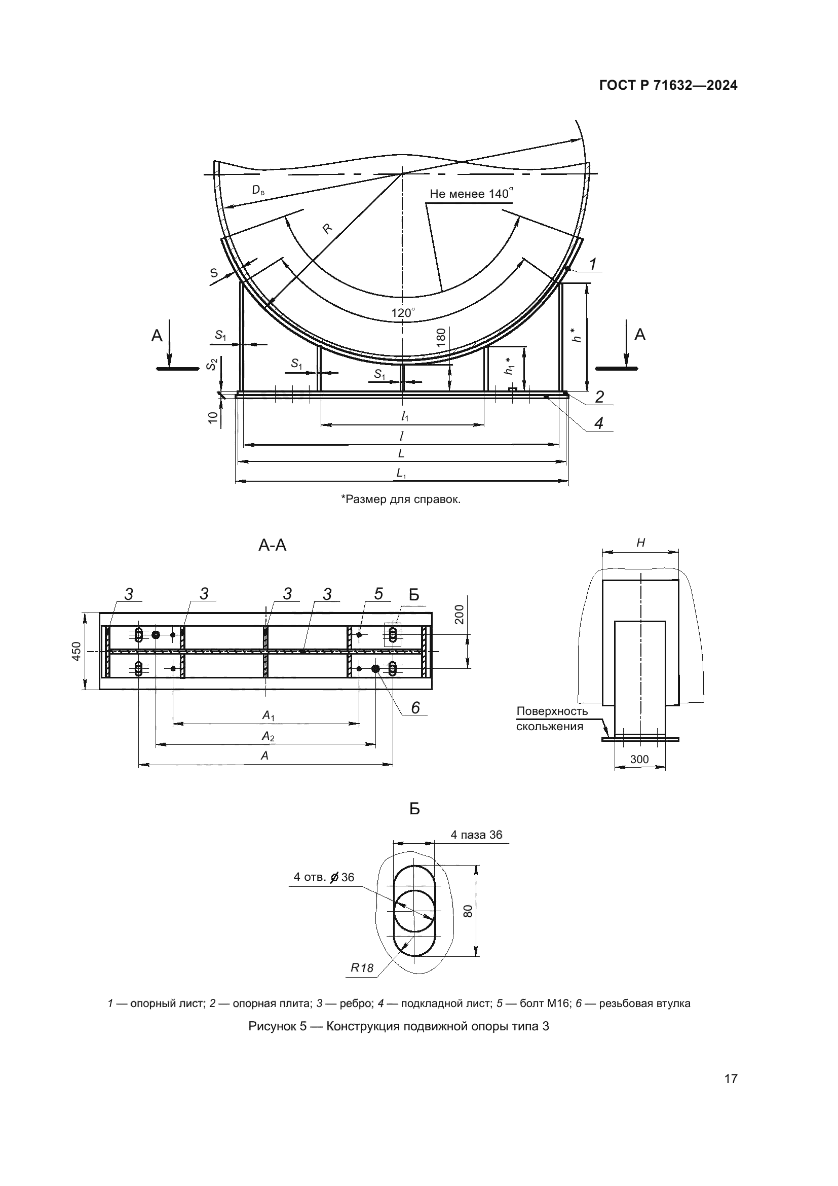
| Область применения: | Настоящий стандарт распространяется на седловые опоры для горизонтальных сосудов и аппаратов, изготавливаемых в соответствии с ГОСТ 34347, ГОСТ 31842 |
| Приложение №1: | Поправка к ГОСТ Р 71632-2024 |
|