| Обозначение: |  ГОСТ 34681-2024 |
| Статус: | действующий |
| Название рус.: | Вагоны пассажирские локомотивной тяги. Общие технические требования |
| Название англ.: | Passenger cars on locomotive traction. General technical requirements |
| Дата актуализации текста: | 01.12.2024 |
| Дата актуализации описания: | 01.01.2026 |
| Дата регистрации: | 31.07.2024 |
| Дата издания: | 16.08.2024 |
| Дата введения: | 01.01.2026 |
| Взамен: | ГОСТ 34681-2020 |
| Нормативные ссылки: | ГОСТ 12.1.019; ГОСТ 12.2.007.0; ГОСТ 12.4.026; ГОСТ 2582; ГОСТ 2593; ГОСТ 9219; ГОСТ 9238; ГОСТ 10304; ГОСТ 14254; ГОСТ 15150; ГОСТ 17433; ГОСТ 21447; ГОСТ 24705; ГОСТ 30631; ГОСТ 30698; ГОСТ 30804.4.3; ГОСТ 30804.6.2; ГОСТ 30826; ГОСТ 32144; ГОСТ 32565; ГОСТ 32880-2014; ГОСТ 32885; ГОСТ 32913; ГОСТ 33190; ГОСТ 33322; ГОСТ 33323; ГОСТ 33326; ГОСТ 33434; ГОСТ 33435; ГОСТ 33436.3-1-2015; ГОСТ 33724.1-2016; ГОСТ 33725; ГОСТ 33788-2016; ГОСТ 34013; ГОСТ 34093-2017; ГОСТ 34759-2021; ГОСТ 34805; ГОСТ 34932-2023; ГОСТ 34936;ГОСТ ISO 898-1-2014 |
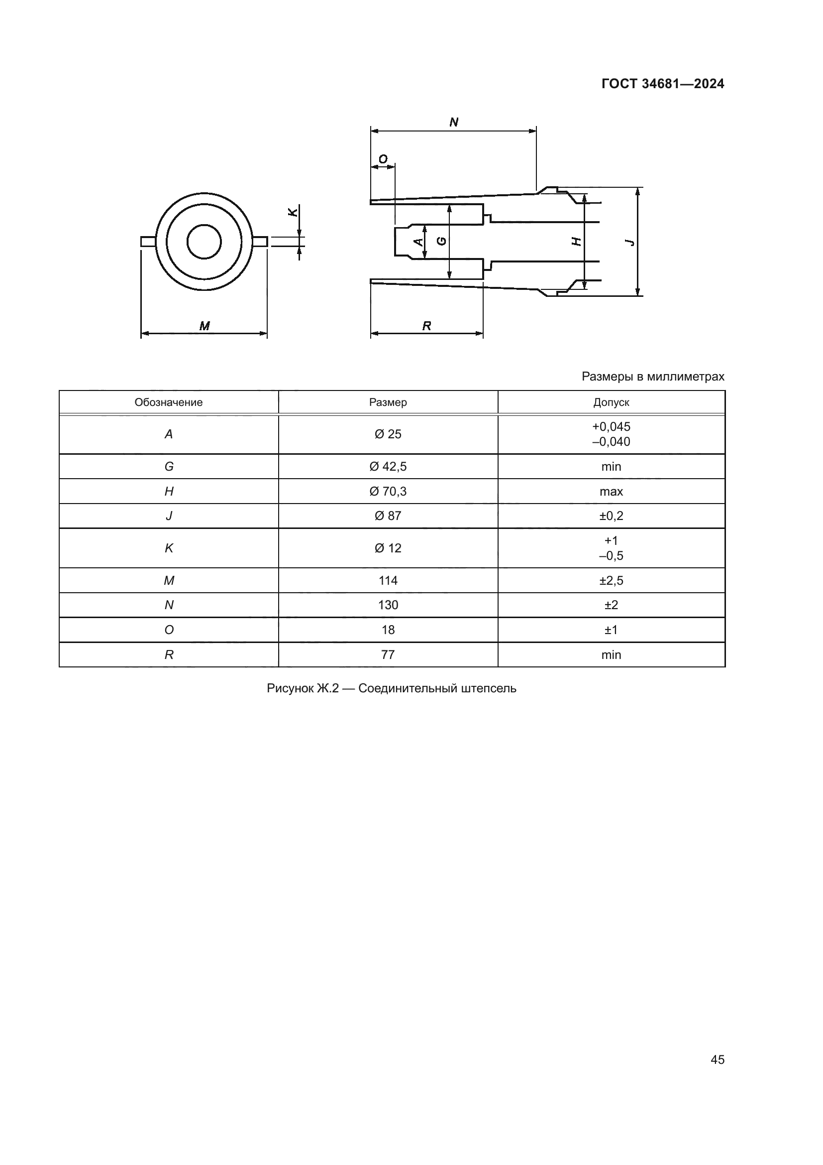
| Область применения: | Настоящий стандарт распространяется на вагоны пассажирские локомотивной тяги (далее – вагоны), построенные либо прошедшие модернизацию (в том числе капитально-восстановительный ремонт или капитальный ремонт повышенного объема с модернизацией), предназначенные для эксплуатации на железной дороге колеи 1520 мм с конструкционной скоростью до 200 км/ч включительно, в том числе на вагоны международного сообщения, двухэтажные вагоны и вагоны, оборудованные системой перехода с колеи одной ширины на другую, и устанавливает общие технические требования к указанным вагонам и требования к их утилизации |
|