| Обозначение: |  ГОСТ 35049-2023 |
| Статус: | действующий |
| Название рус.: | Акустика. Измерение шума оборудования для информационных технологий и телекоммуникаций |
| Название англ.: | Acoustics. Measurement of airborne noise emitted by information technology and telecommunications equipment |
| Дата актуализации текста: | 01.06.2024 |
| Дата актуализации описания: | 01.12.2024 |
| Дата регистрации: | 15.12.2023 |
| Дата издания: | 25.01.2024 |
| Дата введения: | 01.06.2024 |
| Содержит требования: | ISO 7779:2018 |
| Нормативные ссылки: | ГОСТ 17168; ГОСТ 17187; ГОСТ 30720; ГОСТ 31274; ГОСТ 31275; ГОСТ 35045;ГОСТ ISO 3745;ГОСТ ISO 9295;ГОСТ ISO 11201 |
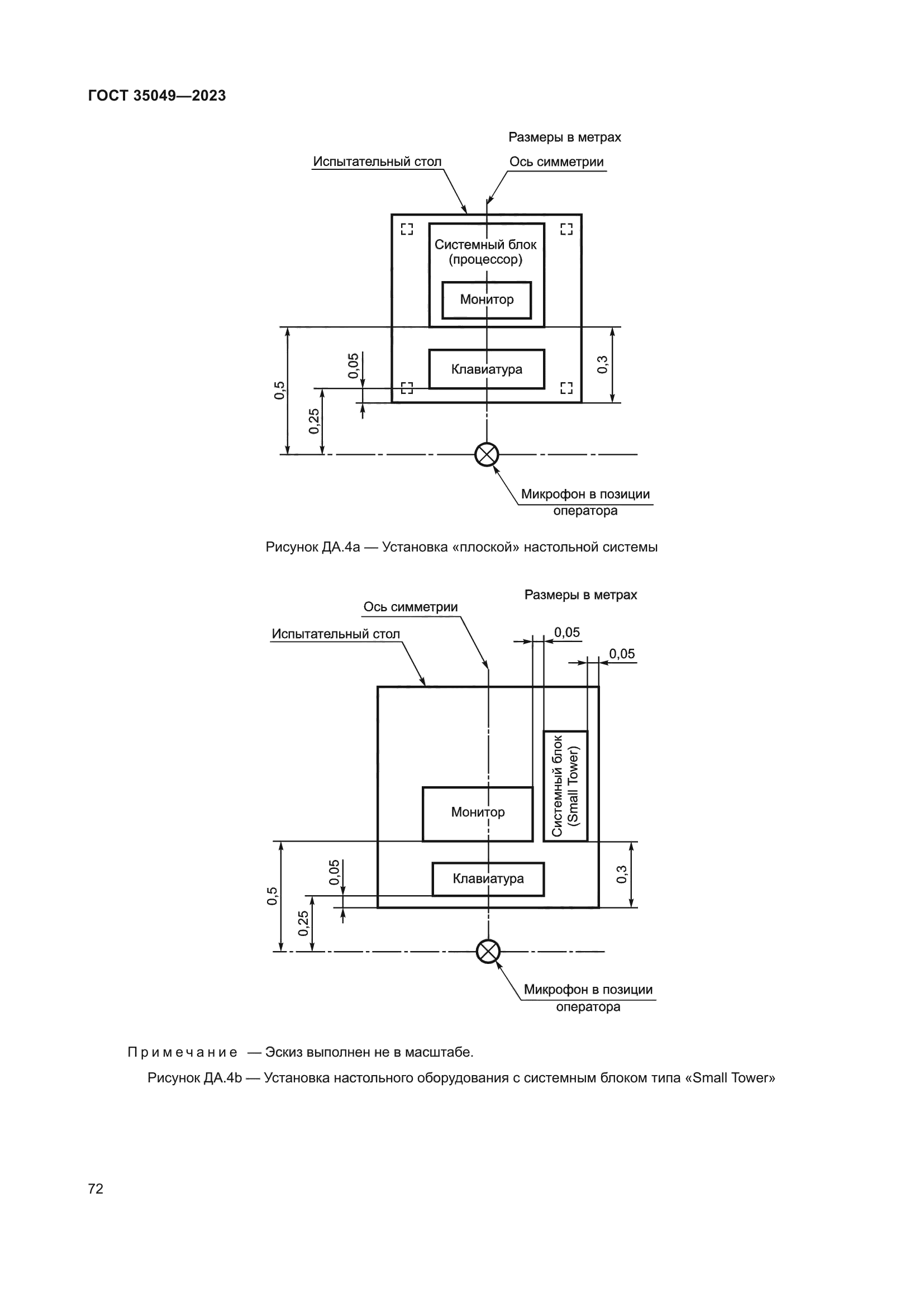
| Область применения: | Настоящий стандарт устанавливает методы измерений и представления шумовых характеристик оборудования для информационных технологий и телекоммуникаций (далее – ИТТ-оборудования) |
|