| Обозначение: |  ГОСТ Р 58387-2019 |
| Статус: | заменён |
| Название рус.: | Анкеры клеевые для крепления в бетон. Методы испытаний |
| Название англ.: | Bonded anchors for use in concrete. Test methods |
| Дата актуализации текста: | 01.06.2022 |
| Дата актуализации описания: | 01.06.2025 |
| Дата издания: | 11.04.2019 |
| Дата введения: | 01.09.2019 |
| Дата окончания срока действия: | 01.03.2025 |
| Заменяющий: | ГОСТ Р 58387-2024 |
| Нормативные ссылки: | ГОСТ 12.1.004; ГОСТ 12.2.003; ГОСТ 3057; ГОСТ 10178; ГОСТ 10180; ГОСТ 13015-2012; ГОСТ 17624; ГОСТ 18793; ГОСТ 22690; ГОСТ 26633; ГОСТ 28570; ГОСТ 31108; ГОСТ 33530; ГОСТ Р 56731; ГОСТ Р 57787 |
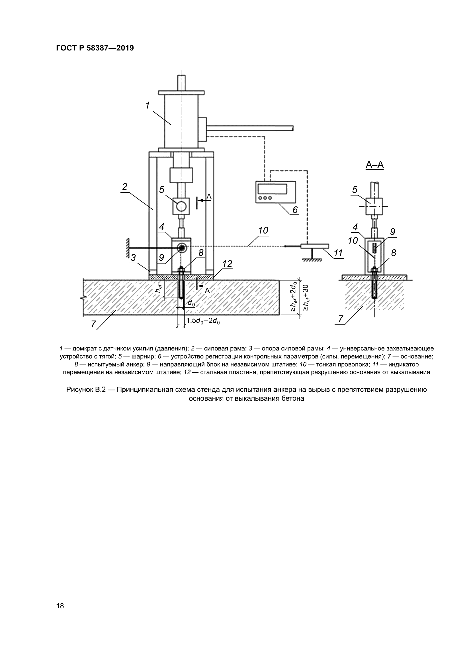
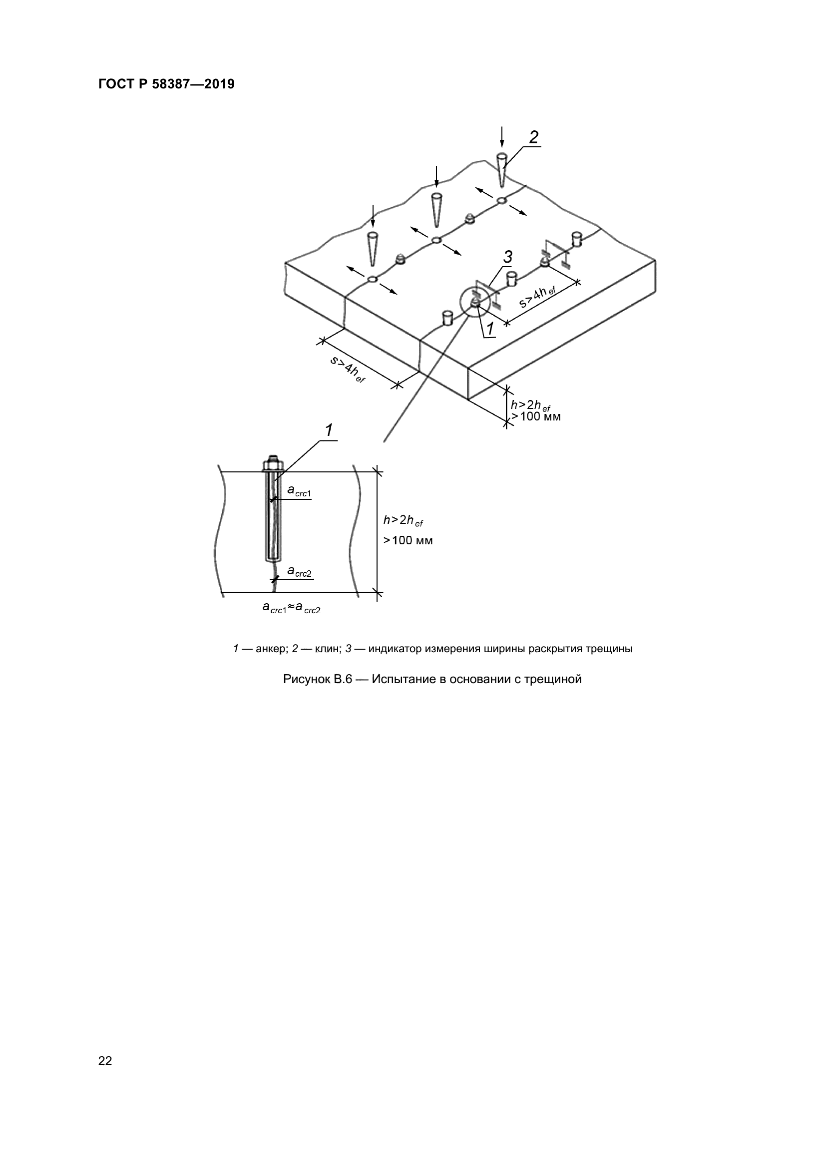
| Область применения: | Настоящий стандарт устанавливает методы испытания клеевых анкеров, установленных в готовое основание из тяжелого бетона, и определяет требования к методам испытаний анкеров. Настоящий стандарт не распространяется на клеевые анкеры, компоненты которых дозируются вручную на строительном объекте, механические, пластиковые и распорно-клеевые анкеры и не содержит требований к оценке их несущей способности. Виды испытаний, требования к количеству анкеров в серии, значению постоянной нагрузки Nsust, требования к обработке результатов испытаний должны быть указаны в программе испытаний, разрабатываемой перед испытаниями |
|