| Обозначение: |  ГОСТ Р ИСО 13297-2018 |
| Статус: | действующий |
| Название рус.: | Суда малые. Системы электрические. Оборудование переменного тока |
| Название англ.: | Small craft. Electrical systems. Alternating current installations |
| Дата актуализации текста: | 21.04.2018 |
| Дата актуализации описания: | 01.07.2023 |
| Дата издания: | 28.03.2018 |
| Дата введения: | 01.09.2018 |
| Аутентичен стандартам: | ISO 13297:2014 |
| Нормативные ссылки: | ISO 7010;ISO 8846;ISO 10133;ISO 10240:1995;IEC 60079-0;IEC 60309-2;IEC 60446;IEC 60529 |
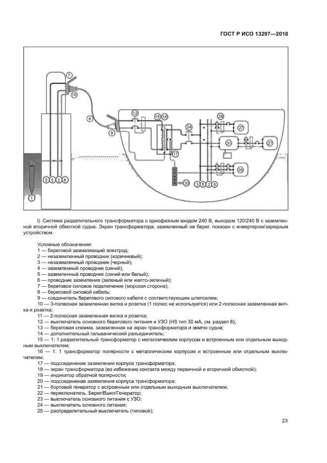
| Область применения: | Настоящий стандарт устанавливает требования к проектированию, изготовлению и установке электрических систем переменного тока низкого напряжения, работающих при номинальном однофазном напряжении менее 250 В на малых судах длиной до 24 м |
|