| Обозначение: |  ГОСТ Р 57270-2016 |
| Статус: | действующий |
| Название рус.: | Материалы строительные. Методы испытаний на горючесть |
| Название англ.: | Building materials. Methods for combustibility tests |
| Дата актуализации текста: | 01.01.2021 |
| Дата актуализации описания: | 01.07.2023 |
| Дата издания: | 25.11.2016 |
| Дата введения: | 01.05.2018 |
| Нормативные ссылки: | ГОСТ 12.1.005-88; ГОСТ 745-2014; ГОСТ 6616-94; ГОСТ 12026-76; ГОСТ 18124-2012; ГОСТ 20448-90; ГОСТ Р 12.1.019-2009; ГОСТ Р 56025-2014 |
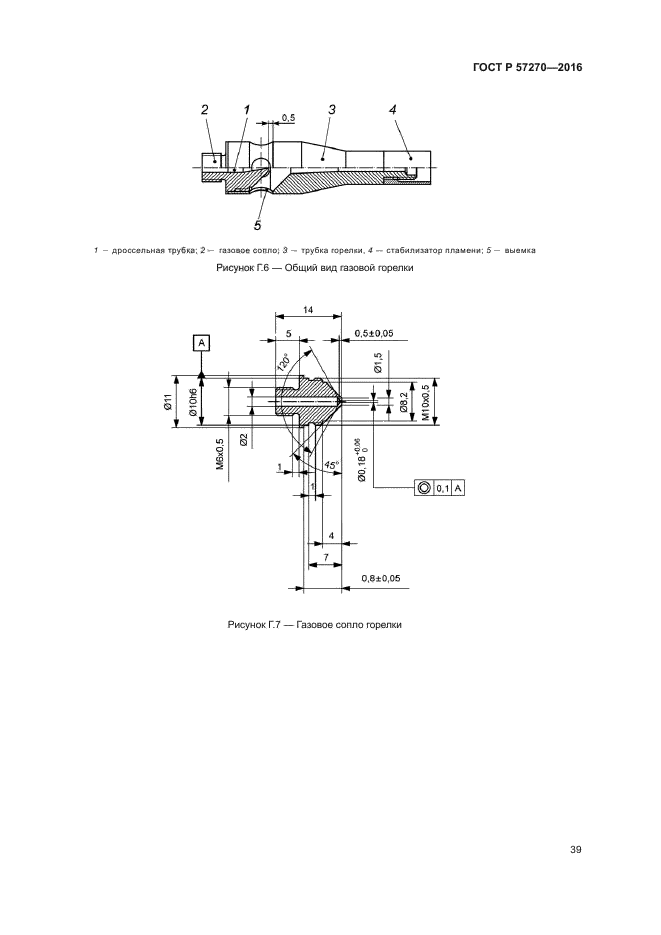
| Область применения: | Настоящий стандарт устанавливает методы испытаний строительных материалов на горючесть и классификацию их по группам горючести. Стандарт не распространяется на лаки и краски в жидком виде, а также другие строительные материалы в виде растворов и порошков |
| Список изменений: | №0 от 30.04.2018 (рег. 27.04.2017) «Утратил силу в РФ» |
|