| Обозначение: |  ГОСТ 21.602-2016 |
| Статус: | действующий |
| Название рус.: | Система проектной документации для строительства. Правила выполнения рабочей документации систем отопления, вентиляции и кондиционирования |
| Название англ.: | System of design documents for construction. Rules for execution of heating, ventilation and air conditioning working documentation |
| Дата актуализации текста: | 01.06.2022 |
| Дата актуализации описания: | 01.07.2023 |
| Дата регистрации: | 22.11.2016 |
| Дата издания: | 30.07.2020 |
| Дата введения: | 01.07.2017 |
| Взамен: | ГОСТ 21.602-2003 |
| Нормативные ссылки: | ГОСТ 2.317; ГОСТ 21.001; ГОСТ 21.101; ГОСТ 21.110; ГОСТ 21.112; ГОСТ 21.114; ГОСТ 21.205; ГОСТ 21.206; ГОСТ 21.208; ГОСТ 21.501; ГОСТ Р 21.1101-2013 |
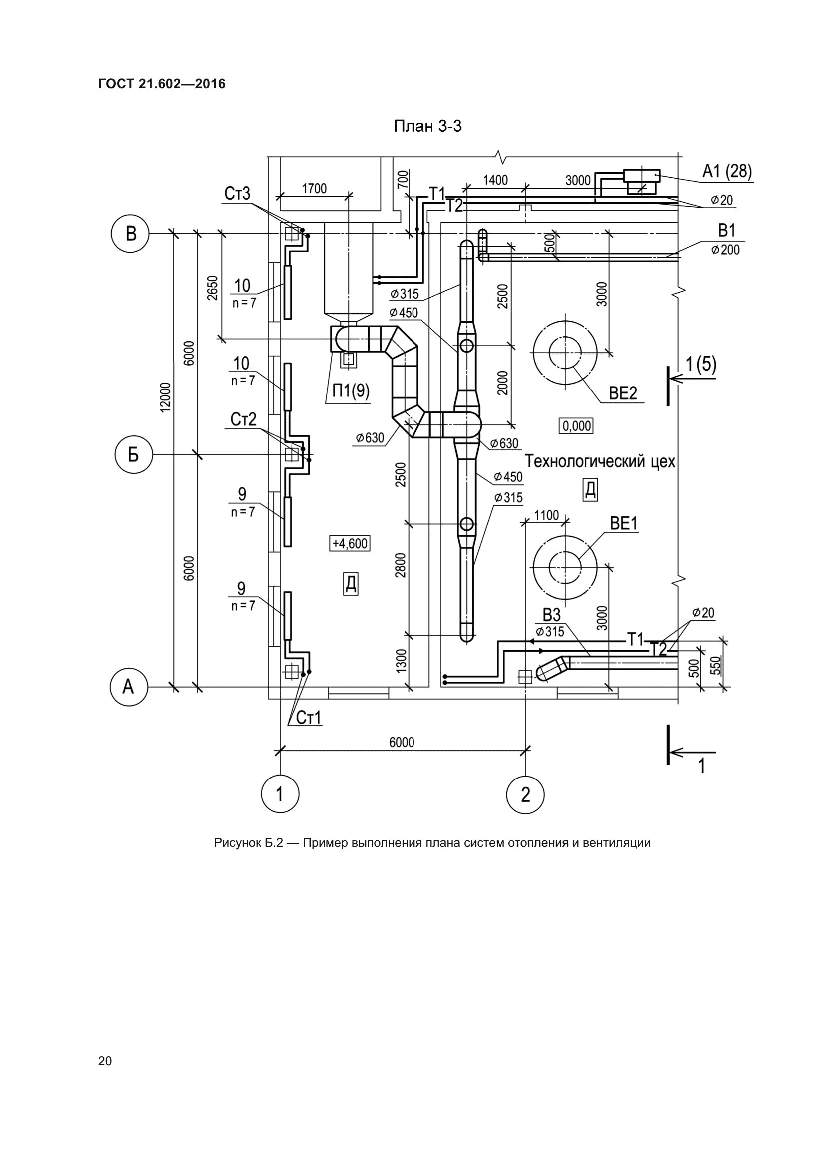
| Область применения: | Настоящий стандарт устанавливает состав и правила оформления рабочей документации систем отопления, вентиляции и кондиционирования зданий и сооружений различного назначения |
| Приложение №1: | Поправка к ГОСТ 21.602-2016 |
|