| Обозначение: |  ГОСТ Р ИСО 7176-7-2015 |
| Статус: | действующий |
| Название рус.: | Кресла-коляски. Часть 7. Измерение размеров сиденья и колеса |
| Название англ.: | Wheelchairs. Part 7. Measurement of seating and wheel dimensions |
| Дата актуализации текста: | 07.08.2016 |
| Дата актуализации описания: | 01.07.2023 |
| Дата издания: | 08.02.2016 |
| Дата введения: | 01.01.2017 |
| Взамен: | ГОСТ Р 51082-97 |
| Аутентичен стандартам: | ISO 7176-7:1998 |
| Нормативные ссылки: | ISO 6440:1985;ISO 7176-15:1996;ISO 9999:2011 |
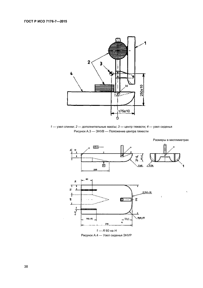
| Область применения: | Настоящий стандарт устанавливает метод измерения параметров и размеров сиденья и колеса кресла-коляски |
|