| Обозначение: |  ГОСТ 12.2.091-2002 |
| Статус: | не действует в РФ |
| Название рус.: | Безопасность электрических контрольно-измерительных приборов и лабораторного оборудования. Часть 1. Общие требования |
| Дата актуализации текста: | 06.04.2015 |
| Дата актуализации описания: | 01.06.2024 |
| Дата регистрации: | 01.01.2005 |
| Дата введения: | 01.01.2014 |
| Дата окончания срока действия: | 01.05.2024 |
| Взамен: | ГОСТ 12.2.091-94; ГОСТ 26104-89 |
| Содержит требования: | IEC 61010-1(1990) |
| На территории РФ пользоваться: | ГОСТ IEC 61010-1-2014 |
| Нормативные ссылки: | ГОСТ Р 50030.1-2007; ГОСТ Р 50030.2-2010; ГОСТ Р 50267.0-92; ГОСТ Р 50571.1-2009; ГОСТ Р 50571.2-2009; ГОСТ Р 50571.3-2009; ГОСТ Р 51321.1-2007; ГОСТ Р 51330.6-99; ГОСТ Р 51325.1-99; ГОСТ Р МЭК 60065-2002; ГОСТ Р МЭК 60127-3-2010; ГОСТ Р МЭК 60227-6-2010; ГОСТ Р МЭК 60950-2002;ГОСТ Р IEC 60950-1-2011;ГОСТ IEC 60065-2011;ГОСТ IEC 60127-4-2011;ГОСТ IEC 60227-1-2011;ГОСТ IEC 60227-2-2012;ГОСТ IEC 60227-3-2011;ГОСТ IEC 60227-4-2011;ГОСТ IEC 60227-5-2011;ГОСТ IEC 60227-6-2011;ГОСТ IEC 60227--2011; ГОСТ 8.417-2002; ГОСТ 12.1.001-89; ГОСТ 12.1.006-84; ГОСТ 12.4.026-76; ГОСТ 6570-96; ГОСТ 8865-93; ГОСТ 14254-96; ГОСТ 15088-83; ГОСТ 16504-81; ГОСТ 17187-81; ГОСТ 21991-89; ГОСТ 22782.0-81; ГОСТ 22782.1-77; ГОСТ 22782.2-77; ГОСТ 22782.3-78; ГОСТ 22782.4-78; ГОСТ 22782.5-78; ГОСТ 22782.6-81; ГОСТ 22782.7-81; ГОСТ 22789-94; ГОСТ 25874-83; ГОСТ 27473-87; ГОСТ 28190-89; ГОСТ 28217-89; ГОСТ 28244-96; ГОСТ 28779-90; ГОСТ 30011.1-2003; ГОСТ 30011.2-2002; ГОСТ 30012.1-2002; ГОСТ 30030-93; ГОСТ 30262-95; ГОСТ 30324.0-95; ГОСТ 30326-95; ГОСТ 30331.1-95; ГОСТ 30331.2-95; ГОСТ 30331.3-95; ГОСТ 30331.4-95; ГОСТ 30331.5-95; ГОСТ 30331.6-95; ГОСТ 30331.7-95; ГОСТ 30331.8-95; ГОСТ 30331.9-95; ГОСТ 30345.0-95; ГОСТ 30457-97; ГОСТ 30530-97; ГОСТ 30797-2001; ГОСТ 30798-2001; ГОСТ 30799-2001; ГОСТ 30800-2001; ГОСТ 30801.5-2012; ГОСТ 30849.1-2002; ГОСТ 30849.2-2002; ГОСТ 31205-2003; ГОСТ 31210-2003; ГОСТ 31211-2003; ГОСТ 31273-2003;ГОСТ IEC 60227-1-2002;ГОСТ IEC 60227-2-2002;ГОСТ IEC 60245-1-2011;ГОСТ IEC 60245-2-2011;ГОСТ IEC 60245-3-2011;ГОСТ IEC 60245-4-2011;ГОСТ IEC 60245-5-2011;ГОСТ IEC 60245-6-2011;ГОСТ IEC 60245-7-2011;ГОСТ IEC 60799-2011 |
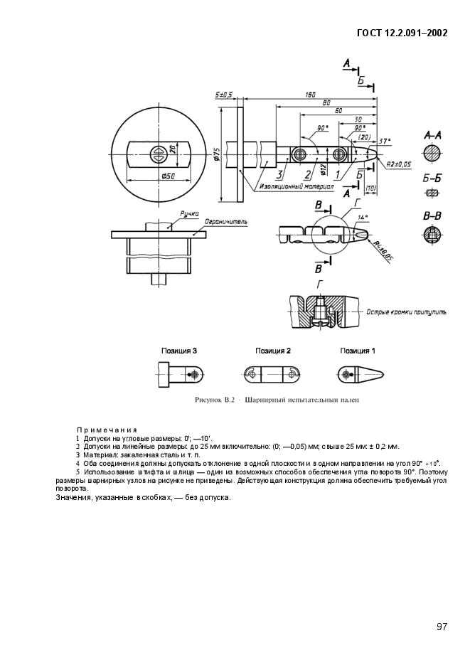
| Область применения: | Настоящий стандарт устанавливает общие требования безопасности к электрическим контрольно-измерительным приборам и лабораторному оборудованию. Для определенных типов этого оборудования требования безопасности дополнены или изменены специальными требованиями частных стандартов. Частный стандарт следует применять совместно с настоящим стандартом |
|