Скачать ГОСТ Р 53520-2009 Контейнеры грузовые серии 1. Технические требования и методы испытаний. Часть 4. Контейнеры для сыпучих грузов без давленияДата актуализации: 01.06.2025 ГОСТ Р 53520-2009
Контейнеры грузовые серии 1. Технические требования и методы испытаний. Часть 4. Контейнеры для сыпучих грузов без давления
| Обозначение: |  ГОСТ Р 53520-2009 |
| Статус: | действующий |
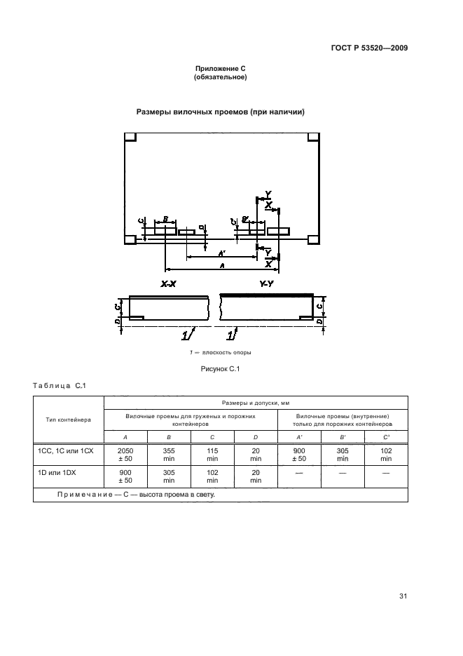
| Название рус.: | Контейнеры грузовые серии 1. Технические требования и методы испытаний. Часть 4. Контейнеры для сыпучих грузов без давления | | Название англ.: | Series 1 freight containers - Specification and testig. Part 4. Non-pressurized containers for dry bulk | | Дата актуализации текста: | 01.01.2021 | | Дата актуализации описания: | 01.07.2023 | | Дата издания: | 05.12.2019 | | Дата введения: | 01.07.2010 | | Код ОКП: | 317700 | | Содержит требования: | ISO 1496-4:1991 | | Нормативные ссылки: | ГОСТ Р 51891; ГОСТ Р 52202; ГОСТ Р 52524; ГОСТ Р 53350 | | Область применения: | Настоящий стандарт распространяется на контейнеры грузовые серии 1 для сыпучих грузов, разгружаемые без давления, предназначенные для перевозки железнодорожным, морским, речным и автомобильным транспортом в прямом и смешанном сообщениях, и устанавливает технические требования к контейнерам и методы их испытаний. Поскольку плотность и характеристики сухих сыпучих грузов различны, контейнеры, отвечающие требованиям настоящего стандарта, могут не подходить для перевозки всех упомянутых грузов. Поэтому, если не оговорено особо, требования настоящего стандарта являются минимальными. Контейнеры, которые будут использоваться для перевозки опасных грузов, должны отвечать дополнительным национальным и международным требованиям | |
                                        
|