| Обозначение: |  ГОСТ 18707-81 |
| Статус: | действующий |
| Название рус.: | Перемычки для обеспечения защиты изделий ракетной и ракетно-космической техники от статического электричества. Технические условия |
| Название англ.: | The jumpers for the provision or the rocket and rocket-space technology items protection from the static electricity. Specifications |
| Дата актуализации текста: | 06.04.2015 |
| Дата актуализации описания: | 01.07.2023 |
| Дата издания: | 01.04.1993 |
| Дата введения: | 01.07.1982 |
| Код ОКП: | 757500 |
| Взамен: | ГОСТ 18707-73 |
| Нормативные ссылки: | ГОСТ 9.014-78; ГОСТ 9.303-84; ГОСТ 9.306-85; ГОСТ 617-90; ГОСТ 860-75; ГОСТ 931-90; ГОСТ 1173-77; ГОСТ 2060-90; ГОСТ 2208-91; ГОСТ 2991-85; ГОСТ 8828-89; ГОСТ 9389-75; ГОСТ 10354-82; ГОСТ 14192-77; ГОСТ 15150-69; ГОСТ 19005-81; ГОСТ 21931-76; ГОСТ 22852-77;ТУ 22-3708-76 |
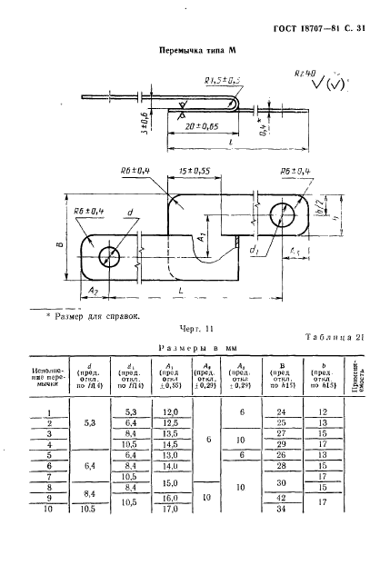
| Область применения: | Настоящий стандарт распространяется на перемычки, предназначенные для защиты от статического электричества изделий ракетной и ракетно-космической техники и их составных частей |
| Список изменений: | №1 от 01.03.1985 (рег. 30.08.1984) «Срок действия продлен» №2 от 01.07.1987 (рег. 24.12.1986) «Срок действия продлен» №3 от 01.12.1992 (рег. 13.07.1992) «Срок действия продлен» №4 от 01.12.1997 (рег. 15.07.1997) «Срок действия продлен» |
|