РД 45.120-2000
НОРМЫ
ТЕХНОЛОГИЧЕСКОГО ПРОЕКТИРОВАНИЯ
ГОРОДСКИЕ И СЕЛЬСКИЕ ТЕЛЕФОННЫЕ СЕТИ
НТП 112-2000
Предисловие
1. РАЗРАБОТАН Ленинградским отраслевым научно-исследовательским институтом связи (ЛОНИИС) и ОАО «Гипросвязь СПб»
ВВЕДЕН Департаментом электросвязи Минсвязи Российской Федерации по связи и информатизации
2. УТВЕРЖДЕН Министерством Российской Федерации по связи и информатизации 12.10.2000
3. ВВЕДЕН В ДЕЙСТВИЕ информационным письмом от 26.10.2000 г. № 6906
4. ВВЕДЕН взамен ВНТП 112-92
СОДЕРЖАНИЕ
Настоящие НТП являются обязательными при проектировании городских и сельских телефонных сетей.
Данные НТП являются обязательными и при проектировании телефонных сетей (ведомственных и частных), присоединенных к телефонной сети общего пользования.
НТП не применимы к проектированию специальных и уникальных сетей.
В настоящем Руководящем документе приведены ссылки на нормативные документы:
Временные рекомендации по предотвращению попадания газа в помещения ввода кабелей предприятия связи.
Временные указания по защите персонала и сооружений связи и радиофикации на участках пересечения и сближения с линиями электропередачи 750 кВ, Минсвязи СССР.
ВСН 45.122-77 Инструкции по проектированию искусственного освещения предприятий связи.
ВСН 116-93 Инструкции по проектированию линейно-кабельных сооружений связи с 01.01.96 г.
ВСН 332-93 Ведомственные строительные нормы. Инструкция по проектированию электроустановок предприятий и сооружений электросвязи, проводного вещания, радиовещания и телевидения с 01.01.94 г.
ГОСТ 464-79 Заземление для стационарных установок проводной связи радиорелейных станций, радиотрансляционных узлов и антенн систем коллективного приема телевидения. Нормы сопротивления.
ГОСТ 12.1.003-83 (СТ СЭВ 1930-79) Шум. Общие требования безопасности с 1.07.84 г.
ГОСТ 5238-81 Установки проводной связи. Схемы защиты от опасных напряжений и токов, возникающих на линиях. Технические требования.
ГОСТ 2.105-95 Общие требования к тестовым документам.
ГОСТ 16350-80 Климат СССР. Районирование и статистические параметры климатических факторов для технических цепей.
ГОСТ Р 50932-96 Совместимость технических средств электромагнитная. Устойчивость оборудования проводной связи к электромагнитным помехам. Требования и методы испытаний.
ГОСТ 21655-87 Каналы и тракты магистральной первичной сети единой автоматизированной системы связи. Электрические параметры и методы измерений.
ГОСТ 5238-81 Установки проводной связи. Схемы защиты от опасных напряжений и токов, возникающих на линиях. Технические требования. Взамен ГОСТ 5238-73.
ГОСТ Р 50889-96 Сооружения местных телефонных сетей линейные. Термины и определения.
Инструкция по эксплуатации стационарных свинцово-кислотных аккумуляторных батарей в составе ЭПУ на объектах ВСС России.
Инструкция по техническому обслуживанию и настройке электроустановок на городских телефонных сетях.
Инструкция по проектированию сети сигнализации ОКС № 7 и коммутационных систем с функциями ЦСИС на местных сетях электросвязи в составе ВСС РФ.
Инструкция по расчету основных технико-экономических и финансовых показателей и заполнения форм-таблиц бизнес-плана на стадиях проектирования для предприятий связи, (2-я редакция корректировки), АО Гипросвязь, 1997 г.
Концепция применения таксофонного оборудования на телефонной сети общего пользования России. Утверждена Госкомсвязи России от 25.11.97 г.
МВД РД-78.147-93 Единые требования по технической укрепленности и оборудования сигнализацией охраняемых объектов.
НПБ 104-95 Проектирование систем оповещения людей о пожаре в зданиях и сооружениях. МВД России.
НПБ 105-95 Нормы государственной противопожарной службы МВД России. Определение категорий помещений и зданий по взрывопожарной и пожарной опасности с 01.01.96 г.
НПБ 110-99 Нормы государственной противопожарной службы МВД России. Перечет, зданий, сооружений, помещений и оборудования, подлежащих защите автоматическими установками тушения и обнаружения пожара.
ОСТ 45.68-96 Стандарт отрасли. Классификация и условные обозначения стыков (интерфейсов) цифровых станций местных телефонных сетей.
ОСТ 45.88-96 Отраслевая система стандартизации. Порядок разработки руководящих документов отрасли.
ОСТ 45.81-97 Стандарт отрасли. Совместимость электромагнитная цепей передачи дискретных и аналоговых сигналов линий местных сетей электросвязи. Нормы эксплуатационные.
ОСТ 45.82-96 Стандарт отрасли. Сеть телефонная городская. Линии абонентские кабельные с металлическими жилами. Нормы эксплуатационные.
ОСТ 45.83-96 Стандарт отрасли. Линии абонентские сельских телефонных сетей. Нормы эксплуатационные.
ОСТН 600-93 Отраслевые строительно-технологические нормы на монтаж сооружений и устройств связи, радиовещания и телевидения.
ПОТ РО-45-005-95 Правила по охране труда при работах на кабельных линиях связи и проводного вещания (радиофикации).
ПОТ РО-45-003-95 Правила по охране труда при работах на кабельных линиях связи и проводного вещания (радиофикации).
Правила установления и использования придорожных полос федеральных автомобильных дорог общего пользования. Постановление Правительства РФ от 01.12.98 г. № 1420.
Правила оказания услуг телефонной связи. Постановление Правительства РФ от 26.09.1997 г. № 1235.
Правила технического обслуживания и ремонта линий кабельных, воздушных и смешанных местных сетей связи, Минсвязи РФ, 1996.
Правила устройства электроустановок (ПУЭ), изд. Главгосэнергонадзор, 1998 г.
Правила технической эксплуатации электроустановок потребителем, Минэнерго, 1992 г.
РД 45.048-99 Организация экстренных, справочно-информационных и заказных служб на ГТС.
РП 1.311-1-97 Порядок разработки, согласования, утверждения и состав проектной документации на строительство сооружений электросвязи.
Рекомендации по восстановлению и герметизации поврежденных (замокших) линий из пластмассовых многопарных кабелей местной телефонной сети. ЛОНИИС, 1997 г.
Рекомендации по одновременной защите кабелей связи от коррозии, ударов молнии и электромагнитных влияний, изд. Минсвязи СССР.
Руководство по строительству линейных сооружений местных сетей связи. АООТ «ССКТБ-ТОМАСС».
Руководство по монтажу соединительных муфт и оконечных кабельных устройств на кабелях с гидрофобным заполнением для местных сетей связи. АООТ «ССКТБ-ТОМАСС».
Руководство по строительству линейных сооружений связи. АООТ «ССКТБ-ТОМАСС», 1995 г.
Руководства по защите металлических кабелем от ударов молний, Госкомсвязи РФ, 1997 г.
Руководства по защите оптических кабелей от ударов молнии, Минсвязи РФ 1996 г.
Руководство по герметизации вводов кабелей предприятий связи. ССКТБ, 1986 г.
СанПиН 2.2.4/2.1.8.055-96 Санитарные правила и нормы. Электромагнитные излучения радиочастотного диапазона (ЭМИ-РЧ). Госкомсанэпиднадзор России.
СНиП 2.01.07-85 Нагрузки и воздействия (с приложением 5: карты районирования территории СССР по климатическим характеристикам)
СНиП 2.04.05-91 Отопление, вентиляция и кондиционирование.
СНиП 2.04.09-84 Пожарная автоматика зданий и сооружений.
СНиП 21-01-97 Пожарная безопасность зданий и сооружений.
СНиП 2.09.04-87 Административные и бытовые здания.
СНиП 11-3-79 Строительная теплотехника.
СНиП 11-01-95 Инструкция о порядке разработки, согласования, утверждения и составе проектной документации на строительство предприятий, зданий и сооружений.
СНиП II-12-77 Защита от шума.
СНиП II-3-79 Строительная теплотехника.
СНиП 23-05-95 Естественное и искусственное освещение.
СНиП 2.09.02-85 Производственные здания.
СНиП 2.05.03-84 Мосты и трубы (переиздание с изменением).
СНиП 4.05-91 Сборник сметных норм и расценок на строительные работы.
СП 11-101-95 Порядок разработки, согласования, утверждения и состав обоснований инвестиций в строительство предприятий, зданий и сооружений.
Эксплуатационные нормы на электрические параметры каналом сети ТфОП. Утверждены Приказом Госкомсвязи России от 05.04.99 № 54.
8-95 Радиопомехи индустриальные. Электроустройства, эксплуатируемые вне жилых домов. Предприятия на выделенных территориях или в отдельных зданиях. Допускаемые величины и методы испытаний с 01.01.96 г.
9-93 Радиопомехи индустриальные. Аппаратура проводной связи. Нормы и методы испытаний с 01.01.94 г.
Абонент - юридическое или физическое лицо, с которым заключен договор об оказании услуг телефонной связи с выделением абонентского номера.
Абонентская линия - линия телефонной сети, соединяющая абонентское устройство с коммутационной станцией (подстанцией, концентратором) этой сети.
Абонентское устройство (оконечное оборудование) - подключаемое к абонентским линиям техническое средство формирования сигналов электросвязи для передачи или приема по каналам связи заданной абонентом информации (телефонный аппарат, факс, автоответчик, модем и др.).
Автоматическая телефонная станция - функционально законченная коммутационная станция местной сети, предназначенная для включения абонентских линий и обеспечивающая автоматическое соединение с другими станциями и узлами сети.
Автоматическая междугородная телефонная станция - оконечная коммутационная станция междугородной сети, обеспечивающая автоматическое установление соединения между местными сетями одной зоны нумерации, между разными зонами, а также выход на международные станции национальной сети.
Ведомственная сеть связи - составная часть ВСС РФ, сеть электросвязи министерств и иных Федеральных органов исполнительной власти, промышленных объединений и предприятий, создаваемая для удовлетворения производственных и специальных нужд и имеющая выход на сеть связи общего пользования для части абонентов. Ведомственные сети связи используются так же для предоставления услуг связи населению и другим пользователям.
Взаимоувязанная сеть связи - комплекс технологически сопряженных сетей связи общего пользования и ведомственных сетей электросвязи на территории Российской Федерации, обеспеченный общим централизованным управлением, независимо от ведомственной принадлежности и форм собственности.
Внутризоновая сеть - сеть, обеспечивающая взаимосвязь местных сетей внутри одной зоны нумерации и их выход на междугородную и международную сети.
Выделенная сеть - сеть электросвязи физических и юридических лиц, не имеющая выхода на сеть связи общего пользования.
Заказно-соединительная линия телефонной сети - линия телефонной сети для связи станций местной сети с междугородной телефонной станцией зоны нумерации непосредственно или через телефонный узел, предназначенная для заказа и установления междугородных и международных соединений.
Зоновая телефонная сеть - совокупность местных и внутризоновой сетей, расположенных на территории одной зоны нумерации, обеспечивающая связь абонентов местных сетей внутри этой зоны и предоставляющая им возможность выхода на междугородную и международную телефонные сети.
Комбинированная автоматическая телефонная станция - автоматическая телефонная станция, выполняющая функции опорной или опорно-транзитной станции и АМТС одновременно.
Коммутационная станция - совокупность оборудования коммутации, интерфейсов к системам передачи, средств управления и сигнализации и других функциональных элементов, обеспечивающая возможность установления соединений по требованию пользователей.
Коммутация каналов - совокупность операций на станции или узле сети, обеспечивающих последовательное соединение каналов и линий этой сети.
Коммутация пакетов - совокупность операций на станции или узле сети, состоящих в приеме отрезков сообщений (пакетов) и передаче их в соответствии с содержащимся в них адресным признакам.
Коммутируемая сеть электросвязи - сеть электросвязи, в которой путь передачи сообщений между пользователями устанавливается только на время передачи этих сообщений под воздействием адресной информации, определяемой пользователем, инициирующим соединение.
Концентратор - оборудование, концентрирующее абонентскую нагрузку и не замыкающее внутреннюю нагрузку, функционально являющееся частью АТС местной сети, к которой оно подключается по соединительным линиям, имеет абонентскую нумерацию и управление oт этой АТС.
Концентратор ЦСИС - коммутационное устройство, являющееся частью сети доступа и выполняющее функции концентрации нагрузки. Концентратором ЦСИС должно обеспечиваться предоставление пользователям услуг ЦСИС, поддерживаемых опорной АТС с функциями ЦСИС.
Маршрут (путь) - определенная последовательность каналов, станций и узлов сети, которая используется для установления соединений между двумя заданными коммутационными станциями.
Маршрутизация - процесс определения маршрута коммутационной станцией в соответствии с системой правил для передачи сообщения или для установления соединения.
Междугородняя телефонная сеть - часть телефонной сети общего пользования, представляющая собой совокупность междугородных телефонных станций, расположенных в различных зонах нумерации, телефонных узлов автоматической коммутации и каналов электросвязи, соединяющих их между собой.
Международная телефонная сеть - сеть электросвязи, представляющая собой совокупность оконечных (МНТС) и оконечно-транзитных (МЦК) станций разных стран и каналов, соединяющих их между собой.
Международная телефонная станция - оконечная коммутационная станция международной сети, обеспечивающая автоматическое установление соединений между станциями и узлами международной и национальной сетей.
Международный центр коммутации - оконечно-транзитная коммутационная станция международной сети, обеспечивающая автоматическое установление соединений между станциями и узлами международной и национальной сетей.
Межстанционные сети - совокупность коммутационных станций и соединительных линий между ОПС, ОПТС, ТС, УС, ЦС, УСС и с АМТС.
Местная телефонная сеть - часть телефонной сети общего пользования, представляющая собой совокупность коммутационных станций и узлов, линий, оконечных абонентских устройств, предназначенная для обеспечения телефонной связью абонентов города или сельского района.
Мультиплексор - устройство сети абонентского доступа, без концентрации нагрузки, с жестким («статичным») закреплением АЛ за цифровыми каналами к опорным станциям.
Мультиплексор ЦСИС - устройство, являющееся частью сети доступа и выполняющее функции мультиплексирования цифровых потоков, поступающих от нескольких интерфейсов «пользователь-сеть» в общий цифровой поток, передаваемый на АТС с функциями ЦСИС. Мультиплексором ЦСИС должно обеспечиваться предоставление пользователям услуг ЦСИС поддерживаемых опорной АТС с функциями ЦСИС.
Обходной путь - маршрут (путь) между двумя коммутационными станциями, содержащий транзитные станции.
Опорная станция - коммутационная станция телефонных сетей различного иерархического уровня, осуществляющая ввод и вывод трафика сети данного иерархического уровня (местный, междугородный, международный).
Оконечная станции - станция, расположенная в любых населенных пунктах сельского района. Соединительные линии ОС включаются в ЦС или УС, а также в другие ОС при использовании поперечных связей.
Опорно-транзитная станция - коммутационная станция, выполняющая функции как опорной, так и транзитной станций сетей данного иерархического уровня.
Оператор связи - физическое или юридическое лицо, имеющее право на предоставление услуг электросвязи. Документом, дающим такое право, является выданная установленным порядком лицензия.
План маршрутизации - массив данных, содержащий полную информацию о маршрутах (путях) установления соединений и алгоритм выбора маршрута на коммутационной станции.
Подстанция - оборудование, концентрирующее абонентскую нагрузку и замыкающее внутреннюю нагрузку, функционально являющееся частью АТС местной сети, к которой оно подключается по соединительным линиям, имеет абонентскую нумерацию и управление от этой АТС.
Прямой путь - маршрут (путь) между двумя коммутационными станциями, не содержащий транзитные станции.
Радиодоступ - часть абонентской сети (сети абонентского доступа), обеспечивающая подключение абонентских устройств к станции местной сети с помощью радиосредств.
Региональная сеть подвижной связи - совокупность технических средств, обеспечивающая подвижным абонентам возможность установления связи между собой и со стационарными абонентами сети.
Сеть абонентского доступа (абонентская сеть) - совокупность мультиплексоров, концентраторов, ПС, УПАТС и абонентских линий, соединяющих ОАУ с ОПС, ОС, УС, ЦС, ОПТС, концентраторами, ПС, мультиплексорами и УПАТС, а также линий абонентского доступа, соединяющих мультиплексоры, концентраторы и УПАТС с ОПС, ОС, УС, ЦС, ОПТС.
Сеть персонального радиовызова ОП (ПРВ-ОП) (пейджинговая связь) - это совокупность технических и программных средств, с помощью которых осуществляется односторонняя передача в радиоканале в пределах зоны обслуживания, цифровых, буквенно-цифровых, звуковых сообщений ограниченного объема, поступающих от абонентов телефонных сетей общего пользования и сетей передачи данных.
Сеть электросвязи - совокупность технических средств, обеспечивающая передачу одного или нескольких видов сообщений: телефонных, телеграфных, факсимильных, данных и других видов документальных сообщений, включая обмен информацией между ЭВМ, телевизионное, звуковое и иные виды радио- и проводного вещания.
Сеть электросвязи общего пользования - составная часть взаимоувязанной сети электросвязи Российской Федерации, открытая для пользования всем физическим и юридическим лицам, в услугах которой этим лицам не может быть отказано.
Сеть электросвязи с коммутацией каналов - сеть электросвязи, базирующаяся на технологии с коммутацией каналов.
Сеть электросвязи с коммутацией пакетов - сеть электросвязи, базирующаяся на технологии с коммутацией пакетов.
Система телефонной связи общего пользования - комплекс коммутируемых сетей электросвязи общего пользования и подсистем, обеспечивающих их функционирование на базе единых принципов построения, управления, синхронизации, сигнализации, нумерации и др., предназначенный для оказания услуг преимущественно телефонной связи фиксированной и подвижной.
Соединительная линия телефонной сети - линия местной телефонной сети, соединяющая телефонные станции и узлы между собой, а также подстанции и концентраторы с оконечной станцией сети.
Соединительная линия телефонной сети (междугородная) - линия телефонной сети для связи междугородной телефонной станции с телефонной станцией местной сети непосредственно или через телефонный узел.
Телефонная сеть, подвижной связи общего пользования - сеть электросвязи общего пользования, предоставляющая услуги телефонной связи абонентам, оконечное оборудование которых не имеет фиксированной точки подключения и позволяет абонентам менять свое местонахождение, в том числе, в процессе получения услуг связи.
Телефонная сеть фиксированной связи общего пользовании - сеть электросвязи общего пользования, предоставляющая услуги телефонной связи абонентам, оконечное оборудование которых имеет фиксированную точку подключения.
Телефонная сеть географической зоны нумерации - совокупность иерархически организованных телефонных сетей, включая Сети (корпоративные), связанных общей структурой и расположенных на территории одной географической зоны нумерации, имеющей код ABC.
Телефонная сеть негеографической зоны нумерации - совокупность иерархически организованных телефонных Сетей (корпоративных), имеющих код DEF и общую структуру, не привязанную к конкретной географической зоне нумерации.
Телефонная нагрузка - суммарное время занятия линий, каналов телефонной сети или групп коммутационных приборов связи за интервал времени.
Телефонный аппарат - оконечное абонентское телефонное устройство, предназначенное для передачи и приема речи, линейных, информационных сигналов телефонной сети и сигналов управления.
Транзитная станция (узел) - коммутационная станция телефонных сетей данного иерархического уровня, осуществляющая установление соединений между станциями и узлами этих сетей.
Транкинговые системы - радиально-зоновые системы наземной подвижной радиосвязи, использующие автоматическое распределение каналов связи ретрансляторов между абонентами. В основном, применяются для корпоративных и ведомственных сетей и предназначены для служебной связи.
Транспортная сеть электросвязи - совокупность каналов и трактов, предназначенная для передачи между станциями и узлами всех видов сообщений с помощью различных технологий.
Трафик электросвязи - поток сообщений и попыток вызовов.
Узел автоматической коммутации - узел междугородной телефонной сети, обеспечивающий автоматическое установление соединений между станциями и узлами этой сети, а также выход к международным станциям национальной сети.
Узел входящего междугородного сообщения - узел местной аналоговой или аналого-цифровой телефонной сети, обеспечивающий автоматическое установление соединений от междугородных телефонных станций зоны нумерации к станциям местной сети.
Узел входящего сообщения - узел местной аналоговой или аналого-цифровой телефонной сети, обеспечивающий автоматическое установление соединений от оконечных станций сети к оконечным станциям одного узлового района.
Узел заказно-соединительных линий - узел местной аналоговой или аналого-цифровой телефонной сети, обеспечивающий автоматическое установление соединений от станций местной сети к междугородной телефонной станции зоны нумерации.
Узел исходящего сообщения - узел местной аналоговой или аналого-цифровой телефонной сети, обеспечивающий автоматическое установление соединений от группы оконечных станций сети к другим оконечным станциям и узлам сети.
Узел исходящего-входящего сообщения - узел местной аналоговой или аналого-цифровой телефонной сети, в котором объединяются функции телефонных узлов исходящего и входящего сообщений.
Узел сельско-пригородной связи - узел местной аналоговой или аналого-цифровой телефонной сети, обеспечивающий автоматическое установление соединений между станциями сельской и городской телефонных сетей.
Узел специальных служб - узел местной телефонной сети, обеспечивающий автоматическое установление соединений от оконечных станций и узлов к информационно-справочным и экстренным службам.
Узловая станция - станция, расположенная в любых населенных пунктах сельского района. УС предусматривает абонентскую емкость и представляет собой оконечно-транзитную станцию, в которую включаются СЛ от ЦС, ОС и других УС. Через УС осуществляется транзитная связь между включенными в нее ОС, а также между этими ОС и ЦС или другими УС (при использовании поперечных связей);
Учрежденческо-производственная автоматическая телефонная станция - коммутационная станция, обеспечивающая пользователям организаций внутреннюю связь по сокращенной нумерации, предоставляющая им ряд дополнительных видов обслуживания, а заранее выбранной группе абонентов - выход на телефонную сеть общего пользования.
Физическая среда передачи - кабели с металлическими жилами, оптические волокна или эфир, образующие направляющую среду для передачи сигналов электросвязи.
Центральная станция - станция, расположенная в районном центре, выполняющая одновременно функции телефонной станции райцентра и сельско-пригородного узла сельской телефонной сети.
Цифровая сеть с интеграцией служб (ЦСИС) - сеть, обеспечивающая сквозное цифровое соединение для поддержки широкого диапазона услуг, включая речевые и неречевые, доступ пользователи к которым осуществляется посредством отвинченного набора стандартных многоцелевых интерфейсов «пользователь-сеть».
АВУ - абонентская высокочастотная установка
АДЭС - автоматизированная дизельная электростанция
AИC - автоинформационные службы
АК - абонентский комплект
АК(Ц) - абонентский комплект цифровой
AЛ - абонентская линия
АЛА - абонентская линия аналоговая
АЛу - абонентская линия учрежденческая
AЛЦ - абонентская линия цифровая
АМТС - автоматическая междугородная телефонная станция
АО - абонентный отдел
АОН - автоматический определитель номера
АПУС - аппаратура повременного учета стоимости
AРMT - автоматизированное рабочее место телефонистки
АСПС - аппаратура справочной службы
АТС - автоматическая телефонная станция
АТС ДШ - автоматическая телефонная станция декадно-шаговая
АТС КУ - автоматическая телефонная станция координатная усовершенствованная
АТС Э - автоматическая телефонная станция электронная
АТСЦ - автоматическая телефонная станция цифровая
АУОП - автоматическая установка обнаружения пожара
АУПТ - автоматическая установка пожаротушения
АЦК - абонентский цифровой концентратор
АЦП - аналого-цифровое преобразование
БР - бюро ремонта
ВКУ - вводно-коммутационные устройства
ВЛС - воздушная линия связи
НТП - нормы технологического проектирования
ВОСП - волоконно-оптическая система передачи
ВСК - выделенный сигнальный канал
ВСН - ведомственные строительные нормы
ВСС - взаимоувязанная сеть связи
ГКЭС - Государственный Комитет по электросвязи
ГТС - городская телефонная сеть
ДВО - дополнительные виды обслуживания
ДП - дистанционное питание
ДЦТЭ - диспетчер ЦТЭ
ЗИП - запасные инструменты, приборы и расходные материалы
ЗСЛ - заказно-соединительная линия
ИИС - измерительно-испытательный стол
ИКМ - импульсно-кодовая модуляция
ИС - интеллектуальная сеть
К - концентратор
КАТС - комбинированная автоматическая телефонная станция
KЕO - коэффициент естественной освещенности
КИЩ - контрольно-измерительный щит
ККС - колодец кабельной канализации связи
КПА-А - комплект прямого абонента, абонентская сторона
КПА-C - комплект прямого абонента, станционная сторона
КТС - комбинированная телефонная сеть
ЛАЦ - линейно-аппаратный цех
ЛКOC - линейно-кабельный оптический стык
ЛЭП - линии электропередачи
М - мультиплексор
МН - магнитный носитель
МРУ - междугородная ручная установка
МСС - межстанционная сеть связи
МСЭ-Т - Международный Союз Электросвязи секция Телефонии
МТС - междугородная телефонная станция
МУС - межузловая связь
НПБ - нормы пожарной безопасности
НРП - необслуживаемый регенерационный пункт
НЧ - низкая частота
ОАТУ - оконечное абонентское телефонное устройство
ОАУ - оконечное абонентское устройство
ОВ - оптическое волокно
ОК - оптический кабель
ОКС - общий канал сигнализации
ОН - оптический носитель
ОПС, ОПС Э - опорная станция (Э - электронная)
ОПТС - опорно-транзитная станция
ОС, ОС Э - оконечная станция (Э - электронная)
ОСКЭ - оконечная станция квазиэлектронная
ОТТ - Общие Технические Требования
ОУ-ПД - оконечное устройство передачи данных
ПАТС - перевозимая автоматическая телефонная станция
ПГ - показатель громкости
ПД - проектная документация
ПДК - предельно-допустимая концентрация
ПРВ-ОП - сеть персонального радиовызова общего пользования
ПС - подстанция
ПСК - подстанция координатная
ПСЦ - подстанция цифровая
ПСЭ - подстанция электронная
ПТБ - правила техники безопасности
ПУЭ - правила устройств электроустановок
РАТС - районная автоматическая телефонная станция
РД - руководящий документ
РМ - рабочее место
РТМ - Руководящий Технический Материал
РТС - радиотрансляционная сеть
РУС - районный узел связи
РЦ - расчетный центр
РЦСП - распределительная цифровая система передачи
СанПин - санитарные правила и нормы
СВУ - сигнально-вызывное устройство
СИ - средства измерений
СИЗС - справочно-информационные и заказные спецслужбы
СЛ, СЛМ - соединительная линия (М - междугородной связи)
CMР - строительно-монтажные работы
СНиП - строительные нормы и правила
CO - система оповещения
СПС - сотовая подвижная связь
CPВ - ступень распределения вызова
СТС - сельская телефонная сеть
СУ - сетевой узел
СЦИ - синхронная цифровая иерархия
ТА - телефонный аппарат
ТС, ТС Э - транзитная станция (Э - электронная)
ТСС - тактовая сетевая синхронизация
Тсф АМТС - таксофоны междугородной связи
Тсф АТС - таксофоны местной связи
Тсф АТС/АМТС - таксофон универсальный (местной/междугородной связи)
ТУ - технические условия
ТФОП - телефонная сеть общего пользования
ТЧ - тональная частота
ТЭО - технико-экономическое обоснование
УВС, УВС Э, УВС М - узел входящего сообщения (Э - электронный, М - междугородный)
УВТС - узел ведомственных телефонных станций
УГНБ - установка горизонтально-направленного бурения
УЗПИ - устройства запроса и приема информации
УЗСЛ Э - узел заказно-соединительных линий (Э - электронный)
УИВС, УИВС Э - узел исходящего и входящего сообщения (Э - электронный)
УИС «0» - узел исходящего сообщения «0» пучка
УИС, УИС Э, УИС М - узел исходящего сообщения (Э - электронный, М - междугородный)
УКВ ЧМ - частотно-модулированный сигнал диапазона ультракоротких волн
УККР - устройство контроля качества работы
УОС - узел обходных связей
УПАТС Э - учрежденческо-производственная автоматическая телефонная станция (Э - электронная)
УС, УС Э - узловая станция (Э - электронная)
УСКЭ - узловая станция КЭ
УСП Э, КЭ - узел сельско-пригородной связи (Э - электронный, КЭ - квазиэлектронный)
УСС, УСС Э - узел спецслужб (Э - электронный)
УУНП - устройство учета и начисления платы
ЦАВУ - цифровая абонентская система передачи
ЦКП - центр коммутации для мобильных систем
ЦКПС - центр коммутации подвижной связи
ЦР - цех развития
ЦС, ЦС Э - центральная станция (Э - электронная)
ЦСИС - цифровая сеть с интеграцией служб
ЦСКЭ - центральная станция (КЭ - квазиэлектронная)
ЦСП - цифровая система передачи
ЦСЭ - центральный силовой элемент
ЦТЭ - центр технической эксплуатации
ЦЭЛКО - цех эксплуатации линейно-кабельного оборудования
ЦЭСП - цех эксплуатации систем передачи
ЦЭСС - цех эксплуатации станционных сооружений
ЦЭЭПУ - цех эксплуатации электропитающей установки
ЧНН - час наибольшей нагрузки
ЧРК - частотное разделение каналов
ЭПУ - электропитающая установка
BRA - доступ на базовой скорости
ЕТ - станционное окончание
GSM - федеральный стандарт сети подвижной (сотовой) связи
LT - линейное окончание
NMТ-450 - федеральный стандарт сети подвижной (сотовой) связи
NT - сетевое окончание
PCM (ИКМ) - импульсно-кодовая модуляция
РИА - доступ на первичной скорости
SDH (СЦИ) - синхронная цифровая иерархия
ТЕ - оконечное оборудование
TMN (СУЭ) - сеть управления электросвязью
4.1. НТП по проектированию городских и сельских телефонных сетей обязательны для проектирования новых, расширения и реконструкции действующих городских и сельских телефонных сетей на территории Российской Федерации.
Для телефонных сетей других ведомств НТП определяет лишь требования в части взаимодействия их с общегосударственной сетью связи. Настоящие НТП распространяются на комбинированные АТС (КАТС), в части АТС и на ведомственные сети в части сопряжения с ГТС, СТС, КАТС и не распространяются на проектирование временных, уникальных и специальных сооружений связи.
4.2. В проектах должны применяться оборудование и кабели, прошедшие сертификацию Минсвязи России.
4.3. Данные НТП разработаны взамен действующих ВНТП 112-92, разделов ВСН 116-93, относящихся к линейно-кабельным сооружениям ГТС и СТС и разделов ВНТП 111-93, относящихся к определению нагрузки на КАТС.
5.1. Проектирование является одним из основных этапов проектной подготовки строительства в инвестиционном процессе.
5.2. Разработки проектной документации выполняется организацией, имеющей лицензию на данный вид деятельности.
5.3. При разработке проектной документации (ПД) необходимо руководствоваться:
а) Федеральными нормативными документами, в т.ч.:
1) «Инструкция о порядке разработки, согласования, утверждения и составе проектной документации на строительство предприятий, зданий и сооружений». СНиП 11-01-95;
2) «Порядок разработки, согласования, утверждения и состав обоснований инвестиций в строительство предприятий, зданий и сооружений». СП 11-101-95;
б) ведомственными нормативными документами, в т.ч.:
1) методическое руководство по проектированию «Порядок разработки, согласования, утверждения и состав проектной документации на строительство сооружений электросвязи» PП 1.311-1-97 (новая редакция);
2) эталонами, определяющими минимально необходимый объем ПД и единообразие в оформлении материалов ПД;
3) ВНТП, ВСН;
4) РТМ, методики расчета.
5.4. Проектная документация должна разрабатываться в соответствии с заданием на проектирование на основе исходных материалов, выдаваемых заказчиком проектной организации в соответствии с перечнем, приведенным в Методическом руководстве по проектированию «Порядок разработки, согласования, утверждения и состав проектной документации на строительство сооружений электросвязи» PП 1.311-1-97.
5.5. ВНТП, ВСН, РТМ по проектированию разрабатываются головными проектными институтами с привлечением отраслевых НИИ и утверждаются Минсвязи России.
5.6. Эталоны разрабатываются головными проектными институтами и утверждаются Минсвязи России.
5.7. Методики расчета сетей (ТфОП, ЦСИС, ТСС и т.д.) разрабатываются отраслевыми НИИ и утверждаются для проектирования Минсвязи России.
6.1. Составной частью ВСС России являются местные (городские - ГТС; сельские - СТС; комбинированные - КТС) телефонные сети.
6.2. ГТС предназначаются для удовлетворения потребностей населения, учреждений, организаций и предприятий города в передаче телефонных и нетелефонных сообщений, СТС - абонентов сельского района, a KTC - одновременно абонентов административного центра и сельского района.
6.2.1. К нетелефонным сообщениям, использующим телефонные сети, относятся: передача факсимильных сообщений, передача данных (в том числе «Интернет») и других сообщений по нормам, предъявляемым к телефонным сетям.
6.3. ГТС, СТС, KTC являются базовыми сетями электросвязи и представляют собой совокупность технических и программных средств (коммутации, физической среды передачи и системы передачи) и выполняют соответствующие функции: телефонной сети, сети общеканальной сигнализации, сети синхронизации, сетей TMN, сетей ЦСИС, интеллектуальной сети, региональной сети подвижной связи.
6.4. Станции городских телефонных сетей (ГТС) и сельских телефонных сетей (СТC) в зависимости от выполняемых функций классифицируются по типам.
6.4.1. Типы станций ГТС: опорные станции (ОПС), транзитные станции (ТС), опорно-транзитные станции (OПTС), комбинированные станции (КАТС).
ОПС обеспечивает исходящую, входящую местную и междугородную связь к абонентам ОПС и подстанций.
В ОПС включаются:
а) абонентские линии (АЛ);
б) липни таксофонов местной связи (ТсфАТС) и междугородной связи (ТсфАМТС) и универсальных таксофоном;
в) линии с мультиплексорами и концентраторами, подстанциями;
г) линии с малыми УАТС;
д) линии переговорных пунктов для ведения исходящих и входящих Междугородных переговоров;
е) соединительные линии (СЛ) с другими OПC, ОПТС, ТС, КАТС;
ж) соединительные линии междугородной связи (СЛМ) от междугородной телефонной станции (МТС) или от узла входящего междугородного сообщения (УВСМ);
з) заказно-соединительные линии (ЗСЛ) к междугородной телефонной станции (АМТС) или к узлу заказно-соединительных линий (УЗСЛ).
ТС - обеспечивает коммутацию транзитной нагрузки.
В ТС включаются соединительные линии встречных ОПС, ОПТС, УПАТС, ТС, АМТС.
ТС выполняет при этом как отдельные, так и совмещенные функции узлов:
а) УВС, УИС, предназначенных для включения и коммутации СЛ между ОПС разных узловых районов, между ОПС одного узлового района при радиальном построении внутриузловой связи;
б) УИСМ, предназначенного для включения СЛМ от коммутаторов и полуавтоматического оборудования МТС (на переходный период);
в) УВСМ, предназначенного для включения и коммутации СЛМ от УИСМ и АМТС к ОПС;
г) УСС, обеспечивающего связь абонентов с экстренными, справочно-информационными и заказными службами города;
д) УИС «0», коммутирующего СЛ к узлу спецслужб и подключающего децентрализованные спецслужбы;
е) УЗСЛ, предназначенного для концентрации в одном пункте ЗСЛ от ряда ОПС и промоборудования для связи с АМТС;
ж) УОС, предназначенного для организации обходных путей;
з) УВТС, предназначенного для включения соединительных линий, по которым осуществляются входящие и исходящие от абонентов УПАТС соединения;
и) УСП, предназначенного для организации транзитных соединений между станциями СТС и ГТС, а также между станциями СТС, между станциями СТС и УСС, а также между станциями СТС и АМТС.
УСП организуется на ГТС областного, краевого, республиканского центров или выделенного города при размещении на их территории административных и хозяйственных организаций сельского района.
В УСП должны включаться:
а) СЛ с оконечными и узловыми станциями СТС (ОС, УС), с пригородными станциями, не входящими в СТС, и с УПАТС;
б) СЛ с ОПС, ТС, ОПТС ГTC, на территории которой организован УСП;
в) СЛ с УСС;
г) СЛМ и ЗСЛ.
Опорно-транзитные станции (ОПТС) выполняют функции опорной и транзитной станций одновременно.
Комбинированные АТС (КАТС) выполняют функции ОПС или ОПТС и АМТС одновременно.
Сети подвижной связи и сеть, ТФОП включаются на местном (региональном) уровне через центры подвижной связи. Центры подвижной связи, в зависимости от емкости, имеют статус ОПТС, ОПС, УПАТС.
Примечание. Сети подвижной связи (регионального и федерального уровня) входят в состав ТФОП, но не являются предметом рассмотрения данного НТП.
6.4.2. Перевозимая станция (ПАТС) на ГТС должна применяться в качестве ПС, ОПС при:
а) замене стационарной АТС на новое коммутационное оборудование на тех же площадях на период демонтажа старой и монтажа новой станции при техническом перевооружении;
б) ускорении предоставления услуг телефонной сети потребителям, путем временного подключения их к ПATC до окончания строительства стационарной АТС;
в) непланируемой замене стационарной АТС, вышедшей из строя в результате аварии, стихийного бедствия и т.п. с предоставлением абонентам связи на период до восстановления стационарной АТС.
Одна и та же ПАТС может быть использована на ГТС неоднократно.
6.4.3. Типы станций СТС:
а) центральная станция (ЦС) - станция, расположенная в районном центре, выполняющая одновременно функции телефонной станции райцентра и сельско-пригородного узла сельской телефонной сети. В ЦС включаются СЛ узловых станций (при 2-х-ступенчатом построении), СЛ оконечных станций (при одноступенчатом построении);
б) узловая станция (УС) - станция, расположенная в любых населенных пунктах сельского района. УС предусматривает абонентскую емкость и представляет собой опорно-транзитную станцию, в которую включаются СЛ от ЦС, ОС и других УС. Через УС осуществляется транзитная связь, между включенными в нее ОС, а также между этими ОС и ЦС или другими УС (при использовании поперечных связей);
в) оконечная станция (ОС) - станция, расположенная в любых населенных пунктах сельского района. Соединительные линии ОС включаются в ЦС или УС, а также в другие ОС при использовании поперечных связей.
6.4.4. Кроме того, на ГТС, СТС и КАТС могут иметь выход ведомственные сети связи и могут быть организованы некоммутирующие сетевые узлы - СУ.
Ведомственные сети связи организуются с использованием одной станции или нескольких называемых в настоящее время УПАТС и малые УАТС.
Выход абонентов ведомственных сетей на сеть ТфОП, как привило, организуется через одну станцию.
УПАТС - предназначена для использования в учреждениях, организациях, гостиницах и предприятиях в виде отдельных станций с выходом в сеть ТфОП.
К малым УАТС относятся УПАТС емкостью до 128 номеров, включаемые в абонентские комплекты ОПТС, OПC с нагрузкой до 0,15 Эрл/АЛ.
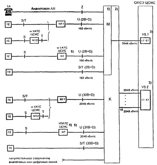
Организация доступа при подключении малых УАТС ЦСИС и УПАТС ЦСИС к сети ТфОП представлена в таблице 6.1.
Таблица 6.1 - Подключение УПАТС ЦСИС к ТфОП
|
Емкость присоединяемой ведомственной сети1) |
Тип интерфейса со стороны опорной коммутационной системы ТфОП |
Кол-во интерфейсов (СЛ или каналов) |
Нагрузка (исх + вх), Эрл |
Рекомендуемый тип системы сигнализации |
Функции коммутируемого транзита нагрузки ТфОП |
|
|
Малые УАТС ЦСИС |
До 128 |
V1 (BRA) |
До 12 (до 24)2) |
До 6 |
EDSSI |
Нет |
|
V3 (PRA)3) |
1 (до 30)4) |
До 21 |
||||
|
УПАТС ЦСИС |
128 - 1000 |
V3 (PRA) |
До 3 (до 90)5) |
До 63 |
||
|
УПАТС ЦСИС |
1000 - 6000 |
V3 (PRA) |
Да7) |
|||
|
V5.1, V5.2, A36) |
||||||
|
УПАТС ЦСИС |
Более 6000 |
A36) |
ОКС № 7 |
|||
|
Примечания 1. Данная таблица относится к любому интерфейсу коммутационной системы, подключенной к ТфОП. 2. При присоединении ведомственных сетей, использующих внутри сети сигнализацию ОКС № 7, используется сигнализация № 7. 3. Количество интерфейсов и нагрузка определяется расчетом в каждом конкретном случае. При отсутствии статистического учета количество интерфейсов при подключении на уровне абонентской установки принимается по данной таблице 1) Согласно Сборнику нормативных материалов по вопросам взаимодействия сетей электросвязи, М. 1996 г. стр. 20 п. 4.2.1.3 «Нумерацию, выделяемую присоединяемой сети (ее коммутационным станциям и абонентским установкам), имеющим выход на сеть связи общего пользования, определяет оператор последней при выдаче технических условий на присоединение». 2) Возможно формирование группы серийного искания 3) При необходимости организации более 12 BRA. 4) Могут быть задействованы не все каналы. 5) Выбор сигнализации должен определяться ТЭО и технической возможностью включения на правах ОПС. 6) Аббревиатура принята в соответствии с ОСТ 45.68-96. 7) Согласно Сборнику нормативных материалов по вопросам взаимодействия сетей электросвязи, М. 1996 г. стр. 20 п. 4.2.1.1 «В отдельных случаях, подлежащих обязательному согласованию с Министерством связи РФ, присоединяемая сеть может содержать коммутационный узел, через который проходят соединения между абонентами сети связи общего пользования». |
||||||
6.5. ГТС, СТС, КТС обеспечивают помимо телефонной связи:
а) устойчивую передачу по аналоговым каналам (аналоговая абонентская линия, аналоговая АТС, аналоговая СЛ и т.п.) данных со скоростью до 2400 бит/с, факсимильных сообщений II, III класса;
б) передачу по цифровой сети связи с функциями ЦСИС (цифровая абонентская линия, цифровая АТС с функциями ЦСИС, цифровые СЛ с сигнализацией ОКС №7) данных со скоростью 64 кбит/с и выше, факсимильных сообщений IV класса, видеотекст;
в) организацию телеграфной связи общего пользования, абонентского телеграфа, электронной почты, телекса и звукового вещания по цифровым или аналоговым каналам.
6.6. Структурно ГТС, СТС и КТС состоят из сети абонентского доступа (ранее называемая «абонентская сеть») и межстанционной сети.
6.6.1. Сеть абонентского доступа может быть построена с применением проводных и радиосредств.
6.6.1.1. Сети абонентского доступа могут строиться по принципу:
а) «наложения» сетей по отношению к существующей, т.е. с широким применением удаленных подстанций (ПС), концентраторов, мультиплексоров с охватом территории нескольких существующих АТС;
б) перераспределения районов обслуживания вновь вводимых и действующих АТС таким образом, чтобы районы обслуживания АТС, установленных в разных производственных зданиях, не перекрывались;
в) смешанного способа, с частичным переключением существующей абонентской сети на проектируемую АТС.
6.6.1.2. Применение одного из перечисленных способов должно быть обосновано технико-экономической целесообразностью.
6.6.1.3. При наличии рассредоточенных групп абонентов может использоваться распределительная цифровая система передачи (РЦСП), которая обеспечивает возможность объединения в один цифровой поток несколько групп малого числа каналов.
6.6.2. Межстанционные сети связи (МСС).
6.6.2.1. Основные этапы развития принципов построения телефонных сетей следующие.
Этап 1.
До 1985 года телефонные сети строились на основе декадно-шаговых и координатных систем коммутации.
Этап 2.
Начиная с 1985 года на ГТС устанавливались во все возрастающем объеме электронные АТС.
Электронные АТС в силу действовавших запретов на поставку оборудования (ОКС №7, систем подчиненной синхронизации) поставлялись только с линейной сигнализацией 2ВСК, сигналы управления реализовывались декадным и многочастотным способом передачи. Сеть СЛ с учетом обходных направлений реализована не была.
Этап 3.
Начиная с 1993 года на ГТС поставляются исключительно электронные АТС, для которых уже реализована сигнализация ОКС №7, EDSS1 и возможно включение абонентов ЦСИС. С введением ОКС №7 соединительные линии двусторонние.
В настоящее время телефонные сети на территории городов представляют из себя сложные комплексы, состоящие из отдельных фрагментов сетей, построенных на этапах 1 - 3 (рисунок 6.1).
Создаваемая сеть на этапе 3
Рисунок 6.1. - Построение ГТС на переходном этапе, где:
односторонняя соединительная линия;
двусторонняя соединительная линия;
обходное направление;
ОПТС - опорно-транзитная станция;
ОПС - опорная станция.
6.6.2.2. Принципы построения сетей на основе аналогового и цифрового оборудования первого поколения (без ОКС) отражены в «Руководящем документе по общегосударственной системе автоматизированной телефонной связи», 1988 г.
6.6.2.3. Принципы построения цифровых телефонных сетей на современном этапе определяются техническими параметрами коммутационного оборудования, систем передачи и экономической целесообразностью.
6.6.3. Внедрение цифровых АТС должно осуществляться по следующим основным правилам:
а) Связи между цифровыми АТС, АТС-АМТС должны осуществляться преимущественно через цифровые узлы, но возможны и прямые связи, как показано на рис. 6.1. Цифровая телефонная есть, наложенная на существующую аналоговую с УВС, согласно рисунку 6.2, или с УИС и УВС, согласно рисунку 6.3, представляет собой один или несколько цифровых узловых районов. Для связи от существующих аналоговых АТС к цифровым в цифровых узловых районах должны устанавливаться цифровые узлы входящих сообщений (УВС Э). Оборудование цифровых УВС одновременно может выполнять функции узлов исходящих сообщений и узлов обходных связей. Такой узел на схеме рисунке 6.3 обозначен УИВС Э (ТСЭ).
б) При связи между цифровыми АТС должны использоваться цифровые каналы системы передачи PDH, SDH с установкой на стороне аналоговых АТС оборудования аналого-цифрового преобразования.
в) Между вновь устанавливаемыми цифровыми станциями и уже находящимися в эксплуатации должно быть обеспечено согласование систем сигнализации.
Между вновь устанавливаемыми цифровыми станциями должна использоваться сигнализация ОКС № 7. Между существующими цифровыми станциями, и между существующими цифровыми и вновь проектируемыми сигнализация ОКС № 7 должна использоваться при согласовании с заказчиком и фирмой-поставщиком.
Вопросы проектирования сети ОКС № 7 отражены в РТМ по проектированию сети ОКС № 7.
Рисунок 6.2. - Структура аналого-цифровой сети с узлами входящих сообщений
Рисунок 6.3. - Структура аналого-цифровой сети с узлами входящих и исходящих сообщений
6.6.4. Основные особенности ГТС, построенных на цифровом коммутационном оборудовании, по сравнению с ПС, построенными на аналоговом оборудовании, следующие:
а) использование двусторонних (входящих и исходящих) универсальных (местных, междугородных и к узлу спецслужб) СЛ при сигнализации ОКС № 7;
б) широкое применение прямых связей для коммутации существенной доли нагрузки и применение обходных связей;
в) одноступенчатая схема построения прямых связей через транзитные узлы на ГТС большой емкости: АТСЭ-ТС - АТСЭ;
г) зоны обслуживания ТС по исходящей и входящей связи определяются по минимальным затратам на сеть соединительных линий;
д) нумерация АТСЭ, включенных в ТС по входящей и исходящей связи, может быть любой;
е) широкое применение концентраторов, мультиплексоров, подстанций;
ж) использование на ГТС, в основном, не чисто ТС, а ОПТС, а также КАТС.
6.6.5. С вводом двусторонних пучков СЛ в значительной степени утрачиваются такие понятия как УВС и УИС. На ГТС устанавливаются транзитные станции (ТС), коммутирующие двусторонние соединительные линии. Односторонние пучки СЛ сохраняются только для электронных станций, установленных на этапах 2 и 3. Введение на ГТС двусторонних СЛ при использовании ОКС не требует дополнительных материальных затрат. Наличие двусторонних СЛ позволяет улучшить использование СЛ за счет объединения противонаправленных потоков нагрузки. Положительный эффект достигается за счет увеличения нагрузки на общий пучок СЛ, что улучшает использование СЛ. Наиболее ощутим положительный эффект при объединении противонаправленных потоков нагрузки с разными ЧИП. Кроме того, при введении двусторонних СЛ уменьшается влияние таких ошибок проектирования, при которых в одном направлении нагрузка завышена, а в другом занижена.
6.6.6. При организации обходных связей допустимы два варианта:
а) На ГТС жестко фиксированы маршруты прямых и обходных направлений. Сброс нагрузки на обходные направления производится в жестко зафиксированной последовательности обходных направлений при занятости всех СЛ прямого направления или соответствующего обходного направления.
б) Маршруты прямых и обходных направлений могут изменяться по командам с центра технической эксплуатации в зависимости от ситуации на ГТС в данный момент времени (нагрузки между АТС, аварии, переключения). Выбор обходных направлений и последовательность сброса нагрузки на обходные направления задается командами центра. Команды на управление ГТС генерируются ЭВМ или управление производит оператор.
Первый вариант допускает техническую реализацию на основе цифровых станций.
Второй вариант позволяет значительно более эффективно использовать ресурсы ГТС, но необходимы дополнительные работы по технической реализации управления прямыми и обходными направлениями на ГТС.
Проектирование обходных связей предусматривается после разработки ЛОНИИС методики расчета и уточнения ТУ на конкретные тины АТС.
Проектирование обходных связей должно учитывать стоимость точек коммутации и стоимость кан/км первичной сети.
6.6.7. Рекомендуется производить развитие отдельных ГТС на однотипных цифровых системах коммутации (без учета УПАТС). В одном регионе может использоваться не более 2-х типов зарубежных систем коммутации.
6.6.8. При внедрении на ГТС цифрового оборудования должен решаться вопрос создания центров технической эксплуатации (ЦТЭ) после разработки концепции, а также ОТТ и ТУ на конкретные типы оборудования ЦТЭ.
На существующий и переходный период телефонные сети сами решают проблемы ЦТЭ.
6.6.9. Принципы проектирования сетей на основе оборудования АТС С-32 будут определены отдельным документом.
6.6.10. Принципы построения сельских телефонных сетей.
6.6.10.1. На СТС следует преимущественно использовать, радиальное построение сет или прямое включение абонентов сельского района в ЦС путем использования абонентских выносов (мультиплексоров, концентраторов, ПС).
В отдельных случаях сохраняется радиально-узловое построение.
6.6.10.2. Создание цифровой сети на территории сельского района должно осуществляться следующими способами:
а) Бывшая ЦС переводится в ранг узловой АТС. Новая цифровая АТС используется в качестве ЦС. Все существующие аналоговые станции, а также цифровые, связанные с бывшей ЦС по аналоговым трактам остаются включенными в нее. Связь между цифровой ЦС и бывшей аналоговой ЦС (УС) осуществляется по вновь создаваемым каналам цифровых систем передачи. Все станции, соединенные с бывшей ЦС (УС) по стандартным трактам ИКМ, переключаются на новую ЦС с высвобождением полукомплектов ИКМ. Существующие УС переводятся в ранг ОС, с созданием на них сетевых узлов непосредственной связи ОС с УС (бывшей ЦС). В этом случае между цифровыми ОС и новой цифровой ЦС используется сигнализация ОКС № 7, при количестве используемых первичных групп ИКМ-30 больше одной.
б) При установке новой цифровой ЦС старая аналоговая ЦС демонтируется. Существующие УС и ОС должны быть переключены на новую ЦС. При этом возможны следующие варианты включения:
1) сохранение существующей аппаратуры систем передачи от УС и ОС, если новая ЦС реализует такие включения, если нет, то необходима установка соответствующих конверторов;
2) замена аналоговых систем передачи и аппаратуры с нестандартными цифровыми трактами на цифровую стандартную аппаратуру систем передачи со стандартными трактами.
Варианты включения выбираются в каждом конкретном случае, исходя из технико-экономических обоснований с учетом способа реализации конкретной сигнализации в данном направлении.
Допускается создание одной цифровой ЦС на несколько сельских районов.
Примечание 1 - Допускается, как временный вариант, совместная работа двух ЦС - аналоговой ЦС и цифровой ЦС.
в) Внедрение отдельных цифровых ОС и УС с сохранением аналоговой ЦС (аналоговая ЦС сохраняется, если она обеспечивает требования по затуханию, емкости и включению дополнительных направлений). При наличии на сети цифровой УС возможен переход ее в ранг центральной.
6.6.10.3. При полной замене аналогового оборудования всего района на цифровое оборудование в качестве СЛ должны использоваться только каналы цифровых систем передачи со стандартными трактами. Междугородная связь на участке ЦС-АМТС должна осуществляться через цифровую АМТС. В качестве сигнализации на этом участке должна использоваться сигнализация ОКС № 7, разработанная для национальной сети России.
На полной цифровой сети сохраняется полуавтоматическая связь, но при этом ручные коммутаторы МРУ должны быть заменены на электронное оборудование рабочих мест операторов АРМТ, входящих в состав ЦС, которая реализует при этом функцию МТС.
Допускается использование автоматизированных коммутаторов, включаемых в ЦС по цифровому тракту и поставляемых по отдельному заказу.
6.6.10.4. На КТС организуется транзитный узел исходящего и входящего сообщения сельско-пригородной связи (УСП). Через УСП осуществляется связь между станциями СТС, а также связь станций СТС со станциями ГТС и АМТС.
6.7. Сокращение протяженности линейных сооружений с металлическими жилами, либо полная их замена счетоводными линиями на участке абонентской сети является важным направлением развития телефонных сетей.
Кольцевая структура в наибольшей степени отвечает принципу поддержания эволюции систем электросвязи, а также позволяет строить абонентские сети повышенной протяженности (до 20 - 30 км), что наиболее важно при телефонизации районов с низкой плотностью абонентов - пригородных и сельских.
Вариант структуры такой сети приведен на рис. И.1 в Приложении И.
6.8. Для приема государственными организациями информации от населения в экстренных случаях, а также для предоставления населению определенных услуг (справки, информация, заказы) на ГТС, СТС и КТС должны быть организованы экстренные, справочно-информационные, заказные и телематические службы, службы доступа к федеральным сетям персонального радиовызова общего пользования.
6.8.1. На сетях могут применяться как централизованные, так и децентрализованные службы.
Доступ к централизованным службам от абонентов ГТС осуществляется, как правило, через специальный узел - узел спецслужб (УСС), а для абонентов СТС - через ЦС, выполняющей функцию УСС.
В зависимости от местных условий на ГТС возможны:
а) при определенных условиях, например, на нерайонированных сетях и сетях без узлообразования УСС не используется. Его функции при этом выполняет одна или несколько АТС;
б) организация на сети более одного УСС:
в) организация для части АТС выхода к УСС через узел исходящего сообщения нулевого пучка (УИС-О) с целью экономии количества соединительных линий между УСС и отдельной группой АТС, размещенных близко одна от другой и относительно далеко от УСС, а также для уменьшения затухания на участке АТС-УСС и возможности включения отдельных спецслужб непосредственно в УИС-О.
г) Организация справочно-информационных служб отдельных предприятий при назначении полного номера из нумерации абонентов местной сети.
6.8.2. Для некоторых автоинформационных служб (например, для службы времени) может использоваться система доступа, основанная на распределении информации, передаваемой службой, по всем АТС с помощью некоммутируемых соединительных линий. Подключение абонента к такой линии обеспечивается на той АТС, в которую включена абонентская линия.
Выбор того или иного варианта доступа к службам должен определяться технико-экономическими обоснованиями.
6.8.3. Для справочно-информационных, заказных и экстренных служб, связанных с цифровыми и аналоговыми АТС каналами цифровых систем передачи или через цифровой УСС (УССЭ) должно использоваться цифровое оборудование. Число УССЭ на ГТС определяется технико-экономическим расчетом.
Рекомендуется совмещать УССЭ с ТС, выполняющими функции УВСЭ, УИСЭ и УИВСЭ. Такое совмещение дает технико-экономический эффект, т.к. обычно ЧНН при местной связи и ЧНН при связи с экстренными и справочно-информационными службами не совпадают.
6.8.4. Оборудование УССЭ (УИСЭ-О) должно обеспечивать взаимодействие со следующими видами включаемых в них специальных служб:
- с экстренными (включая службы оказания помощи при чрезвычайных ситуациях), справочно-информационными и заказными, оснащенными цифровым оборудованием СРВ, подключаемым к УССЭ (УИСЭ-О) по цифровым СЛ с временным уплотнением в режиме ИКМ и использованием линейной сигнализации по 2ВСК;
- с телематическими службами, подключаемым к УССЭ (УИСЭ-О) по цифровым СЛ с временным уплотнением в режиме ИКМ и использованием линейной сигнализации по 2ВСК;
- с экстренными, справочно-информационными и заказными спецслужбами (СИЗС), оснащенными терминальными устройствами ЦСИС и подключаемыми к УССЭ (УИСЭ-О) по базовому доступу 2B + D с сигнализацией EDSSI;
- с автоинформационными службами (АИС), организуемыми на базе цифровых электронных автоинформаторов (ЦЭАИ), как входящих в состав оборудования УССЭ (УИСЭ-О), так и удаленных, подключаемых к УССЭ (УИСЭ-О) по цифровым СЛ с временным уплотнением в режиме ИКМ.
Примечание 1 - Структурная схема организации связи со спецслужбами с использованием оборудования УССЭ и УИСЭ-О приведена на рисунке 6.4.
Примечание 2 - Связь со спецслужбами может быть организована без использования оборудования УИСЭ-О, как показано пунктирной линией на рис. 6.4.
6.8.5. Вызов специальных служб AMТС, MНТС и служб других зон должен осуществляться по ЗСЛ.
6.9. В цифровой сети, обеспечивающей передачу и коммутацию сигналов в цифровой форме, необходимо организовывать сеть тактовой сетевой синхронизации - сеть ТСС.
ТСС местных сетей должна быть построена по принципу подчиненной иерархической синхронизации.
6.9.1. Принципы построения ТСС будут изложены в новой редакции РТМ.
6.10. Проектирование TMN должно осуществляться после разработки Минсвязи России концепции, ОТТ и сертификации оборудования.
6.11. Рекомендации по проектированию ЦСИС приведены в разделе 9.
6.12. Сети сотовой подвижной связи (СПС) являются частью взаимоувязанной сети связи (ВСС) РФ, ее дополнением и расширением.
Они бывают федерального и регионального уровня.
6.12.1. Федеральные сети сотовой подвижной святи должны включаться в ТфОП на местном и междугородном уровне. При этом технические решения базируются на выделении для сетей СПС собственных кодов «ABC» («901» - для NMT-450, «902» - для GSM, «900» и «903» для DCS).
Рисунок 6.4. - Структурная схема организации связи со спецслужбами с использованием оборудования УИСЭ-О и УССЭ
6.12.1.1. Комбинированный вариант включения Федеральных СПС на междугородном и местном уровне допускается, как временный вариант включения, если на сети недостаточное количество линий ГТС с АМТС (ЗCЛ, СЛМ), а также имеет место использование на сети ГТС таксофонов устаревшего образца, не имеющих выхода на междугородную сеть.
6.12.2. Региональные сети СПС должны включаться в сети ТфОП на местном уровне.
6.12.3. Взаимодействие сети СПС с ТфОП должно быть организовано по ОКС № 7.
6.13. Транкинговыми системами называются радиально-зоновые системы наземной подвижной радиосвязи, использующие автоматическое распределение каналов связи ретрансляторов между абонентами. В основном, применяются для корпоративных и ведомственных сетей и предназначены для служебной связи.
6.13.1. Транкинговые сети включаются в сеть общего пользования на местном уровне или по 2-х проводным абонентским линиям.
6.14. Сети персонального радиовызова ОП (ПРВ-ОП) (пейджниговая связь) - это совокупность технических и программных средств, с помощью которых осуществляется односторонняя передача в радиоканале в пределах зоны обслуживания, цифровых, буквенно-цифровых, звуковых сообщений ограниченного объема, поступающих от абонентов телефонных сетей общего пользования и сетей передачи данных.
6.14.1. Сети ПРВ-ОП подразделяются на федеральные сети ПРВ-ОП и региональные сети ПРВ-ОП в зависимости от их функциональных возможностей, от масштабов зон обслуживания.
6.14.1.1. В Российской Федерации предусматривается организация двух типов ПРВ-ОП федерального уровня:
- Е - сеть на основе стандарта ERMEC;
- F - сеть на основе стандарт FLEX.
6.14.1.2. ПРВ-ОП регионального уровня организуется с использованием стандартов:
- POCSAG;
- FLEX;
- путем доуплотнения радиовещательного УКВ ЧМ сигнала с использованием стандарта RDS.
Доступ к ПРВ-ОП осуществляется:
- через диспетчера службы;
- в автоматическом режиме.
6.14.1.3. Присоединение региональных сетей ПРВ-ОП к местным сетям ТфОП организуется по абонентским линиям АТС.
Присоединение фрагментов федеральных сетей ПРВ-ОП к местным сетям ТфОП при наличии выхода АМТС к УСС осуществляется через эти узлы.
При отсутствии УСС с трехзначной нумерацией или возможности установления автоматического соединения от АМТС к УСС присоединение фрагментов федеральной сети ПРВ-ОП к местным сетям ТфОП осуществляется с использованием серийных номеров соответствующей АТС местной сети с последующим переходом на присоединение через УСС.
Выходы к федеральным сетям ПРВ-ОП осуществляется с использованием трехзначного номера из плана нумерации специальных служб местных сетей.
6.15. Проектирование сигнализации.
6.15.1. При проектировании абонентской и линейной сигнализации на местных сетях рекомендуется использовать типы абонентских и соединительных линий и сигнальные коды в соответствии с таблицей 6.2. Конкретный тип сигнализации выбирается в зависимости от типа и технической возможности проектируемой АТС.
Таблица 6.2 - Типы абонентских и соединительных линий и сигнальные коды.
|
Сигнальные системы и коды |
Таблицы РД по ТфОП |
Примечания |
|
||||||
|
Для ГТС |
Для СТС |
|
|||||||
|
СЛ, ЗСЛ |
СЛМ |
СЛ, ЗСЛ |
СЛМ |
|
|||||
|
1. Цифровой тракт 2048 кбит/с |
1.1. ОКС № 7 |
В соответствии с национальной спецификацией |
При связи между АТСЭ |
|
|||||
|
1.2 EDSSI PRA |
На уровне абонентской установки, том числе УПАТС |
|
|||||||
|
2. 2-проводные линии цифрового тракта со скоростью 160 кбит/с |
EDSSI BRA; аналоговые абонентские линии |
На участке абонентского доступа. Допускается применение при связи с малыми УПАТС и др. |
|
||||||
|
3 Цифровой тракт 2048 кбит/с |
Сигнализация по стыку V.5.1 V.5.2 |
При связи абонентских концентраторов (подстанций), мультиплексоров с ОПС |
|
||||||
|
4 Цифровой тракт а) 2048 кбит/с (для ГТС и СТС) |
Сигнализация по двум выделенным сигнальным каналам одностороннего использования при разделении местных и междугородных пучков |
РД.7.18 |
РД.7.19 |
РД.7.18 |
РД.7.19 |
При связи АТСЭ с аналоговыми АТС и АТСЭ между собой (на переходный период), в том числе при связи с СРВ (ИКМ тракт 2048 кбит/с) |
|||
|
б) 1024 кбит/с (для СТС)*) |
Сигнализация по двум сигнальным каналам универсальных СЛ |
- |
- |
РД.7.20 |
При связи между ЦС и ОС (УС), УС и ОС |
|
|||
|
5. Двухпроводные физические линии**) |
По двухпроводным СЛ |
РД.7.21 |
РД.7.21 |
При непосредственной связи ЦС АТСЭ и городских АТСЭ малой емкости со специальной службой |
|
||||
|
6. Цифровые тракты 2048 кбит/с, 1024 кбит/с*) |
6.1. Код передачи сигналов между двумя электронными АТС по двум выделенным каналам при реализации функций абонентского удлинителя |
По ТУ на АТС |
Используется в случае реализации на АТСЭ-Б цифрового абонентского комплекта для подключения прямого абонента (рисунок 6.5) |
|
|||||
|
6.2. Код передачи сигналов между АТСЭ и существующими устройствами абонентского (КПА-А) и станционного (КПА-С) окончаний абонентского удлинителя по одному выделенному сигнальному каналу при реализации функций абонентского удлинителя |
По ТУ на АТС |
Используется в случае реализации на АТСЭ абонентского (КПА-А) и станционного (КПА-С)окончаний для подключений прямого абонента в соответствии с рисунком 6.6. |
|
||||||
|
7. Каналы систем передачи с ЧРК без выделенного сигнального канала |
7.1. Одночастотный ЗСЛ на частоте 2600 ГЦ |
РД.7.9 |
- |
РД.7.9 |
- |
Для связи ЦС с АМТС |
|
||
|
7.2. Одночастотный по СЛМ на частоте 2600 ГЦ |
- |
РД.7.10 |
- |
РД.7.10 |
|
||||
|
7.3. Одночастотный по междугородной сети на частоте 2600 ГЦ |
- |
РД.7.7 |
- |
РД.7.7 |
Подключается через ЦС АТСЭ к АРМТ в соответствии с п. 6.6.10.3 |
|
|||
|
8. ЧРК, ИКМ-1024, 2048 кбит/с |
Импульсный универсальный код («индуктивный») по одному выделенному сигнальному каналу |
- |
По ТУ на АТС |
На переходный период только для связи с существующими АТС, на которых невозможна реализация связи по РД.7.20 |
|
||||
|
9. Трехпроводные физические СЛ |
3-проводный для связи с междугородными ручными коммутаторами |
- |
По ТУ на АТС |
В отсутствие АРМТ для связи с МРУ |
|
||||
|
*) Применение трактов 1024 кбит/с допускается на переходный период Обозначение РДХХ - является ссылкой на номер таблицы (XX) Руководящего документа «Система автоматизированной телефонной связи» (ОП СТфС) **) На переходный период для АТСЭ, в которых не реализована сигнализация по РД.7.21, допускается включение спецслужб в АК по аналоговым абонентским линиям с использованием абонентской сигнализации в соответствии с ТУ на данную АТСЭ. |
|
||||||||
|
|||||||||
Рисунок 6.5. Реализация на АТСЭ-К цифрового абонентского комплекта для подключения прямого абонента
Рисунок 6.6. Реализации на АТСЭ абонентского (КПА-А) и станционного (КПА-С) окончаний для подключений прямого абонента
Примечания
1. АК(Ц) - условное обозначение оборудования для включения прямого абонента в номерную емкость АТСЭ-Б
2. КПА-С(Ц) - условное обозначение оборудования для включения прямого абонента по 2-х проводной линии в коммутаторную установку (без использования номерной емкости)
3. АЦП - аналого-цифровой преобразователь
4. КПА-А - комплект прямого абонента, абонентское окончание
5. КПА-С - комплект прямого абонента, станционное окончание
6. КУ - коммутаторная установка
7. ЛК - абонентский комплект
6.15.2. Рекомендации по использованию на местных сетях сигналов управления (приведены в таблице 6.3)
Таблица 6.3 - Использование на местных сетях сигналов управления
|
Таблицы РД по ОГСТфС |
Примечание |
|||||||
|
Для ГТС |
для СТС |
|||||||
|
СЛ |
ЗСЛ |
СЛМ |
СЛ |
ЗСЛ |
СЛМ |
|||
|
1. ОКС № 7 |
При связи между АТСЭ |
|||||||
|
2. EDSSI |
В соответствии с национальной спецификацией |
На уровне абонентского доступа |
||||||
|
а) BRA |
Допускается применение при связи ОПС с малыми УАТС и специальных служб с УСС |
|||||||
|
б) PRA |
На уровне абонентской установки, в том числе УНАТС |
|||||||
|
3. V.5.1 V.5.2 |
При связи абонентских концентраторов, мультиплексоров (подстанций) с ОПС |
|||||||
|
4. АОН (безынтервальный пакет) |
РД.7.28, 7.34, 7.4.1.4, 7.4.2.11в |
- |
РД.7.28, 7.34 и п. 7.4.1.4, 7.4.2.11в |
- |
Информация KaNa используется на абонентских и соединительных линиях |
|||
|
5. Импульсный челнок |
РД.7.26, 7.27, 7.28, 7.34 и п. 7.4.2.11а |
- |
РД.7.26, 7.27, 7.28, 7.34 |
РД.7.26, 7.27, 7.28, 7.34, п. 7.4.2.11а |
- |
РД.7.26, 7.27, 7.28, 7.34, п. 7.4.2.11а |
Информация о N6 и категория вызова (приоритет) или тип вызова (автоматическое или полуавтоматическое соединение) и обратные сигналы управления |
|
|
6. Импульсный пакет: а) с одним запросом |
- |
РД.7.25, 7.28, 7.34 |
- |
- |
РД.7.25, 7.28, 7.34, п. 7.4.2.10 |
- |
Информация о Nа, Ка, N6 используется при связи с AMТC |
|
|
б) с несколькими запросами |
- |
РД.7.25, 7.34 и п. 7.4.2.12 |
- |
- |
РД.7.25, 7.34 и п. 7.4.2.12 |
- |
На переходный период только при связи с АМТС-3 |
|
|
7. Декадный код |
РД таблицы кодов линейной сигнализации п. 7.4.2.4.2, 7.4.2.13.2, 7.4.2.14 |
Информация о N6 выдается по цепям и трактам линейной сигнализации. Разрешен к использованию на переходный период |
||||||
|
Примечание - Обозначение РД.ХХ является ссылкой на номер таблицы (XX) в РД по ОГСТфС. |
||||||||
6.16. На ОПС, ОПТС следует предусмотреть наличие первичных цифровых трактов для выполнения мероприятий СОРМ. Количество трактов 2048 кбит/с определяется только для ОПС, ОПТС в зависимости от емкости (см. таблицу 6.4):
Таблица 6.4 - Первичные цифровые тракты для выполнения мероприятий СОРМ
|
Кол-во трактов ИКМ, не более |
|
|
10000 |
2 |
|
20000 |
4 |
|
40000 |
8 |
|
60000 и более |
8 |
7.1. Нормы и требования к параметрам ГТС и СТС.
7.1.1. Расчет числа станционных приборов, промпутей и соединительных линий (каналов) на участках местных и внутризоновых телефонных сетей должен производиться по действующим для каждого типа оборудования «Инструкции по расчету» с учетом максимально допустимых потерь и величин телефонных нагрузок, определенных в данном разделе.
7.1.2. На рисунках 7.1, 7.2 (см. Приложение А) представлены максимально допустимые суммарные и по участкам потери вызова от абонента до абонента по сети ГТС и СТС из-за внутренних блокировок, занятости каналов и приборов коммутационных систем сети.
7.1.3. Максимально допустимые суммарные потери вызовов от абонента до абонента для вновь проектируемых связей из-за внутренних блокировок, занятости каналов и приборов коммутационных систем сети должны соответствовать нормам, представленным и таблице 7.1.
Таблица 7.1 - Максимально допустимые суммарные потери вызовов
|
Суммарные потери вызовов от абонента до абонента ‰ |
|
|
На ГТС 1. При местной связи |
20 |
|
2. При местной связи с УПАТС, с пригородной зоной |
25 |
|
3. При внутризоновой связи |
40/80* |
|
4. Для абонентов (в том числе и абонентов СПС): |
|
|
а) от абонента ОПС до УСС; |
1 |
|
б) от УСС до экстренной службы; |
1 |
|
в) от УСС до справочно-информационных и заказных служб (муниципальных и других операторов); |
должны быть не более 30 |
|
г) от абонента до службы АМТС по ЗCЛ; |
20 |
|
д) от УСС до служб доступа к федеральным сетям персонального радиовызова общего пользования (ПРВОП) |
но согласованию с оператором |
|
На СТС |
|
|
5. При местной связи |
30/70* |
|
6. При внутризоновой связи |
40/80* |
|
7. Дня абонентов (в том числе и абонентов СПС): |
|
|
а) от абонента ОС до ЦС (УСС); |
10 |
|
б) от ЦС (УСС) до экстренных спецслужб |
1 |
|
в) от ЦС (УСС) до справочно-информационных и заказных служб (муниципальных и других операторов); |
должны быть не более 30 |
|
г) от ЦС до службы АМТС по ЗСЛ; |
10 |
|
д) от ЦС (УСС) до служб доступа к федеральным сетям персонального радиовызова общего пользования (ПРВОП) |
по согласованию с оператором |
|
* - При взаимодействии проектируемой и существующей сетей. Примечание: для расчета CЛ, использующих ОКС №7, пользоваться данной таблицей. |
|
7.1.4. Число коммутационных систем, как правило, не должно превышать:
- шести на местной сети ГТС, включая УПАТС и
- семи на СТС.
7.1.5. Норма потерь должна выполняться независимо от организации связи с обходами или без них.
7.1.6. Нормы, используемые при расчете интенсивностей нагрузок на цифровой АТС ГТС.
7.1.6.1. Расчет интенсивности нагрузки, исходящей (возникающей) от абонента ГТС, а также распределение интенсивности нагрузки по направлениям должны основываться на статистических данных учета телефонного сообщения на действующих АТС, измеренных и оцененных по методике, утвержденной Минсвязи России.
В исключительных случаях, согласованных с заказчиком, при отсутствии статических данных на сетях малой и средней емкости, допускается производить расчет интенсивности нагрузок, возникающих от абонентов, на основании показателей, приведенных в таблице 7.2, а распределение интенсивности входящей и исходящей нагрузки - по таблице 7.3.
7.1.6.2. Факсимильные аппараты группы два и три включаются в АТС по аналоговым двухпроводным АЛ. В нагрузке, указанной в таблице 7.2, учтена нагрузка, создаваемая передачей изображения и нагрузка, создаваемая телефонными соединениями и разговорами. Факсимильные аппараты группы четыре включаются по цифровым АЛ, нагрузка от этих аппаратов включена в нагрузку от абонента ЦСИС.
7.1.6.3. В нагрузке оконечных установок передачи данных, подключаемых к аналоговым двухпроводным АЛ, указанной в таблице 7.2, учтена нагрузка, создаваемая передачей данных, а также нагрузка, создаваемая телефонными соединениями и разговорами.
Средняя суммарная нагрузка на аналоговую абонентскую линию транкинговой системы, подключаемой по абонентскому доступу составляет 0,1 Эрл.
Средняя суммарная нагрузка на абонентскую аналоговую линию или линию ЦСИС, или радиоканал персонального радиовызова (ПРВ) составляет 0,3 Эрл.
Средняя суммарная нагрузка на абонентскую аналоговую линию, используемую для включения радио/доступа, составляет не более 0,1 Эрл.
7.1.6.5. В таблице 7.2 приводится средняя исходящая нагрузка для абонентов, включенных по аналоговым абонентским линиям и доступу 2B + D и 30B + D, для пользователей ЦСИС.
Таблица 7.2 - Средняя исходящая нагрузка для абонентов
|
Тип АЛ |
Среднее количество вызовов в ЧИН на 1 АЛ (С) |
Средняя продолжительность занятия (1), с |
Средняя интенсивность исходящей нагрузки на 1 АЛ в ЧИН, (у), Эрл |
Время, используемое для расчета нагрузки |
||||
|
5-значн. нумерация |
6-значн. нумерация |
5-значн. нумерация |
6-значн. нумерация |
5-значн. нумерация |
6-значн. нумерация |
|
||
|
1. Индивидуального пользования (кварт.) |
0,65 0,9 |
0,8 1,1 |
99,6 100 |
99 98 |
0,018 0,025 |
0,022 0,030 |
утрен. ЧНН вечерн. ЧНН |
|
|
2. Народнохозяйственного сектора |
|
|||||||
|
а) «делового» |
3,5 |
4,0 |
56,6 |
63 |
0,055 |
0,070 |
утрен. ЧНН вечерн. время* или |
|
|
б) «спального» района города |
1,1 |
1,2 |
82,0 |
90 |
0,025 |
0,030 |
вечерн. ЧНН утрен. время* |
|
|
3. Таксофон местной связи |
7,5 8,0 |
9,5 10,5 |
144 90 |
76 93 |
0,15 0,2 |
0,2 0,27 |
дневн. ЧНН вечерн. ЧНН |
|
|
4. Таксофон междугородный (исходящей связи) |
- |
- |
0,65 |
0,65 |
вечерн. ЧНН утрен. время* |
|
||
|
5. Районный переговорный пункт с серийным исканием |
- |
- |
0,6 |
0,6 |
вечерн. ЧНН утрен. время |
|
||
|
6. Линии от малых УАТС, подключаемых к станции на правах абонента |
- |
- |
0,075 |
0,075 |
утрен. ЧНН вечерн. время |
|
||
|
7. Устройство передачи данных (соединение по телефонному алгоритму) |
- |
- |
0,075 |
0,075 |
|
|||
|
8. Факс гр. 2, 3 (соединение по телеф. алгор.) |
- - |
- - |
0,15 |
0,15 |
утрен. ЧНН вечерн. время |
|
||
|
9. Абонент ЦСИС, УПАТС, ЦСИС, ОПТС а) нагрузка на доступ (2В + D) |
0,25 |
0,25 |
утрен. ЧНН вечерн. время |
|
||||
|
б) нагрузка на доступ (30H + D) |
12 |
12 |
|
|||||
|
Примечания 1. В таблице не учтена нагрузка от абонента, направленная по ЗСЛ (см. п. 7.1.9) и к УСС 2. Пользоваться параметрами С, 1, у частично по эксплуатационным данным, а частично по таблице не допускается 3. В таблице не учтена нагрузка, указанная в п. 7.1.6.4. *) Средняя интенсивность исходящей нагрузки для утреннего и вечернего времени рассчитывается по формулам 7.2 и 7.3. |
|
|||||||
7.1.6.6. Расчет возникающей нагрузки производится отдельно для утреннего и вечернего ЧНН и выбирается из них максимальное знамение, которое принимается за расчетную нагрузку.
Расчет утреннего ЧНН:
Уутр = Уiутр ЧНН + Уутр время, где (7.1)
Уiутр ЧНН суммарная нагрузка для всех категорий i абонентов, имеющих максимальный ЧНН - утренний; Уiутр ЧНН = Ni·уi, где N - количество абонентов конкретной категории i; уi - интенсивность нагрузки абонента категории i по таблице 7.2.
Таблица 7.3 - Нормы, используемые при расчете интенсивности исходящей и входящей нагрузки по различным направлениям связи и пучкам каналов на ГТС
|
Интенсивность исходящей абонентской нагрузки АТС в процентах от общей интенсивности возникающей абонентской нагрузки сети |
Процент интенсивности внутристанционной нагрузки от интенсивности возникающей нагрузки АТС |
Интенсивность исходящей абонентской нагрузки АТС в процентах от общей интенсивности возникающей абонентской нагрузки |
Процент интенсивности внутристанционной нагрузки от интенсивности возникающей нагрузки АТС |
|
0,5 |
16,0 |
11,0 |
28,3 |
|
1,0 |
18,0 |
12,0 |
30,0 |
|
1,5 |
18,7 |
13,0 |
31,5 |
|
2,0 |
19,0 |
14,0 |
32,9 |
|
2,5 |
19,2 |
15,0 |
33,3 |
|
3,0 |
19,4 |
20,0 |
38,5 |
|
3,5 |
19,7 |
25,0 |
42,4 |
|
4,0 |
20,0 |
30,0 |
46,0 |
|
4,5 |
20,2 |
35,0 |
50,4 |
|
5,0 |
20,4 |
40,0 |
54,5 |
|
5,5 |
20,7 |
45,0 |
58,2 |
|
6,0 |
21,0 |
50,0 |
61,8 |
|
6,5 |
21,7 |
55,0 |
66,6 |
|
7,0 |
22,6 |
60,0 |
69,4 |
|
7,5 |
23,5 |
65,0 |
72,8 |
|
8,0 |
24,2 |
70,0 |
76,4 |
|
8,5 |
25,1 |
75,0 |
80,4 |
|
9,0 |
25,8 |
80,0 |
81,3 |
|
9,5 |
26,4 |
85,0 |
88,1 |
|
10,1 |
27,4 |
90,0 |
92,2 |
|
10,5 |
27,6 |
100,0 |
100,0 |
Уj утр время - добавочная суммарная нагрузка, создаваемая во время утреннего ЧНН абонентами тех категорий j, которые имеют ЧНН не утренний, а вечерний
Уj веч. ЧНН - суммарная нагрузка (Nj·уj,) для категорий j абонентов, имеющих максимальный ЧНН вечерний; Уj веч. ЧНН = Nj·уj, где N - количество абонентов конкретной категории j, yj - интенсивность нагрузки абонента категории j по таблице 7.2.
К - коэффициент концентрации нагрузки;
Т - период суточной нагрузки 24 часа, но с учетом того, что в ночное время нагрузка значительно меньше дневной, можно брать период нагрузки равный 16 часам.
При отсутствии статистических данных по величине К принимается среднее значение К = 0,1, при этом:
Аналогичным образом подсчитывается нагрузка в ЧНН вечерний:
Увеч = Уj веч. ЧНН + Увеч. время (7.4)
Если конкретные абонентские категории имеют определенные ЧНН вечерние и утренние, то их нагрузка входит как основная (а не добавочная) нагрузка Увеч. ЧНН и Уутр. ЧНН соответственно.
Если отдельные абонентские категории не имеют ярко выраженный ЧНН, то эта нагрузка условно входит как в Уутр. ЧНН, так и в Увеч. ЧНН.
Нагрузку, создаваемую таксофонами в дневной ЧНН можно условно отнести к максимальному ЧНН (утреннему или вечернему).
7.1.7. Нормы, используемые при расчете интенсивности исходящей и входящей нагрузки по различным направлениям связи и пучкам каналов на ГТС определяются в соответствии с таблицей 7.3.
7.1.7.1. При организации на ГТС различного вида и назначения спецслужб интенсивность нагрузки к ним следует принимать по согласованию с операторами связи, предоставляющими услуги телефонной связи в соответствии с «Правилами оказания услуг телефонной связи», утвержденными постановлением Правительства РФ от 26.09.1997 г. № 1235.
На сетях средней и малой емкости при отсутствии статистических данных от операторов интенсивность нагрузки к УСС следует принимать 2 % от общей абонентской нагрузки.
7.1.7.2. Интенсивность исходящих нагрузок от каждой АТС распределяется пропорционально интенсивностям исходящих нагрузок других АТС сети.
Величины нагрузок должны быть уточнены в зависимости от конкретных условий: удаленности и обособленности района, организационного подчинения и взаимоотношений административных и общественных организаций, находящихся на территории обслуживания, структурного состава абонентов и т.п.
7.1.7.3. При проектировании цифровой АТС следует учитывать включение телефонных аппаратов с многочастотным набором номера, количество которых определяется оператором сети путем прогнозирования и наблюдения за динамикой спроса на эту услугу связи.
7.1.7.4. При расчете количества АОН-передатчиков цифровой АТС следует учитывать нагрузку, создаваемую исходящей связью к АМТС, работающей по сигнализации «безынтервальный пакет», а также нагрузку на АОН-передатчики при установлении местного исходящего соединения при функционировании у вызываемого абонента ДВО «Определение категории и номера вызываемого абонента». Данная величина может меняться в зависимости от местных условий. Интенсивность нагрузки на АОН-передатчики должна определяться по данным операторов сетей с учетом протезирования роста спроса на данную услугу.
7.1.8. Нормы, используемые при расчете интенсивности нагрузки станции СТС.
7.1.8.1. Расчет интенсивности нагрузки абонентов СТС должен осуществляться по статистическим данным удельных телефонных нагрузок на одного абонента в ЧНН:
- административно-управленческого сектора Увн1, Уисх1, Увх1;
- народнохозяйственного сектора Увн2, Уисх2, Увх2;
- квартирного сектора Увн3, Уисх3, Увх3;
- таксофона АТС Увн4, Уисх4.
При отсутствии статистических данных следует пользоваться данными таблицы 7.4.
При этом рекомендуется увеличивать исходящие и входящие внешние удельные нагрузки относительно приведенных в таблице 7.4 значений на следующие величины:
- на 5 ÷ 10 % для абонентов ОС и УС, расположенных в непосредственной близости от областных центров и других крупных городов и включаемых в УСП этих городов, а также, если суммарная емкость СТС (включая ЦС) превышает 4000 номеров;
- на 10 ÷ 12 % для абонентов, имеющих возможность связи с АМТС, а также в случае, если выход на АМТС предполагается в ближайшие годы.
Общее увеличение нагрузок не должно превышать 20 %. При отсутствии статистических данных по таксофонам используются данные, приведенные для административно-управленческого сектора. Данные по нагрузкам на устройства передачи данных, факсы, АЛ ЦСИС и линии систем абонентского доступа см. в таблице 7.2.
Таблица 7.4 - Удельные нагрузки для абонентов СТС различных секторов
|
Удельная нагрузка для абонентов сектора в Эрл |
|||||||||
|
административного |
народнохозяйственного |
квартирного |
|||||||
|
Уисх.а. |
Увх.а. |
Увн.а. |
Уисх.нх |
Увх.нх. |
Увн.нх |
Уисх.к. |
Увх.к. |
Увн.к. |
|
|
50 |
0,044 |
0,027 |
0,038 |
0,013 |
0,008 |
0,011 |
0,0040 |
0,0025 |
0,005 |
|
100 |
0,042 |
0,030 |
0,043 |
0,012 |
0,009 |
0,013 |
0,0035 |
0,0025 |
0,006 |
|
150 |
0,041 |
0,032 |
0,046 |
0,012 |
0,009 |
0,014 |
0,0035 |
0,0030 |
0,007 |
|
200 |
0,040 |
0,033 |
0,049 |
0,012 |
0,010 |
0,016 |
0,0035 |
0,0030 |
0,008 |
|
300 |
0,039 |
0,036 |
0,053 |
0,012 |
0,010 |
0,018 |
0,0035 |
0,0035 |
0,009 |
|
400 |
0,038 |
0,038 |
0,056 |
0,012 |
0,011 |
0,020 |
0,0035 |
0,0035 |
0,010 |
|
500 |
0,037 |
0,040 |
0,059 |
0,012 |
0,011 |
0,022 |
0,0035 |
0,0040 |
0,011 |
|
600 |
0,036 |
0,041 |
0,062 |
0,012 |
0,012 |
0,023 |
0,0035 |
0,0040 |
0,012 |
|
700 |
0,036 |
0,043 |
0,064 |
0,012 |
0,012 |
0,024 |
0,0035 |
0,0045 |
0,012 |
|
800 |
0,035 |
0,044 |
0,066 |
0,012 |
0,012 |
0,025 |
0,0035 |
0,0045 |
0,013 |
|
900 |
0,035 |
0,045 |
0,067 |
0,012 |
0,013 |
0,026 |
0,0035 |
0,0045 |
0,013 |
|
1000 |
0,034 |
0,046 |
0,069 |
0,012 |
0,013 |
0,026 |
0,0035 |
0,0045 |
0,013 |
|
1500 |
0,034 |
0,047 |
0,070 |
0,012 |
0,013 |
0,027 |
0,0035 |
0,0050 |
0,013 |
|
2000 |
0,033 |
0,047 |
0,071 |
0,012 |
0,013 |
0,027 |
0,0035 |
0,0050 |
0,013 |
|
2000 и более |
0,033 |
0,047 |
0,072 |
0,012 |
0,014 |
0,028 |
0,0035 |
0,050 |
0,014 |
7.1.8.2. Количество межстанционных соединительных линий на СТС необходимо рассчитывать исходя из нагрузки, создаваемой внешними соединениями.
Соединительные линии емкостью (в пучке) меньше 35 на СТС должны быть двухстороннего действия, при использовании сигнализации ОКС № 7, - только универсального двухстороннего действия.
7.1.9. Проектные нормы на нагрузку по пучкам ЗСЛ и СЛМ ГТС.
7.1.9.1. Нагрузка на ЗСЛ и СЛМ определяется на основании статистических данных. При отсутствии данных нагрузка на ЗСЛ и СЛМ принимается в соответствии с таблицей 7.5.
Таблица 7.5 - Нагрузка на ЗСЛ и СЛМ
|
Численность населения городов |
Средняя нагрузка от одного абонента по исходящим (ЗСЛ) междугородным и входящим (СЛМ) междугородным линиям, Эрл |
|
|
до 2005 г. |
||
|
ЗСЛ |
СЛМ |
|
|
до 20 тыс. человек |
0,0025 |
0,0020 |
|
от 20 до 100 тыс. человек |
0,0025 |
0,0020 |
|
от 100 до 500 тыс. человек |
0,0020 |
0,0015 |
|
от 500 до 1 млн. человек |
0,0015 |
0,0010 |
|
Примечания 1. Среднее время занятия ЗСЛ - 150 с 2. Среднее время занятия CЛM - 126 с |
||
7.1.9.2. Распределение нагрузки по пучкам ЗСЛ и СЛМ ГТС осуществляется с учетом несовпадения ЧНН различных пучков ЗСЛ и СЛМ.
7.1.10. Нумерация, используемая при вызове специальных служб местных телефонных сетей
7.1.10.1. Нумерация специальных служб подразделяется на нумерацию:
а) экстренных служб;
б) междугородной и международной информационно-справочных служб;
в) служб доступа к федеральным сетям персонального радиовызова общего пользования (ПРВОП);
г) служб справочно-информационных и заказных (муниципальных и других операторов).
Примечание - В связи с переходом на нумерацию стран 7-ой зоны всемирной нумерации при проектировании нумерации сети цифру «1» не использовать в качестве 1-го знака номерной емкости.
7.1.10.2. Для функционирования информационно-справочных служб отдельных организаций могут назначаться номера из ресурса нумерации абонентов местной сети.
7.1.10.3. Нумерация при подключении абонентов сети ТФОП к службам АМТС, МЦК и МНТС.
7.1.10.3.1. Вызов заказно-справочных служб АМТС, МЦК и МНТС должен осуществляться набором трехзначных номеров.
7.1.10.3.2. Вызов междугородных служб АМТС должен осуществляться набором:
Пн - 18 Х,
где Пн - национальный (межзоновый) префикс;
- зуммер ответа станции;
Х = 1 ÷ 5 - при выходе к соответствующим междугородным заказно-справочным службам;
Х = 8 - при выходе к информационно-справочной службе.
Назначение номеров осуществляется основным оператором связи, организующим междугородные службы.
7.1.10.3.3. Вызов международных служб АМТС, МЦК, МНТС должен осуществляться набором:
Пн - 19 X,
где Х = 1 ÷ 5 - при выходе к соответствующим международным заказно-справочным службам;
Х = 1 - французский язык;
Х = 2 - английский язык;
Х = 3 - немецкий язык;
Х = 4 - русский язык;
Х = 5 - испанский язык.
Х = 8, Х = 0 - при выходе к информационно-справочной службе.
7.1.10.3.4. Абоненты федеральных СПС-ОП стандартов NMT-450 и GSM для выхода на службы АМТС, МЦК, экстренные службы ГТС должны набирать соответственно номера: 181 - 185, 19X, 0Х.
7.1.10.3.5. Нумерация при вызове спецслужб местных телефонных сетей приведена в Основных положениях, РД 45.048-99 «Организация экстренных, справочно-информационных и заказных служб на ГТС».
7.1.10.4. Нумерация при вызове специальных служб местных сетей абонентами других зон нумерации, и также абонентами других местных сетей данной зоны нумерации.
7.1.10.4.1. Вызов специальных служб при действующей системе нумерации.
7.1.10.4.1.1. Вызов специальных служб местной сети центра субъекта Российской Федерации абонентами других зон нумерации должен осуществляться набором:
- при двузначной нумерации специальных служб - Пн - АВС 990Х111;
- при трехзначной нумерации специальных служб - Пн - АВС 990ХХ11,
где: ABC - код географической зоны нумерации;
99 - определяет выход к специальным службам местной сети;
0Х, 0ХХ - действующие номера специальных служб;
11(1) - дополнительные знаки для выравнивания значности междугородного (зонового) номера.
7.1.10.4.1.2. Вызов специальных служб местной сети центра субъекта Российской Федерации абонентами других местных сетей данной зоны нумерации должен осуществляться набором:
- при двузначной нумерации специальных служб - Пн - 2 990X111;
- при трехзначной нумерации специальных служб - Пн - 2 990ХХ11.
7.1.10.4.1.3. Вызов специальных служб местной сети райцентра абонентами других зон нумерации должен осуществляться набором:
- при двузначной нумерации специальных служб - Пн - АВС ab 0Х111;
- при трехзначной нумерации специальных служб - Пн - АВС ab 0ХХ11,
где: ab - определяет выход к местной сети райцентра.
7.1.10.4.1.4. Вызов специальных служб местной сети райцентра абонентами других местных сетей данной зоны нумерации должен осуществляться набором:
- при двузначной нумерации специальных служб - Пн - 2 ab 0X111;
- при трехзначной нумерации специальных служб - Пн - 2 ab 0ХХ11.
Примечание - При вызове специальных служб абонентами цифровых АТС допускается набор сокращенного номера без дополняющих знаков 11, 111.
7.1.10.4.2. Вызов специальных служб при перспективной нумерации.
7.1.10.4.2.1. Вызов специальных служб местной сети географического пункта данной зоны нумерации абонентами других зон нумерации должен осуществляться набором:
Пн - АВС 13 1UVX6X7,
где: ABC- код географической зоны нумерации, в которой находится местная сеть географического пункта;
13 - определяет выход к специальным службам;
1UV - перспективный номер специальной службы;
X6X7 - определяют соответствующий узел специальных служб, который оказывает услуги в географическом пункте.
7.1.10.4.2.2. Вызов специальных служб местной сети географического пункта абонентами других местных сетей данной зоны нумерации должен осуществляться набором:
13 1UVX6X7.
7.1.11. Нормы по расчету количества линий к спецслужбам.
7.1.11.1. Количество линий к спецслужбам для телефонных сетей емкостью до 10000 номеров следует принимать по таблице 7.6. При организации спецслужб, не указанных в таблице 7.6. количество линий к ним определяется по согласованию с заказчиком.
Таблица 7.6 - Количество линий к спецслужбам для телефонных сетей емкостью до 10000 номеров
|
Нумерация |
Количество линий к спецслужбам на телефонной сети емкостью номеров: |
||||
|
до 3000 |
от 3000 до 6000 |
от 6000 до 8000 |
от 8000 до 10000 |
||
|
1. Пожарная помощь |
01 |
2 |
3 |
3 |
3 |
|
2. Милиция |
02 |
2 |
3 |
3 |
3 |
|
3. Скорая медицинская помощь |
03 |
3 |
3 |
3 |
3 |
|
4. Аварийная служба газовой сети |
04 |
2 |
3 |
3 |
3 |
|
5. Справочная служба об услугах междугородной связи |
07 |
рассчитывается по номограммам Гипросвязи |
|||
|
6. Централизованная служба ремонта телефонов ГТС |
08 |
2 |
3 |
3 |
3 |
|
7. Справочная служба о номерах телефонов абонентов ГТС |
09 |
2 |
2 |
3 |
5 |
7.1.11.2. Количество линий к спецслужбам для телефонных сетей емкостью свыше 10000 номеров определяется расчетом исходя из интенсивности нагрузок на линиях спецслужб. Для этого от заказчика необходимо получить следующие данные:
- среднее число вызовов и среднее время занятия в ЧНН службы от УСС по направлению к каждой из существующих служб;
- ожидаемое среднее число вызовов и среднее время занятия в ЧНН службы по направлению от УСС к каждой из открываемых служб.
7.1.11.3. Иногородним абонентам с помощью автоматической внутризоновой и междугородной телефонной связи необходимо обеспечить вызов спецслужб, осуществляющих выдачу информации:
- о номерах телефонов и адресах жителей;
- о номерах телефонов, адресах и режимах работы различных организаций, предприятий и учреждений;
- об обслуживании туристов;
- о бытовом обслуживании;
- репертуар зрелищных предприятий;
- о поступлении новых товаров;
- о расписании движения различных видов транспорта и т.д.
7.1.11.4. Ведомственные службы, характеризующиеся ограниченным или местным использованием (справочные бюро больниц, поликлиник, отдельных предприятий, заказные службы отдельных контор и магазинов и т.п.) должны иметь полные абонентские номера.
Полные номера временно могут иметь службы, для которых в будущем будет выделен сокращенный номер. Такое решение допускается для служб с ограниченными ресурсами, которые в определенные периоды времени функционируют в условиях резкого повышения спроса на ее услуги.
Службы, вызываемые по полной нумерации, в зависимости от величины поступающей на нее нагрузки, включаются:
- на правах абонентских устройств;
- на правах нескольких линий с серийным исканием, либо в УВТС или в УВС вместо сотенной, тысячной или десятитысячной группы.
7.1.12. Нормы по организации связи с УПАТС.
7.1.12.1. При организации связи с УПАТС необходимо учитывать следующее:
Количество линий между ведомственной сетью и сетью ОП определяется по таблицам полнодоступного включения в соответствии с трафиком и нормируемыми потерями.
При отсутствии статистических данных допускается:
- количество линий для малых УАТС определять по формуле
Naл = 4 + (N - 16) / 8, (7.5)
где: N - количество абонентов с правом выхода на ГТС.
- Для УПАТС емкостью до 2000 номеров количество соединительных линий определятся по таблице 7.7.
Таблица 7.7 Количество соединительных линий для УПАТС емкостью до 2000 номеров
|
Количество абонентов с правом выхода на сеть общего пользования |
Количество соединительных линий для УПАТС (УПАТС Э) |
|||||
|
Промышленных предприятий и учреждений |
Административно-хозяйственных, проектных и научных организаций, гостиниц |
|||||
|
исходящие |
входящие |
исходящие |
входящие |
|||
|
при наличии автоматической междугор. связи |
местной связи |
междугородной связи |
при наличии автоматической междугор. связи |
местной связи |
междугородной связи |
|
|
100 |
6 |
5 |
3 |
7 |
7 |
3 |
|
200 |
9 |
9 |
4 |
11 |
10 |
4 |
|
300 |
12 |
11 |
4 |
15 |
14 |
5 |
|
400 |
14 |
13 |
5 |
17 |
16 |
6 |
|
300 |
17 |
15 |
6 |
21 |
19 |
7 |
|
600 |
19 |
17 |
6 |
24 |
22 |
7 |
|
700 |
22 |
20 |
6 |
27 |
25 |
8 |
|
800 |
24 |
22 |
7 |
30 |
28 |
8 |
|
900 |
27 |
24 |
7 |
33 |
30 |
9 |
|
1000 |
30 |
26 |
8 |
34 |
30 |
9 |
|
1500 |
42 |
36 |
10 |
50 |
44 |
12 |
|
2000 |
50 |
44 |
12 |
60 |
54 |
15 |
|
Примечание - При использовании интерфейса PRA количество универсальных двусторонних линий (каналов В) определяется суммированием количества СЛ (исходящих и входящих), указанных в таблице 7.7. |
||||||
7.1.12.2. Возможна реализация функций учрежденческой станции на базе функций «ЦЕНТРЕКС» при наличии такой функции в ОПС и по соглашению между администрациями.
7.1.12.3. Выход на сеть общего пользования абонентов УПАТС необходимо осуществлять набором однозначного индекса, с последующим прослушиванием сигнала готовности опорной АТС или без прослушивания (по согласованию с местными органами связи), рекомендуемый вариант - без прослушивания, при наличии технической возможности и опорной станции: возможен вариант без набора однозначного индекса.
7.1.13. Включение в ОПС цифровых концентраторов, подстанций, мультиплексоров.
7.1.13.1. Расчет линий между концентратором (К), подстанцией (ПС) и ОПC, ОПТС осуществляется с учетом нагрузки, нормируемых потерь, коэффициента замыкания внутренней нагрузки.
7.1.13.2. В мультиплексоре отсутствуют функции замыкания внутренней нагрузки. В мультиплексоре отсутствуют внутренние потери. Нагрузка от мультиплексора равна суммарной возникающей нагрузке.
7.1.13.3. При включении концентраторов и мультиплексоров может использоваться специальная сигнализация, если оконечная станция, концентратор и мультиплексор относятся к одной системе.
7.1.13.4. На рисунках 7.1 и 7.2 представлена схема включения в ОПСЭ цифровых интерфейсов ЦСИС.
ТЕ (Terminal Equipment) - оконечное оборудование
NT (Network Termination) - сетевое окончание
NT1/NT2 - сетевое окончание, уровень 1/2
LT (Line Termination) - линейное окончание
ET (Exchange Termination) - станционное окончание
Примечание - Вместо интерфейсов V1 - V4 возможна реализация интерфейсов серии V.5 (см. рисунок 7.2)
Рисунок 7.1 - Эталонная конфигурация интерфейсов «пользователь-сеть» ЦСИС
Примечание - 1) функции статического мультиплексирования, поддерживаемые V5.1
2) - функции мультиплексирования или концентрации каналов пользователей, поддерживаемые V5.2
3) - возможна реализация интерфейса V5 только в универсальной модификации V5.2
4) - принципы включения УПАТС ЦСИС не стандартизованные МСЭ-Т
5) - в конфигурации УATC ЦСИС/УПАТС ЦСИС, функциональный блок NT выполняет функции NT1 и NT2
Рисунок 7.2. - Эталонная конфигурация интерфейса V5
7.2. Распределение норм затухания по участкам трактов ГТС и СТС.
7.2.1. Распределение норм затухания в дБ на частоте 1000 Гц на ГТС приведено на рисунках Б.3 - Б.8 (См. Приложение Б).
Распределение норм затухания в дБ на частоте 1000 Гц на СТС приведено на рисунках Б.9-Б.12 (См. Приложение Б).
Примечание - Показанные на рисунках аналоговые СЛ, аналоговые станции, а также аналоговые абонентские линии с затуханием 4,0 (5,0) дБ, являются элементами существующей сети, где 4,0 дБ - затухание АЛ, измеренное на частоте 1000 Гц, для диаметра жил 0,32 мм (по нормам РД ОГСТфС 1988 г.), 5,0 дБ - затухание АЛ - для диаметра жил 0,50; 0,64; 0,70 мм; затухание АЛ 4,5 дБ для диаметра жил 0,40 мм на рисунках не указывается. Новая прокладка кабелей с диаметром жил 0,32 мм не рекомендуется.
7.2.2. В пределах одной местной сети при любых соединениях допускается только один переход между наложенной цифровой и существующими сетями.
8.1. Мощность вводимого объекта определяется:
- по абонентской сети - суммарной вводимой емкостью;
- по межстанционной сети (МСС) - количеством организуемых трактов (2048 кбит/с).
8.2. Емкость станции должна рассчитываться с учетом количества заявок и состава абонентов.
8.3. Количество абонентов ЦСИС определяется заказчиком на основе маркетингового анализа. При отсутствии данных следует предусматривать 2 % линий базового доступа от суммарной абонентской емкости.
8.4. ОПТС и ОПС сети общего пользования для включения УПАТС, сетей связи общего пользования, имеющих небольшую емкость и включаемых в сеть ТфОП на правах УПАТС.
8.4.1. Величина резерва емкости УПАТС в % от емкости сети приведена в таблице 8.1.
Таблица 8.1 - Величина резерва емкости УПАТС в % от емкости сети.
|
Емкость сети (тысяч номеров) |
Минимальная величина резерва (процент) |
Максимальная величина резерва (процент) |
|
до 50 |
1 |
2 |
|
от 50 до 100 |
0,5 |
1,5 |
|
100 и выше |
0,2 |
0,5 |
|
Примечания 1. Конкретное место резерва определяется оператором. 2. Минимальная величина резерва должна поддерживаться оператором в течение всего срока службы оборудования. 3. Резерв предусматривается в коммутационном поле и на МСС. |
||
8.4.2. Величина резерва емкости для малых УАТС приведена в таблице 8.2.
Таблица 8.2 - Величина резерва емкости для малых УАТС
|
Величина резерва |
|
|
ОПС, ОПТС |
15 % от н/х сектора |
8.5. Площади зданий, предназначенные для размещения станций, должны обеспечивать развитие их на конечную емкость, определенную схемой развития ГТС, СТС на 15 - 20 лет.
8.6. Строительство новых, расширение, реконструкция или техническое перевооружение действующих станций должно производиться только на базе автоматических телефонных станций из оборудования электронных систем, а дооборудование существующих ОПС, ТС, ОПТС - однотипным оборудованием.
8.7. Включение в аналоговые абонентские комплекты ОПС, ОПТС линий ОУ-ПД допускается по согласованию с администрацией ГТС и СТС.
8.8. Количество абонентов УПАТС промышленных предприятий и учреждений, проектных и научных организаций, имеющих право выхода на ТфОП, в т.ч. с предоставлением функций ЦСИС, определяется заказчиком.
8.9. Для обеспечения населения общедоступной телефонной сетью в каждой ОПС, ОПТС, ЦС, УС, ОС, ПС необходимо предусматривать возможность включения таксофонов в соответствии с «Конвенцией применения таксофонного оборудования на телефонной сети общего пользования России», утвержденной Госкомсвязи России от 25.11.97 г.
Значения плотности размещения таксофонов, задаваемые при лицензировании деятельности операторов телефонных сетей для сетей с общей монтированной емкостью более 2000 номеров должны определяться в объеме не менее 0,5 % от номерной емкости сети связи лицензиата, имеющей право выхода на ТфОП, и должны согласовываться с органами местного самоуправления с учетом маркетинговых данных.
Для сетей с общей монтированной емкостью до 2000 номеров включительно плотность размещения таксофоном должна определяться самим лицензиатом и согласовываться с органами местного самоуправления.
9.1. ЦСИС создастся как узкополосная сеть с базовым доступом (2B + D) или первичным доступом (30B + D).
9.2. ЦСИС должна строиться, как составная часть телефонной сети общего пользования (ТФОП) с сохранением существующей структуры.
Пользователи ЦСИС являются абонентами ТфОП.
9.3. Предусматривается включение на телефонных станциях (АТС ЦСИС) абонентов по аналоговым абонентским линиям и абонентов ЦСИС по цифровым абонентским линиям.
9.4. Для предоставления услуг ЦСИС следует обеспечить:
- применение у пользователя терминальных средств (ОАУ) с функциями ЦСИС;
- организацию на абонентской линии канальной структуры 2B + D или 30B + D;
- применение ОПС, ОПТС с функциями ЦСИС;
- сквозное цифровое соединение между оконечными устройствами;
- применение на международной сети ОКС № 7;
- синхронный режим работы систем коммутации и ЦСП.
9.5. В настоящее время вопрос разграничения полномочий и ответственности между пользователем услуг электросвязи и оператором ЦСИС нормативно не решен.
В связи с этим проектирование следует ограничить оборудованием, физически размещенным в составе станционных сооружений (т.е. относительно границы определяемой интерфейсом U), а также, абонентской линией от АТС до распределительной коробки (при BRA) или от АТС до УПАТС (при PRA).
9.6. Требования к цифровой абонентской линии для организации доступа ЦСИС по кабелям с металлическими жилами для создания канальной структуры 2B + D.
9.6.1. Структура цифровой абонентской линии (АЛЦ) ЦСИС при базовом доступе 2B + D приведена на рисунке 9.1.
Рисунок 9.1. - Структура цифровой абонентской линии с ЦСИС (АЛЦ) 2B + D.
9.6.2. Должна обеспечиваться работа по 2-х проводным цепям существующих и вновь проектируемых симметричных кабелей с парной структурой.
9.6.3. Электрические характеристики кабелей должны соответствовать:
- ОСТ 45.82-96 «Сеть телефонная городская. Линии абонентские кабельные с металлическими жилами. Нормы эксплуатационные»;
- ОСТ 45.83-96 «Линии абонентские сельских телефонных сетей. Нормы эксплуатационные»;
- ОСТ 45.81-97 «Совместимость электромагнитная цепей передачи дискретных и аналоговых сигналов линии местных сетей электросвязи. Нормы эксплуатационные».
9.6.4. Не допускается использование:
- нупинизированных кабелей;
- воздушных линий связи, включая воздушные вставки;
- абонентских линий, организованных с применением аппаратуры высокочастотного уплотнения ЛВУ;
- совмещения в одном кабеле АЛЦ ЦСИС с линиями, организованными ЦСП, кроме технологий xDSL с линейным кодом 2ВIQ, до проведения дополнительных измерений;
- совмещения в одном кабеле АЛЦ ЦСИС с аналоговой аппаратурой уплотнения.
9.6.5. Скорость передачи сигнала на участке NT-LT 160 кбит/с.
- рабочее затухание должно быть не более 36 дБ на частоте 40 кГц (в соответствии с техническими отчетами ETSI ETR 080) или рабочее затухание должно быть от 37 до 50 дБ на частоте 80 кГц (в соответствии с рекомендациями G.961 МСЭ-Т);
- переходное затухание на ближнем конце должно удовлетворять требованиям ОСТ-45.81-97, пункт 5.9.
9.6.7. Кабельная линия из вновь прокладываемых кабелей на участке от абонентской распределительной коробки до помещения ввода кабелей (шахты, перчаточной) должна быть однородной. Для существующих кабелей допускается две ступени неоднородности по диаметру жил или типу кабелей. При этом длина АЛЦ рассчитывается на однородных участках кабеля и определяется как суммарная.
9.6.8. Использование существующих кабелей типа ТППэн с диаметром жил 0,32 мм допускается только в случае выполнения требований пунктов 9.6.3 и 9.6.6.
9.6.9. Абонентская проводка должна выполняться экранированным симметричным кабелем (типа КВСПЭВ, КМС-1, КМС-2, РВШЭ-1, ТПВ АД, ТПВП, ТПВЭАО, ТПВЭ АД, КАЦЭВ, КАЦВ, КВС-М и др.).
9.6.10. Для вновь проектируемых кабельных линий необходимо предусматривать абонентские распределительные коробки, плиты кабельных распределительных шкафов, кроссовое оборудование с врезными контактами. Для действующих кабельных линий, по возможности, предусматривается замена существующих абонентских распределительных коробок на новые с врезными контактами.
9.6.11. Проектируемые абонентские распределительные коробки не должны быть запараллелены. При наличии существующих запараллеленных абонентских распределительных коробок их должно быть не более двух при максимальном расстоянии 500 м между ними.
9.6.12. Для монтажа вновь прокладываемых линейных кабелей рекомендуется применение соединителей типа СМЖ-10, модулей фирмы «ЗМ» и др. аналогичные.
9.7. Для прокладки по зданию АТС используется станционный симметричный кабель марки ТСВ, ТПВ, ТПВАД, ТПВП АД, ТПВЭ АД, ТПВ-Э АД, КВСМ, КАЦЭВ, КАЦВ и др.
9.8. Не рекомендуется монтировать цепи АЛЦ и АЛА совместно на одном оконечном кабельном устройстве (ОУ) кросса (например, плинте). Для монтажа АЛЦ и АЛА на кроссе необходимо выделить отдельные группы ОУ или использовать ОУ, допускающие подключение и соединение экранов кабелей АЛЦ.
При использовании существующих кабелей для организации АЛЦ с передачей напряжения ДП не более ± 10 В, допускается использование существующего оконечного оборудования кросса.
9.9. При организации АЛЦ с передачей ДП необходимо выполнять требования «Правил по охране труда при работах на кабельных линиях связи и проводного вещания (радиофикации)» ПОТ РО-45-005-95, а также устанавливать изолирующие крышки и делать предупреждающие надписи в кроссе для АЛЦ, а также в оконечном распределительном оборудовании.
9.10. Требования к кабельным линиям для организации линейного тракта ЦСИС для создания линейной структуры 30B + D аналогичны требованиям для цифровых потоков 2,048 Мбит/с и в данном разделе на рассматриваются.
9.11. Нумерация абонентов ЦСИС входи в нумерацию ТфОП.
При проектировании на один базовый доступ рекомендуется выделение в среднем до четырех 4 номеров для выбора конкретного терминала.
9.12. При проектировании ЦСИС следует руководствоваться «РТМ´ом по проектированию коммутационного оборудования с функциями ОКС № 7 и ЦСИС» и «Инструкцией по проектированию сети сигнализации ОКС № 7 и коммутационных систем с функциями ЦСИС на местных сетях электросвязи в составе ВСС РФ».
10.1. При проектировании АТСЭ предусматривать дополнительные точки подключения для полупостоянной коммутации прямых проводов по согласованию с заказчиком.
10.2. На АТСЭ ГТС для проверки прямых проводов следует предусматривать один испытательно-измерительный стол (ИИС) на здание.
10.3. Для ЦСЭ СТС для проверки прямых проводов следует предусматривать один ИИС.
10.4. На станциях ГТС и СТС следует использовать аппаратуру АПУС и в качестве оборудования измерения телефонной нагрузки.
10.5. Емкость кросса должна быть принята с учетом резерва:
- по линейной стороне 15 % для абонентского кросса;
- 30 % для кросса СЛ.
По согласованию с заказчиком может быть предусмотрен резерв станционной стороны кросса для охранной сигнализации.
10.6. Резервные платы и комплекты необходимо учитывать в соответствии с ТУ на каждый тип оборудования.
11.1. Режим работы оборудования ГТС должен быть круглосуточным, не допускающим перерыва в течение всего срока службы.
11.2. Среднемесячная норма рабочего времени при семичасовом рабочем дне принимается равной 173 часам.
11.3. При проектировании оборудования технической эксплуатации необходимо стремиться к круглосуточному необслуживаемому режиму.
Для обеспечения данного режима эксплуатации должны организовываться центры управления сетью.
Проектирование центров управления осуществляется при участии фирм-поставщиков оборудования.
11.4. Численность обслуживающего персонала станционных и линейных сооружений ГТС должна определяться по нормативам численности, приведенным в таблицах 11.1 - 11.5;
- по коммутационному оборудованию - по таблицам 11.1, 11.2
- по ЦСП - по таблице 11.3
- по линейным сооружениям - по таблице 11.4
- по МСС - по таблице 11.5
Численность персонала по техническому обслуживанию электронных и цифровых АТС определяется при децентрализованном способе и при наличии центров технической эксплуатации (ЦТЭ):
- при отсутствии ЦТЭ - по таблице 11.1
- при наличии ЦТЭ - по таблице 11.2
Численность производственного штата по эксплуатации оборудования SDH определяется в соответствии с таблицей 11.6.
Численность персонала рассчитана с учетом времени приезда персонала на объект.
Основная единица измерения, по которой определяется численность штата АТС, принята 1000 абонентских линий (1000 номеров монтированной емкости.).
Численность персонала рассматривается по монтированной емкости АТС, включая емкость концентраторов.
Таблица 11.1 - Удельные показатели численности производственного штата для технического обслуживания станционных сооружений при отсутствии центра технической эксплуатации1 (единиц штата на 1000 абонентских линий)
|
Наименование сооружений ГТС (тип АТС) |
Всего |
Ведущий инженер |
Инженер- электроник первой категории |
Инженер- электроник второй категории |
Инженер-программист второй категории |
Инженер- электроник третьей категории |
Инженер |
|
1. МТ-20 монтированной емкостью2 10000 - 20000 номеров |
|||||||
|
а) ОПС |
0,400 |
0,050 |
- |
0,150 |
- |
- |
0,200 |
|
б) ОПТС |
0,500 |
0,050 |
- |
0,250 |
- |
- |
0,200 |
|
2. Остальные виды ЭАТС импортных поставок емкостью до 50000 номеров: |
|||||||
|
а) OПC |
0,180 |
0,020 |
0,040 |
0,030 |
0,030 |
0,030 |
0,0300 |
|
б) ТС |
0,190 |
0,030 |
0,050 |
0,030 |
0,030 |
0,030 |
0,020 |
|
в) ОПТС |
0,220 |
0,030 |
0,060 |
0,040 |
0,030 |
0,030 |
0,030 |
|
г) КАТС |
0,290 |
0,040 |
0,080 |
0,050 |
0,040 |
0,040 |
0,040 |
|
д) ЭПУ |
0,160 |
- |
0,008 |
0,008 |
- |
- |
0,016 |
|
1 Отсутствие центра технической эксплуатации увеличивает численность штата на 0,06 единиц на 1000 номеров за счет необходимости введения второй смены 2 Монтированная емкость показана с учетом емкости удаленных объектов (необслуживаемых станций и выносных концентраторов). Численность штата необслуживаемых объектов определяется из расчета 0,2 единицы штата на один необслуживаемый объект. |
|||||||
Таблица 11.2 - Удельные показатели численности производственного штата для технического обслуживания станционных сооружений при наличии центра технической эксплуатации (единиц штата 1000 абонентских линий)
|
Наименование сооружений ГТС (тип АТС) |
Всего |
Ведущий инженер |
Инженер- электроник первой категории |
Инженер- электроник второй категории |
Инженер-программист второй категории |
Инженер- электроник третьей категории |
Инженер |
|
1. МТ-20 монтированной емкостью до 20000 номеров |
0,400 |
0,050 |
- |
0,150 |
- |
- |
0,2 |
|
2. Остальные виды ЭАТС импортных поставок емкостью до 50000 номеров: |
|||||||
|
а) ОПС |
0,120 |
0,020 |
0,030 |
0,040 |
- |
0,020 |
0,010 |
|
б) ТС |
0,130 |
0,030 |
0,040 |
0,030 |
- |
0,020 |
0,010 |
|
в) ОПТС |
0,160 |
0,030 |
0,040 |
0,030 |
0,020 |
0,020 |
0,020 |
|
г) КАТС |
0,240 |
0,050 |
0,070 |
0,040 |
0,040 |
0,020 |
0,020 |
Таблица 11.3 - Удельные показатели численности штата цифровых систем передачи
|
Единица измерения |
Численность штата на объемные измерители, чел |
|||||||
|
всего |
В том числе |
|||||||
|
Ведущий инженер |
Инженер- электроник первой категории |
Инженер- электроник второй категории |
Инженер |
Электромеханик |
Электромонтер |
|||
|
1. Системы передачи типа ИКМ-30 |
Одна оконечная система |
0,0530 |
0,0066 |
0,0133 |
0,0265 |
0,0066 |
||
|
2. Типа ИКМ-120 |
-"- |
0,0980 |
0,0196 |
0,0392 |
0,0196 |
0,0196 |
||
|
3. Типа ИКМ-480 |
-"- |
0,1500 |
0,0300 |
0,0600 |
0,0300 |
0,0300 |
||
|
4. Контейнер НРП-К |
Один контейнер |
0,0180 |
0,0020 |
0,0050 |
0,0090 |
0,0020 |
||
|
5. Обслуживаемый регенерационный пункт ИКМ-30 (отечественный и импортный) |
30 каналом |
0,0030 |
0,0005 |
0,0007 |
0,0015 |
0,0003 |
||
|
6. Общецеховой персонал |
Одна оконечная система |
0,0040 0,0020 |
- 0,0020 |
0,0040 - |
- - |
- - |
- - |
- - |
Таблица 11.4 - Удельные показатели численности производственного штата для линейных сооружений ГТС (единиц штата на 1000 номеров монтированной емкости)
|
Численность штата на 1000 номеров монтированной емкости |
|||||||||||
|
Всего |
В том числе |
||||||||||
|
Инженер первой категории |
Инженер второй категории |
Инженер |
Ст. электромеханик |
электромеханик |
электромонтер |
оператор |
Кабельщик-спайщик |
слесарь |
Подсобный рабочий |
||
|
1. Кабельно-канализационные сооружения |
0,268 |
0,020 |
- |
0,048 |
0,053 |
0,037 |
0,057 |
- |
0,039 |
0,014 |
- |
|
2. Абонентские устройства* |
0,153 |
- |
0,020 |
0,025 |
- |
0,025 |
0,083 |
- |
- |
- |
- |
|
3. Измерительная группа |
0,051 |
0,007 |
- |
- |
- |
0,017 |
0,027 |
- |
- |
- |
- |
|
4. Группа техучета и паспортизации |
0,064 |
- |
0,007 |
0,007 |
0,015 |
0,015 |
0,020 |
- |
- |
- |
- |
|
5. Таксофоны** |
0,643 |
- |
0,003 |
0,015 |
0,021 |
0,003 |
0,311 |
0,017 |
- |
- |
0,273 |
|
* Данные только для аналоговых абонентских линий ** Величина приведена из расчета 100 таксофонов |
|||||||||||
Таблица 11.5 - Удельные показатели численности штата по видам сооружений МСС
|
Единица измерения |
Спайщик-электромонтер |
Кабельщик-спайщик |
|
|
1. Кабельная сеть: |
|||
|
а) Кабель типа ТПП, ТГ, МКС и др. в парах жил: |
1000 км пар |
||
|
до 100 |
-"- |
0,2 |
0,2 |
|
1) свыше 100 до 300 |
-"- |
0,17 |
0,17 |
|
2) свыше 300 до 500 |
-"- |
0,14 |
0,14 |
|
3) свыше 500 |
-"- |
0,1 |
0,1 |
|
б) Волоконно-оптические кабели |
10 км длины 1 волокна |
0,022 |
0,022 |
|
2. Канализация при средней емкости блока канализации в каналах |
100 канало/км |
||
|
до 1,9 |
-"- |
1,0 |
1,0 |
|
свыше 2 - 5,9 |
-"- |
1,2 |
1,2 |
|
6 и выше |
-"- |
1,5 |
1,5 |
Таблица 11.6 - Показатели численности производственного штата по эксплуатации оборудования SDH
|
Численность штата по объемным измерителям, чел |
|||
|
до 100 сетевых элементов до 600 цифровых трактов 2,048 Мб/с |
до 200 сетевых элементов до 1200 цифровых трактов 2,048 Мб/с |
до 300 сетевых элементов до 2400 цифровых трактов 2,048 Мб/с |
|
|
Начальник отдела |
1 |
1 |
1 |
|
Ведущий инженер |
2 |
2 |
2 |
|
Инженер первой категории |
2 |
2 |
2 |
|
Инженер второй категории |
- |
2 |
5 |
|
Сменный персонал (диспетчеры, операторы технического обслуживания) с квалификацией инженера второй категории |
2 |
4 |
6 |
|
Итого |
7 |
11 |
16 |
|
Примечание - Сменный персонал рассчитывается с учетом двух двенадцатичасовых смен в сутки, включая выходные и праздничные дни. |
|||
12.1. Выбор и применение кабелей связи.
12.1.1. При проектировании линейных сооружений местных сетей связи выбор типов и марок кабелей, и также их емкости, должен производиться в зависимости от назначения кабельной линии, условий прокладки в соответствии с ТУ и ГОСТами, на основании технико-экономических показателей.
Области применения кабелей определяются климатическими зонами в зависимости от суммы среднемесячных отрицательных температур воздуха, исчисляемых за год в соответствии с ГОСТ 16350-80 «Климат СССР. Районирование и статистические параметры климатических факторов для технических целей». При необходимости замена предусмотренной в проекте марки кабеля производится по согласованию с заказчиком.
12.1.2. На соединительных линиях местных сетей связи, как правило, должны применяться оптические кабели (ОК). Допускается прокладка новых кабелей МСС с металлическими жилами для некоммутируемых каналов (линий прямой связи).
12.1.3. В зависимости от местных условий в отдельных случаях на соединительных линиях местных сетей связи допускается применение радиорелейных линий связи.
12.1.4. На соединительных линиях местных сетей связи, как правило, должны применяться оптические кабели (ОК) с длинами волн 1300/1550 нм с одномодовыми оптическими волокнами (ОВ). В обоснованных случаях допускается использование оптических кабелей с многомодовыми оптическими волокнами. На всей длине элементарного кабельного участка должен применяться только один тип оптических волокон и, предпочтительно, одного производителя.
12.1.5. Оптические параметры ОН должны соответствовать требованиям ТУ на оптические кабели.
Конструкции оболочек и защитных покровов должны обеспечивать прокладку ОК в различных условиях (в кабельной канализации, непосредственно в грунте, на переходах через водные преграды, подвески на опорах воздушных линий связи и ЛЭП). На опорах ЛЭП допускается подвеска ОК, не имеющих металлических элементов.
12.1.6. На местных сетях связи рекомендуется применять ОК, имеющие следующие конструкции оболочек и защитных покровов:
а) с алюмополиэтиленовой лентой, наложенной поверх сердечника и далее защитный шланг из полиэтилена;
б) с броней из стальной ленты, ламинированной полиэтиленом и защитным шлангом из полиэтилена;
в) с броней из стальных проволок или стеклопластиковых стержней с защитным шлангом из полиэтилена;
г) в полиэтиленовой оболочке, со встроенными или находящимися под ней продольными несущими элементами в виде стеклопластиковых стержней или пучков синтетических нитей;
д) в поливинилхлоридной оболочке, или аналогичной оболочке, не распространяющей горения.
12.1.7. В каналах кабельной канализации могут прокладываться кабели конструкций а, б и в, в грунте - конструкций б и в, через болота и водные преграды - конструкции в, на опорах воздушных линий связи - конструкции а, б, г (кабели конструкций а и б подвешиваются на стальном канате), внутри зданий - конструкции д.
Внутри зданий, городских коллекторов, на вводах в промышленные и производственные здания - конструкции д.
12.1.8. Выбор конструкции ОК для конкретных проектов должен исходить из имеющихся местных условий.
12.1.9. При монтаже ОК соединение ОВ должно осуществляться методом сварки, при аварийных ситуациях или временных соединениях могут использоваться механические соединители ОВ.
12.1.10. Станционные кабельные оптические стыки подразделяются на разъемные и неразъемные. Разъемные стыки конструктивно выполняются в виде оптических соединителей с характеристиками по ТУ на конкретные образцы. Неразъемные стыки (сростки) выполняются в устройствах соединения станционных и линейных оптических кабелей, обеспечивающих размещение, фиксацию и защиту неразъемных соединений, укладку технологического запаса соединительных оптических волокон. Вносимые потери в неразъемном соединителе для одномодовых волокон должны быть не более 0,1 дБ, для многомодовых волокон не более 0,3 дБ.
12.1.11. Линейно-кабельные оптические стыки должны обеспечивать соединение строительных длин оптического кабеля и конструктивно выполняются в виде соединительных кабельных муфт линейного оптического кабеля и обеспечивают защиту и фиксацию сварных, склеенных и других неразъемных соединений оптических волокон, укладку их технологического запаса, герметизацию кабельных вводов. Вносимое затухание в неразъемном соединителе для одномодовых волокон должно быть не более 0,10 дБ, дополнительные потери, вносимые за счет компактной укладки волокон в муфте должны быть не более 0,01 дБ. Вносимое затухание в неразъемном соединителе для многомодовых волокон должно быть не более 0,30 дБ, дополнительное затухание, вносимые за счет компактной укладки волокон в муфте должно быть не более 0,03 дБ.
12.1.12. Муфты для соединения строительных длин ОК, по возможности, должны быть сборно-разборных конструкций и обеспечивать герметичность.
12.1.13. Область применения отечественных ОК указана в Приложении В.
12.1.14. На магистральных участках сети абонентского доступа местных сетей связи следует предусматривать применение, в основном, кабелей с металлическими жилами в полиэтиленовой оболочке, заполненных гидрофобной массой, или кабелей без заполнения этой массой.
Кабели без гидрофобного заполнения с числом пар сто и более, вводимые в АТС емкостью 1000 и более номеров должны содержаться под избыточным воздушным давлением. Кабели с гидрофобным заполнением под избыточным воздушным давлением не содержатся.
12.1.15. На распределительных участках сети абонентского доступа местных сетей связи, как правило, должны применяться кабели в полиэтиленовой оболочке с гидрофобным заполнением, допускается применение кабелей без гидрофобного заполнения.
12.1.16. На сетях абонентского доступа при использовании абонентских ВОСП допускается применение ОК, в частности при внедрении ЦСИС.
12.1.17. При замене оборудования ПСК-1000 на оборудование АТСЭ емкостью более 1000 номеров, в жилых или других зданиях, где не предусмотрено помещение компрессорной для размещения установок содержания кабелей под избыточным воздушным давлением, допускается для существующих кабелей емкостью 100 пар и более применять способ закачки жидкого гидрофобного заполнителя в сердечнике кабеля согласно «Рекомендациям по восстановлению и герметизации поврежденных (замокших) линий из пластмассовых многопарных кабелей местной телефонном сети» ЛОНИИС, 1947 г.
12.1.18. Прокладка и монтаж кабельных линий должны осуществляться в соответствии с «Руководством по строительству линейных сооружений местных сетей связи» АООТ «ССКТБ-ТОМАСС» (М., 1995 г.). Монтаж кабелей, заполненных гидрофобным составом, должен производиться в соответствии с указаниями «Руководства по монтажу соединительных муфт и оконечных кабельных устройств на кабелях с гидрофобным наполнением для местных сетей связи», АООТ «ССКТБ-ТОМАСС», 1997 г. или другой НТД по монтажу кабелей с гидрофобным заполнением.
Сращивание жил в заполненных гидрофобным составом кабелях производят индивидуальными или грунтовыми соединителями.
12.1.19. Основные марки кабелей и проводов отечественного производства с металлическими жилами, рекомендуемые для применения на сетях абонентского доступа местных сетей связи, приведены в Приложении Г.
12.2. Прокладка кабелей связи в кабельной канализации и коллекторах.
12.2.1. Прокладка кабелей должна предусматриваться, как правило, в существующей кабельной канализации местных сетей связи, и только при отсутствии такой возможности, следует предусматривать, постройку новой или докладку каналов к существующей кабельной канализации.
12.2.2. Прокладка оптических кабелей и кабельной канализации должна осуществляться, как правило, в свободных каналах и расположенных, по возможности, в середине блока по вертикали и у края по горизонтали. В свободном канале допускается прокладка не более пяти-шести оптических кабелей. Использовать занятый небронированными оптическими кабелями канал для прокладки кабелей с металлическими жилами и бронированных оптических кабелей не допускается.
12.2.3. Прокладка небронированных оптических кабелей в канале кабельной канализации, занятом кабелями с металлическими жилами и оптическими бронированными кабелями, должна предусматриваться в предварительно проложенных защитных полиэтиленовых трубах.
Оптические кабели с броней из стеклопластиковых стержней, стальных проволок или лент, с защитной полиэтиленовой оболочкой поверх брони могут прокладываться как по свободным, так и по занятым каналам без прокладки защитных полиэтиленовых труб.
12.2.4. В одном канале допускается прокладка нескольких кабелей или защитных полиэтиленовых труб при условии, что суммарная площадь поперечных сечений кабелей и (или) труб не будет превышать 0,6 площади канала.
12.2.5. Городские телефонные кабели типов ТП и ТГ с внешним диаметром по оболочке более 40 мм, должны, как правило, предусматриваться к прокладке в нижних рядах блоков кабельной канализации.
12.2.6. Прокладка кабелей сетей проводного вещания в каналах одного блока кабельной канализации совместно с кабелями связи с металлическими жилами допускается при следующих условиях:
- в отдельном канале на протяжении всей трассы;
- номинальное напряжение кабельной линии проводного вещания не должно превышать 240 В;
- использования экранированных кабелей с заземлением экрана с двух сторон при сопротивлении заземляющего устройства согласно ГОСТ 464-79;
- длина участка параллельной прокладки кабелей сетей проводного вещания в кабельной канализации и кабелей связи, размещенных в смежных каналах, не должна превышать 2 км для экранированного кабеля проводного вещания и 3 км для экранированного и бронированного кабеля проводного вещания;
- отсутствие в смежном канале кабелей связи с использованием систем с частотным разделением каналов.
12.2.7. В кабельной канализации, коллекторах, технических подпольях и коллекторах малого сечения (сцепках) должны прокладываться небронированные кабели связи.
12.2.8. В тоннелях метрополитена должны прокладываться бронированные кабели без джутового покрова (с покровом типа БГ), a в вентиляционных шахтах на вертикальных спусках - кабели с покровом типа К.
12.2.9. При параллельной прокладке в коллекторах кабелей связи и силовых кабелей кабели связи должны располагаться на 20 см ниже силовых кабелей. При пересечении при расстоянии менее 15 см кабели связи должны быть заключены в трубки из изолирующего материала.
12.2.10. При прокладке в коллекторах, кабели связи должны располагаться не менее чем на 10 см выше труб водопровода, теплосети и других трубопроводов.
12.3. Прокладка кабелей связи в грунте.
12.3.1. Прокладка кабелей связи в грунты I - III групп, а также в грунтах IV группы (при условии выполнения двух-трех кратной пропорки грунта) должна производиться бестраншейным способом с применением кабелеукладочной техники. Отступление от этого правила должно быть обосновано в проекте.
12.3.2. При разработке траншеи и котлованов для прокладки кабелей в скальных грунтах следует использовать буровзрывную технику, однако этот способ работ необходимо применять только в тех случаях, когда исключена возможность применения для этих целей строительной техники.
12.3.3. В скальных грунтах V группы и выше, а также в грунтах IV группы, разрабатываемых взрывным способом, отбойными молотками или другими высокопроизводительными машинами и механизмами, кабели следует укладывать в траншею с устройством постели и верхнего покрывающего слоя из разрыхленной земли или песчаного грунта толщиной по 10 см каждый. Необходимость устройства постели из привозного песчаного грунта обосновывается проектом.
12.3.4. В стесненных условиях и при наличии подземных коммуникаций прокладка кабелей должна производиться в предварительно разработанную траншею.
12.3.5. При пересечении автомобильных и железных дорог, проезжей части улиц и трамвайных путей кабели следует прокладывать в асбестоцементных или полиэтиленовых трубах с выводом по обе стороны от подошвы насыпи или полевой бровки на длину не менее 1 м.
При устройстве переходов в местах с высоким уровнем грунтовых вод и в случае прокладки труб выше границы промерзания должны предусматриваться защитные мероприятия от раздавливания кабеля льдом в соответствии с «Инструкцией по защите кабелей связи от сдавливания льдом в затопляемой кабельной канализации».
12.3.6. При пересечении постоянных грунтовых непрофилированных дорог, в том числе съездов с автомобильных дорог, допускается прокладка кабелей в заранее подготовленную траншею без труб, но с покрытием их кирпичом или железобетонными плитами.
12.3.7. Местоположение муфт, поворотов, концов труб, проложенных под дорогами, отмечают указателями на стенах ближайших зданий или установкой замерных столбиков. Замерные столбики на прямолинейных участках трассы в загородной зоне устанавливают не далее 250 - 300 м один от другого.
12.3.8. Бронированные оптические кабели прокладываются непосредственно в грунт. Для прокладки в грунте небронированных оптических кабелей в грунт предварительно прокладываются трубы типа Дюра-лайн, Упонор и др., в которые затем затягиваются кабели.
12.3.9. Глубина прокладки оптических кабелей и кабелей с металлическими жилами приведена в «Инструкции по проектированию линейно-кабельных сооружений связи». ВСН-116-93.
12.4. Подвеска кабелей на опорах воздушных линий связи.
12.4.1. Подвеску кабелей связи на опорах воздушных линий при соответствующем обосновании допускается предусматривать, в основном, на распределительных участках сетей абонентского доступа ГТС при телефонизации районов малоэтажной (двух-, трехэтажной) застройки и на линиях сетей абонентского доступа СТС.
12.4.2. Подвеску кабелей городских и сельских телефонных сетей следует, как правило, предусматривать на опорах существующих воздушных линий связи (BЛC). Строительство новых столбовых линий для этих целей, без обоснования в проекте, запрещается. При необходимости их постройки следует преимущественно использовать железобетонные опоры или деревянные - в железобетонных приставках.
При строительстве воздушных линий связи необходимо учитывать требования «Правил установления и использования придорожных полос федеральных автомобильных дорог общего пользования» Постановление Правительства РФ от 01.12.98 г. № 1420.
При этом размещение в пределах придорожных полос линий связи возможно при соблюдении условий:
- для подъездов к столицам республиканских, областных и краевых центров, городам федерального значения, к центрам автономных областей и автономных округов, а также для участков федеральных автомобильных дорог, построенных в обход городов, расстояние от границы полосы отвода федеральной автомобильной дороги до основания опор воздушных линий связи должно составлять не менее 50 м;
- для автомобильных дорог с I по IV категории, а также в границах поселений до границ застройки, расстояние от границы полосы отвода федеральной автомобильной дороги до основания опор воздушных линий связи должно составлять не менее 25 м.
В местах пересечения автомобильных федеральных дорог воздушными линиями связи расстояние от основания каждой из опор линии до бровки земляного полотна автомобильной дороги должно быть не менее высоты опоры плюс 5 м, но во всех случаях не менее 25 м.
Для подвески кабелей связи ГТС и СТС в населенных пунктах могут быть также использованы стоечные опоры, устанавливаемые на крышах зданий.
12.4.3. Для защиты от ударов молний все кабельные, угловые, а также промежуточные опоры на переходах должны оборудоваться молниеотводами.
12.4.4. К подвеске следует предусматривать специальные кабели с металлическими жилами, содержащие в своей конструкции несущий стальной трос (ТППэпт, КСППт, КСПЗПт и др.), которые следует крепить на специальных консолях, устанавливаемых на опорах, а также оптические кабели со встроенными в полиэтиленовую оболочку или находящимися под ней продольными несущими элементами в виде стеклопластиковых стержней или пучков синтетических нитей (ДПТ, ОКСН).
Допускается подвеска на опорах ВЛС кабелей с металлическими жилами и оптических кабелей без встроенных несущих элементов типов ТППэп, ТГ, ОКК, ОККО, ОКСТ, ДПД, ДПМ и др. на стальном канате из оцинкованных проволок. Кабель подвешивают на канате с помощью подвесов из листовой оцинкованной стали.
12.4.5. На опорах ВЛС городских и сельских телефонных сетей допускается подвеска кабелей с металлическими жилами емкостью не более 100 пар, на опорах стоечных линий - не более 30 пар.
На опоре ВЛС кабели связи должны размещаться ниже проводов.
12.4.6 Несущий канат на ВЛС, используемых для подвески кабелей ГТС и СТС с металлическими жилами, должен быть заземлен в начале и конце линии, а также через каждые 250 м. Вне населенных пунктов несущий канат следует заземлять в среднем через 2 - 3 км. Если участок подвесного кабеля не превышает по длине 2 км, то заземления необходимо оборудовать на копнах участка.
При подвеске ОК со встроенными металлическими элементами (трос, броня и т.д.) заземление этих элементов должно производиться в начале и конце линии (элементарного кабельного участка).
Несущий металлический канат с крепежом ОК на подвесах должен быть заземлен в начале и конце линии (элементарного кабельного участка).
12.4.7. Расстояние от земли до подвесного кабеля связи приведено в ОСТН 600-93.
12.5. Кабельные переходы через водные преграды.
12.5.1. Кабельные переходы через водные преграды, в зависимости от назначения кабельных линий и местных условий, могут выполняться:
- кабелями, прокладываемыми под водой;
- кабелями, прокладываемыми по мостам;
- подвесными кабелями на опорах.
12.5.2. Для устройства переходов кабельных линий через водные пространства, судоходные реки, озера, болота глубиной более 2 м применяют кабели с броней из круглых стальных проволок или стеклопластиковых (диэлектрических) стержней.
На несудоходных реках и болотах глубиной до 2 м допускается прокладка кабелей с ленточной броней. Тип кабеля определяется проектом.
12.5.3. Кабель через водные пространства должен быть проложен целым куском, без муфт и подводной части.
12.5.4. Минимальные расстояния трасс кабельных линий от мостов магистральных автомобильных и железных дорог общегосударственного значения, а также от мостов автомобильных и железных дорог областного, местного и прочего значений должны соответствовать нормам, приведенным в Приложении Д.
12.5.5. Кабели местных сетей связи следует прокладывать через водные преграды, как правило, по мостам. Допускается подвеска кабелей указанных сетей на опорах при переходах через несудоходные реки шириной до 10 м, при этом емкость кабелей местных сетей не должна превышать 100 пар.
12.5.6. Резервирование кабелей ГТС на переходах через водные преграды следует предусматривать только в тех случаях, когда между оконечными станциями связь организуется только по одному кабельному направлению. На переходах кабельных линий через судоходные и сплавные реки следует предусматривать прокладку кабелей по двум створам на расстоянии не менее 300 м один от другого.
Резервирование кабелей СТС на переходах через водные преграды не производится.
12.5.7. При наличии на трассе мостов прокладка одного (резервного) кабеля должна осуществляться по мосту. Второй кабель на переходе через водную преграду должен прокладываться от моста на расстоянии, указанном в Приложении Д.
12.5.8. На судоходных и сплавных реках, независимо от их глубины, а также на несудоходных и несплавных реках глубиной до 3 м от рабочего горизонта воды, кабели связи следует прокладывать с заглублением в дно реки.
12.5.9. На водохранилищах и озерах, за пределами судового хода, а также на несудоходных и несплавных реках глубиной более 3 м, при отсутствии особых требований согласовывающих организаций о заглублении кабеля связи, их прокладку следует предусматривать без заглубления в дно. Заглубление кабелей в прибрежной части водоема обязательно с учетом возможного размыва берегов на период срока службы кабеля связи, определенного ГОСТ или ТУ.
12.5.10. Через водные преграды со стабильным не изменяющимся руслом (дном), кабели связи с металлическими жилами должны прокладываться в дно на глубину не менее 1 м, а оптические кабели на глубину 1,2 м.
Через реки с изменяющимся руслом и особыми гидрогеологическими условиями (горные и предгорные реки, реки с размываемыми берегами) величина заглубления кабеля определяется проектом, при этом прокладка кабелей должна производиться на глубину не менее 0,5 м ниже расчетной отметки возможного размыва дна.
12.5.11. При прокладке кабелей через осушительные каналы их заглубление в дно должно составлять не менее 1 м с защитой кабелей от механических повреждений железобетонными плитами. При прокладке кабеля, по согласованию с владельцами, в дно осушительных каналов на глубину 2 м, покрытие его железобетонными плитами не требуется.
12.5.12. Через водные преграды шириной до 300 м, глубиной от 0,8 м до 6 м со скоростью течения до 1,5 м/с при плавном рельефе дна (включая подводную береговую часть), сложенного из несвязных грунтов не выше IV группы и незасоренного валунами и топляками, кабели связи следует прокладывать бестраншейным способом при помощи ножевых кабелеукладчиков, с предварительной (двух- трехразовой) пропоркой дна реки, с заглублением до 1,2 м.
12.5.13. На кабельных переходах через реки глубиной до 0,8 м с пологими берегами и плотным невязким дном кабели следует предусматривать к прокладке механизированной колонной, так же, как и на всем протяжении трассы. На реках глубиной от 0,8 до 6 м (с учетом толщины слоя илистых отложений) прокладку кабелей следует предусматривать с применением кабелеукладчика с протаскиванием его через водную преграду с помощью тракторной лебедки или колонны тракторов, перебазированных на противоположный берег, и с использованием удлиненных тросов.
12.5.14. Через болота глубиной не более 2 м прокладку кабелей связи необходимо производить бестраншейным способом кабелеукладчиком. При этом при глубине болот до 0,8 м кабели следует прокладывать механизированной колонной аналогично тому, как и на всем протяжении трассы, а при глубине от 0,8 до 2,0 м, а также на реках с илистым дном, при его слое не более 0,4 м - с использованием тракторной лебедки или тракторов и удлиненных тросов.
12.5.15. На реках с илистым дном при слое ила более 0,4 м прокладка кабеля ножевым кабелеукладчиком не допускается. Разработка траншей может быть выполнена средствами гидромеханизации с применением водолазного труда, экскаваторами и бульдозерами или «насухо», то есть поочередным перекрытием русла и отводом воды.
Прокладка кабеля при глубине водной преграды более 0,5 м может производиться со специально оборудованных плавсредств. При этом кабель прокладывается в траншеи вручную с опущенного за борт лотка.
На несудоходных реках подводные траншеи в русле при глубине до 0,8 м можно разрабатывать экскаваторами. Прокладка кабеля при глубине водной преграды до 0,5 м производиться вручную.
12.5.16. Прокладка кабелей ножевыми кабелеукладчиками на переходах вблизи существующих подводных сооружений (кабелей связи, дюкеров, водозаборов) допускается на расстоянии и не менее 30 м от них и не ближе 100 м от переходов через водные преграды силовых кабелей.
12.5.17. Одномерные кабели СТС через несудоходные реки, независимо от их глубины, прокладываются в русле реки без заглубления.
12.5.18. Кабели, проложенные через реки без заглубления на подходах к берегам, должны быть, углублены в дно не менее чем на 0,8 м по отношению к наинизшему уровню воды и при выходе из воды на 0,8 м.
12.5.19. В пойменной части трассы, до места стыка с подземным кабелем, подводный кабель должен быть углублен до глубины прокладки подземного кабеля. Необходимость большего заглубления определяется проектом в зависимости от условий согласования.
12.5.20. Место стыка подводного кабеля с подземным должно быть на расстоянии 50 м от уреза воды в зависимости от рельефа и, по возможности, расположено в незатопляемой части берега.
12.5.21. В береговой части перехода должен устанавливаться колодец на тротуаре или газоне. В стесненных условиях допускается размещение колодца или его части под мостовой.
При числе труб в пакете до 12 включительно проектом должен предусматриваться колодец типа ККС-5, а при числе труб от 13 до 24 - нетиповой колодец. Прокладка на переходе более 24 труб не допускается.
12.5.22. По мосту кабели должны прокладываться в предусмотренных для этого конструкциях (выносных консолях, трубах, наружных подвесках и др.) в соответствии с требованиями СНиП 2.05.03-84. Способ прокладки кабелей по мосту, а также конструктивные решения должны определяться проектом.
12.5.23. Под пешеходной частью моста кабели прокладываются в асбестоцементных, пластмассовых, бетонных или металлических трубах, причем последние должны быть электрически изолированы от металлических конструкций моста.
12.5.24. Прокладка кабелей по мостам без труб может осуществляться:
- в огнестойких желобах с боковой стороны моста или под его пешеходной частью;
- открыто по опорным точкам, оборудованным на фермах и устоях моста, аналогично подвеске кабеля.
12.5.25. Для уменьшения вибрации кабелей, проложенных по мостам, в особенности оптических кабелей, должны применяться меры по снижению вибрации (амортизаторы, упругие основания из асбестовых очесов, песка и других упругих негорючих материалов).
В местах температурных швов моста, а также в местах перехода кабеля с металлических ферм моста на устои следует оставлять запасы кабеля в виде петель длиной 20 - 30 см для кабелей с металлическими жилами и не менее 2 м для оптических кабелей.
12.5.26. Если мост имеет разводную часть, то на всем ее протяжении прокладывается подводный кабель. Соединительные муфты с подводным кабелем должны располагаться в смотровых устройствах на пролетных конструкциях моста.
12.5.27. Прокладываемые по мостам кабели с металлическими жилами и оптические кабели должны иметь пластмассовые или стальные и алюминиевые оболочки со шланговым пластмассовым покрытием.
Прокладка по мостам кабелей в свинцовых оболочках не допускается.
12.5.28. В каналах трубопроводов мостов небронированные оптические кабели должны прокладываться в полиэтиленовых трубах типа ПНД-32Т.
12.5.29. На кабельных переходах через внутренние судоходные пути на судоходных и сплавных реках должны устанавливаться знаки судовой обстановки.
В населенных пунктах линий электроосвещения для знаков судовой обстановки, как правило, должны быть подъемными.
На набережных, облицованных гранитом или бетонными блоками, створные знаки должны устанавливаться непосредственно на их стенах.
12.5.30. При проектировании кабельных переходов через водные преграды, глубокие болота, более 2 м, с использованием установок горизонтально-направленного бурения (УГНБ) необходимо руководствоваться требованиями «Инструкции по проектированию линейно-кабельных сооружений связи» (дополнение по применению установок горизонтально-направленного бурения при строительстве ВОЛП), ВСН-116-93 Минсвязи России, ОАО Гипросвязь.
12.6. Проектирование кабельных линий сети абонентского доступа.
12.6.1. Линейные сооружения сети абонентского доступа в населенных пунктах с телефонной плотностью, близкой к насыщению, проектируются и строятся, в основном, по бесшкафной системе.
Построение сети абонентского доступа по шкафной системе следует предусматривать в населенных пунктах с телефонной плотностью один телефон на три-четыре квартиры.
12.6.2. При потребности строящихся и расширяемых предприятий и организаций в двадцати телефонах и более не рекомендуется установка телефонов от ОПС, ОПТС, а должно предусматриваться строительство УПАТС за счет средств и материальных ресурсов потребителей.
12.6.3. Прокладка кабелей межшкафной связи должна быть обоснована проектом и осуществляться отдельными кабелями. Допускается включение межшкафных связей в кабели сети абонентского доступа, число их не должно быть более 50 пар.
12.6.4. Для максимального использования существующих абонентских линий сети абонентского доступа рекомендуется в основном применять аппаратуру АЦСП с технологией xDSL. Электропитание удаленного комплекта этой аппаратуры может быть местным от сети переменного тока с номинальным напряжением 220 В, от источника постоянного тока с номинальным напряжением 48 В или 60 В или дистанционным по парам абонентского кабеля.
При напряжении дистанционного питания (ДП) до ± 100 В допускается использование существующих кабельных линий.
При напряжении ДП выше ± 100 В (до ± 160 В) должны предусматриваться дополнительные мероприятия:
а) использование линейных кабелей с полиэтиленовой изоляцией жил типа ТП с прочностью изоляции 1500 В пост.;
б) конструктивное обособление линейных цепей на всем протяжении от абонентского до станционного оборудования (в кроссе АТС, распределительных шкафах);
в) ввод линейных цепей из помещения ввода кабелей к аппаратуре отдельным кабелем через отдельное коммутационное устройство с разделительными гнездами и допустимым рабочим напряжением не менее 320 В (прочность изоляции не менее 1500 В пост.);
г) подключение к линейному абонентскому оборудованию линейных цепей, минуя абонентские распределительные коробки.
Конструкция коммутационных устройств с цепями ДП должна исключать возможность случайного касания человеком токоведущих частей. На указанных устройствах должны быть нанесены предупредительные знаки.
Допускается применение аппаратуры, использующей и другие технологии (ЦАВУ, АЦК и т.д.).
12.6.5. Для организации линейных трактов систем передачи на сетях абонентского доступа должны выбираться цепи в кабелях, по возможности, однородные по диаметру жил. В исключительных случаях допускаются две ступени неоднородности по диаметру жил.
Кабели, по которым работают системы передами с дистанционным питанием, должны в колодцах кабельной канализации выделяться в соответствии с ПОТ РО-45-005-95. В распределительных шкафах и абонентских коробках цепи с дистанционным питанием должны отмечаться биркой. Абонентские распределительные коробки, в которые включаются цепи с дистанционным питанием, должны иметь пластмассовый корпус.
12.6.6. Сети абонентского доступа подстанций должны строиться, как правило, по бесшкафной системе.
12.7. Вводы кабелей связи в здания предприятий связи.
12.7.1 Ввод кабелей в здания АТС емкостью 10000 номеров и более должен осуществляться, по возможности, с двух противоположных направлений.
12.7.2. Плоды линейных кабелей в здания АТС осуществляются через специально оборудованные помещения ввода кабелей, размещаемые, как правило, в подвальном (цокольном) помещении.
На станциях малой емкости (до 1000 номеров) для ввода линейных кабелей допускается устройство приямка с вводным шкафом или оборудование ввода с применением изогнутых труб от станционного колодца до помещения кросса.
12.7.3. Вводы кабелей следует осуществлять с учетом минимальной их длины внутри зданий, допустимых радиусов изгиба, максимального использования существующих металлоконструкций, а также удобства эксплуатации.
12.7.4. Для ввода кабелей в проем фундамента или стены здания АТС следует закладывать вводный блок из асбестоцементных (бетонных) труб с внутренним диаметром каналов 100 мм. Емкость блока определяется проектом в зависимости от числа вводимых кабелей с учетом запасных каналов на развитие (не менее 100 % каналов, занимаемых линейными кабелями по проекту).
Применение полиэтиленовых труб для ввода кабелей не допускается.
12.7.5. Вводы кабелей должны быть загерметизированы. Требования по герметизации приведены в «Руководстве по герметизации вводов кабелей предприятий связи», Москва, ССКТБ, 1986 г.
12.7.6. Вводный блок на вводе кабелей в помещение должен быть утоплен в фундамент здания и тщательно забетонирован. Бетоном должно заполняться все свободное пространство между отдельными трубами, а также между трубами и фундаментом здания.
12.7.7. Вводный блок, как правило, заканчивается станционным кабельным колодцем, размещаемым вблизи здания АТС, но не далее 30 м от него.
12.7.8. Нижний ряд труб вводного блока должен быть выше уровня пола помещения ввода кабелей не менее чем на 0,2 м. Вводный коллектор или трубопровод должен иметь уклон в сторону станционного колодца.
12.7.9. Вводы кабелей в здания телефонных станций должны предусматриваться:
- при емкости телефонной станции 100 и менее номеров - подземными или подвесными кабелями;
- при емкости телефонной станции более 100 номеров - подземными кабелями.
12.7.10. Многопарные кабели ГТС емкостью свыше 100 пар в помещениях ввода кабелей или вводных шкафах, станционных колодцах должны распаиваться в разветвительных муфтах (перчатках) на кабели емкостью 100 пар. Из помещения ввода кабелей станционные кабели прокладываются в кросс по специальным металлическим желобам или через отверстия в междуэтажных перекрытиях.
12.7.11. В отдельных случаях монтаж многопарных кабелей допускается производить не в помещениях ввода кабелей, а в специальных помещениях - перчаточных, которые должны располагаться в первых этажах зданий АТС непосредственно над помещениями ввода кабелей.
12.7.12. Кабели с металлическими жилами, используемые для систем передачи с дистанционным питанием, из помещения ввода кабелей (перчаточной) должны прокладываться непосредственно в ЛАЦ на стойки вводно-кабельного оборудования аппаратуры без захода в кросс соединительных линий. При этом для кабелей типа Т и TП от помещения ввода кабелей (перчаточной) до стойки вводно-кабельного оборудования аппаратуры должен быть проложен кабель ТНВ.
12.7.13. При использовании существующих кабелей для организации АЛЦ, с передачей напряжения ДП не более ± 100 В допускается использование существующего оконечного оборудования кросса. Рамки должны допускать подключение и соединение экранов кабелей АЛЦ. При этом, на рамках для АЛЦ, к которым подключено дистанционное питание, должны устанавливаться изолирующие крышки с предупреждающими надписями.
12.7.14. При оборудовании вводов кабелей с металлическими жилами и оптических кабелей в здания АТС следует обеспечивать условия пожарной безопасности, т.е. станционные кабели с металлическими жилами и оптические кабели должны предусматриваться с негорючей оболочкой или с наружной оболочкой, не распространяющей горение;
При монтаже разветвительной муфты в стационарном колодце, на участке от разветвительной муфты до линейной стороны кросса, должны прокладываться линейные кабели с оболочкой из поливинилхлорида (марки ТНВ) или с оболочкой, не распространяющей горение. При этом расшивки пучков жил от среза оболочки на кабелях должны быть обмотаны поливинилхлоридной лентой.
12.7.15. При вводе в здание АТС оптических кабелей с бронепокровами из стальных прополок и лент с металлическими жилами дистанционного питания (при их наличии) в помещениях ввода кабелей следует предусматривать:
- установку и монтаж разветвительной муфты, предназначенной для выделения из линейных ОК проводов (цепей) дистанционного питания и бронепокровов (стальных проволок, лент);
- установку щитков КИП-2 (или КИП-1) и подключение к ним соединительных кабелей от перепаянных стальных проволок и лент;
- прокладку ОК от разветвительной муфты до места размещения устройства стыка линейного и станционного ОК в ЛАЦ;
- прокладку электрических кабелей для подключения к КИП-2 (КИП-1) металлических бронепокровов ОК, а также ближайшей шины станционного линейно-защитного заземления.
12.7.16. Допускается прокладка линейного ОК без монтажа муфты в помещении ввода кабелей до оконечного оптического устройства (оптического кросса), размещаемого в ЛАЦ. В этом случае на участке ОК в помещении ввода кабелей должен быть выполнен электрический разрыв бронепокровов ОК на длине от 100 до 150 мм (непосредственно в районе подключения провода КИП) или должно быть выполнено заземление металлических элементов кабеля в оконечном оптическом устройстве без их разрыва в помещении ввода кабелей.
Для выполнения соединения бронепокровов оптических кабелей со щитком КИП рекомендуется использовать провод ВПП сечением 4 или 6 мм2, ГПМП сечением 6 мм2, ГПСМП сечением 5 мм2, ГПВ сечением 4 мм2, ПМКС сечением 6 мм2 и др. Центральный силовой элемент из металла заземляется на оконечном оптическом устройстве.
12.7.17. Прикладка линейных оптических кабелей из помещения ввода кабелей в ЛАЦ до мест установки устройства стыка линейного и станционного ОК должна производиться, как правило, на кабельростах отдельными пакетами.
При отсутствии в ЛАЦ свободных мест на воздушных желобах для прокладки ОК необходимо предусматривать установку дополнительных воздушных желобов, а при отсутствии такой возможности допускается прокладка кабелей путем подвески снизу кабельроста или в одном пакете с кабелями с металлическими жилами при условии соблюдения допустимого радиуса изгиба.
12.8. Требования к оборудованию вводов кабелей в общественные и жилые здания.
12.8.1. Кабельными вводами следует оборудовать здания, в которых число проектируемых абонентских устройств более трех.
В зданиях с числом абонентов менее трех допускается абонентские устройства подключать к кабельным ящикам (устройствам кабельным связи, устройствам кабельным переходным), устанавливаемым на опорах воздушных линий или на чердаках.
12.8.2. Кабельные подземные вводы в здания должны предусматриваться через блоки кабельной канализации, полупроходные коллекторы, технические подполья и подвалы. При этом внутри зданий кабели следует прокладывать по скрытым каналам и включать в распределительные коробки, устанавливаемые в специальных шкафах и нишах.
В исключительных случаях, при отсутствии в зданиях скрытых каналов, технических подполий и подвалов, кабель следует вводить в здание открытым способом по боковым или внутренним (дворовым) стенам здания.
12.8.3. Длина трубопровода от вводного колодца до стены здания должна быть не более 30 м.
12.8.4. В зданиях, расположенных внутри кварталов, кабельные вводы следует устраивать с помощью перемычек кабельной канализации от других зданий квартала или используя внутриквартальные коллекторы малого сечения. При длине перемычек кабельной канализации до 30 м колодцы не устанавливаются, а при длине 30 м и более у одного из вводов должен предусматриваться колодец ККС-2.
12.8.5. Подземный ввод кабеля в здание может быть выполнен также бронированным кабелем в подвальное помещение или на наружную стену здания.
12.8.6. Вывод кабеля из подземного трубопровода или бронированного кабеля на наружную стену здания при открытой проводке осуществляют посредством изогнутых стальных или полиэтиленовых труб с внутренним диаметром 50 - 60 мм. Для защиты кабелей на стене выше вводной трубы должны быть предусмотрены желоба из тонколистовой стали на высоту не менее 3 м от земли.
12.8.7. Воздушный ввод кабеля в здание может выполняться от столбовой или от стоечной линии связи.
От стоечной линии кабель должен вводиться через изогнутую стальную трубу на чердак и там заводиться на установленный телефонный кабельный ящик, или прокладываться по конструкциям чердака вдоль здания с ответвлениями на лестничные клетки до абонентской распределительной коробки.
Проложенные на чердаке кабели должны быть защищены от механических повреждений металлическими желобами на всем протяжении трассы кабеля, если высота прокладки ниже 2,3 м от пола, на закрытых для посторонних лиц чердаках кабели защищают на высоте до 0,85 м.
При вводе подвесного кабеля со столбовой линии расстояние от столба до стены здания не должно превышать 40 м. При длине пролета на вводе более 40 м устанавливается дополнительная опора.
12.8.8. В подвальных помещениях (технических подпольях) зданий, стояках и каналах внутри зданий допускается прокладка телефонных кабелей в полиэтиленовой оболочке. На чердаках и по внутренним стенам зданий должны прокладываться телефонные кабели в поливинилхлоридной оболочке или и полиэтиленовой оболочке, не распространяющей горение, допускается прокладка телефонных кабелей в полиэтиленовой оболочке, обмотанной с перекрытием поливинилхлоридной лентой.
12.8.9. При вводе всех типов кабелей с металлическими жилами в тоннели метрополитена следует предусматривать установку электроизолирующих муфт. Места их установки на кабелях определяются проектом.
12.8.10. Для защиты телефонных сетей от несанкционированного доступа:
- необходимо, как правило, использовать оконечное кабельное оборудование: телефонные кабельные ящики, абонентские распределительные коробки, (КРТ) кабельные распределительные шкафы (ШР, ШРП), имеющее запирающее устройство;
- предусматривать установку оконечного кабельного оборудования (ШР, КРТ), по возможности, в местах, затрудняющих несанкционированный доступ. КРТ в электрослаботочных шкафах или в слаботочной части электрошкафов, ШРП в закрывающихся помещениях;
- при открытой прокладке распределительного кабеля по стенам лестничной клетки и установке КРТ на стене, необходимо использовать только КРТ, имеющие замирающие устройства;
- предусматривать защиту абонентской линии на участке «распределительное оконечное устройство - абонент» согласно требованиям ОСТН-600-93 «Отраслевые строительно-технологические нормы на монтаж сооружений и устройств связи радиовещания и телевидения» раздел три и «Руководства по строительству линейных сооружений связи», ССКТБ - ТОМАСС, Москва, 1995 г.;
- кабельные распределительные шкафы, установленные на улице и в помещениях, не обеспечивающих защиту от несанкционированного доступа, должны, как правило, оборудоваться датчиками сигнализации несанкционированного доступа. В помещении кросса станции должна предусматриваться установка устройства контроля, к которым подключаются предназначенные для сигнализации пары кабелей. При этом должна учитываться техническая и экономическая целесообразность защиты.
12.9. Нормы по расчету емкости кабельных линий местных сетей.
12.9.1. В общей емкости проектируемой кабельной сети абонентского доступа должен учитываться запас, размер которого для различных участков сети, выполненных кабелями с металлическими жилами, не должен превышать величин, приведенных в таблице 12.1.
Таблица 12.1 - Запас емкости кабельной сети абонентского доступа
|
Участок прокладки |
Проектируемый запас, % |
||
|
от |
до |
||
|
Магистральный |
Станции |
Распределительного шкафа или кросса УПАТС |
2 |
|
Станции |
Оконечных кабельных устройств (распределительных коробок или кабельных ящиков) |
2 |
|
|
Распределительного шкафа I класса |
Распределительного шкафа II класса |
2 |
|
|
Распределительный |
Распределительного шкафа |
Оконечных устройств (распределительных коробок, кабельных ящиков) |
10 |
|
Примечания 1. Проектируемый запас кабелей - отношение их свободной емкости к емкости, предусмотренной к задействованию, исчисленное о процентах. 2. В районах обслуживания АТС, где достигается телефонная плотность один телефон на одну квартиру, следует предусматривать запас распределительного участка сети не более 3 %. 3. Если предусматривается применение систем передачи (в том числе с функциями ЦСИС) на абонентских линиях в объеме более 10,0 % от емкости кабеля, то допускается уменьшение запаса емкости магистрального кабеля до 1,5 %. |
|||
12.9.2. При расчете емкости кабельной сети необходимо руководствоваться следующими требованиями и нормами:
- для организации линий прямой связи (некоммутируемых каналов) предусматривать до 5 % пар от емкости проектируемой сети абонентского доступа. Конкретную потребность в прямых проводах определять при проектировании по данным заказчика. На соединительных линиях количество пар для организации некоммутируемых каналов определяется потребностью;
- число таксофонов следует предусматривать, в соответствии с «Концепцией применения таксофонного оборудования на телефонной сети общего пользования России», утвержденной Госкомсвязи РФ 25.11.97 г., см. пункт 5.8.
- кабельную емкость сети абонентского доступа для жилых зданий необходимо предусматривать в городах, поселках городского типа и сельской местности - в соответствии с исходными данными заказчика;
- в радиусе 500 м от АТС необходимо предусматривать включение абонентских устройств непосредственно от кабелей магистральных участков сети абонентского доступа ГТС (прямое питание);
- на ОПС, ОПТС при телефонной плотности один телефон на одну квартиру и многоэтажной застройке следует применять прямое питание независимо от расстояния от станции до здания;
- при отсутствии маркетинговых данных рекомендуется предусматривать ЦСИС при базовом доступе в размере 2 % от абонентской емкости. ЦСИС при первичном доступе предусматривается только при наличии маркетинговых данных;
12.9.3. Максимальная загрузка кабельных распределительных шкафов не должна превышать, величин, приведенных в таблице 12.2.
Таблица 12.2 - Максимальная загрузка кабельных распределительных шкафов
|
Емкость кабельного распределительного шкафа, пар |
|
|
500 |
1200 |
|
250 |
600 |
|
130 |
300 |
|
50 |
150 |
12.10. Нормы на прокладку и расход кабелей связи.
12.10.1. При определении потребного количества прокладываемых кабелей, в проектах должны предусматриваться их запасы с учетом неровности местности, укладки кабелей в грунт, а также выкладки их по форме котлованов, колодцев, подвески на опорных воздушных линий связи и расхода на разделку концов кабелей при проведении измерений электрических или оптических характеристик и сращивания строительных длин кабелей.
Нормы расхода кабелей на 1 км трассы приведены в таблице 12.3.
Таблица 12.3 - Нормы расхода кабелей на 1 км трассы
|
Количество кабеля на 1 км трассы, км |
|
|
Кабели с металлическими жилами |
|
|
В грунте |
1,02 |
|
В кабельной канализации |
1,02 |
|
В коллекторе |
1,01 |
|
Через водные преграды |
определяется проектом |
|
В грунтах, подверженных пучению |
1,04 |
|
На опорах |
1,025 |
|
Оптические кабели |
|
|
В грунте |
1,02* |
|
В кабельной канализации |
1,057 |
|
В коллекторе |
1,02* |
|
На опорах |
1,05 |
|
Через водные преграды |
определяется проектом |
|
* Длина запаса оптического кабеля на монтаж муфты и производств контрольных измерений учитывается дополнительно и составляет: для муфты, смонтированной в котловане 30 м; для муфты, смонтированной в коллекторе 14 м. |
|
12.10.2. Минимальные расстояния от кабелей связи, трубопровода кабельной канализации до других подземных и наземных сооружений при сближении или пересечении с последними должны соответствовать нормам, приведенным в Приложении Д.
12.10.3. Минимальные расстояния при кабельном переходе по горизонтали в свету от условной оси перехода через железные дороги должны приниматься:
- от стрелок и крестовин железнодорожного пути и мест присоединения отсасывающих кабелей к рельсам электрифицированных железных дорог - 10 м;
- до стрелок и крестовин железнодорожного пути при пучинистых грунтах - 20 м;
- до труб, тоннелей и других искусственных сооружений - 30 м;
- до стрелок и крестовин трамвайных путей - 3 м.
12.10.4. Число прокладываемых труб на переходах должно предусматриваться исходя из норм закрутки каналов капании кабелями различного назначения, приведенных в разделе, с учетом необходимых резервных труб согласно таблице 12.4.
Таблица 12.4 - Число прокладываемых труб на переходах
|
Число труб, прокладываемых через автомобильные и железные дороги |
Число резервных труб |
|
От 1 до 3 включительно |
1 |
|
Свыше 3 до 8 включительно |
2 |
|
Примечания 1. Для кабелей сети абонентского доступа СТС резервные трубы предусматриваться не должны. 2. Для прокладки однопарных кабелей сельских телефонных сетей на пересечениях через автомобильные и железные дороги допускается прокладка асбестоцементных или полиэтиленовых труб с внутренним диаметром менее 100 мм. |
|
12.10.5. Расстояния между кабелями проводного вещания, прокладываемыми в кабельной канализации, коллекторах, технических подпольях, помещениях ввода кабелей и непосредственно в грунте, и кабелями связи должно быть не менее величин, приведенных в таблице 12.5.
Таблица 12.5 - Расстояния между кабелями проводного вещания и кабелями связи
|
Назначение кабеля проводного вещания и номинальное напряжение в нем, В |
Длина параллельного пробега, м |
Допустимое расстояние, см |
|||
|
между кабелями РБПЗЭП, РМПЗЭП, РБПЗЭПБ, РМПЗЭПБ (МРМПЭ, МРМПЭБ) и НЧ кабелями связи |
между кабелями РБПЗЭП, РМПЗЭП (МРМПЭ) и ВЧ кабелями связи |
между кабелями РБПЗЭПБ, РМПЗЭПБ (МРМПЭК) и ВЧ кабелями связи |
|||
|
в кабеле связи нет цепей звукового вещания |
в кабеле связи есть цепи звукового вещания |
||||
|
Магистральный фидер НЧ-980, ВЧ-120 |
0,05 |
4 |
11 |
32 |
14 |
|
0,50 |
12 |
34 |
65 |
30 |
|
|
1,00 |
13 |
38 |
78 |
34 |
|
|
2,00 |
14 |
41 |
88 |
38 |
|
|
Распределительный фидер НЧ-240, ВЧ-30 |
0,05 |
2 |
6 |
16 |
7 |
|
0,50 |
6 |
17 |
35 |
15 |
|
|
1,00 |
6 |
19 |
39 |
17 |
|
|
2,00 |
6 |
20 |
44 |
19 |
|
|
3,00 |
7 |
22 |
46 |
20 |
|
|
4,0 |
8 |
23 |
47 |
20 |
|
12.11. Нормы по расчету и строительству кабельной канализации.
12.11.1. При расчете числа каналов кабельной канализации для первого и последующих этапов развития сети необходимо учитывать следующее:
- на всех участках, где определена необходимость прокладки кабелей распределительной сети абонентского доступа, следует предусматривать один дополнительный канал (необходимость этого канала для распределительных кабелей на отдельных участках должна обосновываться проектом). В исключительных случаях, при обосновании в проекте, допускается прокладка кабелей емкостью до 200 пар магистрального участка сети абонентского доступа в кабельной канализации, предназначенном для прокладки распределительного кабеля;
- в кабельной канализации на магистральных участках сети абонентского доступа, где хотя бы в одном канале предусматривается прокладка одного или нескольких кабелей общей емкостью 400 пар и более, а также, где емкость существующих кабелей в одном из каналов равна или превышает 400 пар, следует предусматривать один резервный канал на случай замены поврежденного кабеля;
- на участках между магистральными направлениями кабельной канализации и распределительными шкафами емкостью 1200 пар должны предусматриваться четыре канала, при емкости распределительного шкафа 600 пар - три канала, при емкости шкафа 300´2 - два канала кабельной канализации, а при емкости шкафа 150 пар - один канал кабельной канализации.
12.11.2. Типы смотровых устройств (колодцев) кабельной канализации на сетях связи определяются емкостью вводимых в них труб или блоков с учетом перспектив развития сети, типов и емкостей прокладываемых кабелей и должны соответствовать требованиям, приведенным в таблице 12.6.
12.11.3. На сетях связи должны применяться типовые железобетонные колодцы: полносборные, сборные двухзвенные конструкции, специального типа, а также кирпичные. Проектами преимущественно должны предусматриваться полносборные и сборные железобетонные колодцы. Допускается применение кирпичных колодцев в сухих грунтах в случаях, когда для отдельных объектов строительства требуется их небольшое количество, а также при строительстве нетиповых и станционных колодцев, переустройстве существующих с большой загрузкой их кабелями.
Применение кирпичных колодцем или колодцев из других местных материалов должно быть обосновано.
12.11.4. При необходимости увеличение емкости существующей кабельной канализации допускается вместо реконструкции колодцев строительство новых с размещением их рядом с существующими.
На межстанционных и головных участках перспективных магистральных трасс на районированных сетях кабельные колодцы типа ККС-3 в проектах не применять.
12.11.5. Колодцы для размещения контейнеров НРП следует устанавливать в непосредственной близости от трассы кабельной канализации, но не далее 10 м от существующих колодцев.
В стесненных условиях допускается увеличение этого расстояния до 50 м.
Емкости соединительного блока кабельной канализации должна быть не менее четырех каналов.
Таблица 12.6 - Типы смотровых устройств кабельной канализации на сетях связи
|
Максимальная емкость блока, вводимого в колодец |
Число каналов в основании блока |
Назначение |
|
|
ККС-2 |
2 |
2 |
допускается прокладка и монтаж кабелей ТППэп с диаметром жил, мм: - 0,32 и 0,4 до 300 пар; - 0,50 до 200 пар |
|
ККС-3 |
6 |
2 |
допускается прокладка и монтаж кабелей ТППэп с диаметром жил, мм: - 0,32 до 800 пар; - 0,40 до 600 пар; - 0,50 до 400 пар; - 0,64 до 200 пар кабелей ТГ - до 600´2´0,5 |
|
ККС-4 |
12 |
2 3 4 |
допускается прокладка и монтаж кабелей емкостью до 1200 пар |
|
ККС-5 |
24 |
4 6 |
допускается прокладка и монтаж кабелей всех емкостей и установка НРП аппаратуры цифровых систем передачи для ГТС |
|
Станционное смотровое устройство ККССр-1 |
36 |
колодец кабельной канализации связи специального типа, разветвительный на 36 каналов |
|
|
Станционное смотровое устройство ККССр-2 |
48 |
колодец кабельной канализации связи специального типа, разветвительный на 48 каналов |
|
|
Специальный колодец ККС-5M |
колодец кабельной канализации связи для размещения контейнеров ПРП-12-4 аппаратуры ИКМ-30-4, ПРП-6 аппаратуры ИКМ-120-4/5 и др. |
||
|
Примечание - Возможность прокладки и монтажа кабелей с металлическими жилами других типов в колодцах должна уточняться при разработке проектной документации, исходя из допустимого радиуса их изгиба, способов монтажа и типов муфт с учетом типов применяемых соединителей (СМЖ-10, фирмы ЗМ-ЛТС и др.) и геометрических размеров смотрового устройства. |
|||
12.11.6. При шкафной системе построения городской телефонной сети, в зависимости от телефонной плотности, должны применяться телефонные распределительные шкафы емкостью 1200, 600, 300 и 150 пар, как правило, устанавливаемые внутри жилых и общественных зданий (в подъездах, коридорах или специально выделенных помещениях). Места установки распределительных шкафов согласовываются с владельцами зданий. В исключительных случаях, когда внутри жилых и общественных зданий отсутствуют помещения для размещения распределительных шкафов, допускается их установка у наружных стен зданий или вблизи них.
12.11.7. Ввод труб и кабелей в распределительные шкафы, устанавливаемые внутри зданий, должен выполняться непосредственно в шкаф. Установка шкафных колодцев в зданиях не допускается.
12.11.8. Расстояния между колодцами кабельной канализации не должны превышать 150 м, а при прокладке кабелей типа ТП с количеством пар 1400 и выше - 120 м. В проектах должны, как правило, предусматриваться пролеты максимально допустимой длины.
12.11.9. Кабельная канализация вводится непосредственно в распределительный шкаф, если расстояние от него до ближайшего колодца кабельной канализации не превышает 35 м. При больших расстояниях или при необходимости некоторого разворота трубопровода у шкафа или непосредственно под ним должен быть построен кабельный колодец типа KKC-3. В случае установки распределительного шкафа на трассе магистральной кабельной канализации типоразмер колодцев, из которых ответвляются трубы к распределительным шкафам, должен соответствовать емкости блоков и быть не менее колодцев типа ККС-4. Допускается установка распределительного шкафа непосредственно на перекрытии колодца, с устройством в перекрытии щели для ввода кабелей в шкаф. Рекомендации по установке распределительных шкафов приведены в «Руководстве по строительству линейных сооружений местных сетей связи», ССКТБ-ТОМАСС, Москва, 1995 г.
13.1. С целью совершенствования технической эксплуатации парк рабочих средств измерений должен периодически обновляться и пополняться.
Для этого должны разрабатываться и периодически обновляться перечни рекомендуемых для закупки и разработки средств измерений, предназначенных для комплексов оборудования систем коммутации и систем передачи на телефонной сети, что поможет эксплуатационным предприятиям связи приобретать оптимальное количество приборов с максимально близкими метрологическими и функциональными характеристиками, соответствующими современным требованиям. При этом должна учитываться концепция развития оборудования телефонной сети в части эксплуатационных измерений и метрологического обеспечения.
Степень автоматизации как при создании конкретных средств измерения, так и подсистемы измерений на конкретном объекте должна определяться с учетом технико-экономических показателей, то есть сложности и стоимости аппаратуры, частоты и эффективности ее использования.
Все типы средств измерения, предназначенные для использования на телефонных сетях, в том числе и импортные, должны проходить соответствующие процедуры испытаний для утверждения типа, прежде чем будут допущены к применению.
Специализированные средства измерений, закупаемые по импорту или разработанные по техническим требованиям, не согласованные с метрологической службой Минсвязи России, даже если они внесены в Государственный Реестр, должны проходить сертификацию в органе сертификации «Электросвязь».
13.2. Номенклатура и количество измерительной и проверочной аппаратуры, которой должны укомплектовывать каждую станцию, указывается в ведомости на поставку.
Состав измерительной и проверочной аппаратуры для каждого типа оборудования уточняется по мере разработки новой аппаратуры.
13.3. Специализированные приборы необходимо заказывать только при наличии сертификата Минсвязи России и сертификата об утверждении типа Госстандарта России.
Приборы, не имеющие указанные сертификаты, закупаются после согласования с базовой организацией метрологической службы Минсвязи России.
13.4. Средства измерений для проверки ОКС № 7 и ЦСИС предусматриваются согласно «РТМ по использованию тестового оборудования ОКС № 7 и ЦСИС» и таблицам 13.10, 13.11.
13.5. Приборы, приведенные в таблицах 13.1 - 13.11, не являются обязательными к применению. Разрешается применять другие приборы, обеспечивающие измерения соответствующих параметров с требуемой точностью.
Таблица 13.1 - Средства измерения общего применения для цифровых АТС
|
Технические характеристики |
||
|
Осциллограф двухканальный широкополосный |
С1-97 |
F: 0 - 350 МГц; Кразв: 1 нс/дел. - 0,1 с/дел. Кразв: 5 мВ/дел. - 0,5 В/дел. δ ± 3 %; 18 кг |
|
Осциллограф запоминающий двухканальный цифровой |
С8-23 |
F: 0 - 20 МГц; Fдиск: 1 МГц; Кразв: 10 нс/дел. - 2000 с/дел; Коткл: 1 мВ/дел. - 10 В/дел. 6,5 кг |
|
Генератор сигналов низкочастотный |
ГЗ-120 |
F: 5 Гц - 500 кГц; 5 поддиапазонов с δ: 1 / - (3 ÷ 30) % 2 кг |
|
Частотомер электронно-счетный |
ЧЗ-63/1 |
F: 0,1 Гц - 1500 МГц (синусоидальный сигнал); F: 0,1 Гц - 200 МГц (импульсный сигнал); Погр. £ ± 5 ´ 10-7 ± 1 ед. сч.; т: (1*10-7 + 1*104) с 6 кг |
|
Мультиметр малогабаритный |
В7-62 |
Постоянное и переменное U и I; сопротивление |
|
Примечания 1. Приборы из таблицы 13.1 заказываются по одному на цифровую АТС (АТСЦ) с количеством номеров до 10000, по два на АТСЦ свыше 10000 номеров, или для нескольких АТСЦ, находящихся в одном здании (если приборы не входят в комплект поставки). 2. Приборы типа ПP 3325В заказываются по 2 шт. на АТС. |
||
Таблица 13.2 - Средства измерения электрических параметров коммутируемых каналов сети ТфОП.*
|
Наименование нормируемых параметров |
Приборы типа: |
|
Остаточное затухание на частотах 1020, 1800, 2400 Гц |
Прибор AnCom TDA-5 с использованием модема AnCom STE-2442+ и специального программного обеспечения (СПО), реализованного на ПЭВМ типа IBM/PC. |
|
Амплитудно-частотная характеристика на частотах 1020, 1800, 2400 Гц |
|
|
Соотношение сигнал/шум на частоте 1020 Гц |
|
|
Дрожание фазы сигнала (джиттер) на частоте 1020 Гц |
|
|
Кратковременные перерывы и импульсные помехи |
|
|
Эхо-сигнал |
|
|
Пропускная способность - модем по рекомендациям МСЭ-Т V.22бис, V.42, скорость передачи 2400 бит/с |
|
|
* Средства измерения приведены на основании «Эксплуатационных норм на электрические параметры каналов сети ТфОП», Москва, 1999 г., утвержденных Приказом Госкомсвязи России от 05.04.99 № 54. |
|
Таблица 13.3 - Нормы измерительной аппаратуры для оборудования систем передачи на ЦС
|
Приборы типа |
Количество на ЦС независимо от типа аппаратуры и числа систем в шт. |
|
|
1. Генератор сигналов низкочастотный F: 10 Гц - 5 МГц |
ГЗ-121 |
2 |
|
2. Измеритель уровня универсальный F: 0,2 - 2100 кГц |
ИУ-2,1 - 5 РХ2.741.107ТУ |
2 |
|
3. Магазин затухания 0 - 50 МГц (R = 750 Ом) |
МЗ-50-3 РХ2.704.020ТУ |
1 |
|
4. Измерительный чемодан |
2 |
|
|
5. Псофометр согласно Рекомендациям МСЭ-ТО.41 |
ИК-ТЧ |
1 |
|
6. Осциллограф F: 0 - 10 МГц |
C1-125 ТГ2.044.028ТУ |
2 |
|
7. Мультиметр |
В7-62 KMCИ.411.252.018ТУ |
2 |
|
8. Частотомер электронно-счетный |
Ч3-63/1 ДЛИ2.721.007ТУ |
1 |
|
9. Магазин затухания 300 кГц (R = 600 Ом) |
1 |
|
|
10. Измеритель параметров кабельных линий |
ИНКЛ-15/30 3Б2.135.003ТУ |
2 |
|
11. Измеритель шумов квантования |
ИШК АРФ2.768.001ТУ |
2 |
|
12. Телефон двуухий высокоомный с оголовьем и шнуром |
1 |
|
|
13. Прибор эксплуатационных измерений |
2 |
|
|
14. Комплект линейный для настройки линейного тракта |
2 |
|
|
15. Комплект проверки линейного факта |
2 |
|
Таблица 13.4 - Нормы средств измерений аппаратуры цифровой системы передачи (типа ИКМ-30) для оконечного оборудования ЛАЦ
|
Приборы |
Количество в зависимости от числа 30-канальных систем, шт. |
||||
|
до 50 |
до 100 |
до 150 |
до 300 |
более 300 |
|
|
1. Мультиметр В7-41 |
3 |
4 |
4 |
4 |
5 |
|
2. Осциллограф С1-97 ГВ2.044.111ТУ |
2 |
2 |
2 |
2 |
3 |
|
3. Измеритель шумов ИШС-ПЧ 2г2.135.064ТУ |
2 |
2 |
3 |
3 |
3 |
|
4. Измеритель уровня универсальный ИУ-2,1-5 РХ2.741.107ТУ |
2 |
2 |
3 |
3 |
3 |
|
5. Генератор сигналов низкочастотный ГЗ-118 ЕХ3.265.029ТУ |
2 |
2 |
3 |
3 |
3 |
|
6. Мультиметр В7-62 КМСИ.411.252.018ТУ |
2 |
2 |
2 |
2 |
2 |
|
7. Частотомер электронно-счетный ЧЗ-63/1 ДЛИ2.721.007ТУ |
2 |
2 |
2 |
2 |
2 |
|
8. Измеритель шумов квантования ИШК АРФ2.768.001ТУ |
2 |
2 |
3 |
3 |
3 |
|
Примечание - Количество приборов уточняется по согласованию с оператором. |
|||||
Таблица 13.5 - Нормы измерительной аппаратуры для оборудования типа ИKM-30 (ИКМ-30-4, РCM-30 и т.д.) на обслуживаемом регенерационном пункте (ОРП)
|
Приборы типа |
Количество на ЛАЦ, в зависимости от количества промежуточных трактов, шт. |
||||
|
30 |
60 |
90 |
120 |
более 150 |
|
|
1. Мультиметр В7-41 |
1 |
2 |
2 |
3 |
3 |
|
2. Измеритель уровня универсальный ИУ-2,1-5 РХ2.741.107ТУ |
- |
- |
1 |
1 |
1 |
|
3. Генератор сигналов низкочастотный ГЗ-121 в комплекте F: 0,02 - 650 кГц |
см. примечание |
||||
|
4. Осциллограф двухканальный широкополосный С1-97 F: 0 - 350 МГц ГВ2.044.111ТУ |
см. примечание |
||||
|
5. Измеритель затухания кабельных линий ИНКЛ-5 |
1 |
1 |
1 |
1 |
1 |
|
Примечания 1. Приборы заказываются по одному прибору на промежуточный пункт при числе линейных трактов более 200. 2. Количество приборов уточняется по согласованию с оператором. |
|||||
Таблица 13.6 - Нормы измерительной аппаратуры для оборудования типа ИКМ-120
|
Приборы типа |
Количество приборов, шт. |
|
|
до 40 систем |
свыше 40 систем |
|
|
1. Измеритель уровня универсальный ИУ-2,1-5 РХ2.741.107ТУ |
2 |
3 |
|
2. Генератор сигналов низкочастотный ГЗ-121 F: 0,02 - 650 кГц |
2 |
3 |
|
3. Измеритель шумов квантования ИШК АРФ2.768.001ТУ |
2 |
3 |
|
4. Частотомер электронно-счетный ЧЗ-63/1 до 100 МГц ДЛИ2.721.007ТУ |
2 |
3 |
|
5. Осциллограф C1-128 УШЯИ411.161.004ТУ |
2 |
2 |
|
6. Мультиметр В7-62 КМСИ.411.252.018ТУ |
2 |
2 |
|
7. Мультиметр В7-41 |
2 |
3 |
|
8. Измеритель затухания кабельных линий ИЗКЛ-120А РХ2.138.674ТУ |
1 |
1 |
|
9. Измеритель шумов ИШС-НЧ 2г2.135.064ТУ |
2 |
3 |
|
Примечание - Количество приборов уточняется по согласованию с оператором |
||
Таблица 13.7 - Нормы измерительной аппаратуры для волоконно-оптических систем
|
Характер измерения, наименование прибора, ТУ |
Приборы типа |
|
1. Измерение затухания в оптических волокнах кабеля: - Измеритель затухания оптический (полевой) |
ОД1-20/5 |
|
Измерение уровня мощности оптического излучения: - Ваттметр поглощаемой мощности оптический ЕЭ2.720.064 ТУ |
ОМКЗ-79 |
|
3. Измерение коэффициента ошибок в линейном тракте: |
|
|
- Генератор импульсов ГВ3.264.119 ТУ |
Г5-91 |
|
- Измеритель коэффициента ошибок 832/1 ГВ3.051.025 ТУ |
ИКО-832/1 |
|
4. Определение мест повреждений, потерь на неоднородностях и стыках, общее (суммарное) затухание в световодах и оптических кабелях: - Оптический рефлектометр универсальный |
ОР5-20К |
При монтаже и эксплуатации волоконно-оптических линий связи необходимо производить следующие измерения:
- измерение затухания в оптических волокнах кабеля;
- измерение уровня мощности оптического излучения на выходе передающего оптоэлектронного модуля или оптического волокна;
- измерение коэффициента ошибок в цифровом линейном тракте на выходах оконечного и промежуточного оборудования линейного световодного тракта;
- определение места повреждения и контроль стыковых соединений оптического кабеля.
Приборы заказываются в следующих количествах:
а) при количестве оптических систем до 20 - по два прибора каждого типа;
б) при количестве систем более 20 - добавлять по одному прибору каждого типа на следующие 20 систем:
в) оптический рефлектометр заказывается один прибор на сеть.
Допускается замена типов приборов на аналогичные. На сетях должны предусматриваться сварочные аппараты и набор инструментов для работы с оптическим волокном в количестве: один сварочный аппарат и один набор инструментов при протяженности ОК в одноволоконном исчислении до 1000 км, свыше 1000 км - по два прибора и комплекта.
Таблица 13.8 - Нормы измерительных приборов для вновь организуемых линейных эксплуатационных служб ГТС
|
Приборы типа |
Количество приборов, шт. при емкости ГТС, номеров |
|||
|
до 5000 |
от 5000 до 10000 |
от 10000 до 15000 |
15000 |
|
|
1. Переносной кабельный прибор ПКП-5 |
1 |
2 |
2 |
2 |
|
2. Мегаомметр Ф4101 |
1 |
2 |
2 |
3 |
|
3. Мультиметр В7-41 |
1 |
2 |
2 |
3 |
|
4. Прибор кабельщика-спайщика ПКСМ |
2 |
2 |
3 |
4 |
|
5. Прибор для отыскания кабельных пар ПКСМ |
1 |
1 |
1 |
1 |
|
6. Испытатель разрядников ИР-3М |
1 |
2 |
2 |
3 |
|
7. Кабелеискатель ТИ-03М |
1 |
2 |
2 |
3 |
|
8. Испытатель электрической прочности изоляции ИМП-2 |
1 |
1 |
1 |
2 |
|
9. Измеритель неоднородностей линий P5-15 |
1 |
1 |
2 |
2 |
|
10. Искатель места повреждения изоляции кабеля ИМПИ-3 |
1 |
1 |
2 |
2 |
|
11. Измеритель переходного затухания ИПЗ-8 |
1 |
1 |
1 |
2 |
|
12. Комплекс приборов для измерения уровня электрических сигналов в диапазоне частот F: 0,25 - 2100 кГц |
1 |
1 |
1 |
2 |
|
13. Миллиамперметр для измерения блуждающих токов |
1 |
1 |
1 |
2 |
|
14. Генератор сигналов низкой частоты ГЗ-121 |
1 |
1 |
2 |
2 |
|
15. Экранированные симметрирующие трансформаторы Стр-600 |
- |
- |
2 |
4 |
|
16. Псофометр П-323ИШ |
- |
- |
1 |
2 |
|
17. Измеритель сопротивления заземления М416 |
1 |
1 |
1 |
2 |
|
18. Газоанализатор |
1 |
1 |
2 |
2 |
|
19. Переносной монтерский телефонный аппарат |
2 |
4 |
6 |
6 |
|
20. Автоинформатор |
1 |
1 |
2 |
2 |
|
21. Течеискатель галогенный БГТИ-7 |
1 |
1 |
1 |
1 |
Таблица 13.9 - Нормы измерительных приборов дня вновь организуемых линейных эксплуатационных служб СТС
|
Приборы типа |
Количество приборов, шт., при емкости телефонных станций |
||
|
до 200 номеров |
до 500 номеров |
до 1000 номером |
|
|
1. Переносной кабельный прибор ПКП-5 |
1 |
1 |
1 |
|
2. Переносной мегомметр Ф4102/2 |
1 |
1 |
1 |
|
3. Мультиметр В7-41 |
1 |
1 |
1 |
|
4. Испытатель электрической прочности изоляции ТИУ-64 |
- |
- |
1 |
|
5. Генератор сигналов низкочастотный ГЗ-121 |
- |
1 |
2 |
|
6. Измеритель уровня универсальный ИУ-2,1-5 |
- |
1 |
2 |
|
7. Генератор измерительный ГП-2,1-5 |
- |
1 |
2 |
|
8. Измеритель переходного затухания ИП3-8 |
- |
1 |
1 |
|
9. Псофометр П-323ИШ |
- |
1 |
1 |
|
10. Кабелеискатель ТИ-03М |
- |
1 |
2 |
|
11. Трассометаллоискатель ТДИ-02M |
- |
1 |
1 |
|
12. Прибор для отыскания кабельных пар ПKC-M |
- |
1 |
2 |
|
13. Измеритель сопротивления заземления Ф4103 |
- |
1 |
1 |
|
14. Испытатель разрядников ПР-3М |
- |
1 |
1 |
|
15. Искатель места повреждения изоляции кабеля ИМНИ-3 |
- |
1 |
1 |
|
16. Прибор для проверки телефонных аппаратов и номеронабирателей TELTEST 2 |
1 |
1 |
1 |
|
17. Экранированные симметрирующие трансформаторы Стр-600 |
- |
2 |
2 |
|
18. Универсальный мост Е12-2 |
- |
1 |
1 |
|
19. Магазин сопротивлений переменного тока КМС-5 |
- |
1 |
2 |
|
20. Газоанализатор |
- |
1 |
1 |
13.6. Приборы для проверки и ремонта телефонных аппаратов (ремонтные службы)
13.6.1. КГА-2
Компаратор телефонный аналоговый (КТА-2) в комплекте с «Ртом искусственным и Ухом искусственным» предназначен для измерения показателей громкости приема, передачи и местного эффекта телефонных аппаратов (ТА) общего применения.
Технические характеристики:
а) диапазон измерения показателя громкости
1) приема: от минус 9 до 4 дБ
2) передачи: от минус 2 до 11 дБ
3) местного эффекта: от 7 до 20 дБ
б) напряжение питания компаратора 220 ± 22 В, частотой 50 ± 0,5 Гц.
13.6.2. ИМН-1
Прибор для измерения параметров импульсного номеронабирателя оконечного абонентского устройства
Технические характеристики:
а) погрешность измерения длительности импульсов размыкания и замыкания в диапазоне измерений от 20 до 100 мс составляет ± 0,15 %
б) пределы измерений электрического сопротивления постоянному току:
При замыкании шлейфа - от 1 до 500 Ом;
При размыкании шлейфа - от 40 до 500 кОм.
в) Напряжение питания ИПН-1 220 ± 22 В, частотой 50 ± 0,5 Гц.
13.6.3. FNSP-2
Прибор для проверки телефонных аппаратов с частотным и импульсным набором номера
Технические характеристики:
а) Частота синусоидальных колебаний генератора вызывного сигнала 25,0 ± 1,0 Гц.
б) Погрешность измерения частотных составляющих сигнала набора номера ± 0,4 Гц.
в) Погрешность измерения уровня каждой из частотных составляющих сигнала набора номера ± 10 мВ.
г) Напряжение питания FNSP-2 220 ± 22 В, частотой 50 ± 0,2 Гц.
Таблица 13.10 - Нормы измерительных приборов для проверки ОКС № 7
|
Количество приборов, шт. |
|||
|
до 30 тыс. номеров |
30 - 50 тыс. номеров |
100 тыс. номеров |
|
|
1. Протокол-тестер |
1 |
2 |
4 |
|
2. Имитаторы сигнальной нагрузки |
1 |
2 |
4 |
Таблица 13.11 - Нормы измерительных приборов для проверки ЦСИС
|
Вводимое число АТС с ЦСИС |
|||
|
1 - 2 |
3 - 5 |
6 и более |
|
|
1. Протокол-тестер физического уровня базового доступа ЦСИС |
1 |
2 |
3 |
|
2. Сигнальные мониторы |
1 |
2 |
3 |
14.1. На ГТС предусматриваются здания различного назначения для размещения:
- ОПС;
- OПC и ОПТС, ОПС и ТС, ОПТС и ТС;
- ПС, К;
- трансформаторных подстанций;
- дизельных.
Центры управления сетью, справочная служба, административные службы ПС размещаются, как правило, в зданиях совместно с ОПС, ТС, ОПТС.
Допускается размещать оборудование ПС, К, М, ОПС на площади не более 100 м2 для телефонизации жилых зданий в первом, втором и цокольном этажах жилых зданий.
Телефонные станции СТС (ОС, УС) располагаются в зданиях контор или отделений связи, а ЦС в зданиях РУС.
При разработке проектов и рабочих проектов площади помещений автозалов, ЛАЦ, кросса, ввода кабелей, компрессорной, аккумуляторной и выпрямительной определяются составом и размещением оборудования.
14.2 Номенклатура и нормы площадей станций ГТС должны соответствовать требованиям, приведенным в таблице 14.1.
Таблица 14.1 - Производственные помещения станций ГТС
|
Ед. изм. |
Размеры площади для станций конечной емкости номеров |
||
|
до 10000 включительно |
в одном здании 20000 - 60000 |
||
|
1. Автоматный зал ОПС, ТС, ОПТС |
м2 |
определяется типом, составом и размещением оборудования |
|
|
2. Линейно-аппаратный цех |
м2 |
||
|
3. Кросс |
м2 |
||
|
4. Помещение ввода кабелей (шахта) |
м2 |
||
|
5. Компрессорная |
м2 |
||
|
6. Выпрямительная |
м2 |
||
|
7. Аккумуляторная*) |
м2 |
||
|
8. Кислотная и тамбур |
м2 |
6 + 1,5 |
6 + 1,5 |
|
9. Дистилляторная |
м2 |
4 |
4 |
|
10. Диспетчерская |
м2 |
определяется составом и размещением оборудования (6,5 м2 на 1 место оператора) |
|
|
11. Комната ЗИП |
м2 |
- |
18 |
|
12. Комната инженерно-технического персонала |
м2 |
- |
1 комната на здание - 18 |
|
13. Аппаратная охранной сигнализации |
м2 |
18 |
30 |
|
14. Дизельная 5) |
м2 |
определяется типом АДГЭС |
|
|
Примечания 1. Для АТС емкостью до 10000 номеров включительно, помещения один, два, три, десять, одиннадцать, двенадцать совмещаются. 2. Для АТСЭ емкостью до 20000 номеров включительно допускается совмещение помещений автозала, кросса и ЛАЦа. 3. Для станций емкостью до 5000 номеров помещения дистилляторной не следует предусматривать. 4. В помещении 3 должен быть предусмотрен резерв площади для установки кросса в объеме 20 % абонентской емкости для охранной сигнализации. 5. Необходимость помещения дизельной определяется в соответствии с ВСН-332-93. 6. Допускается установка герметизированных аккумуляторных батарей в помещении автозала с учетом требований «Инструкции по эксплуатации стационарных свинцово-кислотных аккумуляторных батарей в составе ЭНУ на объемах ВСС России». *) В случае установки герметизированных аккумуляторов в аккумуляторной кислотная и дистилляторная не предусматриваются. Наличие тамбура определяется рассчитываемой категорией пожароопасности, категория В - тамбур не предусматривается; категория А - предусматривается. |
|||
14.3. На телефонной сети должны быть расположены следующие эксплуатационные службы:
14.3.1. Цех эксплуатации станционных сооружений (ЦЭСС)
ЦЭСС подчиняются автозалы АТС.
ЦЭСС должен осуществлять поддержание в работоспособном состоянии станционное сооружение (АТСЭ), получая информацию об:
- аварийном надзоре;
- контроле рабочих характеристик.
ЦЭСС контролирует наличие ЗИПа.
14.3.2. Цех эксплуатации систем передачи (ЦЭСП)
ЦЭСП подчиняются линейно-аппаратные залы.
ЦЭСП должен осуществлять контроль первичной сети (аналоговые, цифровые системы передачи). Для небольшой сети группа эксплуатации систем передачи входит в станционные цеха.
14.3.3. Цех эксплуатации линейно-кабельного оборудования (ЦЛКО)
ЦЛКО подчиняются кроссы АТС, линейно-кабельное хозяйство. Он должен производить работы по устранению кабельных повреждений сети абонентского доступа. ЦЛКО взаимодействует с бюро ремонта и эксплуатационным персоналом АТС.
14.3.4. Диспетчер ЦТЭ (ДЦТЭ)
ДЦТЭ должен принимать и фиксировать аварийную сигнализацию с АТС и принимать решения по устранению аварийной ситуации, в зависимости от характера полученной информации (1, 2 важность сигналов).
Диспетчер крупной сети ЦТЭ взаимодействует с вышестоящим диспетчером управления сети, начальниками участков, старшими инженерами, инженерами-инструкторами АТС, осуществляющими дежурство в данный момент времени на объектах.
14.3.5. Цех эксплуатации ЭПУ (ЦЭЭПУ)
В состав ЦЭЭПУ входят залы электропитающих установок. Для небольшой сети группы ЭПУ входят в станционные цеха.
14.3.6. Цех развития (ЦР)
ЦР должен осуществлять:
- контроль ввода новой емкости;
- поддержку процессора включения/отключения/переключения абонентов.
Цех развития совместно с линейно-кабельным цехом должен определять возможность подключения абонентов и непосредственное их включение. Включенные номера должны передаваться в картотеку бюро ремонта.
14.3.7. Абонентный отдел (АО)
АО осуществляет взаимодействие с пользователями:
- прием оплаты от пользователей;
- разбор конфликтных ситуаций;
- выдачу абонентам информации справочного характера;
- прием от пользователей заявок на предоставление услуг связи.
14.3.8. Бюро ремонта (БР)
БР должно осуществлять:
- прием заявок от пользователей на устранение неисправностей;
- организацию контроля и устранения неисправностей сети абонентского доступа и абонентских установок.
БР может быть централизованным в рамках узла или города.
14.3.9. Номенклатура и нормы производственных помещений эксплуатационных служб ГТС должны соответствовать требованиям, приведенным и таблице 14.2.
Таблица 14.2 - Производственные помещения служб ГТС
|
Размеры площади, м2 |
|
|
Линейно-кабельный цех: |
|
|
Начальник цеха и секретарь |
18 |
|
Кабельная мастерская |
18 |
|
Группа технического учета |
18 |
|
Измерительная группа |
18 |
|
Комната измерительных приборов |
18 |
|
Станционный цех: |
|
|
Начальник цеха и секретарь |
18 |
|
Группа ЭМУ |
18 |
|
Группа аппар. систем передачи |
18 |
|
Помещения для приборов и оборудования |
48 |
|
Цех (участок) эксплуатации абонентских устройств: |
|
|
Начальник цеха (участка) |
9 |
|
Мастерская по ремонту телефонных аппаратов |
18 |
|
Помещение для обслуживающего персонала |
36 |
|
Кладовая инструментов и запчастей |
18 |
|
Участок (цех) по эксплуатации таксофонов: |
|
|
Начальник участка (цеха) |
9 |
|
Мастерская по ремонту таксофонов |
18 |
|
Помещения для обслуживающего персонала |
36 |
|
Кладовая инструментов и запчастей |
18 |
|
Цех развития: |
|
|
Начальник цеха развития |
9 |
|
Группа развития |
18 |
|
Абонентный отдел |
48 |
|
Производственная лаборатория |
прим. 2 |
|
Примечания 1. Количество цехов зависит от организационной структуры, принятой на ГТС или административном телефонном узле. 2. Производственная лаборатория размещается с учетом того, что она является, как правило, общей для всей ГТС. Площадь для производственной лаборатории рассчитывается согласно производственному штату. |
|
14.4. Номенклатура и нормы площадей производственных помещений справочной службы должны соответствовать требованиям, приведенным в таблице 14.3.
Таблица 14.3 - Производственные помещения справочной службы
|
Размеры площадей, м2 |
|
|
Справочный зал |
определяется составом и объемом оборудования |
|
Комната производственного контроля |
10 |
|
Комната отдыха |
Согласно СНиП 2.09.04-87 |
14.5. Номенклатура и нормы площадей административных помещений ГТС приведены в таблице 14.4.
Таблица 14.4 - Административные помещения ГТС (телефонного узла)
|
Размер площади, м2 |
|
|
Кабинет начальника ГТС (телефонного узла) |
30 |
|
Кабинет зам. начальника ГТС (узла) |
18 |
|
Кабинет главного инженера ГТС (узла) |
20 |
|
Приемная начальника ГТС (узла) |
принимается по нормативам РФ в зависимости от штата работающих |
|
Секретарь |
|
|
Отдел кадров |
|
|
Помещение № 1 |
|
|
Бухгалтерия и плановый отдел |
|
|
Машинописное бюро |
14.6. Помещения военизированной охраны предусматривается в здании каждой АТС ГТС площадью 15 м2 (две комнаты).
14.7. Номенклатура и нормы площадей помещений станции СТС приведены в таблице 14.5.
Таблица 14.5 - Производственные помещения станций СТС
|
Размер площади, м2 для оконечной емкости номеров до |
|||
|
512 |
2000 |
4000 |
|
|
1. Автоматный зал |
определяется составом и размещением оборудования |
||
|
2. ЛАЦ |
|||
|
3. Кросс |
|||
|
4. Выпрямительная |
|||
|
5. Помещения ввода кабелей |
- |
||
|
6. Компрессорная |
- |
||
|
7. Аккумуляторная |
- |
||
|
8. Справочная |
- |
||
|
9. Кислотная и тамбур |
- |
4 + 2 |
6 + 2 |
|
10. Дистилляторная |
- |
4 |
4 |
|
11. Комната инженерно-технического персонала |
- |
10 |
10 |
|
Примечания 1. Для ОС СТС емкостью до 512 №№ допускается установка аккумуляторных батарей в шкафах в помещении автозала при выполнении пункта ПУЭ-99 п. 4.4.29, п. 4.4.30. 2. Отдельное помещение выпрямительной следует предусматривать в зданиях конечной емкостью 3000 номеров и более. 3. См. примечание 6 для таблицы 14.1. |
|||
14.8. Помещения ввода кабелей и компрессорная оконечной емкостью 1000 номеров и более должны предусматриваться для АТС в зданиях без подвала на первом этаже с устройством приямков в полу помещения.
14.9. На СТС помещение дистилляторной и кислотной предусматриваются только в здании ЦС.
14.10. Службы СТС должны, как правило, предусматриваться в зданиях ЦС.
Номенклатура и нормы площадей эксплуатационных служб СТС приводятся в таблице 14.6.
Таблица 14.6 - Производственные помещения служб СТС
|
Размер площади, м2 |
||
|
АТС до 2000 №№ (насел. 8 - 10 тыс. чел.) |
АТС до 4000 №№ (населен. 11 - 15 тыс. чел.) |
|
|
Группа эксплуатации абонентских устройств |
15 |
25 |
|
Группа эксплуатации линейных сооружений |
15 |
15 |
|
Группа эксплуатации таксофонов |
10 |
15 |
|
Группа развития и ремонта |
15 |
25 |
|
Абонентный отдел |
15 |
25 |
|
Группа технического учета |
15 |
15 |
|
Производственная или измерительная лаборатория |
10 |
20 |
|
Примечание - При размещении ЦС в здании РУС приведенные помещения должны совмещаться для всех служб электросвязи. |
||
14.11. Помещения административных служб СТС должны быть общими для всего предприятия связи и размещаться, как правило, в здании РУС. Размеры помещений принимаются по общероссийским нормативам в зависимости от штата работающих.
14.12. Помещение военизированной охраны следует предусматривать для сельских АТС конечной емкостью не менее 2000 номеров, размещаемых в самостоятельных зданиях.
14.13. Номенклатура и нормы площади бытовых помещений зданий телефонных станций определяются в соответствии с требованиями главы СНиП «Вспомогательные здания и помещения промышленных предприятий. Нормы проектирования» и «Перечнем групп производственных процессов санитарно-бытовых помещений», утвержденным МС РФ.
15.1. Взаимное расположение технологических помещений в здании АТС должно предусматривать экономию кабеля и удобство эксплуатации.
15.2. Расположение помещений в здании АТС должно исключать проход через автоматный зал. Проход предусматривается только на случаи пожара.
15.3. Помещения кросса и автоматного зала должны быть смежными (между этажами или на одном этаже).
15.4. На ГТС малой и средней емкости оборудование УСС, УВТС, УЗСЛ должно размещаться, как правило, совместно с оборудованием станции.
15.5. В помещениях кросса должны размещаться каркасы кроссов абонентских и соединительных линий, вводно-коммутационные устройства (ВКУ), оборудование контроля несанкционированного доступа, а также каналообразующая аппаратура телеграфной связи и оборудование ЛАЦ небольшого объема (до 5 стоек).
Помещение кросса должно располагаться, как правило, непосредственно над помещением ввода кабелей.
15.6. Помещения ввода кабелей связи и компрессорных (для размещения оборудования содержания кабелей под избыточным воздушным давлением) должно размещаться в отдельных смежных помещениях.
15.7. Помещение ввода и распайки линейных кабелей должно располагаться в подвальном, цокольном или на первом этажах. Вход в помещение должен быть самостоятельным из коридора.
15.8. Входы (выходы) в помещения ввода кабелей и компрессорных должны предусматриваться раздельно.
15.9. Проходы воздухоотводов через стены из помещений КСУ и помещение ввода кабелей должны быть герметично заделаны.
15.10. Помещение ЛАЦ на ГТС должно быть, как правило, расположено рядом с автоматным залом.
15.11. Аппаратуру систем передачи (СП) на станциях СТС следует размещать, как правило, в автоматном зале, и зданиях РУС - в ЛАЦе.
15.12. Помещение выпрямительной должно быть смежным с помещением аккумуляторной и располагаться, как правило, под автоматным залом или рядом с ним. Аккумуляторную, как правило, необходимо размещать в сторону дворовой части здания.
Помещение аккумуляторной с герметизированными аккумуляторами может располагаться совместно с выпрямительной.
Оборудование ЭПУ с герметизированными аккумуляторами можно устанавливать в помещениях технологических служб (ЛАЦ, автозал).
15.13. Дистилляторная и кислотная должны размещаться смежно с аккумуляторной.
15.14. Комната инженерно-технического персонала должна располагаться в непосредственной близости от автозала.
Помещение охранной сигнализации должно располагаться вблизи кросса.
15.15. Абонентский отдел должен быть расположен на первом этаже и иметь свободный доступ клиентуры.
15.16. Цеха: линейно-кабельный, эксплуатации абонентских устройств и эксплуатации таксофонов, обслуживающие определенную группу станционных районов, должны быть сконцентрированы в одном здании.
15.17. Цех развития должен размещаться в общем здании с администрацией ГТС или административного телефонного узла.
15.18. Рабочие места операторов для управления станцией при отсутствии центра управления сетью должны располагаться в помещениях смежных с автозалом и иметь самостоятельный вход.
16.1. Размещение оборудования в автоматных залах и помещениях ЛАЦ должно выполняться с таким расчетом, чтобы свободная площадь, предназначенная для последующего расширения, могла быть, как правило, временно изолирована и использована эксплуатационной службой для других нужд.
16.2. Расположение рядов с оборудованием ОПС, ОПТС, ТС может быть как односторонним, так и двусторонним.
16.3. Ряды располагаются параллельно друг другу.
16.4. Начало отсчета рядов ведется от главного входа в автозал.
16.5. Нумерация стативных рядов должна быть на левой стороне автозала нечетной, а на правой - четной для АТСКУ и ЛАЦ, что определяется при размещении наблюдателя лицом к стороне, от которой начинается отсчет рядов.
16.6. В ЛАЦе стативы в рядах должны быть расположены лицевой стороной к главному входу в зал (со стороны основного входа в здание АТС), а на АТСКУ таким образом, чтобы в соседних рядах они были обращены друг к другу монтажными или лицевыми сторонами, при этом стативы первого ряда должны быть обращены лицевыми сторонами к главному входу.
16.7. Нумерация стативов и рядов станции с программным управлением включает номер зала или порядковый номер станции, номер ряда и порядковый номер или буквенное обозначение статива в ряду.
Порядковый номер одноименных стативов для ЛАЦ должен начинаться с первого ряда, с лицевой стороны слева направо.
16.8. Главный проход автозала должен быть не менее 1200 мм при одностороннем расположении, а при двухстороннем - 1500 мм.
16.10. Размещение ИИС в существующем кроссе должно производиться с соблюдением проходов в соответствии с таблицей 16.1.
Таблица 16.1 - Проходы
|
Расстояние, мм |
|
|
Проход с монтажной стороны столов |
800 |
|
Проход с лицевой стороны столов |
1500 |
|
От торца стола до стены, при наличии бокового прохода с другой стороны |
200 |
16.11. При размещении ИИС на каждые два стола должно предусматриваться место для размещения картотеки размером 400´400 мм.
16.12. В помещениях ввода кабелей необходимо предусматривать металлоконструкции. Их следует устанавливать в один или несколько рядов.
Центральный проход между металлоконструкциями должен быть не менее 1,5 м (между концами консолей), а боковые проходы (между концами консолей и стеной) - не менее 0,8 м.
Расстояние между консолями по вертикали должно быть не менее 0,2 м, а расстояние от пола до первой консоли - 0,3 м (при горизонтальной распайке кабелей) или 0,15 м (при вертикальной распайке кабелей).
16.13. Размещение оборудования кросса.
16.13.1. Размещение кросса в помещении кросса или в автозале необходимо производить при соблюдении следующих условий:
- расстояние между стеной и торцом кросса не менее 1000 мм;
- расстояние между станционной стороной кросса и стеной не менее 1000 мм;
- расстояние между линейной стороной кросса и стеной не менее 1200 мм;
- при двустороннем размещении кросса расстояние между рядами не менее 1500 мм.
17.1. Здания АТС должны быть не ниже II степени огнестойкости. ПС емкостью до 1000 номеров и ОС емкостью до 200 номеров возможно размещать в зданиях III степени огнестойкости.
17.2. Число эвакуационных выходов из здания и с каждого этажа следует принимать в соответствии с требованиями СНиП 21-01-97.
17.3. Планировочные и конструктивные решения зданий связи, размеры дверных приемок, лестничных клеток и коридоров должны предусматривать возможность монтажа и демонтажа оборудования связи, электротехнического и санитарно-технического оборудования как на период строительства, так и эксплуатации с учетом норм пожарной безопасности. Необходимость транспортных и монтажных проемов определяется технологией.
Монтажные проемы в наружных стенах, как правило, совмещаются с оконными проемами. Для оборудования АТСЭ не менее 1,8 м по высоте и 1,2 м по ширине.
Монтажные проемы во внутренних стенах и перегородках, как правило, совмещаются со стандартным дверным заполнением.
Для оборудования АТСЭ не менее 2,1 м по высоте и 1,2 м по ширине.
17.4. В многоэтажных зданиях связи высотой более 15 м от планировочной отметки земли до отметки чистого пола верхнего этажа, требующих постоянного пребывания персонала, следует предусматривать грузопассажирские лифты, количество, размеры и грузоподъемность которых определяется грузопотоком, габаритами и весом мелкогабаритного транспортируемого оборудования. Разовый подъем крупногабаритного оборудования на этаже (при монтаже станции) может быть осуществлен посредством стационарного мачтового грузопассажирского подъемника или другого вида подъемного механизма, доставляемого к зданию на период монтажа оборудования.
17.5. Ограждающие конструкции зданий связи следует проектировать с учетом требований СНиП II-3-79.
17.6. Над помещениями, где устанавливается аппаратура связи, электроустановки не допускается размещать помещения, связанные с потреблением воды (туалеты, умывальные, душевые, кондиционеры, столовые и буфеты).
17.7. Через помещения ввода кабелей не допускается прокладка силовых кабелей и транзитных инженерных коммуникаций.
17.8. Технологические требования к помещению аккумуляторной, выпрямительной и дистилляторной принимаются в соответствии с правилами устройств электроустановок (ПУЭ) и ВСН-332-93.
17.9. Междуэтажные перекрытия над помещениями ввода кабелей должны быть газонепроницаемыми, при этом следует учитывать технологические требования к указанным помещениям, приведенным во «Временных рекомендациях по предотвращению попадания газа в помещения ввода кабелей предприятий связи» и «Руководстве по герметизации вводов кабелей предприятий связи», Минсвязи СССР.
Междуэтажное перекрытие над помещениями аккумуляторной, кислотной, электролитной и тамбуров к ним также должны быть газонепроницаемыми.
17.10. В помещениях справочного зала АСПС конструкция пола должна обеспечивать размещение подпольных коммуникаций (труб, каналов).
17.11.1. Полы должны быть ровными, беспыльными, легко поддающимися очистке пылесосом и допускающие влажную уборку.
17.11.2. Поверхность стен и потолков должна быть гладкая из материалов, не выделяющих пыль и допускающих систематическую очистку от пыли.
17.11.3. Заполнения оконных и дверных проемов должны быть герметизированы уплотняющими прокладками в притворах и фальцах.
Допустимый уровень шума на рабочем месте в производственных помещениях должен соответствовать требованиям ГОСТ 12.1.003-83 и ведомственных норм допустимого шума на предприятиях связи, утвержденных МС СССР № 19 от 16.01.84 г.
При размещении АТС в зданиях другого назначения ограждающие конструкции помещений следует принимать из условия снижения уровня шума в помещениях до допустимого уровня в соответствии с СНиП II-12-77 «Защита от шума».
17.13. В производственных помещениях количество выходов из них определяется в соответствии с СНиП 21-01-97 «Пожарная безопасность зданий и сооружений» п. 6.12 и СНиП 2.09.02-85 «Производственные здания» п. 2.26.
17.14. Естественная освещенность помещения АТС принимается в соответствии главой СНиП 23-05-95 «Естественное и искусственное освещение» и условиями максимальной изоляции технологического оборудования от наружной среды, защита от инсоляции, проникновения пыли, продувания и т.п.
Коэффициенты естественной освещенности КЕО для различных помещений приведены в таблице 17.1.
Таблица 17.1 - Коэффициенты естественной освещенности для различных помещений
|
Коэффициент естественного освещения (КЕО) % при боковом освещении |
|
|
1. Автозал |
не нормируется |
|
2. Кросс |
0,5 |
|
3. Помещение ввода кабелей (шахта) |
не нормируется |
|
4. Компрессорная |
не нормируется |
|
5. Выпрямительная |
0,1 |
|
6. Аккумуляторная с кислотной |
не нормируется |
|
7. Дистилляторная |
не нормируется |
|
8. Комната ЗИП |
не нормируется |
|
9. Диспетчерская |
1,0 |
|
10. Комната инженерно-технического персонала |
1,0 |
|
11. Аппаратная охранной сигнализации |
0,1 |
|
12. Справочный зал |
1,5 |
|
13. Комната производственного контроля |
1,0 |
|
Примечания 1) для кроссов, размещаемых в здании АТС без постоянного присутствия обслуживающего персонала, КЕО = 0; 2) для выносных концентраторов и мультиплексоров (подстанций) КЕО = 0. |
|
17.15. В производственных, помещениях, где естественное освещение не требуется (автозал и др.), но оконные проемы предусмотрены по архитектурным соображениям, проемы должны быть оборудованы солнцезащитными устройствами (жалюзи, шторы и др.) для уменьшения притока тепла от солнечной радиации.
17.16. Искусственная освещенность помещения АТС принимается в соответствии с требованиями главы СНиП «Естественное и искусственное освещение» и Инструкции по проектированию искусственного освещения предприятий связи (ВСН 45.122-77).
17.17. Аварийное освещение в зданиях АТС следует предусматривать на рабочих местах согласно перечню, приведенному в таблице 17.2, а для эвакуации людей - по нормам главы СНиП «Естественное и искусственное освещение. Нормы проектирования».
Таблица 17.2 - Аварийное освещение в зданиях АТС
|
Рабочие места |
|
|
Диспетчерская |
Рабочие места |
|
Кросс |
ИИС |
|
Справочный зал |
Справочные столы |
17.18. В помещениях аккумуляторных батарей и выпрямительных должно быть исключено попадание солнечных лучей на выпрямители и аккумуляторы.
17.19. Основные нормативные данные производственных помещений, где отражены требования к покрытию пола и внутренней отделке, приведены в табл. 17.3.
17.20. Чистое покрытие пола производственных помещений должно быть с антистатическим сопротивлением 1·106 Ом, обеспечивающим стекание и отвод электростатического электричества.
Таблица 17.3 - Основные нормативные данные производственных помещений
|
Нормативная высота пола до выступающих частей потолка, мм2 |
Нормативная нагрузка на перекрытие, кг/м2 |
Тип покрытия пола |
Внутренняя отделка стен и потолков |
Примечание |
|
|
Автозал, ЛАЦ, кросс, аппараты охранной сигнализации |
Прим. 1 |
Прим. 1 |
линолеум 1 статически проводимый |
улучшенная водоэмульсионная или масляная краска |
Материалы должны быть с коэффициентом удельного сопротивления не менее 1·106 Ом |
|
Диспетчерская |
-"- |
-"- |
-"- |
-"- |
|
|
Помещения ввода кабеля |
3,5 м при верт. расположении разветвительных муфт (перчаток); 2,5 при гориз. |
-"- |
Цементно-песчаный с железнением |
Известковая побелка или водоэмульсионная покраска |
|
|
Дизельная |
-"- |
-"- |
-"-. Керамическая плитка |
-"- |
|
|
Компрессорная |
-"- |
-"- |
|||
|
Выпрямительная, эл. щитовая |
-"- |
-"- |
плиточный |
Водоэмульсионная или масляная краска |
При установке в автозале - см. в п. 1 |
|
Аккумуляторная и кислотная |
-"- |
-"- |
кислотоупорная плитка |
кислотоупорная покраска |
|
|
Дистилляторная |
-"- |
-"- |
плиточный |
водоэмульсионная покраска |
|
|
Справочная служба: - линейный зал - комнаты производственного контроля |
антистатический линолеум |
звукопоглощающее покрытие водоэмульсионная покраска |
|||
|
Комната инженерно-технического персонала, комната ЗИП |
линолеум |
водоэмульсионная покраска |
|||
|
Службы ГTC: кабельная мастерская, цех эксплуатации абонентских устройств, кабельно-канализационный, эксплуатации таксофонов, ЦР, производственная лаборатория, мастерская по ремонту телефонных аппаратов и другие производственные помещения |
линолеум |
водоэмульсионная покраска |
|||
|
Административные помещения |
линолеум |
-"- |
|||
|
Примечания 1. Нормативные высота и нагрузки на перекрытие определяются в конкретном случае при наличии типа оборудования, фирмы поставщика оборудования и расстановки оборудования. 2. Расчет нормативных нагрузок на перекрытие производится в соответствии с СНиП 2.01.07-85. |
|||||
17.21. Минимально допустимые высоты помещений, допускаемые технологическим оборудованием, должны округляться до ближайшей модульной высоты этажа.
17.22. В нормативную нагрузку на перекрытие входит:
- постоянная нагрузка - эквивалентная длительно действующей нагрузке от устанавливаемого оборудования (вес оборудования с кабелем и желобами);
- внешняя нагрузка, состоящая из:
а) монтажной нагрузки (для зданий связи - 1,5 кПа (150 кг/м2);
б) кратковременной нагрузки от веса людей - 1,0 (100 кг/м2).
Собственный вес конструкции перекрытия в нормативную нагрузку не входит. Коэффициент надежности по нагрузке для веса оборудования следует принимать по СНиП 2.01.07-85.
В реконструируемых и приспосабливаемых помещениях коэффициент надежности по нагрузке принимается равным 1,2.
При приспособлении существующих помещений для размещения технологического оборудования связи необходимо проверить несущую способность перекрытия в зависимости от фактического размещения технологического оборудования с учетом временной нагрузки.
17.23. В производственных помещениях распаковка оборудования запрещается. Распаковка должна производиться в помещении, расположенном смежно или поблизости от производственных помещений.
Для распаковки может быть использован коридор или другое помещение (комната инженерно-технического персонала и т.п.)
17.24. Производственные помещения АТС должны отделяться от других помещений несгораемыми стенами или перегородками с пределом огнестойкости не менее 0,75 часа.
Аналогичными стенами и перегородками должны быть отделены помещения АТС от остальных помещений при размещении ее в административном или общественном здании.
Входы в помещения встроенных АТС должны быть отдельными.
17.25. В сейсмических районах здания предприятий связи должны быть запроектированы на расчетную сейсмическую нагрузку с учетом природных факторов, усугубляющих сейсмическое воздействие (район строительства, неблагоприятные геологические условия, форму сооружения в плане и т.п.).
17.26. Отопление, вентиляцию и кондиционирование воздуха следует проектировать в соответствии с требованиями СНиП 2.04.05-91 по технологическому заданию.
17.27. В зданиях АТС следует, как правило, предусматривать центральное водяное отопление.
17.28. Для производственных помещений с теплоизбытками в холодный период следует предусматривать:
- устройства для отключения системы отопления;
- температуру на поверхности нагревательных приборов не более 95 °С;
- нагревательные приборы с легко очищаемой поверхностью.
17.29. Расчетная температура воздуха для отопления и кратность воздухообмена в помещениях определяется по таблице 17.4.
17.30. В помещениях, где предусматриваются пылезащитные мероприятия, следует предусматривать превышение притока над вытяжкой на 20 %, но не более 1,5 кратного воздухообмена и не менее 100 м3/час на каждую дверь помещения.
17.31. В помещениях (кроме аккумуляторной) зданий городских телефонных станций емкостью 1000 номеров и менее и зданий отделений связи общим объемом 2500 м3 и менее должна предусматриваться естественная вентиляция в объеме 1 кратного воздухообмена в час.
17.32. Для помещений с оборудованием АТСЭ следует предусматривать очистку приточного воздуха от пыли в соответствии с технологическими требованиями к чистоте воздуха. Для остальных помещений очистку приточного воздуха от пыли следует осуществлять в фильтрах III класса. Применение масляных фильтров не допускается.
17.33. В помещениях ввода кабелей должна предусматриваться подача воздуха в нижнюю зону помещения. В холодный период воздух подается без подогрева. Удаление воздуха должно осуществляться из верхней зоны помещения. Установка заслонок и шиберов на воздуховодах не допускается.
В помещении ввода кабелей допускается размещение датчиков определения загазованности, затопляемости и распределительных стативов с сигнализаторами аварийного расхода воздуха, выполненными во взрывозащищенном исполнении.
17.34. Расчет воздухообмена в аккумуляторной следует выполнять при обеспечении ПДК серной кислоты 1 мГ/м3 и водорода до 0,4 % (0,1 от нижнего концентрированного предела распределения пламени) при заряде самой большой батареи и одновременном подзаряде всех остальных батарей.
В тамбуре-шлюзе аккумуляторной категории «А» следует обеспечивать подпор воздуха согласно СНиП 2.04.05-91.
Таблица 17.4 - Расчетная температура воздуха для отопления и кратность воздухообмена
|
Расчетная температура воздуха в помещении для отопления, °С |
Кратность воздухообмена |
|
|||
|
приток воздуха |
удаление воздуха |
|
|||
|
1. Помещения с электронным оборудованием: автозал, аппаратная охранной сигнализации, ЛАЦ, комната ЗИП |
51) (дежурное отопление) |
по расчету на ассимиляцию термоизбытков в соответствии с технологическими требованиями и СНиП 2.04.05-91 |
|
||
|
2. Диспетчерская |
18 |
|
|||
|
3. Комната инженерно-технического персонала: мастерская по ремонту телефонных аппаратов; цех эксплуатации абонентских устройств; цех кабельно-канализационный; комната производственного контроля; группа технического учета; измерительная группа; цех развития; абонентный отдел; производственная лаборатория; комната измерительных приборов; группа ЭПУ; кабельная мастерская; телетайпная |
18 |
1,5 |
1,5 |
|
|
|
4. Справочный зал при числе работающих: |
1,5 |
1,5 |
|
||
|
но не менее 30 м3/ч наружного воздуха на 1 человека по расчету на ассимиляцию теплоизбытков с температурой в рабочей зоне не более 25 °С |
|||||
|
а) 30 человек и менее |
18 |
|
|||
|
б) более 30 человек |
18 |
|
|||
|
5. Помещение ввода кабелей |
10 |
1,5 |
1,5 |
|
|
|
6. Компрессорная |
10 |
1 |
- |
|
|
|
7. Кросс |
18 |
1 |
1 |
|
|
|
8. Аккумуляторная с кислотными аккумуляторами |
10 |
по расчету см. п. 17.35 |
|
||
|
9. Кислотная |
10 |
- |
2 |
|
|
|
10. Дистилляторная |
- |
- |
1 |
|
|
|
11. Выпрямительная |
51) (дежурное отопление) |
по расчету на ассимиляцию теплоизбытков по допустимым параметрам |
|
||
|
1) Температура воздуха должна быть не ниже 18 °С при начальном этапе установки технологического оборудовать. На период монтажа и наладки оборудования температуру воздуха 18 °С следует поддерживать переносимыми электронагревательными приборами. |
|
||||
|
|||||
17.35. Категории помещений по взрывной, взрывопожарной и пожарной опасности должны определяться расчетом, в каждом конкретном случае в соответствии с НПБ 105-95.
17.36. Категории технологических электроприемников предприятий проводной связи ГТС и СТС по обеспечению надежности их электроснабжения приведены в ВСН-332-93 таблице 3.1. Допускается оператору применять более высокие категории электроснабжения.
При включении абонентов ОУ-ПД и ЦСИС категория уточняется с заказчиком.
17.37. Необходимость и объемы телефонизации, часофикации и радиофикации помещений станций ГТС и СТС определяются заказчиком.
17.38. Все помещения зданий АТС ГТС и СТС на первом этаже здания должны быть оборудованы автоматической охранной сигнализацией на разбитие стекол, входная дверь в здании - на открывание. На ГТС - с выводом на пульт охранной сигнализации, на СТС - без вывода, с организацией наружной шумовой сигнализации.
17.39. Здания АТС, подлежащие передаче под охрану органам внутренних дел, должны иметь систему укрепленности, проектируемую согласно документу МВД РД-78.147-93.
17.40. Группы санитарной характеристики производственных процессов для различных помещений согласно СНиП 2.09.04-87 представлены в таблице 17.5.
Таблица 17.5 - Группы санитарной характеристики производственных процессов
|
Группа санитарной характеристики производственных процессов |
|
|
1. Автоматный зал ОПС, ТС, ОПТС |
1а |
|
2. Линейно-аппаратный цех |
1а |
|
3. Кросс |
1а |
|
4. Помещение ввода кабелей (шахта) |
1б |
|
5. Компрессорная |
IIIа |
|
6. Выпрямительная |
1б |
|
7. Аккумуляторная |
IIIа |
|
8. Кислотная и тамбур |
IIIа |
|
9. Дистилляторная |
- |
|
10. Диспетчерская |
1а |
|
11. Комната ЗИП |
1а |
|
12. Комната инженерно-технического персонала и хранения |
1а |
|
13. Аппаратная охранной сигнализации |
1а |
|
14. Дизельная |
1б |
|
15. Справочный зал |
1а |
|
16. Комната производственного контроля |
1а |
17.41. Перечень помещений, зданий ГТС и СТС, подлежащих оборудованию установками автоматического пожаротушения (АУПТ) и обнаружения пожара (АУОП) определен в соответствии с НПБ 110-99 и представлен в таблице 17.6.
Кроме того, автоматическими установками пожаротушения должны быть оборудованы АТС с коммутационным оборудованием на 10000 и более номеров, а также коммутационные системы, выполняющие транзитные функции (узлы исходящего и входящего сообщения и т.п.).
17.42. Выбор средств пожаротушения определяется технологическими требованиями и технико-экономическими обоснованиями.
17.43. Линейные сооружения пожарной сигнализации проектируются на основании с СНиП 2.04.09-84, ПУЭ, НТБ и «Руководства по строительству линейных сооружений местных сетей связи» ССКТБ-ТОМАС, 1995 г.
17.44. Для передачи пожарной сигнализации на центр приема пожарной; сигнализации следует использовать возможности АТСЭ.
17.45. Для сообщения о возникновении пожара с целью организации своевременной эвакуации людей здание АТС оборудуют системами звукового и светового оповещения о пожаре (СО). При проектировании СО следует руководствоваться НПБ 104-95.
17.46. При проектировании систем пожарной сигнализации должно быть предусмотрено оборудование, обеспечивающее автоматическое отключение систем вентиляции и пуск системы дымоудаления при пожаре в защищаемых помещениях.
17.47. Сигналы о срабатывании автоматической охранной сигнализации выводятся на пульт охранной сигнализации, расположенный в помещении с круглосуточным нахождением персонала.
Таблица 17.6 - Перечень помещений, зданий ГТС и СТС, подлежащих оборудованию установками автоматического пожаротушения (АУПТ) и обнаружения пожара (АУОП)
|
Первичный признак пожара |
АУПТ |
АУОП |
||
|
тепло |
дым |
|||
|
1. Производственные помещения станций ГТС |
||||
|
1. Автоматный зал (автозал) ОПС, ТС, ОПТС и подстанции |
+ |
При емкости 10000 №№ и более |
При емкости менее 10000 №№ |
|
|
2. Кросс |
+ |
-«- |
-«- |
|
|
3. Линейно-аппаратный цех ЛАЦ |
+ |
При 50 трактах цифровой системы передачи и более |
При менее 50 трактах цифровой системы передачи |
|
|
4. Помещение ввода кабелей (шахта) |
+ |
- |
+ |
|
|
5. Компрессорная |
+ |
- |
+ |
|
|
6. Выпрямительная |
+ |
- |
+ |
|
|
7. Аккумуляторная |
- |
- |
||
|
8. Кислотная и тамбур |
- |
- |
||
|
9. Дистилляторная |
- |
- |
||
|
10. Диспетчерская |
+ |
- |
+ |
|
|
11. Комната ЗИП |
+ |
- |
+ |
|
|
12. Комната инженерно-технического персонала |
+ |
- |
+ |
|
|
13 Аппаратная охранной сигнализации |
- |
+ |
||
|
Производственные помещения справочной службы |
||||
|
14. Справочный зал |
+ |
+ |
- |
+ |
|
15. Комната производственного контроля |
+ |
- |
+ |
|
|
Производственные помещения служб ГТС |
||||
|
Линейно-кабельный цех |
||||
|
16. Начальник цеха и секретарь |
+ |
- |
+ |
|
|
17. Кабельная мастерская |
+ |
- |
+ |
|
|
18. Группа технического учета |
+ |
- |
+ |
|
|
19. Измерительная группа |
+ |
- |
+ |
|
|
20. Комната измерительных приборов |
+ |
- |
+ |
|
|
Станционный цех |
||||
|
21. Начальник цеха и секретарь |
+ |
- |
+ |
|
|
22. Группа аппар. систем передачи |
+ |
- |
+ |
|
|
23. Помещение для приборов и оборудования |
+ |
- |
+ |
|
|
Цех (участок) эксплуатации абонентских устройств |
||||
|
24. Начальник цеха (участка) |
+ |
- |
+ |
|
|
25. Мастерская по ремонту телефонных аппаратов |
+ |
- |
+ |
|
|
26. Помещение для обслуживания персонала |
+ |
- |
+ |
|
|
27. Кладовая инструмента и запчастей |
+ |
- |
+ |
|
|
Участок (цех) эксплуатации таксофонов |
||||
|
28. Начальник участка (цеха) |
+ |
- |
+ |
|
|
29. Мастерская по ремонту таксофонов |
+ |
- |
+ |
|
|
30. Помещение для обслуживающего персонала |
+ |
- |
+ |
|
|
31. Кладовая инструмента и запчастей |
+ |
- |
+ |
|
|
Цех развития |
||||
|
32. Начальник цеха |
+ |
- |
+ |
|
|
33. Цех развития |
+ |
- |
+ |
|
|
34. Абонентный отдел |
+ |
- |
+ |
|
|
35. Производственные лаборатории |
+ |
- |
+ |
|
|
Производственные помещения станций СТС |
||||
|
36. Автозал |
+ |
- |
+ |
|
|
37. Кросс |
+ |
- |
+ |
|
|
38. Выпрямительная |
+ |
- |
+ |
|
|
39. Помещение ввода кабеля |
+ |
- |
+ |
|
|
40. Компрессорная |
+ |
- |
+ |
|
|
41. Аккумуляторная |
+ |
- |
- |
|
|
42. Справочная |
+ |
- |
+ |
|
|
43. Кислотная |
- |
- |
||
|
44. Дистилляторная |
- |
- |
||
|
45. Комнаты инженерно-технического персонала |
+ |
- |
+ |
|
|
Производственные помещения служб СТС |
||||
|
46. Группа эксплуатации абонентских устройств |
+ |
- |
+ |
|
|
47. Группа эксплуатации линейных сооружений |
+ |
- |
+ |
|
|
48. Группа эксплуатации таксофонов |
+ |
- |
+ |
|
|
49. Группа развития и ремонта |
+ |
- |
+ |
|
|
50. Группа технического учета |
+ |
- |
+ |
|
|
51. Абонентный отдел |
+ |
- |
+ |
|
|
52. Производственная или измерительная лаборатория |
+ |
- |
+ |
|
|
53. Помещение дизельной электростанции |
+ |
- |
+ |
|
|
54. Трансформаторная подстанция |
- |
|||
|
с трансф. масл. и |
+ |
+ |
||
|
с трансф. сухими |
+ |
+ |
||
17.18. Уровни индустриальных радиопомех, создаваемых оборудованием связи, не должны превышать установленных в нормах 8-95 и 9-93.
17.49. Оборудование проводной связи должно быть устойчиво к воздействию внешних электромагнитных помех согласно ГОСТ Р50 932 и рекомендациям К.20, К.21 МСЭ-Т.
17.49.1. Уровни внешних электромагнитных помех, воздействующих на оборудование станции в местах его установки, не должны превышать указанных в ГОСТ Р50 932, рекомендациях К.20, К.21 МСЭ-Т.
18.1. Требования к внутристанционной проводке.
18.1.1. Марки применяемых станционных кабелей и проводов должны соответствовать требованиям действующих ГОСТ.
18.1.2. Межстоечные соединения цепей тональной частоты АТСЭ, аппаратуры систем передачи должны выполняться станционными низкочастотными кабелями в оболочке из пластиката пониженной горючести (типа ТСВнг).
18.1.3. При проектировании и монтаже межстоечных соединений аппаратуры цифровых систем передачи должны выполняться следующие условия:
- цепи приема и передачи цифрового канала необходимо разносить по разным кабелям;
- при подключении к аналоговой АТС, при наличии сигнального канала, цепи приема и передачи сигнального канала должны выполняться в одной паре кабеля.
18.1.4. Для индукторных и зуммерных цепей на участке от СВУ до рядовых сборных рамок АТС координатного и декадно-шагового типа должны предусматриваться экранированные провода. Для сигнальных цепей по остальным участкам АТС прокладываются станционные низкочастотные кабели и провода.
18.1.5. Для аналоговых высокочастотных и цифровых цепей должны применяться высокочастотные экранированные кабели (типа КВСМ, КВМ ПЭВ, КВС ПЭВ и др.).
18.1.6. На минусовых магистральных шинах в ЛАЦ должны быть установлены контрольно-измерительные щиты (КИЩ).
18.1.7. Сеть ремонтного освещения с напряжением не выше 42 В должна предусматриваться в производственных помещениях АТС, ЛАЦ со стативным оборудованием для питания переносных светильников и электропаяльников.
18.1.8. Сеть местного (рядового) освещения проектируется для станций, комплектуемых оборудованием рядового освещения промышленного изготовления.
На АТС, в комплектации которых оборудование рядового освещения отсутствует, местное освещение предусматривается от штепсельных розеток ремонтного освещения.
18.1.9. Соединение низкочастотных цепей, на промежуточных устройствах (кросс, промщиты, вводно-коммутационные устройства, стойки промежуточных переключений) должны производиться кроссовым проводом с медными жилами.
18.1.10. Составление схем кроссировок на промщитах должно производиться по действующим инструкциям.
18.1.11. При поставке в комплексе импортного оборудования требования к внутристанционной проводке должны быть изложены в ТУ на конкретное оборудование.
18.1.12. Проектирование токораспределительной сети осуществляется в соответствии с ВСН 332-93.
18.2. Требования к заземлению.
18.2.2. Линейные сооружения: кабельные распределительные шкафы, телефонные кабельные ящики, абонентские защитные устройства, металлические оболочки и экраны кабелей, проложенных в кабельной канализации, металлические оболочки и тросы подвесных кабельных линий, металлические оболочки и бронепокровы подземных кабелей, экраны станционных кабелей типа ТСВ, опоры столбовых линий местной связи, перечисленные в «Правилах», указанных в пункте 18.3.1б, а также необслуживаемые регенерационные пункты должны быть оборудованы защитными заземляющими устройствами, сопротивление которых следует принимать в соответствии с ГОСТ 464-79 «Заземления для стационарных установок проводной связи, радиорелейных станций, радиотрансляционных узлов и антенн систем коллективного приема телевидения».
18.3. Требования по защите кабельных линий.
18.3.1 Защита кабельных линий СТС и ГТС должна осуществляться:
а) от опасных и мешающих напряжений и токов согласно:
1) Требованиям ГОСТ 5238-81;
- Правил защиты устройств проводной связи, железнодорожной сигнализации и телемеханики от опасных и мешающего влияния линий электропередач;
- Руководства по защите систем передачи от мешающего влияния радиостанций, Минсвязи СССР;
- Правил защиты устройств проводной связи и проводного вещания от влияния тяговой сети электрических железных дорог временного тока, Минсвязи СССР;
- Правил защиты устройств проводной связи от влияния тяговой сети электрических железных дорог постоянного тока, Минсвязи СССР;
- Нормы допустимых продольных ЭДС, индуктируемых на участках сближения кабельных линий, по которым организованы линейные тракты систем передачи с ЛЭП и с электрифицированными железными дорогами приведены в ТУ на аппаратуру систем передачи СТС.
2) Требованиям:
- Руководства по проектированию и защите от коррозии подземных металлических сооружений связи, Минсвязи СССР;
- Рекомендаций по совместной защите от коррозии подземных металлических сооружений связи и трубопроводов, Минсвязи СССР;
- Правил по охране труда при работах на кабельных линиях связи и проводного вещания (радиофикации) ПОТ РО-45-003-95.
б) от ударов молний - согласно требованиям «Руководства по защите металлических кабелей от ударов молний», Госкомсвязи РФ, 1997 г.; «Руководства по защите оптических кабелей от ударов молнии», Минсвязи РФ 1996 г.; «Правил технического обслуживания и ремонта линий кабельных, воздушных и смешанных местных сетей связи», Минсвязи РФ, 1996 г.
Примечание. Кроме указанных в подпунктах «а - б» документов при разработке проектов необходимо также учитывать требования:
- Рекомендаций по одновременной защите кабелей связи от коррозии, ударов молнии и электромагнитных влияний, Минсвязи СССР;
- Временных указаний по защите персонала и сооружений связи и радиофикации на участках пересечения и сближения с линиями электропередачи 750 кВ, Минсвязи СССР;
- Правил устройства электроустановок (ПУЭ) - разделы П3, 4 и 5, Главгосэнергонадзор, 1998 г.
18.3.2. При установке дополнительной защиты и кроссе следует руководствоваться требованиями нормативных документов, указанных в п. 18.3.1 и ТУ на коммутационное оборудование конкретного типа.
В районах, классифицированных как «не подверженные влияниям» (низкая грозодеятельность, высокая удельная проводимость земли, АЛ и СЛ проложены только в канализации и коллекторе, наличие подземных металлических конструкций, труб водопровода, бронированных кабелей и т.п.) дополнительная защита не требуется. Исключение составляют случаи, когда разработчик коммутационного оборудования требует установку электрической защиты в кроссе в соответствии с ТУ на коммутационное оборудование конкретного типа.
В регионах, классифицированных как «подверженные влияниям» (высокая грозодеятельность, низкая удельная проводимость земли, воздушные и/или смешанные физические АЛ и СЛ) требуется установка в кроссе дополнительной защиты по напряжению до уровней не более 1000 В (или до величины указанной в ТУ на коммутационное оборудование конкретного типа).
Для повышения стойкости АТС Э, абонентские комплекты которых могут выходить из строя при аварийном попадании в цепь АЛ напряжения сети электропитания 230 Вэфф, по требованию заказчика, в кроссе может устанавливаться дополнительная защита по току, в соответствии с ТУ на коммутационное оборудование конкретного типа, обеспечивающая отсутствие повреждения АК.
19.1. Для исключения и возмещения ущерба, наносимого природной среде и для исключения возникновения нежелательных экологических воздействий в проектах электронных телефонных АТС при проектировании места размещения аккумуляторов должны быть использованы строительные нормы и санитарно-технические нормы из «Правил устройства электроустановок» (ПУЭ) издание Главгосэнергонадзор, 1999 г.
19.2. Аккумуляторы, стоящие на станции, должны обслуживаться в соответствии с «Правилами технической эксплуатации электроустановок потребителем», Минэнерго, 1992 год и в соответствии с «Инструкцией по техническому обслуживанию и настройке электроустановок на городских телефонных сетях», часть 1 «Эксплуатация оборудования электропитающих установок», изданная главным управлением городской и сельской телефонной связью Минсвязи СССР в 1985 году.
19.3. При демонтаже свинцовых аккумуляторов в рабочих проектах и в рабочей документации необходимо включать требования о нейтрализации электролита перед его сливом в канализацию.
19.4. Для исключения и возмещения наносимого природной среде ущерба и возникновения нежелательных экологических последствий, особенно в наиболее ранимых и опасных районах (заповедники, национальные парки, места миграции ценных животных, нерестилища рыб ценных пород, береговые зоны морей, рек, районы вечной мерзлоты, горная местность с ссыпными и камнепадными проявлениями и др.), в проектах строительства линейно-кабельных сооружений связи должны, по согласованию с соответствующими организациями, предусматриваться природоохранные мероприятия или средства по компенсации причиненного ущерба.
19.5. При разработке траншей и котлованов для прокладки по сельскохозяйственным угодьям (пашня, пастбища и др.) и землям лесных хозяйств, по согласованию с землепользователями, должны предусматриваться мероприятия по рекультивации временно отводимых на период строительства земель и средства на восстановление плодородного слоя почвы.
19.6. При разработке мероприятий по рекультивации земель, охране недр и животного мира необходимо руководствоваться требованиями государственных и отраслевых регламентирующих документов по охране недр, животного мира и восстановлению земель, а также утвержденным Минсвязи РФ методическим руководством «Рекультивация земель, нарушаемых при строительстве объектов связи» и СНиП 11-01-95.
19.7. В проектах кабельных переходов через водные преграды должны предусматриваться мероприятия, исключающие возможность загрязнения окружающей среды, а также обеспечивающие сохранение рыбных запасов при их строительстве согласно рекомендациям методического руководства по проектированию Минсвязи СССР «Кабельные переходы связи через водные преграды с учетом требований охраны окружающей среды».
19.8. Коммутационное оборудование не оказывает вредного воздействия на человека и на природу.
19.9. Излучение монитора должно соответствовать санитарным нормам.
20.1. При проектировании городских и сельских телефонных сетей должно предусматриваться:
1) по станционным сооружениям:
- размещение оборудования в технических помещениях с обеспечением нормируемых проходов, представленное в п. 16.9 данного документа;
- наличие эвакуационных выходов из здания согласно п. 17.2;
- заземление всех металлоконструкций здания, в котором размещается АТС Э, а также заземление самого оборудования станции в соответствии с п. 18.2.1;
- естественное и искусственное освещение производственных, подсобных помещений, лестничных площадок, а также аварийное освещение в соответствии с п. 17.14 ÷ 17.17;
- допустимый уровень шума в производственных помещениях согласно п. 17.12; в помещениях, где уровень шума превышает допустимые пределы, необходимо предусмотреть звукопоглощающие покрытия стен и потолков;
- меры защиты помещений от пыли, позволяющие поддерживать запыленность воздуха в норме, (в соответствии с п. 17.11);
- установка необходимых вентиляционных и отопительных устройств согласно п. 17.26;
- применение комплекса защитных средств: диэлектрических ковриков, перчаток, предупреждающих плакатов и др. для защиты обслуживающего персонала от поражения электрическим током;
- применение стремянок и т.п. для обслуживания оборудования на высоте;
- применение для проведения ремонтных и профилактических работ пониженного напряжения 42 В для переносных ламп и ручного инструмента;
- напряженность электромагнитных полей оборудования станции не должна превышать предельно допустимые уровни, установленные в СанПин 2.2.4/2.1.8.055-96;
- в проектной документации на строительство станционных сооружений связи для предотвращения распространения пожара из помещения в помещение необходимо предусматривать заполнение свободного пространства, оставшегося после прокладки кабелей и проводов в проемах или трубах между помещениями, в том числе между этажами, легко удаляемыми негорючими материалами (минеральной ватой и др.).
2) по линейным сооружениям:
- в проектной документации на строительство линейно-кабельных сооружений связи и проводного вещания должны предусматриваться мероприятия, приведенные в «Правилах по охране труда при работах на кабельных линиях связи и проводного вещания (радиофикации)» ПОТ РО-45-005-95, Москва, 1996 г.;
- устройство заземлений для защиты угловых, переходных, мачтовых опор, заземление металлических оболочек и экранов кабелей, металлических оболочек и тросов, бронепокровов, кожухов, шкафов, металлических кабельных конструкций, необслуживаемых регенерационных пунктов, в соответствии с п. 18.2.2 данного документа;
- устройство заземлений и искровых разрядников на подходах воздушных линий к телефонным станциям, а также к кабельным вводам;
- прокладка защитных тросов, прокладка кабелей в металлических трубах при проектировании трасс кабелей связи в зоне опасного влияния высоковольтных линий в соответствии с п. 18.3.1 данного документа;
- в рабочей документации должны указываться опасные, с точки зрения техники безопасности, места по трассе прокладки линейных кабелей (охранные зоны подземных линейных сооружений и пересечений - с газопроводами, нефтепроводами, водопроводами, силовыми кабелями, магистральными кабельными линиями связи, высоковольтными линиями электропередачи) и определяться требования к способам и порядку выполнения строительно-монтажных работ в строгом соответствии с проектными решениями и условиями согласований эксплуатационных организаций или владельцев указанных подземных и наземных линейных сооружений.
Должны делаться предупредительные надписи: например, «Осторожно, ВП», «Осторожно, газопровод» и т.п.
21.1. При разработке проектной документации и расчете экономических и финансовых показателей развития связи (новое строительство, расширение, реконструкция) рассчитываются следующие основные технико-экономические показатели:
1) Мощность, тыс. номеров
2) Выбытие мощности, тыс. номеров
3) Эксплуатационные расходы:
всего
среднегодовые
4) Общая стоимость строительства
в том числе CMP
5) Удельные капитальные вложения
6) Стоимость основных производственных фондов
7) Нераспределенная прибыль:
всего
среднегодовая
8) Общая численность работавших, чел.
9) Расход электроэнергии кВт.час/номер
10) Уровень рентабельности, %
11) Срок окупаемости, лет
- по усредненной прибыли
- по чистой текущей стоимости
12) Тарифные доходы, всего и среднегодовые значения
13) Производительность труда в руб./ч
14) Общие инвестиции, руб.
15) Чистая текущая стоимость проекта, руб.
Перечисленные основные технико-экономические показатели рассчитываются на основе данных, полученных от заказчика проекта, по методам, изложенным в «Инструкции по расчету основных технико-экономических и финансовых показателей и заполнения форм-таблиц бизнес-плана на стадиях проектирования для предприятий связи», (3-я редакция).
Данная инструкция основывается на «Методических рекомендациях по оценке эффективности инвестиционных проектов и их отбору для финансирования», утвержденных 31.03.94 г. № 7-12/47 Госкомстатом, Минэкономики, Минфином и Госкомпромом России.
Инструкция рекомендована для использования при разработке проектной документации АО «Связьинвест» письмом № 587 от 15.04.97 г.
21.2. Эксплуатационные расходы включают в себя следующие статьи затрат:
- фонд оплаты труда
- отчисления на социальные нужды
- амортизационные отчисления на полное восстановление
- материальные затраты (включающие затраты материалов, запчастей, топлива, тары и т.п.)
- расходы на электроэнергию.
21.2.1. Прочие расходы включают в себя статьи, определенные в соответствии со СНиП 11-01-95, такие как страхование имущества, ремонт и обслуживание зданий и сооружений и оборудования (или ремонтный фонд), общие хозяйственные расходы, износ нематериальных активов, некоторые виды налогов, представительские и расходы на рекламу, аудит и другие.
21.2.2. Общие производственные расходы (накладные расходы) учитываются в случаях, когда проектируемое сооружение или предприятие является структурным подразделением АО, объединения, концерна и между ними установлена такая система финансирования.
21.2.3. Аренда технических средств учитывается, если проектом предусматривается аренда помещений, соединительных линий и каналов у других предприятий.
(обязательное)

Рисунок А.1 - Максимально допустимые потери на ГТС, лист 1.

Рисунок A.1, лист 2.

Рисунок А.1, лист 3.

* 30 ‰ - для ОС емкостью до 200 номеров
20‰ - для ОС емкостью от 200 до 900 номеров
10 ‰ - для ОС свыше 900 номеров
Рисунок А.2 - Максимально допустимые потери на СТС, лист 1.

* 30 ‰ - для ОС емкостью до 200 номеров
20‰ - для ОС емкостью от 200 до 900 номеров
10 ‰ - для ОС свыше 900 номеров
Рисунок А.2. лист 2.
Примечания
1) Потери внутри станции учитывают суммарные потери на регистр, частотные приемопередатчики, пути между ступенями искания и на самих ступенях искания.
2) ПСЭ, ТСЭ-Э - электронные;
ОСКЭ, ЦСКЭ-КЭ - квазиэлектронные.
3) При организации общего пучка соединительных линий для местной, междугородной связи, связи со спецслужбами и др. принимаются наименьшие величины потерь из указанных для отдельных видов связи.

Рисунок А.3 - Максимально допустимые потери при внутризоновой связи ГТС с СТС
(обязательное)

Примечание:
* - данные по значениям у и z необходимо уточнять по ТУ на оборудование
Рисунок Б.1 - Распределение норм затухания на нерайонированной сети, лист 1.

ААЦСП - аппаратура абонентской цифровой системы передачи
Примечание:
* - данные по значениям z необходимо уточнять по ТУ на оборудование

Рисунок Б.1, лист 2.

* ----- виртуальный четырехпроводный тракт
** в ТЕ, реализующем услугу телефонной связи, имеется дифсистема
*** - данные по значению Z уточняются по ТУ на оборудование
TE: (Terminal Equipment) - оконечное оборудование
NT1 (Network Termination Type 1)- сетевое окончание 1-ого типа
Рисунок Б.2 - Распределение норм затухания при включении в ОПС цифровых интерфейсов ЦСИС
Рисунок Б.3 - Распределение норм затухания на районированных ГТС.

Рисунок Б.4 - Распределение норм затухания на районированной ГТС с узлами входящего сообщения

Рисунок Б.5 - Распределение норм затухания на районированной ГТС с узлами исходящего и входящего сообщения, лист 1

Рисунок Б.5, лист 2.

Рисунок Б.6 - Распределение норм затухания для абонентов междугородной связи ГТС

Рисунок Б.7 - Распределение норм затухания от абонента до справочно-информационных и заказных служб на ГТС
Рисунок Б.8 - Распределение норм затухания от МТС, УИСМ до абонента ГТС
Примечание: затухание существующей АЛ СТС в отдельных случаях составляет 8,0 дБ.
Рисунок Б.9 - Распределение норм затухания на СТС при одноступенчатом радиальном построении

Рисунок Б.10 - Распределение норм затухания на СТС при двухступенчатом радиально-узловом построении, лист 1.

Рисунок Б.10, лист 2.

Рисунок Б.11 - Распределение норм затухания при междугородной связи для абонентов СТС
Рисунок Б.12 - Распределение норм затухания на комбинированной сети при связи с абонентами СТС и ГТС, лист 1.

Рисунок Б.12, лист 2.
Условные обозначения, принятые на рисунках
Станции и узлы телефонной коммутации, содержащие переходное
устройство с 2-х прокатного на 4-х проводный тракт (дифсистема)
аналоговая станция с переходом с 2-х проводного
на 4-х проводный тракт системы передачи
4-х проводный транзит
физическая двухпроводная линия
канал системы передачи
6,0 дБ Затухание абонентской линии на частоте 1000 Гц для проектируемых кабелей с диаметром жил 0,4; 0,5; 0,64 мм
4,0 (5,0) ДБ Затухание абонентской линии на частоте 1000 Гц для существующих кабелей с диаметром жил 0,32 мм (0,4; 0,5; 0,64; 0,7 мм)
Таблица В.1 - Область применения отечественных оптических кабелей
|
Характеристика кабеля |
Марка кабеля |
Число ОВ |
ГОСТ, ТУ |
Область применения |
|
Оптический кабель в полиэтиленовой оболочке без защитного покрытия |
ОКК |
4, 8, 16 |
ТУ-16.К71-084-90 |
Для прокладки в кабельной канализации, трубах, блоках и коллекторах, на мостах, в шахтах |
|
Оптический кабель в полиэтиленовой оболочке, защищенной металлической оплеткой, поверх которой наложена наружная полиэтиленовая или поливинилхлоридная оболочка |
ОККО |
4, 8, 16 |
ТУ-16.К71-084-90 |
То же в том числе в местах, зараженных грызунами |
|
Оптический кабель в полиэтиленовой оболочке с броней из стеклопластиковых стержней, поверх которых наложена наружная полиэтиленовая оболочка |
ОККС |
4, 8, 16 |
ТУ-16.К71-084-90 |
Для прокладки в грунтах всех категорий, в том числе зараженных грызунами (кроме подверженных мерзлотным деформациям), в кабельной канализации, трубах, блоках, коллекторах, на мостах и в шахтах, через неглубокие болота и несудоходные реки, в условиях повышенных электромагнитных влияний |
|
Станционный оптический кабель в поливинилхлоридной оболочке |
ОКС |
1, 2 |
ТУ-16.К71-084-90 |
Для прокладки внутри станций |
|
Оптический кабель в поливинилхлоридной оболочке, поверх которой наложена алюминиевая оболочка, промежуточная оболочка из полиэтилена, броня из круглых стальных проволок и защитный шланг из полиэтилена |
ОККАК |
4, 8 |
ТУ-16.К71-084-90 |
Для прокладки через судоходные реки и болота глубиной более 2 м и в мерзлотных грунтах |
|
Оптический кабель в полиэтиленовой оболочке, поверх которой наложены слои самонесущих армирующих стеклопластиковых прутков и наружная полиэтиленовая оболочка |
ОКСП |
4-64 |
ТУ 3387-002-13173860-97 |
Для подвески на опорах линий связи, контактной сети железных дорог, линий электропередач |
|
Оптический кабель в полиэтиленовой оболочке, поверх которой наложена продольно с перекрытием стальная гофрированная лента и наружная полиэтиленовая оболочка |
окст |
1-48 |
ТУ-16.К12-13-95 |
Для прокладки в кабельной канализации, трубах, блоках, коллекторах, грунтах, подвески на воздушных линиях связи |
|
Оптический кабель в полимерной оболочке, поверх которой наложена броня из стальных проволок и наружная оболочка из полимерного материала |
ОМЗКГм, ОЗКГм |
4-32 |
ТУ-16.К12-14-96 |
Для прокладки в кабельной канализации, трубах, блоках, коллекторах, группах всех категорий и в воде при пересечении болот и рек |
|
Оптический кабель в полиэтиленовой оболочке с диэлектрическим центральным силовым элементом (ЦСЭ) |
ДПО (DPO) |
4-64 |
ТУ 3387-007-13173860-98 |
Для прокладки в кабельной канализации, блоках, трубах (включая метод пневмопрокладки), в тоннелях и коллекторах, в том числе затопляемых водой1) |
|
То же в алюмополиэтиленовой оболочке |
Д888АО (DAO) |
4-64 |
ТУ 3387-007-13173860-98 |
То же, что ДПО |
|
Оптический кабель в полиэтиленовой оболочке со стальным ЦСЭ |
СПО (СРО) |
4-64 |
ТУ 3387-007-13173860-98 |
То же, что ДПО, исключая условия с высоким уровнем внешних электромагнитных воздействий |
|
Оптический кабель в оболочке из материала повышенной теплостойкости, с диэлектрическим ЦСЭ |
ДВО (DVO) |
4-64 |
ТУ 3387-007-13173860-98 |
То же, что ДПО, но при повышенных требованиях по теплостойкости оболочки |
|
Оптический кабель в алюмополиэтиленовой оболочке, со стальным ЦСЭ |
САО (САО) |
4-64 |
ТУ 3387-007-13173860-98 |
То же, что ДПО, исключая условия с высоким уровнем внешних электромагнитных воздействий |
|
Оптический кабель в полиэтиленовой оболочке, броней из гофрированной стальной ленты, с внешним полиэтиленовым шлангом, с диэлектрическим ЦСЭ |
ДПЛ (DPL) |
4-64 |
ТУ 3387-007-13173860-98 |
То же, что ДПО, при опасности повреждения грызунами. По мостам. |
|
Оптический кабель в алюмополиэтиленовой оболочке, с броней из гофрированной стальной ленты, внешним полиэтиленовым шлангом, с диэлектрическим ЦСЭ |
ДАЛ (DAL) |
4-64 |
ТУ 3387-007-13173860-98 |
То же, что ДПЛ |
|
Оптический кабель в полиэтиленовой оболочке с броней из гофрированной стальной ленты, внешним полиэтиленовым шлангом, со стальным ЦСЭ |
СПЛ (CPL) |
4-64 |
ТУ 3387-007-13173860-98 |
То же, что ДПЛ, исключая условия с высоким уровнем внешних электромагнитных воздействий |
|
Оптический кабель в алюмополиэтиленовой оболочке, с броней из гофрированной стальной ленты, внешним полиэтиленовым шлангом, со стальным ЦСЭ |
САЛ (CAL) |
4-64 |
ТУ 3387-007-13173860-98 |
То же, что СПЛ |
|
Оптический кабель с трубчатым сердечником с однослойной броней из тонких стальных проволок, внешним полиэтиленовым шлангом |
ТОС (ТОС) |
4-48 |
ТУ 3387-007-13173860-98 |
Для прокладки в грунтах всех групп2) в открытую траншею, групп 1-3 при прокладке ножевым кабелеукладчиком (кроме грунтов, подверженных мерзлотным деформациям). В кабельной канализации, трубах, блоках при наличии особо высоких требований по механической устойчивости. В тоннелях и коллекторах 1) |
|
Оптический кабель в полиэтиленовой оболочке с однослойной броней из тонких стальных проволок, внешним полиэтиленовым шлангом, с диэлектрическим ЦСЭ |
ДПС (DPC) |
4-32 |
ТУ 3387-007-13173860-98 |
То же, что ТОС, а также по мостам |
|
Оптический кабель в полиэтиленовой оболочке с однослойной броней из толстых стальных проволок, внешним полиэтиленовым шлангом, со стальным ЦСЭ |
СПУ (CPY) |
4-48 |
ТУ 3387-007-13173860-98 |
Для прокладки в грунтax всех групп, в кабельной канализации, трубах, блоках, при наличии особо высоких требований по механической устойчивости, исключая условия с высоким уровнем внешних электромагнитных воздействий. По мостам |
|
Оптический кабель в полиэтиленовой оболочке, с однослойной броней из тонких стальных проволок, внешним полиэтиленовым шлангом, со стальным ЦСЭ |
СПС (CPC) |
4-32 |
ТУ 3387-007-13173860-98 |
Для прокладки в кабельной канализации, трубах, блоках, при наличии особо высоких требований по механической устойчивости, исключая условия с высоким уровнем внешних электромагнитных воздействий. В тоннелях и коллекторах 1). По мостам |
|
Оптический кабель в алюмополиэтиленовой оболочке, с однослойной броней из тонких стальных проволок, внешним полиэтиленовым шлангом, диэлектрическим ЦСЭ |
ДАС (DAC) |
4-32 |
ТУ 3387-007-13173860-98 |
То же, что ДПС, включая болота и неглубокие, несудоходные реки |
|
Оптический кабель в алюмополиэтиленовой оболочке с однослойной броней из тонких стальных проволок, внешним полиэтиленовым шлангом, со стальным ЦСЭ |
САС (CAC) |
4-32 |
ТУ 3387-007-13173860-98 |
То же, что СПС |
|
Оптический кабель в полиэтиленовой оболочке, с однослойной броней их толстых стальных проволок, внешним полиэтиленом шлангом, диэлектрическим ЦСЭ |
ДПУ (DPY) |
4-48 |
ТУ 3387-007-13173860-98 |
Для прокладки в грунтах всех групп 2). По мостам |
|
Оптический кабель в алюмополиэтиленовой оболочке, с однослойной броней из толстых стальных проволок, внешним полиэтиленовым шлангом, диэлектрическим ЦСЭ |
ДАУ (DAY) |
4-32 |
ТУ 3387-007-13173860-98 |
То же, что ДПУ, а также речные переходы |
|
Оптический кабель с полностью диэлектрической конструкцией. Диэлектрический ЦСЭ, полиэтиленовая оболочка, броня из тонких диэлектрических стержней, внешний полиэтиленовый шланг |
ДПД (DPD) |
4-32 |
ТУ 3387-007-13173860-98 |
То же, что ДПС, том числе при особо высоких требованиях по устойчивости к внешним электромагнитным воздействиям, а также для подвески на опорах линий связи, контактной сети железных дорог, линий электропередач |
|
Оптический кабель с полностью диэлектрической конструкцией. Диэлектрический ЦСЭ, полиэтиленовая оболочка, броня из толстых диэлектрических стержней, внешний полиэтиленовый шланг |
ДПМ (DPM) |
4-64 |
ТУ 3387-007-13173860-98 |
То же, что ДПД, в том числе при особо высоких требованиях по устойчивости к внешним электромагнитным воздействиям, также для подвески на опорах линий связи, контактной сети железных дорог, линий электропередач |
|
Оптический кабель с полностью диэлектрической конструкцией. Диэлектрический ЦСЭ, полиэтиленовая оболочка, броня из тонких диэлектрических стержней, внешняя оболочка из дугостойкого материала |
ДПГ (DPG) |
4-64 |
ТУ 3387-007-13173860-98 |
Для подвески на опорах линий электропередач |
|
Оптический кабель с полностью диэлектрической конструкцией. Диэлектрический ЦСЭ, полиэтиленовая оболочка, броня из толстых диэлектрических стержней, внешняя оболочка из дугостойкого материала |
ДПК (DPK) |
1-48 4-64 |
ТУ 3387-007-13173860-98 |
Для подвески на опорах линий электропередач |
|
Оптический кабель в полиэтиленовой оболочке, с двухслойной броней из стальных проволок, внешним полиэтиленовым шлангом, диэлектрическим ЦСЭ |
ДП2 (DP2) |
4-40 |
ТУ 3387-007-13173860-98 |
Для прокладки в грунтах всех групп 2) в районах с активными проявлениями мерзлотно-грунтовых процессов |
|
Оптический кабель в алюмополиэтиленовой оболочке, с двухслойной броней из стальных проволок, внешним полиэтиленовым шлангом, диэлектрическим ЦСЭ |
ДА2 (DA2) |
4-40 |
ТУ 3387-007-13173860-98 |
То же, что ДП2, а также судоходные реки и глубокие водные преграды |
|
Оптический кабель в оболочке из пластмассы, не распространяющей горение, с диэлектрическим ЦСЭ |
ДНО (DHO) |
4-64 |
ТУ 3387-007-13173860-98 |
Для прокладки внутри зданий по стенам, в вертикальных и горизонтальных кабелепроводах и кабельростах |
|
Оптический кабель в полиэтиленовой оболочке, с броней из гофрированной стальной ленты, внешним шлангом из пластмассы, не распространяющей горения, диэлектрическим ЦСЭ |
ДПН (DPH) |
4-64 |
ТУ 3387-007-13173860-98 |
То же, что ДНО, при опасности повреждения грызунами |
|
Оптический кабель с полностью диэлектрической подвесной конструкцией. Диэлектрический ЦСЭ, диэлектрические периферийные силовые элементы, внешний полиэтиленовый шланг |
ДПТ (DPT) |
4-64 |
ТУ 3387-007-13173860-98 |
Для подвески на опорах линий связи, контактной сети железных дорог, линий электропередач |
|
Оптический кабель с полностью диэлектрической подвесной конструкцией. Диэлектрический ЦСЭ, диэлектрические периферийные силовые элементы, внешняя оболочка из дугостойкого материала |
ДПР (DPR) |
4-64 |
ТУ 3387-007-13173860-98 |
Для подвески на опорах линий электропередач |
|
Оптический кабель с центральным силовым элементом (ЦСЭ) - стальным тросом (ОК-М …Т-) или стеклопластиковым прутком (ОК-М…П-), сердечником модульного типа, наружной оболочкой из полиэтилена |
ОК-М…- (в т.ч. ОК-М…Т-, ОК-М…П-) |
4-72 |
ТУ 16.К12-16-97 |
Для прокладки в кабельной канализации, трубах, блоках, коллекторах, на мостах и в кабельных шахтах |
|
То же, с наружной оболочкой из полиэтилена, не распространяющего горение |
ОКН-М…- (в т.ч. ОКН-М…Т-, ОКН-М…П-) |
4-72 |
ТУ 16.К12-16-97 |
То же и внутри станций, зданий и сооружений |
|
Оптический кабель с ЦСЭ в виде стального троса (ОКО-М…Т-) или стеклопластикового прутка (ОКО-М…П-), с сердечником модульного типа, промежуточной оболочкой из полимерного материала, оплеткой из стальных проволок наружной оболочкой из полиэтилена, не распространяющего горение |
ОКО-М…- (в т.ч. ОКО-М…Т-, ОКО-М…П-) |
4-72 |
ТУ 16.К12-16-97 |
Для прокладки в кабельной канализации, трубах, блоках, коллекторах, на мостах и кабельных шахтах |
|
То же, с наружной оболочкой из полиэтилена, не распространяющего горение |
ОКНО-М…- (в т.ч. ОКНО-М…Т-, ОКНО-М…П-) |
4-72 |
ТУ 16.К12-16-97 |
То же и внутри станций, зданий и сооружений |
|
Оптический кабель с ЦСЭ в виде стального троса (ОКС-М…Т-) или стеклопластикового прутка (ОКС-М…П-) с сердечником модульного типа, промежуточной оболочкой из полимерного материала, броней из стальной гофрированной ленты, наружной оболочкой из полиэтилена |
ОКС-М…- (в т.ч. ОКС-М…Т-, ОКС-М…П-) |
4-72 |
ТУ 16.К12-16-97 |
Для прокладки в грунтах I-III категории, в том числе зараженных грызунами, а также в кабельной канализации, трубах, блоках, коллекторах, на мостах, в кабельных шахтах |
|
То же с наружной оболочкой из полиэтилена, не распространяющего горение |
ОКСН-М…- (в т.ч. ОКСН-М…Т-, ОКСН-М…П-) |
4-72 |
ТУ 16.К12-16-97 |
То же и внутри станций, зданий и сооружений |
|
Оптический кабель с сердечником - центральной трубкой, обмоткой из арамидных нитей, промежуточной оболочкой из полимерного материала, броней из стальной гофрированной ленты, наружной оболочкой из полиэтилена или из полиэтилена, не распространяющего горение |
ОКСА-М…- (в т.ч. ОКНСА-Т…-) |
4-24 |
ТУ 16.К12-16-97 |
Для прокладки в грунтах I-III категории, в том числе зараженных грызунами, в кабельной канализации, трубах, блоках, коллекторах, на мостах и в кабельных шахтах, а для кабеля ОКНСА-Т и внутри станций, зданий и сооружений |
|
Оптический кабель с ЦСЭ из стального троса (ОКБ-М…Т-) или стеклопластикового прутка (ОКБ-М…П-), сердечником модульного типа, промежуточной оболочкой из полимерного материала, броней из круглых стальных проволок, наружной оболочкой из полиэтилена |
ОКБ-М…-(в т.ч. ОКБ-М…Т-, ОКБ-М…П-) |
4-48 |
ТУ 16.К12-16-97 |
Для прокладки в грунтах всех категорий, в том числе зараженных грызунами, кроме грунтов, подверженных мерзлотным деформациям, в воде при пересечении неглубоких болот, водных преград и несудоходных рек, а также в кабельной канализации, трубах, блоках, коллекторах, на мостах, в кабельных шахтах |
|
То же, с наружной оболочкой из полиэтилена, не распространяющего горение |
ОКНБ-М…- (в т.ч. ОКНБ-М…Т-, ОКНБ-М…П-) |
4-48 |
ТУ 16.К12-16-97 |
То же и внутри станций, зданий и сооружений |
|
Оптический кабель с ЦСЭ из стального троса (ОКП-М…Т-) или стеклопластикового прутка (ОКП-М…П-), сердечником модульного типа, промежуточной оболочкой из полимерного материала, броней из круглых стеклопластиковых прутков, наружной оболочкой из полиэтилена |
ОКП-М…-(в т.ч. ОКП-М…Т-, ОКП-М…П-) |
4-48 |
ТУ 16.К12-16-97 |
Для прокладки в группах всех категорий, кроме грунтов, подверженных мерзлотным деформациям, и грунтов сильно зараженных грызунами, в воде при пересечении неглубоких болот, водных преград и несудоходных рек, а также в кабельной канализации, трубах, блоках, коллекторах, на мостах, в кабельных шахтах, а для кабеля ОКП-М…П- и в условиях повышенной грозодеятельности и электромагнитных влияний |
|
Оптический кабель с сердечником - центральной трубкой, промежуточной оболочкой из полимерного материала, броней из круглых стальных проволок, наружной оболочкой из полиэтилена |
ОКБ-Т…- |
4-24 |
ТУ 16.К12-16-97 |
Для прокладки в грунтах всех категорий, в том числе зараженных грызунами, кроме грунтов, подверженных мерзлотным деформациям, при пересечении неглубоких болот и несудоходных рек, в кабельной канализации, трубах, блоках, коллекторах, на мостах и кабельных шахтах |
|
Оптический кабель с сердечником - центральной трубкой, промежуточной оболочкой из полимерного материала, броней из стальной гофрированной ленты, второй промежуточной оболочкой из полимерного материала броней из стальных проволок, наружной оболочкой из полиэтилена |
ОКБС-Т…- |
4-24 |
ТУ 16.К12-16-97 |
Для прокладки в грунтах всех категорий, в том числе зараженных грызунами, кроме грунтов, подверженных мерзлотным деформациям, в воде для прокладки через болота и судоходные реки глубиной более 2 м, при пересечении неглубоких болот и несудоходных рек, а в кабельной канализации, трубах, блоках, коллекторах, на мостах и кабельных шахтах |
|
Оптический кабель подвесной с дополнительным внешним силовым элементом ЦСЭ - стеклопластиковый пруток, сердечник модульного типа, внешний силовой элемент - стальной трос, в общей полиэтиленовой оболочке |
ОК/Т-М…П- |
4-48 |
ТУ 16.К12-16-97 |
Для подвески на опорах линий связи, контактной сети железных дорог |
|
То же, внешний силовой элемент - арамидные нити |
ОК/А-М…П- |
4-48 |
ТУ 16.К12-16-97 |
Для подвески на опорах линий связи, контактной сети железных дорог, линий электропередач на напряжение до 110 кВ включительно |
|
То же, внешний силовой элемент - стеклопластиковый пруток |
ОК/П-М…П- |
4-48 |
ТУ 16.К12-16-97 |
То же |
|
Оптический кабель с ЦСЭ из стеклопластикового прутка, сердечником модульного типа, промежуточной оболочкой из полимерного материала, обмоткой из арамидных нитей, наружной оболочкой из полиэтилена |
ОКА-М…П- |
4-48 |
ТУ 16.К12-16-97 |
То же |
|
Оптический кабель с сердечником - центральной трубкой, промежуточной оболочкой из полимерного материала, обмоткой из арамидных нитей, наружной оболочкой из полиэтилена |
ОКА-Т…- |
4-48 |
ТУ 16.К12-16-97 |
То же |
|
Оптический кабель - модуль из поливинилхлоридного пластика, заполненный арамидными нитями, с одним оптическим волокном |
ОК-М(…)- |
1 |
ТУ 16.К12-16-97 |
Для прокладки внутри аппаратуры, станций, зданий и сооружений |
|
Оптический кабель - модуль из поливинилхлоридного пластика, заполненный арамидными нитями и полимерной трубкой с одним оптическим волокном |
ОК-М(…/…)- |
1 |
ТУ 16.К12-16-97 |
То же |
|
Оптический кабель - два соединенных между собой модуля из поливинилхлоридного пластиката, каждый модуль заполнен арамидными нитями и полимерной трубкой с одним оптическим волокном |
ОК-М2(…/…)- |
1 |
ТУ 16.К12-16-97 |
То же |
|
Оптический кабель с наружной оболочкой из поливинилхлоридного пластиката, силовой элемент из стеклопластикового прутка (ОКВ-М…(…/…)П-) или стального троса (ОКВ-М…(…/…)Т-) вокруг которого скручены модули из поливинилхлоридного пластиката, заполненные арамидными нитями, внутри каждого модуля полимерная трубка с одним оптическим волокном |
ОКВ-М…(…/…)П- (в т.ч. ОКВ-М…(…/…)Т-) |
4-48 |
ТУ 16.К12-16-97 |
То же |
|
Оптический кабель с сердечником в виде центральной трубки, обмоткой из арамидных нитей, наружной оболочкой из полиэтилена, не распространяющего горение |
ОКНА-Т…- |
4-24 |
ТУ 16.К12-16-97 |
То же |
|
Оптический кабель с ЦСЭ из стального троса (ОКВО-М…Т-) или стеклопластикового прутка (ОКВО-М…П-), сердечником модульного типа, промежуточной оболочкой из поливинилхлоридного пластиката, оплеткой из стальных проволок, наружной оболочкой из поливинилхлоридного пластиката |
ОКВО-М…- (в т.ч. ОКВО-М…Т-, ОКВО-М…П-) |
4-48 |
ТУ 16.К12-16-97 |
То же |
|
Кабель оптический магистральный и внутризоновый с центральной трубкой, в которой размещены до 12 одномодовых ОВ, с гидрофобным заполнением, броней из 12 круглых стальных оцинкованных проволок и наружной защитной оболочкой из ПЭ |
А-Дb2У 1 х 12… |
4, 6, 8, 10, 12 |
ТУ 16.К11-70-97 |
Для прокладки в грунтах всех категорий, кроме подверженных мерзлотным деформациям, в кабельной канализации, трубах, блоках, коллекторах, на мостах и в шахтах, через неглубокие болота и несудоходные реки |
|
То же, с наружной защитной оболочкой, не распространяющей горение |
A-Db2YN 1 х 12… |
4, 6, 8, 10, 12 |
ТУ 16.К11-70-97 |
То же |
|
Кабель оптический магистральный и внутризоновый с центральным силовым элементом из стеклопластикового стержня, вокруг которого скручены оптические модули, содержащие по 43) одномодовых оптических волокна, и кордели; с гидрофобным заполнением, промежуточной оболочкой из полиэтилена, броней из 24 круглых стальных оцинкованных проволок и наружной защитной оболочкой из ПЭ |
А-Д2Уb2У… |
4, 8, 12, 16, 20, 24 |
ТУ 16.К11-70-97 |
Для прокладки в грунтах всех категорий, кроме подверженных мерзлотным деформациям, в кабельной канализации, трубах, блоках, коллекторах, на мостах и в шахтах, через неглубокие болота и несудоходные реки |
|
То же, с наружной защитной оболочкой, не распространяющей горение |
А-D2Yb2YN… |
4, 8, 12, 16, 20, 24 |
ТУ 16.К11-70-97 |
То же |
|
Кабель оптический магистральный и внутризоновый подвесной с центральным силовым элементом из стеклопластикового стержня, вокруг которого скручены ОМ, содержащие по 4 одномодовых ОВ, и кордели; с гидрофобным заполнением, промежуточной оболочкой из ПЭ, слоем арамидных нитей и наружной защитной оболочкой из ПЭ |
ADSS-D2У(ZN)2У… |
4, 8, 12, 18, 20, 24 |
ТУ 16.К11-70-97 |
Для подвески на опорах линий связи, контактной сети железных дорог |
|
Кабель оптический городской с центральным силовым элементом из стеклопластикового стержня, вокруг которого скручены ОМ, содержащие по 4 одномодовых ОВ, и кордели; с гидрофобным заполнением, слоем арамидных нитей, броней из стальной гофрированной ленты и наружной защитной оболочкой из ПЭ |
А-D(ZN)b2Y…x4 |
4, 8, 12, 16, 20, 24 |
ТУ 16.К11-70-97 |
Для прокладки в кабельной канализации, трубах, блоках, коллекторах, на мостах и в шахтах |
|
То же с наружной защитной оболочкой, не распространяющей горение |
А-D(ZN)b2YN…x4… |
4, 8, 12, 16, 20, 24 |
ТУ 16.К11-70-97 |
То же |
|
Кабель оптический городской с центральным силовым элементом из стеклопластикового стержня, вокруг которого скручены ОМ увеличенного диаметра, содержащие по 12 одномодовых ОВ, и кордели; с гидрофобным заполнением, слоем арамидных нитей, броней из стальной гофрированной ленты и наружной защитной оболочкой из ПЭ |
А-D(ZN)b2Y…x12 |
12, 24, 36, 48, 60 |
ТУ 16.К11-70-97 |
Для прокладки в кабельной канализации, трубах, блоках, коллекторах, на мостах и в шахтах |
|
То же, с наружной защитной оболочкой, не распространяющей горение |
А-D(ZN)b2YN…x12… |
12, 24, 36, 48, 60 |
ТУ 16.К11-70-97 |
То же |
|
Кабель с сердечником, содержащем центральный силовой элемент вокруг которого скручены ОМ (или ОМ и кордели), с гидрофобным заполнением внутримодульного и межмодульного пространства и оболочкой, состоящей из внутренней пластмассовой оболочки, повива стальных оцинкованных проволок и наружной пластмассовой оболочки. Кабель по требованию заказчика могут изготавливаться с наружной защитной оболочкой, не распространяющей горение |
ОКЛК |
2, 4, 6, 8, 10, 12, 16, 18, 20, 22, 24, 28, 30, 32, 36, 40, 42, 44, 48, 54, 56, 60, 64, 66, 72, 80, 84, 88, 96, 108, 120, 132, 144 |
ТУ 3587-003-43925010-98 |
Для прокладки в трубах, блоках и коллекторах кабельной канализации, по мостам, в шахтах и тоннелях, а также непосредственно в грунт и через водные преграды |
|
Кабель с сердечником, содержащем центральный силовой элемент вокруг которого скручены ОМ (или ОМ и кордели), с гидрофобным заполнением внутримодульного и межмодульного пространства и оболочкой, состоящей из внутренней пластмассовой оболочки, стальной гофрированной оболочки и наружной пластмассовой оболочки. Кабели по требованию заказчика могут изготовляться с наружной защитной оболочкой, не распространяющей горение для прокладки внутри помещений |
ОКЛСт |
2, 4, 6, 8, 10, 12, 16, 18, 20, 24, 28, 30, 32, 36, 40, 44, 48 |
ТУ 3587-002-43925010-98 |
Для прокладки в трубах, коллекторах и блоков кабельной канализации, на мостах и в шахтах при опасности повреждения грызунами, а также для прокладки в грунтах всех категорий, в том числе зараженных грызунами, кроме грунтов, подверженных мерзлотным деформациям |
|
Кабель с сердечником, содержащим центральный силовой элемент (стеклопластиковый стержень), вокруг которого скручены оптические модули (или оптические модули с корделями), гидрофобное заполнение внутримодульного и межмодульного пространства, одну или две пластмассовые оболочки и повив (слой) синтетических силовых элементов. Кабели по требованию заказчика, могут изготовляться с наружной оболочкой, не распространяющей горение |
оклж-01… |
2, 4, 6, 8, 10, 12, 16, 18, 20, 24, 30 |
ТУ 3587-005-43925010-98 |
Для эксплуатации на опорах воздушных линий передачи, электрифицированных железных дорог и линий электропередачи |
|
Кабель с центральным силовым элементом, вокруг которого скручены ОМ с ОВ (или ОМ и кордели), с гидрофобным заполнением внутримодульного и межмодульного пространства и наружной пластмассовой оболочкой. Кабели по требованию заказчика могут изготовляться с наружной защитной оболочкой, не распространяющей горение для наружной прокладки внутри помещений |
ОКЛ |
2, 4, 6, 8, 10, 12. 16, 18, 20, 22, 24, 28, 32, 36, 40, 44 |
ТУ 3587-004-43925010-98 |
Для прокладки в специальных трубах и внутри зданий |
|
1) Для использования в тоннелях и коллекторах кабель изготавливается из пластмассы, не распространяющей горения. В этом случае после обозначения типа ставится индекс ²1², например: ДПО1. 2) Группы грунтов в соответствии с СНиП 4.05-91 ²Сборник сметных норм и расценок на строительные работы². Сборник 1 ²Земляные работы². 3) Допускается размещать от 1 до 4 оптических волокон (ОВ). |
||||
Таблица Г.1 - Область применения отечественных кабелей и проводов с металлическими жилами
|
Наименование кабелей и проводов по ГОСТ или ТУ |
Марки кабелей и проводов |
Диаметр жил, мм |
Число пар жил |
ГОСТ, ТУ |
Область применения |
|
Кабель телефонный с полиэтиленовой изоляцией в полиэтиленовой оболочке с алюмополиэтиленовым экраном |
ТППэп |
0,4 0,5 0,64 |
от 10 до 1200 от 5 до 900 от 10 до 500 |
Для прокладки в телефонной канализации, в коллекторах, по стенам зданий, подвески на воздушных линиях связи |
|
|
То же, с гидрофобным заполнением |
ТППэпЗ |
0,4 0,5 0,64 |
от 10 до 300 от 5 до 300 от 10 до 100 |
То же, в условиях повышенной влажности |
|
|
Кабель телефонный, с полиэтиленовой изоляцией в полиэтиленовой оболочке с алюмополиэтиленовым экраном, бронированный стальными лентами с наружным защитным покровом (шлангом из полиэтилена) |
ТППэпБ (ТППэпБбШп) |
0,4 0,5 0,64 |
от 10 до 600 от 10 до 600 от 100 до 500 |
Для прокладки в грунтах всех категорий, не характеризующихся повышенной коррозийной активностью по отношению к стальной броне, не подверженных мерзлотным деформациям |
|
|
То же, с гидрофобным заполнением |
ТППэпЗБ (ТППэпЗБбШп) |
0,4 0,5 0,64 |
от 10 до 300 от 10 до 300 от 10 до 100 |
То же, в условиях повышенной влажности |
|
|
Кабель телефонный с полиэтиленовой изоляцией в полиэтиленовой оболочке, с алюмополиэтиленовым экраном со встроенным тросом |
ТППэпт |
0,5 0,64 |
от 10 до 100 от 10 до 100 |
Для подвески на опорах |
|
|
Кабель специальный телефонный для ЦСП с полиэтиленовой изоляцией, гидрофобным заполнением с двумя параллельными экранированными группами |
ТППэпЗ2Э |
0,64 |
2(10 ´ 2) 2(20 ´ 2) 2(40 ´ 2) |
ТУ16.К17-017-91 |
Для прокладки в телефонной канализации, в коллекторах, на участках ЭАТС-Концентратор |
|
Кабель телефонный с полиэтиленовой изоляцией, с алюминиевым экраном, в поливинилхлоридной оболочке |
ТПВ |
0,4 0,5 |
от 10 до 100 от 10 до 100 |
Для прокладки по наружным и внутренним стенам зданий, внутри помещений и подвески на опорах |
|
|
То же бронированный стальными лентами с антикоррозийным покрытием с экраном |
ТПВБГ |
0,4 0,5 0,64 |
от 10 до 100 от 10 до 100 от 10 до 100 |
Для прокладки внутри помещений, в сухих тоннелях |
|
|
Кабель телефонный с пленко-пористой полиэтиленовой изоляцией жил, полиэтиленовой оболочкой и гидрофобным заполнением |
ТПппЗП |
0,4 0,5 |
от 10 до 600 от 10 до 600 |
ТУ АХЦ 3550.00.00-95 |
Для прокладки в телефонной канализации, трубах, блоках, коллекторах, по стенам зданий и подвески на воздушных линиях связи |
|
Кабель телефонный с воздушно-бумажной изоляцией в свинцовой оболочке |
ТГ |
0,5 0,64 |
от 10 до 1200 от 10 до 600 |
ТУ16.К71-008-87 |
Для прокладки в канализации, и коллекторах, по стенам зданий, подвески на опорах, в среде, нейтральной по отношению к свинцовой оболочке, в районах, не характеризующихся повышенным электромагнитным влиянием |
|
То же, с защитным покровом в виде полиэтиленового шланга |
ТГШп |
0,5 0,64 |
от 10 до 1200 от 10 до 600 |
ТУ16.К71-008-87 |
То же, для районов со средой, агрессивной по отношению к свинцовой оболочке |
|
Кабель телефонный с воздушно-бумажной изоляцией в свинцовой оболочке, с защитным покровом типа Б |
ТБ |
0,5 0,64 |
от 10 до 600 от 10 до 600 |
ТУ16.К71-008-87 |
Для прокладки в грунтах, нейтральных по отношению к свинцовой оболочке, если кабель не подвергается значительным растягивающим или сдавливающим усилиям; в районах, не характеризующихся повышенным электромагнитным влиянием |
|
То же, в свинцовой оболочке с защитным покровом типа БпШп |
ТБпШп |
0,5 0,64 |
от 10 до 100 от 10 до 100 |
ТУ16.К71-008-87 |
То же, но в грунтах агрессивных по отношению к свинцовой оболочке и стальной броне |
|
То же, в свинцовой оболочке с защитным покровом типа БГ |
ТБГ |
0,5 0,64 |
от 10 до 600 от 20 до 600 |
ТУ16.К71-008-87 |
Для прокладки в пожароопасных помещениях, в шахтах, тоннелях, коллекторах, если кабель не подвергается большим растягивающим усилиям, в районах, не характеризующихся повышенным электромагнитным влиянием |
|
То же, в свинцовой оболочке с защитным покровом типа К |
ТК |
0,5 0,64 |
от 20 до 600 |
ТУ16.К71-008-87 |
Для вертикальной прокладки и прокладки через горные, судоходные и сплавные реки, их затопляемые и заболоченные поймы, болота глубиной более 2 м, а также грунтах, подверженных смещению в районах, не характеризующихся повышенным электромагнитным влиянием |
|
То же, в свинцовой оболочке с защитным покровом |
ТКпШп |
0,5 |
от 20 до 150 |
ТУ16.К71-008-87 |
То же, и в грунтах с повышенной коррозийной активностью по отношению к свинцовой оболочке и стальной броне |
|
Кабель телефонный, с воздушно-бумажной изоляцией в стальной гофрированной оболочке с наружным защитным покровом типа ШП |
ТСтШп |
0,5 0,64 |
от 100 до 600 от 100 до 400 |
ТУ16.К71-008-87 |
Для прокладки в канализации, коллекторах, по стенам зданий, по мостам и через несудоходные реки с незаболоченными и устойчивыми берегами и спокойным течением воды (с обязательным заглублением в дно целой строительной длиной) |
|
То же, в алюминиевой оболочке с защитным покровом типа Шп |
ТАШп |
0,5 0,64 |
100 100 |
ТУ16.К71-008-87 |
Для прокладки в коллекторах, канализации, по мостам и в грунтах, если кабель не подвергается большим растягивающим усилиям, в районах, характеризующихся повышенным электромагнитным влиянием |
|
То же, в алюминиевой гофрированной оболочке с защитным покрытием типа Шп |
ТАпШп |
0,5 |
от 150 до 600 |
ТУ16.К71-008-87 |
То же, и в канализации, имеющей сложный профиль |
|
Кабель местной телефонной связи малопарный с медными жилами, с полиэтиленовой изоляцией с гидрофобным заполнением, с защитным покровом типа БбШп |
КТПЗБбШп |
0,64 |
3, 5, 10 |
ТУ16.К71-007-87 |
Для прокладки в грунтах различной категории, в канализации и для подвески на опорах воздушных линий связи |
|
Кабель местной связи с полиэтиленовой изоляцией и полиэтиленовой оболочкой |
КСПП |
0,9 |
1 ´ 4 |
ТУ16.К71-061-89 |
Для прокладки в грунтах, не подверженных смещению, и в районах, не характеризующихся опасностью повреждения грызунами |
|
То же, с гидрофобным заполнением |
КСПЗП |
0,64 0,9 |
1 ´ 4 1 ´ 4 |
ТУ16.К71-061-89 |
То же, в условиях повышенной влажности |
|
Кабель местной связи с полиэтиленовой изоляцией, бронированный с полиэтиленовой оболочкой |
КСППБ |
0,9 |
1 ´ 4 2 ´ 4 |
ТУ16.К71-061-89 |
Для прокладки в грунтах, не подверженных смещению, не характеризующихся повышенной коррозийной опасностью по отношению к стальной броне |
|
То же, с гидрофобным заполнением |
КСПЗПБ |
0,9 |
1 ´ 4 2 ´ 4 |
ТУ16.К71-061-89 |
То же, в условиях повышенной влажности |
|
Кабель местной связи с полиэтиленовой изоляцией, полиэтиленовой оболочкой и встроенным тросом |
КСППт |
0,9 |
1 ´ 4 |
ТУ16.К71-061-89 |
Для подвески на опорах воздушных линий связи |
|
То же, бронированный |
КСППБт |
0,9 |
1 ´ 4 |
ТУ16.К71-061-89 |
То же, в условиях повышенного обледенения |
|
Кабель местной связи с полиэтиленовой изоляцией, полиэтиленовой оболочкой, гидрофобным заполнением и встроенным тросом |
КСПЗПт |
0,9 |
1 ´ 4 |
ТУ16.К71-061-89 |
Для подвески на опорах воздушных линий связи в условиях повышенной влажности |
|
Кабель местной связи с полиэтиленовой изоляцией, с гидрофобным заполнением, бронированный, с полиэтиленовой оболочкой |
КСПЗПК |
0,9 |
1 ´ 4 |
ТУ16.К71-061-89 |
Для прокладки через водные преграды и в грунтах, подверженных мерзлотным деформациям |
|
Кабель местной связи цифровой с гидрофобным заполнением, с двумя параллельными экранированными группами |
КЦПЗЭП |
0,64 |
2(1 ´ 2) 2(2 ´ 2) 2(3 ´ 2) 2(4 ´ 2) 2(5 ´ 2) |
ТУ16.К17-027-97 |
Для прокладки в телефонной канализации, подвески на опорах воздушных линий на абонентских линиях для передачи цифровых сигналов |
|
Тоже, со стальной защитной лентой каждой экранированной группы |
КЦПЗЭПБ |
0,64 |
2(1 ´ 2) 2(2 ´ 2) 2(3 ´ 2) 2(4 ´ 2) 2(5 ´ 2) |
ТУ16.К17-027-97 |
Для прокладки в грунт, характеризующийся повышенной опасностью повреждения грызунами |
|
Кабель телефонной связи распределительный, однопарный с медными жилами, с полиэтиленовой изоляцией в полиэтиленовой оболочке |
ПРППМ |
1,2 |
1 1 |
ТУ-16.705.450-87 |
Для прокладки в грунте, телефонной канализации, коллекторах, по стенам зданий. Допускается прокладка кабелей ПРППМ на опорах воздушных линий в районах, не подверженных сильным гололедам и ветрам, электромагнитным влияниям |
|
Провод телефонный распределительный с медными жилами с полиэтиленовой изоляцией |
ТРП |
0,4 0,5 |
1 1 |
ТУ-16.К04-005-89 |
Предназначен для стационарной скрытой и открытой абонентской проводки телефонной распределительной сети внутри помещений и по наружным стенам зданий |
|
То же, с поливинилхлоридной изоляцией |
ТРВ |
0,4 0,5 |
1 1 |
ТУ-16.К04-005-89 |
То же |
|
Кабель абонентского доступа в цифровые сети, с цилиндрическим сердечником, с витыми парами для передачи ЦС до 200 кГц |
ТПВ АД |
0,5 |
1 ´ 2 2 ´ 2 3 ´ 2 4 ´ 2 5 ´ 2 |
ТУ16.К17-162-97 |
Для прокладки внутри зданий, внутришкафный монтаж |
|
То же в плоском (ленточном) исполнении с витыми парами для передачи ЦСЛ до 200 кГц |
ТПВП АД |
0,5 |
2 ´ 2 4 ´ 2 |
ТУ16.К17-162-97 |
То же |
|
Кабель с цилиндрическим экранированным сердечником с витыми парами для передачи ЦС до 200 кГц |
ТПВЭ АД |
0,5 |
1 ´ 2 2 ´ 2 4 ´ 2 |
ТУ16.К17-162-97 |
Для прокладки внутри зданий в условиях повышенных электромагнитных влияний |
|
То же для передачи ЦС до 2048 кГц |
ТПВЭ АД |
0,5 |
2(1 ´ 2) 2(2 ´ 2) 2(4 ´ 2) |
ТУ16.К17-162-97 |
Для прокладки внутри зданий при необходимости обеспечения переходного затухания 90 дБ |
|
Кабель телефонный станционный с медными жилами с изоляцией и оболочкой из поливинилхлоридного пластика |
ТСВ |
0,32 0,4 0,5 |
от 5 до 103 5, 10, 20 троек |
ТУ-16.К71-005-87 |
Предназначен для монтажа низкочастотного станционного оборудования |
|
Кабель симметричный станционный высокочастотный в поливинилхлоридной оболочке |
КМС-1 КМС-2 |
7 ´ 0,2 7 ´ 0,15 |
1 1 |
ТУ16-505.758-75 |
Для выполнения межстоечного и внутристоечного монтажа высокочастотных цепей на телефонной станции |
|
Кабель высокочастотный симметричный малогабаритный |
КВСМ |
0,4 |
1 ´ 2; 8 ´ 2 |
ТУ 3574-001-44998548-98 |
Для межстоечных соединений ЭАТС и передачи сигналов цифровых потоков со скоростью 2,048 бит/с |
|
Кабель распределительный для радиовещания, в поливинилхлоридной оболочке |
РВШЭ-1 |
0,5 |
1 |
ТУ 16-505.451-89 |
Для монтажа высокочастотной аппаратуры телефонной станции |
|
Кабель высокочастотный станционный |
КВСПЭВ |
0,5 |
1, 3, 4, 5, 8 |
ТУ 16.К71-181-93 |
Для межстоечных соединений ЭАТС и передачи сигналов цифровых потоков со скоростью 2,048 Мбит/с |
|
ПРИМЕЧАНИЕ - ТППэп, ТПВэп, ТППэпЗБ, ТППэпБ, ТППэпт, ТПВ, ТПВБГ применяются в условиях, не характеризующихся повышенным электромагнитным влиянием. Для кабелей в тропическом исполнении к обозначению основной марки добавляется через дефис индекс ²Т², ²ТС², КСПЗП-Т, КСПЗПБ-Т, ТППэп-ТС, ТППэпБ-ТС, ТППэпЗ-ТС, ТППэпЗ-Т, ТГ-Т, ТБ-Т, ПРППМ-Т, ТСВ-Т, провод ТРП-Т. |
|||||
(справочное)
Таблица Д.1 - Минимальные расстояния от кабелей связи, трубопровода кабельной канализации до других подземных и наземных сооружений при сближении и пересечении с ними
|
Наименование сооружений |
Минимальное расстояние до кабелей связи, РТС и кабельной канализации, м |
|
|
параллельное прохождение |
пересечение |
|
|
I. По условиям производства работ и обеспечения бесперебойного действия кабельных линий |
||
|
Мосты магистральные автомобильных и железных дорог общегосударственного и республиканского значения: |
||
|
а) через внутренние водные пути, судоходные реки, каналы и водохранилища; |
10001; 4) ниже по течению |
|
|
б) через сплавные реки; |
3001; 4) ниже по течению |
|
|
в) через несплавные и несудоходные реки |
50 - 1001; 4) ниже по течению |
|
|
Мосты автомобильных и железных дорог областного, местного и прочего значения: |
||
|
а) через судоходные реки и каналы; |
2001; 4) ниже по течению |
|
|
б) через остальные реки |
50 - 1001; 4) ниже по течению |
|
|
Железные дороги колеи 1520 мм |
3,25 от оси крайнего пути, но не менее глубины траншеи до подошвы насыпи и бровки выемки. |
Нормы МПС РФ 2,0 - от подошвы рельса до верха защитной трубы 3,0 - при устройстве перехода методом прокола, горизонтального бурения, горизонтально-направленного бурения 1,5 - от водоотводных сооружений или подошвы насыпи |
|
Автомобильные дороги |
Согласно Постановления Правительства РФ от 01.12.98 г. № 1420 в пределах придорожных полос расстояния определяются по согласованию с Федеральной дорожной службой РФ или уполномоченными ею органами |
|
|
Трамвайные пути и железные дороги колеи 750 мм. |
2,75 от оси путей |
0,6 or подошвы рельса до верха трубы |
|
Путепроводы |
Определяется проектом |
|
|
Кабельная канализация (от блоков и колодцев) |
0,25 |
0,1 |
|
Городская канализация |
0,5 |
0,25/0,15 |
|
Газопроводы высокого давления до 5395 кПа (до 55 кгс/см2), нефтепроводы и трубопроводы |
10,02) |
0,5/0,15 |
|
Газопроводы высокого давления от 588 до 1177 кПа (от 6 до 12 кгс/см2) |
1/3 |
0,5/0,15 |
|
Газопроводы высокого давления от 294 до 588 кПа (от 3 до 6 кгс/см2) |
1/2,0 |
0,5/0,15 |
|
Газопроводы среднего давления от 5 до 294 кПа (от 0,05 до 3 кгс/см2) |
1/1,5 |
0,5/0,15 |
|
Газопроводы низкого давления 5 кПа (0,05 кгс/см2) |
1,0 |
0,5/0,15 |
|
То же, на стенах зданий |
1,0 |
- |
|
Водопроводы разводящей сети диаметром до 300 мм |
0,5 |
0,25/0,15 |
|
Сточная канализация |
0,5 |
0,25/0,15 |
|
Водопроводы разводящей сети диаметром свыше 300 мм |
1,0 |
0,25/0,15 |
|
Строительная конструкция тепловых сетей или оболочка изоляции трубопроводов при бесканальной прокладке |
1,0 |
0,5/0,15 |
|
Дренажи и водостоки |
0,5 |
-/0,15 |
|
Общие коллекторы для подземных сетей |
1,0 |
- |
|
Пешеходная часть улицы |
- |
0,4 - от верха покрытия до верха трубы |
|
Фундаменты зданий и сооружений |
0,6 |
- |
|
Бортовой камень, кромка проезжей части улицы, укрепленной полосы обочины |
1,5 |
0,6 - от верха покрытия до верха трубы |
|
Наружная бровка кювета, подошвы насыпи |
1,0 |
0,6 - от верха покрытия до верха трубы |
|
Стволы существующих деревьев на городской трассе |
1,5 |
- |
|
Кабели связи магистральной, внутризоновых сетей и соединительные линии местных сетей с использованием систем передачи |
0,5/0,25 (при условии разработки траншей ручным способом) |
-/0,1 |
|
Неуплотненные однопарные кабели СТС |
0,1/- при параллельной прокладке на длине не более 5 км совместно в одной траншее |
-/0,1 |
|
Силовые кабели |
0,52; 3) |
0,5/0,15 |
|
Кабели радиотрансляционных сетей I класса |
1,0 |
-/0,25 |
|
Кабели радиотрансляционных сетей II класса |
0,5 |
-/0,25 |
|
Стены или опоры тоннелей и путепроводов (на уровне или ниже основания) |
0,5 |
- |
|
Насыпи или бровки каналов |
1,0 от подошвы насыпи или бровки канала |
- |
|
Оросительные каналы |
1,5 от бровки каналов при непросадочных грунтах |
- |
|
II. По условиям защиты кабелей связи с металлическими жилами от ударов молнии |
Согласно «Руководству по защите металлических кабелей от ударов молнии», Москва, ЦНИИС, 1997 г. |
|
|
III. По условиям защиты оптических кабелей, содержащих в конструкции металлические элементы от ударов молнии |
Согласно «Руководству по защите оптических кабелей от ударов молнии», Москва, ЦНИИС, 1996 г. |
|
|
1) Возможность прокладки кабеля выше моста определяется проектом. Расстояние от моста уточняется при согласовании кабельного перехода с организацией, регулирующей судоходство и сплав, но оно не должно быть меньше указанного в настоящем Приложении. Указанные нормы не распространяются на кабельные переходы, осуществляемые на территории городов и поселков городского типа. 2) Расстояние от газопроводов или силовых кабелей до кабелей при их сближении в русле реки на кабельных переходах определяется проектом. 3) Допускается уменьшение расстояний прокладки кабелей связи в трубах от силовых кабелей напряжением до 10 кВ; НЧ кабелей 0,1 м; ВЧ кабелей 0,25 м. 4) При проектировании линейно-кабельных сооружений ВОЛП с использованием установок горизонтально-направленного бурения (УГНБ) на кабельных переходах через водные преграды, глубокие болота (более 2м), автомобильные, железные дороги, на пересечениях как одиночных, так и технических коридоров магистральных газонефтепродуктопроводов и с др. препятствиями необходимо руководствоваться требованиями Дополнений ВСН-116-93 по применению установок горизонтально-направленного бурения при строительстве ВОЛП. |
||
Примечания
1. В числителе указаны расстояния при прокладке кабелей непосредственно в грунте, в знаменателе - в трубах, а при отсутствии дроби - для обоих случаев.
2. Кабели и кабельная канализация прокладывается:
- выше канализационных и водопроводных сетей;
- выше и ниже кабелей связи и силовых кабелей, продуктопроводов, газопроводов, нефтепроводов и теплосети.
3. При сближениях и пересечениях трассой кабеля воздушных линий связи в населенных пунктах прокладка кабеля должна производиться на расстоянии не менее 1 м от их опор, подпор и оттяжек. При невозможности соблюдения указанного расстояния в стесненных условиях необходимо предусматривать защиту кабеля от механических повреждений в виде покрытия его кирпичом или бетонными плитами в охранной зоне линии.
(информационное)
1.1. Интеллектуальная сеть (ИС) представляет собой сеть связи, реализующую функции предоставления пользователям некоторого перечня услуг, помимо основной услуги, причем функции предоставления услуг распределены по различным элементам сети.
Термин «Интеллектуальная сеть» используется для определения архитектурной концепции, которая применима для всех сетей связи. Цель ИС - упростить введение новых услуг, предоставляемых сетью связи, обеспечить возможность введения дополнительных сервисных функций независимо от реализации сети связи.
Реализация данной концепции заключается в оснащении существующей сети связи оборудованием, необходимым для реализации функций ИС.
1.2. Основные элементы ИС:
SSP (Service Switching Point) - пункт коммутации услуг, программно-аппаратные средства цифровых АТС (или ЦКП для мобильных сетей), обеспечивающие отделение процесса предоставления дополнительных услуг от базового процесса. Как правило, реализуются в виде протокола INAP (российская версия INAP-R), интегрированного в оборудование станций.
SCP (Service Control Point) - пункт управления предоставлением услуг, вычислительный комплекс, обеспечивающий предоставление запрашиваемых пользователем услуг ИС.
SMP (Service Management Point) - пункт административного управления оборудованием ИС.
SCEP (Service Creation Environment Point) - пункт создания новых услуг ИС или модификации существующих.
SN (Service Node) - упрощенный вариант реализации платформы.
Под платформой ИС понимается совокупность программно-аппаратных средств, которые по сети ОКС № 7 поддерживают взаимодействие с оборудованием ТФОП, обеспечивающим процесс установления соединения.
IP (Intelligent Peripheral) - периферийное оборудование ИС.
1.3. Перечень услуг, указанный ниже рекомендуется для внедрения на сетях связи России. Международными рекомендациями он определяется как список CS1.
AAB - Automatic Alternative Billing - автоматическая альтернативная оплата разговора. Услуга позволяет пользователю произвести вызов с любого телефонного аппарата. Тарификация осуществляется на счет пользователя, который определен для этой услуги и который не принадлежит ни к вызывающей, ни к вызываемой сторонам. Для активизации услуги пользователь набирает код доступа. Затем по требованию интеллектуальной периферии пользователь набирает код владельца счета и персональный идентификационный номер (PIN). По этим данным осуществляется проверка кредитоспособности владельца счета и подтверждение правомочности пользователя.
ABD - Abbreviated Dialling - сокращенный набор номера. Услуга позволяет пользователю виртуальной частной сети использовать сокращенный набор номера для вызова другого пользователя этой сети, набирая, например, только 4 цифры, даже если линии вызывающего и вызываемого пользователей обслуживаются разными коммутационными устройствами.
АСС - Account Card Calling - вызов с начислением платы за него на счет, указанный в карте. Эта услуга позволяет пользователю осуществлять вызов с любого таксофона, читающего карту. Плата за вызов автоматически начисляется на личный или рабочий номер счета в соответствии с содержимым карты. Пользователю присваиваются код доступа и PIN. Он активизирует услугу путем набора кода доступа, по запросу вводит свой PIN и вставляет карту в считыватель таксофона. Система проверяет данные и информирует пользователя о возможности доступа, после чего он может продолжить вызов.
ССС - Credit-Card Calling - звонок по кредитной карте. Услуга позволяет автоматически начислять плату пользователю за любой исходящий вызов на его личный счет в банке. Вызывающий пользователь должен набрать свой номер карты и PIN код, затем номер вызываемого пользователя.
CON - Conference Calling - конференц-связь. Услуга позволяет соединить множество участников для организации телефонной конференц-связи. Число сторон, объединяемых одновременно, варьируется в зависимости от требований к качеству услуги.
CD - Call Distribution - распределение входящих вызовов. Услуга позволяет пользователю маршрутизировать входящие к нему вызовы на различные терминалы в соответствии с принятым правилом, которое может изменяться самим пользователем. Возможны три варианта распределения:
- циркулярное, при котором вызовы маршрутизируются к различным пунктам с одинаковой нагрузкой;
- процентное;
- иерархическое, при котором первым пунктом назначения является первый встретившийся в приоритетном списке.
CF - Call Forwarding - перенаправление вызовов. Все вызовы, направляемые на номер пользователя услуги, перенаправляются на новый номер.
CRD - Call Rerouting Distribution - распределенная перемаршрутизация вызовов. Услуга позволяет пользователю перемаршрутизировать входящие к нему вызовы при возникновении определенных ситуаций (пользователь занят, определенное количество посылок вызова при неответе, переполнение очереди или ограничение вызова), а также в соответствии с предварительно сделанным выбором: вызовы могут быть маршрутизированы на другой определенный номер (включая пейджер или речевую почту), к вызывающей стороне может быть подключена запись стандартного (определяемого администрацией) или определяемого обслуживаемым пользователем сообщения, вызовы могут быть поставлены в очередь.
CCBS - Completion of Calls to Busy Subscriber - завершение вызовов к занятому пользователю без дополнительного набора номера вызывающим пользователем. Услуга позволяет информировать вызывающего пользователя об освобождении пункта назначения, не требуя нового набора номера.
DCR - Destination Call Routing - маршрутизация вызовов по условию. Услуга позволяет своему пользователю задавать маршрутизацию вызовов в соответствии с:
- временем дня, днем недели и т.п.;
- географическим положением вызывающего пользователя;
- приоритетом (например, зависящим от PIN);
- стоимостными коэффициентами;
- пропорциональным коэффициентом распределения трафика.
FMD - Follow-Me Diversion - управление перенаправлением вызовов при изменении своего местоположения. Услуга позволяет пользователю менять свой телефонный номер при изменении местоположения. Вызовы будут переадресовываться на номер, который был определен пользователем последним. Пользователь может изменять свой номер из любой точки сети.
FPN - Freephone - свободный (от оплаты) вызов. Услуга позволяет осуществлять начисление платы на счет поставщика услуги, например, компании по продаже авиабилетов, и предоставляет пользователю возможность доступа по единому номеру, например, к ближайшему от покупателя пункту по заказу авиабилетов.
MAS - Mass Calling - массовые вызовы (обработка группы номеров входящих вызовов, обусловленных рекламой или играми). Используя эту услугу, оператор сети может временно присвоить единственный номер назначения обслуживаемому пользователю. При поступлении вызова на этот номер последнему посылается сообщение с требованием ввести цифру, соответствующую выбранному варианту (дополнительный набор). Данная информация фиксируется в счетчике. Вызовы, посланные на этот номер, могут тарифицироваться с различными коэффициентами.
MCI - Malicious Call Identification - идентификация злонамеренных вызовов. Услуга позволяет пользователю регистрировать злонамеренные вызовы. Регистрируется следующая информация: номера вызываемой и вызывающей сторон, время и дата запроса. Услуга может быть активизирована в течение или после активной фазы вызова, но перед тем, как вызываемый пользователь освободится.
OCS - Originating-Call Screening - ограничение исходящих вызовов. Услуга позволяет пользователю назначить список запрещенных номеров исходящих вызовов. Услуга может быть проигнорирована при вызове, имеющем код разрешения.
РКМ - Premium Kate - платная информационная услуга. Пользователю начисляется плата как за вызов, так и за информацию, предоставляемую поставщиком услуги. Оплата распределяется между оператором сети связи и поставщиком услуги.
SCF - Selective Call Forwarding on Busy/Don´t Answer - перенаправление определенных вызовов при занятости/неответе. Услуга позволяет вызываемому пользователю перенаправлять часть вызовов при своей занятости или неответе в течение Y секунд или X посылок вызова.
SEC - Security Screening - подтверждение прав пользователя перед доступом в сеть. Услуга позволяет выполнить проверку прав пользователя перед его доступом в сеть поставщика услуги. Возможность услуги - определение несанкционированного кода доступа - позволяет фиксировать информацию о неудачных попытках доступа (сколько, через какой интервал времени, кто, откуда), что обеспечивает дополнительный уровень безопасности. Эта услуга запрашивает у пользователя его PIN, который позволяет проверить идентичность пользователя перед предоставлением доступа в сеть.
SPL - Spill Charging - разделение оплаты. Услуга позволяет осуществить раздельное начисление оплаты между вызываемой и вызывающей сторонами в заданной пропорции.
TCS - Terminating Call Screening - ограничение входящих вызовов. Услуга позволяет запретить входящие вызовы в соответствии со списком запрета и факультативно в зависимости от времени дня.
UAN - Universal Access Number - универсальный номер доступа. Услуга позволяет своему поставщику, имеющему несколько установок в различных районах, обеспечить доступ к ним с помощью единственного набираемого номера. Маршрутизация входящего вызова может осуществляться в зависимости от географического положения пользователя.
UDR - User Defined Routing - маршрутизация, определяемая пользователем. Услуга позволяет пользователю задавать маршрутизацию исходящих вызовов через сеть (частную, общего пользования, виртуальную или смешанную по приоритетным спискам маршрутизации).
UPT - Universal Personal Telecommunications - универсальная персональная связь. UPT - услуга мобильности, позволяющая пользователю получать вызовы по персональном номеру (PN) на множестве сетей при любом сетевом доступе. После набора PN последний будет отображаться в соответствующий номер маршрутизации к пользователю. Услуга предназначена для обслуживания любого пользователя, имеющего связной терминал. UPT производит персональную идентификацию пользователей, что позволяет последним свободно перемещаться относительно множества сетей связи.
VOT - Televoting - телеголосование. Услуга позволяет поставщику провести опрос общественного мнения с использованием телефонной сети. Номера телефонов назначены соответственно вариантам ответов при опросе. Участники голосования набирают тот номер, который соответствует их мнению. Возможен вызов на единственный номер с последующим сообщением информации о своем выборе с помощью донабора с клавиатуры (после приглашения) или голосом.
VPN - Virtual Private Network - виртуальная частная сеть. Услуга позволяет, используя ресурс сети общего пользования, построить частную сеть, объединяющую в себе функции реальных УПАТС и функции Centrex. Каждому пользователю VPN может быть приписан либо класс разрешенных услуг, либо его права и привилегии.
1.4. Из названного выше списка первоочередной набор услуг ИС для внедрения на сетях связи России имеет следующий состав:
- свободный (от оплаты) вызов (FPN);
- информационная услуга с дополнительной оплатой (PRM);
- услуги с альтернативной оплатой разговора (ССС, АСС);
- телеголосование (VOT);
- виртуальная частная сеть (VPN).
1.5. Интеллектуальная сеть (ИС) должна строиться на базе существующей ТФОП, элементы ИС должны предусматриваться при расширении и модернизации существующих ТФОП.
1.6. Архитектура ИС зависит от числа обслуживаемых сетью пользователей, перечня предоставляемых услуг и спроса пользователей на эти услуги.
1.7. Необходимая производительность SSI оценивается по величине трафика, создаваемого пользователями ИС.
1.8. Величина трафика, создаваемого пользователями на ИС, YНС зависит от числа и типа вводимых услуг.
Эрл (Е.1)
где
- удельная нагрузка, создаваемая
пользователем на i-ю услугу ИС,
N - число пользователей сети,
М - число вводимых услуг.
1.9. Удельные нагрузки, создаваемые пользователями для каждой из услуг, определяются по статистическим данным.
На начальном этапе внедрения услуг ИС для следующих пяти видов услуг параметры удельного трафика, создаваемого пользователями, могут быть взяты из таблицы Е.1.
Таблица Е.1 - Параметры удельного трафика
|
Услуга |
Удельная интенсивность вызовов (Выз/час) |
Средняя продолжительность занятия (с) |
|
FP |
5,4 10-3 |
130 |
|
ССС |
3 10-3 |
150 |
|
VOT |
2,5 10-3 |
7 |
|
PRM |
4,5 10-3 |
140 |
|
VPN |
4,3 10-3 |
140 |
Эрл. (Е.2)
где С - интенсивность вызовов выз/час,
- средняя
продолжительность занятия с.
1.10. На настоящем этане развития ИС SSP должен размещаться на АМТС. SSP может быть совмещен с SCP.
1.11. На последующих этапах развития ИС, при росте числа предоставляемых услуг и спроса на услуги, функциями SSP могут быть оборудованы транзитные узлы сети (УИС, УВС, УИВС) или АТС.
1.12. Если SSP не совмещен с SCP, то соединение между ними осуществляется через сеть ОКС № 7.
1.13. Выбор требуемого числа звеньев ОКС № 7 производится на основании РТМ по расчету ОКС № 7 с учетом трафика ИС.
1.14. Показателем качества предоставления услуг ИС является Доступность услуги, которая характеризуется вероятностью потери вызова пользователя при попытке получить услугу. Эта величина включает в себя вероятность потери вызова на элементах ТфОП (на участке пользователь - SSP) и на элементах ИС (SSP и SCP). На начальном этапе внедрения ИС следует считать допустимой величину потерь вызовов на участке пользователь - SSP величину, не превышающую 0,5 % (в соответствии с нормами, приведенными в настоящих НТП для потерь на участке пользователь - АМТС, раздел 7). Допустимая величина потерь вызовов на элементах ИС подлежит дальнейшему исследованию.
1.15. Развитие ИС должно сопровождаться расширением перечня предоставляемых услуг.
1.16. В качестве специфического оборудования для ИС могут быть использованы устройства для тестирования протокола INAP-R и аппаратура для оценки качества предоставления услуг ИС.
Используемое оборудование должно соответствовать п. 13.1 - п. 13.4 Раздела 13 настоящих НТП.
1.17. Режим работы оборудования ИС должен быть круглосуточным, не допускающим перерыва в течение всего срока службы.
1.18. При проектировании элементов ИС необходимо стремиться обеспечить круглосуточный необслуживаемый режим их работы.
1.19. Технологические требования к зданиям и помещениям, требования к электроснабжению, заземлениям, защите, охране окружающей природной среды, технике безопасности, к технико-экономическим показателям должны соответствовать приведенным в разделах 17 - 21 настоящих НТП.
(информационное)
В настоящее время пользователи Интернет на ГТС России, по данным из различных источников, составляют 0,5 - 1 % от общей номерной емкости сети (без разделения по категориям) и их количество продолжает расти.
1. Распределение потоков трафика пользователей Интернет на местной сети ТФОП
На рисунке Ж.1 приведена схема распределения потоков трафика от пользователей Интернет и отмечены те участки сети, где следует учесть дополнительный трафик Интернет от:
• трафик на абонентских линиях пользователей Интернет;
• трафик на межстанционных СЛ;
• трафик на линиях к провайдеру;
• трафик на коммутационное оборудование, участвующее в обслуживании вызовов Интернет.
Можно выделить следующие участки сети и указать для них степень изменения интенсивности трафика:
• значительное увеличение трафика на абонентских линиях пользователей Интернет;
• значительное увеличение трафика на входящих пучках СЛ от УВС к АТС, там где в эти АТС включены провайдеры Интернет;
• увеличение трафика на пучках СЛ от УИС к УВС одного стотысячного узла за счет трафика от пользователей к провайдерам Интернет, подключенных к одному и тому же узлу;
• увеличение трафика на пучках СЛ от УИС к УВС различных стотысячных узлов, за счет трафика от пользователей к провайдерам Интернет, подключенных к различным узлам.
Кроме того, увеличивается нагрузка управляющих устройств коммутаторов, участвующих в обслуживании вызовов к Интернет.
Рисунок Ж.1 - Фрагмент местной сети ТФОП с распределением потоков трафика пользователей Интернет (пунктирные линии)
2. Способы подключения пользователей и Провайдеров к ТФОП.
Подключение к ТФОП возможно:
• с использованием интерфейсов Z, BRA, PRA, V5, А;
• с использованием сигнализации ОКС № 7, 2ВСК, МЧ, EDSS, абонентская сигнализация ТФОП;
• с использованием АТС с функциями Интернет.
В зависимости от способов подключения абонентов и провайдеров к ТФОП возможны следующие варианты организации доступа к сети Интернет через ТФОП:
• с полным использованием ресурсов ТФОП. Трафик Интернет от пользователя до провайдера полностью проходит через средства связи ТФОП (сеть абонентского доступа, сеть коммутации и первичная сеть);
• с частичным использованием ресурсов ТФОП. Трафик Интернет от пользователя до провайдера проходит по ТФОП через сеть абонентского доступа и через оконечные АТС непосредственно на специально выделенные направления для включения провайдеров;
• с минимальным использованием ресурсов ТФОП. Трафик Интернет от пользователя до провайдера проходит по ТФОП только через сеть абонентского доступа (абонентские линии и специальные устройства разделения трафика, устанавливаемые на входе оконечной станции) и поступает в сеть передачи данных без использования коммутационных ресурсов оконечной станции.
Примечание - Возможна организация доступа пользователя к сети Интернет без использования ресурсов ТФОП, когда пользователь Интернет получает доступ к провайдеру по выделенным кабельным каналам, сетям КТВ или с использованием радиодоступа, то есть даже без участия сети абонентского доступа ТФОП.
Вариант с полным использованием ресурсов ТФОП может быть организован с использованием следующих способов подключения провайдера к ТФОП:
• Подключение через серийный номер или через ряд отдельных номеров на одной из АТС оператора ТФОП. Данный способ подключения приводит к существенным перегрузкам, прежде всего на входящих соединительных линиях и АТС, в которые включается провайдер. С ростом числа пользователей Интернет возрастает общая нагрузка на сеть и на оконечные АТС, в которые включены пользователи Интернет. При этом возможно ухудшение качества как услуги доступа к Интернет, так и традиционных услуг связи ТФОП.
• Подключение через учрежденческую АТС (УПАТС) провайдера в опорную АТС оператора ТФОП. Данный способ подключения дает возможность организации серии с большими нагрузками на абонентских линиях.
• Подключение через АТС с возможностями ЦСИС. Подключение ЦСИС рассчитано на большие абонентские нагрузки и в силу этого обстоятельства, трафик пользователей Интернет в настоящее время не оказывает существенного влияния на ТФОП.
Вариант с частичным использованием ресурсов ТФОП может быть организован с использованием следующих способов подключения провайдера к ТФОП:
• Подключение к междугороднему узлу (в направлении 8). Данный способ позволяет направить трафик пользователей Интернет непосредственно к узлу междугородной связи (междугородной станции), не создавая тем самым дополнительные нагрузки в других направлениях. При этом возможно увеличение нагрузки на ЗСЛ к междугородной станции.
• Подключение к специально выделенному узлу в направлении связи не задействованном в плане нумерации местной ТФОП. Данный способ позволяет направить трафик пользователей Интернет непосредственно к выделенному узлу, не создавая тем самым дополнительные нагрузки в других направлениях. При этом уменьшаются ресурсы номерной емкости оператора местной ТФОП.
Вариант с минимальным использованием ресурсов ТФОП может быть организован с использованием следующих способов подключения провайдера к ТФОП:
• Подключение к сети передачи данных ТФОП с организацией оператором ТФОП разделения трафика (телефонного и передачи данных) пользователя Интернет на уровне оконечной АТС, через ADSL (xDSL) или с помощью специального дополнительного оборудования, предназначенного для этих целей. Данный способ практически исключает влияние трафика пользователя Интернет на сеть ТФОП.
В настоящее время на одной местной сети могут быть реализованы одновременно несколько видов подключения из первых двух групп вариантов подключения провайдеров к ТФОП. В этом случае использование ресурсов сети будет определяться более сложной схемой распределения потоков трафика. Выбор того или иного варианта подключения зависит от:
• Технической возможности сети;
• Величины трафика;
• Услуг, предоставляемых провайдером.
3. Оценка параметров нагрузок.
Проектирование должно базироваться на статистических и маркетинговых данных по нагрузкам, проценту пользователей и количеству провайдеров, предоставляемых операторами. Предоставленная информация должна быть основана на анализе деятельности провайдера по методике, утвержденной Госкомсвязи. Параметры нагрузок должны отражать:
• Среднюю продолжительность сеанса связи;
• Количество сеансов связи за час в ЧНН ТФОП и в ЧНН Интернет;
• Долю неуспешных вызовов (может быть приравнена к доле неуспешных вызов в ТФОП).
При этом при оценке величины трафика следует учитывать такие мероприятия на сети оператора связи, как:
• Регулирование трафика средствами систем управления трафиком, внедренных на ТФОП.
• Регулирование трафика пользователей ТФОП путем введения повременной системы оплаты разговоров (включая сеансы связи).
• Регулирование трафика путем внедрения различных сетевых решений, направленных на разделение голосового трафика и трафика передачи данных.
Регулирования трафика на сети средствами систем управления трафиком, построенных на основе TMN, позволяет улучшать качество услуг связи путем перераспределения ресурсов сети в реальном времени. Возможности данного способа ограничены в рамках существующих ресурсов ТФОП. Поэтому этот способ целесообразно использовать в сочетании с другими способами регулирования.
Регулирование трафика путем использования системы введения гибких тарифов по дням недели и часам суток. Эти тарифы должны быть направлены, в основном, не на уменьшение общего трафика сети, а на его перераспределение по часам суток и дням недели, с целью удовлетворения потребностей всех абонентов ТФОП включая пользователей Интернет.
Регулирование трафика путем внедрения различных сетевых решений является основным направлением взаимодействия операторов ТФОП и провайдеров для улучшения качества услуг голосовой связи и услуги доступа к Интернет. Выбор того или иного сетевого решения целесообразно осуществлять после анализа влияния трафика пользователей Интернет на ТФОП в целом, и на отдельные участки сети с учетом возможности регулирования трафика Интернет первыми двумя способами.
(информационное)
Список руководящих технических и нормативных материалов, подлежащих разработке и/или коррекции и развития НТП:
1. НТП на телекоммуникационные сети.
2. Термины и определения (коррекция).
3. Методика расчета штата для СТС.
4. Методика расчета межстанционных соединительных линий в т.ч. с учетом обходных путей.
5. Применение прямых проводов на местных сетях связи.
6. Методика измерения и обработки данных по нагрузке для использования при проектировании на местных сетях связи.
7. РТМ по проектированию коммутационного оборудования с функциями ОКС 7 (ISUP) и ISDN (коррекция).
8. Проектирование коммутационного оборудования с функциями ОКС 7 (B-ISUP) и B-ISDN.
9. Внедрение технологии ATM на сетях ВСС РФ.
10. Построение сетей ПД с использованием технологии Frame Relay и IP - технологии на сетях ВСС РФ.
11. Взаимодействие ТфОП с сетями ПД (в т.ч. с сетью Интернет).
12. ВСН 116-93, ВНТП 113-93, 332-93; 111-93, ОСТН 600-93 (коррекция).
13. РТМ по построению тактовой сетевой синхронизации (ТСС) на цифровой сети связи РФ (коррекция).
14. РТМ по синхронной цифровой иерархии (коррекция).
15. Основные принципы TMN на местной сети.
16. Рекомендации по проектированию сетей абонентского доступа.
17. Эталоны по проектированию на местных сетях связи.
18. Инструкция по токораспределительной сети.
19. Расчет категорий пожароопасности и взрывоопасности для зданий и помещений связи.
20. Технология подвески оптических кабелей на опорах ВЛС, ЛЭП, троллейбусных линий.
21. Организация цифровых абонентских линий (АЛЦ) ЦСИС с канальной структурой 2B + D и 30B + D по кабелям с металлическими жилами.
22. Организация цифровых абонентских линий (АЛЦ) аппаратуры цифровых систем передачи xDSL по кабелям с металлическими жилами.
23. Состав измерений и рекомендуемый перечень и нормы измерительной и проверочной аппаратуры для организации и технической эксплуатации цифровых абонентских линий ЦСИС и абонентской аппаратуры ЦСП с технологией xDSL.
24. Организация электрической защиты коммутационного оборудования АТС Э (и АТС аналогового типа) от воздействия перенапряжения и избыточных токов.
25. Рекомендации по заземлению экранов симметричных кабелей с линейной и станционной стороны кросса при организации аналоговых абонентских линий и цифровых абонентских линий, в том числе цифровых абонентских линий ЦСИС, цифровых соединительных линий.
26. Организация контроля несанкционированного доступа к абонентским распределительным коробкам, телефонным распределительным шкафам.
27. Рекомендации по молниезащите электрооборудования объектов связи.
28. Рекомендации по защите оборудования связи от перенапряжений по цепям электропитания.
(информационное)
Рис. И.1. Вариант структуры оптической синхронной кольцевой абонентской сети комплекса АТСЦ-90.