
ГОСУДАРСТВЕННЫЙ СТАНДАРТ СОЮЗА ССР
КРЫШКИ ТОРЦОВЫЕ С КАНАВКАМИ ВЫСОКИЕ
ДИАМЕТРОМ от 47 до 100 мм
КОРПУСОВ ПОДШИПНИКОВ КАЧЕНИЯ
Конструкция и размеры
ГОСТ 13219.15-81
ГОСУДАРСТВЕННЫЙ СТАНДАРТ СОЮЗА ССР
|
КРЫШКИ ТОРЦОВЫЕ С КАНАВКАМИ ВЫСОКИЕ ДИАМЕТРОМ от 47 до 100 мм КОРПУСОВ ПОДШИПНИКОВ КАЧЕНИЯ Конструкция и размеры High cups with grooves for diameters from 47 till 100 mm of pillow blocks. Construction and dimensions |
ГОСТ Взамен |
Постановлением Государственного комитета СССР по стандартам от 9 апреля 1981 г. № 1928 срок действия установлен
с 01.01 1982 г.
до 01.01 1987 г.
Несоблюдение стандарта преследуется по закону
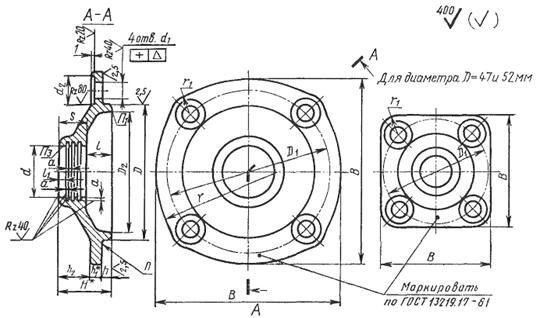
1. Настоящий стандарт распространяется на высокие торцовые крышки с канавками, устанавливаемые в корпусах подшипников качения по ГОСТ 13218.1-80, ГОСТ 13218.3-80, ГОСТ 13218.5-80, ГОСТ 13218.7-80 и предназначенные для герметизации подшипникового узла, осевой фиксации подшипника и восприятия осевых нагрузок.
2. Основные размеры крышек должны соответствовать указанным на чертеже и в таблице.
3. Технические требования - по ГОСТ 13219.17-81.
4. Дополнительные размеры элементов крышек - по рекомендуемому приложению к ГОСТ 13219.1-81.

* Размеры для справок.
Размеры в мм
|
Обозначение крышки |
D (пред. откл. по h9) |
Диаметр вала или втулки dном |
d (пред. откл. по А11) |
D1 |
D2 |
d1 |
d2 |
D |
B |
H |
h |
h1 |
h2 |
l |
l1 |
s |
a |
r |
r1 |
Теоретическая масса, кг |
|
ЖВ 47´17 |
47 |
17 |
17 |
63 |
41 |
9 |
18 |
0,10 |
65 |
27 |
4 |
6 |
17 |
11 |
3 |
16 |
2 |
- |
10,5 |
0,21 |
|
ЖВ 52´17 |
52 |
70 |
45 |
72 |
0,24 |
|||||||||||||||
|
ЖВ 52´20 |
20 |
20 |
28 |
18 |
12 |
0,25 |
||||||||||||||
|
ЖВ 62´20 |
62 |
80 |
55 |
85 |
29 |
19 |
13 |
70 |
11,0 |
0,35 |
||||||||||
|
ЖВ 62´25 |
25 |
25 |
0,33 |
|||||||||||||||||
|
ЖВ 72´25 |
72 |
90 |
65 |
98 |
75 |
0,39 |
||||||||||||||
|
ЖВ 72´30 |
30 |
30 |
30 |
20 |
14 |
0,38 |
||||||||||||||
|
ЖВ 80´30 |
80 |
100 |
72 |
110 |
0,46 |
|||||||||||||||
|
ЖВ 80´35 |
35 |
35 |
31 |
21 |
15 |
0,45 |
||||||||||||||
|
ЖВ 85´40 |
85 |
40 |
40 |
105 |
78 |
0,12 |
115 |
0,48 |
||||||||||||
|
ЖВ 90´35 |
90 |
35 |
35 |
110 |
80 |
11 |
20 |
125 |
33 |
5 |
7 |
4 |
18 |
80 |
12,0 |
0,70 |
||||
|
ЖВ 90´45 |
45 |
45 |
39 |
27 |
21 |
0,72 |
||||||||||||||
|
ЖВ 100´40 |
100 |
40 |
40 |
120 |
90 |
135 |
40 |
28 |
17 |
23 |
3 |
85 |
12,5 |
0,87 |
||||||
|
ЖВ 100´50 |
50 |
50 |
46 |
34 |
23 |
0,86 |
Пример условного обозначения высокой торцовой крышки с канавками диаметром D = 80 мм, dном = 30 мм:
Крышка ЖВ 80´30 ГОСТ 13219.15-81