ГОСТ 20-85
МЕЖГОСУДАРСТВЕННЫЙ СТАНДАРТ
ЛЕНТЫ КОНВЕЙЕРНЫЕ
РЕЗИНОТКАНЕВЫЕ
ТЕХНИЧЕСКИЕ УСЛОВИЯ
ИПК ИЗДАТЕЛЬСТВО СТАНДАРТОВ
Москва
МЕЖГОСУДАРСТВЕННЫЙ СТАНДАРТ
|
ЛЕНТЫ КОНВЕЙЕРНЫЕ РЕЗИНОТКАНЕВЫЕ Технические условия Rubber conveyer belts. |
ГОСТ |
Дата введения 01.01.87
Настоящий стандарт распространяется на конечные конвейерные ленты с резинотканевым послойным тяговым каркасом и наружными резиновыми обкладками с плоскими поверхностями, применяемые для транспортирования сыпучих, кусковых и штучных грузов на ленточных конвейерах с плоскими или желобчатыми роликоопорами.
Стандарт не распространяется на конвейерные ленты с каркасом и обкладками из других материалов.
Требования настоящего стандарта являются обязательными.
1.1. В зависимости от условий эксплуатации и назначения ленты изготовляют четырех типов: 1, 2, 3, 4 и следующих видов: общего назначения, морозостойкие, теплостойкие, трудновоспламеняющиеся (для угольных и сланцевых шахт), трудновоспламеняющиеся морозостойкие и пищевые. Типы и виды лент приведены в табл. 1.
(Измененная редакция, Изм. № 1, 2, 4).
1.2. Ленты всех типов должны иметь резинотканевый послойный тяговый каркас из тканей, указанных в табл. 1.
В каркасе лент из синтетических тканей между тканевыми прокладками должны быть резиновые прослойки.
(Измененная редакция, Изм. № 1).
1.3. Ленты типа 1 изготовляют с резиновыми обкладками рабочей и нерабочей поверхностей и резиновыми бортами.
В зависимости от условий эксплуатации ленты типа 1 подразделяются на два подтипа:
1,1 - для очень тяжелых условий эксплуатации. Ленты должны иметь под рабочей резиновой обкладкой защитную прокладку из ткани, обеспечивающую номинальную прочность по основе и утку 200 или 300 Н/мм;
1,2 - для тяжелых условий эксплуатации. Ленты должны иметь защитную прокладку из ткани с номинальной прочностью по основе и утку 200 Н/мм или брекерную прокладку с номинальной прочностью по основе 40 Н/мм и по утку 100 Н/мм.
Трудновоспламеняющиеся ленты 1.2Ш и 1.2ШМ должны иметь под рабочей резиновой обкладкой брекерную прокладку с номинальной прочностью по основе 40 Н/мм и по утку 100 Н/мм.
1.4. Ленты типа 2 изготовляют с резиновыми обкладками рабочей и нерабочей поверхности.
Ленты видов трудновоспламеняющиеся и трудновоспламеняющиеся морозостойкие всех ширин, пищевые шириной от 300 до 800 мм включительно и ленты видов общего назначения и морозостойкие шириной свыше 1000 мм изготовляют с резиновыми бортами. Ленты видов общего назначения и морозостойкие из синтетических тканей шириной до 1000 мм включительно и ленты вида теплостойкие (2Т1, 2Т2, 2Т3) всех ширин изготовляют с резиновыми или нарезными бортами.
Таблица 1
Типы и виды конвейерных лент
|
Основные характеристики ленты |
Вид транспортируемого материала, груза |
Категория условий эксплуатации |
Вид ленты |
Обозначение ленты |
Тип ткани тяговой прокладки каркаса с прочностью по основе, Н/мм |
Класс резины наружных обкладок |
Толщина наружных обкладок, мм |
Температура окружающего воздуха, °С |
||
|
рабочей поверхности |
нерабочей поверхности |
|||||||||
|
1 |
Многопрокладочная, с двухсторонней резиновой обкладкой и защитной или брекерной прокладкой под резиновой обкладкой рабочей поверхности и резиновыми бортами |
Руды черных и цветных металлов, крепкие горные породы кусками размером до 500 мм, бревна диаметром до 900 мм и другие материалы |
Очень тяжелые |
Общего назначения |
1.1 |
Синтетические, 400 |
А Б |
8 10* |
2 3 |
От -45 до +60 |
|
Морозостойкая |
1.1М |
М |
10* |
3 |
От -60 до +60 |
|||||
|
Известняк, доломит кусками размером до 500 мм, руды черных и цветных металлов кусками до 350 мм и другие крупнокусковые материалы, бревна диаметром до 900 мм |
Тяжелые |
Общего назначения |
1.2 |
Синтетические, 200 - 400 |
А Б |
6 8 |
2 2 |
От -45 до +60 |
||
|
Морозостойкая |
1.2М |
М |
8 |
2 |
От -60 до +60 |
|||||
|
Уголь кусками размером до 700 мм и породы кусками размером до 500 мм, антрацит кусками размером до 700 мм или порода кусками размером до 500 мм |
» |
Трудновоспламеняющаяся |
1.2Ш |
Синтетические (полиамидные), 200 - 400** |
Г-1 |
6 |
3,5 |
От -25 до +60 |
||
|
Трудновоспламеняющаяся морозостойкая |
1.2ШМ |
Г-2 |
6 |
3,5 |
От -45 до +60 |
|||||
|
2 |
Многопрокладочная, с двухсторонней резиновой обкладкой и резиновыми бортами |
Руды черных и цветных металлов, крепкие горные породы кусками до 100 мм, известняк, доломит, кокс, агломерат, шихта, концентрат рудный и другие высокоабразивные и абразивные материалы кусками размером до 150 мм и штучные грузы |
Средние |
Общего назначения |
2.1*6 |
Синтетические, 100 - 300 |
А И, Б И, Б |
6 8 6 |
2*** 2*** 2 |
От -45 до +60 |
|
Морозостойкая |
2М |
М М |
8 6 |
2*** 2 |
От -60 до +60 |
|||||
|
Уголь рядовой, глина, цемент, мягкие породы и другие малоабразивные материалы кусками до 150 мм |
» |
Общего назначения |
2,2*8 |
Синтетические, 100 - 300*9 или комбинированные (полиэфир/хлопок), 55 |
И, Б И, Б |
5 4,5 |
2 3,5 |
От -45 до +60 |
||
|
Морозостойкая |
2М |
М |
5 |
2 |
От -60 до +60 |
|||||
|
2 |
Многопрокладочная, с двухсторонней резиновой обкладкой и резиновыми бортами |
Уголь (куски размером до 500 мм) и породы (куски размером до 300 мм) |
Средние |
Трудновоспламеняющаяся |
2Ш* |
Синтетические (полиамидные), 100 - 300 |
Г-1 |
4,5 |
3,5 |
От -25 до +60 |
|
Антрацит кусками размером до 500 мм или породы размером до 300 мм |
» |
Трудновоспламеняющаяся морозостойкая |
2ШМ* |
Синтетические (полиамидные), 100 - 300 |
Г-2 |
4,5 |
3,5 |
От -45 до +60 |
||
|
Материалы с температурой до 100 °С*4 |
Теплостойкая |
2Т1 |
Синтетические (полиамидные), 100 - 300 |
Т-1 |
8 |
2 |
От -25 до +60 |
|||
|
высокоабразивные и абразивные |
» |
Т-1 |
6 |
2 |
||||||
|
малоабразивные и неабразивные |
» |
Т-1 |
6 |
2 |
||||||
|
высокоабразивные и абразивные |
» |
2Т2 |
Синтетические (полиамидные), 100 - 200 |
Т-2 |
6 |
2 |
От -10 до +60 |
|||
|
малоабразивные и неабразивные |
» |
Т-2 |
5 |
2 |
||||||
|
Материалы с температурой до 150 °С*4 |
||||||||||
|
высокоабразивные и абразивные |
» |
Теплостойкая |
2Т2 |
Синтетические (полиамидные), 100 - 200 |
Т-2 Т-2 Т-2 |
8 6 6 |
2 2 2 |
От -10 до +60 |
||
|
малоабразивные и неабразивные |
||||||||||
|
Материалы с температурой до 200 °С*4 |
||||||||||
|
высокоабразивные |
» |
2Т3 |
Синтетические, 100 - 300 |
Т-3 |
10 |
3 |
От -25 до +60 |
|||
|
абразивные |
Т-3 |
8 |
2 |
|||||||
|
малоабразивные и неабразивные |
Т-3 |
6 |
2 |
|||||||
|
2 |
Многопрокладочная, с двухсторонней резиновой обкладкой, резиновыми или нарезными бортами |
Малоабразивные материалы, в том числе продукты сельского хозяйства, неабразивные мелкие, сыпучие и пакетированные материалы |
Легкие |
Общего назначения морозостойкая |
2Л*10 |
Синтетические, 100 - 200 или комбинированные (полиэфир/хлопок), 55 |
И, Б И, Б |
4 3 |
2 1*5 |
От -45 до +60 |
|
2ЛМ*10 |
М М |
4 3 |
2 1*5 |
От -60 до +60 |
||||||
|
Пищевая |
2ПЛ |
П |
4 |
2 |
От -25 до +60 |
|||||
|
3 |
Многопрокладочная, с односторонней резиновой обкладкой и нарезными бортами |
Малоабразивные и неабразивные материалы, в том числе продукты сельского хозяйства, мелкие сыпучие и пакетированные материалы |
» |
Общего назначения |
3 |
Синтетические, 100 или комбинированные (полиэфир/хлопок), 55 |
И, Б И, Б |
3 2 |
0 0 |
От -45 до +60 |
|
Пищевая |
3П |
П П |
3 2 |
0 0 |
От -25 до +60 |
|||||
|
4 |
Одно- и двухпрокладочные с двухсторонней резиновой обкладкой и нарезными бортами |
Малоабразивные и неабразивные мелкие и сыпучие материалы, в том числе продукты сельского хозяйства только на конвейерах со сплошным опорным настилом |
» |
Общего назначения |
4 |
Синтетические, 100 или комбинированные (полиэфир/ хлопок), 55 |
И, Б |
2 |
1 |
От -45 до +60 |
|
С*7 |
2 |
1 |
От -25 до +60 |
|||||||
|
С |
3 |
1 |
От -25 до +60 |
|||||||
|
Пищевая |
4П |
П |
3 |
1 |
От -25 до +60 |
|||||
|
Пакетированные материалы |
Общего назначения |
4 |
И, Б |
1 |
1 |
От -45 до +60 |
||||
|
С |
2 |
1 |
От -25 до +60 |
|||||||
|
Пищевая |
4П |
П |
2 |
1 |
От -25 до +60 |
|||||
|
Мелкие упакованные пищевые продукты |
Пищевая |
4П |
П |
1 |
1 |
От -25 до +60 |
||||
* Изготовление лент с 01.07.90.
** Для изготовления лент 1.2Ш, 1.2ШМ с прочностью одной тяговой прокладки 400.
*** Для лент шириной 1600 мм и более.
*4 Температура рабочей обкладки теплостойких лент в месте разгрузки не должна превышать для лент видов 2Т1 - 80 °С, 2Т2 - 100 °С, 2Т3 - 150 °С. Для теплостойких лент условия эксплуатации определяют температурой груза.
*5 Для лент шириной 1200 мм и менее.
*6 Тип 2 общего назначения подразделяется на подтипы 2.1 и 2.2 в зависимости от вида транспортного груза.
*7 Для БПО «Беларусьрезинотехника».
*8 По согласованию изготовителя с потребителем допускается применять ленты типа 2Ш и 2ШМ с наружными обкладками толщиной 4,5 и 3,5 мм из резин классов Г-1, Г-2 как ленты типа 2.2 вида общего назначения с температурным интервалом, соответствующим резинам Г-1 и Г-2.
*9 Для изготовления лент типов 2.2 и 2М шириной свыше 1600 мм допускается применять ткани с прочностью на основе 300 Н/мм.
*10 Для изготовления двухпрокладочных лент типов 2Л на 2ЛМ применяют полиамидные ткани с прочностью по основе 100 и 200 Н/мм.
Ленты общего назначения шириной до 650 мм включительно на основе тканей из комбинированных нитей (нити из комбинации полиэфирного и хлопчатобумажного волокна) и пищевые шириной более 800 мм по согласованию изготовителя с потребителем изготовляют с нарезными бортами. Ленты общего назначения на основе тканей из комбинированных нитей шириной свыше 650 мм изготовляют с резиновыми бортами.
По согласованию изготовителя с потребителем допускается ленты типа 2 общего назначения и морозостойкие шириной до 1400 мм включительно и трудновоспламеняющиеся (2Ш и 2ШМ) шириной до 750 мм включительно на основе синтетических тканей изготовлять с нарезными бортами.
(Измененная редакция, Изм. № 1, 2).
1.5. Ленты типа 3 изготовляют с резиновой обкладкой рабочей поверхности и нарезными бортами. Допускается изготовлять ленты типа 3 с нижней тканевой прокладкой, завернутой вокруг борта каркаса на рабочую поверхность ленты.
Ленты типа 4 изготовляют с резиновыми обкладками рабочей и нерабочей поверхности и нарезными бортами.
1.6. В каркасе лент типов 1, 2, 3, а также двухпрокладочных типа 4 поперечные стыки тяговых (тканевых) прокладок должны быть расположены под углом от 45° до 70° к продольной оси ленты. В лентах длиной 80 м и более допускается не более одного стыка на одной из внешних прокладок и не более двух стыков на каждой из внутренних прокладок каркаса. В одной и той же прокладке поперечные стыки должны быть удалены друг от друга не менее чем на 5000 мм, в соседних - на расстояние не менее двойной ширины ленты, причем это расстояние должно быть не менее 1500 мм.
Допускается ленты типов 1 (подтип 1.2), 2 и 3 шириной 1600 мм и более изготовлять с продольными стыками прокладок каркаса. При этом внешние прокладки этих лент должны иметь не более одного продольного стыка, а каждая внутренняя прокладка - не более двух продольных стыков. Продольные стыки соседних прокладок должны отстоять друг от друга и от наружной кромки каркаса не менее чем на 100 мм, а в одной и той же прокладке - не менее чем на 200 мм.
Расположение и количество стыков проверяют при операционном контроле в процессе изготовления лент.
1.7. Для изготовления конвейерных лент применяют технические ткани, обеспечивающие соответствие лент требованиям настоящего стандарта. Наименования тканей указаны в приложении 1.
1.8. Условное обозначение ленты должно содержать буквенные и цифровые индексы, обозначающие тип и вид ленты, ее ширину в миллиметрах, число тканевых прокладок каркаса, сокращенное наименование ткани, толщину резиновых обкладок на рабочей и нерабочей сторонах ленты в миллиметрах, класс обкладочной резины и обозначение настоящего стандарта.
Для лент типа 2 после класса обкладочной резины следует указывать вид борта: «РБ» - резиновый борт; «НБ» - нарезной борт.
Примеры условных обозначений:
Лента конвейерная типа 1, подтипа 1.1 общего назначения, шириной 1600 мм, с четырьмя прокладками из ткани МК-400/120-3, с рабочей обкладкой 8 мм и нерабочей 2 мм из резины класса А:
Лента 1.1-1600-4-МК-400/120-3-8-2-А ГОСТ 20-85
То же, типа 1, подтипа 1.2Ш трудновоспламеняющаяся для угольных шахт, шириной 1000 мм, с пятью прокладками из ткани ТК-200-2, с рабочей обкладкой толщиной 6 мм и нерабочей 3,5 мм из резины класса Г-1:
Лента 1.2Ш-1000-5-ТК-200-2-6-3,5-Г-1
То же, типа 2, теплостойкая, шириной 800 мм с шестью прокладками из ткани ТК-100, с рабочей обкладкой толщиной 8 мм и нерабочей 2 мм из резины класса Т-1 с нарезным бортом:
Лента 2Т1-800-6-ТК-100-8-2-Т-1-НБ ГОСТ 20-85
То же, типа 2, морозостойкая, шириной 1200 мм с четырьмя прокладками из ткани ТК-200-2, с рабочей обкладкой толщиной 5 мм и нерабочей 2 мм из резины класса М с резиновым бортом
Лента 2М-1200-4-ТК-200-2-5-2-М-РБ ГОСТ 20-85
То же, типа 3, общего назначения, шириной 800 мм с тремя прокладками из ткани ТК-100, с рабочей обкладкой толщиной 3 м из резины класса Б:
Лента 3×800×3×ТК-100×3×Б ГОСТ 20-85
То же, типа 4, пищевая, шириной 500 мм с двумя прокладками из ткани БКНЛ-65, с рабочей обкладкой толщиной 2 мм и нерабочей 1 мм из резины класса П:
Лента 4П-500-2-Б КНЛ-65-2-1-П ГОСТ 20-85
(Измененная редакция, Изм. № 1).
2.1. Ленты должны быть изготовлены в соответствии с требованиями настоящего стандарта по технологическому регламенту, утвержденному в установленном порядке.
2.2. По числу тяговых прокладок и ширине ленты должны соответствовать требованиям, приведенным в табл. 2.
Таблица 2
|
Количество тяговых прокладок для лент типа |
||||||||||||
|
1 |
2 |
3 |
4 |
|||||||||
|
Номинальная прочность тяговых прокладок, Н/мм |
||||||||||||
|
400 |
300 |
200 |
300 |
200 |
100 |
55 |
100 |
55 |
100 |
55 |
||
|
100, 200 |
- |
- |
- |
- |
- |
- |
- |
2 - 5 |
2 - 4 |
1 - 2 |
1 - 2 |
|
|
300, 400 |
- |
- |
- |
- |
2 - 5 |
2 - 5 |
2 - 5 |
2 - 5 |
2 - 4 |
1 - 2 |
1 - 2 |
|
|
500, (600) |
- |
- |
- |
- |
2 - 5 |
2 - 5 |
2 - 5 |
2 - 5 |
2 - 4 |
1 - 2 |
1 - 2 |
|
|
650, (700) |
- |
- |
- |
- |
2 - 6 |
2 - 5 |
2 - 6 |
2 - 5 |
3 - 5 |
1 - 2 |
1 - 2 |
|
|
(750), 800 |
- |
3 - 6 |
3 - 6 |
3 - 6 |
2 - 6 |
2 - 6 |
3 - 6 |
3 - 5 |
3 - 5 |
1 - 2 |
1 - 2 |
|
|
(900), 1000 |
3 - 6 |
3 - 6 |
3 - 6 |
3 - 6 |
3 - 6 |
3 - 6 |
3 - 6 |
3 - 5 |
3 - 5 |
1 - 2 |
1 - 2 |
|
|
(1100), 1200 |
3 - 6 |
4 - 6 |
4 - 6 |
3 - 6 |
3 - 6 |
3 - 6 |
3 - 6 |
3 - 5 |
3 - 5 |
1 - 2 |
1 - 2 |
|
|
1400 |
3 - 6 |
4 - 6 |
4 - 6 |
4 - 6 |
4 - 6 |
4 - 6 |
3 - 6 |
3 - 5 |
3 - 5 |
1 - 2 |
1 - 2 |
|
|
1600 |
3 - 8 |
4 - 8 |
5 - 6 |
3 - 8 |
3 - 6 |
4 - 6 |
3 - 6 |
3 - 5 |
3 - 5 |
- |
- |
|
|
(1800), 2000 |
4 - 8 |
4 - 8 |
5 - 6 |
3 - 8 |
5 - 6 |
4 - 6 |
3 - 6 |
3 - 5 |
3 - 5 |
- |
- |
|
|
(2250), 2500, 2750, 3000 |
|
5 - 6 |
5 - 6 |
5 - 6 |
4 - 6 |
5 - 6 |
4 - 6 |
3 - 6 |
- |
- |
- |
- |
Примечания:
1. Ленты, ширина которых указана в скобках, не должны применяться при проектировании новых конвейеров.
2. Для лент вида 2Ш, 2ШМ не допускается применять ткань прочностью 65 Н/мм.
3. Ленты двухпрокладочные с номинальной прочностью тяговых прокладок 200 и 100 Н/мм следует применять только для легких условий эксплуатации, соответствующих лентам типа 2Л и 2ЛМ (табл. 1).
(Измененная редакция, Изм. № 2).
2.3. Предельные отклонения по ширине лент не должны превышать:
±1,0 % - для лент шириной до 650 мм включительно с открытыми нарезными бортами;
±2,0 % - для лент шириной до 650 мм включительно с резиновыми бортами;
±1,5 % - для лент шириной более 650 мм.
По согласованию изготовителя с потребителем допускается устанавливать другие предельные отклонения, но не превышающие указанных на ±0,5 %.
(Измененная редакция, Изм. № 1).
2.4. Длина лент подтипа 1.1 должна быть не менее 220 м, подтипа 1.2 и лент типов 2 и 3 - не менее 80 м, лент типа 4 - не менее 30 м.
По требованию потребителя допускается изготовление лент типов 1, 2, 3 длиной не менее 40 м и лент типа 4 - длиной не менее 20 м.
(Измененная редакция, Изм. № 2).
2.5. Предельные отклонения по
длине лент не должны превышать ![]()
2.6. Толщина наружных резиновых обкладок в зависимости от типа и вида лент должна соответствовать указанной в табл. 1.
Предельные отклонения по толщине наружных резиновых обкладок приведены в табл. 3.
Таблица 3
мм
|
Номинальная толщина наружных резиновых обкладок |
Предельные отклонения |
|
|
Все виды (кроме трудновоспламеняющихся) |
1,0; 2,0 |
+1,5 -0,3 |
|
3,0; 3,5; 4,0; 4,5; 5,0; 6,0; 8,0; 10,0 |
+2,0 -0,5 |
|
|
Трудновоспламеняющиеся |
3,5; 4,5; 6,0 |
+2,0 -0,4 |
(Измененная редакция, Изм. № 1, 4).
2.7. Ленты типов 1 и 2 изготовляют шириной (расчетной) резинового борта не менее толщины нерабочей обкладки и не более общей толщины ленты. Ширина борта обеспечивается толщиной обкладочной резины, проверяемой при операционном контроле в процессе изготовления лент.
(Измененная редакция, Изм. № 1).
2.8. Расчетная толщина тягового каркаса для всех типов и видов лент на основе различных тканей приведена в приложении 2.
2.9. Толщина (расчетная) ленты должна быть равна сумме толщин наружных резиновых обкладок и толщины (расчетной) тягового каркаса.
2.10. Колебания по фактической толщине ленты не должны превышать:
±1,0 мм - для лент толщиной до 10 мм,
±10,0 % » » » более 10 мм.
2.11. Разнотолщинность на противоположных сторонах ленты в точках, отстоящих от борта не более 50 мм для лент шириной 800 мм и более, не должна превышать:
1 мм - для лент с количеством прокладок до пяти;
2 мм » » » » пять и более.
Для лент шириной менее 800 мм разнотолщинность не нормируют.
(Измененная редакция, Изм. № 2).
2.12. Ленты должны быть прямыми. Предельные отклонения борта ленты от прямой линии на длине 20 м не должны превышать ±5 % ширины ленты.
(Измененная редакция, Изм. № 4, 5).
Суммарная длина выпрессовки ткани по резиновому борту ленты с каждой стороны не должна превышать 4,0 м на длине 25 м для лент с каркасом из тканей с нитями основы и утка из синтетических волокон и 1,0 м на длине 25 м - для лент с каркасом из тканей с комбинированными нитями основы и утка. Допускаются следы выпрессовки ткани по резиновому борту на всей длине ленты.
Для лент 2Т1, 2Т2, 2Т3 с нарезным бортом допускается равномерное затекание резины по борту на всей длине ленты.
Общая площадь продольных и поперечных гофров резиновой обкладки не должна быть более 4 % на площади 10 м2. На поверхности ленты допускаются отпечатки от плит вулканизационного пресса, а также неровности поверхности от заделки борта и вулканизационного оборудования в виде утолщения резиновой обкладки общей площадью, не превышающей 10 % на площади 10 м2.
Допускаются следы от чистки плит пресса, от ремонта лент, от антиадгезива (талька и эмульсионной смазки).
Допускается определять внешний вид лент по контрольным образцам, утвержденным в установленном порядке.
(Измененная редакция, Изм. № 1, 2, 4, 5).
2.14. Номинальная прочность при разрыве тяговой прокладки по основе и по утку в зависимости от типа ткани каркаса должна соответствовать приведенной в табл. 4.
Таблица 4
|
Номинальная прочность при разрыве тяговой прокладки, Н/мм |
||
|
по основе |
по утку |
|
|
Ткань с основой и утком из полиамидных нитей |
400 400 300 200 100 |
100 75 50 65 60 |
|
Ткань с основой из полиэфирных нитей с утком из полиамидных нитей |
300 200 |
60 55 |
|
Ткань с основой и утком из комбинированных нитей (полиэфир/хлопок) |
55 |
20 |
Примечания:
1. Условные обозначения тканей приведены в рекомендуемом приложении 1.
2. Прочность по утку 100 Н/мм соответствует ткани МК-400/120, прочность по утку 75 Н/мм - для тканей ТК-400, ТА-400.
2.15. Показатели максимально допустимой (расчетной) рабочей нагрузки тяговой прокладки в зависимости от среднего угла установки конвейера, вида ленты и числа тяговых прокладок каркаса должны соответствовать приведенным в табл. 5.
Таблица 5
|
Угол установки конвейера (по оси концевых барабанов), град |
Число тяговых прокладок |
Максимально допустимая рабочая (расчетная) нагрузка тяговой прокладки при номинальной прочности, Н/мм |
|||||
|
400 |
300 |
200 |
100 |
55 |
|||
|
Общего назначения, морозостойкая, пищевая, трудновоспламеняющаяся для угольных и сланцевых шахт, трудновоспламеняющаяся морозостойкая |
От 0 до 10 |
До 5 Св. 5 |
50 45 |
36 32 |
25 22 |
12 11 |
7,0 6,0 |
|
От 10 до 18 |
До 5 Св. 5 |
45 40 |
32 30 |
22 20 |
11 10 |
6,0 5,5 |
|
|
Теплостойкая: |
От 0 до 18 |
От 3 до 6 |
|||||
|
2Т1 |
- |
20 |
13 |
10 |
- |
||
|
2Т2 |
- |
20 |
13 |
10 |
- |
||
|
2Т3 |
- |
15 |
10 |
- |
- |
||
(Измененная редакция, Изм. № 1).
2.16. Максимально допустимую (расчетную) рабочую нагрузку ленты по основе (Рл), Н, вычисляют по формуле
![]()
где Р - максимально допустимая рабочая нагрузка одной тяговой прокладки, Н/мм;
b - ширина ленты, мм;
n - число тяговых прокладок каркаса.
2.17. По физико-механическим показателям резины, применяемые для изготовления наружных обкладок конвейерных лент, должны соответствовать нормам, указанным в табл. 6.
Таблица 6
Физико-механические показатели резин для наружных обкладок лент
|
Норма для резины класса |
|||||||||||
|
А |
Б |
И |
С |
М |
Т-1 |
Т-2 |
Т-3 |
Г-1 |
Г-2 |
П |
|
|
1. Условная прочность при растяжении, МПа, не менее |
24,5 |
19,6 |
15,0 |
10,0 |
14,7 |
11,0 |
10,0 |
11,0 |
14,7 |
14,7 |
9,8 |
|
2. Относительное удлинение при разрыве, %, не менее |
450 |
400 |
400 |
150 |
350 |
400 |
300 |
400 |
350 |
300 |
300 |
|
3. Потери объема при истирании, мм3, не более |
160 |
160 |
100 |
200 |
150 |
160 |
200 |
200 |
200 |
200* |
- |
|
4. Сопротивление истиранию, Дж/мм3, не менее |
- |
- |
- |
- |
- |
- |
- |
- |
- |
7,15 |
- |
|
5. Коэффициент морозостойкости при растяжении, не менее, при температуре: |
|||||||||||
|
минус 45 °С |
- |
- |
- |
- |
- |
- |
- |
- |
- |
0,3 |
- |
|
минус 50 °С |
- |
- |
- |
- |
0,2 |
- |
- |
- |
- |
- |
- |
|
6. Твердость, единицы по Шору А |
40 - 60 |
50 - 70 |
55 - 75 |
55 - 75 |
50 - 70 |
45 - 65 |
55 - 75 |
60 - 75 |
55 - 75 |
55 - 75 |
- |
|
7. Изменение нормы условной прочности при растяжении после старения в воздухе, %, не менее: |
|||||||||||
|
при температуре (100 ± 1) °С в течение 72 ч |
- |
- |
- |
- |
- |
-40 |
- |
- |
- |
- |
- |
|
при температуре (125 ± 1) °С в течение 72 ч |
- |
- |
- |
- |
- |
- |
-45 |
- |
- |
- |
- |
|
8. Изменение нормы относительного удлинения при разрыве после старения в воздухе, %, не менее: |
|||||||||||
|
при температуре (100 ± 1) °С в течение 24 ч |
-50 |
-50 |
-60 |
- |
-50 |
- |
- |
- |
- |
- |
- |
|
при температуре (100 ± 1) °С в течение 72 ч |
- |
- |
- |
- |
- |
-60 |
- |
- |
- |
- |
- |
|
при температуре (125 ± 1) °С в течение 72 ч |
- |
- |
- |
- |
- |
- |
-65 |
- |
- |
- |
- |
|
9. Условная прочность при растяжении после старения в воздухе при температуре (125 ± 1) °С в течение 168 ч, МПа, не менее |
- |
- |
- |
- |
- |
- |
- |
10,0 |
- |
- |
- |
|
10. Относительное удлинение при разрыве после старения в воздухе при температуре (125 ± 1) °С в течение 168 ч, %, не менее |
- |
- |
- |
- |
- |
- |
- |
300 |
- |
- |
- |
* Норма вводится с 01.01.93.
(Измененная редакция, Изм. № 1, 2, 3, 4).
2.18. Наружные обкладки пищевых лент должны быть изготовлены из резиновых смесей в соответствии с технической документацией, разрешенной Министерством здравоохранения СССР. По согласованию изготовителя с потребителем пищевые ленты изготовляют с наружными резиновыми обкладками светлых тонов.
2.19. По физико-механическим показателям ленты должны соответствовать нормам, указанным в табл. 7.
Таблица 7
|
Норма для лент с номинальной прочностью тяговых прокладок |
|||||||||||||
|
из ткани основой и утком из полиамидных нитей прочностью, Н/мм |
из ткани с основой из полиэфирных и утком из полиамидных нитей прочностью, Н/мм, 200, 300 |
из ткани с основой и утком из комбинированных нитей (полиэфир/хлопок) |
из ткани с основой и утком из полиамидных нитей прочностью, Н/мм |
из ткани с основой из полиэфирных и утком из полиамидных нитей прочностью, Н/мм, 200, 300 |
|||||||||
|
100 |
200 |
300 |
400/75 |
400/100 |
100 |
200 |
300 |
400/75 |
400/100 |
||||
|
Категории В |
Категории К |
||||||||||||
|
1. Относительное удлинение по основе при нагрузке, составляющей 10 % номинальной прочности образца, %, не более |
3,5 |
3,5 |
3,5 |
3,5 |
3,5 |
2,0 |
3,5 |
3,5 |
3,5 |
4,0 |
4,0 |
3,5 |
2,0 |
|
2. Прочность связи, Н/мм, не менее: |
|||||||||||||
|
а) между рабочей обкладкой и защитной или брекерной прокладкой в лентах типа 1 |
- |
4,0 |
4,0 |
4,0 |
4,5 |
4,0 |
- |
- |
3,5 |
3,5 |
3,5 |
4,0 |
3,5 |
|
б) между рабочей обкладкой толщиной более 3 мм и каркасом в лентах: |
|||||||||||||
|
тип 2 и тип 3 |
4,0 |
4,0 |
4,0 |
- |
- |
- |
3,0 |
3,5 |
3,5 |
3,5 |
- |
- |
- |
|
тип 2 вида 2Т3 |
- |
- |
- |
- |
- |
3,7 |
- |
- |
- |
- |
- |
- |
3,5 |
|
в) между рабочей обкладкой толщиной 2 мм в лентах типов 3 и 4 |
3,5 |
- |
- |
- |
- |
- |
2,8 |
3,2 |
- |
- |
- |
- |
- |
|
г) между прокладками лент: |
|||||||||||||
|
тип 1, 2 и 3 |
4,5 |
4,5 |
4,5 |
4,5 |
5,0 |
4,5 |
3,2 |
4,0 |
4,0 |
4,0 |
4,0 |
4,5 |
4,0 |
|
тип 2 вида 2Т3 |
- |
- |
- |
- |
- |
3,7 |
- |
- |
- |
- |
- |
- |
3,5 |
|
д) между прокладками двухпрокладочных лент типа 4 |
3,7 |
- |
- |
- |
- |
- |
3,0 |
3,5 |
- |
- |
- |
- |
- |
|
е) между элементами конструкции ленты 2Т3 после старения в воздухе при температуре (125 ± 1) °С в течение 168 ч, Н/мм, не менее: |
|||||||||||||
|
между рабочей обкладкой и каркасом |
- |
- |
- |
- |
- |
3,0 |
- |
- |
- |
- |
- |
- |
3,0 |
|
между прокладками |
- |
- |
- |
- |
- |
3,0 |
- |
- |
- |
- |
- |
- |
3,0 |
|
3. Изменение норм показателей прочности связи между элементами конструкции ленты после старения в воздухе: |
|||||||||||||
|
а) для лент вида 2Т1 и 2Т2 при температуре (125 ± 1) °С в течение 72 ч, %, не менее: |
|||||||||||||
|
между рабочей обкладкой и каркасом |
-40 |
-40 |
-40 |
- |
- |
- |
- |
-40 |
-40 |
-40 |
- |
- |
- |
|
между прокладками |
-30 |
-30 |
-30 |
- |
- |
- |
- |
-30 |
-30 |
-30 |
- |
- |
- |
|
б) (Исключен, Изм. № 2). |
|||||||||||||
|
в) для лент типов 1, 2, 3 общего назначения и морозостойких при температуре (100 ± 1) °С в течение 24 ч, %, не менее: |
|||||||||||||
|
между рабочей обкладкой и каркасом |
-30 |
-30 |
-30 |
-30 |
-30 |
-30 |
-30 |
-30 |
-30 |
-30 |
-30 |
-30 |
-30 |
|
между прокладками |
-30 |
-30 |
-30 |
-30 |
-30 |
-30 |
-30 |
-30 |
-30 |
-30 |
-30 |
-30 |
-30 |
|
4. Время горения трудновоспламеняющихся лент видов 1.2Ш, 1.2ШМ, 2Ш, 2ШМ, с, не более: |
|||||||||||||
|
а) шести образцов с обкладками |
45 |
45 |
45 |
45 |
- |
- |
- |
45 |
45 |
45 |
45 |
- |
- |
|
б) одного образца с обкладками |
15 |
15 |
15 |
15 |
- |
- |
- |
15 |
15 |
15 |
15 |
- |
- |
|
5. Поверхностное электрическое сопротивление трудновоспламеняющихся лент видов 1.2Ш, 1.2ШМ, 2Ш, 2ШМ, Ом, не более |
3 · 108 |
3 · 108 |
3 · 108 |
3 · 108 |
- |
- |
- |
3 · 108 |
3 · 108 |
3 · 108 |
3 · 108 |
- |
- |
|
6. Воспламеняемость трудновоспламеняющихся лент видов 1.2Ш, 1.2ШМ, 2Ш, 2ШМ при трении на барабане |
Не воспламеняется |
- |
- |
- |
Не воспламеняется |
- |
- |
||||||
Примечания:
1. Норма по п. 1 для лент типа 2 вида 2Т3 - не более 2,5 %.
С 01.01.91 для всех типов лент категории В - не более 2,5 %, категории К - не более 3,5 %, кроме лент из ткани с основой из полиэфирных и утком из полиамидных нитей прочностью 200 и 300 Н/мм.
2. (Исключено, Изм. № 5).
3. Для лент типа 2 категории В видов общего назначения, морозостойких шириной более 650 мм и до 1400 мм, кроме 2Л и 2ЛМ, теплостойких 2Т1, 2Т2 всех ширин и трудновоспламеняющихся 2Ш, 2ШМ, шириной до 750 мм включительно, изготавливаемых с нарезными бортами, норма прочности связи между обкладкой и каркасом должна быть не менее 5,0 Н/мм, между прокладками - не менее 6,0 Н/мм.
4. 5. (Исключены, Изм. № 4).
(Измененная редакция, Изм. № 1, 2, 4, 5).
2.20. Ленты, предназначенные для работы в районах с тропическим климатом, должны соответствовать требованиям ГОСТ 15152.
2.21. Основные правила эксплуатации конвейерных лент установлены в приложении 3.
2.22. Средние сроки службы конвейерных лент без учета вторичного использования при трехсменной работе приведены в табл. 8.
Методика установления категории условий эксплуатации лент приведена в приложении 4.
Таблица 8
Средние сроки службы конвейерных лент
|
Категория условий эксплуатации |
Обозначение ленты |
Тип ткани тяговой прокладки каркаса с прочностью по основе, Н/мм |
Класс резины наружных обкладок |
Толщина наружных обкладок, мм |
Срок службы лент при трехсменной работе без учета вторичного использования, мес |
||
|
рабочей поверхности |
нерабочей поверхности |
||||||
|
Руды черных и цветных металлов, крепкие горные породы кусками размером до 500 мм, бревна диаметром до 900 мм и другие материалы |
Очень тяжелые |
1.1 1.1М |
Синтетические 400 |
А Б М |
8,0 10,0 10,0 |
2,0 3,0 3,0 |
24 24 24 |
|
Известняк, доломит кусками размером до 500 мм, руды черных и цветных металлов кусками до 350 мм, бревна диаметром до 900 мм и другие крупнокусковые материалы |
Тяжелые |
1.2 1.2М |
Синтетические 200 - 400 |
А Б М |
6,0 8,0 8,0 |
2,0 2,0 2,0 |
35 35 35 |
|
Уголь (куски размером до 700 мм) и породы (куски размером до 500 мм) |
- |
1.2Ш* 1.2ШМ* |
Синтетические (полиамидные) 200 - 400 |
Г-1 Г-2 |
6,0 6,0 |
3,5 3,5 |
44 44 |
|
Антрацит кусками размером до 700 мм или породы кусками размером до 500 мм |
- |
1.2Ш* 1.2ШМ* |
То же |
Г-1 Г-2 |
6,0 6,0 |
3,5 3,5 |
40 40 |
|
Руды черных и цветных металлов, крепкие горные породы кусками размером до 100 мм |
Средние |
2.1 2М |
Синтетические 100 - 300 |
А И, Б М |
6,0 8,0 8,0 |
2,0 2,0 2,0 |
46 46 46 |
|
Известняк, доломит, кокс, агломерат, шихта, концентрат рудный и другие высокоабразивные материалы кусками размером до 150 мм |
Средние |
2.1 2М |
Синтетические 100 - 300 |
И, Б М |
6,0 6,0 |
2,0 2,0 |
46 46 |
|
Уголь рядовой, глина, цемент, мягкие породы и другие малоабразивные материалы кусками размером до 150 мм |
Средние |
2.2 2М |
Синтетические 100 - 300 или комбинированные (полиэфир/хлопок) 55 |
И, Б И, Б М |
5,0 4,5 5,0 |
2,0 3,5 2,0 |
40 40 40 |
|
Уголь (куски размером до 500 мм) и породы (куски размером до 300 мм) |
2Ш* 2ШМ* |
Синтетические (полиамидные) 100 - 300 |
Г-1 Г-3 Г-2 |
4,5 4,5 4,5 |
3,5 3,5 3,5 |
42 42 42 |
|
|
Антрацит кусками размером до 500 мм |
- |
2Ш* |
Синтетические (полиамидные) |
Г-1 |
4,5 |
3,5 |
30 |
|
Антрацит кусками размером до 500 мм или породы кусками до 300 мм |
- |
2ШМ* |
100 - 300 |
Г-2 |
4,5 |
3,5 |
30 |
|
Материалы с температурой до 100 °С: |
|||||||
|
высокоабразивные и абразивные |
- |
2Т1 |
Синтетические (полиамидные) |
Т-1 Т-1 |
8,0 6,0 |
2,0 2,0 |
24 16 |
|
малоабразивные и неабразивные |
- |
2Т1 |
100 - 200 |
Т-1 |
6,0 |
2,0 |
24 |
|
высокоабразивные и абразивные |
- |
2Т2 |
Т-2 |
6,0 |
2,0 |
24 |
|
|
малоабразивные и неабразивные |
- |
2Т2 |
Т-2 |
5,0 |
2,0 |
24 |
|
|
Материалы с температурой до 150 °С: |
То же |
||||||
|
высокоабразивные и |
- |
2Т2 |
Т-2 |
8,0 |
2,0 |
12 |
|
|
абразивные |
- |
2Т2 |
Т-2 |
6,0 |
2,0 |
10 |
|
|
малоабразивные и неабразивные |
- |
2Т2 |
Т-2 |
6,0 |
2,0 |
12 |
|
|
Материалы с температурой до 200 °С: |
|||||||
|
высокоабразивные |
- |
2Т3 |
Синтетические 100 - 300 |
Т-3 |
10,0 |
3,0 |
12 |
|
абразивные |
- |
2Т3 |
Т-3 |
8,0 |
2,0 |
12 |
|
|
малоабразивные и неабразивные |
- |
2Т3 |
Т-3 |
6,0 |
2,0 |
12 |
|
|
Малоабразивные материалы, в том числе продукты сельского хозяйства, неабразивные, мелкие, сыпучие и пакетированные материалы |
Легкие |
2Л 2Л 2ЛМ 2ЛМ 2ПЛ |
Синтетические 100 - 200 или комбинированные (полиэфир/хлопок), 55 |
И, Б И, Б М М П |
4,0 3,0 4,0 3,0 4,0 |
2,0 1,0 2,0 1,0 2,0 |
79 79 79 79 79 |
|
Малоабразивные и неабразивные материалы, в том числе продукты сельского хозяйства, мелкие, сыпучие и пакетированные материалы |
Легкие |
3 3П 3 3П |
Синтетические 100 или комбинированные (полиэфир/хлопок), 55 |
И, Б П И, Б П |
3,0 3,0 2,0 2,0 |
0,0 0,0 0,0 0,0 |
70 70 70 70 |
|
Малоабразивные и неабразивные материалы**, в том числе продукты сельского хозяйства, мелкие и сыпучие материалы |
Легкие |
4 4 4 4П |
Синтетические 100 или комбинированные (полиэфир/хлопок), 55 |
И, Б С С*** П |
2,0 3,0 2,0 3,0 |
1,0 1,0 1,0 1,0 |
70 70 70 70 |
|
Пакетированные материалы |
Легкие |
4 4 4П |
Синтетические 100 или комбинированные |
И, Б С П |
1,0 2,0 2,0 |
1,0 1,0 1,0 |
70 70 70 |
|
Мелкие упакованные пищевые продукты |
4П |
(полиэфир/хлопок), 55 |
П |
1,0 |
1,0 |
70 |
|
* Высота падения груза не должна превышать 1,0 м.
** На конвейерах со сплошным опорным настилом.
*** Для БПО «Беларусьрезинотехника».
(Измененная редакция, Изм. № 2, 4).
2.23. Материалы для стыковки лент методами вулканизации изготовляют по согласованию изготовителя с потребителем в соответствии с нормативно-технической документацией. Основные правила стыковки лент приведены в приложении 5.
3.1. Ленты принимают партиями. Партией считают ленты одного типа и вида из ткани одного наименования общей длиной не более 10 тыс. м, трудновоспламеняющиеся ленты для угольных и сланцевых шахт - общей длиной не более 5 тыс. м.
(Измененная редакция, Изм. № 4).
3.2. Для проверки соответствия качества конвейерных лент требованиям настоящего стандарта их подвергают приемосдаточным и периодическим испытаниям в соответствии с табл. 9.
Таблица 9
|
Объем выборки, периодичность испытаний |
Вид испытаний |
||
|
приемосдаточные |
периодические |
||
|
1. Внешний вид, длина, маркировка |
100 % |
+ |
- |
|
2. Ширина, колебания по фактической толщине ленты |
Не менее одной ленты от партии |
+ |
- |
|
3. Толщина наружных резиновых обкладок |
Не реже одного раза в месяц на пяти любых партиях лент по одной ленте от партии |
- |
+ |
|
4. Физико-механические показатели ленты (табл. 7, пп. 1.2а, б, в, г, д) |
Не менее одной ленты от партии |
+ |
- |
|
5. Горючесть (время горения) трудновоспламеняющихся лент (табл. 7, п. 4) |
На шести образцах от каждой ленты в партии |
+ |
- |
|
6. Поверхностное электрическое сопротивление трудновоспламеняющихся лент (табл. 7, п. 5) |
Не менее одной ленты от партии |
+ |
- |
|
7. Физико-механические показатели тяговой прокладки по основе (табл. 4) |
То же |
+ |
- |
|
8. Физико-механические показатели тяговой прокладки по утку (табл. 4) |
Не реже одного раза в год, не менее одной ленты от партии |
- |
+ |
|
9. Физико-механические показатели резиновых обкладок (табл. 6, пп. 1 - 6, 9, 10). |
Не реже одного раза в месяц на трех закладках резины каждого класса |
- |
+ |
|
10. Изменение нормы условной прочности при растяжении, относительного удлинения при разрыве обкладочных резин после старения при температуре 100 и 125 °С в течение 72 ч, при температуре 125 °С в течение 168 ч (табл. 6, п. 7 и 8 для резин классов Т-1, Т-2). |
Не реже одного раза в квартал на трех закладках резины каждого класса |
- |
+ |
|
11. Изменение нормы относительного удлинения при разрыве обкладочных резин после старения при температуре 100 °С в течение 24 ч (табл. 6, п. 8а для резин классов А, Б, И, С, М) |
Не реже одного раза в год на трех закладках резины каждого класса |
- |
+ |
|
12. Изменение нормы показателей прочности связи между элементами конструкции после старения при температуре 125 °С (табл. 7, п. 3а для лент видов 2Т1, 2Т2) и показатель прочности связи для лент 2Т3 (табл. 7, п. 2е). |
Не реже одного раза в квартал на трех лентах каждого вида |
- |
+ |
|
13. Изменение нормы показателей прочности связи между элементами конструкции после старения при температуре 100 °С в течение 24 ч (табл. 7, п. 3в для лент типов 1, 2, 3 общего назначения и морозостойких) |
Не реже одного раза в год, не менее одной ленты от партии |
- |
+ |
Примечания:
1. Знак «+» обозначает проведение испытаний, знак «-» отсутствие испытаний.
2. Предельное отклонение борта ленты от прямой линии при необходимости проверяет потребитель до навешивания ленты на конвейер.
3.3. При получении неудовлетворительных результатов при приемосдаточных испытаниях хотя бы по одному из показателей по пп. 2, 4, 6, 7 табл. 9 по нему проводят повторные испытания на удвоенной выборке лент, взятой от той же партии.
При получении неудовлетворительных результатов повторных испытаний изготовитель проводит испытания каждой ленты в партии.
3.2, 3.3. (Измененная редакция, Изм. № 2).
3.4. При получении неудовлетворительных результатов испытаний по п. 5 табл. 9 по нему проводят повторные испытания на удвоенном количестве образцов, взятых от той же ленты. Результаты повторных испытаний распространяют на данную ленту в партии.
3.5. При получении неудовлетворительных результатов периодических испытаний по пп. 9, 10, 11 табл. 9 по ним проводят повторные испытания на удвоенной выборке, взятой от резины того же класса.
При неудовлетворительных повторных испытаниях проводят испытания по этим показателям до получения положительных результатов не менее чем на трех выборках подряд.
3.6. При получении неудовлетворительных результатов периодических испытаний по пп. 3, 8, 12, 13 табл. 9 по ним проводят повторные испытания на удвоенной выборке, взятой от той же партии.
При получении неудовлетворительных повторных испытаний переводят испытания лент этого типа и вида в приемосдаточные до получения положительных результатов испытаний не менее чем на двух партиях подряд, проверяя по две ленты от партии.
(Измененная редакция, Изм. № 2).
3.7. Воспламеняемость трудновоспламеняющихся лент при трении на барабане (табл. 7, п. 6) изготовитель совместно с потребителем проверяют при разработке новых конструкций лент, применении новых материалов или изменении технологии.
4.1. Внешний вид лент проверяют визуально.
4.2. Размеры лент проверяют не ранее чем через 8 ч после вулканизации.
4.2.1. Длину лент проверяют счетчиком метража в комплекте с УГН-1, аттестованным в установленном порядке, или другим прибором с погрешностью ±0,1 %.
4.2.2. Ширину лент измеряют металлической измерительной рулеткой 1-го класса точности по ГОСТ 7502 с ценой деления 1 мм или другим измерительным инструментом, обеспечивающим измерение с погрешностью ±1 мм.
Ширину ленты измеряют не менее чем на трех участках, отстоящих друг от друга на расстоянии не менее 10 м и от концов ленты не менее 5 м. За результат принимают среднеарифметическое значение трех измерений.
4.3. Для определения площади продольных и поперечных гофров резиновой обкладки участок с гофрами очерчивают прямоугольниками площадью, охватывающей площадь гофра.
Общую площадь гофров вычисляют по суммарной площади прямоугольников.
(Измененная редакция, Изм. № 1).
4.4. Толщину ленты измеряют на готовой ленте толщиномером по ГОСТ 11358 с ценой деления 0,1 мм.
4.4.1. Для определения колебаний фактической толщины ленты измеряют толщину ленты не менее чем в трех точках, отстоящих друг от друга на расстоянии не менее 10 м и от концов ленты не менее 5 м. За толщину ленты принимают среднеарифметическое значение полученных при измерении показателей.
За колебание фактической толщины принимают максимальную разность полученного показателя и среднеарифметического значения.
4.4.2. Разнотолщинность на противоположных сторонах ленты определяют не менее чем на трех участках в точках, отстоящих от борта не более чем на 50 мм и от конца ленты не менее 5 м, расположенных на противоположных бортах, на линии, перпендикулярной продольной оси ленты.
За результат принимают среднеарифметическое значение трех измерений.
4.5. Толщину наружных резиновых обкладок (рабочей и нерабочей) определяют методом А или Б.
По методу А толщину наружных резиновых обкладок определяют на образец ленты, не имеющем гофров, длиной (50,0+10,0) мм и шириной, равной ширине ленты (см. чертеж), по методу Б - с помощью измерительного микооскопа (приложение 10).

1 - прокладка; 2 - резиновая обкладка с рабочей стороны; 3 - резиновая обкладка с нерабочей стороны
Толщину измеряют в восьми точках, равномерно распределенных по ширине образца, толщиномером по ГОСТ 11358. Результаты округляют до 0,1 мм.
Толщину ленты s1 измеряют по восьми точкам, затем снимают рабочую наружную обкладку и измеряют оставшуюся толщину ленты s2 в тех же восьми точках. При наличии защитной или брекерной прокладок их снимают вместе с наружной резиновой обкладкой. Снимают нерабочую обкладку и измеряют оставшуюся толщину сердечника s3 в тех же восьми точках.
Толщину наружной рабочей резиновой обкладки а1 определяют как разность измерений в восьми точках толщины ленты s1 и оставшейся части ленты после снятия рабочей резиновой обкладки s2, т.е. а1 = s1 - s2. Из полученных восьми результатов определяют среднее значение.
За толщину рабочей резиновой обкладки при наличии защитной или брекерной прокладки принимают разность полученной толщины рабочей обкладки и толщины (расчетной) защитной или брекерной прокладки.
Толщину нерабочей резиновой обкладки а2 определяют как разность измерений в восьми точках толщины ленты без рабочей резиновой обкладки s2 и оставшейся части сердечника (без обкладок) s3, т.е. а2 = s2 - s3. Из полученных восьми результатов определяют среднее значение.
(Измененная редакция, Изм. № 2).
4.6. Для проведения физико-механических испытаний лент отбирают не менее чем через 8 ч после вулканизации кусок ленты (пробу) длиной (500 ± 50) мм и шириной, равной ширине ленты. Пробу необходимо вырезать параллельно кромке ленты, отступая от нее не менее чем на 50 мм и от конца ленты не менее чем на 1 м.
4.7. Образцы или заготовки образцов лент, вырезанные или вырубленные из пробы, выдерживают перед испытанием при температуре (23 ± 5) °С не менее 12 ч.
4.8. Для определения прочности при разрыве одной прокладки по основе и по утку вырезают из проб заготовки образцов шириной не более 70 мм и длиной не менее 400 мм.
4.8.1. Для подготовки образцов к испытаниям вырезанную заготовку образца ленты с двумя или более прокладками расслаивают на отдельные прокладки. Крайние нити должны быть удалены или подрезаны.
4.8.2. На подготовленном образце шириной (25,0 ± 1,0) мм отмечают рабочий участок длиной (200,0 ± 1,0) мм двумя параллельными метками.
Для лент на основе синтетических тканей прочностью 300 и 400 Н/мм допускаются образцы шириной (25 ± 2) мм и длиной (200,0 ± 2,0) мм.
4.8.3. Образцы испытывают на разрывной машине с допускаемой погрешностью измерения усилия ±1 %, которая должна обеспечивать скорость подвижного зажима (100 ± 10) мм/мин.
4.8.4. Прочность при разрыве прокладки по основе и утку определяют на шести образцах, испытывая по два образца любых прокладок от каждой из трех заготовок образцов ленты.
Прочность при разрыве (Р), Н/мм, ширины прокладки вычисляют по формуле
![]()
где Р1 - прочность при разрыве образца, Н;
b - ширина образца, мм.
За результат испытаний принимают среднеарифметическое значение шести показателей.
4.9. Относительное удлинение определяют при нагрузке, составляющей 10 % номинальной прочности образца, на образцах, вырезанных или вырубленных из пробы.
4.9.1. Образцы должны быть длиной не менее 400 мм, шириной (50 ± 1) мм. Рабочий участок образца должен быть (200 ± 1) мм. Образцы испытывают, сохраняя полное число прокладок. Допускается испытывать образцы без резиновых обкладок. Испытание проводят на разрывной машине со скоростью подвижного зажима (100 ± 10) мм/мин.
4.9.2. Удлинение рабочего участка образца измеряют с погрешностью не более 1 мм в момент достижения заданной нагрузки, соответствующей 10 % номинальной прочности испытуемого образца. Допускаемая погрешность заданной нагрузки при растяжении должна быть ±1 % от предельного значения выбранной шкалы нагрузок.
Номинальную прочность образца вычисляют, умножая номинальную прочность одной тяговой прокладки, указанной в табл. 4, на ширину образца в миллиметрах и число тяговых прокладок образца.
4.9.3. Относительное удлинение образца (e) в процентах вычисляют по формуле
![]()
где l0 - начальная длина рабочего участка, мм;
l1 - длина рабочего участка в момент измерения, мм.
За результат испытания принимают среднеарифметическое значение трех показателей.
4.10. Прочность связи при расслоении между элементами конструкции определяют по ГОСТ 6768 на разрывной машине с самопишущим прибором на шести образцах. Среднюю силу расслоения (Рср) по диаграмме расслоения определяют как среднеарифметическое значение 50 % наиболее низких максимумов для каждых двух соседних слоев в отдельности.
(Измененная редакция, Изм. № 1).
4.10.1. Образцы должны быть длиной не менее 175 мм, шириной (25 ± 1,0) мм. Образцы могут быть вырезаны любым способом, обеспечивающим указанный допуск по ширине образца. Испытания проводят на разрывной машине при скорости подвижного зажима (100 ± 10) мм/мин.
4.10.4. Допускается определять прочность связи при расслоении по ГОСТ 6768 без самопишущего прибора с дополнениями, указанными ниже. Подготовка образцов - по пп. 4.10.1, 4.10.2.
При испытании регистрируют десять пар максимальных и минимальных значений прочности связи между каждыми двумя соседними элементами лент. Показатель прочности связи каждой пары элементов вычисляют как среднеарифметическое значение полученных десяти пар максимальных и минимальных значений.
Результаты вычисляют в соответствии с требованиями п. 4.10.3.
(Измененная редакция, Изм. № 1, 4, 5).
4.10.5. Ленту считают выдержавшей испытания, если полученная прочность связи для каждых двух соседних слоев в отдельности будет не ниже нормы, установленной в п. 2.19.
(Введен дополнительно, Изм. № 1).
4.11. Условную прочность при растяжении и относительное удлинение при разрыве обкладочных резин определяют по ГОСТ 270, на образце типа I, толщиной 2 мм для резин классов Т-1, Т-2, для остальных классов резин - на образце типа II, толщиной 2 мм.
4.12. Коэффициент морозостойкости при растяжении определяют по ГОСТ 408, метод А.
4.13. Потери объема при истирании обкладочных резин всех классов определяют по ГОСТ 23509.
4.14. Сопротивление истиранию определяют по ГОСТ 426.
4.15. Определение твердости по Шору А - по ГОСТ 263 на образцах, изготовленных из резин, применяемых для наружных обкладок лент.
(Измененная редакция, Изм. № 2).
4.16. Изменение норм по условной прочности при растяжении и относительному удлинению при разрыве резин, применяемых для изготовления наружных обкладок, определяют по ГОСТ 9.024 (метод 1) после старения в воздушном термостате при температурах и продолжительности выдерживания, указанных в табл. 6.
Условную прочность при растяжении и относительное удлинение при разрыве резины класса Т-3 после старения в воздушном термостате при температурах и продолжительности выдерживания, указанных в табл. 6, определяют по ГОСТ 9.024, при этом за результат принимают среднеарифметическое значение результатов полученных испытаний после старения по условной прочности при растяжении и относительному удлинению при разрыве.
(Измененная редакция, Изм. № 1).
4.17. Изменение норм прочности связи между элементами конструкции лент от установленных в табл. 7, п. 2 определяют после выдерживания заготовок образцов размером [(400×400) ± 50] мм в воздушном термостате, отвечающем требованиям ГОСТ 9.024, метод 1.
(Измененная редакция, Изм. № 2).
4.17.1. В термостат помещают заготовки образцов, отобранные от тех же лент, что и для испытаний по п. 4.10, температура и продолжительность выдерживания приведены в табл. 7.
После термического старения заготовки выдерживают при температуре (23 ± 2) °С не менее 16 ч и не более 6 сут и затем нарезают образцы в соответствии с п. 4.10.1, отступая от края заготовки не менее 50 мм. Испытания проводят в соответствии с п. 4.10.
Изменение нормы прочности связи между элементами конструкции лент после старения (S) в процентах для лент видов 2Т1 и 2Т2 и видов общего назначения и морозостойких типов 1, 2, 3 вычисляют по формуле
![]()
где A0 - норма прочности связи до старения по табл. 7, п. 2, Н/мм;
А1 - прочность связи после старения, вычисленная в соответствии с пп. 4.10.3, 4.10.4, Н/мм.
Для лент 2Т3 за результат испытаний принимают значения показателей прочности связи после старения (А1), вычисленные в соответствии с пп. 4.10.3, 4.10.4.
Ленту считают выдержавшей испытания, если изменение прочности связи для каждых двух соседних слоев в отдельности будет не ниже нормы, установленной в табл. 7, п. 3, и для лент 2Т3 не ниже нормы, установленной в табл. 7, п. 2е.
(Измененная редакция, Изм. № 2, Поправка).
4.18. Горючесть (время горения) в пламени горелки трудновоспламеняющихся лент для угольных и сланцевых шахт, трудновоспламеняющихся морозостойких определяют по методике, утвержденной в установленном порядке.
4.19. Поверхностное электрическое сопротивление и воспламеняемость при трении на барабане трудновоспламеняющихся лент для угольных и сланцевых шахт, трудновоспламеняющихся морозостойких определяют по методам, изложенным в приложениях 6 и 7.
4.19. 4.20. (Измененная редакция, Изм. № 1).
4.20. Отсутствие вредных примесей в резинах, применяемых для изготовления обкладок пищевых лент, проверяют в соответствии с правилами, утвержденными Министерством здравоохранения СССР.
4.21. Предельное отклонение борта ленты от прямой линии определяют следующим образом: ленту раскатывают на ровной площадке, выдерживают не менее 12 ч (кроме трудновоспламеняющихся лент), натягивают тонкий трос (шнур), соединяющий две точки по борту ленты, отстоящие друг от друга на расстоянии (20,00 ± 0,05) м, и измеряют расстояние между прямой линией, образованной натянутым тросом (шнуром) и линией борта ленты в пяти точках. Измерение проводят любым измерительным инструментом с ценой деления 1 мм.
Предельное отклонение борта ленты от прямой линии (X) в процентах от ширины ленты b мм вычисляют по формуле
![]()
где Z - максимальное значение пяти измерений, мм.
(Измененная редакция, Изм. № 1).
5.1. Ленты должны иметь четкую маркировку. Ленты типов 1, 2 и 3 шириной более 500 мм должны иметь рельефную маркировку. Ленты типа 3 шириной до 500 мм и ленты типа 4 всех ширин должны иметь маркировку на ярлыке из любого материала, обеспечивающего сохранность маркировки при транспортировании и хранении. Ленты, имеющие рельефную маркировку, также должны иметь маркировку на ярлыке.
5.2. Рельефная маркировка должна находиться на расстоянии не менее 3000 мм от концов ленты, не более 200 мм от борта через каждые 10 - 20 м по длине ленты.
Для лент шириной до 650 мм допускается расположение маркировки через 20 - 30 м.
5.2.1. Рельефная маркировка должна содержать:
товарный знак или товарный знак и наименование предприятия-изготовителя;
тип и вид ленты;
тип ткани;
ширину и количество прокладок;
толщину резиновых обкладок и класс резины;
номер ленты;
год изготовления.
Пример маркировки приведен в приложении 8.
Для лент с нарезными бортами допускается не указывать в рельефной маркировке ширину ленты.
(Измененная редакция, Изм. № 4).
5.3. Ярлыки прикрепляют на обоих концах лент, один из ярлыков должен крепиться к внутренней поверхности последнего витка свернутой в рулон ленты. Для лент с рельефной маркировкой ярлык прикрепляют на одном конце ленты.
5.3.1. На ярлыке должны быть указаны:
товарный знак или товарный знак и наименование предприятия-изготовителя;
условное обозначение и длина ленты;
номер ленты;
год и месяц изготовления;
марка прослоечной и обкладочной резин, рекомендуемых для стыковки методом горячей вулканизации, марка клея;
марка клея, рекомендуемого для стыковки методом холодной вулканизации;
штамп технического контроля предприятия-изготовителя;
штамп постоянного представителя Минуглепрома СССР для трудновоспламеняющихся конвейерных лент для угольных и сланцевых шахт;
обозначение настоящего стандарта.
Допускается для лент типа 4 на ярлыке вместо номера ленты указывать номер партии и площадь ленты в м2.
(Измененная редакция, Изм. № 1).
5.4. Ленты для районов с тропическим климатом должны маркироваться, сопровождаться ярлыком и упаковываться в соответствии с требованиями ГОСТ 15152.
Ленты шириной до 1000 мм включительно перевязывают по наружной поверхности рулона не менее чем в одном месте. Ленты шириной более 1000 мм перевязывают по наружной поверхности рулона не менее чем в двух местах.
(Измененная редакция, Изм. № 1).
5.6. Конвейерные ленты типа 1.1 должны быть намотаны на бобину диаметром не менее 400 мм и перевязаны тканевой лентой по наружной поверхности рулона в соответствии с п. 5.5.
5.7. Транспортная маркировка - по ГОСТ 14192 с указанием манипуляционного знака «Крюками не брать».
По железной дороге транспортирование проводят повагонными отправками.
При массе грузового места (рулона ленты) не более 500 кг допускается укрупнение грузовых мест. Масса (расчетная) лент приведена в приложении 9.
Масса брутто пакета не должна превышать 1 т.
Груз скрепляют в соответствии с ГОСТ 21650 синтетическими лентами или лентами на основе прорезиненных синтетических тканей из отходов производства.
5.9. Ленты хранят в закрытых помещениях при температуре от минус 5 до плюс 30 °С не ближе 1 м от отопительных приборов.
Ленты должны быть защищены от воздействия прямых солнечных и тепловых лучей, кислот, щелочей, масел, бензина, керосина, их паров и других веществ, разрушающих резину и ткань.
При хранении рулоны лент типов 1, 2 и 3 должны находиться в горизонтальном положении, уложенными не более чем в два ряда, рулоны лент типа 4 - не более чем в четыре ряда.
Не допускается хранение рулонов лент на боковой поверхности (торце).
Допускается кратковременное (не более 15 сут) хранение лент под навесом.
5.10. После транспортирования и хранения при отрицательной температуре ленты перед монтажом должны быть выдержаны при температуре (20 ± 5) °С не менее 24 ч.
5.9, 5.10 (Измененная редакция, Изм. № 2).
6.1. Изготовитель гарантирует соответствие лент требованиям настоящего стандарта при соблюдении условий эксплуатации, хранения и транспортирования.
6.2. Гарантийный срок хранения лент - 12 мес со дня изготовления.
(Измененная редакция, Изм. № 2).
6.3. Гарантийный срок эксплуатации лент общего назначения, морозостойких и трудновоспламеняющихся для угольных и сланцевых шахт - 12 мес, теплостойких вида 2Т1 и пищевых - 6 мес, теплостойких вида 2Т2 - 4 мес, теплостойких вида 2Т3 - 3 мес со дня ввода лент в эксплуатацию.
Рекомендуемое
|
Прочность ткани по основе, Н/мм |
Обозначение синтетических тканей |
Обозначение комбинированных тканей (полиэфир/хлопок) |
|
|
Основа и уток из полиамидных нитей |
Основа из полиэфирных нитей, уток из полиамидных нитей |
||
|
65 |
- |
- |
БКНЛ-65 ГОСТ 19700 БКНЛ-65-2 ГОСТ 19700 |
|
100 |
ТА-100, ТК-100 ГОСТ 18215 |
- |
- |
|
200 |
ТК-200-2 ГОСТ 18215 |
ТЛК-200 ГОСТ 22510 |
- |
|
300 |
ТА-300, ТК-300 ГОСТ 18215 |
ТЛК-300 |
- |
|
400 |
ТА-400, ТК-400 ГОСТ 18215 МК-400/120-3 |
- |
- |
|
200/200* |
Защитная прокладка |
- |
- |
|
300/300* |
Защитная прокладка |
- |
- |
|
40/100* |
Брекерная прокладка ТКБ |
- |
- |
|
- |
|||
* Прочность по основе и утку.
ПРИЛОЖЕНИЕ 1. (Измененная редакция, Изм. № 1).
Справочное
|
Количество тяговых прокладок каркаса |
Толщина (расчетная), мм, резинотканевого каркаса из тканей |
|||||||
|
комбинированных (полиэфир/хлопок) |
синтетических (полиамид) |
синтетических (полиэфир/полиамид) |
||||||
|
Номинальная прочность тяговой прокладки по основе, Н/мм |
||||||||
|
55 |
400/100** |
400/75** |
300 |
200 |
100 |
300 |
200 |
|
|
1 |
1,2 |
- |
- |
- |
- |
1,1 |
- |
- |
|
2 |
2,4 |
- |
- |
- |
3,2 |
2,2 |
- |
3,2 |
|
3 |
3,6 |
9,0 |
6,0; 6,9* |
5,7; 6,6* |
4,8; 5,7* |
3,3; 4,2* |
6,3 |
5,1 |
|
4 |
4,8 |
12,0 |
8,0; 9,2* |
7,6; 8,8* |
6,4; 7,6* |
4,4; 5,6* |
8,4 |
6,8 |
|
5 |
6,0 |
15,0 |
10,0; 11,5* |
9,5; 11,0* |
8,0; 9,5* |
5,5; 7,0* |
10,5 |
8,5 |
|
6 |
7,2 |
18,0 |
12,0; 13,8* |
11,4; 13,2* |
9,6; 11,4* |
6,6; 8,4* |
12,6 |
10,2 |
* Толщина (расчетная) каркаса для теплостойких, трудновоспламеняющихся для угольных и сланцевых шахт, трудновоспламеняющихся морозостойких и лент типа 2.2 из резин классов Г-1 и Г-2.
** Прочность по основе (400) и утку (100 и 75).
Примечание. При вычислении толщины каркаса для лент типа 1 дополнительно учитывают толщину защитной и брекерной прокладки с резиновой прослойкой:
для защитной прокладки с прочностью ткани 200/200 Н/мм - (3,2 ± 0,4) мм;
для защитной прокладки с прочностью ткани 300/300 Н/мм - (4,5 ± 0,4) мм;
для брекерной прокладки ТКБ - (1,5 ± 0,2) мм.
ПРИЛОЖЕНИЕ 2. (Измененная редакция, Изм. № 1, 2).
Обязательное
1. Для правильного выбора типа конвейерной ленты и ее технических характеристик для вновь разрабатываемых машин и оборудования применение ее должно согласовываться между изготовителем и потребителем.
2. Основные правила эксплуатации лент на предприятиях потребителя должны быть регламентированы технической документацией, согласованной с изготовителем.
3. Тип и вид ленты должны соответствовать условиям ее применения, указанным в табл. 1 настоящего стандарта. Ленты типа 4 применяют на конвейерах со сплошным опорным настилом.
4. Конвейеры, работающие в тяжелых и очень тяжелых условиях эксплуатации, должны быть оборудованы устройствами, снижающими ударные нагрузки на ленты и предотвращающими продольный порыв ленты.
5. Надзор за правильной эксплуатацией ленты должен осуществляться ответственным должностным лицом предприятия-потребителя.
6. Учет работы лент проводится в журнале учета работы конвейера, форма которого устанавливается отраслевой научно-технической документацией. При установке и замене ленты в журнале фиксируется техническая характеристика ленты в соответствии с п. 5.2.1 настоящего стандарта, срок службы и причина снятия ленты.
7. Резинотканевые ленты стыкуют методом горячей или холодной вулканизации по инструкциям разработчиков и изготовителей лент, выпущенным не ранее 1971 г. Стыковку и монтаж лент 2Т2 производят при температуре окружающего воздуха не ниже 0 °С.
8. Ленты стыкуют, используя прослоечные, обкладочные резины и клеи, указанные в ярлыке в соответствии с п. 5.3.1 настоящего стандарта.
9. Ленты всех видов из тканей прочностью не более 100 Н/мм шириной до 1200 мм и трудновоспламеняющиеся шириной до 1200 мм на основе тканей прочностью 200 Н/мм допускается стыковать механическими способами по технической документации соответствующих министерств и ведомств, согласованной с разработчиком лент.
10. Температуру поверхности рабочей обкладки теплостойких лент в местах разгрузки транспортируемых грузов измеряют фотоэлектронным пирометром типа ФЭП-8 или любым другим измерительным прибором, обеспечивающим точность измерения ±5 °С.
Рекомендуемое
1. Категории условий эксплуатации конвейерных лент общего назначения на конкретных конвейерах следует оценивать суммой балльных оценок факторов эксплуатации, приведенных в табл. 1.
Таблица 1
|
Уровень факторов или их характеристика |
Оценка фактора, баллы |
|
|
Размер кусков груза, мм |
0 - 80 (мелкокусковый груз) |
0 |
|
0 - 150 (среднекусковый груз) |
8 |
|
|
0 - 350 (среднекусковый груз) |
18 |
|
|
0 - 500 (крупнокусковый груз) |
25 |
|
|
Абразивность груза |
Неабразивный |
0 |
|
Малоабразивный |
5 |
|
|
Абразивный |
15 |
|
|
Высокоабразивный |
25 |
|
|
Насыпная плотность груза, т/м3 |
До 1,0 |
0 |
|
Св. 1,0 до 1,7 |
0,2 оценка |
|
|
» 1,7 » 2,3 |
0,4×размеров |
|
|
» 2,3 » 2,7 |
0,5 кусков |
|
|
» 2,7 |
0,7 |
|
|
Высота свободного падения груза на лету, мм |
До 300 |
0,2 |
|
Св. 300 до 800 |
0,5 оценка |
|
|
» 800 » 1500 |
0,7×размеров |
|
|
» 1500 » 2000 |
1,0 кусков |
|
|
Скорость и направление движения груза и ленты в месте загрузки |
Близки |
0 |
|
Значительно различаются |
0,4×оценка абразивности |
|
|
Метод разгрузки |
Через головной барабан |
0 |
|
Разгрузочной тележкой |
10 |
|
|
Плужковым сбрасывателем |
1,0×оценка абразивности |
|
|
Минимальная температура окружающего воздуха, °С |
Св. 0 |
0 |
|
Ниже 0 |
10 |
|
|
Воздействие атмосферных осадков или грузов с высокой влажностью |
Нет |
|
|
Есть |
0 |
|
|
10 |
||
|
Условия технического обслуживания |
Хорошие |
0 |
|
Затрудненные |
20 |
Если сумма баллов составляет:
от 0 до 20 - условия эксплуатации легкие;
св. 20 до 50 - условия эксплуатации средние;
» 50 » 75 - условия эксплуатации тяжелые;
» 75 » 100 - условия эксплуатации очень тяжелые.
Если сумма баллов превышает 100, применение конвейерных лент не допускается.
2. Категории абразивности некоторых грузов приведены в табл. 2.
Таблица 2
|
Вид груза |
|
|
Неабразивный |
Продукты сельского хозяйства, зерно, опилки, щепа, штучные пакетированные грузы и другие |
|
Малоабразивный |
Бурый уголь, каменный уголь, формовочная земля, мягкие вскрышные породы, комковая сера, глины, шамот, динас, песок, гравий, цемент и другие |
|
Абразивный |
Железная руда, антрацит, горные породы средней крепости (крепость до 10 по шкале Протодьяконова), кокс, шихта, концентрат рудный, известняк, магнезит, агломерат рудный, щебень и другие |
|
Высокоабразивный |
Полиметаллические руды, руды цветных металлов, крепкие горные породы (крепость свыше 10 по шкале Протодьяконова), железные руды с включениями кварцита и другие |
3. Пример установления категории условий эксплуатации конкретного конвейера.
3.1. Ленты эксплуатируются на конвейере, установленном на дробильной фабрике металлургического комбината.
Основные факторы эксплуатации:
|
длина конвейера |
80 м |
|
ширина ленты |
1000 мм |
|
производительность |
500 т/ч |
груз - железная руда крупностью 0 - 150 мм и насыпной плотностью 2,6 т/м3
|
высота свободного падения груза на ленту |
600 мм |
|
направление движения груза и ленты в месте загрузки |
не совпадает |
|
разгрузка |
через головной барабан |
|
минимальная температура воздуха |
10 °С |
|
условия технического обслуживания |
хорошие |
|
воздействие влаги |
отсутствует. |
3.2. В соответствии с табл. 1 и 2 настоящего приложения оценка факторов эксплуатации следующая (баллы):
|
размер кусков |
8 |
|
абразивность |
15 |
|
насыпная масса |
0,5×8 = 4 |
|
высота свободного падения |
0,5×8 = 4 |
|
скорость и направление движения груза и ленты не совпадают |
0,4×15 = 6 |
|
метод разгрузки |
0 |
|
минимальная температура воздуха |
0 |
|
воздействие атмосферных осадков или грузов с высокой влажностью |
0 |
|
условия технического обслуживания |
0 |
|
Итого 37 |
3.3. В соответствии с п. 1.1 условия эксплуатации указанного конвейера оцениваются как средние.
Рекомендуемое
1. Стыковка резинотканевых конвейерных лент проводится способами горячей и холодной вулканизации и механическим способом.
2. При горячем способе вулканизации стыков резинотканевых лент используют переносные вулканизационные прессы, обеспечивающие давление на ленту не менее 1 МПа (10 кгс/см2) и температуру 150 °С, клей для промазки поверхностей стыка и прослоечных резин, обкладочная и прослоечная резины, растворители (бензин этилацетат) для разбавления клея в случае его загустевания.
Разделка концов ленты проводится ступеньками, длина которых указана в табл. 1.
Таблица 1
Длина ступенек стыка для резинотканевых лент при холодном и горячем способах вулканизации
|
55 |
100 |
200 |
300 |
400 |
|
|
Длина средних ступенек, мм |
100 |
150 |
250 |
300 |
350 |
|
Длина крайних ступенек, мм |
130 |
200 |
330 |
400 |
470 |
Длину стыка (Lст) определяют по формуле
![]()
где lст - длина средней ступеньки, мм (табл. 1);
i - число прокладок;
h - ширина заделки стыка, мм (табл. 2);
b - ширина ленты, мм.
Таблица 2
Ширина заделки стыка резинотканевых лент при горячем способе вулканизации
мм
|
До 650 |
Св. 650 |
До 800 |
Св. 800 |
До 1400 |
Св. 1400 |
|
|
Ширина заделки стыка l3 |
30 |
50 |
75 |
120 |
||
2.1. Средний расход материалов при стыковке лент приведен в табл. 3.
Таблица 3
|
Средний расход на 1 м2 стыка, кг |
|
|
Горячая вулканизация |
|
|
1. Клей резиновый* |
1,5 |
|
2. Клей «Лейконат» |
0,15 |
|
3. Резина прослоечная толщиной 0,5 + 1,0 мм* |
1,0 |
|
4. Резина обкладочная каландрованная толщиной 2 мм* |
1,0 |
|
5. Бензин БР-1 (БР-2) |
0,5 |
|
6. Этилацетат |
0,1 |
|
Холодная вулканизация |
|
|
7. Клей резиновый* |
1,0 |
|
8. Клей «Лейконат» |
0,15 |
|
9. Бензин БР-1 (БР-2) |
0,5 |
|
10. Этилацетат |
0,1 |
* Марки клеев и резин указываются в сопроводительных документах на ленту и в отраслевых инструкциях по стыковке лент.
Режим вулканизации стыков резинотканевых лент приведен на чертеже. Плиты вулканизационного пресса снимают с ленты после их охлаждения до температуры 70 °С.

3. При холодном способе стыковки резинотканевых лент, длина ступенек определяется по табл. 1, длина стыка - по формуле
![]()
где lст - длина средней ступеньки, мм (табл. 1);
i - число прокладок;
b - ширина ленты, мм.
Средний расход материалов приведен в табл. 3. Стык для набора полной прочности должен быть выдержан в течение 24 ч без пуска конвейера под нагрузкой.
Гарантийный срок хранения резин и клеев должен соответствовать срокам, указанным в НТД на эти материалы.
Обязательное
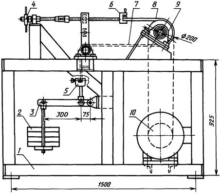
1. Испытание при трении на барабане проводят на стенде с вращающимся барабаном в режиме полной пробуксовки образца ленты относительно поверхности барабана.
2. Сущность метода заключается в визуальном наблюдении невоспламеняемости (воспламеняемости) ленты в результате трения поверхности барабана относительно образца и в установлении максимальной температуры барабана в процессе испытания.
3. Испытания проводят на трех образцах длиной (1600 ± 50) мм и шириной (150 ± 5) мм, вырезанных из готовой ленты по основе.
Образцы вырезают, отступая от борта ленты не менее чем на 100 мм и не менее чем на 1 м от конца ленты.
4. Схема и основные размеры стенда должны соответствовать чертежу.
5. Основные параметры стенда:
См. новую инструкцию
|
мощность двигателя |
(7,5 ± 0,5) кВт |
|
число оборотов двигателя |
(1500 ± 50) мин-1 |
|
диаметр барабана |
(200 ± 5) мм |
|
длина барабана |
(300 ± 5) мм |

1 - станина; 2 - груз; 3 - рычаг;
4 - штурвал; 5 - нижний зажим; 6 - верхний
зажим;
7 - образец ленты (сбегающая ветвь); 8 - образец ленты
(набегающая ветвь);
9 - барабан; 10 - привод
|
линейная скорость вращения барабана |
(2,0 ± 0,1) м/с |
|
общая длина рычага |
(375 ± 1) мм |
|
длина плеча рычага до точки приложения нагрузки на образец ленты |
(75 ± 1) мм |
|
максимальное натяжение образца ленты в сбегающей ветви |
1250 Н |
|
угол обхвата барабана лентой |
(180 ± 5)° |
6. Для создания натяжения в сбегающей ветви стенд должен быть укомплектован набором грузов массой (3,0 ± 0,5), (15,0 ± 0,5) и (25,0 ± 1,0) кг, поверенными в установленном порядке.
7. Для измерения температуры барабана применяют термометр термоэлектрический хромель-копелевый поверхностный типа ТХКП-541 с пределом измерения (0 - 600) °С.
Термометр должен быть вмонтирован в тело обечайки барабана.
8. Перед испытанием один конец образца ленты (набегающая ветвь) закрепляется в верхний зажим стенда, другой конец образца (сбегающая ветвь) закрепляется в нижний зажим.
9. В сбегающей ветви образца ленты посредством рычага и грузов создается натяжение, достаточное для плотного прилегания ленты (визуальный контроль - по отсутствию зазора между барабаном и образцом ленты в точках пересечения окружности барабана с его вертикальной осью).
10. При нагружении сбегающей ветви образца при неподвижном состоянии барабана и в дальнейшем в процессе всего цикла испытания рычаг должен занимать горизонтальное положение, которое создается за счет перемещения образца ленты с помощью штурвала.
11. Включением двигателя стенда осуществляется вращение барабана и создается плотное прижатие поверхности ленты на участке контакта ленты с барабаном.
12. При испытании на первой минуте после включения двигателя к концу рычага подвешивается груз массой (3,0 ± 0,5) кг, на третьей минуте - (15,0 ± 0,5) кг, на десятой минуте - (25,0 ± 1,0) кг, что обеспечивает натяжение в образце ленты соответственно (150, 750 и 1250) Н (15, 75 и 125) кгс. Время измеряют секундомером второго класса точности.
13. Испытания продолжают до воспламенения или разрушения образцов ленты, после чего двигатель выключают.
14. При разрушении образца ленты до истечения десятой минуты испытания проводят при грузах массой (3,0 ± 0,5) и (15,0 ± 0,5) кг (соответственно установленных на первой и третьей минутах).
15. При испытании проводят визуальное наблюдение за воспламеняемостью (невоспламеняемостью) образца ленты, а также с помощью термометра определяют максимальную температуру поверхности барабана, развившуюся в результате трения барабана относительно образца ленты, которая не должна превышать 300 °С.
16. Лента считается выдержавшей испытание, если ни один из трех образцов не воспламенился до разрушения образца.
17. Требования безопасности
17.1. Помещение для испытаний должно быть оборудовано приточно-вытяжной вентиляцией и средствами пожаротушения (асбестовое одеяло, песок, углекислотный огнетушитель). Пользоваться водой запрещается.
17.2. Стенд должен быть оборудован местной вытяжной вентиляцией, которая должна быть включена в работу в процессе всего цикла испытания.
17.3. Электрооборудование стенда должно быть заземлено.
17.4. Предельно допустимая концентрация вредных веществ в воздухе в процессе испытания не должна превышать:
20 мг/м3 - для окиси углерода;
5 мг/м3 - для хлористого водорода.
17.5. Определение содержания в воздухе HCl и СО проводят методами, изложенными в книге «Методы определения вредных веществ в воздухе», авторы М.С. Быховская, С.Л. Гинзбург, О.Д. Хализова, М., «Медицина», 1966, с. 69, 240 - 250.
17.6. При повышении концентрации хлористого водорода и окиси углерода в воздухе выше допустимых, а также в аварийных ситуациях пользуются противогазом марки СО (белая коробка) или марки М (красная коробка).
17.7. При проведении испытаний не допускается приближать руки к вращающемуся барабану на расстояние менее 200 мм.
17.8. Категорически запрещается измерять температуру барабана при его вращении до полной остановки барабана.
17.9. Во время проведения испытаний в помещении должно быть не менее двух человек.
18. На рабочем участке должна быть инструкция по технике безопасности и промышленной санитарии.
Обязательное
1. Испытания проводят на трех образцах ленты с двух сторон при температуре окружающего воздуха (20 ± 5) °С и относительной влажности (55 ± 5) %. Отобранные образцы лент перед испытаниями должны быть выдержаны в указанных условиях не менее 2 ч.
Образцы для испытания должны быть размером не менее 300×300 мм.
Образцы вырезают, отступая от конца ленты не менее чем на 1 м.
2. Для удаления с поверхности ленты талька, следов масла и других загрязнений образцы тщательно протирают бензином марки БР-1 и БР-2 по нормативному документу или этиловым спиртом по ГОСТ 18300, ГОСТ 17299. Под образец подкладывают лист полиэтилена высокой или низкой плотности (ГОСТ 16337 или ГОСТ 16338) или другого твердого электроизоляционного материала с удельным поверхностным электрическим сопротивлением не менее 1012 Ом, измеренным по ГОСТ 6433.2. Лист полиэтилена должен быть размером не менее 350×350 мм и толщиной не менее 1 мм.
3. Жидкий проводник (10 %-ный раствор кальцинированной соды по ГОСТ 5100) наносят на металлическую поверхность электродов, которая соприкасается с образцом.
4. Два латунных электрода устанавливают следующим образом: внутри кольцевого заземленного электрода с наружным диаметром (150 ± 1) мм, внутренним (125,0 ± 0,1) мм, массой (900 ± 10) г помещают цилиндрический высоковольтный электрод диаметром (25,0 ± 0,1) мм и массой (115 ± 5) г.
Взаимное расположение электродов устанавливают шаблоном (чертеж) с допускаемым смещением от центра ±2,0 мм.

____________
* Размеры для справок.
5. К электродам присоединяют прибор (термаомметр типа Е6-3, Е6-13, Е6-10, МОМ-4). Измерительное напряжение постоянного тока должно быть не менее 100 В. Электрическое сопротивление испытуемого образца фиксируется в течение 2 - 3 мин по показаниям прибора.
6. Выдержавшими испытание считают ленты, электрическое сопротивление которых ни в одном из образцов не превышает нормируемое значение.
Рекомендуемое
На чертеже приведены пример и основные размеры маркировки резинотканевых конвейерных лент.
Буквенные и цифровые индексы обозначают ленту № 0006, типа 2, теплостойкую 2Т1 шириной 1000 мм из пяти прокладок ткани ТК-200-2, с обкладками из резины Т-1 толщиной 6 и 2 мм, изготовленную Лисичанским заводом РТИ в 1978 г.
Размеры маркировки должны быть не менее приведенных на чертеже.

Справочное
Масса (расчетная) 1 м2 конвейерных лент в килограммах с наружными обкладками разной толщины и каркасом из тканей различных типов приведена в таблице.
|
Тип ткани тягового каркаса |
Толщина наружных обкладок, мм |
Число тканевых прокладок |
|||
|
3 |
4 |
5 |
6 |
||
|
БКНЛ-65 БКНЛ-65-2 ТА-100 ТК-100 |
3,0/1,0 4,0/2,0 5,0/2,0 6,0/2,0 8,0/2,0 |
7,3 9,7 11,6 12,8 15,2 |
8,2 10,6 12,8 14,0 16,4 |
9,1 11,5 14,0 15,2 17,6 |
10,0 12,4 15,2 16,4 18,8 |
|
ТК-200-2 |
4,5/3,5 6,0/2,0 6,0/3,5 8,0/2,0 |
14,6 13,4 15,8 15,8 |
16,0 14,8 17,2 17,2 |
17,2 16,2 18,6 18,6 |
18,8 17,6 20,0 20,0 |
|
ТЛК-200 |
6,0/2,0 8,0/2,0 |
14,0 16,4 |
15,6 18,0 |
17,2 19,6 |
18,8 21,2 |
|
ТА-300 |
6,0/2,0 6,0/3,5 8,0/2,0 |
13,7 16,1 16,1 |
15,2 17,6 17,6 |
16,7 19,1 19,1 |
18,2 20,6 20,6 |
|
ТЛК-300 |
6,0/2,0 8,0/2,0 |
14,3 16,7 |
16,0 18,4 |
17,7 20,1 |
19,4 21,8 |
|
ТК-400 |
6,0/2,0 6,0/3,5 8,0/2,0 10,0/3,0 |
14,0 15,8 16,4 20,0 |
15,6 17,4 18,0 21,6 |
17,2 19,0 19,6 23,2 |
18,8 20,6 21,2 24,8 |
|
МК-400-120-3 |
6,0/2,0 8,0/2,0 10,0/3,0 |
18,8 21,2 24,8 |
21,0 23,4 27,0 |
23,2 25,6 29,2 |
25,4 27,8 31,4 |
Примечание. В графе «Толщина наружных обкладок» в числителе приведена номинальная толщина резиновой обкладки рабочей поверхности, а в знаменателе - нерабочей поверхности ленты.
Указанные расчетные данные предназначены для определения массы свернутой в бухту ленты и выбора подъемно-транспортных механизмов соответствующей грузоподъемности, применяемых при хранении или транспортировании ленты.
Максимальная масса 1 м2 одно-, двухпрокладочных лент типа 4 и двухпрокладочных лент типов 2 и 3 из тканей любого типа с наружными обкладками рабочей поверхности толщиной 1,0 мм и нерабочей поверхности ленты толщиной 1,0 мм составляет 3,0 кг.
При изменении толщины резиновых обкладок лент всех типов и видов на 1 мм масса (расчетная) лент изменяется на 1,2 кг.
Обязательное
Сущность метода состоит в измерении толщины наружных резиновых обкладок готовых лент с помощью микроскопа с малым увеличением.
1. Метод отбора образцов
1.2. Поверхность пробы должна соответствовать требованиям, указанным в п. 2.13 настоящего стандарта.
1.3. Из пробы равномерно по всей ширине вырезают восемь образцов (прямоугольных пластинок) длиной не более 100 мм (чертеж).
2. Аппаратура
2.1. Микроскоп измерительный любого типа, обеспечивающий диапазон измерений от 0 до 10 мм. Рулетка металлическая измерительная по ГОСТ 7502 с ценой деления 1 мм или любой измерительный инструмент, обеспечивающий измерение с погрешностью ±2 мм.
3. Подготовка к испытанию
3.1. Микроскоп устанавливают на массивном основании (плита, стол) в помещении, где вибрация не превышает нормы, установленной для принятого типа микроскопа.
3.2. Образец устанавливают на предметном столе микроскопа таким образом, чтобы поверхность среза была обращена к тубусу.
4. Измерение толщины обкладки
4.1. Толщину обкладки измеряют при температуре помещения (23 ± 5) °С.
4.2. Для измерения толщины обкладки сначала добиваются резкого изображения образца.
4.2.1. Проводят грубую фокусировку, перемещая от руки тубус микроскопа по стойке и закрепляют его в нужном положении.

4.2.2. При помощи реечного механизма устанавливают тубус до четкого изображения поверхности образца.
4.2.3. С помощью диоптрийной наводки окуляра фиксируют его на вертикальную оптическую ось так, чтобы в поле зрения был четко виден срез образца.
4.2.4. Поворачивая столик микроскопа, устанавливают вертикальную ось параллельно наружной границе рабочей обкладки ленты.
4.3. Вращая микрометрический винт, совмещают вертикальную ось с наружной границей рабочей обкладки (положение 1) и делают отсчет показаний на микрометрической головке.
4.4. При помощи микрометрического механизма подводят вертикальную ось к наружным выступам верхней тканевой прокладки (положение 2) и делают отсчет показаний.
4.5. По разности между отсчетами в первом и втором положении определяют значение толщины рабочей обкладки a1.
4.6. Толщину нерабочей резиновой обкладки а2 измеряют таким же образом с противоположной стороны образца.
4.7. Измерения проводят на восьми образцах, на каждом образце делают по одному изменению толщины рабочей и нерабочей обкладок.
5. Обработка результатов
5.1. За результат испытаний принимают среднеарифметическое значение результатов полученных восьми измерений. При подсчете среднего значения результат округляют до первого десятичного знака.
ИНФОРМАЦИОННЫЕ ДАННЫЕ
1. РАЗРАБОТАН И ВНЕСЕН Министерством нефтеперерабатывающей и нефтехимической промышленности СССР
РАЗРАБОТЧИКИ
Ю.Н. Городничев, канд. техн. наук; А.Ф. Саженов; И.И. Леонов, канд. техн. наук (руководитель темы); А.Н. Янин; В.А. Кондорская; М.Ф. Герасимова; Ф.А. Махлис, канд. техн. наук; О.В. Долинская; А.А. Лазарева; О.Г. Карбасов, канд. техн. наук; Г.Ф. Голиков, канд. техн. наук; Е.Б. Белиловская; Ю.С. Зуев, д-р техн. наук; Е.Е. Ковалева; М.А. Котов, канд. техн. наук; Ю.И. Григорьев, канд. техн. наук; В.В. Никитин, канд. техн. наук; Т.П. Федулова
2. УТВЕРЖДЕН И ВВЕДЕН В ДЕЙСТВИЕ Постановлением Государственного комитета СССР по стандартам от 20.12.85 № 4445
3. Срок проверки - 1989 г.; периодичность проверки - 5 лет
4. Стандарт полностью соответствует международным стандартам ИСО 251-87, ИСО 252-88, ИСО 282-75, ИСО 284-82, ИСО 432-75, ИСО 433-82, ИСО 5285-78
Стандарт соответствует международному стандарту ИСО 583-75 в части предельных отклонений на толщину лент
5. ВЗАМЕН ГОСТ 20-76
6. ССЫЛОЧНЫЕ НОРМАТИВНО-ТЕХНИЧЕСКИЕ ДОКУМЕНТЫ
|
Обозначение НТД, на который дана ссылка |
Номер пункта, приложения |
|
Приложение 7 |
|
|
» |
|
|
Приложение 7 |
|
|
» |
|
|
» |
|
|
Приложение 1 |
|
|
Приложение 7 |
|
|
Приложение 1 |
|
|
Приложение 1 |
|
7. Ограничение срока действия снято Постановлением Госстандарта от 08.10.92 № 1342
8. ИЗДАНИЕ (сентябрь 2004 г.) с Изменениями № 1, 2, 3, 4, 5, утвержденными в апреле 1987 г., январе 1988 г., феврале 1989 г., феврале 1990 г., октябре 1992 г. (ИУС 7-87, 4-88, 5-89, 5-90, 1-93), Поправкой (ИУС 5-99)
СОДЕРЖАНИЕ