
ГОСУДАРСТВЕННЫЙ СТАНДАРТ СОЮЗА ССР
УСТРОЙСТВА ПРЕОБРАЗОВАНИЯ СИГНАЛОВ
ДЛЯ ОДНОВРЕМЕННОЙ ДВУХСТОРОННЕЙ
ПЕРЕДАЧИ ДАННЫХ ПО КОММУТИРУЕМЫМ
КАНАЛАМ ТЕЛЕФОННОЙ СЕТИ ОБЩЕГО
ПОЛЬЗОВАНИЯ СО СКОРОСТЬЮ 2400 бит/с
ТИПЫ И ОСНОВНЫЕ ПАРАМЕТРЫ
ГОСТ 28749-90
ГОСУДАРСТВЕННЫЙ
КОМИТЕТ СССР ПО УПРАВЛЕНИЮ
КАЧЕСТВОМ ПРОДУКЦИИ И СТАНДАРТАМ
Москва
ГОСУДАРСТВЕННЫЙ СТАНДАРТ СОЮЗА ССР
|
Типы и основные параметры Signal conversion equipment for simultaneous |
ГОСТ |
Срок действия с 01.01.92
до 01.01.97
Настоящий стандарт распространяется на устройства преобразования сигналов (УПС), обеспечивающие последовательную одновременную двухстороннюю передачу данных по коммутируемым каналам телефонной сети общего пользования со скоростью передачи 2400 бит/с.
Стандарт устанавливает типы и основные параметры УПС, сопрягающихся с оконечным оборудованием данных (ООД) или промежуточным оборудованием по цепям стыка С2 по ГОСТ 18145 и с каналом связи по цепям стыка С1 по ГОСТ 25007.
Требования настоящего стандарта являются обязательными.
Термины, использованные в настоящем стандарте, и пояснения к ним приведены в приложении 1.
1.1. Устанавливаются два типа УПС в зависимости от способа разделения направлений передачи:
1) УПС-2,4 ТФ-ДЧ - УПС с частотным разделением направлений передачи;
2) УПС-2,4 ТФ-ДЗ - УПС с разделением направлений передачи методом эхокомпенсации.
2.1. Скорость передачи данных в линии должна быть (2400 ± 0,24) бит/с или (и) (1200 ± 0,12) бит/с.
2.2. Параметры линейных сигналов приведены в табл. 1.
|
Значение параметра для УПС типа |
Примечание |
||
|
УПС-2,4 ТФ-ДЧ |
УПС-2,4 ТФ-ДЗ |
||
|
Скорость модуляции, Бод |
600,00 ± 0,06 |
1200,00 ± 0,12 |
- |
|
Несущая частота на выходе передающей части УПС, Гц |
1200,0 ± 0,5 (нижний канал) 2400,0 ± 1,0 (верхний канал) |
1800,0 ± 1,0 |
Нижний канал должен использоваться для передачи от вызывающего УПС |
|
Отклонение несущей частоты от номинального значения на входе приемной части, Гц |
±7 |
- |
|
|
Частота защитного тона, Гц |
1800 ± 20 |
- |
Защитный тон должен передаваться только при передаче по верхнему каналу |
|
Тип корректора |
Адаптивный |
После начальной настройки корректор должен обеспечивать работу по рабочему сигналу |
|
|
Уровень мощности линейного сигнала на выходе передающей части, дБм |
От минус 13 до 0 |
Погрешность установки уровня передачи должна быть не более ±1 дБ. При наличии защитного тона 1800 Гц уровень сигнала в верхнем канале должен быть на 1 дБ ниже уровня в нижнем канале |
|
|
Уровень мощности линейного сигнала на входе приемной части, дБм |
От минус 43 до 0 |
- |
|
|
Разность между уровнями линейного сигнала в верхнем канале и уровнем мощности защитного тона, дБ |
6 ± 1 |
- |
- |
|
Синхронизирующий сигнал |
- |
Состоит из двух сегментов: 1-й сегмент: комбинация из 32 дибитов «11» (2400 бит/с); комбинация из 32 битов «1» (1200 бит/с) |
В соответствии с п. 2.5, без скремблирования |
|
2-й сегмент: комбинация из 32 дибитов (2400 бит/с); комбинация из 32 битов (1200 бит/с) |
Комбинация, указанная в приложении 2, образуется скремблированием двоичной «1» в соответствии с п. 2.7 |
||
2.3. Спектр амплитудного линейного сигнала (без учета характеристики корректора) должен формироваться по закону приподнятого косинуса и распределяться поровну между приемником и передатчиком. Коэффициент скругления должен быть:
75 % - для УПС-2,4 ТФ-ДЧ;
100 % - для УПС-2,4 ТФ-ДЗ.
Примечания:
1. Для УПС-2,4 ТФ-ДЧ значения спектральной плотности сигнала должны соответствовать пределам, указанным в табл. 2.
2. Для УПС-2,4 ТФ-ДЗ спектральная плотность энергии на частотах 1200 и 2400 Гц должна уменьшаться на (3,0 ± 2,0) дБ по отношению к максимальной плотности энергии в диапазоне от 1200 до 2400 Гц.
|
Значение спектральной плотности сигнала, дБ |
|
|
0 |
От -0,75 до +0,75 |
|
±125 |
От -0,75 до +0,75 |
|
±300 |
От -4,00 до -2,00 |
|
±400 |
От -9,00 до -5,00 |
|
±450 |
От -16,33 до -9,00 |
|
±475 |
От -20,00 до -11,75 |
|
±550 |
Менее -20,00 |
2.4. В УПС-2,4 ТФ-ДЧ должны быть использованы следующие виды модуляции:
1) квадратурная амплитудная для скорости 2400 бит/с;
2) дифференциальная четырехфазовая для скорости 1200 бит/с.
Модуляционный код должен соответствовать указанному в табл. 3, 4. Векторное представление сигнала на фазовой плоскости должно соответствовать черт. 1.
|
Значение первых двух битов квадрибита (п) для 2400 бит/с или дибита (n) для 1200 бит/с |
Изменение фазы |
Номер фазового квадранта |
|
|
квадрибита (n - 1) или дибита (n - 1) |
квадрибита (n) или дибита (n) |
||
|
00 |
90° |
1 |
2 |
|
2 |
3 |
||
|
3 |
4 |
||
|
4 |
1 |
||
|
01 |
0° |
1 |
1 |
|
2 |
2 |
||
|
3 |
3 |
||
|
4 |
4 |
||
|
11 |
270° |
1 |
4 |
|
2 |
1 |
||
|
3 |
2 |
||
|
4 |
3 |
||
|
10 |
180° |
1 |
3 |
|
2 |
4 |
||
|
3 |
1 |
||
|
4 |
2 |
||
|
Значение последних двух битов квадрибита для 2400 бит/с или дибита для 1200 бит/с |
Относительные координаты векторов сигналов в первом квадранте фазовой плоскости |
|||
|
2400 бит/с |
1200 бит/с |
|||
|
Абсцисса |
Ордината |
Абсцисса |
Ордината |
|
|
00 |
1 |
1 |
3 |
1 |
|
01 |
3 |
1 |
3 |
1 |
|
11 |
3 |
3 |
3 |
1 |
|
10 |
1 |
3 |
3 |
1 |
Примечания:
1. Дибит (квадрибит) - два (четыре) соседних бита в потоке данных.
2. Первая цифра дибита (квадрибита) появляется первой в потоке данных, поступающих на вход модулятора после скремблера.
3. Изменение фазы представляет собой фактический сдвиг фазы в линии, происходящий в области перехода от середины одного сигнального элемента к середине следующего элемента.
Двоичными числами, соответствующими значениям последних двух битов квадрибита, обозначены отмеченные точками концы векторов сигнала для скорости 2400 бит/с. Буквами А, Б, В, Г обозначены концы векторов сигнала для скорости 1200 бит/с
2.5. В УПС-2,4 ТФ-ДЗ должны быть использованы следующие виды модуляции:
1) дифференциальная четырехфазовая для скорости 2400 бит/с;
2) дифференциальная двухфазовая для скорости 1200 бит/с.
Модуляционный код должен соответствовать указанному в табл. 5.
|
Значение битов для скорости 1200 бит/с |
Изменение фазы |
|
|
00 |
0 |
0° |
|
01 |
- |
90° |
|
11 |
1 |
180° |
|
10 |
- |
270° |
Примечания:
1. Первая цифра дибита появляется первой в потоке данных, поступающих на вход модулятора после скремблера.
2. Изменение фазы представляет собой фактический сдвиг фазы в линии, происходящий в области перехода от середины одного сигнального элемента к середине следующего сигнального элемента.
2.6. Разность уровней мощности сигнала и флюктуационной помехи на входе УПС (в точке, в которой спектр ограничен полосой канала связи) при одностороннем обмене данными двух УПС, соединенных по стыку С1, должна соответствовать значениям, указанным в табл. 6, при коэффициенте ошибок по элементам 1 · 10-4 (в нормальных климатических условиях).
|
Скорость передачи данных, бит/с |
Разность уровней мощности сигнала и флюктуационной помехи, дБ, не более |
|
|
УПС-2,4 ТФ-ДЧ |
18 |
|
|
УПС-2,4 ТФ-ДЗ |
2400 |
16 |
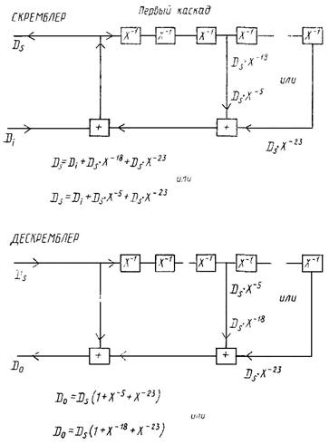
2.7. В составе УПС должны быть предусмотрены самосинхронизирующиеся скремблеры и дескремблеры. Образующие полиномы скремблеров и дескремблеров приведены в табл. 7. Структурные схемы скремблеров и дескремблеров приведены в приложении 2, черт. 2, 3.
2.8. Перечень используемых цепей стыка С2 приведен в приложении 3. Параметры цепей стыка С2 должны соответствовать разд. 3 ГОСТ 23675.
2.9. Время переключения цепи 106 (в ответ на состояние цепи 105) и время переключения цепи 109 (после порогового изменения уровня мощности принимаемого линейного сигнала на входе УПС) должно соответствовать указанному в табл. 8.
|
Направление передачи |
Образующий полином |
||
|
Скремблер |
Дескремблер |
||
|
УПС-2,4 ТФ-ДЧ |
1 + Х-14 + Х-17 |
1 + Х-14 + Х-17 |
|
|
УПС 2,4 ТФ-ДЗ |
Вызывающее УПС |
1 + Х-18 + Х-23 |
1 + Х-5 + Х-23 |
|
Отвечающее УПС |
1 + Х-5 + Х-23 |
l + X-18 + X-23 |
|
|
Тип УПС |
Время переключения, мс |
||
|
Включено - выключено |
Выключено - включено |
||
|
106 |
УПС-2,4 ТФ-ДЧ |
Не более 3,5 |
Не более 3,5 |
|
УПС-2,4 ТФ-ДЗ |
Не более 2,0 |
Не более 2,0 |
|
|
109 |
УПС-2,4 ТФ-ДЧ |
От 40 до 65 |
От 40 до 205 |
|
УПС-2,4 ТФ-ДЗ |
От 5 до 15 |
От 40 до 50 |
|
2.10. Пороговые значения уровня мощности принимаемого линейного сигнала на входе УПС, определяющие состояние цепи 109, должны соответствовать указанным в табл. 9.
|
Состояние цепи 109 |
Тип УПС |
Пороговое значение уровня мощности, дБм0 |
|
Включено |
УПС-2,4 ТФ-ДЧ |
Более -43 |
|
УПС-2,4 ТФ-ДЗ |
||
|
Выключено |
УПС-2,4 ТФ-ДЧ |
Менее -48 |
|
УПС-2,4 ТФ-ДЗ |
3.1. Выбор способа передачи
3.1.1. В УПС должны быть предусмотрены два или один из способов передачи сигнала данных:
1) синхронная передача;
2) стартстопная передача.
Примечание. Если в УПС реализованы оба способа передачи, то при вводе в эксплуатацию должен быть выбран один из них.
3.2. Синхронная передача
3.2.1. УПС должно принимать от ООД по цепи 103 единичные элементы данных, синхронные с сигналами в цепи 113 или 114.
3.2.2. В передатчике единичные элементы сигнала данных должны скремблироваться в соответствии с п. 2.7 и передаваться в модулятор для кодирования в соответствии с пп. 2.4 и 2.5.
3.2.3. В приемнике единичные элементы сигнала данных (после демодулирования, декодирования и дескремблирования) должны быть переданы в ООД по цепи 104 синхронно с сигналами в цепи 115.
3.3. Стартстопная передача
3.3.1. Формат стартстопного сигнала
3.3.1.1. В УПС должна быть предусмотрена возможность работы с четырьмя (или с любым из четырех) форматами стартстопного сигнала данных, поступающих от ООД по цепи 103 и в ООД по цепи 104, в соответствии с табл. 10.
Таблица 10
|
Стартстопная кодовая комбинация |
||
|
Количество единичных элементов данных |
Количество элементов данных |
|
|
1 |
6 |
8 |
|
2 |
7 |
9 |
|
3 |
8 |
10 |
|
4 |
9 |
11 |
Примечания:
1. Если в УПС реализована работа с несколькими форматами, то при вводе в эксплуатацию должен быть выбран один из них.
2. В передатчике и приемнике должны быть выбраны одинаковые форматы.
3.3.1.2. Номинальная длительность элементов стартстопной кодовой комбинации должна быть одинаковой и составлять один единичный интервал.
Примечание. Стартстопные кодовые комбинации могут передаваться с удлиненным стоповым элементом любой длительности.
3.3.1.3. Единичные элементы данных могут быть заменены дополнительными стоповыми элементами.
3.3.2. Передатчик
3.3.2.1. Стартстопные сигналы данных должны быть преобразованы стартстопно-синхронным преобразователем в синхронные сигналы для последующей передачи в соответствии с пп. 3.2.1 и 3.2.2.
3.3.2.2. Должна быть предусмотрена возможность работы с двумя или с одним из диапазонов скоростей передачи стартстопного сигнала данных, поступающих от ООД по цепи 103 в соответствии с табл. 11.
|
Диапазон скоростей передачи стартстопного сигнала, бит/с |
||
|
основной |
расширенный |
|
|
2400 |
От 2340 до 2424 |
От 2340 до 2455 |
|
1200 |
От 1170 до 1212 |
От 1170 до 1227 |
Примечания:
1. Если в УПС реализована работа с двумя диапазонами, то при вводе в эксплуатацию должен быть выбран один из них.
Использование основного диапазона предпочтительнее.
2. В передатчике и приемнике должны быть выбраны одинаковые диапазоны скоростей.
3.3.2.3. Выравнивание скоростей передачи стартстопного и синхронного сигналов данных в соответствии с п. 3.3.2.1 должно производиться стартстопно-синхронным преобразователем путем:
1) исключения стоповых элементов при превышении скорости передачи стартстопного сигнала;
2) введения дополнительных стоповых элементов при понижении скорости передачи стартстопного сигнала.
Примечание. Не должно быть исключено более одного стопового элемента в любых восьми последовательных стартстопных комбинациях (при работе в основном диапазоне скоростей передачи) и в любых четырех последовательных стартстопных комбинациях (при работе в расширенном диапазоне скоростей).
3.3.3. Приемник
3.3.3.1. Синхронные сигналы данных (после демодулирования, декодирования и дескремблирования) должны быть преобразованы синхронно-стартстопным преобразователем в стартстопные сигналы данных и переданы в ООД по цепи 104.
3.3.3.2. Скорость передачи стартстопного сигнала данных, поступающих в ООД по цепи 104, должна соответствовать пределам, указанным в табл. 12.
Таблица 12
|
Скорость передачи стартстопного сигнала, бит/с |
||
|
Основной диапазон |
Расширенный диапазон |
|
|
2400 |
От 2400 до 2424 |
От 2400 до 2455 |
|
1200 |
От 1200 до 1212 |
От 1200 до 1227 |
3.3.3.3. Номинальная длительность стартового и единичных элементов стартстопной кодовой комбинации должна быть одинаковой.
Примечание. Длительность стопового элемента не должна уменьшаться более чем на 12,5 % для основного диапазона и более чем на 25 % для расширенного диапазона.
3.3.3.4. Синхронные сигналы данных должны быть преобразованы синхронно-стартстопным преобразователем путем обратного введения стоповых элементов.
3.3.4. Сигнал прерывания
3.3.4.1. Для синхронизации по стартстопным кодовым комбинациям (преобразователя приемника с преобразователем передатчика УПС) должен использоваться поступающий от ООД по цепи 103 сигнал прерывания, представляющий собой последовательность стартовых элементов длительностью более М единичных интервалов. (М - количество элементов сигнала в выбранном формате в соответствии с п. 3.3.1).
3.3.4.2. В передатчике при обнаружении сигнала прерывания длительностью от М до (2M + 3) единичных интервалов преобразователь должен передать последовательность стартовых элементов длительностью более (2M + 3) единичных интервалов.
При обнаружении сигнала прерывания длительностью более (2M + 3) единичных интервалов преобразователь должен передать всю обнаруженную последовательность стартовых элементов.
Примечание. После окончания сигнала прерывания (перед передачей стартстопной комбинации) от ООД по цепи 103 должен поступить стоповый элемент длительностью 2М единичных интервалов.
3.3.4.3. В приемнике при обнаружении сигнала прерывания преобразователь должен передать в ООД по цепи 104 последовательность стартовых элементов длительностью не менее (2M + 3) единичных интервалов и необходимое количество стоповых элементов, после чего синхронизация по стартстопным кодовым комбинациям устанавливается с помощью первого стопстартного перехода.
Справочное
|
Пояснение |
|
|
Стартстопная кодовая комбинация |
Совокупность одного стартового элемента, n единичных элементов сигнала данных и одного стопового элемента |
|
Скорость передачи стартстопного сигнала |
Скорость передачи стартового и единичных элементов внутри одной стартстопной кодовой комбинации |
Обязательное
1. УПС-2,4 ТФ-ДЧ
Детектор - схема для обнаружения комбинация из 64 последовательных двоичных «1» на выходе скремблера (входе дескремблера).
Инвертор - схема для инвертирования последующего сигнала на входе скремблера (выходе дескремблера) при обнаружении детектором комбинации из 64 двоичных «1».
2. УПС-2,4 ТФ-ДЗ
Комбинация второго сегмента синхронизирующего сигнала на выходе скремблера (в соответствии с п. 2.2) должна иметь следующий вид (слева указан первый бит дибита для скорости 2400 бит/с):
1) для вызывающего УПС:
00 11 11 11 11 00 00 00 00 11 11 10 01
11 00 00 01 11 00 ...
2) для отвечающего УПС:
00 11 11 11 11 00 00 00 00 11 11 10
01 11 00 11 11 10 00 ...
Перед передачей второго сегмента синхронизирующего сигнала состояние каскадов скремблера должно быть следующим (слева указано состояние первого каскада):
1) для вызывающего УПС:
1 1 0 0 0 0 0 1 1 1 1 1 1 1 1 1 1 1 1 1 0 0 1
2) для отвечающего УПС:
0 0 0 0 1 1 1 0 0 0 0 0 1 1 1 0 0 0 0 0 1 1 0
Примечание.
Di - последовательность данных на входе скремблера;
Ds - последовательность данных на выходе скремблера;
D0 - последовательность данных на выходе дескремблера;
+ - сложение по модулю 2;
· - двоичное умножение.
Обязательное
|
Номер цепи |
|
|
Сигнальное заземление или общий сигнальный провод |
102 |
|
Общий обратный провод ООД |
102а |
|
Общий обратный провод АПД |
102б |
|
Передаваемые данные |
103 |
|
Принимаемые данные |
104 |
|
Запрос передачи |
105 |
|
Готов к передаче |
106 |
|
Аппаратура передачи данных (АПД) готова |
107 |
|
Оконечное оборудование данных (ООД) готово |
108.2 |
|
Детектор принимаемого сигнала канала данных |
109 |
|
Переключатель скорости передачи данных (от ООД) |
111 |
|
Переключатель скорости передачи данных (от АПД) |
112 |
|
Синхронизация элементов передаваемого сигнала (от ООД) |
113 |
|
Синхронизация элементов передаваемого сигнала (от АПД) |
114 |
|
Синхронизация элементов принимаемого сигнала (от АПД) |
115 |
|
Индикатор вызова |
125 |
|
Эксплуатационная проверка |
140 |
|
Местный шлейф |
141 |
|
Индикатор проверки |
142 |
Примечание. Допускается вводить в стык С2 дополнительные цепи, параметры которых должны соответствовать ГОСТ 23675.
ИНФОРМАЦИОННЫЕ ДАННЫЕ
1. РАЗРАБОТАН И ВНЕСЕН Министерством связи СССР
РАЗРАБОТЧИКИ:
В.П. Васильев, Л.Н. Готгильф, В.В. Егорова
2. УТВЕРЖДЕН И ВВЕДЕН В ДЕЙСТВИЕ Постановлением Государственного Комитета СССР по управлению качеством продукции и стандартам от 27.11.90 № 2931
3. Срок проверки - 1996 г.
Периодичность проверки - 5 лет
4. Стандарт соответствует рекомендациям MKKTTV.14, V.22 бис и V.26 тер.
5. ВВЕДЕН ВПЕРВЫЕ
6. ССЫЛОЧНЫЕ НОРМАТИВНО-ТЕХНИЧЕСКИЕ ДОКУМЕНТЫ
|
Номер пункта |
|
|
Вводная часть |
|
|
Вводная часть |
СОДЕРЖАНИЕ
|
Приложение 1. Термины, использованные в настоящем стандарте, и пояснения к ним.. 7 Приложение 2. Структурные схемы скремблеров и дескремблеров. 7 |