Electromagnetic compatibility of technical means. Specification of electromagnetic waves absorber for shielded chambers

ГОСТ 30381-95
ГОСТ Р 50011-92

МЕЖГОСУДАРСТВЕННЫЙ СТАНДАРТ

 

СОВМЕСТИМОСТЬ ТЕХНИЧЕСКИХ СРЕДСТВ
ЭЛЕКТРОМАГНИТНАЯ

ПОГЛОТИТЕЛИ
ЭЛЕКТРОМАГНИТНЫХ ВОЛН
ДЛЯ ЭКРАНИРОВАННЫХ КАМЕР

ОБЩИЕ ТЕХНИЧЕСКИЕ УСЛОВИЯ

 

 

 

МЕЖГОСУДАРСТВЕННЫЙ СОВЕТ
ПО СТАНДАРТИЗАЦИИ, МЕТРОЛОГИИ И СЕРТИФИКАЦИИ

Минск

 

 

Предисловие

1 РАЗРАБОТАН И ВНЕСЕН Техническим комитетом по стандартизации в области электромагнитной совместимости технических средств (ТК 30 ЭМС)

2 ПРИНЯТ Межгосударственным Советом по стандартизации, метрологии и сертификации 12 октября 1995 г. в качестве межгосударственного стандарта ГОСТ 30381-95

Постановлением Госстандарта России от 15 мая 1996 г. № 308 ГОСТ 30381-95 введен в действие в качестве государственного стандарта Российской Федерации с момента принятия указанного постановления и признан имеющим одинаковую силу с ГОСТ Р 50011-92 на территории Российской Федерации в связи с полной аутентичностью их содержания

За принятие проголосовали:

Наименование государства

Наименование национального органа по стандартизации

Азербайджанская Республика

Азгосстандарт

Республика Беларусь

Госстандарт Беларуси

Республика Казахстан

Госстандарт Республики Казахстан

Киргизская Республика

Киргизстандарт

Республика Молдова

Молдовастандарт

Российская Федерация

Госстандарт России

Республика Таджикистан

Таджикгосстандарт

Туркменистан

Главная государственная инспекция Туркменистана

3 ВВЕДЕН ВПЕРВЫЕ

МЕЖГОСУДАРСТВЕННЫЙ СТАНДАРТ

Совместимость технических средств электромагнитная

ПОГЛОТИТЕЛИ ЭЛЕКТРОМАГНИТНЫХ ВОЛН
ДЛЯ ЭКРАНИРОВАННЫХ КАМЕР

Общие технические условия

Electromagnetic compatibility of technical means.
Specification of electromagnetic waves absorber for shielded chambers

ГОСТ 30381-95
ГОСТ Р 50011-92

Дата введения 01.01.97

Настоящий стандарт распространяется на поглотители электромагнитных волн (ПЭВ), применяемые для оснащения экранированных камер (ЭК) для обеспечения испытаний технических средств (ТС) на электромагнитную совместимость (ЭМС) в диапазоне частот 0,03 - 37,5 ГГц.

Стандарт не распространяется на ПЭВ, применяемые для оснащения неотапливаемых и подвижных ЭК.

Термины, применяемые в настоящем стандарте, и их определения - по ГОСТ 23611, ГОСТ 28690 и приложению 1.

1. Типы, основные параметры и размеры

1.1.Типы ПЭВ должны соответствовать указанным в табл. 1.

Таблица 1

Тип ПЭВ

Радиопоглощающий материал

Конструктивное исполнение

Диэлектрический

Диэлектрик

Блок плоский многослойный или пирамидальный

Ферритовый

Магнитодиэлектрик

Пластина (плоская или пирамидальная) или панель (набор пластин на металлической подложке)

1.2. В зависимости от радиотехнических характеристик ПЭВ разделяют на I и II категории.

1.3. Значения коэффициента отражения ПЭВ при нормальном падении электромагнитной волны при вертикальной и горизонтальной поляризациях в зависимости от категории и типа ПЭВ должны соответствовать приведенным в табл. 2.

Таблица 2

Категория ПЭВ

Тип ПЭВ

Радиотехнические характеристики

диапазон частот, ГГц

коэффициент отражения, дБ, не более

I

Диэлектрический

0,03 - 37,5

Минус 15

Ферритовый

0,03 - 10

Минус 13

II

Диэлектрический

0,03 - 37,5

Ферритовый

0,03 - 10

Минус 10

1.4. Номинальные значения коэффициента отражения ПЭВ при нормальном падении электромагнитной волны и диапазоны частот указывают в технических условиях (ТУ) на ПЭВ конкретных марок.

1.5. Линейные размеры и масса ПЭВ в зависимости от категории и типа должны соответствовать приведенным в табл. 3.

Таблица 3

Категория ПЭВ

Тип ПЭВ

Высота ПЭВ, см, не более

Размер основания ПЭВ конструктивного исполнения

Масса ПЭВ, размещаемых на 1 м2, кг, не более

блок и панель, мм, не более

пластина, мм, не менее

I

Диэлектрический

350

500´500

-

150

Ферритовый

10

500´500

100´100

120

II

Диэлектрический

280

500´500

-

150

Ферритовый

25

500´500

60´60

120

1.6. Номинальные значения линейных размеров и массы ПЭВ указывают в ТУ на ПЭВ конкретных марок.

1.7. Условное обозначение диэлектрического ПЭВ должно состоять из наименования типа, сокращенного наименования изделия, торгового наименования, номинальной высоты в см, категории, обозначения настоящего стандарта.

Пример условного обозначения диэлектрического ПЭВ с торговым наименованием «Темп», высотой 100 см, категории II:

Диэлектрический ПЭВ «Темп-100», II, ГОСТ 30381-95/Р 50011-92

1.8. Условное обозначение ферритового ПЭВ должно состоять из наименования типа, сокращенного наименования изделия, торгового наименования, конструктивного исполнения (П - панель, ПЛ - пластина), размера основания, категории, обозначения настоящего стандарта.

Пример условного обозначения ферритового ПЭВ с торговым наименованием «Дон-11», конструктивного исполнения в виде панели с размерами основания 488´488 мм, категории II:

Ферритовый ПЭВ «Дон-11» П 488´488, II, ГОСТ 30381-95/Р 50011-92

2. Технические требования

2.1. Общие требования

2.1.1. ПЭВ должны соответствовать требованиям настоящего стандарта, конструкторской документации (КД), ТУ и эталонов-образцов на ПЭВ конкретных марок.

2.1.2. Сырье, компоненты и радиопоглощающие материалы, применяемые для изготовления ПЭВ, должны быть указаны в ТУ на ПЭВ конкретных марок и относиться к группе негорючих или трудногорючих материалов по ГОСТ 12.1.044.

2.1.3. Материалы, применяемые для изготовления ПЭВ, не должны выделять в окружающее пространство токсичные вещества.

2.1.4. Состояние наружной поверхности ПЭВ должно соответствовать образцам-эталонам, утвержденным в установленном порядке.

2.1.5. Особенности конструкции ПЭВ, способы их крепления к внутренней поверхности ЭК указывают в ТУ и КД на ПЭВ конкретных марок.

2.2. Требования устойчивости к внешним воздействиям

2.2.1. Номинальные значения климатических факторов - по ГОСТ 15150, вид климатического исполнения - УХЛ 4.2.

2.3. Требования к маркировке и упаковке

2.3.1. Маркировка должна быть нанесена краской на поверхность ПЭВ. Место нанесения маркировки устанавливают в ТУ и КД на ПЭВ конкретных марок.

2.3.2. Маркировка должна содержать:

условное обозначение;

товарный знак предприятия-изготовителя;

отметку ОТК предприятия-изготовителя;

дату выпуска;

номер настоящего стандарта.

2.3.3. Упаковка диэлектрических ПЭВ должна соответствовать требованиям ГОСТ 23088 со следующими дополнениями и уточнениями:

каждый ПЭВ помещают в ящик из гофрированного картона по ГОСТ 9142;

размер гофрированных ящиков выбирают согласно ГОСТ 21140 с учетом габаритных размеров ПЭВ;

на каждый ящик наклеивают этикетку с указанием условного обозначения, товарного знака предприятия-изготовителя, отметки ОТК предприятия-изготовителя, даты выпуска и номера настоящего стандарта;

ящики с упакованными ПЭВ помещают в деревянную обрешетку по ГОСТ 18051.

2.3.4. Упаковка ферритовых ПЭВ должна соответствовать требованиям ГОСТ 23088 со следующими дополнениями и уточнениями:

каждая панель должна быть упакована в деревянный ящик по чертежам предприятия-изготовителя с прокладкой между панелью и стенками ящика из гофрированного картона по ГОСТ 9142;

пластины должны быть упакованы в фанерный ящик по чертежам предприятия-изготовителя с прокладкой между пластинами и стенками ящика из гофрированного картона по ГОСТ 9142;

ящики с упакованными ПЭВ должны быть установлены на транспортную тару, требования к которой устанавливают в ТУ на ПЭВ конкретных марок;

на каждый ящик наклеивают этикетку с указанием условного обозначения, товарного знака предприятия-изготовителя, отметки ОТК предприятия-изготовителя, даты выпуска и номера настоящего стандарта.

2.3.5. Транспортная тара должна быть прочной и обеспечивать защиту упакованного ПЭВ от механических повреждений в условиях транспортирования, установленных настоящим стандартом и ТУ на ПЭВ конкретных марок.

2.3.6. Маркировку транспортной тары проводят по ГОСТ 14192.

3. Правила приемки

3.1. ПЭВ подвергают приемосдаточным, периодическим, типовым, квалификационным и сертификационным испытаниям.

3.2. Перед предъявлением службе технического контроля (ОТК) изготовленные ПЭВ должны быть подвергнуты изготовителем испытаниям в объеме приемосдаточных. При положительных результатах испытаний ПЭВ должны быть предъявлены службе ОТК для проведения приемосдаточных испытаний. Допускается по согласованию с ОТК совмещение испытаний, проводимых изготовителем, и приемосдаточных испытаний.

3.3. Приемосдаточные испытания

3.3.1. Приемосдаточные испытания проводит ОТК предприятия-изготовителя с привлечением при необходимости других служб.

3.3.2. Приемку ПЭВ проводят партиями объемом не менее 100 м2. Объем партии, подвергаемой испытаниям, приведен в табл. 4.

3.3.3. Объем и последовательность приемосдаточных испытаний должны быть указаны в ТУ на ПЭВ конкретных марок, при этом обязательными являются испытания, приведенные в табл. 4.

Таблица 4

Вид испытаний

Номер пункта

Объем партии, подвергаемой проверке, %

технических требований

методов испытаний

Проверка внешнего вида

2.1.1, 2.1.4

4.9

100

Проверка линейных размеров

1.5

4.10

10

Проверка радиотехнических характеристик

1.3

4.1 - 4.8

1

3.3.4. Образцы ПЭВ предъявляют к приемке извещением, подписанным начальником цеха-изготовителя или уполномоченным лицом.

3.3.5. Результаты испытаний оформляют протоколом приемосдаточных испытаний, форма которого приведена в приложении 2.

3.3.6. Если в процессе приемосдаточных испытаний будет обнаружено несоответствие испытуемых ПЭВ хотя бы одному из пунктов проверяемых требований, то ПЭВ считают не выдержавшими испытаний и возвращают изготовителю для перепроверки и выявления причин дефекта и его устранения.

3.3.7. Возвращенные ПЭВ после исправления и перепроверки изготовителем повторно предъявляют к приемке представителю ОТК новым извещением с надписью «повторно», подписанным главным инженером предприятия-изготовителя и начальником цеха-изготовителя с приложением акта анализа причин дефекта, где должны быть указаны причины появления дефектов и меры, принятые для устранения и исключения их повторения.

ПЭВ, предъявляемые повторно, проверяют в полном объеме приемосдаточных испытаний. По решению ОТК допускается проводить повторные приемосдаточные испытания не в полном объеме, а только по тем показателям, по которым ПЭВ не выдержал испытаний.

3.3.8. Если ПЭВ, предъявлявшийся дважды, не выдержал испытаний, то испытания и приемку ПЭВ приостанавливают.

3.3.9. Принятой считается партия ПЭВ, выдержавшая приемосдаточные испытания, укомплектованная и упакованная в соответствии с требованиями настоящего стандарта и ТУ на ПЭВ, и имеющая соответствующие записи в сопроводительной документации.

3.3.10. Партия ПЭВ подлежит перепроверке перед отгрузкой потребителю, если она пролежала на складе изготовителя более чем 12 месяцев. Перепроверку проводит ОТК в объеме приемосдаточных испытаний. Дата перепроверки должна быть указана в эксплуатационной документации.

3.4. Периодические испытания

3.4.1. Периодические испытания проводит ОТК предприятия-изготовителя с привлечением при необходимости других служб.

3.4.2. Периодическим испытаниям не реже одного раза в 2 года подвергают не менее одного процента партии ПЭВ, прошедших приемосдаточные испытания.

3.4.3. Объем и последовательность периодических испытаний должны быть указаны в ТУ на ПЭВ конкретных марок, при этом обязательными являются испытания, приведенные в табл. 5.

Таблица 5

Вид испытаний

Номер пункта

технических требований

методов испытаний

Проверка внешнего вида

2.1.1, 2.1.4

4.9

Проверка линейных размеров и массы

1.5

4.8

Проверка радиотехнических характеристик

1.3

4.3, 4.8

Проверка маркировки

2.3

Испытания на теплостойкость при транспортировании

5.2

4.12

Испытания на влагостойкость при транспортировании

5.2

4.13

Испытания на холодостойкость при транспортировании

5.2

4.14

Испытания на пониженное атмосферное давление

5.2

4.15

Испытания на прочность при транспортировании

5.1

4.16

3.4.4. Если ПЭВ выдержали периодические испытания, то качество ПЭВ контролируемого периода считают подтвержденным испытаниями, а также подтвержденной возможность дальнейшего изготовления ПЭВ по той же документации, по которой изготовлен ПЭВ, прошедший периодические испытания, до получения результатов очередных периодических испытаний.

3.4.5. Если в процессе периодических испытаний будет обнаружено несоответствие испытуемых ПЭВ хотя бы одному из пунктов проверяемых требований, то ПЭВ считают не выдержавшими испытаний и возвращают изготовителю для перепроверки и выявления причин дефекта и его устранения.

3.4.6. При неудовлетворительных результатах периодических испытаний приемку и отгрузку ПЭВ приостанавливают и проводят повторные испытания. Повторные испытания проводят на удвоенном количестве образцов.

При предъявлении ПЭВ на повторные испытания предприятие-изготовитель предъявляет ОТК перечень мероприятий, осуществленных в производстве, а также материалы, подтверждающие устранение причин появления дефектов.

При получении положительных результатов повторных испытаний приемку ПЭВ и их отгрузку возобновляют.

3.4.7. Результаты испытаний оформляют протоколом по форме, принятой на предприятии-изготовителе.

3.4.8. Результаты повторных периодических испытаний являются окончательными.

3.5. Типовые испытания

3.5.1. Типовые испытания проводят для оценки эффективности и целесообразности внесения изменений в документацию, изменения применяемых исходных материалов и сырья, технологии изготовления ПЭВ, которые могут повлиять на его основные технические характеристики.

3.5.2. Типовые испытания проводит ОТК предприятия-изготовителя с привлечением, при необходимости, других служб по программе, разработанной предприятием-изготовителем, согласованной с разработчиком и ОТК и утвержденной главным инженером предприятия-изготовителя.

3.5.3. Типовым испытаниям подвергают ПЭВ, изготовленные с учетом внесенных изменений.

3.5.4. Если целесообразность предлагаемых изменений подтверждена результатами типовых испытаний, то эти изменения вносят в соответствующую документацию на ПЭВ.

Если целесообразность предлагаемых изменений не подтверждена результатами типовых испытаний, то предлагаемые изменения в соответствующую документацию на ПЭВ не вносят и принимают решение об использовании изготовленных ПЭВ.

3.5.5. Результаты типовых испытаний оформляют актом по форме, приведенной в приложении 3.

3.6. Квалификационные испытания

3.6.1. Квалификационные испытания ПЭВ проводят в соответствии с ГОСТ Р 15.201.

3.7. Сертификационные испытания

3.7.1. Сертификационные испытания являются неотъемлемой частью сертификации. Организация работ по сертификации - в соответствии с РД 50-697.

3.7.2. Сертификационные испытания ПЭВ проводят для подтверждения соответствия радиотехнических характеристик ПЭВ требованиям настоящего стандарта и ТУ на ПЭВ конкретных марок на образцах, конструкция и технология которых соответствуют образцам, поставляемым потребителю-заказчику из первой серийной партии (серии) установившегося производства, и в процессе подготовки контракта на импорт.

3.7.3. Сертификационные испытания проводят после устранения недостатков в случае отрицательных результатов испытаний, выполненных в соответствии с п. 3.7.1, для продления срока действия ранее выданного сертификата соответствия и после внесения изменений в конструкцию и (или) технологию изготовления ПЭВ, если перечисленные изменения влияют на радиочастотные характеристики.

Примечание. Необходимость проведения сертификационных испытаний после внесения изменений предприятие-изготовитель согласовывает с Государственным центром стандартизации, сертификации и метрологического обеспечения в области электромагнитной совместимости (ГЦМО ЭМС).

3.7.4. Сертификационные испытания проводят независимые испытательные лаборатории (центры), аккредитованные Госстандартом, или по согласованию с ним другие испытательные лаборатории (центры) предприятий или организаций.

3.7.5. Для проведения сертификационных испытаний должны использоваться средства измерений, включенные в Государственный реестр и имеющие свидетельства по госповерке. Используемые при этих испытаниях нестандартные средства должны быть аттестованы по ПР 50.2.009, испытательное оборудование - по ГОСТ Р 8.568.

3.7.6. Для сертификационных испытаний проводят выборку образцов ПЭВ из партий готовой продукции, принятой ОТК предприятия-изготовителя.

3.7.7. Отбор образцов проводит представитель территориального органа Госстандарта или уполномоченных ГЦМО ЭМС. Количество образцов, представляемых на испытания, должно быть указано в ТУ на ПЭВ конкретных марок.

3.7.8. Количество и порядок отбора образцов импортируемых ПЭВ для сертификационных испытаний определяет ГЦМО ЭМС.

3.7.9. Сертификационные испытания, обработку и оценку их результатов проводят по методикам, установленным настоящим стандартом.

4. Методы измерений и испытаний

4.1. Общие положения

4.1.1. Испытания проводят в нормальных климатических условиях по ГОСТ 15150.

4.1.2. В процессе испытаний запрещается производить ремонт и замену испытуемых образцов ПЭВ, за исключением случаев, предусмотренных ТУ на ПЭВ конкретных марок.

4.2. Требования безопасности

4.2.1. При работе с измерительной аппаратурой необходимо учитывать возможность возникновения следующих факторов опасности и вредности, установленных ГОСТ 12.0.003:

опасный уровень напряжения в электрической цепи, замыкание которой может произойти через тело человека;

повышенный уровень электромагнитных излучений.

4.2.2. При проведении измерений следует выполнять требования безопасности по ГОСТ 12.1.006.

4.2.3. К работе на установках СВЧ допускаются лица не моложе 18 лет, прошедшие обучение и инструктаж в соответствии с требованиями ГОСТ 12.0.004.

4.2.4. На рабочем месте должна быть инструкция по технике безопасности, приведенная в соответствии с требованиями настоящего стандарта.

4.2.5. Эксплуатация электрических приборов должна проводиться в соответствии с «Правилами технической эксплуатации электроустановок потребителей» и «Правилами техники безопасности при эксплуатации электроустановок потребителей», утвержденными Госэнергонадзором в 1984 г.

4.2.6. Во время работы с приборами необходимо следить за их исправным состоянием и в случае обнаружения неисправностей в приборе немедленно прекратить работу. Прибор необходимо выключить согласно инструкции по эксплуатации.

4.2.7. Помещения, в которых проводят измерения, должны быть оснащены приточно-вытяжной вентиляцией.

4.3. Проверку коэффициента отражения ПЭВ проводят на следующих частотах: 0,03; 0,04; 0,05; 0,06; 0,07; 0,08; 0,09; 0,1; 0,125; 0,15; 0,175; 0,2; 0,3; 0,4; 0,5; 0,6; 0,7; 0,8; 0,9; 1; 1,5; 3; 6; 10; 37,5 ГГц.

4.4. Проверка коэффициента отражения ПЭВ в полосе частот от 0,03 до 0,4 ГГц включительно

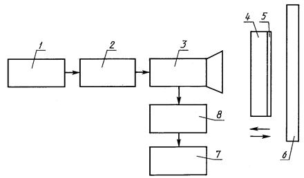
4.4.1. Для проведения измерений применяют аппаратуру и оборудование со следующими техническими характеристиками:

генератор сигналов с:

полосой частот 0,03 - 0,4 ГГц,

погрешностью установки частоты не более 2 %,

номинальным значением выходного сопротивления 50, 75 Ом,

выходным напряжением не менее 1,0 мВ,

нестабильностью уровня выходного напряжения за 10 мин не более 0,3 дБ;

измерительный приемник (анализатор спектра) с:

полосой частот 0,03 - 0,4 ГГц,

номинальным значением входного сопротивления 50, 75 Ом,

пределами измерения напряжения:

нижний не менее 10 мкВ,

верхний не более 30 мВ,

погрешностью относительных измерений не более 1 дБ;

направленный ответвитель с:

полосой частот 0,03 - 0,4 ГГц,

номинальным значением волнового сопротивления 50, 75 Ом,

развязкой между каналами не менее 10 дБ;

трансформатор импедансов с:

полосой частот 0,03 - 0,4 ГГц,

номинальным значением волнового сопротивления 50, 75 Ом,

величиной согласования КСВ от 1 до 40;

ленточная двухпроводная линия:

длиной не менее 10000 мм,

шириной не менее 1200 мм,

с расстоянием между внутренними поверхностями ленточных проводников, выбираемым в соответствии с размерами основания ПЭВ, с механизмом одновременного перемещения испытуемого образца ПЭВ и калибратора вдоль ленточной линии;

калибратор из двух диэлектрических пластин (оргстекло по ГОСТ 10667) длиной не менее 1500 мм, толщиной 20 - 60 мм (обозначенной а на рис. 1) и шириной, равной расстоянию между металлическими поверхностями ленточной двухпроводной линии.

Структурная схема измерительного стенда приведена на черт. 1.

4.4.2. Подготовка к измерениям

Образцы ПЭВ закрепляют на металлическом основании между поверхностями ленточной двухпроводной линии.

Готовят приборы к работе согласно инструкции по эксплуатации.

4.4.3. Проведение измерений

Регулируя генератор, добиваются максимального уровня излучаемого сигнала.

Настраивая приемник, получают максимальный уровень принимаемого сигнала.

Вращая ручки трансформатора импедансов, добиваются на приемнике максимального уровня принимаемого сигнала.

Приводят калибратор и испытуемый образец ПЭВ в возвратно-поступательное движение вдоль ленточной двухпроводной линии.

Фиксируют размах колебания величины суммарного отраженного сигнала.

Изменяя расстояние А между образцом ПЭВ и калибратором (см. черт. 1), добиваются минимальной величины суммарного отраженного сигнала.

Изменяя расстояние L между пластинами калибратора (см. черт. 1), добиваются минимальной величины изменения отраженного сигнала.

Определяют величину L1 и по графику R = (L/λ) (см. черт. 2) находят коэффициент отражения R1.

Изменяют расстояние А между образцом ПЭВ и калибратором на величину +λ/4.

Изменяя расстояние L между пластинами калибратора (см. черт. 1), добиваются минимальной величины изменения отраженного сигнала.

Определяют величину L2 и по графику R = (L/λ) (см. черт. 2) находят коэффициент отражения R2.

Структурная схема стенда для измерения коэффициента отражения в диапазоне частот 0,03 - 0,4 ГГц

1 - генератор; 2 - ответвитель направленный; 3 - ленточная линия; 4 - калибратор; 5 - образец ПЭВ; 6 - механизм перемещения калибратора и испытательного образца ПЭВ; 7 - трансформатор импедансов; 8 - приемник

Черт. 1

Градировочные кривые диэлектрического калибратора

Черт. 2

Коэффициент отражения испытуемого образца ПЭВ Rобр в дБ вычисляют по формуле

                                                           (1)

если значения коэффициентов отражения R1 и R2 находятся на разных ветвях калибровочной кривой, или по формуле

                                                          (2)

когда значения R1 и R2 находятся на одной ветви калибровочной кривой (см. черт. 2).

4.4.4. Погрешность определения модуля коэффициента отражения R при нормальном падении электромагнитной волны с использованием указанной аппаратуры и оборудования должна быть не более:

2,0 дБ для R от минус 40 дБ до минус 30 дБ вкл.;

1,5 дБ для R свыше минус 30 дБ до минус 20 дБ вкл.;

1,0 дБ для R свыше минус 20 дБ до минус 10 дБ вкл.

4.5. Проверка коэффициента отражения ПЭВ в полосе частот от 0,4 - 37,5 ГГц

4.5.1. Для проведения испытаний применяют аппаратуру и оборудование со следующими техническими характеристиками:

генератор сигналов* с:

полосой частот 0,4 - 37,5 ГГц,

погрешностью установки частоты 2 %,

уровнем выходного сигнала не менее 10 мВт,

нестабильностью уровня выходной мощности не более 0,3 дБ;

* Допускается использовать несколько единиц аппаратуры и оборудования, обеспечивающих измерения в заданной полосе частот.

вентили и аттенюаторы с:

полосой частот 0,4 - 37,5 ГГц,

ослаблением (в обратном направлении) не менее 10 дБ,

коэффициентом стоячей волны не более 1,5;

усилитель селективный с:

полосой частот 0,2 - 20 кГц,

входным сопротивлением не менее 600 Ом,

погрешностью относительных измерений не более 1 дБ;

уровнем собственных шумов не более 5 мкВ;

приемопередающие антенны типа рупорных (черт. 3) с:

полосой частот 0,4 - 37,5 ГГц,

длиной рупора в полосе частот 0,4 - 0,6 ГГц не менее 2,0λ;

длиной рупора в полосе частот свыше 0,6 ГГц не менее 3,0λ,

длиной приемного зонда не более 0,25λ,

раскрывом рупора не менее 1,5λ´1,5λ,

коэффициентом стоячей волны не более 1,3;

Приемопередающая антенна

1 - приемный зонд; 2 - рупор; 3 - коаксиально-волноводный переход

Черт. 3

калибровочные образцы (листовые), материал диэлектрик (оргстекло по ГОСТ 10667) с:

толщиной (0,02 - 0,4) λ,

габаритными размерами, в 1,25 раз перекрывающими размер рупорной антенны;

детекторная головка с:

полосой частот 0,4 - 37,5 ГГц,

квадратичной характеристикой детектора.

Структурная схема измерительного стенда приведена на черт. 4.

Примечание. λ - длина волны в свободном пространстве.

4.5.2. Подготовка к измерениям

Размеры образцов ПЭВ должны перекрывать раскрыв рупора антенны не менее чем в 1,25 раза.

Для исключения влияния паразитных отражений окружающие предметы должны быть удалены из зоны проведения измерений на расстояние не менее 10λmax от приемопередающей антенны или закрыты поглотителем электромагнитных волн с коэффициентом отражения не более минус 20 дБ.

Пространство за испытуемым образцом должно быть закрыто радиопоглощающим экраном размерами не менее 5λmax´max с коэффициентом отражения не более минус 25 дБ, где А - максимальная длина волны рабочего диапазона. Генератор сигналов настраивают на выбранную частоту. Режим работы генератора - модуляция меандром. Определяют калибровочный множитель в следующей последовательности:

калибровочный образец из оргстекла с известным значением диэлектрической проницаемости и заданной толщиной устанавливают вплотную к раскрыву измерительной приемопередающей антенны;

Структурная схема стенда для измерения коэффициента отражения в диапазоне частот 0,4 - 37,5 ГГц

1 - генератор; 2 - вентиль или аттенюатор; 3 - антенна приемопередающая; 4 - испытуемый образец ПЭВ; 5 - металлический лист; 6 - экран из ПЭВ; 7 - усилитель селективный; 8 - детекторная головка с зондом

Черт. 4

перемещают антенну или калибровочный образец вдоль оси антенны (плоскость калибровочного образца параллельна плоскости раскрыва антенны) и фиксируют первые минимальные и максимальные показания по индикатору селективного усилителя;

определяют коэффициент отражения калибровочного образца Rизм.калибр по формуле

                                                            (3)

где Umax - максимальное показание усилителя при перемещении калибровочного образца или антенны;

Umin - минимальное показание усилителя при перемещении калибровочного образца или антенны.

Вычисляют расчетный коэффициент отражения калибровочного образца из оргстекла Rрасч.калибр по формулам:

                                                     (4)

                                                                     (5)

                                                                      (6)

где r - коэффициент отражения от границы воздух - диэлектрик;

j - электрическая толщина калибровочного образца;

e - диэлектрическая проницаемость материала калибровочного образца;

λ - рабочая длина волны, см;

d - толщина калибровочного образца, см.

На черт. 5 приведен график зависимости коэффициента отражения от отношения d/λ для e = 2,59 (оргстекло), рассчитанный по формулам (2), (3) и (4).

Калибровочный множитель антенны a вычисляют по формуле

                                                                (7)

Калибровочный множитель необходимо определять для каждого типа антенны при новом включении аппаратуры, при переходе с одной частоты сигнала на другую, а также при смене детектора.

График зависимости коэффициента отражения от отношения d

Черт. 5

4.5.3. Проведение измерений

Перед измерением коэффициента отражения испытуемого образца ПЭВ определяют калибровочный множитель в последовательности, указанной в п. 4.5.2. Помещают испытуемый образец ПЭВ на плоскую металлическую подложку и устанавливают вплотную к раскрыву приемопередающей антенны.

Перемещают антенну или испытуемый образец ПЭВ вдоль оси антенны и фиксируют первые минимальные и максимальные показания усилителя Umin и Umax.

Коэффициент отражения R в дБ вычисляют по формуле

                                                     (8)

Погрешность определения модуля коэффициента отражения R при нормальном падении электромагнитной волны с использованием указанной аппаратуры и оборудования должна быть не более:

3 дБ для R от минус 40 дБ до минус 30 дБ вкл.;

2 дБ для R свыше минус 30 дБ до минус 20 дБ вкл.;

1 дБ для R свыше минус 20 дБ до минус 10 дБ вкл.

4.6. Измерение коэффициента отражения ферритовых ПЭВ допускается проводить на специальных образцах с использованием коаксиального расширителя по методу, приведенному в приложении 4.

4.7. Измерение коэффициента отражения диэлектрических ПЭВ, выполненных из электропроводящих пленок, разделенных воздушными диэлектрическими слоями, выполняют на образцах ПЭВ или модельных образцах с толщиной слоев, уменьшенной в М раз по сравнению с исходной конструкцией, и на длинах волн, также уменьшенных в М раз по сравнению с рабочими длинами волн.

4.8. Результаты измерений заносят в протокол по форме, приведенной в приложении 5.

4.9. Соответствие ПЭВ требованиям пп. 2.1.1, 2.1.4, 2.3 проверяют внешним осмотром, сличением с образцом-эталоном и с комплектом КД и ТУ на ПЭВ конкретных марок. При этом проверяют правильность сборки, отсутствие механических повреждений, качество маркировки.

4.10. Соответствие ПЭВ требованиям п. 1.5 проверяют измерением размеров и массы ПЭВ любыми доступными средствами и методами, обеспечивающими заданный предел и точность измерения.

4.11. Соответствие ПЭВ требованиям п. 2.2.1 проверяют при испытаниях ПЭВ на устойчивость к воздействию внешних климатических факторов при транспортировании. Испытания проводят в упаковке.

4.12. Испытание на теплостойкость при транспортировании проводят по ГОСТ 20.57.406 (метод 202-1).

ПЭВ считают выдержавшим испытание, если его параметры, внешний вид ПЭВ и упаковки находятся в пределах норм, установленных в настоящем стандарте и в ТУ на ПЭВ конкретной марки.

4.13. Испытания на влагостойкость при транспортировании проводят по ГОСТ 20.57.406 (метод 208-2).

ПЭВ считают выдержавшим испытания, если его параметры, внешний вид ПЭВ и упаковки находятся в пределах норм, установленных в настоящем стандарте и в ТУ на ПЭВ конкретной марки.

4.14. Испытания на холодостойкость при транспортировании проводят по ГОСТ 20.57.406 (метод 204-1).

ПЭВ считают выдержавшим испытание, если его параметры, внешний вид ПЭВ и упаковки находятся в пределах норм, установленных в ТУ на ПЭВ конкретной марки.

4.15. Испытание на пониженное атмосферное давление проводят следующим образом: ПЭВ в упаковке помещают в термобарокамеру, давление в которой плавно понижают до 19,4 кПа (145 мм рт. ст.), и выдерживают 2 ч. После этого давление в камере плавно в течение 15 мин повышают до нормального. ПЭВ и упаковка не должны иметь механических повреждений, определяемых визуально.

4.16. Испытание на прочность при транспортировании проводят по ГОСТ 23088.

4.16.1. Конкретный метод испытаний устанавливают в ТУ на ПЭВ конкретных марок в зависимости от массы упаковки с ПЭВ и ее габаритных размеров.

5. Транспортирование и хранение

5.1. ПЭВ транспортируют всеми видами крытых транспортных средств в соответствии с правилами перевозки грузов, действующими на данном виде транспорта.

В случае транспортирования на открытых автомашинах или платформах тару с ПЭВ накрывают брезентом.

О невозможности транспортирования ПЭВ каким-либо из видов транспорта указывают в ТУ на ПЭВ конкретных марок.

5.2. Условия транспортирования:

температура воздуха, °С:

верхнее значение.................................................................................. +60;

нижнее значение................................................................................... -60;

относительная влажность воздуха, %..................................................... 100 при 35 °С;

пониженное атмосферное давление, кПа (мм. рт. ст.).......................... 19,4 (145).

5.3. Размещение и крепление грузовых мест в транспортных средствах должны обеспечивать устойчивое положение грузового места и исключать возможность смещения его при транспортировании.

5.4. ПЭВ должны храниться в упаковке, предусмотренной настоящим стандартом и ТУ на ПЭВ конкретной марки.

Условия хранения - по 4 группе ГОСТ 15150 (если нет других указаний в ТУ на ПЭВ конкретной марки) при отсутствии в окружающей среде паров кислот, щелочей и других агрессивных примесей.

6. Правила эксплуатации

6.1. Эксплуатацию ПЭВ осуществляют в соответствии с требованиями настоящего стандарта и ТУ на ПЭВ конкретных марок.

6.2. Оснащенные ПЭВ экранированные камеры должны быть оборудованы общеобменной приточно-вытяжной вентиляцией.

6.3. Способы крепления ПЭВ к внутренним поверхностям ЭК указывают в чертежах и ТУ на ПЭВ конкретных марок.

6.4. Перечень отечественных ПЭВ, рекомендуемых к применению, приведен в приложении 6.

7. Гарантии изготовителя

7.1. Изготовитель гарантирует соответствие ПЭВ требованиям настоящего стандарта и ТУ на ПЭВ конкретных марок при соблюдении потребителем условий транспортирования, хранения, монтажа и эксплуатации.

7.2. Гарантийный срок эксплуатации ПЭВ, принятых ОТК предприятия-изготовителя, устанавливается не менее 10 лет со дня изготовления, включая срок хранения ПЭВ.

ПРИЛОЖЕНИЕ 1

Справочное

Термины, применяемые в настоящем стандарте, и их определения

Термин

Определение

Материалы радиопоглощающие

Композиционные материалы, обладающие заданными диэлектрическими и магнитными свойствами и обеспечивающие эффективное поглощение электромагнитной энергии

Поглотители электромагнитных волн (ПЭВ)

Устройства, структуры, конструкции, выполненные из диэлектрических и ферритовых радиопоглощающих материалов с целью получения малых величин коэффициента отражения падающей электромагнитной волны в заданном диапазоне частот

Коэффициент отражения ПЭВ

Отношение плотности потока мощности, отраженной от поверхности ПЭВ, к плотности потока мощности, падающей на поверхность ПЭВ

ПРИЛОЖЕНИЕ 2

Рекомендуемое

ПРОТОКОЛ №
приемосдаточных испытаний ПЭВ_______________________________

наименование, марка

партия № _____________

Наименование параметров, единица измерения

Обозначение НТД, номера пунктов

Требования к параметру

Результаты испытаний, контроля

Подпись представителя ОТК или лица, проводившего контроль

технических требований

методов контроля

ЗАКЛЮЧЕНИЕ

ПЭВ______________________, партия №________ соответствует (не соответствует)

наименование, марка

требованиям ____________, принят и годен для использования по назначению (подлежит возврату изготовителю).

Начальник испытательной

лаборатории __________________ _________________ _______________

подпись                          фамилия, инициалы                   дата

ПРИЛОЖЕНИЕ 3

Рекомендуемое

Форма акта проведения типовых испытаний

УТВЕРЖДАЮ

Главный инженер предприятия*

____________________________

«______»___________________г.

АКТ

проведения типовых испытаний

___________________________________________________________________________

(наименование, марка, чертеж)

Учетный номер разработки

___________________________________________________________________________

(заполняется при введении информации в АСУ)

Комиссия предприятия_______________________________________________________

в составе:

председателя_______________________________________________________________

(фамилия, инициалы, должность)

и членов комиссии: 1.________________________________________________________

(фамилия, инициалы, должность)

2.________________________________________________________

(фамилия, инициалы, должность)

3._______________________________________________________,

(фамилия, инициалы, должность)

назначенные указанием главного инженера от___________________________________

№____________, провела типовые испытания

___________________________________________________________________________

(наименование, марка, чертеж)

и на основании протокола испытаний считает, что_____________________________

________________________________________________________________________

(наименование изделия)

соответствует (не соответствует) требованиям действующих стандартов и ТУ. Предлагается:

___________________________________________________________________________

(рекомендации по доработке ТД)

___________________________________________________________________________

(рекомендации по доработке образца)

Председатель комиссии_______________________(                         )

Члены комиссии___________________________(                        )

___________________________(                         )

___________________________(                         )

* Предприятие - разработчик изделия.

ПРИЛОЖЕНИЕ 4

Рекомендуемое

Измерение коэффициента отражения ферритовых ПЭВ в полосе частот от 0,03 до 3 ГГц с использованием коаксиального расширения

1. Аппаратура и оборудование

Панорамный измеритель модуля коэффициента передачи и отражения с:

полосой частот 0,03 - 3,0 ГГц;

коэффициентом стоячей волны 1,05 - 3;

погрешностью измерения коэффициента стоячей волны 4К (%),

где К - коэффициент стоячей волны;

волновым сопротивлением 50, 75 Ом.

Коаксиальный расширитель с:

внутренним диаметром наружного проводника не менее 60 мм;

длиной не менее 500 мм;

волновым сопротивлением 50, 75 Ом;

коэффициентом стоячей волны переходов и трактов коаксиального расширителя в полосе частот от 0,03 до 3,0 ГГц не более 1,05.

Для получения указанного КСВН допускается использование согласующих устройств.

2. Подготовка к измерениям

2.1. Структурная схема измерительного стенда приведена на черт. 6.

2.2. Образцы ферритового ПЭВ с металлической подложкой (толщиной не менее 3 мм) должны быть выполнены с размерами, обеспечивающими их установку в коаксиальный расширитель.

2.3. Готовят прибор к измерениям согласно инструкции по эксплуатации.

3. Проведение измерений

3.1. Производят калибровку прибора по короткозамыкателю, устанавливаемому на месте расположения образца ПЭВ.

3.2. Устанавливают образец ПЭВ в коаксиальном расширителе и проводят измерение КОВ в соответствии с инструкцией по эксплуатации прибора.

3.3. Модуль коэффициента отражения образца ПЭВ в дБ вычисляют по формуле

                                                              (9)

Структурная схема измерительного стенда

1 - панорамный измеритель модуля коэффициента передачи и отражения; 2 - коаксиальный расширитель; 3 - образец ПЭВ; 4 - согласованная нагрузка

Черт. 6

3.4. Погрешность определения модуля коэффициента отражения R при использовании указанной аппаратуры и оборудования должна быть не более:

2,0 дБ для R от минус 20 дБ до минус 16 дБ вкл.;

1,5 дБ для R свыше минус 16 дБ до минус 12 дБ вкл.;

1,0 дБ для R свыше минус 12 дБ до минус 6 дБ вкл.

ПРИЛОЖЕНИЕ 5

Обязательное

ПРОТОКОЛ
радиотехнических испытаний

партии ПЭВ, «________________», ТУ____________________

1. Объект испытаний_______________________________________________________

(что подвергается испытаниям, краткая характеристика или ТУ,

_________________________________________________________________________

завод-изготовитель, когда изготовлено, в каком количестве)

2. Цель испытаний_________________________________________________________

(определение радиотехнических характеристик, соответствие

_________________________________________________________________________

требованиям ТУ)

3. Дата и место испытаний__________________________________________________

4. Метод испытаний________________________________________________________

(ГОСТ, методика)

5. Перечень измерительной аппаратуры_______________________________________

_________________________________________________________________________

(тип, зав. номер, дата поверки, срок действия поверки)

_________________________________________________________________________

6. Результаты испытаний

_________________________________________________________________________

Марка ПЭВ Коэффициент отражения по мощности, минус дБ

______________________________________________________________

Частота, МГц

номер образца

_________________________________________________________________________

7. Заключение_____________________________________________________________

(соответствие ТУ)

ПРИЛОЖЕНИЕ 6

Справочное

Перечень отечественных ПЭВ и их основные характеристики

Марка ПЭВ

Полоса частот, ГГц

Коэффициент отражения, дБ

Высота ПЭВ,

см

Масса 1 м2, кг

Горючесть, основа, конструкция

Условия и срок эксплуатации

ТЕМП-100

0,03

Минус 10

120

135

Негорючий, наполнение пеностеклом, нетоксичный, шиповидный

В помещениях при температуре от плюс 5 °С до плюс 50 °С и относительной влажности 98 %.

10 лет

0,125

Минус 20

0,3

Минус 30

0,5

Минус 40

1,0

Минус 45

37,5

Минус 50

ТЕМП-150

0,03

Минус 12

175

150

То же

То же

0,09

Минус 20

0,175

Минус 30

0,4

Минус 40

0,7

Минус 45

1,0

Минус 50

37,5

Минус 50

ТЕМП-250

0,03

Минус 15

250

150

»

»

0,06

Минус 20

0,125

Минус 30

0,25

Минус 40

0,5

Минус 45

1,0

Минус 50

37,5

Минус 50

Покров ФД-8

0,03 - 37,5

Минус 12

8,8

70

Негорючий, спеченный феррит с пеностеклом, нетоксичный

»

Покров ФД-20

0,03 - 37,5

От минус 12 до минус 15

20,8

72

То же

»

Покров ФД-25

0,03 - 37,5

От минус 13 до минус 15

24,8

102

»

»

Ареал-190

0,03 - 10,0

От минус 10 до минус 25

190

2,0

Трудногорючий, гибкий, при горении токсичные вещества в пределах нормы

В помещениях при температуре от плюс 5 °С до плюс 50 °С и относительной влажности - 98 %.

10 лет

Ареал-250

0,03 - 10,0

От минус 13 до минус 30

250

3,5

То же

То же

Ареал-500

0,03 - 10,0

От минус 15 до минус 40

500

4,0

»

»

Примечание. Допускается применение новых ПЭВ, характеристики которых соответствуют настоящему стандарту.

ССЫЛОЧНЫЕ НОРМАТИВНО-ТЕХНИЧЕСКИЕ ДОКУМЕНТЫ

Обозначение НТД, на который дана ссылка

Номер пункта

ГОСТ Р 8.568-97

3.7.5

ГОСТ 12.0.003-90

4.2.1

ГОСТ 12.0.004-74

4.2.3

ГОСТ 12.1.004-91

2.1.2

ГОСТ 12.1.006-84

4.2.2

ГОСТ 12.1.044-89

2.1.2

ГОСТ Р 15.201-2000

3.6.1

ГОСТ 20.57.406-81

4.12, 4.13, 4.14

ГОСТ 9142-90

2.3.3, 2.3.4

ГОСТ 10667-90

4.4.1, 4.5.1

ГОСТ 14192-96

2.3.6

ГОСТ 15150-69

2.2.1, 4.1.1, 5.4

ГОСТ 18051-83

2.3.3

ГОСТ 21140-88

2.3.3

ГОСТ 23088-80

2.3.3, 2.3.4, 4.16

ГОСТ 23611-79

Вводная часть

ГОСТ 28690-90

Вводная часть

РД 50-697-90

3.7.1

ПР 50.2.009-94

3.7.5

Правила технической эксплуатации электроустановок потребителей и правила техники безопасности при эксплуатации электроустановок потребителей, утвержденные Госэнергонадзором в 1984 г.

4.2.5

СОДЕРЖАНИЕ

1. Типы, основные параметры и размеры.. 2

2. Технические требования. 3

3. Правила приемки. 4

4. Методы измерений и испытаний. 7

5. Транспортирование и хранение. 14

6. Правила эксплуатации. 14

7. Гарантии изготовителя. 14

Приложение 1 Термины, применяемые в настоящем стандарте, и их определения. 14

Приложение 2 Протокол приемосдаточных испытаний ПЭВ.. 15

Приложение 3 Форма акта проведения типовых испытаний. 15

Приложение 4 Измерение коэффициента отражения ферритовых ПЭВ в полосе частот от 0,03 до 3 ГГц с использованием коаксиального расширения. 16

Приложение 5 Протокол радиотехнических испытаний. 17

Приложение 6 Перечень отечественных ПЭВ и их основные характеристики. 17