Unified system of corrosion and ageing protection. Polymeric materials. Method of determining the mass portion of chemically and physically bound water

ГОСУДАРСТВЕННЫЙ СТАНДАРТ СОЮЗА ССР

 

ЕДИНАЯ СИСТЕМА ЗАЩИТЫ ОТ КОРРОЗИИ И СТАРЕНИЯ

МАТЕРИАЛЫ ПОЛИМЕРНЫЕ

МЕТОД ОПРЕДЕЛЕНИЯ МАССОВОЙ ДОЛИ
ХИМИЧЕСКИ И ФИЗИЧЕСКИ СВЯЗАННОЙ ВОДЫ

 

ГОСТ 9.717-91

 

 

 

 

ГОСУДАРСТВЕННЫЙ КОМИТЕТ СССР
ПО УПРАВЛЕНИЮ КАЧЕСТВОМ ПРОДУКЦИИ И СТАНДАРТАМ

Москва

 

ГОСУДАРСТВЕННЫЙ СТАНДАРТ СОЮЗА ССР

Единая система защиты от коррозии и старения

МАТЕРИАЛЫ ПОЛИМЕРНЫЕ

Метод определения массовой доли химически и физически связанной воды

Unified system of corrosion and ageing protection.

Polymeric materials. Method of determining the mass
portion of chemically and physically bound water

ГОСТ
9.717-91

Дата введения 01.01.92

Настоящий стандарт распространяется на полимерные материалы и изделия из них (материалы) и устанавливает метод определения массовой доли химически и физически связанной воды.

Массовую долю химически связанной воды в материале определяют по разности массовой доли общего содержания воды и массовой доли физически связанной воды.

Для определения общего содержания воды в образце материала используют электрометрическое титрование с применением реактива Фишера или кулонометрический способ.

Для определения физически связанной воды образцы материала подвергают сушке над пятиокисью фосфора при комнатной температуре.

Метод применяют для оценки влагосодержания материала, а также изменения массовой доли химически связанной воды при старении.

Выбор метода определения общего содержания воды и дополнительные условия испытаний предусмотрены в нормативно-технической документации на материал.

Термины, применяемые в стандарте, и пояснения к ним приведены в приложении 1.

1. ПРОВЕДЕНИЕ ИСПЫТАНИЙ ДЛЯ ОПРЕДЕЛЕНИЯ ОБЩЕГО СОДЕРЖАНИЯ ВОДЫ С ПРИМЕНЕНИЕМ РЕАКТИВА ФИШЕРА

Определение основано на химическом взаимодействии воды, содержащемся в материале, с реактивом Фишера в среде метанола или других растворителей, не реагирующих с реактивом Фишера.

Диапазон определяемого общего содержания воды 0,005 - 80 %.

При определении воды в материале на основе полиамидных и (или) карбамидных полимеров, а также других полимеров, реагирующих с обычным реактивом Фишера, в качестве растворителя применяют N1N - диметилформамид, метилцеллозольв, пиридин или другие инертные растворители, а также реактив Фишера измененного состава, в мотором метанол заменен метилцеллозольвом или N1N-диметилформамидом. В зависимости от типа анализируемого материала выбирают растворитель и реактив Фишера по приложению 2.

Примечание. Общее содержание воды включает как химически, так и физически связанную воду в материале (свободная, кристаллизационная и окклюдированная).

1.1. Отбор образцов

1.1.1. Образцами для испытаний являются навески, полученные из того места материала или изделия из него, влагосодержание которого необходимо определить. Навески материала скалывают или срезают с помощью любого режущего инструмента. Метод получения образца не должен вызывать изменение влагосодержания материала.

1.1.2. Количество параллельных образцов на одну экспериментальную точку для определения массовой доли воды устанавливают в соответствии с ГОСТ 9.707, приложение 3. Если относительная ошибка и вероятность попадания среднего арифметического значения массовой доли воды в доверительный интервал не задается, то количество параллельных образцов на одну экспериментальную точку должно быть не менее пяти.

1.1.3. Массу образца исследуемого материала mпм и относительную погрешность определения устанавливают в соответствии с табл. 1.

Таблица 1

Предполагаемое содержание воды в образце, %

mпм, г

Относительная погрешность определения воды, %

0,005 - 0,05

Не менее 20

±5

0,05 - 0,10

15 - 10

±4

Св. 0,10 до 1,00

10 - 5

±4

» 1,00 » 10,00

5 - 0,5

±4

» 10,00

Не менее 0,05

±4

Массу образца устанавливают, исходя из того, что расход реактива Фишера для определения содержания воды должен быть от 3 до 8 см3. Для этого проводят предварительные испытания по определению этого расхода.

1.1.4. Взвешивают образцы на часовом стекле, определяют массу образцов mпм по разности масс часового стекла с навеской материала и чистого стекла, доведенного до постоянной массы сушкой при температуре (105 ± 2) °С.

1.2. Аппаратура, реактивы и растворы

1.2.1. Прибор для экстрагирования воды и измельчения образца материала в растворителе, обеспечивающий высокую степень измельчения образца в условиях, исключающих попадание атмосферной влаги в подготовленную пробу, а также обеспечивающий электрометрическое титрование воды реактивом Фишера.

Рекомендуемая схема прибора приведена на черт. 1.

Прибор для экстрагирования воды и измельчения образца материала в растворителе

1 - стеклянный сосуд для помола образцов, экстракции и титрования; 2 - штатив; 3 - мотор высокоскоростной мешалки; 4 - вал мешалки; 5 - пробка из нержавеющей стали или фторопласта 4; 6 - полая пробка на шлифе для внесение образца; 7 - штуцер для введения растворителя; 8 - баллон с азотом; 9 - осушитель азота; 10 - трубка для ввода сухого азота; 11 - платформа; 12 - осушительная склянка; 13 - резиновая груша; 14 - склянка с реактивом Фишера; 15 - микробюретка; 16, 17 - осушительные трубки; 18 - насадка с капилляром; 19 - электроды из платиновой фольги по ГОСТ 2401; 20 - микроамперметр на 100 мА; 21 - потенциометр сопротивления на 9 - 10 кОм; 22 -источник постоянного тока на 1,5 В; 23 - выключатель

Черт. 1

Прибор состоит из стеклянного сосуда вместимостью 500 см3 и высокоскоростной мешалки с регулируемой скоростью вращения от 300 до 18000 мин-1. Вал мешалки и лопасти выполняют из металла, не реагирующего с реактивом Фишера. Лопасти мешалки выполняют в виде ножей. Вал мешалки проходит через отверстие в пришлифованной к сосуду пробке из нержавеющей стали или фторопласта 4, обеспечивающей герметичность затвора. Для предупреждения попадания в сосуд влажного воздуха в него под небольшим избыточным давлением (3 - 4 мм рт. ст.) с помощью баллона и осушителя подается сухой азот с расходом 10 - 15 см3/мин. Штуцер после подачи растворителя запирается осушительной трубкой на шлифе. Образец в виде навески подают в сосуд с помощью поворота полой пробки на шлифе. Воду, экстрагированную из образца, титруют с помощью микробюретки и насадки с капилляром. Точку эквивалентности определяют электрометрически с погрешностью не более ±5 % в диапазоне определения воды 0,0002 - 0,05 % и ±4 % в диапазоне определения воды 0,05 - 80 % (по массе).

1.2.2. Азот газообразный технический по ГОСТ 9293, предварительно осушенный пропусканием через колонки, наполненные силикагелем и ангидроном, с содержанием воды не более 5 мкг/г.

1.2.3. Вода дистиллированная по ГОСТ 6709.

1.2.4. Метанол-яд по ГОСТ 6995 с массовой долей воды не более 0,05 %. При большем содержании воды метанол обезвоживают следующим образом: в круглодонную колбу вместимостью 1 дм3, снабженную обратным холодильником с хлоркальциевой трубкой, помещают 5 г магния в стружке, 0,5 г йода и приливают 250 - 300 см3 метанола. Если водород при этом выделяется слабо, смесь слегка нагревают на водяной бане до полного растворения магниевых стружек. Через обратный холодильник приливают 500 - 600 см3 метанола и кипятят смесь в течение 30 мин. После этого метанол перегоняют, используя елочный дефлегматор, в приемник, снабженный хлоркальциевой трубкой, и собирают фракцию, кипящую от 64 до 65,5 °С при давлении 0,101 МПа (760 мм рт. ст.).

При перегонке соблюдают меры предосторожности против попадания атмосферной влаги в метанол.

Допускается получать обезвоженный метанол другими методами, гарантирующими содержание воды не более указанного.

1.2.5. Магний металлический первичный в чушках по ГОСТ 804, измельченный в мелкую стружку.

1.2.6. Йод по ГОСТ 4159, ч. д. а.

1.2.7. Калия гидроокись по ГОСТ 24363.

1.2.8. Пиридин по ГОСТ 13647 с массовой долей воды не более 0,05 %.

При большем содержании воды пиридин обезвоживают следующим образом: 1 дм3 пиридина кипятят с 150 - 200 г гидроокиси калия около 30 мин в круглодонной колбе вместимостью 2 дм3, снабженной обратным холодильником с хлоркальциевой трубкой. Затем заменяют обратный холодильник прямым и перегоняют пиридин. В приемник, снабженный хлоркальциевой трубкой, собирают фракцию, кипящую от 114 до 116 °С при давлении 0,101 МПа (760 мм рт. ст.). При перегонке соблюдают меры предосторожности против попадания в пиридин атмосферной влаги.

Допускаются другие способы обезвоживания пиридина, гарантирующие содержание воды не более установленного.

1.2.9. Эфир монометиловый этиленгликоля (метилцеллозольв) по ТУ 6-09-4398, х. ч., с массовой долей воды не более 0,05 %. При большем содержании воды его обезвоживают перегонкой при 124,3 °С и давлении 0,101 МПа (760 мм рт. ст.). Первые порции дистиллята отбрасывают до установления стабильной температуры отгонки. При перегонке соблюдают меры предосторожности против попадания в метилцеллозольв атмосферной влаги.

1.2.10. N,N-диметилформамид по ГОСТ 20289, х. ч., с массовой долей воды не более 0,05 %. При большем содержании воды его обезвоживают перегонкой при температуре от 152,5 до 154,0 °С и давления 0,101 МПа (760 мм рт. ст.). Первые порции дистиллята отбрасывают до установления стабильной температуры отгонки и соблюдают меры предосторожности против попадания в N,N-диметилформамид атмосферной влаги.

1.2.11. Диоксан по ГОСТ 10455, ч. д. а., с массовой долей воды не более 0,05 %. При большем содержании воды его обезвоживают перегонкой при температуре 101,3 °С и давлении 0,101 МПа (760 мм рт. ст.) над металлическим натрием в токе сухого азота. Первые порции дистиллята отбрасывают до установления стабильной температуры отгонки. Обезвоженный диоксан хранят в темной склянке в атмосфере азота.

1.2.12. Этиленгликоль по ГОСТ 10164, ч. д. а., с массовой долей воды не более 0,05 %. При большем содержании воды его обезвоживают перегонкой при температуре 197,8 °С и давлении 0,101 МПа (760 мм рт. ст.). Первые порции дистиллята отбрасывают до установления стабильной температуры отгонки и соблюдают меры предосторожности против попадания атмосферной влаги.

1.2.13. Хлороформ, х. ч., по ТУ 6-09-800, с массовой долей воды не более 0,05 %. При большем содержании воды его обезвоживают перегонкой при температуре 61,1 °С и давлении 0,101 МПа (760 мм рт. ст.). Первые порции дистиллята отбрасывают до установления стабильной температуры отгонки и соблюдают меры предосторожности против попадания атмосферной влаги.

1.2.14. Ангидрид сернистый по ГОСТ 2918.

1.2.15. Кальций хлористый свежепрокаленный по ТУ 6-09-4711.

1.2.16. Магний хлорнокислый безводный (ангидрон), ч., по ТУ 6-09-3880.

1.2.17. Натрий виннокислый 2-водный, ч. д. а., по ТУ 6-09-5400.

1.2.18. Натрий уксуснокислый 3-водный, х. ч., по ГОСТ 199.

1.2.19. Реактив Фишера обычного состава, ч. д. а., по ТУ 6-09-1487 или по приложению 2.

1.2.20. Натрий металлический по ТУ 6-09-356, ч. д. а.

1.2.21. Смазка ЦИАТИМ-205 по ГОСТ 8551 или смазка вакуумная.

1.2.22. Электросекундомер по ТУ 25-1801-205 или секундомер.

1.2.23. Весы лабораторные аналитические одноплечные с погрешностью взвешивания не более ±0,00005 г.

1.2.24. Ткань хлопчатобумажная по ГОСТ 7617.

1.3. Подготовка к испытаниям

1.3.1. Для проведения испытаний составляют программу, в которой указывают:

наименование и марку материала или изделия, способ и дату изготовления;

цель испытаний;

определяемый вид связанной воды;

условия испытаний;

тип аппаратуры;

перечень используемых при испытаниях стандартов или технических условий;

обозначение настоящего стандарта.

3.3.2. Определяют растворимость полимерной основы испытуемого образца в инертных по отношению к реактиву Фишера растворителях (метанол, N,N-диметилформамид, диоксан, метилцеллозольв, пиридин, этиленгликоль, хлороформ и т.п.).

1.3.3. Устанавливают титр реактива Фишера (Т), т.е. массу воды в миллиграммах, соответствующую 1 см3 реактива Фишера, как указано в пп. 1.3.3.1 - 1.3.3.2.

1.3.3.1. В стеклянный сосуд прибора (черт. 1) через штуцер 7 вводят 100 см3 обезвоженного растворителя, который устанавливают в зависимости от типа материала в соответствии с приложением 2. Закрывают штуцер 7 осушительной трубкой на шлифе 17. Собирают остальные составляющие прибора на шлифах и через систему осушения азота и трубку 10 пропускают сухой азот. Затем электрометрически оттитровывают воду, находящуюся в растворителе и на стенках сосуда, реактивом Фишера с помощью микробюретки. Сначала реактив Фишера подается в сосуд со скоростью 1 капля в 1 с. При этом стрелка микроамперметра отклоняется незначительно от нулевого деления. Когда стрелка микроамперметра начинает сильно колебаться, реактив Фишера добавляют со скоростью 1 капля в 5 с, а при приближении к точке эквивалентности - со скоростью 1 капля в 10 с. Титрование проводят при скорости вращения мешалки 300 мин-1. Титрование прекращают, когда стрелка микроамперметра установится на делении шкалы, значительно отличающемся от нуля, и продержится на этом делении в течение 30 с. Прибавление одной-двух капель реактива Фишера не должно менять положение стрелки микроамперметра и их объем в расчетах не учитывают.

1.3.3.2. В оттитрованную смесь через штуцер 7 вносят точную навеску 2-водного виннокислого натрия или 3-водного уксуснокислого натрия или 1 каплю дистиллированной воды. Массу этих веществ берут в таком количестве, которое соответствует 5 - 8 см3 реактива Фишера и снова титруют, как указано в п. 1.3.3.1.

Фиксируют объем реактива Фишера (V), израсходованный на: титрование. Объем реактива определяют по разности показании микробюретки до и после титрования.

Массу капли воды mв вычисляют по разности масс предварительно взвешенной капельницы с водой mкв и капельницы, взвешенной после истечения из нее в колбу для титрования одной капли воды mк. Взвешивание проводят с погрешностью не более ±0,00005 г.

После введения навески штуцер 7 закрывают осушительной трубкой на шлифе 17.

Титр реактива Фишера (Т1) в мг/см3, по воде вычисляют по формуле

Т1 = ,                                                      (1)

где mв = mкв - mк - масса капли воды, г;

V - объем реактива Фишера, израсходованного на титрование, см3;

1000 - нормирующий коэффициент.

Титр реактива Фишера по 3-водному уксуснокислому натрию (Т2) в мг/см3, вычисляют по формуле

Т2 = ,                                                     (2)

где mун - масса уксуснокислого натрия, г;

V - объем реактива Фишера, израсходованного на титрование навески, см3;

2,52 и 1000 - нормирующие коэффициенты.

Титр реактива Фишера по 2-водному виннокислому натрию (Т3), в мг/см3, вычисляют по формуле

Т3 = ,                                                     (3)

где mвн - масса виннокислого натрия, г;

V - объем реактива Фишера, израсходованного на титрование навески, см3;

6,36 и 1000 - армирующие коэффициенты.

За результат определения Т1, Т2 или Т3 принимают среднее арифметическое результатов не менее трех параллельных соответствующих определений, допускаемые расхождения между которыми не должны превышать 0,005 мг/см3.

1.3.3.3. Титр реактива Фишера проверяют при непрерывной работе ежедневно перед применением (при использовании метилцеллозольва - один раз в трое суток).

1.4. Проведение испытаний.

1.4.1. Собирают прибор в соответствии с черт. 1. Через штуцер 7 вводят в сосуд 100 см3 растворителя и закрывают его осушительной трубкой. В полую трубку помещают навеску материала. Через трубку 10 и систему осушения азота в сосуд под давлением пропускают сухой азот. Оттитровывают воду, находящуюся в растворителе и на стенках сосуда, реактивом Фишера с помощью микробюретки в соответствии с п. 1.3.3.1. Поворотом полой пробки вводят навеску материала в сосуд и включают мешалку 4 на скорость 15000 - 18000 мин-1. Помол навески и растворение продолжают в течение 15 мин, после чего мешалку 4 переключают на скорость 300 мин-1 и проводят электрометрическое титрование воды, экстрагированной из образца, в соответствии с п. 1.3.3.1. Фиксируют объем реактива Фишера (V, см3), израсходованного на титрование.

1.4.2. Для труднорастворимых материалов продолжительность помола и экстрагирования воды устанавливают в предварительном эксперименте на нескольких параллельных пробах. Испытания проводят до тех пор, пока результаты двух последовательных измерений будут отличаться друг от друга не более чем на 5 % отн.

1.4.3. Результаты испытаний записывают в протокол, форма которого приведена в приложении 3.

1.5. Обработка результатов

Массовую долю воды (общее содержание) (Хос) в процентах вычисляют по формуле

Хос = ,                                                         (4)

где V - объем реактива Фишера, израсходованного на титрование, по п. 1.4.1, см3;

Т (T1, Т2, Т3) - титр реактива Фишера, по п. 1.3.3.2, мг/см3;

mпм - масса образца, по п. 1.1.4, г;

100 и 1000 - нормирующие коэффициенты.

За результат определения принимают среднее арифметическое результатов всех параллельных проб. Допускаемое расхождение между результатами, полученными на параллельных пробах, и средним арифметическим не должно превышать 5 % отн. Если расхождение более 5 % отн., испытания повторяют.

2. ПРОВЕДЕНИЕ ИСПЫТАНИЙ ДЛЯ ОПРЕДЕЛЕНИЯ ОБЩЕГО СОДЕРЖАНИЯ ВОДЫ КУЛОНОМЕТРИЧЕСКИМ СПОСОБОМ

Диапазон определяемого содержания воды 0,05 - 80 %.

Относительная погрешность определения составляет ±2 % при содержании воды в материале 0,005 - 0,01 %. При более высоком содержании воды точность определения возрастает. Относительная погрешность определения при содержании воды, близком к 80 %, не более ±0,1 %.

Кулонометрический способ определения воды основан на том, что при нагревании из образца материала испаряется вода, пары которой с помощью нейтрального газа-носителя переносятся в электролитическую ячейку, в которой молекулы воды разлагаются на ионы, и определяют количество электричества, израсходованное на этот процесс.

Количество электричества, необходимое для электролиза 1 мкг воды, служит базой для расчета общего количества воды в образце.

Примечание. Кулонометрический способ распространяется на материалы, в которых при нагревании при заданной температуре не происходят процессы, приводящие к образованию дополнительного количества воды.

2.1. Отбор образцов

2.1.1. Образцами для испытаний являются навески, полученные из того места материала или изделий, влагосодержание которого необходимо определить. Навески скалывают или срезают с помощью любого режущего инструмента. Метод получения образца не должен вызывать изменения влагосодержания материала.

2.1.2. Количество параллельных образцов - в соответствии с п. 1.1.2.

2.1.3. Массу образцов mпм определяют в соответствии с табл. 2 на основе предварительных испытаний.

2.2. Аппаратура, реактивы и растворы

2.2.1. Установка для определения массовой доли воды кулонометрическим способом, принципиальная схема которой приведена на черт. 2.

2.2.1.1. Установка состоит из узла подготовки газа-носителя (1, 2, 3), нагревательной печи (4), в которую вводят фарфоровую лодочку с образцом, электролитической ячейки (6) и измерительной электронной части для записи результатов испытаний.

Таблица 2

Предполагаемое содержание воды в образцах, %

Масса образца mпм, г

От 0,0105 до 0,010

2,00

» 0,010 » 0,500

0,50

» 0,500 » 1,000

0,15

» 1,000 » 5,000

0,08

» 5,000 » 10,000

0,04

» 10,000 » 30,000

0,02

Св. 30,00

0,01

Вода, испаряемая из образца, находящегося в фарфоровой лодочке, помещенной в печь, с помощью газа-носителя поступает в электролитическую ячейку, состоящую из U-образной трубки с платиновыми электродами, между которыми помещена пленка пятиокиси фосфора (Р2О5) толщиной (0,5 ± 0,05) мм. При этом пятиокись фосфора, являющаяся диэлектриком, превращается в фосфорную кислоту, являющуюся проводником. К платиновым электродам подводят постоянное напряжение 50 - 60 В, в результате чего происходит разложение молекул воды на продукты электролитического разложения воды Н+ и О-.

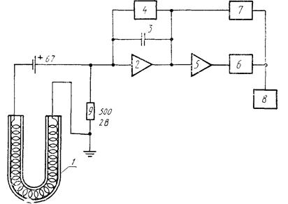
Принципиальная схема установки для анализа содержания влаги кулонометрическим методом

1 - расходомер газа-носителя; 2 - осушитель газа; 3 - редуктор; 4 - печь; 5 - нагреватель печи с регулятором температуры; 6 - электролитическая ячейка; 7 - источник питания электролитической ячейки; 8 - аналого-цифровой преобразователь; 9 - дисплей

Черт. 2

2.2.1.2. Блок-схема аналого-цифрового преобразователя (АЦП), приведена на черт. 3.

Аналого-цифровой преобразователь (АЦП) с дисплеем

1 - электролитическая ячейка; 2 - интегратор; 3 - конденсатор; 4 - разрядное устройстве 5 - компаратор; 6 - мультивибратор; 7 - тригер; 8 - цифровой дисплей; 9 - сопротивление

Черт. 3

АЦП установки для определения количества воды кулонометрическим способом функционирует следующим образом: через электролитическую ячейку протекает ток, пропорциональный количеству поглощенной воды, испаренной из образца. Он создает на сопротивлении падение напряжения.

В зависимости от количества воды и продолжительности ее разложения на конденсаторе интегратора образуется заряд, соответствующий количеству электричества, необходимого для разложения 0,1 мкг воды. Этот заряд формирует с помощью компаратора исходное напряжение прямоугольного вида для запуска мультивибратора. На выходе мультивибратора напряжение, полученное при разложении 0,1 мкг воды, формирует единичный импульс, который поступает как в счетчик дисплея 8, так и на тригер 7, управляющий транзистором разрядного устройства 4.

Сразу же после единичного импульса конденсатор разряжается и готов принять новый заряд, эквивалентный следующей порции воды в количестве 0,1 мкг.

2.2.2. Весы лабораторные аналитические одноплечные с предельно допустимой погрешностью взвешивания ±0,00005 г.

2.2.3. Азот по п. 1.2.2.

2.2.4. Вода дистиллированная по ГОСТ 6709.

2.2.5. Фосфора пятиокись по ТУ 09-4173, х. ч.

2.2.6. Капилляры стеклянные с внутренним диаметром 0,03 - 0,04 мм, длиной (20 ± 1) мм.

2.2.7. Эксикатор по ГОСТ 25336.

2.3. Подготовка к испытаниям

2.3.1. Для проведения испытания составляют программу в соответствии с п. 1.3.1.

2.3.2. Установку для определения содержания воды в материале калибруют известным количеством воды. Для этого вместо образца в лодочку закладывают калиброванный капилляр, в котором содержится известное количество воды.

2.3.3. Лодочку для образцов предварительно тщательно моют и просушивают при температуре (150 ± 2) °С, взвешивают до достижения постоянной массы с точностью ±0,00005 г. Между взвешиваниями лодочку охлаждают в эксикаторе, на дно которого уложен слой пятиокиси фосфора толщиной 2 см.

2.3.4. Высушивают капилляр диаметром 0,03 - 0,04 мм, длиной 20 ± 1 мм до постоянной массы m1 в соответствии с п. 2.3.3.

2.3.5. Наполняют капилляр дистиллированной водой, протирают фильтровальной бумагой, пинцетом переносят на чашку аналитических весов и определяют его массу m2 с точностью ±0,00005 г. Массу воды mв в миллиграммах вычисляют по формуле

mв = m2 - m1.                                                             (5)

2.3.6. В лодочку для образцов, подготовленную по п. 2.3.3, помещают капилляр с водой по п. 2.3.5 и вводят ее в печь 4 установки. Включают подогрев до (120 ± 2) °С. После достижения этой температуры через установку в течение 30 мин пропускают осушенный газ-носитель со скоростью (70 ± 1) см3/мин. По дисплею определяют количество импульсов Ск, соответствующее количеству воды в капилляре.

2.3.7. Вычисляют постоянную установки (К) в мкг×% по формуле

К = ×100,                                                             (6)

где Ск - число импульсов, соответствующее количеству воды, содержащейся в капилляре, зарегистрированных по п. 2.3.6.

2.4. Проведение испытаний

2.4.1. Образец материала, отобранный по п. 2.1.3, взвешивают с предельно-допустимой погрешностью ±0,00005, помещают в предварительно высушенную по п. 2.3.3 лодочку для образцов и быстро вводят ее в печь 4. Включают подогрев печи и пропускают осушенный газ-носитель (азот) со скоростью (70 ± 1) см3/мин.

После достижения температуры (120 ± 2) °С продувают установку газом-носителем в течение 30 мин.

2.4.2. По дисплею определяют количество импульсов С, соответствующее количеству воды в образце.

2.4.3. Результаты испытаний записывают в протокол, форма которого приведена в приложении 3.

2.5. Обработка результатов

2.5.1. Массовую долю воды (Хос) в процентах вычисляют по формуле

Хос = ,                                                             (7)

где С - число импульсов, зарегистрированных на дисплее установки, по п. 2.4.2;

mпм - масса образца по п. 2.1.3, мг;

К - постоянная установки по п. 2.3.7.

2.5.2. За результат испытаний принимают среднее арифметическое результатов всех параллельных проб. Допускаемое расхождение результатов, полученных на параллельных пробах, и средним арифметическим значением не должно превышать 5 % отн. Если расхождение более 5 % отн., испытания повторяют.

3. ПРОВЕДЕНИЕ ИСПЫТАНИЙ ДЛЯ ОПРЕДЕЛЕНИЯ МАССОВОЙ ДОЛИ ФИЗИЧЕСКИ СВЯЗАННОЙ ВОДЫ

Диапазон определяемого содержания воды 0,005 - 99 %.

3.1. Отбор образцов

3.1.1. Отбор образцов - по пп. 1.1.1 - 1.1.2.

Массу образца устанавливают по п. 1.1.3, табл. 1.

3.2. Аппаратура, материалы, реактивы

3.2.1. Установка для измельчения полимерных материалов при отрицательных температурах, рекомендуемая схема которой приведена на черт. 4.

Установка состоит из вибрационного узла 1 и разборной гильзы 2 на резьбе из нержавеющей стали, которая заполнена измельчающими телами в виде стальных шариков диаметром 5 - 6 мм. Размер гильзы должен обеспечивать размещение в ней навески образца и необходимого количества шариков для помола, при этом гильза должна быть заполнена не более чем на половину объема. Конструкция гильзы должна обеспечивать ее герметичность в процессе помола и разборку с выгрузкой продукта помола.

3.2.2. Холодильник, обеспечивающий возможность охлаждения установки для измельчения до температуры не менее чем на (10 ± 2) °С ниже температуры стеклования материала (обычно не ниже чем до минус 50 °С).

Установка для измельчения полимерных материалов

1 - вибрационный узел; 2 - разборная гильза; 3 - измельчающие тела; 4 - электромагнит; 5 - стержень; 6 - пружины

Черт. 4

3.2.3. Весы лабораторные аналитические одноплечные с погрешностью взвешивания не более ±0,00005 г.

3.2.4. Фосфора пятиокись по ТУ 6-09-4173, х. ч.

3.2.5. Силикагель по ГОСТ 3956.

3.2.6. Термостат, обеспечивающий температуру нагрева до 150 °С.

3.2.7. Эксикатор по ГОСТ 25336, диаметром 180 мм.

3.2.8. Металлическая бюкса с притертой крышкой.

3.2.9. Сито по ГОСТ 6613.

3.2.10. Перчатки из хлопчатобумажной ткани по ГОСТ 7617.

3.3. Подготовка к испытаниям

3.3.1. Для проведения испытаний составляют программу в соответствии с п. 1.3.1.

3.3.2. В пространстве весов, где размещена чашка для взвешивания, помещают пористые мешочки с сухим силикагелем. Масса силикагеля не менее 300 г.

Для восстановления влагосодержания силикагель через каждые 3 сут высушивают при температуре (150 ± 2) °С в течение 4 ч.

3.3.3. Гильзу и измельчающие тела тщательно моют, помещают в термостат при температуре (110 ± 2) °С, сушат до постоянной массы и определяют массу гильзы с измельчающими телами m1 взвешиванием с предельно допустимой погрешностью не более ±0,00005 г. Затем в гильзу вводят образец материала и собирают ее на резьбе. Определяют массу гильзы с измельчающими телами и образцом m2 взвешиванием с погрешностью не более ±0,00005 г. Массу образца mпм определяют по формуле

mпм = m2 - m1.                                                             (8)

3.3.4. Гильзу с образцом вставляют в установку, которую затем помещают в холодильник. После охлаждения гильзы с образцом до температуры не менее чем на (10 ± 2) °С ниже температуры стеклования материала, включают вибрационный узел и проводят помол образца в течение 10 - 15 мин. Условия охлаждения гильзы должны компенсировать разогрев системы с целью поддержания заданной температуры при помоле.

3.3.5. Бюксу с притертой крышкой предварительно высушивают до постоянной массы m3 при температуре (110 ± 2) °С; погрешность взвешивания не более ±0,00005 г.

3.4. Проведение испытаний

3.4.1. Гильзу в собранном виде извлекают из установки и разбирают над открытой металлической бюксой. Содержимое гильзы высыпают в бюксу и туда же помещают разобранную гильзу; бюксу закрывают крышкой.

3.4.2. Определяют массу металлической бгоксы с крышкой и помещенными в нее продуктами помола и гильзой m4 с предельно допустимой погрешностью не более ±0,00005 г.

3.4.3. Металлическую бюксу с открытой крышкой и помещенными в нее разобранной гильзой и продуктом помола помещают на вкладыш эксикатора, на дно которого уложен слой пятиокиси фосфора толщиной 2 - 3 см. Эксикатор герметично закрывают крышкой. Все операции по сборке и разборке гильзы и металлической бюксы проводят в перчатках.

3.4.4. Бюксу извлекают из эксикатора через 3 ч, закрывают крышкой и взвешивают с погрешностью не более ±0,00005 г.

Операцию сушки в эксикаторе и взвешивания повторяют до достижения постоянной массы m5 при температуре (23 ± 5) °С; погрешность взвешивания не более ±0,00005 г.

3.5. Обработка результатов

Массовую долю физически связанной воды в образце материала (Хфс) в процентах вычисляют по формуле

Хфс = ×100,                                             (9)

где m2 - масса гильзы, измельчающих тел и образца, г;

m3 - масса металлической бюксы с крышкой, г;

m5 - масса образца, гильзы с измельчающими телами и металлической бюксой, г;

mпм - масса образца до испытаний, г.

3.5.1. За результат испытаний принимают среднее арифметическое результатов всех параллельных проб. Допускаемое расхождение между результатами, полученными на параллельных пробах, и средним арифметическим значеньем не должно превышать 5 % отн. Если расхождение более 5 % отн., испытания повторяют.

4. ОПРЕДЕЛЕНИЕ ХИМИЧЕСКИ СВЯЗАННОЙ ВОДЫ

Массовую долю химически связанной воды в материале (, %) вычисляют по формуле

 =  - ,                                                        (10)

где  - среднее арифметическое значение массовой доли воды (общее содержание воды), определенное по разд. 1 или 2;

 - среднее арифметическое значение массовой доли физически связанной воды, определенное по разд. 3.

5. ТРЕБОВАНИЯ БЕЗОПАСНОСТИ

5.1. Требования безопасности - по ГОСТ 12.1.007, ГОСТ 12.1.019, ГОСТ 12.3.002 и ГОСТ 12.3.019.

5.2. Требования пожарной безопасности - по ГОСТ 12.1.004.

5.3. Метеорологические условия, уровень звукового давления, уровни звука и содержание вредных примесей в рабочей зоне помещений для испытаний не должны превышать норм, установленных СН-245 и утвержденных Госстроем СССР.

5.4. Все операции с реактивом Фишера необходимо проводить в вытяжном шкафу.

ПРИЛОЖЕНИЕ 1

Справочное

ТЕРМИНЫ, ПРИМЕНЯЕМЫЕ В СТАНДАРТЕ, И ПОЯСНЕНИЯ К НИМ

Термин

Пояснение

1. Химически связанная вода

Вода, молекулы которой входят в химический состав вещества и которая освобождается лишь при химическом взаимодействии или термодеструкции

2. Физически связанная вода

Вода, которая не входит в химический состав вещества и может состоять из свободной, капиллярной, стыковой воды микропор и адсорбционной воды

ПРИЛОЖЕНИЕ 2

Обязательное

ПЕРЕЧЕНЬ РАСТВОРИТЕЛЕЙ И МЕТОДИКА ИЗГОТОВЛЕНИЯ РЕАКТИВА ФИШЕРА

Таблица

Наименование материала

Растворитель

Применяемый реактив Фишера

Растворимость

1. Фенолформальдегидные смолы

Метанол

Обычного состава по ТУ 6-09-1487

Набухают

2. Эпоксидные смолы

Пиридин с метанолом 1:1 (по объему)

То же

Растворяются

3. Полиолефины

Метанол

»

Не набухают

4. Полистирол и его сополимеры

Метанол с метиленхлоридом 1:1 (по объему)

»

Набухают

5. Фторопласты (порошок)

Метанол

»

Не набухают

6. Поливинилхлориды

Метанол

»

То же

7. Поливиниловый спирт

Метанол

»

»

8. Поливннилацетат

Метанол с метиленхлоридом 1:1 (по объему)

Обычного состава по ТУ 6-09-1487

Набухает. При определении воды в поливинилацетатном лаке навеску лака вносят непосредственно в колбу для титрования, заполненную метанолом

9. Поливинилацетали

Метанол с метиленхлоридом 1:1 (по объему)

То же

Растворяются или набухают

10. Полиметиметакрилат, полиакрилаты и их производные

Метанол с метиленхлоридом 1:1 (по объему)

»

То же

11. Карбамидные полимерные материалы

N1N-диметилформамид с пиридином 4:1 (по объему)

Метилцеллозольв с пиридином 4:1 (по объему)

Измененного состава

»

12. Полиамидные полимерные материалы

Метилцеллозольв с пиридином 4:1 (по объему)

N1N-диметилформамид с пиридином 4:1 (по объему)

То же

»

Примечание. Содержание воды в растворителях, применяемых для растворения или экстрагирования воды из анализируемого материала, не должно превышать 0,06 %.

ПРИГОТОВЛЕНИЕ РЕАКТИВА ФИШЕРА

1. Реактив Фишера обычного состава готовят следующим образом: 670 см3 обезвоженного метанола помещают в сухую колбу вместимостью 2 дм3, добавляют 85 г йода, герметично закрывают притертой пробкой и перемешивают до полного растворения йода. Затем добавляют 270 см3 пиридина и снова перемешивают. Колбу закрывают пробкой с тремя отверстиями. В одно отверстие вставляют термометр, в два других - стеклянные трубки. Одна трубка, доходящая почти до дна колбы, служит для ввода газообразного сернистого ангидрида, другая, короткая, для вывода газа. Колбу помещают в сосуд со льдом, взвешивают с погрешностью не более 1 г и при охлаждении насыщают сухим сернистым ангидридом до тех пор, пока привес не составит 65 г. Температура раствора во время насыщения не должна превышать 20 °С. Колбу закрывают притертой пробкой, перемешивают раствор и выдерживают перед применением в течение 24 ч.

Титр реактива Фишера, приготовленного таким образом, составляет от 3 до 4 мг/см3.

Реактив Фишера хранят в защищенной от попадания света склянке с притертой пробкой.

2. Реактив Фишера измененного состава готовят аналогично требованиям п. 1, заменяя метанол на метилцеллозольв, или как указано ниже.

Готовят раствор 1. В сухую колбу из термостойкого стекла помещают 220 см3 пиридина, охлаждают колбу смесью сухого льда и ацетона, приливают в нее осторожно порциями 33 см3 (54 г) жидкого сернистого ангидрида и перемешивают содержимое колбы. Температуру смеси постепенно доводят до комнатной, после чего смесь переливают в сухую склянку с притертой пробкой.

Готовят раствор 2. В склянку из темного стекла с притертой пробкой помещают 600 см3 N,N-диметилформамида и 75 г йода, закрывают склянку пробкой, перемешивают и оставляют стоять до полного растворения йода.

Смешиванием растворов 1 и 2 в соотношении 1:2 получают реактив Фишера измененного состава с титром около 4 мг/см3.

Реактив Фишера хранят, как указано в п. 1.

ПРИЛОЖЕНИЕ 3

Рекомендуемое

ПРОТОКОЛ ИСПЫТАНИЙ

Наименование, марка и дата изготовления материала;

дата изготовления образца;

количество образцов для испытаний;

по разд. 1

наименование растворителя, применяемого для растворения или экстракции воды из образца материала;

масса образца, г;

титр реактива Фишера, мг/см3;

вид и объем реактива Фишера, израсходованного на титрование;

массовая доля воды каждого образца, %;

среднее арифметическое значение массовой доли воды образца (), %.

по разд. 2

масса образца, г;

массовая доля воды каждого образца, %;

среднее арифметическое значение массовой доли воды образца (), %.

по разд. 3

масса образца, г;

масса гильзы с измельчающими телами, г;

масса металлической бюксы, г;

массовая доля воды каждого образца, %;

среднее арифметическое значение массовой доли воды образца (), %;

обозначение настоящего стандарта;

организация, предприятие, должность и фамилия лиц, проводивших испытания.

ИНФОРМАЦИОННЫЕ ДАННЫЕ

1. РАЗРАБОТАН И ВНЕСЕН Государственным комитетом СССР по управлению качеством продукции и стандартам

РАЗРАБОТЧИКИ

X. Н. Фидлер, канд. техн. наук; К. З. Гумаргалиева, канд. хим. наук; Л. П. Котова; А. А. Герасименко, д-р техн. наук; Д. В. Замбахидзе, канд. техн. наук; О. А. Хачатурова; В. А. Шабалкин; Т.П. Потапова; Т. В. Головина; В. Б. Скрибачилин, канд. техн. наук; А. А. Рыжков, канд. хим. наук

2. УТВЕРЖДЕН И ВВЕДЕН В ДЕЙСТВИЕ Постановлением Государственного комитета СССР по управлению качеством продукции и стандартам от 29.03.91 № 394

3. ВВЕДЕН ВПЕРВЫЕ

4. ССЫЛОЧНЫЕ НОРМАТИВНО-ТЕХНИЧЕСКИЕ ДОКУМЕНТЫ

Обозначение НТД, на который дана ссылка

Номер раздела, пункта, подпункта

ГОСТ 9.707-81

1.1.2

ГОСТ 12.1.004-91

Разд. 4

ГОСТ 12.1.007-76

Разд. 4

ГОСТ 12.1.019-79

Разд. 4

ГОСТ 12.3.002-75

Разд. 4

ГОСТ 12.3.019-80

Разд. 4

ГОСТ 199-78

1.2.18

ГОСТ 804-72

1.2.5

ГОСТ 2918-79

1.2.14

ГОСТ 3956-76

3.2.5

ГОСТ 4159-79

1.2.6

ГОСТ 6709-72

1.2.3, 2.2.4

ГОСТ 6995-77

1.2.4

ГОСТ 7617-77

1.2.24, 3.4.4

ГОСТ 8551-74

1.2.20

ГОСТ 9293-74

1.2.2

ГОСТ 10164-75

1.2.12

ГОСТ 10455-80

1.2.11

ГОСТ 13647-78

1.2.8

ГОСТ 20289-74

1.2.10

ГОСТ 24363-80

1.2.7

ГОСТ 25336-82

2.2.7, 3.2.7

ТУ 6-09-800-76

1.2.13

ТУ 6-09-1487-76

1.2.19

ТУ 6-09-3880-75

1.2.16

ТУ 6-09-4173-76

2.2.5, 3.2.4

ТУ 6-09-4398-77

1.2.9

ТУ 6-09-4711-81

1.2.15

ТУ 6-09-5400-88

1.2.17

ТУ 25-1801-205-86

1.2.22

СН-245-71

4.3

СОДЕРЖАНИЕ

1. Проведение испытаний для определения общего содержания воды с применением реактива фишера. 1

2. Проведение испытаний для определения общего содержания воды кулонометрическим способом.. 7

3. Проведение испытаний для определения массовой доли физически связанной воды.. 10

4. Определение химически связанной воды.. 12

5. Требования безопасности. 12

Приложение 1 Термины, применяемые в стандарте, и пояснения к ним.. 12

Приложение 2 Перечень растворителей и методика изготовления реактива фишера. 12

Приложение 3 Протокол испытаний. 14