ГОСТ Р 50274-92
(ИСО 4162-90)
ГОСУДАРСТВЕННЫЙ СТАНДАРТ РОССИЙСКОЙ ФЕДЕРАЦИИ
БОЛТЫ С ШЕСТИГРАННОЙ
УМЕНЬШЕННОЙ ГОЛОВКОЙ
И ФЛАНЦЕМ
Технические условия
ГОССТАНДАРТ РОССИИ
Москва
Предисловие
1 ПОДГОТОВЛЕН И ВНЕСЕН Техническим комитетом по стандартизации ТК 229 «Крепежные изделия»
2 УТВЕРЖДЕН И ВВЕДЕН В ДЕЙСТВИЕ Постановлением Госстандарта России от 16 сентября 1992 г. № 1185
3 Настоящий стандарт подготовлен методом прямого применения международного стандарта ИСО 4162-90 «Болты с шестигранной уменьшенной головкой и фланцем» с дополнительными требованиями, отражающими потребности народного хозяйства
4 ВВЕДЕН ВПЕРВЫЕ
5 ПЕРЕИЗДАНИЕ
ГОСУДАРСТВЕННЫЙ СТАНДАРТ РОССИЙСКОЙ ФЕДЕРАЦИИ
|
БОЛТЫ С ШЕСТИГРАННОЙ УМЕНЬШЕННОЙ Технические условия Hexagon flange reduced head bolts. Specifications |
ГОСТ P (ИСО 4162-90) |
Дата введения 1994-01-01
1. Настоящий стандарт распространяется на болты с шестигранной уменьшенной головкой и фланцем с номинальным диаметром резьбы от 5 до 16 мм, классов прочности 8.8; 9.8; 10.9 (далее - болты).
Требования настоящего стандарта являются обязательными.
Дополнительные требования, отражающие потребности народного хозяйства, приведена в приложении 2 и 3.
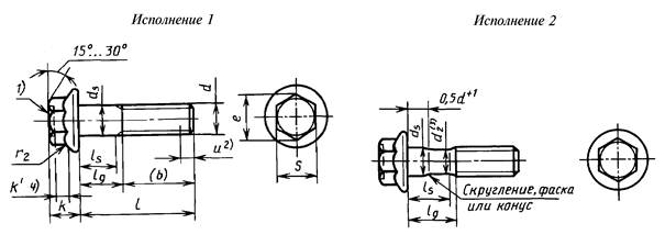
2. Конструкция и размеры болтов должны соответствовать указанным на рисунке 1 и в таблицах 1 и 2.
1) Торец головки может быть гладким или с углублением по усмотрению изготовителя и должен иметь фаску или скругление. Минимальный диаметр окружности фаски или начала скругления должен быть равен 0,85S максимального.
2) Неполная резьба u £ 2Р
3) d2 приблизительно равен среднему диаметру резьбы
4) k¢ - минимальная высота под гаечный ключ
5) с измеряется у минимального dw
Таблица 1
мм
|
Резьба, d |
М5 |
М6 |
М8 |
М10 |
М12 |
(М14)1) |
М16 |
|||
|
P2) |
0,8 |
1 |
1,25 |
1,5 |
1,75 |
2 |
2 |
|||
|
b для справок |
3) |
16 |
18 |
22 |
26 |
30 |
34 |
38 |
||
|
4) |
- |
- |
28 |
32 |
36 |
40 |
44 |
|||
|
с |
не менее |
1 |
1,1 |
1,2 |
1,5 |
1,8 |
2,1 |
2,4 |
||
|
da не более |
Типы |
F |
5,7 |
6,8 |
9,2 |
11,2 |
13,7 |
15,7 |
17,7 |
|
|
U |
6,2 |
7,5 |
10 |
12,5 |
15,2 |
17,7 |
20,5 |
|||
|
dс |
не более |
11,4 |
13,6 |
17 |
20,8 |
24,7 |
28,6 |
32,8 |
||
|
ds |
не более |
5,00 |
6,00 |
8,00 |
10,00 |
12,00 |
14,00 |
16,00 |
||
|
не менее |
4,82 |
5,82 |
7,78 |
9,78 |
11,73 |
13,73 |
15,73 |
|||
|
dv |
не более |
5,5 |
6,6 |
8,8 |
10,8 |
12,8 |
14,8 |
17,2 |
||
|
dw |
не менее |
9,4 |
11,6 |
14,9 |
18,7 |
22,5 |
26,4 |
30,6 |
||
|
е |
не менее |
7,44 |
8,56 |
10,8 |
14,08 |
16,32 |
19,68 |
22,58 |
||
|
k |
не более |
5,6 |
6,8 |
8,5 |
9,7 |
11,9 |
12,9 |
15,1 |
||
|
k¢ |
не менее |
2,3 |
2,9 |
3,8 |
4,3 |
5,4 |
5,6 |
6,7 |
||
|
lf |
не более |
1,4 |
1,6 |
2,1 |
2,1 |
2,1 |
2,1 |
3,2 |
||
|
r1 |
не менее |
0,2 |
0,25 |
0,4 |
0,4 |
0,6 |
0,6 |
0,6 |
||
|
r2 |
5) не более |
0,3 |
0,4 |
0,5 |
0,6 |
0,7 |
0,9 |
1 |
||
|
r3 |
не более |
0,25 |
0,26 |
0,36 |
0,45 |
0,54 |
0,63 |
0,72 |
||
|
не менее |
0,10 |
0,11 |
0,16 |
0,20 |
0,24 |
0,28 |
0,32 |
|||
|
r4 для справок |
4 |
4,4 |
5,7 |
5,7 |
5,7 |
5,7 |
8,8 |
|||
|
S |
не более |
7,00 |
8,00 |
10,00 |
13,00 |
15,00 |
18,00 |
21,00 |
||
|
не менее |
6,64 |
7,64 |
9,64 |
12,57 |
14,57 |
17,57 |
20,16 |
|||
|
V |
не более |
0,15 |
0,20 |
0,25 |
0,30 |
0,35 |
0,45 |
0,50 |
||
|
не менее |
0,05 |
0,05 |
0,10 |
0,15 |
0,15 |
0,20 |
0,25 |
|||
|
Допуск перпендикулярности опорной поверхности головки относительно оси |
0,0175´0,8dc |
|||||||||
|
1) Размер, заключенный в скобки, применять не рекомендуется. 2) Р - шаг резьбы. 3) Для длин lном £ 125 мм. 4) Для длин lном > 125 мм. 5) Радиус r2 применяется как по углам, так и по граням шестигранника. |
||||||||||
мм
|
Резьба, d |
М5 |
М6 |
М8 |
М10 |
М12 |
(М14)1) |
М16 |
|||||||||
|
l2) |
ls и lg3), 4) |
|||||||||||||||
|
Номин. |
не менее |
не более |
ls, не менее |
lg, не более |
ls, не менее |
lg, не более |
ls, не менее |
lg, не более |
ls, не менее |
lg, не более |
ls, не менее |
lg, не более |
ls, не менее |
lg, не более |
ls, не менее |
lg, не более |
|
10 |
9,71 |
10,29 |
- |
- |
- |
- |
- |
- |
- |
- |
- |
- |
- |
- |
- |
- |
|
12 |
11,65 |
12,35 |
- |
- |
- |
- |
- |
- |
- |
- |
- |
- |
- |
- |
- |
- |
|
16 |
15,65 |
16,35 |
- |
- |
- |
- |
- |
- |
- |
- |
- |
- |
- |
- |
- |
- |
|
20 |
19,58 |
20,42 |
- |
- |
- |
- |
- |
- |
- |
- |
- |
- |
- |
- |
- |
- |
|
25 |
24,58 |
25,42 |
5 |
9 |
- |
- |
- |
- |
- |
- |
- |
- |
- |
- |
- |
- |
|
30 |
29,58 |
30,42 |
10 |
14 |
7 |
12 |
- |
- |
- |
- |
- |
- |
- |
- |
- |
- |
|
35 |
34,5 |
35,5 |
15 |
19 |
12 |
17 |
6,75 |
13 |
- |
- |
- |
- |
- |
- |
- |
- |
|
40 |
39,5 |
40,5 |
20 |
24 |
17 |
22 |
11,75 |
18 |
6,5 |
14 |
- |
- |
- |
- |
- |
- |
|
45 |
44,5 |
45,5 |
25 |
29 |
22 |
27 |
16,75 |
23 |
11,5 |
19 |
6,25 |
15 |
- |
- |
- |
- |
|
50 |
49,5 |
50,5 |
30 |
34 |
27 |
32 |
21,75 |
28 |
16,5 |
24 |
11,25 |
20 |
6 |
16 |
- |
- |
|
55 |
54,4 |
55,6 |
|
|
32 |
27 |
26,75 |
33 |
21,5 |
29 |
16,25 |
25 |
11 |
21 |
7 |
17 |
|
60 |
59,4 |
60,6 |
|
|
37 |
42 |
31,75 |
38 |
26,5 |
34 |
21,25 |
30 |
16 |
26 |
12 |
22 |
|
65 |
64,4 |
65,6 |
|
|
|
|
36,75 |
43 |
31,5 |
39 |
26,25 |
35 |
21 |
31 |
17 |
27 |
|
70 |
69,4 |
70,6 |
|
|
|
|
41,75 |
48 |
36,5 |
44 |
31,25 |
40 |
26 |
36 |
22 |
32 |
|
80 |
79,4 |
80,6 |
|
|
|
|
51,75 |
58 |
46,5 |
|
41,25 |
50 |
36 |
46 |
32 |
42 |
|
90 |
89,3 |
90,7 |
|
|
|
|
|
|
56,5 |
|
51,25 |
60 |
46 |
56 |
42 |
52 |
|
100 |
99,3 |
100,7 |
|
|
|
|
|
|
66,5 |
|
61,25 |
70 |
56 |
66 |
52 |
62 |
|
110 |
109,3 |
110,7 |
|
|
|
|
|
|
|
|
71,25 |
80 |
66 |
76 |
62 |
72 |
|
120 |
119,3 |
120,7 |
|
|
|
|
|
|
|
|
81,25 |
90 |
76 |
86 |
72 |
82 |
|
130 |
129,2 |
130,8 |
|
|
|
|
|
|
|
|
|
|
80 |
90 |
76 |
86 |
|
140 |
139,2 |
140,8 |
|
|
|
|
|
|
|
|
|
|
90 |
100 |
86 |
96 |
|
150 |
149,2 |
150,8 |
|
|
|
|
|
|
|
|
|
|
|
|
96 |
106 |
|
160 |
159,2 |
160,8 |
|
|
|
|
|
|
|
|
|
|
|
|
106 |
116 |
|
1) Размер, заключенный в скобки, применять не рекомендуется. 2) Болты с длинами, расположенными над сплошной ломаной линией, имеют резьбу до головки. 3) Болты исполнения 2 расположены под пунктирной ломаной линией. 4) lg - минимальная длина рабочей части болта. |
||||||||||||||||
Пример условного обозначения болта исполнения 1, диаметром резьбы d = 10 мм, с крупным шагом резьбы, с полем допуска 6g, длиной l = 40 мм, класса прочности 88, из стали марки 35Х, без покрытия, типа F:
Болт M10-6g´40.88.35X-F ГОСТ Р 50274-92
болта исполнения 2, диаметром резьбы d = 8 мм, с крупным шагом резьбы с полем допуска 6g, длиной l = 40 мм, класса прочности 10.9, из стали марки 40Х, с цинковым покрытием толщиной 6 мкм, хромированным, типа U:
Болт 2M8-6g´40.109.40X.016- U ГОСТ Р 50274-92
Если в обозначении болта не указан конкретный тип, то он устанавливается изготовителем.
3. Технические требования - по таблице 3.
Таблица 3
|
Сталь |
Механические свойства |
Классы прочности 8.8; 9.8; 10.9 ГОСТ 1759.4 |
|
|
Общие требования |
Допуски |
Класс точности А*) |
|
|
Резьба |
Поле допуска 6g |
Поверхность изделия |
Без покрытия и ГОСТ 1759.0 с покрытием |
|
Концы болтов |
Приемка |
||
|
* Размеры S и е с допусками класса точности В. |
|||
4. Методика проверки калибрами головки и фланца и размеры калибров указаны в приложении 1.
Проверка калибрами головки и фланца
Головка проверяется двумя калибрами А и В для выявления соответствия стандарту высоты шестигранника, высоты под ключ, углов, диаметра описанной окружности и толщины фланца в точке его перехода к шестиграннику, размерами, установленным настоящим стандартом.
Калибр А устанавливают на головку до упора во фланец.
Калибр В устанавливают на вершину головки перпендикулярно оси болта. Калибры не должны касаться друг друга.

Примечание - Минимальный Wа равен теоретическому максимальному диаметру описанной окружности;
максимальный Wb равен минимальному диаметру описанной окружности минус 0,01 мм;
максимальный Ta равен минимальной высоте под ключ.
Таблица 4
|
Калибр А |
Калибр В |
||||||
|
Wа |
Ta |
Wb |
Tb |
||||
|
не более |
не менее |
не более |
не менее |
не более |
не менее |
не менее |
|
|
М5 |
8,09 |
8,08 |
2,30 |
2,29 |
7,43 |
7,42 |
3 |
|
М6 |
9,25 |
9,24 |
2,90 |
2,89 |
8,55 |
8,54 |
3 |
|
М8 |
11,56 |
11,55 |
3,80 |
3,79 |
10,79 |
10,78 |
4 |
|
М10 |
15,02 |
15,01 |
4,30 |
4,29 |
14,07 |
14,06 |
4 |
|
М12 |
17,33 |
17,32 |
5,40 |
5,39 |
16,31 |
16,30 |
5 |
|
М14 |
20,79 |
20,78 |
5,60 |
5,59 |
19,67 |
19,66 |
5 |
|
М16 |
24,26 |
24,25 |
6,70 |
6,69 |
22,57 |
22,56 |
6 |
Дополнительные требования, отражающие потребности народного хозяйства
Допускается изготавливать болты:
- класса прочности 6.8;
- с резьбой M8·1, M10·1,25; M12·1,25; М14·1,5, M16·1,5, M10·1;
- размер dw против грани шестигранника может быть меньше размеров, указанных в табл. 1, на 0,1d.
Болты M12 допускается изготавливать с размером под ключ S не более - 17,00 мм, не менее - 16,57 мм; с диаметром описанной окружности е, не менее - 18,56 мм.
Методика проверки головки по приложению 1.
Размеры калибров указаны в таблице 5.
Таблица 5
мм
|
Резьба d |
Калибр А |
Калибр В |
|||||
|
Wа |
Ta |
Wb |
Tb |
||||
|
не более |
не менее |
не более |
не менее |
не более |
не менее |
не менее |
|
|
М12 |
19,65 |
19,64 |
5,40 |
5,39 |
18,55 |
18,54 |
5 |
Пример условного обозначения болта исполнения 1, диаметром резьбы d = 12 мм, с мелким шагом резьбы с полем допуска 6g, длиной l = 40 мм, класса прочности 8.8, из стали марки 35Х, без покрытия, типа F, с размером под ключ S = 17 мм:
Болт M12·1,25-6g·40.88.35X-F (S17) ГОСТ Р 50274-92
болта исполнения 2, диаметром резьбы d = 8 мм, с крупным шагом резьбы с полем допуска 6g, длиной l = 40 мм, класса прочности 6.8, с цинковым покрытием толщиной 6 мкм, хроматированным, типа U:
Болт 2M8-6g·40.68.016-U ГОСТ Р 50274-92
Масса стальных болтов (исполнение 1) с крупным шагом резьбы
Таблица 6
|
Длина болта l, мм |
Теоретическая масса 1000 шт. болтов, кг », при номинальном диаметре резьбы d, мм |
||||||
|
5 |
6 |
8 |
10 |
12 |
14 |
16 |
|
|
10 |
3,648 |
- |
- |
- |
- |
- |
- |
|
12 |
3,895 |
6,076 |
- |
- |
- |
- |
- |
|
16 |
4,390 |
6,781 |
12,674 |
- |
- |
- |
- |
|
20 |
4,884 |
7,487 |
13,948 |
24,048 |
- |
- |
- |
|
25 |
5,776 |
3,369 |
15,540 |
26,558 |
41,735 |
- |
- |
|
30 |
6,546 |
9,797 |
17,132 |
29,068 |
45,371 |
66,001 |
- |
|
35 |
7,316 |
10,907 |
19,710 |
31,519 |
49,007 |
70,971 |
102,727 |
|
40 |
8,086 |
12,017 |
21,680 |
35,686 |
52,643 |
75,941 |
109,386 |
|
45 |
8,856 |
13,127 |
23,650 |
38,766 |
58,684 |
80,912 |
116,045 |
|
50 |
9,626 |
14,237 |
25,620 |
41,846 |
63,124 |
89,309 |
122,704 |
|
55 |
- |
15,347 |
27,590 |
44,926 |
67,564 |
95,342 |
133,557 |
|
60 |
- |
16,457 |
29,560 |
48,006 |
72,004 |
101,382 |
141,447 |
|
65 |
- |
- |
31,530 |
51,086 |
76,444 |
107,422 |
149,337 |
|
70 |
- |
- |
33,500 |
54,166 |
80,884 |
113,462 |
157,227 |
|
80 |
- |
- |
37,440 |
60,326 |
89,764 |
125,542 |
173,007 |
|
90 |
- |
- |
- |
66,456 |
98,644 |
137,622 |
188,787 |
|
100 |
- |
- |
- |
72,646 |
107,524 |
149,702 |
204,567 |
|
110 |
- |
- |
- |
- |
116,404 |
161,782 |
220,347 |
|
120 |
- |
- |
- |
- |
125,284 |
173,862 |
236,127 |
|
130 |
- |
- |
- |
- |
- |
184,643 |
250,382 |
|
140 |
- |
- |
- |
- |
- |
196,723 |
266,162 |
|
150 |
- |
- |
- |
- |
- |
- |
281,942 |
|
160 |
- |
- |
- |
- |
- |
- |
297,722 |
ССЫЛОЧНЫЕ НОРМАТИВНО-ТЕХНИЧЕСКИЕ ДОКУМЕНТЫ
|
Номер пункта |
|