Direct broadcasting satellite television programms reception installations. Classification. Basic parameters. Technical requirements. Methods of measurement

ГОСТ Р 50788-95

ГОСУДАРСТВЕННЫЙ СТАНДАРТ РОССИЙСКОЙ ФЕДЕРАЦИИ

 

УСТАНОВКИ НЕПОСРЕДСТВЕННОГО
ПРИЕМА ПРОГРАММ СПУТНИКОВОГО
ТЕЛЕВИЗИОННОГО ВЕЩАНИЯ

КЛАССИФИКАЦИЯ. ОСНОВНЫЕ ПАРАМЕТРЫ.
ТЕХНИЧЕСКИЕ ТРЕБОВАНИЯ МЕТОДЫ ИЗМЕРЕНИЙ

 

 

 

ГОССТАНДАРТ РОССИИ

МОСКВА

 

 

ПРЕДИСЛОВИЕ

1 РАЗРАБОТАН И ВНЕСЕН Министерство связи Российской Федерации

2 ПРИНЯТ И ВВЕДЕН В ДЕЙСТВИЕ Постановлением Госстандарта России от 27.06.95 № 321

3 Раздел 8 «Методы измерений» соответствует международным стандартам МЭК 1079-1, МЭК 1079-2, МЭК 1079-3 и МЭК 1114-1

4 ВВЕДЕН ВПЕРВЫЕ

СОДЕРЖАНИЕ

1 Область применения. 2

2 Нормативные ссылки. 2

3 Определения, обозначения и сокращения. 2

4 Общие положения. 4

5 Классификация. 4

6 Основные параметры.. 4

7 Технические требования. 7

8 Методы измерений. 8

Приложение А Требования к ДИС.. 15

Приложение Б Перечень средств измерения. 16

Приложение В Стандартная антенна с круговой поляризацией. 17

Приложение Г Измерительный участок для создания высокочастотного сигнала на входе приемной установки. 18

ГОСТ Р 50788-95

ГОСУДАРСТВЕННЫЙ СТАНДАРТ РОССИЙСКОЙ ФЕДЕРАЦИИ

УСТАНОВКИ НЕПОСРЕДСТВЕННОГО ПРИЕМА ПРОГРАММ
СПУТНИКОВОГО ТЕЛЕВИЗИОННОГО ВЕЩАНИЯ

Классификация. Основные параметры. Технические требования.

Методы измерений

Direct broadcasting satellite television programmes reception installations.
Classification. Basic parameters. Technical requirements.
Methods of measurements

Дата введения 1996-07-01

1 ОБЛАСТЬ ПРИМЕНЕНИЯ

Настоящий стандарт распространяется на приемные установки непосредственного приема программ спутникового телевизионного вещания в частотных диапазонах, выделенных для фиксированной спутниковой службы 10,95 - 11,7 ГГц и радиовещательной спутниковой службы (включающей телевизионное вещание) 11,7 - 12,5 ГГц.1)

1) Для установок, работающих в диапазонах 12,5 - 12,75 ГГц и 3,6 - 4,2 ГГц, требования по безопасности и по ЭМС, а также требования к тюнеру должны соответствовать настоящему стандарту.

Стандарт устанавливает основные параметры, методы измерений, технические требования к конструкции, электробезопасности, защите от помех и электромагнитной совместимости приемных установок.

Требования по безопасности и требования по электромагнитной совместимости (ЭМС) приведены в разделе 7 и должны использоваться для целей сертификации.

2 НОРМАТИВНЫЕ ССЫЛКИ

В настоящем стандарте имеются ссылки на следующие стандарты:

ГОСТ 12.2.006-87 Безопасность аппаратуры электронной сетевой и сходных с ней устройств, предназначенных для бытового и аналогичного общего применения. Общие требования и методы испытаний

ГОСТ 7845-92 Система вещательного телевидения. Основные параметры. Методы измерений

ГОСТ 11478-88 Аппаратура радиоэлектронная бытовая. Нормы и методы испытаний на воздействие внешних механических и климатических факторов

ГОСТ 15150-69 Машины, приборы и другие технические изделия. Исполнения для различных климатических районов. Категории, условия эксплуатации и транспортирования в части воздействия климатических факторов внешней среды

ГОСТ 21130-75 Изделия электротехнические. Зажимы заземляющие и знаки заземления. Конструкция и размеры

ГОСТ 22505-83 Радиопомехи индустриальные от приемников телевизионных и приемников радиовещательных частотномодулированных сигналов в диапазоне УКВ. Нормы и методы измерений

ГОСТ 23511-79 Радиопомехи индустриальные от электротехнических устройств, эксплуатируемых в жилых домах или подключаемых к их электрическим сетям. Нормы и методы измерений

ГОСТ 28002-88 Аппаратура радиоэлектронная бытовая. Общие требования по защите от электростатических разрядов и методы испытаний

ОСТ 4.ГО.206.013 Волноводы прямоугольные латунные. Соединения фланцевые контактные. Основные параметры, конструкция и размеры. Элементы конструкции

3 ОПРЕДЕЛЕНИЯ, ОБОЗНАЧЕНИЯ И СОКРАЩЕНИЯ

3.1 Определения

3.1.1 Системы непосредственного телевизионного вещания (НТВ) - системы, предназначенные для подачи телевизионных программ одному или группе абонентов без использования сложных промежуточных средств.

3.1.2 Индивидуальный прием - прием излучений космической станции с помощью установок, находящихся в индивидуальном пользовании.

3.1.3 Коллективный прием

Прием излучений космической станции радиовещательной спутниковой службы с помощью приемных установок (которые в некоторых случаях могут иметь антенны больших размеров, чем используемые для индивидуального приема), предназначенных для использования:

- группой населения в одном месте или

- с помощью распределительной системы, обслуживающей ограниченную зону.

3.1.4 Антенна - устройство для приема электромагнитной энергии с выбранного искусственного спутника земли.

3.1.5 Малошумящий конвертор - устройство для преобразования частот принимаемых сигналов заданного диапазона в полосу промежуточных частот 950 - 1750 МГц1).

1) Допускается полоса первой ПЧ 950 - 2050 МГц.

3.1.6 Поляризатор - высокочастотный элемент для выделения сигналов нужной поляризации: горизонтальной или вертикальной - при линейной поляризации и левого или правого вращения - при круговой поляризации

3.1.7 Тюнер - многофункциональное устройство для выбора из спектра сигнала первой промежуточной частоты 0,95 - 1,75 ГГц требуемого канала, для преобразования сигнала выделенного канала в диапазон второй промежуточной частоты (479,5 МГц)2), для демодуляции сигнала выделенного канала, для разделения сигналов видео и поднесущей звукового сопровождения, выделения сигнала поднесущей частоты и его дальнейшей обработки, а также для формирования амплитудно-модулированного телевизионного сигнала, предназначенного для подачи на телевизор в одном из каналов ДМВ диапазона3) в соответствии с ГОСТ 7845.

2) Допускается иное значение второй ПЧ.

3) Допускается использование метрового диапазона.

3.2 Обозначения и сокращения

3.2.1 В стандарте приняты следующие обозначения и сокращения:

А - антенна

Ас - анализатор спектра

Атт - аттенюатор

АЧХ - амплитудно-частотная характеристика

ВКУ - видеоконтрольное устройство

ВЧ - высокая частота

Г - генератор

ГСС - генератор стандартных сигналов

ГЦП - генератор цветных полос

ГШ - генератор шума

ДИС - датчик испытательных сигналов

ДМВ - дециметровый диапазон волн

ИНП - измеритель напряженности поля

ИЧХ - измеритель частотных характеристик

К - конвертор

КИП - коэффициент использования поверхности

КСВ - коэффициент стоячей волны

MB - милливольтметр

МШУ - малошумящий усилитель

НТВ - непосредственное телевизионное вещание

ОН - ответвитель направленный

П - поляризатор

ПрЧ - преобразователь частоты

ПЧ - промежуточная частота

ПС - поляризационный селектор

ПФ - полосовой фильтр

С - сумматор

СВЧ - сверхвысокая частота

См - смеситель

Т - тюнер

ТВ - телевизор

Тр - тройник

ФВ - фильтр взвешивающий

ЧМ - частотный модулятор

4 ОБЩИЕ ПОЛОЖЕНИЯ

4.1 Приемные установки НТВ включают в себя антенну с облучателем, поляризатор, конвертер (МШУ с ПрЧ) и тюнер, обеспечивающий выбор канала приема и демодуляцию сигнала.

Приемные установки обеспечивают прием телевизионного изображения и звукового сопровождения в соответствии с ГОСТ 7845.

4.2 Приемные установки для коллективного приема могут быть несколько усложнены, иметь антенны больших диаметров с поляризационным селектором и работать на распределительную сеть, обслуживающую несколько групп абонентов в различных местах.1)

1) Допускается использовать поляризаторы.

5 КЛАССИФИКАЦИЯ

5.1 Установки непосредственного приема программ спутникового телевизионного вещания по своему назначению подразделяются на установки индивидуального и коллективного приема.

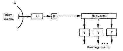
5.2 Структурная схема установки индивидуального приема приведена на рисунке 1.

5.3 Структурная схема установки коллективного приема для группы населения в одном месте приведена на рисунке 2а. Структурная схема установки коллективного приема с использованием распределительной системы, обслуживающей ограниченную зону, приведена на рисунке 2б.

6 ОСНОВНЫЕ ПАРАМЕТРЫ

6.1 Общие параметры приемных установок

6.1.1 Значения общих параметров должны соответствовать данным, приведенным в таблице 1.

Рисунок 1 - Структурная схема установки индивидуального приема

а) - Для группы населения в одном месте

б) - с использованием распределительной системы

Рисунок 2 - Структурная схема установки коллективного приема

Таблица 1 - Общие параметры приемных установок и их значения

Наименование параметра

Значение параметра установок

индивидуального приема

коллективного приема

Диапазон принимаемых частот, ГГц

10,95 - 11,7;

10,95 - 11,7;

11,7 - 12,5;

11,7 - 12,5;

3,6 - 4,2;

3,6 - 4,2;

12,5 - 12,75

12,5 - 12,75

Отношение сигнал/взв. шум в полосе 6 МГц, дБ, не менее1)

46/412

50/46

Способ наведения антенны

Фиксированное ручное или при помощи позиционера

Способ подвески антенны

Указывается в нормативных документах завода-изготовителя

Пределы наведения антенны при работе с позиционером, град., не менее

40

2 - 60

Полоса частот канала звукового сопровождения, Гц, не менее

40 - 10000

40 - 15000

Наличие распределительной системы

-

Есть

1) Измерения производятся с фильтром с t = 330 нс/245 нс;

соотношение выполняется при плотности потока мощности не более минус 113 дБВт/м2 - для диапазона 10,95 - 12,75 ГГц и не более минус 122 дБВт/м2 - для диапазона 3,6 - 4,2 ГГц.

6.2 Параметры антенны

6.2.1 КИП параболической антенны должен быть не менее 0,6 и плоской антенны - не менее 0,3.

6.2.2 Антенна должна быть рассчитана на прием сигнала линейно-поляризованного электромагнитного поля (горизонтальная или вертикальная поляризация) или сигналов с круговой поляризацией (левое или правое вращение). При необходимости должна обеспечиваться возможность одновременного приема линейно-поляризованных сигналов с ортогональной поляризацией или сигналов с круговой поляризацией противоположного направления.

6.2.3 Подавление сигнала противоположной поляризации (кроссполяризации), принимаемого в пределах главного лепестка по уровню минус 1 дБ, должно быть не менее 23 дБ.

6.2.4 Уровень боковых лепестков в пределах сектора углов 1° < j < 20° должен быть 29 - 25 logj для параболических антенн, у которых отношение D/l равно 50 - 180.

6.2.5 Конструкция антенны должна обеспечить возможность ее фиксации в заданном направлении с точностью, при которой снижение мощности принимаемого сигнала не превышает 0,5 дБ по сравнению с направлением максимального приема при скорости ветра до 25 м/с.

6.2.6 КСВ со стороны выхода антенны должен быть не более 1,3.

6.2.7 Выходной соединитель - волноводный фланец с каналом 19´9,5 мм для диапазона 12 ГГц и 25´58 мм для диапазона 4 ГГц. Размеры крепежных отверстий - в соответствии с ОСТ 4TO.206.0131).

6.3 Параметры поляризатора2) 3)

6.3.1 Величина управляющего тока при использовании магнитного поляризатора - не более 50 мА.

6.3.2 Поляризационная развязка - 23 дБ.

6.4 Малошумящий конвертер3)

Таблица 2 - Основные параметры малошумящего конвертера

Наименование параметра

Значение параметра

Допустимое отклонение частоты гетеродина в диапазоне 10,7 - 12,5 ГГц1), МГц, не более

± 5

Допустимое отклонение частоты гетеродина в диапазоне 3,6 - 4,2 ГГц, МГц, не более

± 2

Избирательность по зеркальному каналу, дБ, не менее

40

Температура шума, К2)

-

Коэффициент передачи в полосе рабочих частот, дБ, не менее

50

Неравномерность АЧХ, дБ, не более; в пределах:

       - любых 27 МГц полосы частот

1,5

       - любых 36 МГц полосы частот

2

       - всего диапазона частот

6

КОВ на выходе, не более

2

Выходное сопротивление, Ом

50 или 75

1) Измерение проводится при температуре окружающей среды ± 50 °С и номинальном напряжении источника питания конвертера.

2) Шумовая температура определяется требованием обеспечения желаемого соотношения сигнал/шум и указывается в нормативной документации в трех точках рабочего диапазона: в центре и на краях.

1) Тип выходного соединителя должен быть указан в нормативной документации.

2) Тип используемого поляризатора (магнитной или механический) должен быть указан в нормативной документации.

3) Характеристики и величины командных сигналов должны быть указаны в нормативной документации

6.4.1 Основные параметры малошумящего конвертера приведены в таблице 2.

6.4.2 Выходной соединитель - реализация на базе N-разъема или F-разъема.

6.5 Основные параметры тюнера

6.5.1 Общие рекомендуемые параметры тюнера приведены в таблице 3.

Таблица 3 - Общие рекомендуемые параметры тюнера

Наименование параметра

Значение параметра

Номинальный уровень сигнала на входе, дБ/Вт

-70

Уровень сигнала ПЧ2 на входе относительно уровня входного сигнала, дБ, не более

-30

Уровень сигнала гетеродина, проникающего на вход тюнера относительно уровня входного сигнала, дБ, не более

-30

КСВ по входу, не более

2

Избирательность, по зеркальному каналу, дБ, не менее

30

Избирательность по соседнему каналу при расстройке на ± 25 МГц, дБ, не менее

25

Пороговое отношение сигнал/шум, дБ, не более

9

6.5.2 Параметры тюнера по каналу изображения приведены в таблице 4.

Таблица 4 - Параметры тюнера по каналу изображения

Наименование параметра

Значение параметра

Размах полного телевизионного сигнала на нагрузке 75 Ом, В

1 ± 0,1

Относительная неравномерность плоской части прямоугольных импульсов частоты полей, размах, %, не более

9

Неравномерность АЧХ, дБ, не более, на частотах:1)

       0,15 МГц

0

       0,5 - 5,0 МГц

± 1,0

       5,5 МГц

± 1,5

       6,0 МГц

-2,5 ¸ +1,5

Различие усиления сигналов яркости и цветности, %, не более

12

Дифференциальное усиление, %, не более

± 15

Дифференциальная фаза, град., не более

± 12

Нелинейные искажения сигнала яркости, %, не более

13

1) Без учета восстанавливающего контура

6.5.3 Параметры тюнера по каналу звукового сопровождения телевидения приведены в таблице 51).

1) Полоса частот канала звукового сопровождения приведена в таблице 1.

Таблица 5 - Параметры тюнера по каналу звукового сопровождения

Наименование параметра

Значение параметра

Уровень сигнала звукового сопровождения на нагрузке 600 Ом, В

0,5 ± 0,1

Неравномерность АЧХ, дВ, не более, в полосе частот1)

       40 - 125 Гц

От +0,5 до -2

       1126 - 10000 Гц

± 0,5

       10000 - 15000 Гц

От +0,5 до -2

Коэффициент гармоник, %, не более2)

2,0

1) Измерения производятся относительно выходного уровня на частоте 1000 Гц.

2) Измерения производятся на частоте 1000 Гц при девиации частоты поднесущей ± 76 кГц.

6.5.4 Параметры стереофонического канала тюнера (при его наличии) приводятся в нормативной документации.

6.5.5 Постоянное напряжение питания для конвертера должно быть от 11,5 до 19 В при токе (300 ± 30) мА.

6.5.6 Напряжение на выходе радиоканала тюнера на нагрузке 75 Ом должно быть не менее 2 мВ.

6.5.7. Пределы перестройки частоты поднесущей звукового сопровождения должны быть не менее 5,5 - 7,0 МГц.

7 ТЕХНИЧЕСКИЕ ТРЕБОВАНИЯ

7.1 Требования безопасности

7.1.1 По требованиям электробезопасности приемные установки должны соответствовать ГОСТ 12.2.006 и настоящему стандарту. Защита антенны должна соответствовать требованиям, предъявляемым к аппарату I класса.1)

1) Класс защиты внутреннего устройства установки и конвертера должен быть указан в нормативных документах.

7.1.2 На составных частях приемной установки должны быть отчетливо нанесены предупредительные знаки, свидетельствующие о наличии высокого напряжения.

7.1.3 Приемную установку можно размещать в месте, где имеется контур заземления, к которому присоединяется антенна. Болт для присоединения заземления должен быть размещен на аппаратуре в безопасном и удобном для подключения заземляющего проводника месте и соответствовать требованиям ГОСТ 21130. Возле болта должен быть нанесен нестираемый при эксплуатации знак заземления по ГОСТ 21130. Вокруг болта должна быть контактная площадка для присоединения заземляющего проводника. Площадка должна быть защищена от коррозии и не иметь окраски. Для присоединения заземляющего проводника должны применяться сварные или резьбовые соединения.

7.1.4 Значения сопротивления между заземляющим болтом и каждой доступной прикосновению металлической нетоковедущей частью аппаратуры, которая может оказаться под напряжением, не должно быть более 0,1 Ом.

7.1.5 Максимальное значение переходного сопротивления между элементами заземления в аппаратуре должно быть не более:

600 мкОм - в местах непосредственного соединения деталей между собой;

2000 мкОм - суммарное сопротивление контактов в цепях заземления аппаратуры.

7.1.6 В составе установки должен быть предусмотрен выключатель для обесточивания двигателей приводов наведения при проведении профилактических и ремонтных работ на антенне.

7.1.7 Сопротивление изоляции отдельных изолированных участков электромонтажа антенны, с учетом параллельных цепей, относительно корпуса и между собой должно быть не менее:

20 МОм - при нормальных климатических условиях;

5 МОм - при температуре окружающего воздуха 50 °С;

1 МОм - при относительной влажности 100 % и температуре 25 °С.

7.1.8 В составных частях приемной установки должно быть обеспечено электрическое соединение всех доступных прикосновению металлических нетоковедущих частей тюнера, которые могут оказаться под напряжением, с элементами заземления.

7.1.9 Конструкция антенны должна обеспечить возможность ее фиксаций в заданном направлении с точностью, при которой снижение мощности принимаемого сигнала не превышает 0,5 дБ по сравнению с направлением максимального приема при скорости ветра до 25 м/с. Механическая прочность конструкции антенны должна обеспечиваться при скорости ветра 50 м/с.1)

1) Методика измерения приводится в нормативной документации.

7.2 Требования электромагнитной совместимости

7.2.1 По требованиям электромагнитной совместимости приемные установки должны соответствовать ГОСТ 23511, ГОСТ 28002, ГОСТ 22505 и настоящему стандарту.

7.2.2 Максимальная величина паразитного излучения гетеродина, конвертера, а также его второй гармоники на фланце антенны не должна превышать минус 80 дБВт в полосе 4 кГц в диапазоне частот 2,5 - 40 ГГц.

7.2.3 Электромагнитное поле, которое производит заметное воздействие на изображение, должно быть не менее 110 ДБ/мкВ/м в диапазоне 0,05 - 1800 МГц.

7.3 Требования по устойчивости к механическим и климатическим воздействиям

7.3.1 Требования к устойчивости к механическим и климатическим воздействиям - в соответствии с ГОСТ 11478.

7.3.2 Условия эксплуатации должны быть по ГОСТ 15150 и указаны в нормативной документации.

8 МЕТОДЫ ИЗМЕРЕНИЙ

8.1 Общие положения к методам измерений2)

2) Методы измерений качественных показателей и параметров отдельных устройств установки должны быть приведены в нормативной документации.

8.1.1 При оценке параметров установки непосредственного приема программ спутникового телевизионного вещания следует руководствоваться следующими принципиальными положениями.

Показатели тракта изображения и звукового сопровождения установки за исключением шумовых характеристик определяются тюнером, и их измерения в составе всей установки не проводят.

В составе всей установки определяют пороговое отношение сигнал/шум и измеряют отношение размаха сигнала изображения к эффективному значению взвешенного напряжения шума, что необходимо для определений энергетического потенциала установки и зон приема телевизионных программ различных спутниковых систем.

Существуют два значения порогового отношения сигнал/шум - «статический порог» и «динамический порог». Первый определяют измерением взвешенных шумов на выходе тракта изображения тюнера милливольтметром через взвешивающий фильтр, второй - появлением так называемых «пороговых выбросов» на экране телевизора или видеоконтрольного устройства. Эти выбросы проявляются в виде черных штрихов на «белом» поле или белых штрихов на «черном» поле.

Измерения как статического, так и динамического порога можно проводить либо в составе всей установки или на технологическом стенде, в состав которого входит датчик испытательных сигналов с шумовым генератором, позволяющим создавать необходимые соотношения сигнал/шум на входе тюнера. В последнем случае полученные соотношения должны быть пересчитаны ко входу конвертора.

Измерения параметров тюнера проводят при помощи специального датчика, обеспечивающего на своем выходе частотномодулированный сигнал с параметрами модуляции, соответствующими параметрам реального сигнала, поступающего на вход тюнера с выхода наружного блока.

В качестве такого датчика испытательных сигналов - ДИС применяют импортное оборудование или выпускаемое некоторыми заводами технологическое оборудование для обеспечения собственного производства, прошедшие соответствующую аттестацию.

8.2 Средства измерений и вспомогательное оборудование

8.2.1 Средства измерений и вспомогательное оборудование следующие.1)

Аи - антенна измеряемая

Ап - антенна передающая

Аэ - антенна эталонная2)

Ас - анализатор спектра

Г - генератор

ИЧХ - измеритель частотных характеристик

1) Перечень измерительных приборов приведен в приложении Б.

2) В качестве эталонной антенны может использоваться рупорная антенна с поляризатором. Характеристики такой антенны приведены в публикации МЭК 1114-1 и в приложении В.

ДИС - датчик испытательных сигналов1)

КИП-В - комплект измерительных приборов для измерений в видеотракте

КИП-3в - комплект измерительных приборов для измерений в тракте звукового сопровождения

ИНП - измеритель напряженности поля

1) Технические характеристики ДИС приведены в приложении А

8.3 Методика измерений КИП антенны, подавления сигнала противоположной поляризации и уровня боковых лепестков

8.3.1 Схема измерений для определения КИП антенны, подавления сигнала противоположной поляризации и уровня боковых лепестков приведена на рисунке 3.

8.3.2 Измеряемую антенну Аи располагают в поле, создаваемом передающей антенной Ап, и по эталонной антенне Аэ определяют ее усиление, которое сопоставляют с расчетным усилением, и определяют КИП антенны. Индикатором служит анализатор спектра Ас, подключенный к выходу конвертера К. Отсчет уровней при измерениях ведут по аттенюатору Атт.2).

2) При измерениях используется генератор Г на диапазон от 10.95 до 11,7 ГГц или от 11,7 до 12,5 ГГц.

8.4 Методика измерений избирательности по зеркальному каналу, стабильности гетеродина, коэффициента передачи и АЧХ конвертера

8.4.1 Структурная схема измерений для определения избирательности по зеркальному каналу, стабильности гетеродина, коэффициента передачи и АЧХ конвертера приведена на рисунке 4.

8.4.2 Энергия СВЧ колебаний от генератора Г или от ИЧХ подается на вход конвертера К через аттенюатор Атт, на выходе которого в качестве индикатора используют анализатор спектра Ас, а уровень сигнала определяют по генератору Г23)

3) При измерениях используются генератор Г1 на диапазон от 10,95 до 11,7 ГГц (частота гетеродина 10 ГГц) или от 11,7 до 12,5 ГГц (частота гетеродина 10,75 ГГц) и генератор Г2 на диапазон от 0,95 до 1,75 ГГц

8.5 Методика измерений уровня сигнала гетеродина, напряжения сигнала второй ПЧ на входе тюнера и показателей трактов видео и звукового сопровождения

8.5.1 Структурная схема измерений для определения уровня сигнала гетеродина, напряжения сигнала второй промежуточной частоты на входе тюнера и качественных показателей трактов видео и звукового сопровождения приведена на рисунке 5.

Рисунок 3 - Схема измерений для определения КИП антенны, подавления сигнала противоположной поляризации и уровня боковых лепестков

Рисунок 4 - Структурная схема измерений для определения избирательности по зеркальному каналу, стабильности гетеродина, коэффициента передачи и АЧХ конвертера

8.5.2 Уровни сигнала гетеродина и второй ПЧ на входе тюнера определяют при помощи анализатора спектра Ас и генератора Г. Измерения качественных показателей трактов изображения и звукового сопровождения производят при помощи ДИС, на соответствующие входы которого подают типовые испытательные сигналы от стандартной измерительной аппаратуры, входящей в комплекты КИП-В и КИП-3в.

8.6 Методика измерений мощности помех от конвертера и излучения гетеродина

8.6.1 Структурная схема измерений для определения мощности помех от наружного блока и радиочастотного излучения гетеродина конвертера приведена на рисунке 6.

8.6.2 Уровень колебаний сигнала гетеродина и его второй гармоники на фланце конвертера определяют при помощи анализатора спектра Ас и генератора Г. Мощность радиопомех конвертера измеряют измерителем напряженности поля ИНП.

8.7 Методика измерения защищенности по отношению к окружающим полям

8.7.1 Структурная схема измерений защищенности по отношению к окружающим полям приведена на рисунке 7.

8.7.2 Электромагнитное поле создают антенной А, к которой подключают через аттенюатор Атт генератор Г. Воздействие помех определяют по видеоконтрольному устройству ВКУ или телевизору ТВ.

8.8 Методика измерения порогового отношения сигнал/шум1)

1) Измерения порогового отношения сигнал/шум и энергетического потенциала приемной установки можно производить на специально созданном измерительном участке. Требования к такому участку приведены в Публикации МЭК 1079-l и даны в приложении Г.

8.8.1 Структурная схема измерения «статического порога» отношения сигнал/шум приведена на рисунке 8.

8.8.2 При измерении порога в составе всей установки основным источником шума является входной усилитель конвертора. Сигнал подают либо по высокой частоте через направленный ответвитель на входе конвертора, либо по первой ПЧ через тройник-сумматор на входе тюнера. Измерение отношения сигнал/шум производят анализатором спектра. Измерение шумов на выходе тракта изображения тюнера производят милливольтметром через взвешивающий фильтр.

При измерении «статического порога» снимают зависимость напряжения шума на выходе от мощности входного высокочастотного сигнала или сигнала промежуточной частоты. При определении мощности сигнала надо учитывать затухание направленного ответвителя или тройника сумматора. По результатам измерений строят график зависимости Uш.вз от Рвх. Уровень шума выражают в дБ относительно размаха сигнала изображения 0,7 В, а мощность сигнала в дБВт. Типовая зависимость приведена на рисунке 9. При больших уровнях сигнала, при большом отношении сигнал/шум эта зависимость линейна, при отношении менее 5 - 10 дБ кривая имеет резкий спад. Статическим порогом считают точку, соответствующую такому отношению сигнал/шум, при котором реальная кривая отклоняется от линейной зависимости на 1 дБ. Эта точка зависит от степени совершенства ЧМ демодулятора. Установив точку порога, определяют отношение сигнал/шум следующим образом: на анализаторе устанавливают полосу пропускания, равную 0,3 МГц. Фиксируется уровень сигнала несущей с помощью аттенюатора анализатора, введенное затухание которого должно быть не менее 30 дБ, при полосе обзора порядка нескольких МГц. При помощи этого же аттенюатора, уменьшая его затухание, добиваются совмещения шумовой линии на экране анализатора с уровнем сигнала несущей. Зафиксированные положения аттенюатора a1 и a2 в дБ.

Рисунок 5 - Структурная схема измерений для определения уровня сигнала гетеродина, напряжения второй ПЧ на входе тюнера, качественных показателей трактов видео и звукового сопровождения

Рисунок 6 - Структурная схема для измерения мощности помех от наружного блока и радиочастотного излучения гетеродина конвертера

Рисунок 7 - Структурная схема для измерения защищенности к окружающим полям

Рисунок 8 - Структурная схема измерений «статического порога» отношения сигнал/шум и энергетического потенциала приемной установки

Отношение сигнал/шум определяют по формуле

                                               (1)

где Df - ширина полосы пропускания тюнера, МГц;

Pс - мощность сигнала;

Рш - мощность шума.

8.8.3 Структурная схема измерения «динамического отношения» сигнал/шум приведена на рисунке 10.

8.8.4 Динамический порог определяется появлением на экране телевизора или видеоконтрольного устройства единичных пороговых выбросов, не мешающих восприятию телевизионного цветного изображения.

Измерения начинают с фиксации уровня сигнала, вызывающего появление на изображении единичных выбросов, последующего измерения этого уровня при снятой модуляции по анализатору, как описано выше. Следует заметить, что динамический порог имеет несколько большие значения, чем статический. Порядок измерений аналогичный приведенному в 8.8.2

Измерения можно проводить и при помогли измерителя малых мощностей, который подключается к измеряемому тракту через специальный полосовой фильтр с полосой пропускания 10 - 20 МГц, меньшей минимальной ширины полосы пропускания тюнера, применяемого в данной установке. Производят измерение мощности сигнала и шумов - Р1, соответствующего точке порога, и мощности одного шума - Р2. Вычисляют отношение сигнал/шум в дБ

                                                      (2)

где b - отношение полос пропускания тюнера и измерительного фильтра.

8.9 Методика измерения энергетического потенциала приемной установки.1)

1) На основании полученных результатов могут быть рассчитаны зоны приема различных спутниковых систем. Эти зоны должны быть приведены в нормативной документации, желательно иметь также перечень крупных населенных пунктов.

8.9.1 Структурная схема измерения энергетического потенциала установки приведена на рисунке 8.

8.9.2 Определение энергетического потенциала станции заключается в измерении отношения размаха сигнала изображения (Up) к эффективному значению взвешенного шума (Uш.вз) при разных уровнях входного высокочастотного сигнала, в пересчете к плотности потока мощности сигнала и сопоставлении с результатами расчета.

Измерения предпочтительно производить при девиации сигнала 9 МГц, при углах места антенны 20 - 45°. Для подачи сигнала на вход конвертора в составе станции должна быть предусмотрена возможность установки высокочастотного волноводного направленного ответвителя между поляризатором и входом конвертора, на который подают сигнал от высокочастотного генератора стандартных сигналов.

Рисунок 9 - Типовая зависимость напряжения шума от мощности входного высокочастотного сигнала или сигнала промежуточной частоты.

Рисунок 10 - Структурная схема измерения «динамического порога»

После установки диаграммы уровней - 1 В размаха сигнала при девиации 9 МГц, снимается зависимость уровня взвешенного шума в мВ от уровня сигнала на входе конвертора в дБВт. При измерениях необходимо учитывать величину затухания направленного ответвителя, которая должна быть 20 - 30 дБ. Строят график, как указано выше в 8.8.2. Выбирают 2 - 3 точки в линейной части графика и сопоставляют с расчетом:

                                 (3)

где Вч.м - выигрыш при частотной модуляции в канале изображения;

Df - ширина полосы пропускания, МГц;

fд - девиация частоты несущей сигналом изображения, МГц;

Pc - мощность сигнала;

Fв - ширина полосы тракта изображения, МГц;

Рш.вх - суммарная мощность шумов установки, дБ.

Рш.вх = 1,38 × 10-23ТDf,                                                  (4)

где Т - суммарная шумовая температура,

коэффициент 27,1, учитывает влияние взвешивающего фильтра (t = 330 мс)1), контура восстановления и соотношение между размахом сигнала и эффективным значением шума.

1) При применении взвешенного фильтра с t =245 мс этот коэффициент равен 23,3.

Рекомендуется проводить эту оценку для системы спутникового телевизионного вещания, в которой Df = 27 МГц; fд = 9 МГц, Fв = 6 МГц; Тш = 200 К (берут конкретную для установки). Тогда при Рс = -116 дБВт и Рш.вх = -131,3 расчетное соотношение сигнал/шум определяют по формуле

                                    (5)

Строят график зависимости сигнал/шум на выходе от уровня сигнала на входе для стандартного частотного детектора, у которого порог 12 дБ (-119,3 дБВт) и отклонение на 1 дБ при 10 дБ (-121,3 дБВт). Затем наносят реально полученную кривую. На основании анализа графика делают заключение о работоспособности установки при малых уровнях сигнала. Например, отношение сигнал/шум 48 дБ на выходе обеспечивается при уровне сигнала -117,5 дБВт, при этом работа, хотя и идет вблизи порога, но все же в надпороговой области (рисунок 11). Если диаметр антенны в какой-то конкретной установке 1,2 м, при коэффициенте использования поверхности антенны КИП = 0,6, действующая площадь антенны Sд = 0,68 м2, то эта установка может работать в таких местах, где плотность потока мощности составляет величину, определяемую формулой

                             (6)

Полученные выше результаты не учитывают вклада шумов на участке «Земля-Борт», который составляет 0,5 - 1,5 дБ.

Рисунок 11 - Зависимость отношения сигнал/шум на выходе установки от уровня сигнала на входе

Приложение А

(рекомендуемое)

ТРЕБОВАНИЯ К ДИС

ДИС используют для измерения порогового отношения сигнал/шум, энергетического потенциала установки, качественных показателей тракта изображения, трактов звукового сопровождения и радиоканала. В составе ДИС должны быть следующие функциональные узлы (рисунок 10): ГЦП - генератор цветных полос; ЧМ-ТВ - частотномодулированный генератор, предпочтительно на частоте 70 МГц, обеспечивающий девиацию 10 - 15 МГц при модуляции сигналами изображения; ГШ - генератор шума, дающий шумовой сигнал с равномерным энергетическим спектром в полосе частот 50 - 90 МГц, заведомо более широкой, чем максимальная ширина полосы пропускания тюнера; Атт1 - аттенюатор для установки необходимого уровня сигнала в тракте промежуточной частоты ДИС; Атт2 - аттенюатор для изменения уровня шума; С - сумматор, для объединения сигнала и шума; ПФ - полосовой фильтр с полосой 40 - 50 МГц; ПрЧ - преобразователь частоты для получения хотя бы трех частот в диапазоне тюнера 70/1000/1350/1700 МГц; Атт3 - аттенюатор для установки уровня на входах тюнера; анализатор спектра Ас; ВКУ - видеоконтрольное устройство или телевизор ТВ, если измерения проводить на радиовыходе.

Аттенюаторы плавные или ступенчатые с изменением не более 0,5 дБ.

Такой датчик испытательных сигналов должен обеспечивать на выходе сигнал на одной из трех частот 1000; 1350 и 1700 МГц, или на всех трех, а также на частоте 480 МГц, модулированный по частоте сигналами изображения и сигналами дополнительных поднесущих для тракта звукового сопровождения на фиксированных или перестраиваемых частотах 5 - 9 МГц с внутренней частотной модуляцией.

Технические характеристики ДИС должны отвечать следующим требованиям:

- точность установки несущих частот

      по выходу в полосе 0,95 - 1,75 ГГц............................................... ± 5 МГц

      по выходу на частоте 480 МГц...................................................... ± 1 МГц

- максимальный уровень СВЧ сигнала на выходе, не менее........... минус 60 дБВт

- возможность регулировки выходного уровня................................ до минус 90 дБВт

- неравномерность АЧХ тракта ПЧ-СВЧ в полосе ± 15 МГц, не более     0,5 дБ

- нелинейность модуляционной характеристики при девиации ± 10 МГц   3 %

- пиковая девиация выходного сигнала видеоразмахом 1 В регулируется   от ± 8 до ± 15 МГц

- девиация несущей частоты сигналами поднесущих частот регулируется  от 1 до 3 МГц

- пиковая девиация поднесущей частоты звукового сопровождения при подаче на вход звукового сигнала уровнем 0 дБм регулируется     от 50 до 150 кГц

- расхождение во времени между сигналами яркости и цветности (РВ), не более     60 нс

- генератор шума (ГШ) должен иметь регулировку изменения отношения сигнал/шум     10 дБ

- коэффициент гармоник по выходу поднесущих звукового сопровождения должен быть не более  1 %

- искажения типа «дифференциальное усиление» в полосе частот 10 МГц  3 %

- искажения типа «дифференциальная фаза» в полосе частот 10 МГц 3°

- электропитание ДИС должно осуществляться от сети переменного тока , с частотой (50 ± 2) Гц.

Приложение Б

(информационное)

Таблица 6 - перечень рекомендуемых средств измерения

Наименование

Тип

Возможная замена

Амперметр

М2018

Анализатор искажений телевизионных измерительных сигналов

К3-2

Анализатор спектра

С4-60

С4-85

Анализатор спектра

СК4-59

СК4-83

Ваттметр поглощаемой мощности

М3-93

М3-95

Видеоконтрольное устройство

ВК42061

Вольтметр

В6-56

Вольтметр универсальный цифровой

B7-40

В7-27

Осциллограф двухлучевой

С1-96

С1-55

Осциллограф двухлучевой

С1-96

С1-55

Генератор сигналов низкочастотный

Г3-110

Генератор сигналов низкочастотный

Г3-112/1

Генератор сигналов низкочастотный

Г3-113

Г3-118

Генератор сигналов высокочастотный

Г4-78

Г4-187

Генератор сигналов высокочастотный

Г4-180

Г4-192

Генератор сигналов высокочастотный

Г4-109

Генератор телевизионных измерительных сигналов

Г6-35

Частотомер электронносчетный универсальный

Ч3-66

Ч3-64

Измеритель комплексных коэффициентов передачи

Р4-37/1

Измеритель комплексных коэффициентов передачи

Р4-38

Измеритель модуляции

СК3-43

Милливольтметр

B3-36

Милливольтметр

В3-56

В3-41

Милливольтметр цифровой широкополосный

В3-59

Измеритель нелинейных искажений

С6-12

С6-8

Псофометр

ИШС-НЧ

УНП60

Измеритель КСВН панорамный

Р2-86

Р2-83

Частотомер электронно-счетный

Ч3-63

Ч3-57

Измеритель коэффициента шума

Х5-29

Измеритель коэффициента шума

Х5-40

Измеритель КСВН и ослаблений панорамный

Р2-54

Измеритель КСВН панорамный

Р2-67

Прибор для исследования АЧХ

X1-54

Осциллограф

С1-81

Датчик испытательных сигналов

ДИС

Rode Schwarz SFSZ (ФРГ) «Флора-1А»

ПРИЛОЖЕНИЕ В

(рекомендуемое)

СТАНДАРТНАЯ АНТЕННА С КРУГОВОЙ ПОЛЯРИЗАЦИЕЙ

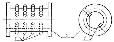
В данном Приложении приводится один из возможных вариантов стандартной антенны с круговой поляризацией для диапазона 11,7 - 12,5 ГГц. Антенна имеет усиление (23 ± 0,2) дБ на частоте 12,2 ГГц. Конструкция стандартной антенны состоит из конического рупора, поляризатора для создания круговой поляризации и волноводного перехода от круглого к прямоугольному волноводу.

На рисунке В1 приведен общий вид антенны, на рисунке В2 - структура рупорного облучателя, на рисунках В3, В4 - структура поляризатора.

Настройку поляризатора осуществляют винтами. Первоначальная длина винтов указана на рисунке В4. Более точной настройкой добиваются эллиптичности на выходе поляризатора не более 0,5 дБ. Настройку проводят с помощью сигналов с генератора, подаваемых на вход поляризатора через аттенюатор, волноводный переход от прямоугольного волновода к круглому, и специального вращающегося пробника с детекторной головкой. Затем проверяют КСВ поляризатора, который должен быть не более 1,1. Волноводный переход должен иметь КСВ не более 1,05.

1 - круговой поляризатор; 2 - переход с прямоугольного на круглый волновод; 3 - конический рупор

Рисунок В1 - Общий вид антенны с круговой поляризацией

Рисунок В2 - Основные размеры рупорного облучателя

1 - подстроенные винты; 2 - круглый волновод

Рисунок В3 - Структура кругового поляризатора

d1 = 3,5 - 4,5;

d2 = 2,5 - 3,5;

1 - электрическое поле на входе прямоугольного волновода; 2 - винты М3

Рисунок В4 - Основные размеры круглого поляризатора

Приложение Г

ИЗМЕРИТЕЛЬНЫЙ УЧАСТОК ДЛЯ СОЗДАНИЯ ВЫСОКОЧАСТОТНОГО СИГНАЛА НА ВХОДЕ ПРИЕМНОЙ УСТАНОВКИ

Измеряемая приемная установка располагается на небольшой опоре - башне на высоте не менее 4 м над землей. Специальная передающая антенна может располагаться на земле на некотором удалении не менее расстояния, определяемого выражениями

 и D1 ´ D2/0,32l,                                                    

где D1 - максимальный диаметр антенны измеряемой установки,

D2 - максимальный диаметр передающей антенны, м;

l - длина волны, м.

Плотность потока мощности, создаваемая в точке расположения приемной антенны, определяется выражением

PAG/4pd2 (Вт/м2),                                                          

где PA - мощность, подводимая к передающей антенне от генератора или высокочастотного датчика измерительных сигналов, Вт;

G - усиление передающей антенны;

d - расстояние между электрическими центрами передающей и приемной антенны, м.

Измерения проводятся при ясном небе и сухой погоде.

В качестве передающей антенны может использоваться либо эталонная антенна, либо любая другая антенна, прокалиброванная по эталонной.

Этот способ создания выходного сигнала удобен в том случае, если включение направленного ответвителя между конвертором и поляризатором невозможно.

 

Ключевые слова: Установки непосредственного приема программ спутникового телевизионного вещания. Классификация. Основные параметры. Технические требования. Методы измерений