Loops in signal conversion equipments of the data transmission equipment. Nomenclature of loops and procedure of their setting

ГОСТ Р 50915-96

ГОСУДАРСТВЕННЫЙ СТАНДАРТ РОССИЙСКОЙ ФЕДЕРАЦИИ

 

ШЛЕЙФЫ В УСТРОЙСТВАХ
ПРЕОБРАЗОВАНИЯ СИГНАЛОВ
АППАРАТУРЫ ПЕРЕДАЧИ ДАННЫХ

НОМЕНКЛАТУРА ШЛЕЙФОВ И ПРОЦЕДУРА ИХ
УСТАНОВЛЕНИЯ

 

 

ГОССТАНДАРТ РОССИИ

Москва

 

Предисловие

1 РАЗРАБОТАН Научно-производственным кооперативом «Интердата»

ВНЕСЕН Государственным комитетом Российской Федерации по оборонным отраслям промышленности через Всероссийский научно-исследовательский институт «Эталон»

2 ПРИНЯТ И ВВЕДЕН В ДЕЙСТВИЕ Постановлением Госстандарта России от 13 июня 1996 г. № 378

3 В стандарте учтены требования рекомендаций Международного союза электросвязи (Синяя книга. - Мельбурн, 1988): V.21, V.54

4 ВВЕДЕН ВПЕРВЫЕ

 

СОДЕРЖАНИЕ

1 область применения. 1

2 нормативные ссылки. 2

3 определения. 2

4 обозначения и сокращения. 2

5 номенклатура и определение шлейфов. 2

6 способы управления шлейфами. 3

7 процедура установления шлейфов. 4

8 шлейфы в последовательно соединенных каналах передачи данных. 7

Приложение А. Назначение шлейфа 1. 9

 

ГОСТ Р 50915-96

ГОСУДАРСТВЕННЫЙ СТАНДАРТ РОССИЙСКОЙ ФЕДЕРАЦИИ

ШЛЕЙФЫ В УСТРОЙСТВАХ ПРЕОБРАЗОВАНИЯ СИГНАЛОВ АППАРАТУРЫ ПЕРЕДАЧИ ДАННЫХ

Номенклатура шлейфов и процедура их установления

Loops in signal conversion devices of the data transmission equipment. Nomenclature of loops and procedure of their setting

Дата введения 1997-01-01

1 ОБЛАСТЬ ПРИМЕНЕНИЯ

Настоящий стандарт распространяется на устройства преобразования сигналов (УПС) аппаратуры передачи данных (АПД), работающие в двухточечных и последовательно соединенных каналах передачи данных, обеспечивающие одновременный двусторонний обмен данными по ГОСТ 20855, ГОСТ 26532, ГОСТ 28749, ГОСТ 28838, сопрягающиеся с оконечным оборудованием данных (ООД) по стыку С2 по ГОСТ 18145, и устанавливает номенклатуру шлейфов и процедуру их установления.

2 НОРМАТИВНЫЕ ССЫЛКИ

В настоящем стандарте использованы ссылки на следующие стандарты:

ГОСТ 17657-79 Передача данных. Термины и определения

ГОСТ 18145-81 (СТ СЭВ 6367-88) Цепи на стыке С2 аппаратуры передачи данных с оконечным оборудованием при последовательном вводе-выводе данных. Номенклатура и технические требования

ГОСТ 20855-83 Устройства преобразования сигналов аппаратуры передачи данных для коммутируемых и некоммутируемых каналов тональной частоты. Типы и основные параметры

ГОСТ 26532-85 Устройства преобразования сигналов аппаратуры передачи данных для некоммутируемых каналов тональной частоты. Типы и основные параметры

ГОСТ 28749-90 Устройства преобразования сигналов для одновременной двусторонней передачи данных по коммутируемым каналам телефонной сети общего пользования со скоростью 2400 бит/с. Типы и основные параметры

ГОСТ 28838-90 Устройство преобразования сигналов аппаратуры передачи данных для работы по некоммутируемым каналам тональной частоты, использующее метод сверточного кодирования информации. Основные параметры

3 ОПРЕДЕЛЕНИЯ

В настоящем стандарте применены термины по ГОСТ 17657.

4 ОБОЗНАЧЕНИЯ И СОКРАЩЕНИЯ

АПД - аппаратура передачи данных.

ООД - оконечное оборудование данных.

ТЧ - тональная частота.

УПС - устройство преобразования сигналов.

УПС-П - промежуточное УПС.

5 НОМЕНКЛАТУРА И ОПРЕДЕЛЕНИЕ ШЛЕЙФОВ

5.1 Для определения мест повреждения в канале передачи данных предусматривают шлейфы - соединения, обеспечивающие возвращение испытательной последовательности к источнику этой последовательности.

5.2 В УПС предусматривают три шлейфа: шлейф 2, шлейф 3 и шлейф 4.

Шлейф 1 устанавливают в ООД. Назначение шлейфа 1 приведено в приложении А.

5.3 Места установки шлейфов при управлении ими со стороны оборудования А должны соответствовать рисунку 1. При этом УПС А считается местным УПС, а УПС Б - удаленным.

Рисунок 1 - Места установки шлейфов при управлении ими со стороны оборудования А

Аналогично устанавливают шлейфы при управлении ими со стороны оборудования Б.

5.4 Шлейф 2 (эксплуатационная проверка) предназначен для проверки функционирования удаленного УПС, канала связи и местного УПС с подключенным к нему по стыку С2 оборудованием.

Шлейф 2 должен быть установлен в удаленном УПС со стороны стыка С2. При установке шлейфа 2 в УПС должны быть обеспечены следующие соединения: цепи 104 с цепью 103, цепи 109 с цепью 105, цепи 115 с цепью 113 (если они имеются).

Номенклатура цепей соответствует ГОСТ 18145.

Соединение цепей должно осуществляться внутри УПС либо непосредственно в стыке С2, либо в логических схемах УПС.

Примечание - Допускается не производить соединение цепи 115 с цепью 113. В этом случае должна быть использована эластичная память (регулируемая дискретная линия задержки) между цепями 104 и 103 либо подстройка по фазе генератора передатчика УПС.

УПС должно удерживать цепи 106, 107 и 109 на входе ООД в состоянии «Выключено», а цепь 104 - в состоянии двоичной «1». Цепи 114 и 115 (если они имеются) в сторону ООД должны функционировать как при обмене данными по ГОСТ 18145.

5.5 Шлейф 3 (местный шлейф) предназначен для проверки функционирования УПС с подключенным к нему по стыку С2 оборудованием.

Шлейф 3 должен быть установлен в УПС со стороны стыка С1-ТЧ возможно ближе к каналу связи.

При установке шлейфа 3 все цепи стыка С2 должны функционировать как при обмене данными по ГОСТ 18145, данные в канал связи не должны передаваться. К каналу связи должна быть подключена согласованная нагрузка. ООД должно воспринимать состояние цепи 125.

5.6 Шлейф 4 предназначен для проверки функционирования канала связи с четырехпроводным окончанием и местного УПС с подключенным к нему по стыку С2 оборудованием.

Шлейф 4 должен быть установлен внутри УПС или вне его.

Если шлейф 4 установлен внутри УПС, то УПС должно удерживать цепи 107 и 109 в состоянии «Выключено», а цепь 142 - в состоянии «Включено». Передающая и приемная цепи канала связи должны соединяться между собой через соответствующие симметричные удлинители.

6 СПОСОБЫ УПРАВЛЕНИЯ ШЛЕЙФАМИ

6.1 Следует использовать два не исключающих друг друга способа управления шлейфами: внутренний и внешний. В обоих случаях должна быть использована цепь 142 для информации об установлении шлейфа.

Примечание - Не допускается устанавливать одновременно.

а) шлейф 2 в УПС А и Б;

б) шлейф 2 в УПС А и шлейф 3 в УПС Б.

6.2 Внутреннее управление шлейфами 2 - 4 должно осуществляться оператором с помощью переключателя, установленного в УПС. Внутреннее управление должно обеспечивать возвращение УПС в режим обмена данными и всегда иметь приоритет перед автоматическим управлением. В каждый момент времени должен быть установлен только один из шлейфов 2 - 4.

Состояние цепей 107 и 142 при внутреннем управлении шлейфами должно соответствовать приведенному в таблице 1.

6.3 Внешнее управление шлейфами 2 и 3 должно быть осуществлено с использованием цепей 140, 141 и 142 стыка С2 по ГОСТ 18145.

Внешнее управление шлейфом 2 должно быть осуществлено через стык С2 местного УПС по цепи 140 с передачей сигналов управления по каналу связи.

Таблица 1

Номер шлейфа

Место установки шлейфа

Состояние цепи

107

142

107

142

к ООД А

к ООД Б

2

УПС Б

х

х

Выключено

Включено

3

УПС А

В соответствии с состоянием цепи 108

Включено

х

х

4

УПС Б

х

х

Выключено

Включено

Примечания

1 Знак «х» означает, что состояние цепи не указано

2 При отсутствии в УПС А цепи 108 цепь 107 должна быть в состоянии «Включено»

3 Для шлейфа 4 указано состояние цепей при установке шлейфа внутри УПС

Внешнее управление шлейфом 3 должно быть осуществлено через стык С2 по цепи 141.

Примечание - Внешнее управление шлейфом 3 в УПС промежуточной установки (при работе УПС в последовательно соединенных каналах передачи данных) должно быть осуществлено через стык С2 по цепи 140 с передачей сигналов управления по каналу связи.

Состояние цепей 107, 140, 141 и 142 стыка С2 при внешнем управлении шлейфами должно соответствовать приведенному в таблице 2.

В зависимости от состояния цепей 106, 140, 141 и 142 по цепи 103 должны передаваться сигналы в соответствии с указанным в таблице 3.

6.4 Внешнее управление шлейфом 4 не применяют.

Таблица 2

Номер шлейфа

Состояние цепи

140

141

107

142

107

142

от ООД А

к ООД А

к ООД Б

2

Включено

Выключено

В соответствии с состоянием цепи 108

Включено

Выключено

Включено

3

Выключено

Включено

То же

Включено

х

х

Примечания

1 Знак «х» означает, что состояние цепи не указано

2 При отсутствии в УПС А цепи 108 цепь 107 должна быть в состоянии «Включено»

Таблица 3

Сигналы в цепи 103

Состояние цепи

106

140

141

142

Данные

Включено

Выключено

Выключено

Выключено

Испытательная комбинация

Включено

Включено

Выключено

Включено

То же

Включено

Выключено

Включено

Включено

7 ПРОЦЕДУРА УСТАНОВЛЕНИЯ ШЛЕЙФОВ

7.1 Процедура установления шлейфов 2 - 4 при внутреннем управлении должна определяться операторами оборудования А и Б.

7.2 Процедура установления шлейфа 3 при внешнем управлении в местном УПС должна определяться взаимодействием цепей стыка С2 каждого оборудования в отдельности в соответствии с таблицами 2, 3.

7.3 Процедура установления шлейфа 2 при внешнем управлении должна определяться взаимодействием цепей стыка С2 и передачей сигналов управления по каналу связи к удаленному УПС.

Процедура установления шлейфа в удаленном УПС должна включать в себя следующие четыре фазы: подготовка, адрес, испытание и окончание.

Состояние цепей стыка С2 в течение четырехфазной процедуры без учета времени распространения сигнала в канале связи должно соответствовать приведенному на рисунке 2.

Рисунок 2 - Состояние цепей стыка С2 в течение четырехфазной процедуры

На рисунке 2 буквами обозначены следующие изменения состояния сигналов в цепях стыка С2 в местном и удаленном оборудовании:

местный стык С2:

а - переход цепи 140 в состояние «Включено» (запрос начала процедуры эксплуатационной проверки);

б - переход цепи 106 в состояние «Выключено» (в ответ на переход цепи 140 в состояние «Включено»), если она не была в этом состоянии;

в - переход цепи 106 в состояние «Включено» (после некоторой выдержки), что указывает на готовность УПС принимать адрес;

г - передача адреса по цепи 103. В двухточечных каналах передачи данных адресная информация может не передаваться;

д - переход цепи 142 в состояние «Включено» (после некоторой выдержки), что указывает на завершение передачи адреса;

е - передача испытательной комбинации по цепи 103;

ж - переход цепи 140 в состояние «Выключено» (запрос окончания процедуры эксплуатационной проверки и возврат к обмену данными);

з - переход цепи 106 в состояние «Выключено» (в ответ на переход цепи 140 в состояние «Выключено»);

и - переход цепи 142 (после некоторой выдержки) в состояние «Выключено», что указывает на завершение фазы окончания и готовность УПС к обмену данными;

к - цепь 106 может быть в состоянии «Включено» или «Выключено» после процедуры эксплуатационной проверки;

удаленный стык С2:

л - переход цепи 142 в состояние «Включено», что указывает удаленному ООД о переходе в режим эксплуатационной проверки; переход цепи 107 в состояние «Выключено»; переход цепей 106 и 109 в состояние «Выключено», если они еще не были в этом состоянии; блокировка цепи 104 в состоянии двоичной «1»;

м - переход цепи 142 в состояние «Выключено»; переход цепи 107 в состояние «Включено», снятие блокировки цепи 104, что указывает об опознании удаленным УПС фазы окончания и о возврате к обмену данными;

н - цепи 106 и 109 могут быть в состоянии «Включено» или «Выключено» до и после процедуры эксплуатационной проверки.

Примечания

1 УПС не должно реагировать на цепь 103 в течение фаз «Подготовка» и «Окончание».

2 Во время эксплуатационной проверки УПС не должно реагировать на состояние цепи 105.

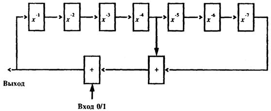
7.4 В течение фазы подготовки УПС А должно передать комбинацию из (2048 ± 100) битов, полученную путем скремблирования двоичного «0» с помощью полинома 1 + х-4 + х-7. Комбинация должна быть передана на рабочей скорости так, как если бы она была введена в УПС через цепь 103.

Скремблер, реализующий этот полином, должен соответствовать блок-схеме, приведенной на рисунке 3.

Рисунок 3 - Скемблер, реализующий полином 1 + х-4 + х-7

Применяемый критерий опознания этой комбинации должен обеспечить защиту от ложного опознания (из-за возможности имитации этой комбинации и последовательности данных) и защиту от неопознания (из-за большого коэффициента ошибок по битам).

В критерий опознания комбинации подготовки для защиты от ложного опознания должна быть включена последовательность из семи двоичных «1».

Примечания

1. Конкретная начальная последовательность битов не определяется.

2 До передачи сигнала подготовки УПС А должно установить канал данных, если он не был установлен ранее.

3 УПС Б должно запустить таймер (если он имеется) после опознания фазы подготовки.

7.5 В течение фазы адреса по цепи 103 в УПС должна поступать адресная последовательность, состоящая из байтов, повторяющихся не менее 16 раз.

Набор возможных адресных байтов в шестнадцатеричном коде 01, 07, 0D, 13, 15, 19, 25, 2F, 37, 3В, 3D, 57, 5В.

Примечание - Должна быть предусмотрена проверка адресных байтов на нечетность

Опознание адреса приемником УПС должно происходить после обнаружения пяти подряд одинаково принятых байтов.

Если УПС обнаружит адресную последовательность, не содержащую его адреса, оно должно выключить функцию обнаружения адреса, чтобы избежать ложного опознания собственного адреса из-за возможности имитации его последующими испытательными последовательностями.

После опознания своего адреса УПС Б должно передать комбинацию подтверждения из (1948 ± 100) битов, полученную путем скремблирования двоичной «1» с помощью полинома 1 + х-4 + х-7. Комбинация должна быть передана на рабочей скорости так, как если бы она была введена в УПС через цепь 103.

Скремблер, реализующий этот полином, должен соответствовать блок-схеме, приведенной на рисунке 3.

Применяемый критерий опознания этой комбинации должен обеспечить защиту от неопознания комбинации подтверждения (из-за большого коэффициента ошибок по битам).

Примечания

1 Конкретная начальная последовательность битов не определяется

2 УПС А (если оно находится в режиме обмена данными) не должно предпринимать никаких действий после опознания комбинации подтверждения.

УПС А делает выдержку на время (2048 ± 100) битов (после опознания комбинации подтверждения), затем замыкает цепь 142, начиная этим фазу испытания.

7.6 В фазе испытания по цепи 103 местного стыка С2 должны передаваться испытательные последовательности, определяемые алгоритмами эксплуатационной проверки, реализованными в ООД.

7.7 В течение фазы окончания УПС А должно передать комбинацию из (8192 ± 100) битов, полученную путем скремблирования двоичной «1» с помощью полинома 1 + х-4 + х-7, а затем 64 двоичные «1». Комбинация должна быть передана на рабочей скорости так, как если бы она была введена в УПС через цепь 103.

Скремблер, реализующий этот полином, должен соответствовать блок-схеме, приведенной на рисунке 3.

Применяемый критерий опознания этой комбинации должен обеспечить защиту от ложного опознания (из-за возможности имитации этих комбинаций в испытательных последовательностях) и защиту от неопознания (из-за большого коэффициента ошибок по битам).

Примечания

1 Конкретная начальная последовательность битов не определяется.

2 УПС Б (если оно находится в режиме обмена данными) не должно предпринимать никаких действий после опознания комбинации окончания.

УПС Б должно выйти из фазы окончания во время приема последовательности двоичных «1», которая передается в конце комбинации окончания.

УПС Б должно закончить режим эксплуатационной проверки при опознании комбинации окончания, при пропадании несущей частоты на время более 1 с или после окончания времени выдержки таймера.

8 ШЛЕЙФЫ В ПОСЛЕДОВАТЕЛЬНО СОЕДИНЕННЫХ КАНАЛАХ ПЕРЕДАЧИ ДАННЫХ

8.1 В последовательно соединенных каналах передачи данных должны быть использованы шлейфы 2 и 3.

Места установки шлейфов в последовательно соединенных каналах передачи данных при управлении ими со стороны оборудования А должны соответствовать рисунку 4. При этом УПС А считается местным УПС, а УПС П1, УПС П2 и УПС Б - удаленными.

Аналогично устанавливают шлейфы при управлении ими со стороны оборудования Б.

Рисунок 4 - Места установки шлейфов в последовательно соединенных каналах передачи данных при управлении ими со стороны оборудования А

8.2 Процедура установления шлейфов 2 и 3 при внешнем управлении должна определяться взаимодействием цепей стыка С2 и передачей сигналов управления по каналу связи к удаленному УПС в соответствии с 7.3.

8.2.1 Обязательные цепи стыка двумя УПС на промежуточном оборудовании должны соединяться, как указано на рисунке 5.

Примечания

1 Состояние «Включено» в цепи 142 не должно блокировать цепи стыка С2 104, 107 и 109 в УПС П1.

2 Передача состояния «Включено» из цепи 142 в цепь 140 не должна приводить к началу передачи комбинации подготовки из УПС П2, но должна запускать процедуру контроля адреса.

Рисунок 5 - Обязательные цепи стыка между двумя УПС на промежуточном оборудовании

8.2.2 Фаза подготовки должна осуществляться в соответствии с 7.4. После того как УПС П1 опознает комбинацию подготовки, оно должно передать сигнал об опознании фазы подготовки с помощью перехода цепи 142 в состояние «Включено» и передачи его в цепь 140 УПС П2 для запуска его процедуры контроля адреса.

Комбинация подготовки должна передаваться из цепи 104 УПС П1 через УПС П2 в УПС Б.

8.2.3 Фаза адреса должна осуществляться в соответствии с 7.5

8.2.4 Фаза окончания должна осуществляться в соответствии с 7.7.

ПРИЛОЖЕНИЕ А

(справочное)

НАЗНАЧЕНИЕ ШЛЕЙФА 1

А.1 Шлейф 1, устанавливаемый в ООД, предназначен для оценки правильности функционирования местного ООД и готовности его для проведения совместных испытаний с АПД и каналом связи.

А.2 Шлейф 1 устанавливается в местном ООД возможно ближе к стыку С2

A.3 При установке шлейфа 1 в ООД обеспечивается соединение цепей 103 и 104. ООД удерживает цепь 103 в сторону УПС в состоянии двоичной «1», а цепь 105 - в состоянии «Выключено». ООД удерживает цепь 108 в том же состоянии, в каком она находилась перед установкой шлейфа 1. ООД воспринимает состояние цепи 125.

 

Ключевые слова: шлейф, устройство преобразования сигналов, передача данных, цепи стыка, процедура