Products wear resistance assurance. Evaluation of lubrication materials antiwear properties by "ball - cylinder" method

ГОСТ Р 51860-2002

ГОСУДАРСТВЕННЫЙ СТАНДАРТ РОССИЙСКОЙ ФЕДЕРАЦИИ

 

ОБЕСПЕЧЕНИЕ ИЗНОСОСТОЙКОСТИ
ИЗДЕЛИЙ

ОЦЕНКА ПРОТИВОИЗНОСНЫХ СВОЙСТВ СМАЗОЧНЫХ
МАТЕРИАЛОВ МЕТОДОМ «ШАР-ЦИЛИНДР»

 

 

ГОССТАНДАРТ РОССИИ

Москва

 

Предисловие

1 РАЗРАБОТАН Техническим комитетом по стандартизации ТК 128 «Испытания и расчеты на прочность и ресурс»

ВНЕСЕН Госстандартом России

2 ПРИНЯТ И ВВЕДЕН В ДЕЙСТВИЕ Постановлением Госстандарта России от 11 января 2002 г. № 12-ст

3 ВВЕДЕН ВПЕРВЫЕ

4 ПЕРЕИЗДАНИЕ

 

ГОСУДАРСТВЕННЫЙ СТАНДАРТ РОССИЙСКОЙ ФЕДЕРАЦИИ

ОБЕСПЕЧЕНИЕ ИЗНОСОСТОЙКОСТИ ИЗДЕЛИЙ

Оценка противоизносных свойств смазочных материалов методом «шар-цилиндр»

Products wear resistance assurance.
Evaluation of lubrication materials antiwear properties by «ball-cylinder» method

Дата введения 2002-07-01

1 Область применения

Настоящий стандарт устанавливает метод оценки противоизносных свойств жидких смазочных материалов, применяемых для смазывания трущихся поверхностей, по значениям параметров функции, аппроксимирующей зависимость интенсивности изнашивания от давления при постоянной нагрузке.

По оцениваемым параметрам определяют:

- способность смазочного материала обеспечивать требуемую износостойкость в заданном диапазоне контактных давлений;

- наиболее предпочтительный смазочный материал;

- гидродинамическую несущую способность смазочного материала, при которой практически прекращается износ.

Метод предназначен для проведения сравнительных и отборочных испытаний жидких смазочных материалов.

2 Нормативные ссылки

В настоящем стандарте использованы ссылки на следующие стандарты:

ГОСТ 613-79 Бронзы оловянные литейные. Марки

ГОСТ 801-78 Сталь подшипниковая. Технические условия

ГОСТ 1012-72 Бензины авиационные. Технические условия

ГОСТ 1050-88 Прокат сортовой комбинированный, со специальной отделкой поверхности из углеродистой качественной конструкционной стали. Общие технические условия

ГОСТ 2603-79 Ацетон. Технические условия

ГОСТ 3722-81 Подшипники качения. Шарики. Технические условия

ГОСТ 4727-83 Проволока подшипниковая. Технические условия

ГОСТ 4784-97 Алюминий и сплавы алюминиевые деформируемые. Марки

ГОСТ 17475-80 Винты с потайной головкой классов точности А и В. Конструкция и размеры

ГОСТ 27365-87 Подшипники роликовые конические однородные повышенной грузоподъемности. Основные размеры

ГОСТ 27674-88 Трение, изнашивание и смазка. Термины и определения

ГОСТ Р 50740-95 Триботехнические требования и показатели. Принципы обеспечения. Общие положения

3 Определения

Термины, применяемые в настоящем стандарте, и их определения - по ГОСТ 27674 и ГОСТ Р 50740.

4 Сущность метода

Сущность метода заключается в том, что при испытаниях с постоянной нагрузкой к вращающейся цилиндрической поверхности образца, погруженного в испытуемое масло, прижимают сферический неподвижный образец; непрерывно регистрируют путь трения и по окончании испытания на заданном пути трения измеряют износ сферического образца; повторяют испытания на новых участках трибоконтакта при заданном пути трения, и по параметрам функции, аппроксимирующей зависимость интенсивности изнашивания от давления, определяют противоизносные свойства смазочного материала.

5 Аппаратура и материалы

5.1 Установка для испытаний - машина трения 2070 СМТ-1. Установка для испытаний должна обеспечивать:

- прижатие подвижного и неподвижного образцов с нормальной силой (147,15 ± 5,9) Н [(15 ± 0,6) кгс];

- частоту вращения подвижного образца (230 ± 10) мин-1;

- непрерывное измерение и индикацию числа оборотов подвижного образца;

- жесткую фиксацию неподвижного образца в плоскости, перпендикулярной к оси вращения подвижного образца.

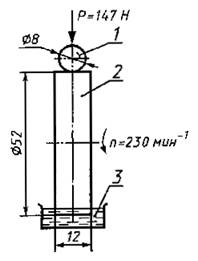
Установка должна быть снабжена ванной для испытуемого масла объемом не менее 90 см3, обеспечивающей погружение нижней кромки подвижного образца в масло на глубину не менее 2 мм (рисунок 1).

1 - неподвижный образец; 2 - подвижный образец; 3 - испытуемый смазочный материал

Рисунок 1 - Схема испытаний

1 - неподвижный образец; 2 - подвижный образец; 3 - конус; 4 - шайба; 5 - колодка; 6 - пластина; 7 - винт

Рисунок 2 - Схема монтажа образцов

В качестве нагружающего устройства рекомендуется использовать каретку машины трения без пружины.

5.2 Сферический (неподвижный) образец - шарик диаметром 8 мм по ГОСТ 3722, из стали ШХ-15 по ГОСТ 801.

5.3 Цилиндрический (подвижный) образец - наружное кольцо роликового конического однорядного подшипника 7250А по ГОСТ 27365, диаметром 52 мм, шириной 13 мм, из стали марки ШХ-15 по ГОСТ 4727.

Схема монтажа образцов приведена на рисунке 2.

5.4 Конус (рисунок 3) и шайба (рисунок 4) для крепления подвижного образца из стали 45 по ГОСТ 1050 (рисунки 3 и 4).

Поверхность А притереть по внутренней поверхности наружного кольца подшипника не менее 80 % прилегания

Рисунок 3 - Конус

Рисунок 4 - Шайба

5.5 Колодку (рисунок 5) для крепления неподвижного образца изготовляют из бронзы Бр010Ц2 по ГОСТ 613.

Рисунок 5 - Колодка

5.6 Пластину (рисунок 6) для крепления неподвижного образца изготовляют из алюминиевого сплава Амг6 по ГОСТ 4784.

Рисунок 6 - Пластина

Пластину крепят к колодке двумя винтами (7) М5 · 14 по ГОСТ 17475.

5.7 Бензин марки Б7д по ГОСТ 1012.

5.8 Ацетон по ГОСТ 2603.

5.9 Микроскоп с увеличением 24 или большим, снабженный отсчетной шкалой деления 0,01 мм или менее.

5.10 Источник местного освещения для работы с микроскопом мощностью не менее 60 Вт.

6 Подготовка к испытаниям

6.1 Образцы (шарик, кольцо подшипника), детали крепления образцов (конус, шайбу, колодку, пластину, винты) и ванну для испытуемого масла промывают бензином и высушивают на воздухе при нормальной температуре.

6.2 Образцы (шарик, кольцо подшипника) монтируют на испытательной установке (рисунок 2).

6.3 Последовательно протирают рабочие поверхности образцов бензином и ацетоном, при этом на поверхностях образцов не должно быть остатков обтирочного материала. Обтирочный материал следует применять типа «батист».

6.4 В ванну наливают профильтрованное испытуемое масло объемом не менее 90 см3, погружают наружную кромку подвижного образца в масло на глубину не менее 2 мм.

7 Проведение испытаний

7.1 Устанавливают частоту вращения (230 ± 10) мин-1.

7.2 Сближают образцы, плавно опуская каретку; вводят их в соприкосновение, обеспечивая нагружение усилием (147,15 ± 5,9) Н [(15 ± 0,6) кгс], и контролируют число оборотов с момента контактирования образцов.

7.3 Проводят десять испытаний с наработками, указанными в таблице 1.

Таблица 1

Номер испытания i

Суммарное число оборотов за испытание nj

Путь трения за испытание Si, м

1

3062

500

2

6124

1000

3

12249

2000

4

21435

3500

5

30622

5000

6

45933

7500

7

55120

9000

8

61244

10000

9

67369

11000

10

73493

12000

7.4 Проводят две серии испытаний с наработками, указанными в таблице 2.

Таблица 2

Номер серии

Суммарное число оборотов за испытание п

Путь трения за испытание S, м

Продолжительность испытания t

Количество испытаний

I

6810

1110

30 мин

5

II

68160

11110

4 ч 55 мин

5

7.5 По достижении заданного суммарного числа оборотов (пути трения) (таблица 2) в зависимости от выбранного вида испытаний резко поднимают каретку испытательной установки и отводят на 180°.

7.6 Протирают поверхность сферического образца ацетоном и измеряют диаметры пятна износа (d1 и d2) в двух взаимно перпендикулярных направлениях.

7.7 Результаты измерений заносят в протокол испытаний.

7.8 Каждое испытание проводят на «свежих» поверхностях образцов.

7.8.1 Ослабляют винты, крепящие пластину (рисунок 2), и поворачивают сферический образец (шарик) на угол 2 - 3°, обеспечивая смещение поверхности с пятном износа, после чего шарик снова жестко фиксируется пластиной с помощью винтов.

7.8.2 Смещают каретку испытательной установки в осевом направлении не менее чем на 1,5 ширины дорожки износа на ролике.

7.9 После окончания измерений и изменения взаимного положения образцов для трения по «свежему следу» испытания повторяют по 7.1 - 7.2 и 7.3 - 7.7 или 7.4 - 7.7.

8 Обработка результатов

8.1 Испытания по 7.3

8.1.1 Вычисляют средний диаметр пятна износа d1, мм, сферического образца в соответствующем испытании

                                                                      (1)

где d1i и d2i - соответственно большая и малая оси эллипса пятна износа на поверхности сферического образца, мм.

8.1.2 Вычисляют износ hi, мм, в соответствующем испытании

                                                        (2)

где D - диаметр сферического образца, мм.

8.1.3 Вычисляют интенсивность изнашивания Ii в соответствующем испытании

                                                                                (3)

где si - путь трения в соответствующем испытании.

8.1.4 Вычисляют давление Рi, Па (МПа), в соответствующем испытании

                                                                             (4)

где W - постоянная нагрузка 147,15 Н (15 кгс) сферического образца;

di - диаметр пятна износа, мм.

8.2 Испытания по 7.4

8.2.1 Вычисляют средний диаметр пятна износа сферического образца для соответствующей серии испытаний

                                        (5)

где dI-1, dII-1 - большая ось эллипса пятна износа в соответствующей серии испытаний;

dI-2, dII-2 - малая ось эллипса пятна износа в соответствующей серии испытаний.

8.2.2 Вычисляют износ в соответствующей серии испытаний

                (6)

где D - диаметр сферического образца, мм.

8.2.3 Вычисляют интенсивность изнашивания Ii для соответствующих серий испытаний

                                                                (7)

где SI и SII - пути трения соответствующих серий испытаний, мм.

8.2.4 Вычисляют давление для соответствующих серий испытаний

                                                           (8)

8.3 По результатам расчетов по 8.1.1 - 8.1.4 или 8.2.1 - 8.2.4 в зависимости от выбранного вида испытаний определяют параметры а и b логарифмической функции, аппроксимирующей зависимость интенсивности изнашивания I от давления Р

I = а + bln P;                                                          (9)

                                     (10)

                                            (11)

где N - число точек.

Примечание - При испытаниях по 7.3 N равно 10; при испытаниях по 7.4 N равно 2.

8.4 Определяют давление Р0, при котором практически прекращается износ

Р0 = е-(а/b).                                                                             (12)

8.5 По формуле (9) и результатам расчетов по 8.3, 8.4 графически строят зависимость интенсивности изнашивания от давления (рисунок 7).

а - испытания по 7.3; б - испытания по 7.4

Рисунок 7 - Схема зависимости интенсивности изнашивания от давления

Примечание - Для получения параметров логарифмической функции Р0 и построения кривой зависимости интенсивности изнашивания от давления рекомендуется использовать прикладные компьютерные программы с выводом готового графика на печать.

8.6 При сравнительной оценке смазочных материалов учитываются характер кривой зависимости интенсивности изнашивания от давления и давление Р0. Большие значения Р0 положительно характеризуют исследуемый смазочный материал.

 

СОДЕРЖАНИЕ

1 Область применения. 1

2 Нормативные ссылки. 1

3 Определения. 2

4 Сущность метода. 2

5 Аппаратура и материалы.. 2

6 Подготовка к испытаниям.. 5

7 Проведение испытаний. 5

8 Обработка результатов. 6

 

Ключевые слова: противоизносные свойства, смазочные материалы, площадь контакта