ГОСТ 30677-2000
МЕЖГОСУДАРСТВЕННЫЙ СТАНДАРТ
СТАНКИ КРУГЛОШЛИФОВАЛЬНЫЕ
КОЖУХИ
ТИПЫ И ОСНОВНЫЕ РАЗМЕРЫ
МЕЖГОСУДАРСТВЕННЫЙ СОВЕТ
ПО СТАНДАРТИЗАЦИИ, МЕТРОЛОГИИ И СЕРТИФИКАЦИИ
МИНСК
Предисловие
1 РАЗРАБОТАН Техническим комитетом по стандартизации ТК 75 «Станки»
ВНЕСЕН Комитетом Украины по вопросам стандартизации, метрологии и сертификации
2 ПРИНЯТ Межгосударственным Советом по стандартизации, метрологии и сертификации (протокол № 17 от 22 июня 2000 г.)
За принятие проголосовали:
|
Наименование государства |
Наименование национального органа по стандартизации |
|
Азербайджанская Республика |
Азгосстандарт |
|
Республика Армения |
Армгосстандарт |
|
Республика Беларусь |
Госстандарт Республики Беларусь |
|
Республика Казахстан |
Госстандарт Республики Казахстан |
|
Кыргызская Республика |
Кыргызстандарт |
|
Российская Федерация |
Госстандарт России |
|
Республика Таджикистан |
Таджикгосстандарт |
|
Туркменистан |
Главгосинспекция «Туркменстандартлары» |
|
Республика Узбекистан |
Узгосстандарт |
|
Украина |
Госстандарт Украины |
3 Постановлением Государственного комитета Российской Федерации по стандартизации и метрологии от 22 января 2001 г. № 25-ст межгосударственный стандарт ГОСТ 30677-2000 введен в действие непосредственно в качестве государственного стандарта Российской Федерации с 1 января 2002 г.
4 ВВЕДЕН ВПЕРВЫЕ
СОДЕРЖАНИЕ
ГОСТ 30677-2000
МЕЖГОСУДАРСТВЕННЫЙ СТАНДАРТ
|
Станки круглошлифовальные КОЖУХИ Типы и основные размеры Circular grinding machines. Shields. Types and main dimensions |
Дата введения 2002-01-01
Настоящий стандарт распространяется на сварные кожухи шлифовальных кругов (далее - кожухи круга), используемых при круглом наружном шлифовании со скоростью до 60 м/с на круглошлифовальных станках общего назначения по ГОСТ 11654 и предназначенных для защиты работающего на станке от осколков при возможном разрыве круга, а также от повышенной запыленности воздуха рабочей зоны и образующихся в нем аэрозолей при обработке с использованием сож.
Стандарт распространяется на вновь разрабатываемые узлы.
Все требования стандарта являются обязательными.
ГОСТ 12.3.028-82 Система стандартов безопасности труда. Процессы обработки абразивным и эльборовым инструментом. Требования безопасности
ГОСТ 2424-83 Круги шлифовальные. Технические условия
ГОСТ 11654-90 Станки круглошлифовальные. Основные параметры и размеры. Нормы точности
ГОСТ 30676-2000 Станки круглошлифовальные. Фланцы для крепления шлифовальных кругов. Конструкция и размеры
3.1 Кожухи круга должны изготовляться двух типов:
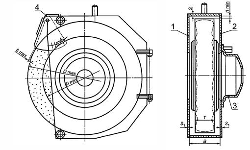
1 - левый кожух: крышка кожуха и круг находятся слева от шлифовальной бабки (рисунок 1);
2 - правый кожух: крышка кожуха и круг находятся справа от шлифовальной бабки (рисунок 2).
Основные требования к форме и конструкции кожуха - по ГОСТ 12.3.028.
3.2 Конструкция и основные размеры кожухов круга должны соответствовать указанным на рисунках 1, 2 и в таблице 1.
3.3 Крышка кожуха должна быть сварной и устанавливаться на петлях. Крышка к корпусу кожуха должна крепиться невыпадающими болтами.
В случае, когда крышка не может быть установлена на петлях, допускается установка съемной крышки.
3.4 Структура условного обозначения кожуха круга:

3.5 Пример условного обозначения кожуха для шлифовального круга диаметром 900 мм и фланца круга 125.22 ГОСТ 30677-2000:
Кожух круга 1.8.900 ГОСТ 30677-2000
1 - корпус кожуха; 2 - крышка кожуха; 3 - крышка механизма балансировки; 4 - козырек
В - внутренняя ширина кожуха; S - толщина обечайки корпуса кожуха и крышки кожуха; S1 - толщина стенки корпуса кожуха; T - высота шлифовального круга; пmin - минимальный зазор между максимальным диаметром и обечайкой корпуса кожуха круга; Dmax - максимальный диаметр шлифовального круга; Dmin - минимальный диаметр шлифовального круга
Рисунок 1 - Левый кожух
1 - корпус кожуха; 2 - крышка кожуха; 3 - крышка механизма балансировки; 4 - козырек
В - внутренняя ширина кожуха; S - толщина обечайки корпуса кожуха и крышки кожуха; S1 - толщина стенки корпуса кожуха; T - высота шлифовального круга; пmin - минимальный зазор между максимальным диаметром и обечайкой корпуса кожуха круга; Dmax - максимальный диаметр шлифовального круга; Dmin - минимальный диаметр шлифовального круга
Рисунок 2 - Правый кожух
Таблица 1
|
Номер конструктивного исполнения кожуха |
Номер конструктивного исполнения фланца |
Круг шлифовальный тип 1 по ГОСТ 2424 |
Размеры, мм |
Диаметр болта, мм |
|||||
|
Dmax (Dmin) мм |
Тmax, мм |
В |
S |
S1 |
nmin |
Число болтов, шт. |
|||
|
1.1.400 |
1 |
26 - 39 |
400 |
100 |
186 |
8 |
5 |
11 |
|
|
(300) |
|||||||||
|
1.2.600 |
2 |
01 - 07 |
600 |
100 |
160 |
12 |
8 |
14 |
|
|
(450) |
|||||||||
|
1.3.600 |
3 |
08 |
600 |
125 |
184 |
12 |
10 |
14 |
|
|
(450) |
|||||||||
|
1.4.750 |
4 |
09 - 16 |
750 |
100 |
167 |
14 |
10 |
26 |
|
|
(450) |
|||||||||
|
2.4.750 |
4 |
09 - 16 |
750 |
100 |
167 |
14 |
10 |
26 |
|
|
(450) |
|||||||||
|
2.5.750 |
5 |
17 |
750 |
150 |
215 |
16 |
10 |
19 |
|
|
(450) |
|||||||||
|
2.6.750 |
6 |
18 |
750 |
200 |
262 |
20 |
12 |
15 |
|
|
(450) |
|||||||||
|
1.7.750 |
7 |
19 |
750 |
250 |
315 |
20 |
12 |
20 |
|
|
(450) |
|||||||||
|
1.8.900 |
8 |
20 - 25 |
900 |
100 |
170 |
20 |
12 |
20 |
|
|
(500) |
|||||||||
|
2.8.900 |
8 |
09 - 16 |
900 |
100 |
170 |
20 |
12 |
20 |
|
|
(500) |
|||||||||
|
2.9.900 |
9 |
17 |
900 |
150 |
215 |
20 |
12 |
20 |
|
|
(500) |
|||||||||
|
2.10.900 |
10 |
18 |
900 |
200 |
262 |
22 |
14 |
20 |
|
|
(500) |
|||||||||
|
1.11.1060 |
11 |
20 - 25 |
1060 |
100 |
170 |
20 |
16 |
30 |
|
|
(500) |
|||||||||
Ключевые слова: станки круглошлифовальные, кожухи, типы, основные размеры