МИНИСТЕРСТВО СВЯЗИ СССР
Главное управление космической и радиосвязи
СБОРНИК
НОРМАТИВНЫХ ДОКУМЕНТОВ
ПО КРУПНЫМ СИСТЕМАМ
КОЛЛЕКТИВНОГО ПРИЕМА
ТЕЛЕВИДЕНИЯ
ПРЕЙСКУРАНТИЗДАТ
Москва - 1989
В сборнике представлены нормативные материалы по крупным системам коллективного приема телевидения (КСКПТ) и системам кабельного телевидения (СКТВ). Он включает в себя инструкцию по монтажу, инструкцию по настройке, инструкцию но приемке систем в эксплуатацию, правила технической эксплуатации, правила техники безопасности, материалы но проектированию систем. Приводятся технические характеристики применяемого при сооружении КСКПТ и СКТВ отечественного и зарубежного оборудования и кабелей, дана методика и пример расчета систем кабельного телевидения.
Настоящие материалы обязательны для исполнения предприятиями и организациями, осуществляющими проектирование, сооружение и техническую эксплуатацию КСКПТ и СКТВ.
Сборник предназначен для широкого круга специалистов.
СОДЕРЖАНИЕ
Развитие передающей телевизионной сети в стране сопровождалось совершенствованием приемной сети. Повсеместное распространение получили системы коллективного приема телевидения (СКПТ).
В целях проведения единой политики в области проектирования, строительства и эксплуатации таких систем Министерство связи СССР в 1965 году в издательстве «Связь» выпустило сборник «Антенные системы коллективного приема телевидения», который до последнего времени оставался практически единственной справочной технической документацией специально по СКПТ.
В последнее десятилетие в результате массового строительства зданий повышенной этажности, полного перевода передающей сети на цветное вещание, ввода мощных передающих станций и др. СКПТ перестали во многих случаях обеспечивать высококачественный прием. Начали внедряться крупные СКПТ (КСКПТ) и системы кабельного телевидения (СКТВ), к каждой из которых подключено от сотен до десятков тысяч абонентов.
Однако, из-за отсутствия для этих систем нормативно-технической документации не было единых требований к их монтажу, настройке, техобслуживанию, их технический уровень определялся опытом, накопленным конкретными проектными, строительно-монтажными, эксплуатационными и другими организациями, знаниями отдельных специалистов.
Необходимость широкого внедрения КСКПТ и СКТВ во многих городах страны, а также освоение промышленностью специального оборудования для СКТВ и КСКПТ, поставили остро вопрос о создании указанной документации.
Обеспечивая проведение единой технической политики в области развития приемной телевизионной сети в 1985 - 1987 гг., Министерством связи СССР был разработан ряд нормативных документов, помещенных в настоящем сборнике.
В их разработке участвовали ведущие специалисты различных организаций Министерства связи СССР: ОРПС, НИИР, ГСПИ, треста «Мостелефонстрой», ССКТБ, МЭИС, ЦНИИЛОТ. В работе приняли участие также ведущие специалисты ряда организаций Мосгорисполкома: Управления Моспроект-1 Главного архитектурно-планировочного управления и Главного управления жилищного хозяйства. Разработка нормативных документов осуществлялась под общим руководством ГКРУ Министерства связи СССР.
Все приведенные в сборнике нормативные документы по мере их подготовки были согласованы с заинтересованными ведомствами и организациями и утверждены Министерством связи СССР (за исключением «Руководящих технических материалов КСКПТ», утвержденных ГСПИ). Кроме того, «Инструкция по приемке в эксплуатацию КСКПТ» и «Типовой договор на техническое обслуживание КСКПТ» были также утверждены исполкомом Моссовета, «Инструкция по технике безопасности при техническом обслуживании КСКПТ» согласована с технической инспекцией труда ЦК профсоюзов работников связи, а «Методическое руководство по проектированию» согласовано с Госкомархитектурой при Госстрое СССР.
Материалы сборника, за исключением приложения, являются обязательными для применения всеми министерствами, ведомствами и организациями, осуществляющими проектирование, строительство, монтаж, настройку, эксплуатацию, техническое обслуживание КСКПТ и СКТВ на территории СССР. «Типовой договор на техническое обслуживание КСКПТ» является обязательным только в г. Москве. В других городах он может быть использован лишь как рекомендательный при разработке местных договоров.
Все нормативные документы разрабатывались на основе опыта проектирования, сооружения и технической эксплуатации КСКПТ в г. Москве и ряде других городов. В них учтена ближайшая перспектива развития подобных систем. Учитывая, что сборник выпускается впервые и материалы подготавливались неодновременно различными организациями, в отдельных случаях в разных материалах возможны некоторые непринципиальные разночтения, которые будут исключены при их переработке.
Сборник подготовлен к изданию сотрудниками ОРПС под руководством А.Л. Каневского.
Все предложения по совершенствованию отдельных материалов и сборника в целом необходимо направлять по адресу: 103375 г. Москва, ул. Горького, 7, Министерство связи СССР, Главное управление космической и радиосвязи.
Главное
управление космической и радиосвязи
Министерства связи СССР
АВР - автоматическое включение резерва
АЛ - абонентская линия
АМС - антенно-мачтовые сооружения
АПУ - абонентское присоединительное устройство
АРУ - автоматическая регулировка усиления
АРУ и Н - автоматическая регулировка усиления и наклона
АС - антенная система
АТ - аттенюатор
АУ* - антенный усилитель
АЧХ - амплитудная частотная характеристика
БВС - блок выбора строки
БДП - блок дистанционного питания
БП - блок питания
БФТК - блок фильтров телевизионных канальных
ВГС - временная головная станция
ВКП - воздушно-кабельный переход
ВМ - ведомости потребности в материалах
ВРУ - вводно-распределительное устройство
ГОСТ - государственный стандарт
ГОЧ - генератор опорной частоты
ГС* - головная станция
ГТС - городские телефонные сети
ГЭМ - главэлектромонтаж
ДВ* - домовый ввод
ДРС* -домовая распределительная сеть
ДСП - древесно-стружечная плита
ДЭЗ - дирекция по эксплуатации зданий
ЗИП - запасные инструменты и приспособления
КЕО - коэффициент естественной освещенности
КЛ - кабельная линия
КПД - коэффициент полезного действия
КСКПТ - крупная система коллективного приема телевидения
КТ - контрольная точка
ЛГН - лаборатория госнадзора
ЛУ* - линейный усилитель
МЛ* - магистральная линия
МС* - магистральная сеть
МУ - магистральный усилитель
МУП - магистральный усилительный пункт
НОТ - научная организация труда
ОДС - объединенные диспетчерские службы
ОМ - ответвитель магистральный
ОПЗ - общая пояснительная записка
ОРПС - общесоюзная радиотелевизионная передающая станция им. 50-летия Октября Министерства связи СССР
ОРС* - ответвитель распределительной сети
П - проект
ПА* - приемная антенна
ПАК - присоединительная антенная коробка
ПВ - проводное вещание
ПДВ - пункт домового ввода
ПП - приемопередатчик
ППБ - правила противопожарной безопасности
ПС - паспорт
ПСД - проектно-сметная документация
ПСР - плановый средний ремонт
ПТО - периодическое техническое обслуживание
ПТЭ - правила технической эксплуатации
ПУЭ - правила устройства электроустановок
РА* - разветвитель абонентский
РД - рабочая документация
РП - рабочий проект
РТПС - радиотелевизионная передающая станция
PC* - распределительная сеть
РТО - регламентированное техническое обслуживание
СВТ - средство вещательного телевидения
СИ - средства измерения
СНиП - строительные нормы н правила
СКПТ - системы коллективного приема телевидения
СКТВ - система кабельного телевидения
СЛ - соединительная линия
СМЛ* - субмагистральная линия
СМР - строительно-монтажные работы
СМС* - субмагистральная сеть
СО - спецификация оборудования
ТВ - телевидение (телевизионный)
ТИТ - телевизионная испытательная таблица
ТО - техническое описание
ТУ - технические условия
ТУТ - термоусаживаемые трубки
ТЭ - техническая эксплуатация
ТЭО - технико-экономическое обоснование
УВДП - устройство ввода дистанционного питания
УДРС* - усилитель домовой распределительной сети
УПА* - устройство присоединительное абонентское
УР - усилитель радиодиапазона
УСС - устройство сложения сигналов
УЭИТ - универсальная электронная испытательная таблица
ФК - фильтр канальный
ЭТН - эксплуатационные технические нормы
________
* - определение терминов приведено в приложении 1 к Методическому руководству по проектированию.
ВРЕМЕННАЯ ИНСТРУКЦИЯ
ПО ПРИЕМКЕ В ЭКСПЛУАТАЦИЮ КРУПНЫХ СИСТЕМ
КОЛЛЕКТИВНОГО ПРИЕМА ТЕЛЕВИДЕНИЯ (КСКПТ) И СИСТЕМ КАБЕЛЬНОГО ТЕЛЕВИДЕНИЯ (СКТВ)
(утверждена 5.01.87)
1.1. Настоящей инструкцией устанавливается порядок приемки в эксплуатацию КСКПТ и СКТВ в целом, а также отдельных их очередей, предусмотренных проектом.
КСКПТ и СКТВ именуются далее по тексту «системами».
1.2. Настоящей инструкцией должны руководствоваться: заказчики, проектные, строительные, строительно-монтажные организации и организации, ведущие эксплуатацию и техническое обслуживание систем.
1.3. Комиссии представляются системы или их очереди, на которых полностью завершены строительные, монтажные и настроечные работы в соответствии с проектом.
1.4. Все системы проверяются на соответствие: проекту, временным инструкциям («по монтажу КСКПТ и СКТВ» и «по настройке КСКПТ и СКТВ»)* Министерства связи СССР, инструкциями по строительству линейных сооружений связи и ПУЭ.
________
*См. в настоящем сборнике.
1.5. Эксплуатацию систем, сохранность оборудования и кабельных линий телевидения осуществляет организация, эксплуатирующая здания, входящие в зону действия систем, с момента подписания акта приемки комиссией.
1.6. Техническое обслуживание осуществляется с момента заключения соответствующего договора между эксплуатирующей и техобслуживающей организациями.
1.7. Оборудование и кабельная продукция, применяемые при монтаже системы, должны быть установлены с гарантийными сроками на основании инструкции по монтажу КСКПТ и СКТВ, раздел 2.
2.1. Приемка законченного строительства системы рабочей комиссией заказчика.
После завершения строительных, монтажных и настроечных работ на системе, она предъявляется комиссии для приемки в эксплуатацию.
2.1.1. При реконструкции систем на эксплуатируемых зданиях в сложившейся застройке комиссии предъявляется система или часть системы, смонтированная в полном объеме, предусмотренном проектом.
2.1 Л. При выборочном строительстве в сложившейся застройке дом-новостройка сдается только совместно со зданиями сложившейся застройки, входящими в систему, или очередью строительства, предусмотренной проектом.
2.13. Для домов-новостроек при новом строительстве допускается поэтапная приемка в эксплуатацию части системы, при наличии очередей строительства, предусмотренных проектом:
если в первую очередь строительства системы не входит здание, где устанавливается постоянная ГС, то этап (очередь) принимается с временной ГС;
при завершении строительства всех этапов (очередей) системы, здания с ВГС, входящие в зону действия, подключаются к постоянной ГС и комиссией принимается в эксплуатацию система в полном объеме;
в случае, если постоянная ГС монтируется на доме-новостройке в первую очередь строительства, то она принимается в эксплуатацию комиссией в установленном порядке, остальные строящиеся здания подключаются и сдаются в эксплуатацию в соответствии с этапами (очередями), предусмотренными проектом.
2.1.4. Подключение зданий к эксплуатируемой системе, а также переключение временных ГС, находящихся в эксплуатации, на постоянные ГС должно осуществляться в соответствии с проектом. Данные работы проводятся в присутствии представителя техобслуживающей организации.
3.1. Рабочая комиссия назначается приказом руководителя организации-заказчика.
3.2. Приемка систем в эксплуатацию производится комиссией в следующем составе:
Председатель - представитель заказчика.
Члены - представитель производственного жилищно-ремонтного объединения (ПЖРО) района;
представители организаций или учреждений, имеющих на своем балансе жилой фонд, входящий в зону действия системы; представитель генподрядной организации;
представитель организации, осуществлявшей монтаж и настройку системы;
представитель проектной организации;
представитель организации, осуществляющей техническое обслуживание систем по договорам с эксплуатирующими организациями.
Генподрядчик предъявляет комиссии:
4.1. Акт рабочей комиссии (приложение 1).
4.2. Акты о выполнении всех видов строительных работ, проведенных субподрядными организациями, до приемки объекта под монтаж и настройку, с подписями и печатями, подтверждающими сдачу и приемку данных работ, в полном объеме проектно-сметной документации по каждому их виду.
Справки от владельцев кабельной канализации и коллекторов, подтверждающие выполнение условий согласования на прокладку телевизионного кабеля.
4.3. Полный комплект исполнительной документации (проекта) на систему, откорректированный и согласованный по всем внесенным в ходе строительных, монтажных и настроечных работ изменениями.
4.4. Технические паспорта и свидетельства о прохождении входного контроля оборудования, установленного на системе, и кабельной продукции в соответствии с разделом 2 «Временной инструкции по монтажу КСКПТ и СКТВ».
4.5. Журнал технического и авторского надзора по строительству системы.
4.6. Технический паспорт на систему (приложение 2).
4.7. Протоколы измерений уровней сигналов и субъективной оценки качества ТВ изображения (приложение 3 настоящей инструкции), проводимых в соответствии с таблицами 2.1., 2.2. и п.п. 4.2., 4.3.1.1., 4.4.1.1. «Временной инструкции по настройке систем».
4.8. Протоколы измерений основных электрических параметров распределительной сети системы (приложение 4 настоящей инструкции), проводимых в соответствии с указаниями в проекте по методике раздела 7 «Временной инструкции по настройке систем».
Примечание. Объем проверок и измерений основных электрических параметров распределительной сети системы, на соответствие нормам (табл. 2.3. «Временной инструкции по настройке систем»), определяется организацией, осуществляющей техническое обслуживание систем, на этапе выдачи исходных данных для их проектирования; проектной организацией в соответствии с п. 5.1.2. «Временной инструкции по настройке систем».
4.9. Запасные части и комплектующие изделия, оставшиеся после монтажа системы (кабель-корректоры, аттенюаторы, разъемы и т.д.) на основании паспортов на оборудование.
После подписания акта о приемке системы в эксплуатацию, запасные части передаются эксплуатирующей организации.
5.1. Проверка правильного исполнения системы в соответствии с проектно-сметной документацией, инструкциями по монтажу и настройке КСКПТ и СКТВ.
5.2. Внешний осмотр смонтированного оборудования и кабельных линий телевидения
Для контроля берется головная станция, все магистральные усилители и 30 % остального смонтированного оборудования.
5.3. Контроль уровней радиосигналов и субъективной оценки качества ТВ изображения на соответствие проекту и представленным протоколам измерений на основании п. 4.7. настоящей инструкции, в объеме п. 5.2. настоящей инструкции, а также выборочную проверку основных электрических параметров распределительной сети системы на основании п. 4.8. настоящей инструкции.
5.4. При отсутствии замечаний по пунктам 5.1. - 5.3. настоящей инструкции членами комиссии подписывается акт приемки в эксплуатацию (приложение 1), система считается принятой в эксплуатацию.
Если осмотр по пунктам 5.1. - 5.3. настоящей инструкции выявит отклонения в монтаже и настройке системы, комиссией составляется акт с перечнем замечаний.
5.5. После устранения замечаний система повторно предъявляется комиссии. Для контроля берется головная станция, все магистральные усилители и 50 % смонтированного оборудования.
Измерения проводятся по п. 5.3. настоящей инструкции.
5.6. Если повторный осмотр системы выявил отклонения в монтаже и настройке, неисправные узлы системы демонтируются с последующей заменой. В случае не соответствия субъективной оценки качества ТВ изображения табл. 2.2. «Временной инструкции по настройке систем» строительно-монтажная организация проводит измерения основных электрических параметров распределительной сети системы в объеме, определяемом комиссией, с последующим предоставлением протоколов этих измерений (приложение 4) комиссии, после чего принимается решение о пригодности системы к эксплуатации.
5.7. При проверке параметров системы следует руководствоваться таблицами 2.1., 2.2., 2.3., п. 4.1. и разделом 7 «Временной инструкции по настройке систем».
5.8. Контрольно-измерительная аппаратура представляется организацией, осуществлявшей настройку системы.
Аппаратура должна иметь свидетельство о метрологической поверке.
6.1. Для заключения договора на техническое обслуживание эксплуатирующей организации необходимо письменно в двухнедельный срок, после приемки комиссией системы, обратиться в организацию, ведущую техническое обслуживание.
Примечание. В случае незаключенная договора в указанный срок по вине эксплуатирующей организации, проверки, принимаемых на техническое обслуживание систем, производятся техобслуживающей организацией в полном объеме, аналогичном приемке систем Государственной комиссией за дополнительную плату по смете на фактические затраты этой организации (пункт 2.2. «Временного типового договора на техническое обслужившие КСКПТ»)*.
________
*См. приложение 2 к настоящему сборнику (стр. 321).
6.2. При передаче системы на техническое обслуживание эксплуатирующая организация передает один экземпляр всех документов, перечисленных в разделе 4 настоящей инструкции.
6.3 Техническое обслуживание системы начинается со дня заключении договора или замены соответствующих приложений к существующему договору.
|
Гор. _________________________________ «__» _______________ 198__ г. Рабочая комиссия, назначенная ________________________________________________ (наименование ___________________________________________________________________________ организации-заказчика (застройщика), назначившей рабочую комиссию) решением от «__» _______________ 19___ г. в составе: председателя-представителя заказчика (застройщика) _____________________________ ___________________________________________________________________________ (ф., и., о., должность) членов комиссии-представителей: генерального подрядчика _____________________________________________________ (ф., и., о., должность) субподрядных организаций ___________________________________________________ техобслуживающей организации ______________________________________________ генерального проектировщика ________________________________________________ органов государственного санитарного надзора __________________________________ ___________________________________________________________________________ органов государственного пожарного надзора ___________________________________ ___________________________________________________________________________ технической инспекции труда ЦК или совета профсоюзов _________________________ ___________________________________________________________________________ профсоюзной организации или эксплуатационной организации ____________________ ___________________________________________________________________________ руководствуясь правилами, изложенными в главе СНиП III-3-81 УСТАНОВИЛА: 1. Генеральным подрядчиком _______________________________________________ (указать наимен. и ведомственную подчиненность) предъявлено к приемке в эксплуатацию законченное строительством _______________ ___________________________________________________________________________ (наимен. здания, сооружения) входящего в состав __________________________________________________________ (наймем, объекта) 2. Строительство осуществлялось генеральным подрядчиком, выполнившим ___________________________________________________________________________ (указать виды работ) и его субподрядными организациями ___________________________________________ ___________________________________________________________________________ (указать наймем, организаций, их ведомственную подчиненность) выполнившим ______________________________________________________________ (указать виды работ) 3. Проектно-сметная документация на строительство разработана проектными организациями ______________________________________________________________ (указать наимен. проектных организаций и их ведомствен. подчинен.) 4. Строительство осуществлялось по проекту _________________________________ ___________________________________________________________________________ (указать № проекта, № серии по типовым проектам) 5. Проектно-сметная документация утверждена ________________________________ (наимен. органа, ___________________________________________________________________________ утвердившего проектно-сметную документацию на объект в целом) 6. Строительно-монтажные работы осуществлены в сроки: начало работ __________ ___________________________ окончание работ_________________________________
7. Рабочей комиссии представлена документация в объеме, предусмотренном главой СНиП III-3-81 (п. 3.5.), перечисленная в приложении к настоящему акту. 8. Предъявленное здание, сооружение имеет следующие показатели: ___________________________________________________________________________ (указать мощность, производительность, производственную площадь, _________________________________________________________________________ протяженность, вместимость и т.п.) 9. Технологические и архитектурно-строительные решения по предъявляемому зданию, сооружению характеризуются следующими данными: ___________________________________________________________________________ (указать кратко технические характеристики по планировке, этажности. ___________________________________________________________________________ основным материалам и конструкциям, инженерному и ___________________________________________________________________________ технологическому оборудованию) 10. Оборудование установлено в количестве согласно актам о его приемке после индивидуального испытания и комплексного опробования рабочими комиссиями. Перечень указанных актов приведен в приложении к настоящему акту. Всего по проекту предусмотрена установка ___________________________________ единиц оборудования. Фактически установлено __________________________________ единиц оборудования. 11. Мероприятия по охране труда, обеспечению взрывобезопасности, пожаробезопасности, охране окружающей среды и антисейсмические мероприятия, предусмотренные проектом ___________________________________________________ ___________________________________________________________________________ (указать о выполнении мероприятий) ___________________________________________________________________________ 12. Имеющиеся дефекты и недоделки должны быть выполнены в сроки, указанные в приложении к настоящему акту. 13. Сметная стоимость по утвержденной проектно-сметной документации: всего _________ тыс. руб. в том числе строительно-монтажных работ _________ тыс. руб., оборудования, инструмента и инвентаря __________ тыс. руб. 14. На основании осмотра предъявленного здания, сооружения в натуре и ознакомления с соответствующей документацией устанавливается оценка качества строительно-монтажных работ, приведенных в приложении к настоящему акту в соответствии с «Инструкцией по оценке качества строительно-монтажных работ» ___________________________________________________________________________ (отлично, хорошо, удовлетворительно) и здания, сооружения в целом _________________________________________________ (отлично, хорошо, удовлетворительно) РЕШЕНИЕ РАБОЧЕЙ КОМИССИИ ___________________________________________________________________________ (наименование здания, сооружения) считать принятым от генерального подрядчика и готовым для предъявления государственной приемочной комиссии. Приложения к акту: 1. ______________________________________________________________________ 2. ______________________________________________________________________ 3. _____________________________________________________________________ 4. _____________________________________________________________________ и т.д. Председатель рабочей комиссии ____________________________________________ (подпись) Члены комиссии ____________________________________________________________ (подписи) ___________________________________________________________________________ ___________________________________________________________________________
|
|
Образец заполнения |
Приложение к акту рабочей комиссии (заполняется в 3 экз. для каждого ведомства) |
|
на КСКПТ № ____________________ 1051 Советский район _______________________ с нахождением головной станции по адресу____ Советская ул. д. 59 к. 16 ____________ 1. Проектирующая организация___________ ГСПИ Минсвязи СССР ______________ 2. Строительно-монтажная организация___ МТС ______________________________ 3. Тип головной станции________________ «Витех» 1 шт. ______________________ 4. Тип магистральных усилителей________ VE-280H - 1 шт.; VEE-280 - 1 шт. ______ 5. Тип домовых усилителей______________ КНЕ - 8 шт.; ОТУ-2.2 - 4 шт. __________
В примечании указываются сроки ввода в случае поэтапной сдачи в эксплуатацию и на техническое обслуживание.
|
||||||||||||||||||||||||||||||||||||||||||||||||||||||||||
|
на систему № ________ в ________________________ районе г. Москвы Заказчик _________________________________________________________________ Проектная организация ____________________________________________________ Генподрядчик ____________________________________________________________ Подрядные организации, осуществляющие строительные работы ________________ ___________________________________________________________________________ Организация, осуществляющая монтаж и настройку системы ___________________ ___________________________________________________________________________ Примечание. Указываются все подрядные организации, осуществляющие строительство наружной канализации, строительные работы, подводку электропитания и электроосвещение и т.д. Эксплуатирующая организация _____________________________________________ ___________________________________________________________________________ (организация, на чьей территории построена система) Примечание. Перечень домов, входящих в систему, с указанием ведомственной принадлежности дается в акте рабочей комиссии. Адрес, по которому установлены приемные ТВ антенны ул. _____________________________ дом _______________ корп. _______________ тип антенны _________________________ кол. полотен___________________________ тип антенны _________________________ кол. полотен ___________________________ тип антенны _________________________ кол. полотен ___________________________ кол. металлоконструкции _______________________ и тип. ________________________ Основные данные здания, где установлены ТВ антенны Этажность ___________________________ секций _____________________________ Данные кровли: тип _______________________; уклон _________________________ ограждение ______________________________; трубостойки, трапы ______________ заземление ______________________________ Адрес и место установки ГС ________________________________________________ улица ______________________________ дом ____________ корп. __________________ Тип ГС __________________________________________________________________ Основные данные системы: принимаемые ТВ каналы _____________________________________________________ ТВ каналы, используемые в системе _________________________________________ на каких каналах произведена фазировка _______________________________________ ___________________________________________________________________________ Количество по типам магистральных усилителей тип _________________________________ кол.________________________________ тип _________________________________ кол.________________________________ тип _________________________________ кол.________________________________ Количество по типам домовых усилителей тип _________________________________ кол.________________________________ тип _________________________________ кол.________________________________ Типы проложенного кабеля тип _________________________________ кол.________________________________ тип _________________________________ кол.________________________________ тип _________________________________ кол.________________________________ тип _________________________________ кол.________________________________ Общее количество квартир в системе ________________________________________ |
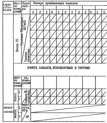
ПРОТОКОЛ
|
|
Измерения проводились прибором тип ________________________________ |
Госпроверка от _____________________ |
ПРОТОКОЛ
|
||||||||||||||||||||||||||||||||||||||||||||||||||||||||||||||||||||||||||||||||||||||||||||||||||||||||||||||||||||||||||||||||||||||||||||||||||||||||||||||||||||||||||||||||||||||||||||||||||||||||||||||||||||||||||||||||||||||||||||||||||||||||||||||||||||||||||||||||||||||||||||||||||||||||||||||||||||||||||||||||||||||||||||||||||||||||||||||||||||||||||||||||||||||||||||||||||||||||||||||||||||||||||||||||||||||||||||||||||||||||||||||||||||||||||||||||||||||||||||||||||||||||||||||||||||||||||||||||||||||||||||
|
№ № п/п |
Адрес |
№ стояка |
Номера каналов, используемых в системе |
|||||||||
|
1 |
|
|
|
|
|
|
|
|||||
|
2 |
|
|
1 |
2 |
1 |
2 |
1 |
2 |
1 |
2 |
1 |
2 |
|
3 |
|
|
|
|
|
|
|
|
|
|
|
|
|
4 |
|
|
|
|
|
|
|
|
|
|
|
|
|
5 |
|
|
|
|
|
|
|
|
|
|
|
|
|
6 |
|
|
|
|
|
|
|
|
|
|
|
|
|
7 |
|
|
|
|
|
|
|
|
|
|
|
|
Отношение
сигнала к фоновой помехе
не менее 46 дБ
|
№ № п/п |
Адрес |
№ стояка |
Номера каналов, используемых в системе |
|||||||||
|
1 |
|
|
|
|
|
|
|
|||||
|
2 |
|
|
1 |
2 |
1 |
2 |
1 |
2 |
1 |
2 |
1 |
2 |
|
3 |
|
|
|
|
|
|
|
|
|
|
|
|
|
4 |
|
|
|
|
|
|
|
|
|
|
|
|
|
5 |
|
|
|
|
|
|
|
|
|
|
|
|
|
6 |
|
|
|
|
|
|
|
|
|
|
|
|
|
7 |
|
|
|
|
|
|
|
|
|
|
|
|
Отношение
сигнала к помехе комбинационной частоты:
при помехе третьего порядка IМАIII(к)
не менее 54 ДБ
|
№ № п/п |
Адрес |
№ стояка |
Номера каналов, используемых в системе |
|||||||||
|
1 |
|
|
|
|
|
|
|
|||||
|
2 |
|
|
1 |
2 |
1 |
2 |
1 |
2 |
1 |
2 |
1 |
2 |
|
3 |
|
|
|
|
|
|
|
|
|
|
|
|
|
4 |
|
|
|
|
|
|
|
|
|
|
|
|
|
5 |
|
|
|
|
|
|
|
|
|
|
|
|
|
6 |
|
|
|
|
|
|
|
|
|
|
|
|
|
7 |
|
|
|
|
|
|
|
|
|
|
|
|
при помехе третьего порядка IMAIII(в) не менее 60 дБ
|
№ № п/п |
Адрес |
№ стояка |
Номера каналов, используемых в системе |
|||||||||
|
1 |
|
|
|
|
|
|
|
|||||
|
2 |
|
|
1 |
2 |
1 |
2 |
1 |
2 |
1 |
2 |
1 |
2 |
|
3 |
|
|
|
|
|
|
|
|
|
|
|
|
|
4 |
|
|
|
|
|
|
|
|
|
|
|
|
|
5 |
|
|
|
|
|
|
|
|
|
|
|
|
|
6 |
|
|
|
|
|
|
|
|
|
|
|
|
|
7 |
|
|
|
|
|
|
|
|
|
|
|
|
Неравномерность амплитудно-частотной характеристики
В полосе частот между несущими изображения и звукового сопровождения телевизионного канала не более 3 дБ
|
№ № п/п |
Адрес |
№ стояка |
Номера каналов, используемых в системе |
|||||||||
|
1 |
|
|
|
|
|
|
|
|||||
|
2 |
|
|
1 |
2 |
1 |
2 |
1 |
2 |
1 |
2 |
1 |
2 |
|
3 |
|
|
|
|
|
|
|
|
|
|
|
|
|
4 |
|
|
|
|
|
|
|
|
|
|
|
|
|
5 |
|
|
|
|
|
|
|
|
|
|
|
|
|
6 |
|
|
|
|
|
|
|
|
|
|
|
|
|
7 |
|
|
|
|
|
|
|
|
|
|
|
|
Измерения проводились приборами:
|
тип ________________________________ |
Дата госповерки _____________________ |
1 - заполняется организацией, осуществляющей настройку системы;
2 - заполняется при приемке системы в эксплуатацию.

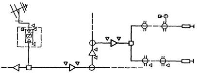
Рис. П.5. Точки измерений на распределительной сети системы
Δ - измерение уровней ТВ-сигналов и субъективной оценки качества ТВ-изображения.
□ - измерение основных электрических параметров распределительной сети системы
НОРМАТИВНЫЕ, ИНСТРУКТИВНЫЕ,
СПРАВОЧНЫЕ
И ДРУГИЕ ДОКУМЕНТЫ,
РЕКОМЕНДУЕМЫЕ ПРИ ПРОЕКТИРОВАНИИ
И ЭКСПЛУАТАЦИИ КСКПТ
1. Методическое руководство по проектированию. Крупные системы коллективного приема телевидения РП.6.029-1-87. - М.: Минсвязи СССР, 1987. - 48 с.
2. СНиП 1.02.01-85. Инструкция о составе, порядке разработки, согласования и утверждения проектно-сметной документации на строительство предприятий, зданий и сооружений/Госстрой СССР. - М.: ЦИТП Госстроя СССР, 1986. - 40 с.
3. Инструкция по проектированию и устройству молниезащиты зданий и сооружений. СН 305-77. - М.: Стройиздат, 1978. - 47 с.
4. Инструкция по проектированию молниезащиты радиообъектов. ВСН 1-77. Минсвязи СССР. - М.: Связь, 1978. - 31 с.
5. Инструкция по проектированию линейно-кабельных сооружений связи. ВСН 116-87. Минсвязи СССР, 1988. - 80 с.
6. ГОСТ 11216-83 (СТ СЭВ 1814-79, СТ СЭВ 1815-79). Сети распределительных систем телевидения и радиовещания. Основные параметры, технические требования, методы измерений и испытаний. - М.: Изд-во стандартов, 1983. - 31 с.
7. ГОСТ 11289-80 Антенны телевизионные приемные. Типы, основные параметры и общие технические требования. - М.: Изд-во стандартов, 1985. - 13 с.
8. Общая инструкция по строительству линейных сооружений городских телефонных сетей. - М.: Связь, 1978. - 432 с.
9. Антенные системы коллективного приема телевидения. М.: Связь, 1965, - 136 с.
10. Правила устройства электроустановок/Минэнерго СССР. - 6-е изд., перераб. и доп. - М.: Энергоатомиздат, 1986. - 648 с.
11. Временная инструкция по монтажу крупных систем коллективного приема телевидения (КСКПТ) и систем кабельного телевидения (СКТВ). - М.: Минсвязи СССР, 1986. - 64 с.
12. Временная инструкция по настройке крупных систем коллективного приема телевидения и систем кабельного телевидения. - М.: Минсвязи СССР, 1986. - 70 с.
13. Временная инструкция по приемке в эксплуатацию крупных систем коллективного приема телевидения (КСКПТ) и систем кабельного телевидения (СКТВ). - М.: Минсвязи СССР, 1988. - 27 с.
14. Крупные системы коллективного приема телевидения. Системы кабельного телевидения. Типовые материалы для проектирования. 1988.
15. ГОСТ 18198-85. Приемники телевизионные. Общие технические условия. М.: Изд-во стандартов, 1985.
16. Белик А.Я. и др. Технические средства для коллективного приема телевидения и кабельного телевидения//Электросвязь. - 1987. - № 2. - с. 10 - 16.
17. Пименов В.М., Бранзбург Б.Я., Колесников В.А. Кабели для систем кабельного телевидения. - М.: Связь, 1980. - 52 с.
18. Реушкин Н.А., Коданова Т.А. Повышение эффективности работы домовых распределительных сетей КСКПТ//Электросвязь. - 1983. - № 9. - с. 15 - 18.
19. Вильям А. Рейнфельд. Разработка малошумящих входных цепей на транзисторах. - М.: Связь, 1967.
20. International Electrotechnical Communication. Geneve. 1986. 185р. Cable Distribution System. Part 1. Publication 728.1. 1986
21. Рекомендация 370-1. Кривые распространения ОВЧ и УВЧ для диапазона частот 30 ÷ 1000 МГц. Радиовещание и подвижные службы//МККР. Документы XI Пленарной ассамблеи. Осло, 1966. Том 11. Распространение радиоволн. - М.: Связь, 1969. - с. 27 - 46.
22. СНиП II-4-79. Естественное и искусственное освещение/Госстрой СССР. - М.: Стройиздат, 1980. - 48 с.
23. Инструкция по проектированию электрооборудования жилых зданий. СН 544-82. - М.: Стройиздат, 1983. - 33 с.
24. СНиП 3.05.06-85. Электротехнические устройства/Госстрой СССР. - М.: ЦИТП Госстроя СССР, 1986. - 56 с.
25. Инструкция по устройству сетей заземления и зануления в электроустановках. - М.: Минсвязи СССР, 1977. - 35 с.
26. Общие производственные нормы расхода материалов в строительстве. Сборник 39. Кабельные линии связи/Минсвязи СССР. - М.: Стройиздат, 1986. - 72 с.
27. Правила строительства и ремонта воздушных линий связи и радиотрансляционных сетей, ч. 1. - М.: Связьиздат, 1975.
28. Руководящие технические материалы. Крупные системы коллективного приема телевидения. РТМ.6.030-1-87. - М.: Минсвязь СССР, 1988. - 130 с.
29. ГОСТ 12.1.005-76. Воздух рабочей зоны. Общие санитарно-гигиенические требования. - М.: Изд-во стандартов, 1977. - 32 с.
30. Инструкция по монтажу сооружений и устройств связи, радиовещания и телевидения. ВСН 600-81* Минсвязи СССР. - М.: Радио и связь, 1985. - 288 с.
31. Инструкция по проектированию силового и осветительного электрооборудования. СН 357-77. - М.: Стройиздат, 1977. - 94 с.
32. Инструкция по проектированию искусственного освещения предприятий связи. - М., 1977 - 29 с.
Примечание. Литература 1, 11 ÷ 13, 28 приведена в настоящем сборнике.
ВРЕМЕННЫЙ ТИПОВОЙ ДОГОВОР
НА ТЕХНИЧЕСКОЕ ОБСЛУЖИВАНИЕ
КРУПНЫХ СИСТЕМ КОЛЛЕКТИВНОГО ПРИЕМА
ТЕЛЕВИДЕНИЯ (КСКПТ)
в г. Москве
(утвержден 12.12.1985 г.)
|
Общесоюзная радиотелевизионная передающая станция имени 50-летия Октября Министерства связи СССР (ОРПС) в лице начальника тов. Мисюлина В.Н., действующего на основании Положения о социалистическом государственном производственном предприятии, утвержденного постановлением Совета Министров СССР от 14.10.65 г. № 731, и Устава Общесоюзной радиотелевизионной передающей станции имени 50-летия Октября Министерства связи СССР, утвержденного приказом Министерства связи СССР от 07.03.84 г. № 2948, в дальнейшем именуемая «Предприятие связи», с одной стороны, и производственное жилищное ремонтное объединение (ПЖРО) __________________________ р-на, (жилищно-эксплуатационная организация) ______________________ в лице начальника тов._____________________, действующего на основании Устава, Положения _________________________________ ___________________________________________________________________________ (наименование, дата, номер, кем утверждено) ___________________________________________________________________________ ___________________________________________________________________________ в дальнейшем именуемое «Организация», с другой стороны, заключили настоящий договор о нижеследующем. I. ПРЕДМЕТ ДОГОВОРА 1.1. В соответствии с решением Исполкома Моссовета от 29.08.83 г. № 2743 и приказом Министерства связи СССР от 06.01.84 г. № 8 «Предприятие связи» производит техническое обслуживание КСКПТ, указанных в приложении 1.2* и находящихся на балансе «Организации» в домах, эксплуатацию которых она осуществляет и составной частью инженерных сооружений которых является КСКПТ. Конкретные данные по каждой системе приведены в паспортах систем (приложение 2*), на основе которых составляются формуляры, являющиеся неотъемлемой частью настоящего договора (приложение 3). Примечания: 1. Приложение 1.2* подписывается ответственными лицами и заверяется печатями «Предприятия связи» и «Организации». 2. В формуляр включаются все дома, входящие в одну КСКПТ и находящиеся на балансе одной организации. Он подписывается ответственными лицами и заверяется печатями «Предприятия связи» и эксплуатирующей организации. 3. При любых изменениях в количестве обслуживаемых систем, количестве подключенных абонентов и соответствующей сумме оплаты за техническое обслуживание приложение 1.2 подлежит замене на измененное. Одновременно к договору прикладываются новые формуляры на дополнительно принятые системы или обслуживаемые системы, в которых произошли изменения. В основной текст договора при этом изменения не вносятся. 1.2. Техническое обслуживание КСКПТ осуществляется согласно соответствующим Правилам Министерства связи СССР. 1.3. «Организация», согласно_______________________________________________ (нормативный акт) ___________________________________________________________________________ (кем принят, когда утвержден, номер) ___________________________________________________________________________ ___________________________________________________________________________ ___________________________________________________________________________ перечисляет «Предприятию связи» причитающуюся по настоящему договору сумму за техническое обслуживание КСКПТ в соответствии с приложением 1.2. 1.4. Сторонами по договору могут быть только юридические лица. В тех случаях, когда жилищно-коммунальные организации не имеют своего расчетного или текущего счета и не являются самостоятельными предприятиями, а представляют собой лишь структурное подразделение какого-либо предприятия или учреждения, то настоящий договор заключается с последним. II. ОБЯЗАННОСТИ СТОРОН 2.1. «Предприятие связи» обязуется: 2.1.1. Участвовать в комиссиях по приемке КСКПТ в эксплуатацию «Организацией» от строительной организации согласно действующим положениям. 2.1.2. Обеспечивать работоспособность КСКПТ с качеством телевизионного изображения на экране телевизора, подключенного к абонентскому отводу, не менее 3 баллов (удовлетворительно) согласно ГОСТ 11216-83. 2.1.3. Производить следующие работы на КСКПТ: 2.1.3.1. Техническое обслуживание с периодическим контролем (по ГОСТ 18322-78) по графикам, разрабатываемым «Предприятием связи», в соответствии с п. 1.2 настоящего договора. 2.1.3.2. Текущий (внеплановый) ремонт (по ГОСТ 18322-78) для восстановления работоспособности системы по заявкам «Организации» (п. 2.2.14) в сроки, определенные п. 2.1.6 настоящего договора. 2.1.3.3. Непредвиденный ремонт для обеспечения работоспособности КСКПТ в случаях выхода из строя системы из-за пожара, урагана, затопления отдельных элементов оборудования и т.д., при необходимости замены отдельных элементов распределительной сети или отрезков радиочастотного кабеля в связи с выходом их из строя по техническим причинам, а также после хищения или умышленного повреждения отдельных элементов оборудования. 2.1.4. Представлять «Организации» по ее требованию графики технического обслуживания КСКПТ по п. 2.1.3.1. 2.1.5. При проведении контроля технического состояния КСКПТ отключать систему не более, чем на 8 часов в сутки один раз в месяц, и не более, чем на 40 часов в течение пяти суток один раз в год (за исключением праздничных дней и вечернего времени, в вечернее время допускается пониженное качество изображения у абонентов до окончания работ на системе). Сообщать «Организации» не позднее чем за 10 дней о планируемых сроках отключения КСКПТ. 2.1.6. Высылать специалистов по заявкам «Организации» и выполнять текущий ремонт КСКПТ в течение трех рабочих дней после поступления заявки на неисправность 1 и 2 общесоюзных программ, и в течение пяти рабочих дней - остальных программ при условии выполнения «Организацией» п.п. 2.2.11 и 2.2.12. 2.1.7. Непредвиденный ремонт КСКПТ осуществлять: 2.1.7.1. С использованием необходимого для его проведения оборудования и кабельной продукции, закупленных «Предприятием связи» для технического обслуживания систем, с оплатой их стоимости «Организацией». 2.1.7.2. При хищении оборудования в сроки по п. 2.1.6 после составления акта (см. п. 2.2.6), заверенного печатью эксплуатирующей организации (ДЭЗа). При отсутствии необходимого оборудования у «Предприятия связи» сроки восстановления систем после хищения устанавливаются по согласованию сторон. В других случаях, оговоренных пунктом 2.1.3.3, в согласованные сторонами сроки после составления совместного акта «Организации» и «Предприятия связи», заверенного их печатями, о техническом состоянии зданий и сооружений, обеспечивающее возможность восстановления системы. 2.1.8. Немедленно официально ставить в известность «Организацию» об обнаруженных фактах умышленной порчи или хищения оборудования КСКПТ и необходимости проведения непредвиденного ремонта, принимать участие в составлении соответствующего акта. 2.1.9. Вносить предложения, составлять и представлять на утверждение «Организации» проекты планов реконструкции КСКПТ не позднее , чем за 2 года до начала планируемого периода. Примечание. Реконструкция КСКПТ производится силами специализированной строительно-монтажной организации, как правило, один раз в 10 лет при условии действительной в ней необходимости, по проектам, разработанным в порядке, определенном для проектирования вновь создаваемых систем. 2.1.10. Составлять ежегодно (до марта месяца) перечень и количество запасных частей и оборудования импортного производства (на основе данных предыдущего года), которые необходимо закупать «Организации» для проведения непредвиденных ремонтов по п. 2.1.3.3. 2.2. «Организация» обязуется: 2.2.1. Подготавливать формуляры, необходимые изменения приложения 1.2 и заполнять графу 9 паспорта на КСКПТ на этапе приемки зданий под заселение. В случае незаключения договора в указанный срок по ее вине, проверка принимаемых на техническое обслуживание систем производится «Предприятием связи» в полном объеме, аналогичном приемке КСКПТ, Государственной комиссией за дополнительную плату по смете на фактические затраты «Предприятия связи». 2.2.2. Обеспечивать передачу «Предприятию связи» к моменту подписания акта приемки КСКПТ в эксплуатацию полного комплекта исполнительской и другой документации, необходимой для технического обслуживания КСКПТ, а также ЗИПа, предусмотренного проектом. 2.2.3. Сообщать «Предприятию связи» о любых изменениях в формулярах, являющихся неотъемлемой частью настоящего договора, и вносить необходимые коррективы в приложение 1.2 к настоящему договору не позднее 15 дней со дня фактического изменения. 2.2.4. Вносить коррективы в приложение 1.2 и формуляры по мере заселения домов-новостроек (а также реконструированных и капитально отремонтированных домов), включенных в КСКПТ, отражающие сведения о заселяемых квартирах, и сообщать об этом «Предприятию» не позднее 15-дневного срока со дня заселения квартиры. Примечание. Поскольку квартиросъемщики въезжают в квартиры, уже подключенные к КСКПТ, начисление абонентной платы производится без письменного заявления. В случае нежелания пользоваться КСКПТ абонент должен подать заявление об отключении от КСКПТ. Днем отказа от пользования считается день получения «Предприятием связи» сообщения от «Организации». 2.2.5. Перечислять не позднее 10 числа следующего за платежным месяца в соответствии с приложением 1.2 на расчетный счет «Предприятия связи» (см. п. 5.2) причитающуюся ему сумму абонентской платы за техническое обслуживание КСКПТ. 2.2.6. Немедленно вызывать представителей «Предприятия связи» при нарушении работоспособности КСКПТ из-за случаев, указанных в п. 2.1.3.3, составлять с участием представителей владельца зданий и «Предприятия связи» акты о случившемся и о восстановлении системы и заверять их печатями, по 2 экз. актов передавать «Предприятию связи», оплачивать стоимость установленного оборудования в 10-дневный срок после представления «Предприятием связи» акта о восстановлении работоспособности системы и счета на оплату. 2.2.7. Своевременно заказывать и финансировать проектирование и выполнение силами специализированной строительно-монтажной организации реконструкции КСКПТ по соответствующим планам (п. 2.1.9). 2.2.8. Не производить самостоятельно, а также не допускать других лиц и организаций к производству работ на антенно-кабельных сооружениях, головных станциях, магистральных и линейных усилителях КСКПТ без разрешения «Предприятия связи». 2.2.9. Обеспечивать сохранность антенно-кабельных сооружений, магистральных и распределительных усилителей и оборудования головных станций. Регулярно контролировать средства защиты от хищения оборудования КСКПТ, при их нарушении срочно восстанавливать. Примечание. Ответственность за выход из строя системы или ухудшение качества телевизионного изображения в результате хищения, разукомплектования или порчи оборудования и антенно-кабельных сооружений несет «Организация». 2.2.10. Передавать «Предприятию связи» в кратчайшие сроки импортное оборудование, закупленное для проведения непредвиденных ремонтов, после чего «Предприятием связи» будут произведены восстановительные работы в сроки, согласованные с «Организацией». При невозможности поставки такого оборудования решить в кратчайшие сроки с проектной организацией и «Предприятием связи» вопрос обеспечения приема телевидения абонентами КСКПТ, в которой похищено оборудование. 2.2.11. Содержать в исправности выходы и проходы по чердакам, подвалам и крышам зданий к антенно-кабельным сооружениям и оборудованию КСКПТ. Обеспечивать беспрепятственный допуск работников «Предприятия связи» (при предъявлении соответствующего документа) на чердаки, подвалы, крыши зданий, к собственной кабельной канализации для выполнения требуемых работ. Содержать в исправности электросеть и освещение, электрозащитное и молниезащитное заземления, ограждения крыш, обеспечивая безопасные условия работы персонала «Предприятия связи». При обнаружении отклонения от нормы величины сопротивления заземления осуществлять работы по его восстановлению в кратчайшие сроки. Поддерживать в исправном состоянии настилы и мостики над трубами и инженерными коммуникациями для возможности прохода к оборудованию КСКПТ и переноса измерительных приборов. При их отсутствии обеспечивать безопасные условия прохода к оборудованию КСКПТ. Решать с управлением коллекторов вопрос о допуске работников «Предприятия связи» для обслуживания линейных сооружений КСКПТ. 2.2.12. При затоплении подвалов, коллекторов, канализации, где проходят кабели КСКПТ, производить откачку воды из них. 2.2.13. До начала плановых строительных и ремонтных работ, которые могут повлечь за собой нарушение работы систем, порчу антенно-кабельных сооружений, головных станций и оборудования КСКПТ, обеспечивать силами проектных и строительно-монтажных организаций включение КСКПТ по временной схеме по согласованию с «Предприятием связи». 2.2.14. Принимать заявки на неисправности в работе КСКПТ от абонентов, регистрировать их в специальном журнале объединенной диспетчерской службы (ОДС) «Организации» (форма журнала и примеры его заполнения приведены в приложении 4») и за время не более 2-х часов передавать «Предприятию связи». Заявки передаются «Предприятию связи» в следующих случаях: при нескольких заявках абонентов одного подъезда без подтверждения из телеателье; при разовой заявке абонента с подтверждением о неисправности КСКПТ из телеателье. 2.2.15. Обеспечивать выполнение объединенными диспетчерскими службами (ОДС) «Организации» инструкции (приложение 4) по принятию заявок от абонентов КСКПТ, разработанной «Предприятием связи» и согласованной с «Организацией». 2.2.16. Заранее оповещать абонентов системы: об особенностях приема телевизионных передач в системах с конвертированием (приложение 5) или имеющие другие технические особенности по дополнительной информации» подготовленной «Предприятием связи»; о сроках проведения контроля технического состояния, времени отключения системы и возможности временного ухудшения качества приема телевизионных передач (см. п. 2.1.6). 2.3. Штрафные санкции при нарушении сторонами своих обязательств отовариваются в разделе «Особые условия» по согласованию «Предприятия связи» и «Организации». III. ПОРЯДОК РАСЧЕТОВ 3.1. «Организация» обязана не позднее 10 числа следующего за платежным месяца, в соответствии с приложением 1.2, перечислять на расчетный счет «Предприятия связи» (см. п. 5.2) договорную сумму за пользование КСКПТ платежными поручениями, подлежащими оплате банком в порядке очередности, установленной постановлением Совета Министров СССР от 16 сентября 1983 г. № 911 «Основные положения о расчетах в народном хозяйстве СССР». 3.2. «Предприятие связи» обязано ежемесячно оплачивать услуги «Организации» по сбору абонементной платы за обслуживание КСКПТ в размере 2 % от сумм, перечисленных «Предприятию связи». IV. ОСОБЫЕ УСЛОВИЯ 4.1. В случае задержки «Организацией» перечисления причитающейся по настоящему договору за оплачиваемый месяц суммы «Предприятие связи» 12 числа каждого месяца представляет в банк на инкассо платежное требование на оплату за техническое обслуживание. 4.2. При просрочке платежа «Организация» уплачивает «Предприятию связи» пени в размере 0,05 % от суммы договора за каждый день просрочки. 4.3. Договор заключен в 2 экземплярах по одному для каждой стороны. 4.4. Все спорные вопросы по настоящему договору решаются в соответствии с действующим законодательством, регулирующим хозяйственные споры. 4.5. В дальнейшем стороны по согласованию между собой и с вышестоящими организациями по подчиненности могут вносить дополнения в данную главу настоящего договора. 4.6. «Предприятие связи» лишается права на получение с «Организации» абонентской платы за данный месяц за абоненты, по которым имелось нарушение обязательств, указанных в п. 2.1.6. 4.7. «Организация» оплачивает фактические затраты «Предприятия связи» за выезды по заявкам в следующих случаях: 4.7.1. При подаче заявок с нарушением п. 1 инструкции по принятию заявок от абонентов КСКПТ. ___________________________________________________________________________ ___________________________________________________________________________ ___________________________________________________________________________ ___________________________________________________________________________ ___________________________________________________________________________ V. СРОК ДОГОВОРА И АДРЕСА СТОРОН 5.1. Срок действия настоящего договора определен с _________ 19__ г. до _________ 19__ г. При неполучении сторонами за месяц до истечения указанного срока письменного заявления условий договора, последний считается продленным на год. 5.2. Адреса, номера счетов для расчетов и телефоны: «Предприятие связи» ______________________________________________________ ___________________________________________________________________________ ___________________________________________________________________________ ___________________________________________________________________________ ___________________________________________________________________________ «Организация» ___________________________________________________________ ___________________________________________________________________________ ___________________________________________________________________________ ___________________________________________________________________________ 5.3. Приложение к договору: 1*. Общие данные о КСКПТ, принятых на техническое обслуживание ОРПС. (паспорт) 2. Технический паспорт КСКПТ.** 3. (Формуляр.) 4. Инструкция для диспетчеров ДЭЗ Главмосжилуправления (ведомств) с приложением «Форма журнала».
________ * - см. приложение 1.2 временной инструкции по приемке в эксплуатацию КСКПТ и СКТВ (приведено в настоящем сборнике). ** - см. приложение 2 временной инструкции по приемке в эксплуатацию КСКПТ и СКТВ (приведено в настоящем сборнике). |
|
___________________________________ р-н города ______________________________ Изменение № __________ от «__» _________ 198_ г. Фактическое количество подключений на 01. ___________ 198_ г.: ___________ Сумма оплаты за техобслуживание: _____________________ руб. ______________ коп.
___________________________________________________________________________ ___________________________________________________________________________ ___________________________________________________________________________ ___________________________________________________________________________ ___________________________________________________________________________ ___________________________________________________________________________ ___________________________________________________________________________ ___________________________________________________________________________ ___________________________________________________________________________ ___________________________________________________________________________ Итого: _____________________ Всего: _____________________
|
ИНСТРУКЦИЯ ДЛЯ ДИСПЕТЧЕРОВ
ДЭЗ
ПРИ ПОЛУЧЕНИИ ЗАЯВОК НА НЕИСПРАВНОСТЬ КСКПТ
Диспетчер ДЭЗа обязан:
1. Принять заявку о неисправности коллективной антенны от владельца телевизора (абонента) в следующих случаях:
при предъявлении им квитанции, оставленной механиком телеателье, который осмотрел телевизор и сделал в ней записи об исправности телевизора и абонентского отвода и необходимости ремонта КСКПТ. Квитанция должна быть оставлена диспетчеру для передачи представителю предприятия связи, прибывшему по вызову;
при значительном ухудшении качества телевизионного изображения или при его пропадании у нескольких абонентов одного подъезда, проведенные техником-смотрителем или другим ответственным работником ДЭЗа.
2. Зарегистрировать заявки в журнале в графе 1.
3. Передать заявку по телефону, сделав соответствующую запись в журнале (графы 5, 6).
4. При прибытии специалистов предприятия связи выдать им ключи от помещений, где установлено оборудование КСКПТ под расписку при предъявлении служебных удостоверений.
5. В случаях отсутствия электропитания или освещения, необходимого для нормальной работы КСКПТ или ее обслуживания, а также при затоплении подвальных помещений, где расположено оборудование системы, в кратчайшие сроки вызвать соответствующие организации для устранения вышеуказанных неполадок, поставив в известность об этом руководство ДЭЗа.
6. После устранения неисправности подтвердить выполнение заявки росписью в наряде специалиста предприятия связи.
7. При заключении специалиста предприятия связи о необходимости проведения среднего или восстановительного (при похищении или умышленном повреждении оборудования или кабелей) ремонтов немедленно ставить в известность об этом руководство ДЭЗа для заключения договора с предприятием связи на проведение соответствующих работ.
ЗАПРЕЩАЕТСЯ направление абонентов непосредственно в службу предприятия связи.
Форма журнала
|
Дата и время поступления заявки |
(Адрес, фамилия, телефон аб-та, номер квитанции, или № квартиры и Ф. И. О. кто проверил) |
Причина вызова |
Дата и время передачи заявки |
Фамилия лица, принявшего заявку |
Дата и результаты проведенных работ |
Ф. И. О. роспись специалиста |
Примечание |
|
|
искажение или пропадание изображ. и № каналов |
характер искажений |
|||||||
|
1 |
2 |
3 |
4 |
5 |
6 |
7 |
8 |
9 |
|
20/Х 1500 |
Коломенская ул., д. 15 корп. 1, Сидоров 118-55-60 телеателье № 9 квитанция № 954111 |
|
|
21/Х 1000 |
Иванова |
21/Х - проведен текущий (мелкий) ремонт |
|
|
|
|
|
|
|
|
|
21/Х - нет питающего напряж. 220 В |
|
|
|
|
|
|
|
|
|
21/Х - похищен усилитель, требуется восстановительный ремонт, акт составлен |
|
|
|
|
|
|
|
|
|
21/Х - требуется проведение среднего ремонта |
|
|
|
|
|
|
|
|
|
(в журнал вносится одна из указанных или других причин) |
|
|
УВАЖАЕМЫЕ ТОВАРИЩИ ЖИЛЬЦЫ!
Ваш дом с ___________ с. г. подключен к крупной системе коллективного приема телевидения (КСКПТ), которая позволяет смотреть телевизионные программы На следующих частотных каналах:
|
I вариант Первая программа - 12 канал Вторая программа - 4 канал Московская программа - 9 канал Четвертая программа - 2 канал Пятая программа - 7 канал |
II вариант Первая программа - 12 канал Вторая программа - 2 канал Московская программа - 7 канал Четвертая программа - 4 канал Пятая программа - 9 канал |
В случае, если качество телевизионных изображений будет неудовлетворительным, Вам необходимо вызвать механика телеателье, который установит причину брака (неисправность в телевизоре или в антенной системе).
Заявки на неисправность КСКПТ принимаются диспетчерской ДЭЗа, только при наличии соответствующей записи в квитанции, выданной механиком телеателье после проверки Вашего телевизора.
Для подачи заявки представьте эту квитанцию в диспетчерскую ДЭЗа.