
ГОСУДАРСТВЕННЫЙ КОМИТЕТ РОССИЙСКОЙ ФЕДЕРАЦИИ
ПО СВЯЗИ И ИНФОРМАТИЗАЦИИ
Стандарт отрасли
АППАРАТУРА ПЕРЕДАЧИ ДАННЫХ.
ЦЕПИ СТЫКА СИММЕТРИЧНЫЕ ДЛЯ
ДВУХПОЛЯРНОГО ТОКА
Общие требования
ОСТ 45.109-97
Москва - 1997
ЦНТИ «Информсвязь»
Предисловие
1 РАЗРАБОТАН Центральным научно-исследовательским институтом связи
ВНЕСЕН Научно-техническим управлением и охраны труда Госкомсвязи России
2 УТВЕРЖДЕН Госкомсвязи России
3 ВВЕДЕН В ДЕЙСТВИЕ информационным письмом от 03.10.97 № 5087
4 ВВЕДЕН ВПЕРВЫЕ
СОДЕРЖАНИЕ
Введение
Настоящий стандарт отрасли разработан с учетом современных требований к сетям связи для передачи данных с целью обеспечения правильного функционирования оконечного оборудования данных (ООД) и аппаратуры окончания канала данных (АКД).
ОСТ 45.109-97
СТАНДАРТ ОТРАСЛИ
АППАРАТУРА ПЕРЕДАЧИ ДАННЫХ.
ЦЕПИ СТЫКА СИММЕТРИЧНЫЕ ДЛЯ ДВУХПОЛЯРНОГО ТОКА
Общие требования
Дата введения 01.01.1998
Настоящий стандарт отрасли распространяется на симметричные цепи стыка, работающие двухполярным током и предназначенные для работы на скоростях передачи данных до 10 Мбит/с.
Стандарт устанавливает основные требования к электрическим характеристикам генератора и приемника, а также к методам их измерений при работе по симметричным цепям стыка.
Стандарт предназначен для разработчиков аппаратуры передачи данных и специалистов, занимающихся ее эксплуатацией.
В настоящем стандарте использованы ссылки на стандарт:
ГОСТ 23675-79 Цепи стыка С2 системы передачи данных. Электрические параметры.
3.1 В настоящем стандарте применяются следующие термины с соответствующими определениями:
логическое состояние «0» - состояние «0» двоичного сигнала для цепей категории «данные» или состояние «ВКЛЮЧЕНО» для цепей категории «синхронизация» и «управление»;
логическое состояние «1» - состояние «1» двоичного сигнала для цепей категории «данные» или состояние «ВЫКЛЮЧЕНО» для цепей категории «синхронизация» и «управление»;
цепи категории «данные» - информационные цепи стыка;
цепи категории «синхронизация» - цепи стыка, необходимые для поддержания требуемых фазовых соотношений между сигналами взаимодействия ООД и АКД;
цепи категории «управление» - цепи стыка, служащие для управления обменом данных между ООД и АКД;
элемент сигнала - часть цифрового сигнала данных, отличающаяся от остальных частей значением одного из своих представляющих параметров;
дифференциальный приемник - приемник, который реагирует на разность напряжений между его входами;
внутреннее смещение симметрии - разность коэффициента передачи дифференциального приемника для положительного и отрицательного сигнала;
общий провод - провод, соединяющий точки подключения всех генераторов и приемников на ООД или АКД;
общий обратный провод - провод, соединяющий «общие провода» АКД и ООД;
напряжение холостого хода генератора - напряжение, измеренное на нагрузочном сопротивлении, включенном на выходе генератора, величина которого в несколько раз превышает величину нагрузочного сопротивления в рабочем режиме;
напряжение смещения генератора - постоянное напряжение между средней точкой нагрузки генератора и общим проводом.
3.2 В настоящем стандарте применяются следующие сокращения:
АКД - аппаратура окончания канала данных;
ООД - оконечное оборудование данных;
Г - генератор;
ПР - приемник.
4.1 Эквивалентная схема симметричной цепи стыка
4.1.1 Симметричная цепь стыка состоит из симметричного генератора, соединенного с симметричным приемником при помощи симметричной соединительной пары.
При всех передаваемых сигналах алгебраическая сумма обоих выходных потенциалов симметричного генератора по отношению к заземлению должна быть постоянной, а импедансы выходов по отношению к заземлению должны быть одинаковыми.
4.1.2 Типичными случаями применения симметричных цепей стыка является соединение оконечного оборудования данных (ООД) с аппаратурой окончания канала данных (АКД) или двух ООД.
Возможность взаимодействия симметричных цепей стыка с несимметричными цепями стыка показана в приложении А.
Требования, предъявляемые к параметрам соединительного кабеля и нагрузочному сопротивлению, приведены в Приложении Б.
Примечание - Симметричные цепи стыка можно использовать для работы на низких скоростях в случаях, когда:
- соединительный кабель имеет слишком большую длину, что не обеспечивает правильной работы несимметричной цепи;
- внешние источники помех делают работу несимметричной цепи невозможной;
- необходимо уменьшить взаимное влияние сигналов разных цепей стыка.
4.1.3 Эквивалентная схема симметричной цепи стыка не должна зависеть от взаимного расположения генератора и нагрузки: генератор может помещаться в ООД, нагрузка в АКД и наоборот.
Эквивалентная схема симметричной цепи стыка приведена на рисунке 1.
а, в (а¢, в¢) - точки подключения генератора (нагрузки);
с (с¢) - нулевая точка генератора (приемника);
Uав - выходное напряжение генератора между точками А и В;
Uса - напряжение генератора между точками С и A;
Uсв - напряжение генератора между точками С и В;
Zt - сопротивление нагрузки кабеля;
Ug - разность потенциалов заземления генератора и приемника.
Примечания
1 Выходные параметры генератора без соединительного кабеля определяются в «точках подключения генератора». Электрические характеристики приемника определяются в «точках подключения нагрузки».
2 Точку с допускается соединять с точкой с¢ и защитным заземлением.
Рисунок 1 - Эквивалентная схема симметричной цепи стыка
4.1.4 Требования к параметрам соединительного кабеля предъявляются со стороны ООД. Разграничительная линия между АКД и ООД, представляющая стык, физически реализуется в виде разъема согласно ГОСТ 23675. Эквивалентная схема симметричной цепи стыка для обоих направлений передачи показана на рисунке 2.
Линия разграничения
(стык)
а, в - точки стыка генератора;
а¢, в¢ - точки стыка нагрузки;
с, с¢ - точки стыка с нулевым потенциалом;
Zt - сопротивление нагрузки кабеля.
Примечания
1 Точки стыка с, с¢ с нулевым потенциалом допускается соединять с помощью провода «Сигнальное заземление».
2 Провод «Сигнальное заземление» допускается подключать к внешнему защитному заземлению.
Рисунок 2 - Эквивалентная схема симметричной цепи стыка для обоих направлений передачи
4.2.1 Выходные параметры генератора определяются в «точках подключения генератора», которые показаны на рисунке 1.
Состояния выходного сигнала генератора определяются полярностью и амплитудой напряжения между точками а и в, показанными на рисунке 1.
Потенциал в точке а генератора должен быть положительным относительно потенциала в точке в, когда передается сигнал, соответствующий логическому состоянию «0» для цепей категории «данные» или состоянию «включено» для цепей категории «синхронизация» и «управление».
Потенциал в точке а генератора должен быть отрицательным относительно потенциала в точке в, когда передается сигнал, соответствующий логическому состоянию «1» для цепей категории «данные» или состоянию «выключено» для цепей категории «синхронизация» и «управление».
4.2.2 Полное сопротивление генератора между точками а и в должно быть от 50 до 100 Ом и должно быть симметричным относительно точки с [1].
4.2.3 Значение напряжения смещения генератора должно быть не более 3 В при любых рабочих условиях [1].
4.2.4 Измерение напряжения холостого хода генератора производится при включении между точками а и в сопротивления нагрузки R, равного 3,9 кОм.
Значение напряжения U0 для каждого логического состояния должно находиться в пределах от минус 6 В до плюс 8 В. Значения напряжений U0a и U0b также должны находиться в пределах от минус 6 В до плюс 6 В [1].
Схема измерения приведена на рисунке 3.
4.2.5 Выходное напряжение Ut при испытательной нагрузке в виде двух резисторов по 50 Ом каждый, включенных последовательно между точками а и в, должно быть не менее 2 В или 0,5U0 согласно п. 4.2.4, в зависимости от того что больше.
При смене логического состояния полярность выходного напряжения Ut должна измениться на противоположную (-Ut). Разность абсолютных значений этих напряжений должна быть не более 0,4 В.
а, в - точки подключения генератора;
с - нулевая точка генератора;
R - сопротивление нагрузки;
В - вольтметр;
U0 - выходное напряжение генератора;
U0a, (U0b) - напряжение генератора между точками а и с, (в и с).
Рисунок 3 - Схема измерения напряжения при холостом ходе
Напряжение смещения генератора U0s, измеряемое между средней точкой испытательной нагрузки и точкой стыка с, должно находиться в пределах от минус 3 В до плюс 3 В.
Разность значений U0s противоположных логических состояний должна находиться в пределах от минус 0,4 В до плюс 0,4 В [1].
Схема измерения приведена на рисунке 4.
4.2.6 Ток короткого замыкания, протекающий при соединении точек а и в c точкой с для каждого логического состояния, должен быть не более 150 мА [1].
Схема измерения приведена на рисунке 5.
R1 = R2 = 50 Ом (подобранная пара);
а, в - точки подключения генератора;
с - нулевая точка генератора;
B - вольтметр;
Ut - выходное напряжение генератора на нагрузке 100 Ом;
U0s - напряжение смещения генератора.
Рисунок 4 - Схема измерения напряжения при испытательной нагрузке
а, в - точки подключения генератора;
с - нулевая точка генератора;
мA - миллиамперметр;
Isa - ток короткого замыкания, протекающий через точку а;
Isb - ток короткого замыкания, протекающий через точку в.
Рисунок 5 - Схема измерения токов при коротком замыкании
4.2.7 Ток утечки для каждой выходной цепи генератора а и в относительно точки с при отключенном питании генератора и приложенном испытательном напряжении между точками а и в и точкой нулевого потенциала с в диапазоне от минус 0,25 В до плюс 0,25 В должен быть не более 100 мкА [1].
Схема измерения приведена на рисунке 6.
а, в - точки подключения генератора;
с - нулевая точка генератора;
мкА - микроамперметр;
Iха - ток утечки, протекающий по цепи а;
Ixb - ток утечки, протекающий по цепи в.
Рисунок 6 - Схема измерения токов утечки при отключении питания
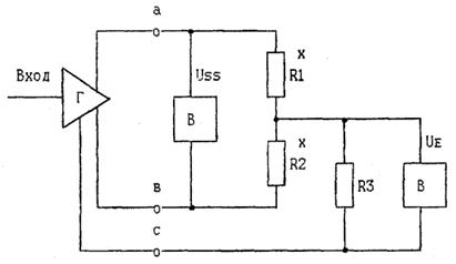
4.2.8 Симметрия и время нарастания напряжения выходных сигналов генератора каждого логического состояния должны измеряться на испытательном сигнале, представляющем последовательность чередующихся «единиц» и «нулей» с номинальной длительностью элементов этого сигнала tb.
Нарастание напряжения выходного сигнала в интервале от 0,1 до 0,9 значения Uss при переходе из одного логического состояния в другое должно происходить линейно за время не более 0,1tb либо 20 нс, в зависимости от того, что больше.
Отклонение амплитуды напряжения выходного сигнала относительно установившегося состояния «0» или «1» (за пределами интервала от 0,1 до 0,9 значения Uss) должно быть не более ±0,1Uss.
Напряжение Uss представляет собой разность напряжений генератора в устойчивых состояниях.
Напряжение, образующееся из-за несимметрии цепей генератора UE, измеренное на нагрузке 50 Ом, должно находиться в пределах от минус 0,4 В до плюс 0,4 В при максимальных значениях напряжения каждого логического состояния [1].
Схема измерения приведена на рисунке 7.
Форма выходного сигнала генератора для симметричной цепи стыка приведена на рисунке 8.
R1 = R2 = R3 = 50 Ом;
х - подобранная пара;
а, в - точки подключения генератора;
с - нулевая точка генератора;
В - вольтметр;
UE - напряжение, образующееся из-за несимметрии цепей генератора;
Uss - разность напряжений устойчивых состояний генератора.
Рисунок 7 - Схема определения симметрии и времени нарастания выходного сигнала генератора
tb - номинальная длительность элемента сигнала;
tr+ - длительность перехода сигнала из состояния «1» в состояние «0»;
tr- - длительность перехода сигнала из состояния «0» в состояние «1»;
Uss - разность напряжений устойчивых состояний генератора;
Рисунок 8 - Форма выходного сигнала генератора для симметричной цепи стыка
4.3.1 Нагрузкой является приемник и возможное сопротивление нагрузки кабеля Zt, приведенные на рисунке 1.
Для обеспечения требуемых параметров нагрузки используется схема дифференциального приемника, имеющего высокое входное сопротивление, небольшую переходную область порога на входе (разность напряжений от минус 0,3 до плюс 0,3 В) и допуск на внутреннее смещение симметрии в пределах от минус 3 В до плюс 3 В.
Электрические характеристики приемника определяются в «точках подключения нагрузки» согласно рисунку 1.
Состояние приемника при различных уровнях сигнала на его входах приведено в таблице 1.
Графическое изображение состояний «1» и «0» на входе приемника показано на рисунке 9.
Таблица 1 - Состояние приемника при различных уровнях сигнала на его входах
|
Категория цепи |
Состояние приемника при Uа¢ - Uв¢ £ -0,3 В |
Состояние приемника при Uа¢ - Uв¢ ³ +0,3 В |
|
Данные |
1 |
0 |
|
Управление, синхронизация |
ВЫКЛЮЧЕНО |
ВКЛЮЧЕНО |
|
Примечание - Ua¢ напряжение в точке а¢ относительно точки с¢; Uв¢ - напряжение в точке в¢ относительно точки с¢. |
||
Рисунок 9 - Графическое изображение состояний «1» и «0» на входе приемника
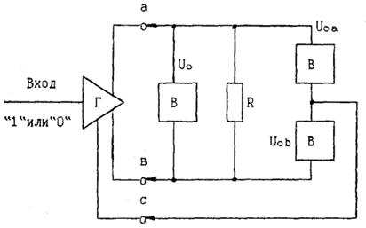
4.3.2 Измерение тока на входе приемника происходит при изменении напряжения Uia (или Uib) на входе от минус 10 до плюс 10 В, при этом Uib (или Uia) поддерживается равным 0 В. Схема измерений приведена на рисунке 10. График зависимости тока на входе приемника от напряжения на его входе показан на рисунке 11.
Результирующий входной ток Iia (или Iib) должен оставаться в пределах заштрихованной области графика, показанного на рисунке 11.
Эти измерения проводятся как при включенном, так и при отключенном источнике питания приемника [1].
а¢, в¢ - точки подключения нагрузки;
с¢ - нулевая точка приемника;
В - вольтметр;
мА - миллиамперметр;
Uia - напряжение на входе приемника между точками а¢ и с¢;
Uib - напряжение на входе приемника между точками в¢ и с¢;
Iia - входной ток приемника через точку а¢;
Iib - входной ток приемника через точку в¢.
Рисунок 10 - Схема измерения тока на входе приемника при изменении напряжения на его входе
Uia; (Uib) - напряжение на входе приемника между точками а¢ и с¢ (между точками в¢ и с¢);
Iia; (Iib) - входной ток приемника через точку а¢ (через точку в¢).
Рисунок 11 - График зависимости тока на входе приемника от напряжения на входе приемника
4.3.3 Переход приемника в заданное логическое состояние при измерении чувствительности приемника на постоянном токе должен происходить при разности напряжений на входах приемника Ui не более 0,3 В во всем диапазоне напряжения смещения Uсм от плюс 7 В до минус 7 В.
Схема измерения чувствительности приемника на постоянном токе приведена на рисунке 12.
Приемник должен удовлетворять следующим требованиям:
- изменение полярности напряжения Ui должно приводить к переходу приемника в другое логическое состояние;
- максимальное напряжение, которое может быть приложено между одной из двух входных точек приемника и общим проводом (точкой с¢), должно быть не более 10 В и не должно приводить к неправильному срабатыванию приемника;
- приемник не должен выходить из строя при разности напряжений до 12 В включительно на его входных зажимах а¢ и в¢;
- при комбинациях напряжений Uia и Uib на входах приемника, приведенных в таблице 2, приемник должен сохранять определенное логическое состояние на выходе и должен работать без повреждений [1].
Примечание - Медленные изменения сигнала при переходе через пороговые значения при наличии помех могут приводить к нестабильности или колебаниям в приемнике. Для предотвращения таких явлений могут быть установлены разные значения порогов перехода приемника из одного состояния в другое для разных направлений изменения сигнала согласно ГОСТ 23675.
а¢, в¢ - точки подключения нагрузки;
с¢ - нулевая точка приемника;
В - вольтметр;
Ui - напряжения на входе приемника;
Uia - напряжение на входе приемника между точками а¢ и с¢;
Uib - напряжение на входе приемника между точками в¢ и с¢.
Рисунок 12 - Схема измерения чувствительности приемника на постоянном токе
Таблица 2 - Комбинации, напряжений на входах приемника и соответствующие им логические состояния на его выходе
|
Подаваемые напряжения |
Результирующее входное напряжение, Ui |
Логическое состояние на выходе |
Цель измерения |
|
|
Uia |
Uib |
|||
|
-12 В |
0 В |
-12В |
Не определено |
Проверка сохранения работоспособности после воздействия повышенного напряжения на входе |
|
0 В |
-12 В |
+12 В |
||
|
+12 В |
0 В |
+12 В |
||
|
0 В |
+12 В |
-12В |
||
|
+10 В |
+4 В |
+6 В |
0 |
Проверка правильности работы при Ui = 6 В |
|
+4 В |
+10 В |
-6 В |
1 |
|
|
-10 В |
-4 В |
-6 В |
1 |
|
|
-4 В |
-10 В |
+6 В |
0 |
|
|
|
|
|
|
Проверка порогового напряжения 300 мВ при |
|
+0,30 В |
0 В |
+0,3 В |
0 |
|
|
0 В |
+0,30 В |
-0,3 В |
1 |
Uсм = 0 В |
|
+7,15 В |
+6,85 В |
+0,3 В |
0 |
Uсм = +7 В |
|
+6,85 В |
+7,15 В |
-0,3 В |
1 |
|
|
-7,15 В |
-6,85 В |
-0,3 В |
1 |
Uсм = -7 В |
|
-6,85 В |
-7,15 В |
+0,3 В |
0 |
|
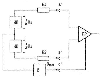
4.3.4 При проверке симметрии входа приемника, сбалансированность входных сопротивлений приемника и внутреннее смещение симметрии должны быть такими, чтобы приемник сохранял заданное логическое состояние при условиях, приведенных на рисунке 13 и описанных ниже:
- Ui равно плюс 720 мВ и Uсм изменяется от минус 7 до плюс 7 В по любому закону;
- Ui равно минус 720 мВ и Uсм изменяется от минус 7 до плюс 7 В по любому закону;
- Ui равно плюс 300 мВ, Uсм представляет собой прямоугольные импульсы с размахом амплитуд 1,5 В при самой высокой применяемой скорости передачи данных, как показано на рисунке 14а;
- Ui равно минус 300 мВ, Uсм представляет собой прямоугольные импульсы с размахом амплитуд 1,5 В при самой высокой применяемой скорости передачи данных, как показано на рисунке 14б [1].
R1, R2 = 500 Ом (подобранная пара);
а¢, в¢ - точки подключения нагрузки;
с¢ - нулевая точка приемника;
ИП - источник питания;
В - вольтметр:
1/2Ui - испытательное напряжение;
Uсм - напряжение смещения.
Рисунок 13 - Схема проверки симметрии входа приемника
Рисунок 14 - Вид сигнала на входе приемника
4.3.5 Использование нагрузочного сопротивления кабеля является не обязательным и зависит от конкретных условий, в которых применяется цепь стыка. Данные о нагрузочном сопротивлении даны в Приложении Б.
Общее сопротивление нагрузки должно быть не менее 100 Ом.
4.4.1 Для устойчивой работы симметричной цепи стыка на скоростях передачи данных от 0 до 10 Мбит/с должны быть выполнены следующие условия:
- каждая цепь стыка должна выполняться в виде симметричной соединительной пары;
- каждая цепь стыка должна иметь соответствующую нагрузку, которая указана в Приложении Б;
- суммарное амплитудное значение напряжения на общем проводе приемника должно быть менее 7 В.
Напряжение на общем проводе приемника образуется за счет:
а) разности потенциалов нулевых точек генератора и приемника (Ug на рисунке 1);
б) напряжения наводимой продольной случайной помехи между точками а¢ или в¢ и точкой с¢ приемника при замкнутых точках стыка а¢, в¢ и с¢ генератора, показанных на рисунке 1;
в) напряжения смещения генератора по постоянному току (U0s на рисунке 4) - при его наличии.
Суммарное амплитудное значение указанных выше напряжений по пп. а и в, вызываемых в общем проводе окружающей средой, должно быть не более 4 В, кроме случаев, когда генератор не вырабатывает напряжения смещения по постоянному току.
4.4.2 Генератор и нагрузочные устройства симметричной цепи стыка должны сохранять работоспособность при следующих режимах работы:
- холостой ход генератора;
- короткое замыкание между проводами соединительного кабеля;
- короткое замыкание между одним или обоими сигнальными проводами и точкой с или с¢, показанными на рисунке 1.
Примечания
1 При содержании в типовом модуле интегральных схем множества генераторов и приемников сигналов, в каждый отдельный момент времени допускается только одна неисправность на модуль.
2 Между входными или выходными точками генератора и приемника и их обратными проводами (точками с или с¢, показанными на рисунке 1) при случайном подключении цепей соединительного кабеля к посторонним источникам или при воздействии сильных электромагнитных полей может возникнуть паразитное напряжение, амплитуда которого превышает допустимое значение. Для предотвращения этих явлений следует применять защиту.
4.5.1 Приемник при возникновении неисправности в цепях стыка должен обеспечить ее обнаружение с помощью дополнительных средств. Установление причин неисправности возможно на основании следующих признаков:
тип 0 - приемник (нагрузка) не выдает никакой сигнализации, так как не способен обнаружить неисправность;
тип 1 - сигнализация об установлении цепи данных в состояние «1», а цепи управления и синхронизации в состояние «выключено» - при обнаружении определенного типа неисправности;
тип 2 - сигнализация об установлении цепи данных в состояние «0», а цепи управления и синхронизации в состояние «включено» - при обнаружении определенного типа неисправности;
тип 3 - приемник вырабатывает специальную индикацию при возникновении определенного типа неисправности.
Примечание - В цепях стыка требуется обнаружение следующих неисправностей:
- генератор не имеет питания;
- приемник не соединен с генератором;
- обрыв соединительного кабеля;
- короткое замыкание соединительного кабеля;
- сигнал на входе нагрузки остается в пределах переходной области (±300 мВ) в течение ненормального интервала времени.
Контрольные измерения при оценке правильности работы стыка подразделяются на обязательные и необязательные.
Обслуживающий персонал должен иметь возможность проведения контрольных измерений параметров симметричных цепей в физической точке стыка (на разъеме).
4.6.1 Обязательными измерениями являются:
- величина напряжения смещения генератора по постоянному току при всех рабочих условиях;
- измерение напряжения при холостом ходе;
- измерение напряжения при испытательной нагрузке;
- измерение тока при коротком замыкании;
- определение симметрии и времени нарастания выходного сигнала генератора в динамическом режиме;
- измерение чувствительности приемника на постоянном токе.
4.6.2 При необходимости проводятся:
- измерение полного сопротивления генератора между точками а и в;
- измерение тока утечки при отключении питания генератора;
- измерение напряжения и тока на входе приемника;
- проверка симметрии входа приемника;
- обнаружение и установление причин неисправности в цепях стыка (п. 4.5).
(справочное)
Взаимодействие симметричных и несимметричных цепей стыка
Соответствующий подбор электрических параметров симметричных и несимметричных цепей стыка позволяет использовать симметричные и несимметричные цепи в одном стыке. Например, симметричные цепи могут использоваться для передачи сигналов данных и синхронизации, а несимметричные цепи могут использоваться для функций управления, связанных с этими данными. При этом должны учитываться следующие технические требования:
- длина соединительного кабеля ограничивается характеристиками цепей, у которых нагрузкой является аппаратура с несимметричными цепями стыка;
- возможное согласующее нагрузочное сопротивление кабеля Zt, если оно предусмотрено в аппаратуре с симметричными цепями стыка, должно быть выключено;
- приемники с несимметричными цепями стыка должны быть категории 1.
(справочное)
Б.1 Эксплуатационные требования к параметрам соединительного кабеля.
Б.1.1 По всей длине соединительного кабеля два проводника должны иметь одни и те же значения:
- емкости по отношению к земле;
- продольного сопротивления и индуктивности;
- переходного затухания между смежными цепями.
Б.1.2 Длина кабеля, соединяющего генератор и нагрузку в случае двухточечной связи, зависит от скорости передачи данных. Кроме того, на нее оказывают влияние допустимые искажения сигналов и ограничения со стороны окружающей среды, такие, например, как разность потенциалов заземлений и продольная помеха.
Увеличение расстояния между генератором и нагрузкой может повысить разность потенциалов заземлений.
Зависимость длины соединительного кабеля от скорости передачи данных, которая может быть использована для руководства при выборе кабеля, приведена на рисунке Б.1.
Зависимости, показанные на рисунке Б.1, основаны на результатах опытов для случая использования телефонного кабеля из скрученных пар (диаметр провода 0,51 мм) как без нагрузки, так и с активной нагрузкой 100 Ом.
Б.1.3 Показанные на рисунке ограничения длины кабеля основаны на следующих требованиях к качеству сигнала на нагрузке:
- время перехода из одного логического состояния в другое (tr на рисунке 8) не превышает половины номинальной длительности элемента сигнала (tb на рисунке 8);
- затухание напряжения между генератором и нагрузкой не превышает 6 дБ.
Кривая 1: цепь стыка с нагрузочным сопротивлением
Кривая 2: цепь стыка без нагрузочного сопротивления
Рисунок Б.1 - Зависимость длины кабеля для симметричной цепи стыка от скорости передачи данных
Длина кабеля произвольно ограничена до 1000 м, исходя из предполагаемого максимального допустимого затухания 6 дБ. Наклонный участок кривой на сравнительно высоких скоростях передачи данных показывает ограничение длины кабеля, исходя из предполагаемого времени нарастания и спадания сигнала.
Предполагается, что ограничения, установленные в данном Приложении, гарантируют искажение сигнала на входе приемника в допустимых пределах.
Б.1.4 При возможности приема сигнала с искажениями, превышающими допустимые значения, разрешается использование кабелей с большей длиной, чем указано на рисунке Б.1.
При передаче данных на пониженных скоростях, согласно рисунку Б.1, длина соединительного кабеля может составлять несколько километров.
Для обеспечения качества сигнала на стыке цепей при синхронной работе, когда сигналы данных и синхронизации передаются в противоположных направлениях, необходимо предусматривать подстройку фазовой синхронизации этих сигналов.
Б.2 Эксплуатационные требования к нагрузочному сопротивлению кабеля
Б.2.1 Нагрузочное сопротивление кабеля необходимо применять для сохранения нормального времени нарастания сигнала и уменьшения отражений при сравнительно высоких скоростях передачи данных (свыше 200 кбит/с) или при любой скорости передачи данных, если время распространения по кабелю составляет примерно половину длительности элемента сигнала.
Нагрузочное сопротивление должно быть максимально согласовано с параметрами соединительного кабеля с учетом скорости передачи сигналов.
Б.2.2 Значение нагрузочного сопротивления должно находиться в пределах от 100 до 150 Ом.
На сравнительно низких скоростях передачи данных, где искажения и время нарастания не критичны, можно не включать нагрузочное сопротивление, чтобы уменьшить рассеяние мощности в генераторе.
(информационное)
[1] Рекомендация МСЭ-T. «Электрические характеристики
Синяя книга. Том VIII, симметричных цепей стыка, работающих
Выпуск VIII.1, двухполюсным током на скоростях
Рекомендация VII. 1988 г. передачи данных до 10 Мбит/с»
Ключевые слова: цепи стыка, несимметричные цепи стыка, симметричные цепи стыка, ООД, АКД, данные, скорость передачи данных, синхронизация, формирование цепей стыка, симметричный генератор, дифференциальный приемник, логическое состояние, уровень помех, длительность элемента сигнала, амплитуда выходного сигнала, управление