
МИНИСТЕРСТВО
РОССИЙСКОЙ
ФЕДЕРАЦИИ ПО СВЯЗИ И ИНФОРМАТИЗАЦИИ
СТАНДАРТ ОТРАСЛИ
УСИЛИТЕЛИ ОКОНЕЧНЫЕ ЗВУКОВОЙ ЧАСТОТЫ
СТАНЦИЙ ПРОВОДНОГО
ВЕЩАНИЯ
Основные параметры. Методы измерений.
ОСТ 45.138-99
ЦНТИ «ИНФОРМСВЯЗЬ»
Москва - 2000
Предисловие
1 РАЗРАБОТАН Открытым акционерным обществом «ЦКБ-связь»
ВНЕСЕН Научно-техническим управлением Минсвязи России
2 УТВЕРЖДЕН Минсвязи России
3 ВВЕДЕН В ДЕЙСТВИЕ информационным письмом от 28.08.2000 № 5381
4 ВВЕДЕН ВПЕРВЫЕ
СОДЕРЖАНИЕ
ОСТ 45.138-99
СТАНДАРТ ОТРАСЛИ
УСИЛИТЕЛИ ОКОНЕЧНЫЕ ЗВУКОВОЙ ЧАСТОТЫ
СТАНЦИЙ ПРОВОДНОГО ВЕЩАНИЯ
Основные параметры. Методы измерений
Дата введения 2000-10-01
Настоящий стандарт распространяется на вновь разрабатываемые усилители оконечные звуковой частоты станций проводного вещания (далее усилители), предназначенные для усиления сигналов звуковой частоты.
Стандарт устанавливает нормы на основные электрические параметры усилителей звуковой частоты станций проводного вещания, порядок и методы их измерения.
В настоящем стандарте использованы ссылки на следующие стандарты:
ГОСТ 12.2.007.0-75 ССБТ. Изделия электротехнические. Общие требования безопасности
ГОСТ 11515-91 Каналы и тракты звукового вещания. Основные параметры качества. Методы измерений
ГОСТ 16465-70 Сигналы радиотехнические измерительные. Термины и определения
ГОСТ 21130-75 Изделия электротехнические. Зажимы заземляющие и знаки заземления. Конструкция и размеры
ГОСТ 24375-80 Радиосвязь. Термины и определения
ГОСТ 30428-96 Совместимость технических средств электромагнитная. Радиопомехи индустриальные от аппаратуры проводной связи. Нормы и методы испытаний
ОСТ 45.25-84 Проводное вещание. Термины и определения
В настоящем стандарте применяют термины и определения по ГОСТ 16465, ГОСТ 24375, ОСТ 45.25, а также следующие обозначения и сокращения:
Номинальный режим - режим работы усилителя, при котором напряжение частотой 1000 Гц на выходе усилителя, выходная мощность и напряжение питающей электросети равны номинальным значениям;
АЧХ - амплитудно-частотная характеристика.
4.1 Параметры качества усилителей должны соответствовать значениям, указанным в таблице 1.
Таблица 1
|
Значение параметра для усилителей с полосой передаваемых частот, Гц |
Метод испытания |
||
|
50 - 10000 |
100 - 6300 |
||
|
1 Неравномерность АЧХ, дБ, в полосе частот, Гц: |
По 6.4.2 |
||
|
от 50 до 75 включ. |
-2,5 ± 1,5 |
||
|
св. 75 « 100 « |
-1,0 ± 1 |
||
|
« 100 « 6600 « |
±0,6 |
||
|
« 6600 « 10000 « |
от +1,0 до -1,5 |
||
|
от 100 до 150 включ. |
-1,5 ± 1 |
||
|
св. 150 « 200 « |
-0,5 ± 1 |
||
|
« 200 « 4000 « |
±1 |
||
|
« 4000 « 6300 « |
от +1,0 до -1,5 |
||
|
2 Коэффициент гармоник, %, не более |
По 6.4.3 |
||
|
на частотах, Гц: |
|||
|
до 100 |
4,0 |
- |
|
|
от 100 до 200 включ. |
3,0 |
3,0 |
|
|
св. 200 |
2,0 |
2,0 |
|
|
3 Защищенность от невзвешенного шума, дБ, не менее |
60 |
60 |
По 6.4.4 |
|
Примечание - Полосы передаваемых частот и интервалы частот для нормируемых параметров указаны в соответствии с требованиями ГОСТ 11515 |
|||
4.2 Основные электрические параметры усилителей должны соответствовать значениям, указанным в таблице 2.
Таблица 2
|
Значение параметра |
Метод измерения |
|
|
1 Номинальное напряжение на входе усилителя, В |
0,775 |
По 6.4.1 |
|
2 Номинальное напряжение на выходе усилителя, В |
30; 120; 240 |
По 6.4.1 |
|
3 Увеличение уровня выходного сигнала при повышении на 12 дБ уровня входного сигнала, дБ, не более |
1,5 |
По 6.4.5 |
|
4 Коэффициент гармоник при повышении на входе усилителя на 12 дБ уровня сигнала частотой 1000 Гц, не более: |
По 6.4.5 |
|
|
- для усилителей с полосой передаваемых частот (50 - 10000) Гц |
2,0 |
|
|
- для усилителей с полосой передаваемых частот (100 - 6300) Гц |
2,0 |
|
|
5 Увеличение уровня выходного сигнала при отключении нагрузки, дБ, не более для усилителей с полосой передаваемых частот (50 - 10000) Гц: |
По 6.4.6 |
|
|
- в полосе частот от 50 до 6000 Гц вкл. |
3 |
|
|
- свыше 6000 Гц |
4 |
|
|
для усилителей с полосой передаваемых частот (100 - 6300) Гц: |
||
|
-.в полосе частот от 100 до 4000 Гц вкл. |
3 |
|
|
- свыше 4000 Гц |
4 |
|
|
6 Модуль полного сопротивления усилителя по входу, предназначенному для подключения линии, Ом |
600 ± 60 1200 ± 120 |
По 6.4.7 |
|
7 Время установления напряжения на выходе усилителя, мс, не более |
3 |
По 6.4.8 |
|
8 Время восстановления напряжения на выходе усилителя, с |
2 ± 0,5 |
По 6.4.8 |
|
9 Уровень помех на выходе усилителя на частотах 78 и 120 кГц, дБ, не более |
-60 |
По 6.4.9 |
|
10 Номинальная выходная мощность усилителя, Вт* |
25; 50; 100; 250; 500; 1000; 1500; 2500; 5000; 10000; 15000; 30000 |
По 6.4.10 |
|
* По согласованию с Заказчиком разрешается разработка и серийный выпуск усилителей с значениями выходной мощности, отличающимися от приведенных. |
||
|
Примечание - Номинальные значения выходных напряжений указаны в соответствии с требованиями Электрических норм на тракты звукового вещания сетей проводного вещания [1] |
||
5.1 Время непрерывной работы усилителя на номинальную нагрузку при усилении сигналов вещательной передачи должно быть не менее 18 ч. Проверяют напряжение на выходе усилителя и коэффициент гармоник по методике п. 6.4.3 на соответствие требованиям настоящего стандарта.
5.2 Усилитель должен обеспечивать работу при комплексной нагрузке, модуль которой должен быть равен номинальному значению, а фазовый угол - ±45°. При этом снижение напряжения на выходе усилителя не должно превышать 30 % от номинального значения. Проверяют коэффициент гармоник по методике п. 6.4.11 на соответствие требованиям настоящего стандарта.
5.3 Усилитель должен сохранять свою работоспособность после 15-ти минутного короткого замыкания на его выходе. Проверяют выходную мощность и коэффициент гармоник по методике пп. 6.4.10 и 6.4.3 на соответствие требованиям настоящего стандарта.
5.4 При уменьшении сопротивления нагрузки в два раза значение напряжения на выходе усилителя должно быть не менее половины номинального значения.
5.5 При изменении напряжения питающей электросети в пределах минус 15 - плюс 10 % параметры усилителя должны соответствовать требованиям настоящего стандарта за исключением выходного напряжения и мощности.
Пределы изменения выходного напряжения и мощности устанавливают в технических условиях на усилитель конкретного типа.
5.6 Уровень индустриальных радиопомех, создаваемых при работе усилителя не должен превышать значений, установленных ГОСТ 30428.
5.7 Требования безопасности
5.7.1 Усилитель должен отвечать требованиям ГОСТ 12.2.007.0 и «Правил по охране труда на станциях проводного вешания» [2].
5.7.2 Условия применения блокировки, технические требования к ней и методы ее испытаний при изготовлении аппаратуры устанавливаются РД 45.203.008-90 [3].
5.7.3 В усилителе должна быть предусмотрена возможность заземления корпуса по ГОСТ 21130.
5.8 В технических условиях на усилитель должны быть указаны:
- значение потребляемой мощности в номинальном режиме и при напряжении на выходе усилителя равном 30 % от номинального значения;
- требования к надежности (готовность усилителя к работе, время, в течение которого обеспечивается безотказная работа усилителя);
- требования к работоспособности при климатических и механических воздействиях;
- значения активной и комплексной нагрузок.
6.1 Условия измерений
6.1.1 Все измерения проводят в нормальных климатических условиях при:
- температуре (20 ± 10) °С;
- относительной влажности (30 - 80) %;
- атмосферном давлении (84 - 106) кПа или (630 - 795) мм рт. ст.
6.1.2 Напряжение питающей сети переменного тока (220 ± 4,4) В.
6.2 Требования к средствам измерений
6.2.1 Генератор сигналов низкочастотный:
- диапазон частот от 20 до 20000 Гц;
- погрешность установки частоты не более ±3 %;
- выходное напряжение регулируемое (0 - 10) В;
- коэффициент гармоник не более 0,2 %.
6.2.2 Вольтметр для измерения напряжения переменного тока синусоидальной формы:
- диапазон измеряемых напряжений от 30 мВ до 300 В;
- диапазон рабочих частот от 50 до 20000 Гц;
- основная погрешность измерений в диапазонах рабочих частот и измеряемых напряжений не более 2,5 %;
6.2.3 Измеритель нелинейных искажений:
- диапазон рабочих частот от 50 до 20000 Гц;
- пределы измерений коэффициента гармоник (0,1 - 10) %;
- погрешность измерений не более ±(0,1 Кг + 0,15 %).
6.2.4 Запоминающий осциллограф:
- диапазон рабочих частот от 0 до 0,5 МГц;
- погрешность измерения не более 10 %.
6.2.5 Анализатор спектра:
- диапазон рабочих частот от 50 до 20000 Гц с полосой измерения не более 10 Гц;
- динамический диапазон не менее 60 дБ.
6.2.6 Контрольное приемное устройство (КПУ):
- принимаемый спектр частот (78 ± 8) кГц и (120 ± 10) кГц;
- диапазон входных напряжений (0,03 - 300) В;
- пределы основной погрешности ±6 %;
- коэффициент гармоник, вносимых трактом устройства в сигнал в диапазоне частот(0,05 - 10) кГц на клеммах КПУ ВЫХОД, не более 0,5 %;
- неравномерность АЧХ на клеммах КПУ ВЫХОД в полосе частот (6,6 - 10) кГц не более ±0,5 дБ, а (10 - 15) кГц - не более ±0,8 дБ.
6.3 Подготовка к измерениям
6.3.1 Клеммы «
» усилителя и всех приборов, входящих в схему измерения,
должны быть заземлены.
6.3.2 Подключение измерительных приборов к усилителю должно осуществляться по возможности короткими проводами.
6.3.3 Перечень рекомендуемых средств измерений и вспомогательного оборудования приведен в Приложении А.
6.4 Проведение измерений
6.4.1 Номинальные напряжения на входе и выходе усилителя (таблица 2 пп. 1 и 2) измеряют по схеме в соответствии с рисунком 1 следующим образом:
- подают от генератора G на вход усилителя напряжение U1 частотой 1000 Гц, при котором напряжение (уровень) на выходе усилителя Uвых.ном. (Nвых.ном.), измеряемое вольтметром PV2, равно номинальному значению;
- вольтметром PV1 измеряют напряжение на входе усилителя U1, которое должно соответствовать номинальному значению Uвх.ном. (0,775 В).
G - генератор сигналов низкочастотный, PV1, PV2 - вольтметр, Р1 - измеритель нелинейных искажений, Р2 - осциллограф, Rн - нагрузка
Рисунок 1 - Схема проверки основных параметров усилителя
6.4.2 Неравномерность АЧХ (таблица, 1 п. 1) проверяют по схеме в соответствии с рисунком 1 следующим образом:
- подают от генератора G на вход усилителя напряжение частотой 1000 Гц, контролируемое вольтметром PV1, при котором уровень (напряжение) сигнала на выходе усилителя N1000(U1000), измеряемый вольтметром PV2, на (4 - 8) дБ ниже номинального значения;
- поддерживая напряжение на входе усилителя постоянным и устанавливая поочередно значения частот 50; 63; 75; 125; 250; 500; 2000; 4000; 6000; 10000 Гц для усилителей с полосой частот (50 - 10000) Гц и 100; 125; 150; 250; 500; 2000; 4000; 5000; 6300 Гц для усилителей с полосой частот (100 - 6300) Гц, измеряют уровень (напряжение) сигнала Nf (Uf) для каждого значения частоты вольтметром PV2;
- неравномерность АЧХ ΔS, дБ, рассчитывают по формулам:
при измерении уровней в децибелах
ΔS = Nf - N1000, (1)
при измерении напряжений в вольтах
ΔS = 20lgUf/U1000. (2)
Неравномерность АЧХ не должна превышать значений, приведенных в п. 1 таблицы 1.
6.4.3 Коэффициент гармоник (таблица 1 п. 2) измеряют по схеме в соответствии с рисунком 1 следующим образом:
- подают от генератора G на вход усилителя напряжение U1 частотой 1000 Гц, при котором напряжение на выходе усилителя, измеряемое вольтметром PV2, равно номинальному значению;
- измеряют коэффициент гармоник измерителем нелинейных искажений P1;
- поддерживая напряжение на входе усилителя постоянным и устанавливая поочередно значения частот 63; 125; 250; 500; 2000 Гц для усилителей с полосой частот (50 - 10000) Гц и 100; 125; 250; 500; 2000 Гц для усилителей с полосой частот (100 - 6300) Гц, измеряют коэффициент гармоник для каждого значения частоты;
- подают от генератора G на вход усилителя напряжение равное 0,1U1 и повторяют измерения для каждого значения частоты.
При использовании анализатора спектра (анализатора гармоник), подключаемого по схеме в соответствии с рисунком 1 вместо измерителя нелинейных искажений, коэффициент гармоник Кг, %, рассчитывают по формуле
(3)
где U1, U2, U3 - напряжения первой, второй и третьей гармоник, В.
Коэффициент гармоник не должен превышать значений, приведенных в п. 2 таблицы 1.
6.4.4 Защищенность от невзвешенного шума (таблица 1 п. 3) проверяют по схеме в соответствии с рисунком 1 следующим образом:
- отключают от входа усилителя генератор G и вольтметр PV1;
- измеряют напряжение (уровень) шума Uш (Nш) на выходе усилителя вольтметром PV2;
- защищенность от невзвешенного шума Анвш, дБ, рассчитывают по формулам:
при измерении уровня в децибелах
Анвш = Nвых.ном. - Nш (4)
при измерении напряжения в вольтах
Анвш = 20lgUвых.ном./Uш, (5)
где Nвых.ном. (Uвых.ном.) - номинальное значение уровня (напряжения) сигнала на выходе усилителя, дБ (В).
Допускается при проведении измерений подключить ко входу усилителя резистор сопротивлением (600 ± 60) Ом или (1200 ± 120) Ом.
Защищенность от невзвешенного шума должна быть не менее значения, приведенного в п. 3 таблицы 1.
6.4.5 Увеличение уровня выходного сигнала и коэффициента гармоник при повышении уровня входного сигнала на 12 дБ (таблица 2 пп. 3 и 4) проверяют по схеме в соответствии с рисунком 1 следующим образом:
- подают от генератора G на вход усилителя напряжение частотой 1000 Гц, при котором напряжение (уровень) на выходе усилителя, измеряемое вольтметром PV2, равно номинальному значению Uвых.ном. (Nвых.ном.);
- увеличивают напряжение (уровень) на входе в четыре раза (на 12 дБ) и измеряют вольтметром PV2 напряжение (уровень) на выходе усилителя Uвых (Nвых);
- повышение уровня сигнала на выходе усилителя ΔN, дБ, рассчитывают по формулам:
при измерении уровней в децибелах
ΔN = Nвых - Nвых.ном. (6)
при измерении напряжений в вольтах
ΔN = 20lgUвых/Uвых.ном. (7)
- коэффициент гармоник измеряют измерителем нелинейных искажений Р1.
Результаты измерений должны удовлетворять требованиям пп. 3, 4 таблицы 2 соответственно.
6.4.6 Увеличение уровня выходного сигнала при отключении нагрузки (таблица 2 п. 3) проверяют по схеме в соответствии с рисунком 1 следующим образом:
- подают от генератора G на вход усилителя напряжение U1 частотой 1000 Гц, при котором на выходе усилителя по шкале децибел вольтметра PV2 уровень сигнала N на (4 - 8) дБ ниже номинального значения;
- выключают усилитель и отключают от его выхода сопротивление нагрузки Rн;
- включают усилитель и измеряют вольтметром PV2 уровень (напряжение) сигнала Nxx (Uxx) на его выходе;
- увеличение уровня выходного сигнала при отключении нагрузки К, дБ, рассчитывают по формулам:
при измерении уровней в децибелах
К = Nxx - N (8)
при измерении напряжений в вольтах
К = 20lgUxx/U (9)
- повторить измерения, подавая поочередно от генератора G напряжение U1 частотой 50; 6000; 10000 Гц для усилителей с полосой частот (50 - 10000) Гц и 100; 4000; 6300 Гц для усилителей с полосой частот (100 - 6300) Гц.
Результаты измерений должны удовлетворять требованиям п. 5 таблицы 2.
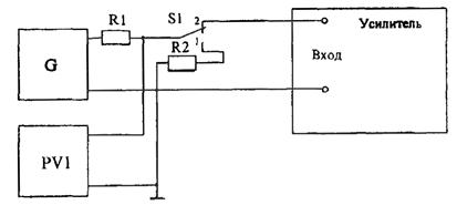
6.4.7 Модуль полного входного сопротивления усилителя (таблица 2 п. 6) проверяют по схеме в соответствии с рисунком 2 следующим образом:
- устанавливают тумблер S1 в положение «1» и подают от генератора на вход усилителя сигнал частотой 1000 Гц, установив показания вольтметра PV1 равными 620 мВ (UR2);
- переводят тумблер S1 в положение «2» и фиксируют показания вольтметра PV1 (Uвх);
- модуль полного входного сопротивления |Zвх|, Ом, вычисляют по формуле
|Zвх| = R2Uвх/UR2, (10)
где R2 - сопротивление, равное 620 Ом.
G - генератор сигналов низкочастотный, PV1 - вольтметр, R1 - резистор (10 ± 0,5) кОм, R2 - резистор (620 ± 6,2) Ом, S1 - тумблер
Рисунок 2 - Схема проверки модуля полного входного сопротивления усилителя
Рассчитанное значение входного сопротивления должно соответствовать требованиям п. 6 таблицы 2.
Повторяют измерения, подавая от генератора G напряжение частотой 50; 10000 Гц для усилителей с полосой частот (50 - 10000) Гц и 100; 6300 Гц для усилителей с полосой частот (100 - 6300) Гц.
6.4.8 Время установления и восстановления напряжения на выходе усилителя (таблица 2 пп. 7 и 8) проверяют по схеме в соответствии с рисунком 3 следующим образом:
- устанавливают переключатель S1 регулятора уровня входного сигнала А1 (рекомендуемый вариант электрической схемы которого приведен на рисунке Б.1) в положение «5»;
- подают от генератора G на вход регулятора уровня входного сигнала А1 напряжение U1 частотой 2000 Гц, при котором напряжение на выходе усилителя равно номинальному значению;
- устанавливают частоту развертки осциллографа P2 такой, чтобы на экране хорошо просматривались вершины синусоиды на протяжении не менее 8 периодов (4 мс);
- подают от генератора G на вход регулятора уровня входного сигнала А1 напряжение равное 4U1;
- устанавливают на осциллографе режим ждущей развертки или режим запоминания;
- устанавливают переключатель S1 регулятора уровня входного сигнала А1 (рисунок Б.1) в положение «1»;
- определяют по изображению на экране осциллографа количество усеченных вершин синусоиды сверху и снизу;
- время установления напряжения на выходе усилителя tc, мс, рассчитывают по формуле
tc = 0,25n, (11)
где n - количество усеченных вершин синусоиды, повторяющихся через 0,25 мс;
- для измерения времени восстановления напряжения на выходе усилителя скорость развертки осциллографа устанавливают равной (0,5 - 1) см/с;
- сохраняют на входе регулятора уровня входного сигнала А1 напряжение равное 4U1 (переключатель S1 в положении 1);
- уменьшают на выходе генератора напряжение до значения U1;
- время восстановления напряжения на выходе усилителя tв, с, определяют по изображению на экране осциллографа в соответствии с рисунком 4.
А1 - регулятор уровня входного сигнала, А2 - источник питания +15 В, G - генератор сигналов низкочастотный, PV1, PV2 - вольтметр, Р2 - осциллограф, Rн - резистор нагрузки
Рисунок 3 - Схема измерения временных параметров усилителя
U - номинальное выходное напряжение; U' - выходное напряжение при Uвх = 4Uвх.ном.
Рисунок 4 - Осциллограмма выходного сигнала при измерении времени восстановления напряжения на выходе усилителя
6.4.9 Уровень помех на выходе усилителя проверяют по схеме в соответствии с рисунком 5 следующим образом:
- подают от генератора G на вход усилителя напряжение частотой 1000 Гц, при котором напряжение (уровень) на выходе усилителя равно номинальному значению Uвых.ном. (Nвых.ном.);
- измеряют контрольным приемным устройством P3 напряжение (уровень) помех Uп (Nп) на частотах 78 и 120 кГц;
- уровень помех на выходе усилителя Aп, дБ, для каждой частоты рассчитывают по формулам:
при измерении уровня в децибелах
Aп = Nп - Nвых.ном. (12)
при измерении напряжения в вольтах
Aп = 20lgUп/Uвых.ном. (13)
Уровень помех не должен превышать значения, приведенного в п. 9 таблицы 2.
G - генератор сигналов низкочастотный, PV1, PV2 - вольтметр, P3 - контрольное приемное устройство, Rн - резистор нагрузки
Рисунок 5 - Схема проверки уровня помех на выходе усилителя
6.4.10 Номинальное значение выходной мощности усилителя проверяют по схеме в соответствии с рисунком 1 следующим образом:
- подают от генератора G на вход усилителя напряжение частотой 1000 Гц, при котором напряжение на выходе усилителя равно номинальному значению Uвых.ном.;
- номинальное значение выходной мощности Pвых, Вт, рассчитывают по формуле
Pвых = U2вых.ном./Rн, (14)
где Rн - сопротивление нагрузки, Ом.
6.4.11 Коэффициента гармоник при работе на комплексную нагрузку (п. 5.2) проверяют по схеме, изображенной на рисунке 6, следующим образом:
- устанавливают переключатель S1 в положение «1», подключая к выходу усилителя комплексную нагрузку с фазовым углом +45° (индуктивного характера);
- подают от генератора G на вход усилителя номинальное напряжение частотой 125 Гц;
- на выходе усилителя измеряют напряжение и коэффициент гармоник;
- устанавливают переключатель S1 в положение «2», подключая к выходу усилителя комплексную нагрузку с фазовым углом минус 45 ° (емкостного характера);
- подают от генератора G на вход усилителя номинальное напряжение частотой 2000 Гц;
- на выходе усилителя измеряют напряжение и коэффициент гармоник.
Результаты измерений должны соответствовать требованиям п. 5.2 и п. 2 таблицы 1 настоящего стандарта.
Значения комплексных нагрузок должны быть указаны в технических условиях на усилитель.
G - генератор сигналов низкочастотный, PV1, PV2 - вольтметр, P1 - измеритель нелинейных искажений, Р2 - осциллограф, Lэ - индуктивная составляющая комплексной нагрузки; Cэ - емкостная составляющая комплексной нагрузки; Rэ - активная составляющая комплексной нагрузки
Рисунок 6 - Схема проверки основных параметров усилителя
(рекомендуемое)
Перечень рекомендуемых средств измерений* и вспомогательного оборудования
1 Генератор сигналов низкочастотный Г3-118.
2 Вольтметр переменного тока В3-38А.
3 Измеритель нелинейных искажений С6-11.
4 Запоминающий осциллограф С-131.
5 Анализатор спектра СК4-83.
6 Контрольное приемное устройство КПУ-2; КПУ.
7 Регулятор уровня входного сигнала (приложение Б).
____________________
* Допускается замена перечисленных средств измерений на аналогичные по назначению и обеспечивающие требуемую точность измерений.
(рекомендуемое)
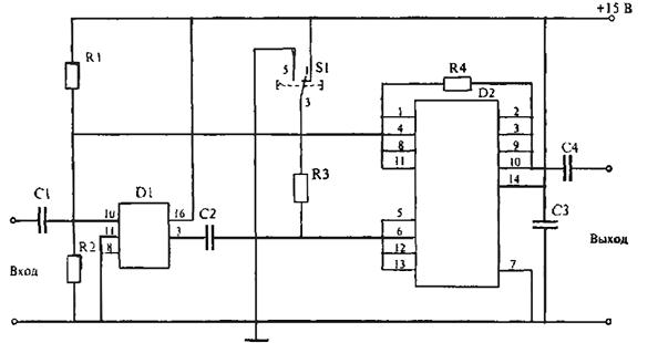
C1 … C4 - конденсатор К73-17-63 В-1 мкФ ± 10 %, D1 - микросхема К561ИЕ16, D2 - микросхема К561КТ3, R1 - резистор C2-33H-0,25-15 кОм ± 5 %, R2 - резистор С2-33Н-0,25-9,1 кОм ± 5 %, R3 - резистор С2-33Н-0,25-150 кОм ± 5 %, R4 - резистор С2-33Н-0,25-1,1 кОм ± 5 %, S1 - ПКн-61-Н
Рисунок Б.1 - Схема электрическая регулятора уровня входного сигнала
(информационное)
[1] Электрические нормы на тракты звукового вещания сетей проводного вещания
[2] ПОТ Р О-45-003-94 Правила по охране труда на станциях проводного вещания