МИНИСТЕРСТВО СВЯЗИ РОССИЙСКОЙ ФЕДЕРАЦИИ
Стандарт отрасли
ИЗМЕРИТЕЛИ
ПОКАЗАТЕЛЕЙ ОШИБОК
В ЦИФРОВЫХ КАНАЛАХ И ТРАКТАХ ПЕРЕДАЧИ
Технические требования. Методы испытаний
ОСТ 45.91-96
Содержание
Настоящий стандарт разработан в дополнение к ГОСТ 26783-85 с учетом современных Рекомендаций Международного союза электросвязи (МСЭ-Т).
ОСТ 45.91-96
СТАНДАРТ ОТРАСЛИ
ИЗМЕРИТЕЛИ ПОКАЗАТЕЛЕЙ ОШИБОК
В ЦИФРОВЫХ КАНАЛАХ И ТРАКТАХ ПЕРЕДАЧИ
Технические требования. Методы испытаний
Error performance measuring equipment for digital paths and
channels.
Technical requirements. Measuring techniques
Настоящий стандарт устанавливает единые требования и методы их оценки для измерителей показателей ошибок цифровых каналов и трактов передачи с целью обеспечения единства измерений и взаимозаменяемости приборов различных производителей и соответствия Рекомендациям Международною союза электросвязи (МСЭ-Т) О.150, O.151, O.152, O.161, O.162, O.171, G.703, G.821, G.826, М.2100 [1; 10 - 17] 1.
______________________________
1 Здесь и далее в квадратных скобках указаны номера пунктов библиографии (Приложение Г).
Стандарт распространения на измерители показателей ошибок (далее приборы), предназначены для использования при настройке, вводе в эксплуатацию, техническом обслуживании в процессе эксплуатации и сертификационных испытаниях цифровых каналов и трактов плезиохронной цифровой иерархии со скоростями передачи от 64 до 139264 кбит/с, а также аппаратуры цифрового группообразования и аппаратуры систем передачи.
В настоящем стандарте использованы ссылки на следующие стандарты:
ГОСТ 5237-83 Аппаратура электросвязи. Напряжения питания и методы измерения;
ГОСТ 22261-94 Средства измерений электрических и магнитных величин. Общие технические условии;
ГОСТ 22348-86 Сеть связи автоматизированная единая. Термины и определения;
ГОСТ 22670-77 Сеть связи цифровая интегральная. Термины и определения;
ГОСТ 26886-86 Стыки цифровых каналов передачи и групповых трактов первичной сети ЕАСС. Основные параметры;
ГОСТ 27763-88 Структура циклов цифровых групповых сигналов первичной сеть ЕАСС. Требования и нормы;
ГОСТ 8.326-89 ГСИ. Метрологическая аттестация средств измерений;
ГОСТ 26.003-80 Система интерфейса для измерительных устройств с байт-последовательным, бит-параллельным обменом информацией. Требования к совместимости.
ГОСТ 18145-81 Цепи на стыке С2 аппаратуры данных с оконечным оборудованием при последовательном вводе-выводе данных. Номенклатура и технические требования;
ГОСТ 23675-79 Цепи стыка С2 ИС системы передачи данных. Электрические параметры.
В настоящем стандарте применяются следующие термины с соответствующими определениями:
- цифровой канал передачи - комплекс технических средств и среды передачи, обеспечивающий передачу цифрового сигнала электросвязи со скоростью передачи, характерной для данного канала передачи;
- цифровой тракт - комплекс технических средств, предназначенный для передачи цифровых сигналов электросвязи нормализованного числа цифровых каналов со скоростью передачи, характерной для данного тракта передачи;
- цифровой сигнал электросвязи - сигнал электросвязи, у которого каждый из представляющих параметров (изменения которых отображают изменения передаваемого сообщения) описывается функцией дискретного времени и конечным множеством возможных значений;
- ошибка - расхождение между символом в переданном цифровом сигнале и соответствующим символом в принятом цифровом сигнале;
- пакет ошибок - группа битов (символов), в которой два последовательных ошибочных бита всегда разделены правильными битами, число которых меньше заданного числа;
- показатели ошибок - характеристики, основанные на анализе потока ошибок в зависимости от времени и сравнении результата с заданными порогами (более подробно приведены в приложении А),
- коэффициент ошибок по битам - отношение числа ошибочно принятых бит (символов) к общему числу бит измеряемого сигнала в заданном временном интервале;
- коэффициент ошибок по синхросигналу - отношение числа ошибочного принятых бит (символов) синхросигнала к общему числу бит синхросигнала в заданном временном интервале.
- проскальзывание - исключение или введение в цифровой сигнал символьной позиции или группы символьных позиций, происходящее в результате отклонения процесса хронирования, связанного с подачей и коммутацией цифрового сигнала;
- затухание несогласованности - двадцать десятичных логарифмов отношения модуля суммы исходного (выходного) сопротивления нагрузки к модулю разности и их сопротивлении;
- затухание асимметрии двадцать десятичных логарифмов отношения напряжения на выходе генератора, подключенного к искусственной средней точке (образованной на входе четырехполюснику) и земле (экрану), к напряжению, полученному между искусственной средней точкой, образованной на выходе четырехполюсника и землей (экраном);
- стаффинг (согласование скорости) - процесс принудительного изменения скорости передачи поступающего цифрового сигнала электросвязи, при котором эта скорость приводится в соответствие со скоростью передачи символов другого цифрового сигнала;
Используются также другие термины по ГОСТ 22348 и 22670
МСЭ-Т - Международный союз электросвязи, сектор стандартизации в области связи;
ГСИ - Государственная система измерений;
КОП - многопроводный магистральный канал общего пользования;
ОЦК - основный цифровой канал;
ПСП - псевдослучайная последовательность;
ГИС - генератор измерительного сигнала;
ТЗ - техническое задание;
ИО - измеритель ошибок;
ТИ - тактовый (единичный) интервал, соответствующий обратной величине номинальной скорости передачи.
5.1.1 Электропитание приборов должно осуществляться от сети переменного тока частотой (50 ± 2,5)Гц и напряжением 220 (+ 22; - 33) В с содержанием гармоник до 10 % в соответствии с ГОСТ 5237-83 или от встраиваемых источников постоянного тока.
5.1.2 По устойчивости к климатическим и механическим воздействиям приборы, предназначенные для работы в отапливаемых помещениях, должны соответствовать требованиям 3-й группы ГОСТ 22261, а для работы в полевых условиях - требованиям 4-й группы ГОСТ 22261.
5.1.3 Приборы по требованиям к времени установления режима, электрической прочности и сопротивлению изоляции, конструкции, комплектности, безопасности маркировке, упаковке и хранению должны соответствовать ГОСТ 22261.
5.1.4 Приборы должны подвергаться испытаниям для утверждения типа в соответствии с ПР 50.2.009-94 [18] или метрологической аттестации по ГОСТ 8.326.
5.1.5 В зависимости от назначения (для измерения с прекращением связи или без прекращения связи) приборы могут состоять из передающей и приемной части или только приемной части.
5.1.6 Кроме измерения показателей ошибок, приборы могут одновременно обеспечивать измерение одной или более характеристик фазового дрожания и некоторые другие параметры (проскальзывание, время прохождения).
Примечание - Требования к передающей части приборов для измерения устойчивости к фазовому дрожанию включены в настоящий стандарт (раздел 5.4)
5.1.7 Приборы, предназначенные для работы в автоматизированных измерительных комплексах, должны удовлетворять требованиям по взаимодействию через КОП - систему интерфейса но ГОСТ 26.003-80 или через стык С2 - по ГОСТ 18145 и ГОСТ 23675-79. Тип интерфейса устанавливается в ТЗ.
5.2.1 Входное и выходное сопротивление и затухание несогласованности приборов, предназначенных для измерений показателей ошибок с прекращением связи
в измеряемом канале или тракте и подключаемых к стандартизованным стыкам этих каналов и трактов, соответствующим ГОСТ 26886, должно соответствовать значениям указанным в таблице 1.
Затухание асимметрии входа приборов, предназначенных для измерения основного цифрового канала (ОЦК) и первичною цифрового тракта, должно быть не меже 30 дБ в тex же диапазонах частот.
5.2.2 Входное сопротивление и затухание несогласованности приборов, предназначенных для измерений показателей ошибок без прекращения связи в цифровых каналах и трактах в подключаемых к каналам и трактам в защищенных измерительных точках (имеющих развязывающие устройства) [6], должно соответствовать значениям, указанным в таблице 1. При этом в приборах должно обеспечиваться дополнительное усиление исходного сигнала для компенсации затухания развязывающих устройств измерительных точек (до 30 дБ).
При отсутствии защищенных измерительных точек в объектах, подлежащих измерению в приборах должно предусматриваться высокоомное входное сопротивление с вносимым затуханием не более 0,5 - 1 дБ.
5.2.3 Приборы должны обеспечивать измерение при использовании (на входе и выходе измеряемого канала или тракта) сигналов в виде импульсов, нормируемых (амплитуда и форма импульсов, коды и пр.) для соответствующих стыков: для ОЦК и цифровых сетевых фактов - по ГОСТ 26886-86, что соответствует [l]; для цифровых линейных трактов - в соответствии с техническими условиями на аппаратуру системы передачи.
5.2.4 Приборы должны правильно работать (как в режиме с
прекращением связи, так и в режиме без прекращения связи), если они подключены
к выходу стыков через стыковую цепь, что эквивалентно отрезку кабеля с вносимым
затуханием по ГОСТ
26886 и [1] (3 дБ для ОЦК 6дБ для первичного и вторичного
стыков, 12 дБ для третичного и четверичного стыков) на частоте, соответствующей
половине скорости передачи измеряемого тракта. Вносимое затухание кабеля на
других частотах пропорционально
.
Таблица 1 - Требования ко входу и выходу приборов
|
Скорость передачи, кбит/с |
Входное (выходное) сопротивление, Ом |
Затухание несогласованности, дБ |
Диапазон частот |
|
64 |
120 Ом, активное |
> 12 |
от 3 до 6,4 кГц |
|
≥ 18 |
от 6,4 до 128 кГц |
||
|
> 14 |
то 128 до 192 кГц |
||
|
2048 |
75 / 120 Ом, активное |
≥ 12 |
от 20 до 102 кГц |
|
≥ 18 |
от 102 до 2048 кГц |
||
|
> 14 |
то 2048 до 3072 кГц |
||
|
8448 |
75 Ом, активное |
> 12 |
от 211 до 422 кГц |
|
> 18 |
от 422 до 8448 кГц |
||
|
> 14 |
то 8448 до 12672 кГц |
||
|
34368 |
75 Ом, активное |
≥ 12 |
от 860 до 1720 кГц |
|
> 18 |
от 1720 до 34368 кГц |
||
|
> 14 |
то 34368 до 51550 кГц |
||
|
134264 |
75 Ом, активное |
> 15 |
от 7 до 210 МГц |
5.3.1 Для измерений с прекращением связи приборы должны вырабатывать измерительные сигналы в виде псевдослучайных последовательностей импульсов (ПCП), наиболее полно имитирующих реальные сигналы и в то же время заранее известных.
Длима ПСП должна быть ранка (2n - 1) бит, где n зависит от скорости передачи измеряемого тракта (в соответствии с таблицей 2). Кроме группы n последовательных НУЛЕЙ (для инвертированного сигнала) и (n - 1) последовательных ЕДИНИЦ, такие последовательности содержа любые возможные комбинации НУЛЕЙ и ЕДИНИЦ в пределах длины группы, зависящей от n.
В приборах должны предусматриваться следующие ПСП [12]:
а) 2047-битовая последовательность (предназначена для измерения ошибок и фазового дрожания на скоростях передачи 64 кбит/с и 64 × N кбит/с [14])
Эта последовательность может вырабатываться в 11-звенном регистре сдвига, выходы 9-го и 11-го звена которого суммируются по модулю 2 в звене суммирования, а результат подается обратно на вход первого звена.
Число звеньев регистра сдвига 11
Длина ПСП 211 - 1 = 2047
Самая длинная последовательность нулей 10 (неинвертированный сигнал)
Примечание - При выполнении измерений на скоростях передачи N = 61 кбит/с последовательные 8 битовые блоки испытательной последовательности должны передаваться в последовательных канальных интервалах. Начало псевдослучайной последовательности не требуется соотносить со скоростью передачи цикла.
б) 32767-битовая последовательность (предназначена для измерения ошибок и фазового дрожания на скоростях передачи 2048 и 8448 кбит/с [13]).
Таблица 2 - Цифровые испытательные последовательности
|
Длина ПСП |
Последовательные нули |
Рекомендации МСЭ-Т |
Скорость передачи |
|
|
Номинальное значение, кбит/с |
Допустимое отклонение |
|||
|
210 - 1 |
10 |
О.152 |
64; n × 64 |
± 100 · 106 |
|
215 - 1 |
15 |
О 151 |
2048 |
± 50 · 106 |
|
8448 |
± 30 · 106 |
|||
|
223 - 1 |
23 |
O.151 |
34368 |
± 20 · 106 |
|
139264 |
± 15 · 106 |
|||
в) 8388607-битовая последовательность (предназначена для измерения ошибок и фазового дрожания на скоростях передачи 34368 и 139264 кбит/с [13]).
Эта последовательность может вырабатываться в 23-звенном регистре сдвига, выходы 18-го и 23-го звена которого суммируются по модулю 2 в звене суммирования, а результат подается обратно на вход первого звена.
Число звеньев регистра сдвига 23
Длина ПСП 223 - 1 = 388607
Самая длинная последовательность нулей 23 (инвертированный сигнал)
5.3.2 Дополнительно для измерения фазового дрожания могут предусматриваться:
а) две свободно программируемые 8-ми битовые последовательности, которые могут чередоваться с заданной скоростью;
б) свободно программируемая 16-ти битовая последовательность.
5.3.3 Для измерения цифровых трактов, содержащих аппаратуру группообразования, с помощью измерительного сигнала, чтобы она правильно работала в процессе измерения, требуется подавать на вход специфические последовательности бит, т.е. формировать сигнал в виде стандартного цикла (ГОСТ 27763, Рекомендации МСЭ-Т [2, 4, 5]).
В зависимости от назначения прибора могут обеспечиваться два случая формирования измерительного сигнала в виде цикла:
а) в случае измерения цифрового тракта, содержащего аппаратуру цифрового группообразования, измерительный сигнал должен содержать соответствующее слово циклового синхросигнала, биты стаффинга (согласования скоростей) и весь требуемый заголовок тракта для обеспечения надлежащей работы оконечной аппаратуры. Такая структура показана на следующем примере:
|
Один цикл |
|||||||
|
Группа 1 |
Группа 2 |
Группа 3 |
Группа 4 |
||||
|
FAS |
TS1, TS2, TS3, TS4 |
Cj1 |
TS1, TS2, TS3, TS4 |
Cj2 |
TS1, TS2, TS3, TS4 |
Cj3 |
TS1, TS2, TS3, TS4 |
FAS = цикловый синхросигнал плюс биты аварийной сигнализации;
TSm = чередующиеся биты испытательной последовательности из компонентных сигналов oт 1 до 4;
Cjn = Биты управления выравниванием.
Примечание - Подробная информация о правилах формирования измерительных сигналов в виде циклов в зависимости от структуры группообразования дана в приложении Б. Биты испытательной последовательности нумеруются там последовательно. Это не означает, что эти биты должны принадлежать одной и той же последовательности. В зависимости от применения может быть предпочтительным предусмотреть независимые испытательные последовательности в группах, представляющих компонентные сигналы более низкого порядка.
б) для проверки работы только входной части тракта (аппаратуры группообразования) не требуется, чтобы измерительный сигнал содержал правильную информацию стаффинга, и не является необходимым формировать входной цифровой сигнал высшего порядка таким образом, чтобы значащие цифровые сигналы появлялись на входах компонентных трактов. Такой сигнал формируется, как показано ниже:
|
Цикл 1 |
Цикл 1 |
Цикл 1 |
|
Цикл 1 |
||||
|
FAS |
TS от 1 до u |
FAS |
TS от u + 1 до v |
FAS |
TS от v до w |
|
FAS |
TS от x + 1 до y |
FAS = цикловый синхросигнал плюс биты аварийной сигналичации;
биты от TS1 до TSy = биты испытательной последовательности, которые могут принадлежать только одной последовательности.
5.3.4 Правила формирования измерительного сигнала в виде циклов цифровых сигналов приведены в приложении Б (в соответствии с [12]).
5.4.1 Требования к синхронизации
Передающая часть - генератор измерительного сигнала (далее - ГИС.) должна работать:
от собственного тактового генератора на частоте f измеряемого цифрового синила с погрешностью, не превышающей значения для данной частоты, указанного в таблице 2;
от внешнего тактового сигнала с погрешностью частоты не более ± 50 10-6 × f и амплитудой 200 мВ - 1 В (форма сигнала указывается в ТЗ);
от синхронизирующего сигнала (такт + октет), выделенного из принятого сигнала (при измерении основного цифрового канала);
от сигнала синхронизационного стыка на 2048 кГц в соответствии с разделом 8 ГОСТ 26886-86.
Если прибор предусмотрен для измерения ОЦК в режиме противонаправленного стыка ОЦК в ГИС должны быть предусмотрены два варианта работы:
I - в качестве потребителя (в сторону аппаратуры преобразования 64/2048 кбит/с), синхронизация - от синхронизирующею сигнала противонаправленного стыка (такт + октет);
II - в качестве аппаратуры преобразования (в сторону линии 64 кбит/с) синхронизация – от собственного и от внешнего тактового генератора подачи синхронизирующего сигнала (такт + октет) в линию 64 кбит/с.
Параметры синхронизирующего сигнала должны соответствовать ГОСТ 26886.
5.4.2 В ГИС должна быть предусмотрена возможность введения в измерительный сигнал калиброванных ошибок (тип ошибки указывается в ТЗ - см. п. 5.5.2). Пределы вводимого коэффициента ошибок по битам и по алгоритму кода должны быть от 10-8 до 10-3, при введении ошибок в цикловый синхросигнал от 10-6 до 10-2.
Должны вводиться также единичные ошибки по команде оператора или для автоматизированных приборов по программе. Может быть предусмотрено введение пакетов ошибок.
5.4.3 В ГИС может быть предусмотрена дополнительная возможность расстройки тактовой частоты выходного сигнала до ± 100 × 10-6 f.
5.4.4 В ГИС приборов, предназначенных для измерения показателей ошибок в "N" канальных интервалах первичного цифрового тракта, должна предусматриваться возможность вставления измерительного сигнала в канальные интервалы цикла (см п. 5.3.3), номера которых устанавливаются оператором или для автоматизированных приборов программой из канальных интервалов 01 - 31.
5.4.5 Для ГИС, предназначенных также для измерения допустимого значения фазового дрожания на входе цифровых каналов и трактов, должна быть обеспечена возможность введения в измерительный сигнал фазового дрожания в соответствии с требованиями к размаху генерируемого фазового дрожания в зависимости от частоты, указанными на рисунке 1 и в таблице 3.
Собственное фазовое дрожание в выходном сигнале ГИС в режиме без введения фазового дрожания должно быть не более 0,01 - 0,05 TИ в зависимости oт назначения прибора и скорости измеряемого цифрового сигнала.
Источник модуляции может быть внешним или включен в состав прибора.
Рисунок 1 Размах генерируемого фазового дрожания в зависимости oт частоты

Таблица 3 - Размах генерируемого фазового дрожания в зависимости oт частоты
|
Скорость передачи |
А0 |
А1 |
А2 |
А3 |
f0 |
f5 |
f1 |
f2 |
f3 |
f4 |
|
ТИ |
Гц |
|||||||||
|
64 |
|
|
5 |
0,5 |
|
|
2 |
600 |
6 к |
20 к |
|
2048 |
40 |
20 |
10 |
0,5 |
12 мк |
5 |
10 |
900 |
18 к |
100 к |
|
8448 |
200 |
20 |
10 |
0,5 |
12 мк |
10 |
20 |
400 |
8,5 к |
400 к |
|
34368 |
1000 |
20 |
10 |
0,5 |
• |
50 |
100 |
1000 |
20 к |
800 к |
|
139264 |
3000 |
20 |
10 |
0,5 |
• |
50 |
100 |
500 |
10 к |
3500 к |
Примечание - Значения размаха фазового дрожания на рисунке 1 и таблице 3 приведены в тактовых интервалах (ТИ).
5.4.6 Погрешность установки размаха генерируемого фазового дрожания должна быть не более
± (0,05А + х + у) ТИ,
где А - установленное значение размаха фазового дрожания;
х - составляющая погрешности в зависимости от частоты, которая не должна превышать ± 0,03А;
y - составляющая погрешности, в зависимости от вида испытательной последовательности, которая не должна превышать ± 0,02А.
5.5.1 Приемная часть прибора - измеритель ошибок (далее - ИО) должна работать с внутренним выделителем тактовой частоты из принимаемого сигнала, а также от внешнего сигнала (как в ГИС - см. п. 5.4.1).
Отклонение тактовой частоты измеряемого сигнала от номинального, значения может быть в пределах значений, указанных в таблице 2.
В режиме противонаправленного стыка ОЦК работа должна осуществляться от синхронизирующего сигнала (такт + октет) для I варианта включения прибора (п. 5.3.1). Во II варианте должен быть предусмотрен выход синхронизирующего сигнала (такт + октет)
Параметры синхронизирующего сигнала должны соответствовать ГОСТ 26886.
5.5.2 В ИО должны обеспечиваться:
1) регистрация ошибок (метод регистрации ошибок выбирается из указанных в данном подпункте в соответствии с назначением прибора):
а) по битам в соответствии с п. 5.5.3;
б) по ошибкам циклового синхросигнала в соответствии с п. 5.5.4;
в) по ошибкам в информационного сигнала, определенного с помощью процедуры CRC - 4 в соответствии с п. 5.5.4;
г) по блокам в соответствии с п. 5.5.5;
д) по нарушению алгоритма кода в соответствии с п. 5.5.7;
2) счет числа ошибок в течение установленного периода измерения;
3) регистрации дефектов в соответствии с приложением А;
4) анализ потока зарегистрированных ошибок и дефектов по односекундным интервалам времени и индикация:
a) коэффициента ошибок текущего и/или среднего значения за установленный период времени в соответствии с п. 5.5.7;
б) показателей ошибок (по блокам) за установленный период измерения для проверки цифровых трактов на соответствие долговременным нормам согласно Рекомендации МСЭ-Т G.826 [10] (приложение А).
- коэффициента ошибок по секундам с ошибками;
- коэффициента ошибок по секундам, пораженным ошибками;
- коэффициента фоновых ошибок по блокам;
в) показателей ошибок (по битам) за установленный период измерения для проверки ОЦК на соответствие долговременным нормам согласно Рекомендации МСЭ-Т G.821 [8] (приложение А):
- количества секунд с ошибками;
- количества секунд, пораженных ошибками;
г) показателей ошибок (по битам) за установленный период измерения для проверки цифровых трактов на соответствие нормам при вводе в эксплуатацию и в процессе эксплуатации согласно Рекомендации МСЭ-Т M.2100 [11] (приложение А):
- количества секунд с ошибками;
- количества секунд, пораженных ошибками.
Примечание - Показатели ошибок по п. 5.5.2 б, в и г должны вычисляться в пределах времени готовности (приложение А)
5.5.3 ИО, предназначенные для измерения показателей ошибок с прекращением связи, должны регистрировать ошибки по битам в измерительном сигнале, поступающем с выхода цифровых каналов и трактов, а также (если для этого предназначен прибор) сигнале, выделяемом из "N" канальных интервалов первичного цифрового сигнала, номера которых устанавливаются оператором или для автоматизированных приборов программой из канальных интервалов 01 - 31.
Ошибки должны регистрироваться путем прямого посимвольного (по битового) сопоставления входного сигнала (в виде испытательных последовательностей по пп. 5.3.1 и 5.3.2 после преобразования его в однополярный сигнал) с эталонным измерительным сигналом, генерируемым в ИО.
5.5.4 ИО, предназначенные для измерения показателей ошибок и цифровых сетевых трактах без прекращения связи или с прекращением связи по измерительному сигналу сформированному в виде цикла (п. 5.3.3), должны определять ошибки по битам в выделенном из цифрового сигнала цикловом синхросигнале (структура цикла в соответствии с Рекомендациями МСЭ-Т G.704 [2], G.742 [4] и G.751 [5]) и, если он предназначен для измерения первичного цифрового тракта, с помощью процедуры CRC-4 в соответствии с Рекомендацией МСЭ-Т G.704 [2].
5.5.5 ИО, предназначенные для измерения цифровых трактов на соответствие долговременным нормам, должны регистрировать ошибки по блокам, т.e. количество блоков с одной или более ошибками по битам. Значения величины блоком для различных трактов указаны в таблице 4.
Таблица 4 - Значения величины блоков для контроля показателей ошибок
|
Скорость передачи (кбит/с) |
Величина блоков (бит) |
Длина блоков |
Основание |
|
2048 |
2048 |
1 мс |
CRC-4 |
|
8448 |
4224 |
500 мкс |
Примечание |
|
34368 |
4296 |
125 мкс |
Примечание |
|
139264 |
17408 |
125мкс |
Примечание |
Примечание - значение величины блока основано на кратности 125 мкс. Действительное значение величины/длины блока может отличаться от номинального значения, данного в таблице, на + 5 %.
5.5.6 ИО должен обеспечивать индикацию коэффициента зарегистрированных ошибок за установленный интервал времени (в зависимости от установленного типа ошибки).
Диапазон измерения коэффициента ошибок по битам должен быть, от 103 до 108 для скоростей передачи 2048 кбит/с и выше и от 102 до 107 для скорости 64 кбит/с.
5.5.7 ИО, предназначенные для измерения ошибок в линейных цифровых трактах (трактах, не содержащих аппаратуры преобразования кодов), их участках и отдельных регенераторах должны определять ошибки по нарушению алгоритма кода.
Критерии ошибки для некоторых кодов следующие:
AMI: два последовательных символа одинаковой полярности (не обязательно соответствует абсолютному числу ошибок);
HDВ-3: два последовательных нарушения одинаковой полярности;
B6ZS и B8ZS: два последовательных символа одинаковой полярности, за исключением нарушений, вызванных применением кода с замещением нулей (не обязательно соответствует абсолютному числу ошибок).
CMI: два последовательных бита "1" одинаковой полярности. Для других кодов критерии нарушения кода для регистрации ошибки указываются в ТЗ.
5.5.8 Погрешность измерения в режиме счета ошибок должка быть не более 1 (0,015 а×1), где а - измеряемое значение.
5.5.9 ИО должен обеспечивать измерение при поступлении на вход цифрового сигнала с фазовым дрожанием, допустимым для выхода цифровых стыком - по ГОСТ 26886.
5.5.10 Дополнительно в ИО может обеспечиваться счет числа проскальзываний (октетных [9] и битовых).
5.5.11 В ИО должно устанавливаться значение интервала измерений и цикла измерений в пределах не менее, чем от 1 минуты до 1 месяца. Должен быть, предусмотрен также стартстонный режим работы.
Результаты измерения должны выводиться одним или несколькими из следующих способов:
- за текущий интервал измерения;
- за последний интервал измерении;
- с начала цикла измерений;
- наихудшее значение из результатов для интервалов измерения с начала цикла измерений.
- за весь цикл измерений.
Общие требования к методам испытаний, их последовательности, нормальным условиям испытании, а также методы испытания при изменении напряжения и частоты электропитания, сопротивления и электрической прочности изоляции, на устойчивость к климатическим и механическим воздействиям, на прочность при транспортировании и при изменении климатических факторов должны соответствовать ГОСТ 22261.
6.2.1 Перечень рекомендуемых для проведения испытаний средств измерений приведен в приложении Г.
6.2.2 Требования к используемым приборам приведены в тексте методик испытаний конкретных параметров и в приложении Г.
6.2.3 Средства измерений, применяемые при испытаниях, должны иметь эксплуатационную техническую документацию и отметку об очередной поверке. Запрещается применять средства измерений, срок обязательной поверки которых истек.
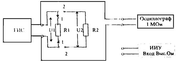
6.3.1 Выходное сопротивление ГИС измеряется с помощью резисторной схемы (рисунок 2) при разных значениях нагрузки (Rн и R1) и определяется по формуле:
![]()
где U1 - амплитуда или напряжение 1-й гармоники выходного сигнала при подключении номинальной нагрузки RH,
U2 - амплитуда или напряжение 1-й гармоники выходного сигнала при подключении измененной нагрузки Rl = Rн/2 Ом.
Измерение амплитуды или 1-й гармонической составляющей выходного сигнала следует проводить прибором с высокоомным (для ОЦК и первичного тракта симметричным) входом. Для этой цели может быть использован осциллограф, включенный по схеме рисунка 2 через симметрирующий трансформатор или согласующую схему, или избирательный измеритель уровня (ИИУ) на диапазон частот соответствующий стыкам, для которых предназначен данный выход прибора. Шнуры, используемые при измерениях симметричных объектов, должны быть проверены по собственной асимметрии.
Для удобства наблюдения импульсов на экране осциллографа структура сигнала устанавливается в виде 1 (единицы) с несколькими нулями.
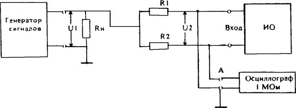
6.3.2 Сопротивление входа ИО для согласованного включения измеряют по схеме рисунка 3а. Значение R1 устанавливается равным ожидаемому значению входного сопротивления ИО. Значение напряжения U1 и U2 определяется по милливольтметру с высокоомным входом. При данном измерении допускается использовать прибор с несимметричным входом (выходом), погрешность при этом находится в допустимых пределах.
Генератор сигналов должен обеспечивать синусоидальный измерительный сигнал в диапазоне частот, соответствующем стыкам, для которых предназначен данный вход прибора. Измерения проводятся на нескольких частотах в пределах диапазона с напряжением порядка 1 - 3 В.
Вначале проводится измерение напряжения U1 при замкнутом ключе II и записывается значение U1'. Затем ключ размыкается, напряжение генератора повышается до получения U2 - U1' и записывается значение U1''.
Входное сопротивление на данной частоте вычисляет по формуле:
![]()
Затухание несогласованности входа и выхода прибора может быть вычислено по формую:

Высокоомное входное сопротивление проверяют по вносимому затуханию в точке подключения объекта по схеме рисунка 3б. Напряжение U1, измеренное милливольтметром с высокоомным входом (> 1 МОм) на выходе генератора сигналов с номинальным для измеряемого тракта выходным сопротивлением и нагруженным на такое же сопротивление, не должно отличаться более, чем на 5 - 10 % (в зависимости от заданного в ТЗ вносимого затухания), от напряжения U2 после подключения к этим точкам ИО с высокоомным входом.
Рисунок 2 - Схема измерения выходного сопротивления прибора

ГИС - генератор испытательных сигналов;
ИИУ - избирательный измеритель уровня
Рисунок 3 - Измерение входного сопротивления прибора
а) Измерение сопротивления входа для согласованного включении

б) Проверка высокоомного сопротивления

Проверка затухания асимметрии выхода ГИС и входа ИО проводится по схемам рисунков 4 и 5. Резисторы R1 и R2 (точность 0,5 - 1 %) на обеих схемах подбираются так, чтобы их разность, была менее 0,1 %.
Схемы проверяются предварительно по затуханию собственной асимметрии, которое должно быть на 10 - 20 дБ выше измеряемого.
Искомое значение затухания асимметрии в децибелах равно:
![]()
где p1 - p2 - уровни напряжений U1 и U2 соответственно.
Асимметрия выхода прибора измеряется по амплитуде импульса выходного сигнала на различных скоростях, асимметрия входа - по синусоидальному сигналу на нескольких частотах в диапазонах частот, соответствующих стыкам, для которых предназначен данный вход.
Рисунок 4 - Измерение затухания асимметрии выхода прибора

R1 = R2 = Rн/2
Рисунок 5 - Измерение затухания асимметрии входа прибора

R1 = R2 = Rн/2
Проверка частоты сигнала на выходе ГИС (п. 5.4.1 и 5.4.3) осуществляется с помощью частотомера (рисунок 6), подключаемого к выходу тактовой частоты прибора Fт.
При отсутствии выхода тактового сигнала допускается измерение частоты сигнала по измерительному сигналу. В этом случае устанавливается режим работы без цикла и вид сигнала в форме единиц.
Осуществляя регулировку расстройки частоты в приборе в пределах оговоренных в технической документации, проверяют, укладывается ли в допуск измеренное значение тактовой частоты сигнала.
При измерении частоты выходного измерительного сигнала измеренное значение частоты в зависимости от кода равно или кратно номинальному значению тактовой частоты.
Погрешность частотомера должна быть не более ± 1×108×f.
Примечание - В данном пункте и далее в методике используются дополнительные выходы ГИС для следующих сигналов: измерительного сигнала в двоичной форме (Fд), синхроимпульсов с частотой испытательной последовательности (Fс), сигнала тактовой частоты (Fт).
Рисунок 6 - Схема для измерения частоты сигнала

Проверка вырабатываемых испытательных последовательностей (п. 5.3.2) проводится для 16-бигого слова путем измерения частоты сигнала при установке определенной структуры слова. Частота сигнала в двоичной форме (на выходе Fд) должна быть в (n + 1) раз меньше номинальной при сигнале в виде чередования 1 и n нулей.
Для ПСП (п. 5.3.1) проверка осуществляется определением их длины и числа единиц в последовательности. Длина проверяется путем измерения отношения тактовой частот и Fс (синхроимпульс ПСП) в режиме работы ГИС без цикла, число единиц в последовательности проверяется путем измерения отношения частоты выходного сигнала в двоичном коде Fд к частоте сигнала с выхода Fс (рисунок 7б). Отношение частот измеряется с помощью частотомера. Показание частотомера для этих измерений должно соответствовать таблице 5.
Рисунок 7 - Схема для проверки формирования испытательных последовательностей
а) измерение длины последовательности

б) измерение числа единиц в последовательности

Таблица 5 - Показания частотомера при измерении длины и количества единиц ПСП
|
ПСП |
Показание частотомера при измерении длины ПСП |
Показание частотомера при измерении числа единиц в ПСП |
|
29 - 1 |
511 |
128 |
|
211 - 1 |
2047 |
512 |
|
215 - 1 |
32767 |
8192 |
|
223 - 1 |
8388607 |
2097152 |
При отсутствии в приборе выходов, указанных в вышеприведенной методике, правильность формирования испытательных последовательностей проверяется путем совместной работы с заведомо исправным ИО любого типа, предназначенного для измерения тex же цифровые сигналов. При соединении испытываемого ГИС и исправного ИО и установке аналогичных режимов работы не должно наблюдаться появление ошибок и должен осуществляться адекватный счет ошибок при ручном введении их на ГИС.
Так же проверяется правильность формирования измерительных сигналов в форме цикла (п. 5.3.3).
Проверка работы ГИС от внешнего тактового сигнала (п. 5.4.1) проводится по схеме рисунка 7а с помощью генератора синусоидальных сигналов, от которого подаются сигналы с необходимой частотой и амплитудой (с допусками согласно технической документации. Частота тактового сигнала контролируется частотомером. Правильная работа ГИС контролируется путем измерения правильности формирования испытательных последовательностей в соответствии с п. 6.6 настоящей методики.
Проверка работы прибора от синхронизирующих сигналов в режимах сонаправленного и противонаправленного стыков ОЦК проводится от специального генератора стендового оборудования (допускается проведение проверки в них режимах работы при линейных испытаниях от реальных сигналов).
Форма импульса (п. 5.2.3) цифрового сигнала (амплитуда, длительность, время нарастания и спада импульса) на выходе ГИС (Вых.) проверяется с помощью осциллографа по схеме рисунка 8. Измерения рекомендуется проводить, по сигналу в виде 1 с несколькими нулями.
Применяемый осциллограф должен иметь время нарастания переходной характеристики втрое меньше ширины фронта проверяемого импульса, а точность измерения амплитуды - не хуже ± 3 %. Вход осциллографа должен быть или высокоомным (тогда генератор нагружается на номинальное сопротивление), или низкоомным (тогда при необходимости осциллограф должен подключаться к ГИС через согласующую схему).
Рисунок 8 - Схема для измерения параметров импульсом

Правильность формирования кодов выходного сигнала ГИС (п 5.2.3) проверяется с помощью осциллографа но схеме рисунка 8. Для удобства наблюдения колон на экране устанавливается структура испытательной последовательности 1слмюсти в виде 1 с несколькими нулями.
Правильность формирования сигнала ОЦК проверяется и режимах противонаправленного и сонаправленного стыка, т.е. без тактового и октетного сигнала и вместе с ними.
Проверяется также структура синхронизирующего сигнала (такт + октет) на соответствующем выходе в режиме противонаправленного стыка ОЦК.
Правильность введения ошибок по битам (п. 5.4.2) в выходной сигнал ГИС (значение калиброванных ошибок) может проверяться по методике п. 6.6 путем измерения количества единиц (или нулей) в испытательных последовательностях при введенных вручную ошибках.
При отсутствии в испытываемом ГИС выходов, необходимых для испытаний по указанной методике, проверка правильности введения ошибок проводится по заведомо исправному ИО любого типа, предназначенного для измерений тех же цифровых сигналов.
Введение ошибок кода и ошибок в цикловой синхросигнал проверяется также по внешнему ИО.
Собственное фазовое дрожание сигнала на выходе ГИС в режиме без введения фазового дрожания (п. 5.4.4) проверяется при помощи анализатора спектра, подключаемого к выходу (Вых) генератора по схеме рисунка 9. Проверка проводится при установлении структуры выходного сигнала в виде последовательности единиц. На экране анализатора наблюдается спектр исследуемого сигнала вокруг полутактовой частоты сигнала.
Принимая во внимание то, что размах собственного фазового дрожания много меньше тактового интервала (ТИ), ее можно определить в ТИ по формуле:
![]()
где А - амплитуда основной спектральной составляющей;
В - наибольшая амплитуда паразитных составляющих в диапазоне частот, отстоящих от частоты основной спектральной составляющей до 1 (5 - 10) %.
Полоса обзора анализатора спектра устанавливается шириной до 15 - 20 % от частоты основной спектральной составляющей, полоса пропускания 3 - 10 Гц. При необходимости должна применяться согласующая схема.
Рисунок 9 - Схема проверки собственного фазового дрожания

Погрешность размаха вводимого фазового дрожания (п. 5.4.4) проверяют с помощью соответствующего измерителя фазового дрожания, служащего эталоном, или по схеме рисунка 10 при помощи двухканального осциллографа при подаче на один канал сигнала тактовой частоты с выхода Fт ГИС, а на другой - сигнал с выхода (Вых). Для удобства наблюдения фазового дрожания рекомендуется использовать сигнал в коде AMI со структурой в виде единицы с несколькими нулями (не менее 3). На экране осциллографа наблюдается размытый фронт выходного сигнала прибора. Ширина разности сравнивается с тактовым сигналом на втором канале осциллографа и проверяется соответствие установленному значению введенного фазового дрожания. Частота введенного фазового дрожания устанавливается или на испытуемом приборе, или на внешнем генераторе, подключенном к соответствующему входу модулирующего сигнала (в зависимости от предусмотренного варианта образования фазового дрожания).
Рисунок 10 - Схема проверки вводимого фазового дрожания

Проверка погрешности счета ошибок и проверка измерения коэффициента ошибок (п.п. 5.5.1 - 5.5.8) проводится по схеме рисунка 11 с помощью аттестованного ГИС (можно от испытываемого прибора после проверки его параметров), по сигналу с калиброванной ошибкой. Проверка проводится как при внутренней, так и при внешней синхронизации ИО от сигнала с заданными допусками по частоте и амплитуде.
Измерения проводятся в различных режимах работы, определяемых технической документацией, за фиксированный интервал времени, для которого определены расчетные значения проверяемого параметра. Проверка должна проводиться при введении затухания во вводной сигнал со значением, соответствующим технической документации.
Измеренные значения коэффициента ошибок и количества ошибок сравниваются с расчетными для заданных условий измерения.
Правильность определения показателей ошибок определяется аналогичным образом по сложному калиброванному сигналу фиксированной длительности с неравномерным потоком ошибок.
Проверка индикации дефектов проводится путем имитации этих состояний вручную или от дополнительного генератора стендового оборудования (допускается проверка индикации некоторых состояний при линейных испытаниях).
Рисунок 11 - Схема проверки измерения ошибок ИО

Устойчивость ИО к фазовому дрожанию входного сигнала (п. 5.5.9) проверяется по схеме рисунка 12 путем подачи от калиброванного ГИС сигнала с введенным фазовым дрожанием, соответствующим максимально допустимому значению для данного стыка (согласно требованиям ГОСТ 26886). Если это предусмотрено в ГИС, ввод фазового дрожания осуществляется с помощью внешнего генератора синусоидального сигнала. Испытание считается выдержанным, если ИО правильно измеряет ошибки по методике п. 6.13.
Рисунок 12 - Схема проверки устойчивости ИО к фазовому дрожанию

Проверка правильности регистрации ИО числа проскальзываний (п. 5.5.10) проводится по схеме рисунка 11 по измерительному сигналу в виде ПСП, подаваемому от аттестованного ГИС при введении N дополнительных битов, где N -несколько значений от 1 до 64.
(справочное)
ОПРЕДЕЛЕНИЯ
ПОКАЗАТЕЛЕЙ ОШИБОК И ДРУГИХ ПОНЯТИЙ,
ИСПОЛЬЗУЕМЫХ ПРИ АНАЛИЗЕ РЕЗУЛЬТАТОВ ИЗМЕРЕНИЯ
1 Критерии для входа в состояние
неготовности и выхода из него
(Рекомендации МСЭ-Т G.821, G.826, M.2100)
1.1 Период времени неготовности - количество секунд неготовности (unavailable seconds US)1 - время в секундах, которое начинается с началом 10 последовательных секунд, пораженных ошибками (SES)2. Эти десять секунд считаются частью времени неготовности. Новый период времени готовности начинается с началом десяти последовательных событий, не являющихся SES. Эти 10 секунд считаются частью времени готовности.
______________________________
1 Здесь и далее в скобках указаны международные обозначения показателей ошибок и других понятий, используемые в зарубежных средствах измерений.
2 Понятие SES различается в Рекомендациях G.826 и G.821 (M.2100).
1.2 Время готовности (available seconds AS) - время в секундах, равное разности периода измерений Тизм и периода времени неготовности:
![]()
2 Показатели ошибок, нормируемые в долговременных
нормах
на цифровые сетевые тракты первого и более высоких порядков
(в соответствии с Рекомендацией МСЭ-Т G.826)
2.1 Коэффициент ошибок по секундам с ошибками (ESR)
Отношение секунд с ошибками (ES) к общему количеству секунд в течение времени готовности за фиксированный интервал измерения.
Секунда с ошибками (ES)
Односекундный интервал с одним или более блоками с ошибками.
Блок с ошибками (EB)
Блок, в котором один или более бит являются ошибочными.
Примечание - Рекомендуемые значения величины блоков для трактов различной скорости указаны в таблице 4 настоящего стандарта.
2.2 Коэффициент ошибок по секундам, пораженным ошибками (SESR)
Отношение секунд, пораженных ошибками, (SES) к общему количеству секунд в течение времени готовности за фиксированный интервал измерения.
Секунда, пораженная ошибками (SES)
Односекундный интервал, содержащий ³ 30 % блоков с ошибками или, по крайней мере, один период с серьезными нарушениями (SDP). SES входит в совокупность ES.
Период с серьезными нарушениями (SDP) является кратковременным периодом, продолжающимся в течение четырех смежных блоком, но не менее 1 мс, в течение которого тракт не работоспособен.
Примечание - Тракт может считаться неработоспособным, если происходит пропадание сигнала или все смежные блоки поражены ошибками с высоким коэффициентом (BER) (например, > 102). Это состояние оценивается путем регистрации дефектов.
2.3 Коэффициент фоновые ошибок по блокам (BBER)
Отношение фоновых ошибок по блокам (BBE) ко всему количеству блоков в течение времени готовности за фиксированный интервал измерения. При счете общего количества блоков исключаются все блоки в течение SES.
Фоновая ошибка по блокам (BBE)
Блок с ошибками, не являющийся частью SES.
2.4 Параметры, используемые для оценки показателей ошибок без прекращения связи
2.4.1 Аномалии
Состояния аномалии без прекращения связи используются для определения показателей ошибок тракта, когда тракт не находится в состоянии дефекта. Определены следующие две категории аномалий, относящихся к приходящему сигналу:
a1 - цикловый синхросигнал с ошибками;
а2 - блок с ошибками (EB), обнаруженный с помощью методов встроенного контроля (циклический контроль избыточности, проверка на четность) не применима для трактов типа 2 и 3.
2.4.2 Дефекты
Состояния дефекта без прекращения связи используются, чтобы обнаружить изменение состояния качественных показателей, которое может произойти в тракте. Определены следующие три категории дефектов, относящихся к приходящему сигналу:
d1 - пропадание сигнала (LOS);
d2 - сигнал индикации аварийного состояния (AIS);
d3 - пропадание цикловой синхронизации (LOF).
Определения критериев для состояния дефектов LOS и AIS даны в Рекомендации МСЭ-Т G.775, а дефекта LOF также в Рекомендациях серии от G.730 до G.750.
2.4.3 Формирование показателей ошибок в зависимости от типа тракта
В таблице A.1 приведены правила, по которым должны формироваться значения показателей ошибок, исходя из зарегистрированных аномалий и дефектов, для имеющихся на сетях связи страны типов трактов.
В зависимости от типа средств контроля без прекращения связи (ВК), имеющихся в аппаратуре образования тракта, может оказаться невозможным получение всей совокупности параметров качественных показателей. Может быть определено три типа трактов:
Тип 1: Тракты с цикловой и блоковой структурой
Обеспечивается определение с помощью средств ВК всей совокупности дефектов от d1 до d3 и аномалий а1 и а2. Примерами данного типа тракта являются: первичные и вторичные тракты с CRC (от 4 до 6) в соответствии с Рекомендацией МСЭ-Т G.704; четверичные тракты с битом проверки на четность каждый цикл в соответствии с Рекомендацией МСЭ-Т G.755.
Тип 2: Тракты с цикловой структурой
Обеспечивается определение с помощью средств ВК всей совокупности дефектов от d1 до d3 и аномалий а1. Примерами данного типа тракта являются типовые сетевые тракты от первичного до четверичного в соответствии с ГОСТ 27763-88.
Обеспечивался определение с помощью средств ВК ограниченной совокупности дефектов d1 и d2, которые не включают проверку любой ошибки. Не имеется контроля циклового синхросигнала (FAS). Примером данного типа тракта может быть цифровой канал, предоставляемый потребителю, образованный в нескольких трактах более высокого порядка, соединенных последовательно.
Таблица А.1 - Параметры и критерии оценки результатов измерений
|
Тип |
Параметр |
Критерии оценки риулыаюв измерении |
|
1 |
ESR |
ES отмечается тогда, когда в течение одной секунды возникает, по крайней мере, одна аномалия а1 или а2 или один дефект от d1 до d3 |
|
SESR |
SES отмечается тогда, когда в течение одной секунды возникает, по крайний мере, "х" аномалий а1 или а2 или один дефект от d1 до d3 (примечания 1 и 2) |
|
|
BBER |
BBE отмечается тогда, когда в течение одной секунды в блоке, не являющимся частью SES, возникает аномалия a1 или а2 |
|
|
2 |
ESR |
ES отмечается тогда, когда в течение одном секунды возникает, по крайней мере, одна аномалия а1 или один дефект от d1 до d3 |
|
SESR |
SES отмечается тогда, когда в течение одной секунды возникает, по крайней мере, "х" аномалии a1 или один дефект от d1 до d3 (примечание 2) |
|
|
3 |
SESR |
SES отмечается тогда, когда в течение одной секунды возникает, по крайней мере, один дефект d1 или d2 (примечание 3) |
Примечания
1 Если в течение интервала одного блока возникает более, чем одна аномалия а1 или а2, должна отсчитываться одна аномалия.
2 Значения "х" для трактов разного порядка указаны в нормах на цифровые тракты.
3 Оценки ESR и SESR должны быть идентичны, так как событие SES является частью совокупности событий ES.
3
Показатели ошибок, нормируемые в долговременных нормах
на основной цифровой канал
(в соответствии с Рекомендацией МСЭ-Т G.821)
Секунда с ошибками (ES)
Односекундный интервал с одной или более ошибками
Секунда, пораженная ошибками (SKS)
Односекундный интервал, средний коэффициент ошибок по битам в котором > 10 SES входит в совокупность ES.
Примечание - И ES и SES регистрируются в течении времени готовности (п. 1).
4 Показатели ошибок, нормируемые в Рекомендации МСЭ-Т M.2100
4.1 Параметры показателей ошибок (ES/SES) при оценке без прекращения связи
4.1.1 Аномалии:
FAS с ошибками - двоичные ошибки в любом бите/слове циклового синхросигнала в течение 1-секундного интервала;
Е-биты - биты индикации блока CRC-4 с ошибками обратного направления;
управляемые проскальзывания.
LOF - потеря цикловой синхронизации;
LOS - пропадание сигнала;
битовые ошибки в цикловом синхросигнале - если оборудование может обнаружить двоичные ошибки в слове FAS, тогда SES может быть обнаружена при использовании заданного значения. Если оборудование может определить только нарушение слова FAS, тогда то же число нарушенных слов FAS приводит к SES;
А -биты - индикация аварийного состояния (AIS) дальнего конца;
RD -биты - индикация дефекта на дальнем конце.
4.1.3 Формирование показателей ошибок на основании информации об аномалиях и дефектах без прекращения связи в зависимости от типа тракт
Значения показателей ошибок вырабатываются на основании анализа зафиксированных аномалий и дефектов для 1-секундного интервала. В случае аномалии, как правило, фиксируется ES, в случае дефекта ES и SES. Критерии оценки для ES и SES зависят от типа тракта и аппаратуры его образования (т.e. использования бит 1 - 8 для цепей контроля). В таблице А.2 приведены критерии для оценки без прекращения связи для различных цифровых трактов.
Таблица А.2 - Критерии оценки параметров ES/SES без прекращения связи
|
Скорость передачи, |
Информация в битах 1 - 8 цикла |
Критерии оценки параметров ES/SES (аномалии и дефекты в 1 с) |
Примечание |
||
|
Аномалии и дефекты в 1 сек. интервала |
Показатели ошибок в напр. приема |
Показатели ошибок в напр. передачи |
|||
|
2048 |
FAS |
³ 1 LOS |
ES + SES |
- |
Количество ES передачи ограничено секундами, относящимся к SES |
|
(без CRC-4) |
А-бит |
³ 1 LOS |
ES + SES |
- |
|
|
G.704 |
³ l AIS |
ES + SES |
- |
||
|
³ l FAS c ошибкой |
ES |
- |
|||
|
³ 28 ошибок FAS |
ES + SES |
- |
|||
|
³ 1 RDI бит |
- |
ES + SES |
|||
|
2048 |
CRC-4 |
³ l LOF |
ES + SES |
- |
Количество ES передачи ограничено секундами, относящимся к совокупности SES |
|
(с CRC-4) |
E-биты |
³ l LOS |
ES + SES |
- |
|
|
G.704 |
FAS |
³ 1 AIS |
ES + SES |
- |
|
|
A-бит |
³ 1 блока CRC-4 с ошибками |
ES |
- |
||
|
³ 805 блоков CRC-4 с ошибками |
ES + SES |
- |
|||
|
³ 1 E-бита |
- |
ES |
|||
|
³ 805 E-бит |
- |
ES + SES |
|||
|
³ 1 RDI бит |
- |
ES + SES |
|||
|
8448 |
FAS |
³ l LOF |
ES + SES |
- |
Количество ES передачи ограничено секундами, относящимся к SES |
|
G.742 |
RDI |
³ l LOS |
ES + SES |
- |
|
|
³ 1 AIS |
ES + SES |
- |
|||
|
³ l FAS c ошибкой |
ES |
- |
|||
|
³ 41 ошибок FAS |
ES + SES |
- |
|||
|
³ i RDI бит * |
- |
ES + SES |
|||
|
34368 |
FAS |
³ l LOF |
ES + SES |
- |
Количество ES передачи ограничено секундами, относящимся к SES |
|
RDI |
³ l LOS |
ES + SES |
- |
||
|
G.751 |
³ 1 AIS |
ES + SES |
- |
||
|
³ l FAS c ошибкой |
ES |
- |
|||
|
³ 52 ошибок FAS |
ES + SES |
- |
|||
|
³ i RDI бит * |
- |
ES + SES |
|||
|
139664 |
FAS |
³ l LOF |
ES + SES |
- |
Количество ES передачи ограничено секундами, относящимся к SES |
|
RDI-6 |
³ l LOS |
ES + SES |
- |
||
|
G.751 |
³ 1 AIS |
ES + SES |
- |
||
|
³ l FAS c ошибкой |
ES |
- |
|||
|
³ 69 ошибок FAS |
ES + SES |
- |
|||
|
³ dd RDI бит * |
- |
ES + SES |
|||
|
* Норма на количество RDI бит в секунду не определена |
|||||
4.2 Параметры показателей ошибок (ES/SES) при оценке (измерениях) с прекращением связи
Параметры ES и SES оцениваются по аномалиям и дефектам с прекращением связи, полученным от средств измерения за соответствующий период интеграции.
4.2.1 Аномалии
Основная аномалия - ошибка в единичном интервале (бите).
При использовании измерительного сигнала, сформированного в виде цикла, возможна оценка некоторых "аномалий без прекращения связи" (п. 4.1).
4.2.2. Дефект
Потеря синхронизации последовательности, возникающая и случае:
пакета интенсивных ошибок большой длительности;
AIS большой длительности;
неуправляемого проскальзывания биты;
пропадания сигнала.
При использовании измерительного сигнала, сформированного в виде цикла, возможна оценка некоторых "дефектов без прекращения связи" (п. 4.1.2).
4.2.3 Формирование показателей ошибок в средствах измерения
Так как в средствах измерения обычно имеется побитовое разрешение, основной критерий оценки для параметров ES и SES должен быть:
ES - 1 секундный интервал с ошибками > 1 бит;
SES - 1-секундный интервал со средним BER (КОбит) > 103.
Примечание - И ES и SES регистрируются в течении времени готовности (п. 1).
Кроме того, если в средствах измерений используется измерительный сигнал в виде ПСП, который вставляется в стандартизованный сигнал тракта, можно также использовать дополнительный критерий оценки ES/SES в соответствии с информацией без прекращения связи по аномалиям и дефектам согласно п. 4.1.3.
Однако, если в средствах измерений используется измерительный сигнал, не сформированный в виде цикла, т.e. он не вставляется в стандартизованный сигнал тракта, тогда единственной дополнительной информацией об аномалиях и дефектах, которая может быть принята во внимание, являются:
аномалии - нарушения интерфейсного кода (в соответствии с Рекомендацией G.703);
дефекты - AIS, LOS.
В частности, считается, что 1-секундиый интервал с > 1 LOS относится к SES (и ES).
Примечание - Считается, что AIS (СИАС) может фактически вызывать BER в течение 0,5 его длительности. Если AIS имеет достаточную длительность, чтобы вызвать BER ³ 10-3 в каком либо 1-секундном интервале, он может считаться событием при оценке параметров SES (+ ES). Однако, сигнал со всеми битами, кроме циклового синхросигнала, в состоянии 1, не должен быть ошибочно принят за AIS.
(справочное)
ПРАВИЛА
ФОРМИРОВАНИЯ ИЗМЕРИТЕЛЬНЫХ СИГНАЛОВ
В ВИДЕ ЦИКЛОВ ЦИФРОВЫХ СИГНАЛОВ
1 Циклы цифровых сигналов со скоростью передачи 2048 кбит/с (Рекомендации МСЭ-Т G.704 [2]).
1.1 Циклы без процедуры CRC-4 с обеспечением сигнализации по общему каналу.
В этом случае структура цикла должна быть следующей:
|
Канальный интервал 0 |
Канальные интервалы 1 - 15 |
Канальный интервал 16 |
Канальные интервалы 17 - 31 |
|
1001 1011 |
Испытательная последовательность |
Испытательная последовательность |
Испытательная последовательность |
|
11AS SSSS |
Испытательная последовательность |
Испытательная последовательность |
Испытательная последовательность |
Примечания - А = индикация аварийного состояния дальнего конца;
S = свободные биты.
1.2 Циклы без процедуры CRC-4 с обеспечением сигнализации по выделенному каналу.
В этом случае структура цикла должна быть следующей:
|
Канальный интервал 0 |
Канальные интервалы 1 - 15 |
Канальный интервал 16 |
Канальные интервалы 17 - 31 |
|
1001 1011 |
Испытательная последовательность |
abcd abcd |
Испытательная последовательность |
|
11AS SSSS |
Испытательная последовательность |
abcd abcd |
Испытательная последовательность |
Примечания - А = индикация аварийного состояния дальнего конца;
S = свободные биты;
a, b, c, d = биты сигнализации.
1.3 Циклы с процедурой CRC-4 с обеспечением сигнализации по выделенному каналу.
В этом случае структура цикла должна быть следующей:
|
Канальный интервал 0 |
Канальные интервалы 1 - 15 |
Канальный интервал 16 |
Канальные интервалы 17 - 31 |
|
C001 1011 |
Испытательная последовательность |
abcd abcd |
Испытательная последовательность |
|
C1AS SSSS |
Испытательная последовательность |
abcd abcd |
Испытательная последовательность |
Примечания - C = бит циклического контроля избыточности (CRC-4);
А = индикация аварийного состояния дальнего конца;
S = свободные биты;
a, b, c, d = биты сигнализации.
2. Циклы цифровых сигналов со скоростью передачи 8448 кбит/с (Рекомендация G.742 [4])
Цикл должен состоять из четырех групп по 212 бит и иметь длину 848 бит.
|
Группа 1 |
Группа 2 |
Группа 3 |
Группа 4 |
||||
|
01 |
200 бит |
02 |
208 бит |
03 |
208 бит |
01 |
208 бит |
Подробная структура групп от 1 до 4 дана ниже:
|
|
Биты заголовка (0-биты) |
Биты испытательной последовательности |
|
Группа 1 |
Цикловый синхросигнал (биты от 1 до 10): 1111010000 |
Биты испытательной последовательности 1 - 200 |
|
Индикация аварийного состояния дальнего конца (бит 11) |
||
|
Резервируется для национального использования (бит 12) |
||
|
Группа 2 |
Биты управления выравниванием: С11, С21, С31, С41 |
Биты испытательной последовательности 201 - 408 |
|
Группа 3 |
Биты управления выравниванием: C12, С22, С32, С42 |
Биты испытательной последовательности 409 - 616 |
|
Группа 4 |
Биты управления выравниванием: C13, С23, С33, С43 |
Биты испытательной последовательности 617 - 824 (820) |
|
Биты от компонентных потоков для цепей выравнивания (биты от 5 до 8) |
Примечание - Относительно использования бит стаффинга (выравнивания) см. п. 5.3.3 настоящего стандарта.
3 Циклы цифровых сигналов со скорости передачи 34368 кбит/с (Рекомендация G.751 [5]).
Цикл должен состоять из четырех групп по 384 бита и иметь длину 1536 бит.
|
Группа 1 |
Группа 2 |
Группа 3 |
Группа 4 |
||||
|
01 |
372 бит |
02 |
380 бит |
03 |
380 бит |
01 |
388 бит |
Подробная структура групп от 1 до 4 дана ниже:
|
Биты заголовка (0-биты) |
Биты испытательной последовательности |
|
|
Группа 1 |
Цикловый синхросигнал (биты от 1 до 10): 1111010000 |
Биты испытательной последовательности 1 - 372 |
|
Индикация аварийного состояния дальнего конца (бит 11) |
||
|
Резервируется для национального использования (бит 12) |
||
|
Группа 2 |
Биты управления выравниванием: С11, С21, С31, С41 |
Биты испытательной последовательности 373 - 752 |
|
Группа 3 |
Биты управления выравниванием: C12, С22, С32, С42 |
Биты испытательной последовательности 409 - 616 |
|
Группа 4 |
Биты управления выравниванием: C13, С23, С33, С43 |
Биты испытательной последовательности 617 - 824 (820) |
|
Биты от компонентных потоков для цепей выравнивания (биты от 5 до 8) |
Примечание - Относительно использования бит стаффинга (выравнивания) см. п. 5.3.3 настоящего стандарта.
4 Циклы цифровых сигналов со скорости передачи 139264 кбит/с (Рекомендация G.751 [5]).
Цикл должен состоять из четырех групп по 488 бита и иметь длину 2928 бит.
|
Группа 1 |
Группа от 2 до 5 |
Группа 6 |
|||
|
01 |
472 бит |
02 - 05 |
484 бит |
06 |
484 бит |
Подробная структура групп от 1 до 6 дана ниже:
|
Биты заголовка (0-биты) |
Биты испытательной последовательности |
|
|
Группа 1 |
Цикловый синхросигнал (биты от 1 до 12): 111110100000 |
Биты испытательной последовательности 1 - 472 |
|
Индикация аварийного состояния дальнего конца (бит 13) |
||
|
Резервируется для национального использования (бит 14 - 16) |
||
|
Группа 2 - 5 |
Биты управления выравниванием: С1n, С2n, С3n, С4n |
Биты испытательной последовательности 473 - 2408 |
|
Группа 6 |
Биты управления выравниванием: C15, С25, С35, С45 |
Биты испытательной последовательности 2409 - 2892 (2888) |
|
Биты от компонентных потоков для цепей выравнивания (биты от 5 до 8) |
Примечание - Относительно использования бит стаффинга (выравнивания) см. п. 5.3.3 настоящего стандарта.
(информационное)
ПЕРЕЧЕНЬ
ОСНОВНЫХ СРЕДСТВ ИЗМЕРЕНИЯ И УСТРОЙСТВ,
РЕКОМЕНДУЕМЫХ ДЛЯ ПРОВЕРКИ ХАРАКТЕРИСТИК
ИЗМЕРИТЕЛЕЙ ПОКАЗАТЕЛЕЙ ОШИБОК
В ЦИФРОВЫХ КАНАЛАХ И ТРАКТАХ
|
Наименование |
Тип |
Нормативно-технические характеристики |
Примечание |
|
1 Осциллограф |
С1-97 |
0 - 350 MГц; 10 мВ - 5 В; два канала; время нарастания ПХ менее 1 нс; погрешности измерения по оси X и Y: £ 3 %; 1 МОм, 50 Ом |
Для приборов до 51 Мбит/с |
|
С9-9А |
0 - 18 ГГц; t £ 50 пс; 0,05 - 10 В; измерение двух сигналов; погрешности измерения напряжения £ 2 % , временных интервалов £ 1 % |
Для приборов до 140Мбит/с |
|
|
2 Генератор сигналов (источник внешней модуляции для получения сигнала с фазовым дрожанием) |
Г4-153 |
10 Гц - 10 MГц; 100 мкВ - 10В |
|
|
3 Генератор сигналов (для измерения входного сопротивления и затухания асимметрии) |
Г4-153 |
10 Гц - 10 МГц; 100 мкВ - 10 В |
Для приборов до 8 Мбит/с |
|
I -1 154 |
0,1 Гц - 50 МГц; 100 мкВ - 10 В |
Для приборов на 8 и 34 Мбит/с |
|
|
Г4-164 |
0,1 Гц - 640 МГц; 0,03 мкВ - 2 В |
Для приборов на 140 Мбит/с |
|
|
4 Генератор импульсов |
Г6-34 |
0,01 Гц - 10 MГц; 500 мкВ - 5 В синусоидальная и прямоугольная форма сигнала, внешняя модуляция |
Для приборов до 8 Мбит/с |
|
ГК5-83 |
2, 8 и 34 Мбит/с; ПСП |
||
|
Г5-91 |
34 и 140 М6ит/с; ПСП |
||
|
5 Частотомер электронно-счетный |
Ч3-63/1 |
0,1 Гц - 1500 MГц (синус); 0,1 Гц - 200 MГц (импульс); 0,03 (0,1) - 10 В; погрешность 5 × 10? × f |
|
|
6 Анализатор спектра |
С4-74 |
300 Гц -300 МГц; 300 нВ - 3 В; динамический диапазон 70 - 80 дБ; полоса обзора 20 Гц - 150 МГц |
|
|
7 Милливольтметр |
B3-56 |
10 Гц - 15 МГц; 0,1 мВ - 300 В; погрешность ± 2,5 %; 1 МОм, 15пФ |
Для приборов до 8 Мбит/с |
|
В3-48А |
10 Гц - 50 МГц; 0,3 мВ - 300 В; погрешность ± 2,5 %; 20 МОм, 6 пФ |
Для приборов до 34 Мбит/с |
|
|
В3-62 |
10 кГц - 1500 МГц; 0,7 мВ - 300 В; погрешность ± 1,5 %; 300 кОм, 2,5 пФ |
Для приборов до 140 Мбит/с |
|
|
8 Согласующая схема |
120 Ом сим. / 50 Ом несим. |
Подлежит разработке |
|
|
9 Схемы измерения входного и выходного сопротивления |
Резисторы с точностью не хуже 5 % |
Подлежит разработке |
|
|
10 Схемы измерения асимметрии относительно земли входа и выхода прибора |
Резисторы, подобранные попарно с разностью сопротивлений не более 0,1 % |
Подлежит разработке |
|
|
11 Аттенюатор симметричный |
Затухание 20 дБ ± 0,5 дБ |
Подлежит разработке |
(информационное)
БИБЛИОГРАФИЯ
1 Рекомендации МСЭ-Т G.703. Физические/электрические характеристики иерархических цифровых стыков, 04/1991.
2 Рекомендация МСЭ-Т G.704. Синхронные структуры циклов для первичного и вторичного иерархических уровней. Выпуск III.4, Синяя книга, 1988.
3 Рекомендации МСЭ-Т G.732. Характеристики аппаратуры первичного ИКМ группообразования, работающей на 2048 кбит/с. Выпуск III.4, Синяя книга, 1988.
4 Рекомендация МСЭ-Т G.742. Аппаратура вторичного цифрового группообразования, работающая на 8448 кбит/с и использующая положительное цифровое выравнивание. Выпуск III.4, Синяя книга, 1988.
5 Рекомендация МСЭ-Т G.751. Аппаратура цифрового группообразования, работающая на скорости передачи третьего порядка 34368 кбит/с и на скорости передачи четвертого порядка 139264 кбит/с и использующая положительное цифровое выравнивание. Выпуск III.4, Синяя книга, 1988.
6 Рекомендация МСЭ-Т G.772. Цифровые защищенные точки контроля, 1993.
7 Рекомендация МСЭ-Т G.775. Критерии обнаружения и снятия дефектов пропадания сигнала (LOS) и индикации аварийного состояния (AIS), 11/1994.
8 Рекомендация МСЭ-Т G.821. Показатели ошибок международного цифрового соединения, образуемого в ISDN Выпуск III.5. Синяя книга, 1988.
9 Рекомендация МСЭ-Т G.822. Нормы на частость управляемых проскальзываний в международном цифровом соединении. Выпуск III.5. Синяя книга, 1988.
10 Рекомендация МСЭ-Т G.826. Параметры и нормы показателей ошибок для международных первичных и более высокого порядка цифровых трактов с постоянной скоростью передачи. 11/93. Исправлена в июне 1995 г.
11 Рекомендация МСЭ-Т G.2100. Допустимые пределы качественных показателей при вводе в эксплуатацию и техническом обслуживании международных трактов PDH, их участков и систем передачи. 10/92. Исправлена в 1995 г.
12 Рекомендация МСЭ-Т О.150. Цифровые испытательные последовательности для измерения качественных показателей цифровой аппаратуры передачи, 10/1992.
13 Рекомендация МСЭ-Т О.151. Аппаратура для измерения показателей ошибок в цифровых системах на первичной скорости передачи и выше, 10/1992.
14 Рекомендация МСЭ-Т О.152. Измерительная аппаратура для скоростей передачи 64 кбит/с и N × 64 кбит/с, 10/1992.
15 Рекомендация МСЭ-Т О.161. Прибор для эксплуатационного контроля нарушений кода в цифровых системах передачи. Выпуск IV.4, Синяя книга, 1988.
16 Рекомендация МСЭ-Т О.162. Прибор для эксплуатационного контроля сигналов, передаваемых со скоростью 2048 кбит/с, 10/1992.
17 Рекомендация МСЭ-Т О.171. Аппаратура для измерения дрожания и дрейфа фазы в цифровых системах, основанных на плезиохронной цифровой иерархии (PDH). Выпуск IV.4, Синяя книга, 1988. Исправлена в 1996 г.
18 Правила по метрологии. ПР 50.2.009-94 "ГСИ. Порядок проведения испытаний и утверждения типа средств измерений". Госстандарт России.