ПРАВИЛА
ТЕХНИЧЕСКОЙ ЭКСПЛУАТАЦИИ
ПЕРВИЧНЫХ СЕТЕЙ
ВЗАИМОУВЯЗАННОЙ СЕТИ СВЯЗИ
РОССИЙСКОЙ ФЕДЕРАЦИИ

(в шести книгах)

КНИГА ЧЕТВЕРТАЯ (ч. 2)

ПРАВИЛА
ТЕХНИЧЕСКОЙ ЭКСПЛУАТАЦИИ
ТРОПОСФЕРНЫХ РАДИОРЕЛЕЙНЫХ
ЛИНИЙ ПЕРЕДАЧИ

 

 

ГОСКОМСВЯЗИ РОССИИ

МОСКВА

 

ВВЕДЕНИЕ

Настоящие Правила регламентируют организацию и порядок технической эксплуатации тропосферных радиорелейных линий передачи.

Правила разработаны НИИР совместно с учетом замечаний и предложений специалистов региональных эксплуатационных организаций связи.

Замечания и предложения к Правилам следует направлять в Управление электросвязи Госкомсвязи России по адресу: 107375 Москва, ул. Тверская, 7.

ГОСУДАРСТВЕННЫЙ КОМИТЕТ РОССИЙСКОЙ ФЕДЕРАЦИИ

ПО СВЯЗИ И ИНФОРМАТИЗАЦИИ

оскомсвязи России)

ПРИКАЗ

19.10.98                                                    г. Москва                                                          № 187

Об утверждении Правил технической эксплуатации первичных сетей взаимоувязанной сети связи Российской Федерации

Первичные междугородные сети связи, охватывающие всю территорию страны, являющиеся важнейшей составной частью Взаимоувязанной сети связи (ВСС) России и предназначенные для передачи всех видов информации, в настоящее время базируются на кабельных (коаксиальных, симметричных и волоконно-оптических), радиорелейных (прямой видимости и тропосферных), спутниковых и воздушных линиях передачи.

За время, прошедшее после издания Правил технической эксплуатации магистральной и внутризоновых первичных сетей ЕАСС в 1987 году, на первичных сетях связи Российской Федерации произошли существенные структурные и технические изменения, вызванные совершенствованием организационно-экономической структуры предприятий связи, широкой цифровизацией сетей на всех уровнях, использованием на сетях связи современных технических средств электросвязи, а также появлением на сетях связи России операторов с разными формами собственности.

ПРИКАЗЫВАЮ:

1. Утвердить и ввести в действие с 01.01.99 «Правила технической эксплуатации первичных сетей взаимоувязанной сети связи Российской Федерации» в составе:

Книга 1 - Основные принципы построения и организации технической эксплуатации;

Книга 2 - Указания по технической эксплуатации аппаратуры и оборудования, трактов и каналов передачи;

Книга 3 - Правила технической эксплуатации линейно-кабельных сооружений междугородных линий передачи;

Книга 4

часть 1 - Правила технической эксплуатации радиорелейных линий передачи прямой видимости,

часть 2 - Правила технической эксплуатации тропосферных радиорелейных линий передачи,

часть 3 - Правила технической эксплуатации спутниковых линий передачи;

Книга 5 - Правила технической эксплуатации линейных сооружений междугородных воздушных линий передачи;

Книга 6 - Правила технической эксплуатации электроустановок предприятий первичных сетей.

2. Руководителям организаций обеспечить изучение и выполнение Правил технической эксплуатации первичных сетей взаимоувязанной сети связи Российской Федерации.

3. Главгоссвязьнадзору России (Логинов) при контроле лицензируемой деятельности операторов первичных сетей взаимоувязанной сети связи Российской Федерации проверять соответствие технической эксплуатации утвержденным Правилам.

4. ООО «Резонанс» (Панков) (по согласованию) осуществить тиражирование Правил.

5. Руководителям организаций сообщить до 25.10.98 потребность в указанных Правилах, учитывая, что их можно будет приобрести на договорной основе в ООО «Резонанс» (контактный телефон 201-6381, факс 292-7010).

6. Не применять с 01.01.99 Правила технической эксплуатации магистральной и внутризоновых первичных сетей ЕАСС (части 1 - 6), утвержденные 31.12.85 Минсвязи СССР.

7. УЭС (Рокотян) по мере внедрения новых технологий на первичных междугородных сетях связи ВСС России, поступления замечаний и предложений к Правилам обеспечить проведение корректировки Правил.

8. Контроль за выполнением приказа возложить на УЭС (Рокотян).

Председатель Комитета                                                                        А.Е. Крупнов

1 ОБЛАСТЬ ПРИМЕНЕНИЯ

Настоящий руководящий документ отрасли устанавливает организацию и порядок технической эксплуатации первичных сетей ВСС России в целях обеспечения бесперебойной и высококачественной работы, нормального сетевого взаимодействия операторов связи.

Настоящие Правила регулируют отношения операторов связи, работающих в рамках сети связи общего пользования.

Настоящие Правила обязательны для всех операторов, осуществляющих техническую эксплуатацию тропосферных линий передачи.

Правила могут быть использованы также при эксплуатации ведомственных и выделенных сетей связи.

Невыполнение требований настоящих Правил является упущением в работе технического персонала предприятий первичных сетей.

Ответственность за выполнение Правил возлагается на руководство этих предприятий.

2 ОБОЗНАЧЕНИЯ И СОКРАЩЕНИЯ

АВК               - антенно-волноводный комплекс

АВТ                - антенно-волноводный тракт

АРУ                - автоматическая регулировка усиления

АСП               - аппаратура системы передачи

ВЧ                  - высокая частота

ГВЭВУ          - главное военное эксплуатационно-восстановительное управление

ГРСЦ             - главная руководящая станция центра

ГСМ               - горюче-смазочные материалы

ГЦУ МС        - главный центр управления междугородными связями

ЕАСС             - единая автоматизированная система связи

КЗК                - контроль загрузки каналов

ККК               - контроль качества каналов

КО                  - кабельное оборудование

КСВ               - коэффициент стоячей волны

МСС               - магистральная служебная связь

ОРС                - оконечная радиорелейная станция

ОТС                - оперативно-техническая служба

ИП                  - информационно-испытательные пункты

ПКЛ               - пульт контроля линии

ПКС               - пульт контроля станции

ПдГрС1          - передатчик группового спектра

ПмГрС1         - приемник группового спектра

ПСС               - постанционная служебная связь

ПРС                - промежуточная радиорелейная станция

ПЧ                  - промежуточная частота

РРО                - радиорелейное отделение

РРС                - радиорелейная станция

РРУ                - радиорелейный узел

РРЦ                - радиорелейный центр

РТО                - регламент технического обслуживания

СВПГ             - стойка выделения первичных групп

СОТУ МС      - система оперативно-технического управления междугородными связями

СС                  - служебная связь

СТО                - сезонное техническое обслуживание

ТО                  - телеобслуживание

ТС                   - телесигнализация

ТРРЛ              - тропосферные радиорелейные линии

ТРРС              - тропосферная радиорелейная станция

ТЦУ МС        - территориальный центр управления междугородными связями

ТЧ                   - тональная частота

УБС                - управление, блокировка, сигнализация

УДФ               - устройство документальной фиксации

УКВ               - ультракороткие волны

УПУ               - узловые пункты управления

УРС                - узловая радиорелейная станция

УСС               - участковая служебная связь

УЦ                  - учебный центр

ЦС                  - центр связи

3 ОРГАНИЗАЦИЯ СВЯЗИ ПО ТРРЛ

3.1 Общие сведения

На тропосферных радиорелейных линиях сигнал далеко за горизонтом создается в результате рассеяния электромагнитной энергии на неоднородностях, всегда существующих в нижних слоях атмосферы - тропосфере. Использование дальнего тропосферного распространения УКВ дает возможность создавать радиорелейные линии с расстоянием между станциями до 250 - 300 км. При расположении станций на естественных возвышенностях это расстояние в отдельных случаях может быть увеличено до 400 - 450 км.

При тропосферном распространении УКВ имеет место очень сильное ослабление сигнала на трассе, поэтому для обеспечения устойчивой связи на ТРРЛ используются передатчики большой мощности (3 - 10 кВт), высокочувствительные приемники и антенны с большим раскрывом (20×20 или 30×30 м). Кроме того, на ТРРЛ для борьбы с быстрыми интерференционными замираниями сигнала всегда используется разнесенный прием.

3.2 Типы тропосферных радиорелейных станций (ТРРС)

На тропосферных радиорелейных линиях существуют три типа станций, которые отличаются только количеством радиотехнического оборудования.

Оконечная станция (ОРС), расположенная в начале или в конце всей линии, существует самостоятельно или является переходным звеном от радиорелейной линии прямой видимости, кабельной магистрали или спутниковой системы к тропосферной линии.

Промежуточная станция (ПРС) обеспечивает демодуляцию принимаемого высокочастотного сигнала до группового спектра. Все промежуточные станции тропосферных радиорелейных линий обеспечивают выделение и введение телефонных каналов.

Узловая станция (УРС) - станция с ответвлением - обеспечивает ответвление от линии высокочастотного ствола и состоит из двух станций - оконечной и промежуточной. При организации связи ответвление рассматривается как самостоятельная линия.

3.3 Состав оборудования ТРРС

3.3.1 В состав радиорелейной станции (РРС) входят средства и сооружения связи, производственные, жилые и вспомогательные помещения, технические системы.

К средствам связи РРС относятся: оборудование связи - аппаратура ТР-120 (Горизонт-М), аппаратура системы передачи (АСП), радиостанции аварийной и вспомогательной связи, средства измерений; оборудование электропитания - дизель-генераторы, распределительные устройства, трансформаторные подстанции, кабельные и воздушные линии электропередачи, сети освещения, аккумуляторные батареи, заземляющие контуры.

К сооружениям связи относятся: антенно-мачтовые сооружения, антенно-фидерные устройства, антенные поля, подземные кабельные линии передачи.

К техническим системам относятся: системы теплоснабжения, водоснабжения, канализации, вентиляции, перекачки топлива (склады ГСМ, трубопроводы и средства перекачки нефтепродуктов).

3.3.2 Радиотехническое оборудование станции располагается в техническом здании, построенном между антенными устройствами. На станциях с антеннами в виде параболических «прямоугольных» зеркал с рупорными облучателями, отнесенными от здания на большое расстояние, аппаратура соединяется с облучателем волноводами длиной 50 - 70 м.

3.3.3 В основу построения блок-схемы станции положены принципы, обеспечивающие высокую надежность линии связи при обеспечении заданных качественных показателей ТЧ каналов, организованных по линии. Исходя из этого, аппаратура выполнена из двух постоянно работающих полукомплектов. Электропитание этих полукомплектов осуществляется от двух независимых источников. При выходе из строя одного полукомплекта несколько ухудшаются качественные показатели ТЧ каналов, однако, перерыва в связи не происходит.

3.3.4 Для повышения надежности работы станции все общие элементы аппаратуры (кварцевые задающие генераторы приемников и передатчиков, модуляторы, демодуляторы) дублируются путем переключения их на горячий резерв.

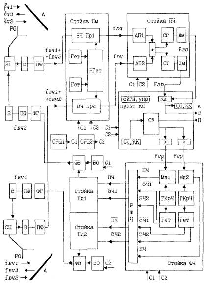
3.3.5 На рисунке 1 представлена упрощенная блок-схема оконечной станции (аппаратура ТР-120).

Рисунок 1 - Оконечная станция

Условные обозначения к рисунку 1

А                            - антенная система

АП                         - автокорреляционный приемник

В                            - волноводная линия

ВО                         - воздушное охлаждение

ВЧ                          - приемник ВЧ

Гет                         - гетеродин

ГКрЧ                     - генератор корреляторной частоты

Дм                          - демодулятор

ЗЧ                          - задающая частота

КК                         - контрольный канал

Кл                          - переключающее устройство

КС                         - контроль станции

Мд                         - модулятор

Пд                          - передатчик

Пм                          - приемник

ПФ                         - полосовой фильтр

Ргет                       - резервирование гетеродина

РО                          - рупорный облучатель

С                            - сеть

СГ                          - следящий гетеродин

СС                         - служебная связь

СП                         - селектор поляризации

СУ                         - согласующее устройство

ФВ                         - ферритовый вентиль

ФГ                         - фильтр гармоник

ФЧ                         - формирование частот

+                             - сумматор

>                             - усилитель

FГР                          - групповая частота

3.4 Организация телефонных каналов на ТРРЛ

3.4.1 Тропосферная радиорелейная линия состоит из одного или двух высокочастотных стволов, в каждом из которых могут быть организованы телефонные каналы.

3.4.2 Полное или частичное выделение телефонных каналов на оконечных и промежуточных станциях возможно при использовании аппаратуры уплотнения или выделения каналов.

3.4.3 Линейный тракт ТРРЛ занимает спектр частот от 30 до 552 кГц. В этом спектре осуществляется дуплексная передача 120 телефонных каналов и 4-х служебных каналов.

Для многоканальной телефонной связи отводится спектр 60 - 552 кГц. Ниже этого спектра в полосе частот от 30 до 52 кГц размещаются служебные каналы следующего назначения:

- канал телесигнализации ТС;

- два канала служебной связи СЛ1, СЛ2;

- контрольный канал КК. Кроме того, в линейном тракте передается ток контрольной частоты 30 кГц для контроля остаточного усиления тракта.

3.4.4 Для уплотнения телефонных стволов используется система уплотнения с частотным разделением каналов и амплитудной модуляцией.

Для уплотнения ТРРЛ используются системы ВЧ телефонирования типа К-60 и Р-120/300.

3.4.5 По системам уплотнения ТРРЛ могут передаваться различные виды информации. Телефонные каналы могут использоваться для вторичного уплотнения системами тонального телеграфирования или бинарной информации.

Программы широковещания могут передаваться по сдвоенным или строенным телефонным каналам аппаратуры уплотнения.

3.4.6 Каналы линейной службы организуются с помощью каналообразующей аппаратуры СВПГ-М1(М2), СВПГ-1ПГ.

3.4.7 При переприеме телефонных каналов или канальных групп, проходящих транзитом через всю ТРРЛ, для уменьшения накопления шумов в каналах рекомендуется соединять телефонные каналы и канальные группы в хаотическом порядке.

3.5 Служебная связь (СС) и телеобслуживание

3.5.1 Служебная связь на ТРРЛ организована по двум служебным каналам. Один канал (СЛ1) предназначен для участковой служебной связи УСС. Второй канал (СЛ2) - для постанционной служебной связи ПСС.

3.5.2 Участковая служебная связь организуется между двумя станциями прилегающих участков линии связи. Эта связь используется для эксплуатационного обслуживания радиорелейной аппаратуры.

3.5.3 По каналу постанционной служебной связи осуществляется эксплуатационная служебная связь персонала оконечных и главных станций между собой и с промежуточными станциями линии.

Канал ПСС может быть использован также для магистральной служебной связи МСС между оконечными и главными станциями. Схема прохождения каналов УСС и ПСС дана на рисунке 2.

Рисунок 2. Схема прохождения каналов УСС и ПСС

Схема организации служебной связи дана на рисунке 3.

Рисунок 3. Схема организации служебной связи

3.5.4 Для оперативного контроля за работой ТРРЛ существует система контроля и телесигнализации.

Система контроля состоит из нескольких ступеней и работает по принципу допускового контроля.

Первой ступенью является блок контроля, размещаемый вверху всех стоек (за исключением стоек передатчиков). Обобщенные сигналы НОРМА и АВАРИЯ отображаются на табло блока и передаются на пульт контроля станции (ПКС). На ПКС сигналы со всех стоек собираются, высвечивают мнемосхему станции и проходят дальнейшее обобщение в виде сигнала НОРМА, АВАРИЯ для всей станции.

Для удобства обслуживающего персонала обобщенные сигналы НОРМА, АВАРИЯ, а также аварийные сигналы от всех стоек продублированы на выносном пульте, который может устанавливаться и вне технического здания.

3.5.5 При возникновении неисправностей в аппаратуре промежуточной станции соответствующий сигнал поступает из ПКС в секцию ТО-ПКС и по каналам телесигнализации передается на оконечную (или главную) станцию, где воспроизводится на табло секции ТО-ПКЛ и в устройстве документальной фиксации (УДФ). Таким образом, на оконечной (главной) станции воспроизводится четкая картина работы оборудования всего участка линии.

В состав оборудования оконечной (или главной) ТРРС вместо секции ТО-ПКС включаются секции ТО-ПКЛ, КЗК-ПКЛ и ККК-ПКЛ, которые в совокупности образуют пульт контроля линии - рабочее место линейного инженера.

Секция ТО-ПКЛ включается вместо секции ТО-ПКС к каналу телеобслуживания и телесигнализации и служит для сбора информации о состоянии аппаратуры на контролируемых участках линии, для управления «транзитом» контрольного канала и для обеспечения вызова любой из контролируемых станций для проведения служебных переговоров.

Секция КЗК-ПКЛ подключается к ПКС и предназначена для контроля загрузки всего группового тракта и загрузки любого канала любой группы.

Секция ККК-ПКЛ включается к выходу контрольного канала и предназначена для измерения уровня шумов в контрольном канале. Измерение шумов можно осуществлять как на всей линии в целом, так и на различных участках ее посредством шлейфования контрольного канала, осуществляемого с помощью секции ТО-ПКЛ.

4 ПРЕДПРИЯТИЯ И ПОДРАЗДЕЛЕНИЯ, ОСУЩЕСТВЛЯЮЩИЕ ЭКСПЛУАТАЦИЮ ТРРЛ

4.1 Обеспечение эксплуатации тропосферных радиорелейных линий связи особого назначения осуществляют эксплуатационные воинские части.

4.2 Эксплуатационные воинские части состоят из узлов (РРУ), радиорелейных центров (РРЦ), центров связи (ЦС), радиорелейных отделений (РРО), учебного центра (УЦ) и непосредственно подчиняются войсковой части 54395.

4.3 Деятельность эксплуатационных воинских частей организуется их командирами в соответствии с законами России, Общевоинскими уставами, приказами Министра обороны России, Министра связи России, командира войсковой части 54395 и Положением об эксплуатационных воинских частях Госкомсвязи РФ.

4.4 На эксплуатационные воинские части возлагаются функции по эксплуатации ТРРЛ «Север» в соответствии с заключаемым ежегодно эксплуатационным договором между РРУ и предприятиями АО «Ростелеком» (ТЦМС), и производственно-финансовым планом, согласованным войсковой частью 54395 и АО «Ростелеком».

4.5 Возложенные на эксплуатационные воинские части функции по эксплуатации средств, сооружений связи и технических систем ТРРЛ «Север» осуществляется ими в соответствии с правилами, инструкциями и другими документами Госкомсвязи РФ и АО «Ростелеком». Руководство деятельностью этих частей по выполнению указанных функций производится войсковой частью 54395.

4.6 Для обеспечения бесперебойной и качественной связи и своевременного обмена всеми видами информации на сети ТРРЛ организована оперативно-техническая служба (ОТС), которая является частью системы оперативно-технического управления междугородными связями единой автоматизированной системы связи (СОТУ МС ЕАСС), осуществляющей оперативно-техническое управление междугородными связями по территориальному принципу через свои структурные подразделения:

- Главный центр управления междугородными связями (ГЦУ МС);

- территориальные центры управления междугородными связями и телевидением (ТЦУ);

- узловые пункты управления (УПУ);

- информационно-исполнительные пункты (ИП).

На сети ТРРЛ «Север» функции УПУ выполняют пункты управления связью РРУ (ПУС РРУ), функции ИП - радиорелейные станции (РРС).

Оперативный контроль за работой ТРРЛ «Север» и руководство действиями дежурных смен ведётся ПУС РРУ через главные руководящие станции (ГРСЦ). Взаимодействие ПУС РРУ с узловыми пунктами управления ТЦМС осуществляется в соответствии с Положением о системе оперативно-технического управления междугородными связями ЕАСС.

Порядок взаимодействия дежурных смен РРС со сменным персоналом предприятий связи определяется инструкциями по взаимодействию, разрабатываемыми совместно с соответствующими предприятиями связи.

4.7 Общие обязанности должностных лиц по организации и руководству оперативно-технической службы и технической эксплуатации определяются Общевоинскими Уставами и наставлениями Вооружённых Сил РФ, Наставлением по технической эксплуатации средств, сооружений связи и технических систем и Руководством по оперативно-технической службе на ТРРЛ «Север».

4.8 Ответственность за техническое состояние, правильную организацию технической эксплуатации средств, сооружений связи и технических систем несут начальники узлов, центров и станций.

Непосредственную ответственность за техническое состояние средств, сооружений связи и технических систем и правильную их эксплуатацию несут главные инженеры узлов, старшие инженеры центров, заместители начальников РРС - инженеры и личный состав РРС, за которым они закреплены.

4.9 Все должностные лица, отвечающие за техническое состояние и эксплуатацию средств, сооружений связи и технических систем, обязаны:

- знать их техническое состояние;

- знать требования приказов, наставлений, инструкций и других руководящих документов по их технической эксплуатации;

- обеспечивать своевременное выполнение мероприятий по их технической эксплуатации и соблюдению правил и мер безопасности;

- изучать причины возникновения отказов и неисправностей при их эксплуатации и принимать меры по предупреждению и устранению отказов.

5 ОРГАНИЗАЦИЯ ТЕХНИЧЕСКОГО ОБСЛУЖИВАНИЯ ТРРЛ

5.1 Организация и руководство технической эксплуатацией

5.1.1 Эксплуатационные воинские части в вопросах совершенствования эксплуатации и развития связи сети ТРРЛ «Север» проводят работу в соответствии с технической политикой Госкомсвязи России, АО «Ростелеком» и этим определяют политику изобретательской и рационализаторской работы.

Предложения, вносящие изменения в типовую аппаратуру и затрагивающие параметры сети «Север», могут быть приняты к использованию только с разрешения командира войсковой части 54395 после согласования с разработчиками аппаратуры и АО «Ростелеком».

5.1.2 Регламентные работы на технологическом оборудовании, а также измерения и настройка трактов и каналов на ТРРЛ «Север» с закрытием связи проводятся в сроки, установленные предприятием АО «Ростелеком» (ГЦУ МС); без закрытия связи - с переодичностью, устанавливаемой войсковой частью 54395.

5.1.3 Установка дополнительного оборудования, проектирование зданий и сооружений на РРС проводится с разрешения АО «Ростелеком» по предложению ТЦМС-17, 19 и РРУ, после согласования с ГСПИ РТ и воинской частью 54395.

Передача указанного оборудования в эксплуатацию оформляется актом. Конкретные обязанности сторон оформляются договором.

5.1.4 Ответственность за техническое состояние, правильную организацию технической эксплуатации средств, сооружений связи и технических систем несут начальники узлов, центров и станций.

5.1.5 Техническая эксплуатация средств, сооружений связи и технических систем включает:

- оперативно-техническое обслуживание;

- оперативно-техническое управление.

5.2 Оперативно-техническое обслуживание

5.2.1 Оперативно-техническое обслуживание (ОТО) - это комплекс организационных и технических мероприятий по поддержанию работоспособности или исправности средств, сооружений связи и технических систем в процессе эксплуатации, хранения и транспортировки.

5.2.2 Оперативно-техническое обслуживание включает:

- ввод в эксплуатацию;

- техническое обслуживание;

- хранение;

- ремонт;

- контроль технического состояния;

- сбор и обобщение эксплуатационных данных о надёжности;

- планирование технической эксплуатации, ведение эксплуатационной и учётной документации;

- материальное обеспечение технической эксплуатации;

- модернизацию средств, сооружений связи и технических систем.

5.3 Техническое обслуживание

5.3.1 Техническое обслуживание (ТО) тропосферных радиорелейных линий (ТРРЛ) проводится с целью:

- поддержания параметров сооружений, средств связи и технических систем тропосферных радиорелейных станций (ТРРС) в пределах установленных норм, соблюдения установленных режимов их эксплуатации;

- поддержания электрических параметров (характеристик) тропосферных радиорелейных линейных трактов и каналов тональной частоты в пределах эксплуатационных норм;

- внедрения модернизаций для улучшения характеристик средств связи, трактов и каналов передачи.

5.3.2 Техническое обслуживание ТРРЛ осуществляется контрольно-корректирующим (текущее оперативно-техническое обслуживание) и планово-профилактическими методами.

5.3.3 Планово-профилактический метод технического обслуживания обеспечивает обнаружение и устранение отказа до того, как они отразятся на качестве обслуживания средств, сооружений связи, технических систем, трактов и каналов. Этот метод применяется, как правило, при наличии механических регулировок и механических износов.

5.3.4 Планово-профилактический (ПП) метод обслуживания средств, сооружений связи и технических систем (СС и ТС) осуществляется проведением плановых регламентов технического обслуживания с выполнением необходимых ремонтно-настроечных работ с целью предупреждения отказов.

5.3.5 ПП метод обслуживания тропосферных радиорелейных линейных трактов (ТРРЛТ) осуществляется проведением годовых линейных измерений с целью проверки соответствия электрических параметров трактов и каналов паспортным нормам.

5.3.6 Контрольно-корректирующий (КК) метод технического обслуживания обеспечивает обнаружение и устранение отказов только после того, как они отразятся на качестве обслуживания средств, сооружений связи, технических систем, трактов и каналов.

5.3.7 Метод КК применяется при обслуживании трактов и каналов передачи, аппаратуры 2-го и последующих поколений, не имеющих механических регулировок. Этот метод позволяет снизить трудоёмкость обслуживания аппаратуры за счёт отсутствия или уменьшения планово-профилактических работ. При применении КК метода снижение качества трактов, каналов и аппаратуры между контрольными измерениями определяется по сигналам эксплуатационного контроля и заявкам потребителя.

5.3.8 Контрольно-корректирующий метод обслуживания средств связи и технических систем (СС и ТС) осуществляется личным составом дежурных расчётов и включает в себя:

- постоянное наблюдение за режимом работы аппаратуры и оборудования, их основными параметрами с помощью стоечных измерительных приборов, индикаторов и сигнальных устройств, а также с помощью системы телеобслуживания;

- выявление и своевременное устранение дефектов аппаратуры и оборудования, которые могут привести к нарушению нормального режима работы;

- своевременное принятие мер по восстановлению норм параметров, ухудшивших свои электрические или механические характеристики;

- немедленное принятие мер по восстановлению нормальной работы аппаратуры и оборудования при возникновении повреждений.

5.3.9 Контрольно-корректирующий метод обслуживания тропосферных радиорелейных линейных трактов (ТРРЛТ) осуществляется дежурными расчётами РРС и включает в себя:

- постоянный контроль за прохождением линейного сигнала и диаграммой уровней линейного тракта;

- измерение уровней принимаемого сигнала и шумов в контрольных каналах ТЧ, уровней контрольных частот, которые не выделяются на данной станции;

- измерение уровней многоканальной загрузки и селективных помех;

- своевременное определение участка и причин нарушения нормальной работы линейного тракта и принятие срочных мер по восстановлению его работы.

5.3.10 При ТО оборудования связи на реконструированных РРС целесообразно применять методы в следующей последовательности:

- контрольно-корректирующий метод обслуживания ТРРЛТ;

- контрольно-корректирующий метод обслуживания ОС;

- планово-профилактический метод обслуживания тропосферных радиорелейных линейных трактов (ТРРЛТ);

- планово-профилактический метод обслуживания ОС.

5.4 Планово-профилактический метод обслуживания средств связи

5.4.1 Планово-профилактический метод обслуживания средств связи и технических систем осуществляется проведением плановых регламентных работ:

А) на аппаратуре «Горизонт-М», оборудовании электропитания и технических системах в объёме:

- РТО № 1 - ежедневный;

- РТО № 2 - еженедельный;

- РТО № 3 - ежемесячный;

- РТО № 5 - полугодовой;

- РТО № 6 - полуторагодичный;

Б) на аппаратуре систем передачи, тропосферной связи ТР-120, радиостанции аварийной и вспомогательной связи, средствах измерений в объёме:

- РТО № 1 - ежедневный;

- РТО № 4 - квартальный;

- РТО № 6 - полуторагодичный.

5.4.2 Планово-профилактические методы обслуживания тропосферных радиорелейных линейных трактов (ТРРЛТ), образованных аппаратурой ТР-120, осуществляются проведением годовых контрольных измерений (линейных измерений) с выполнением необходимых ремонтно-настроечных работ. Линейные измерения проводятся с целью проверки соответствия электрических параметров трактов и каналов паспортным нормам.

5.4.3 Линейные измерения организуются и проводятся в соответствии с требованиями «Методики проведения линейных измерений на ТРРЛ» - 1994 г.

5.4.4 Объём линейных измерений определяется утверждённым паспортом на ТРРЛ. Результаты линейных измерений заносятся в протоколы и оформляются в акт.

В акте по результатам линейных измерений РРУ отражаются предложения о необходимости проведения планового регламента № 6 на оборудовании связи или дополнительных ремонтно-настроечных работ аппаратуры и оборудования трактов и каналов ТРРЛ.

Учитывая высокую надёжность работы аппаратуры ТР-120 с разрешения начальника ГВЭВУ МС возможно сокращение или исключение РТО № 6 на ряде РРС или ТРРЛ в целом.

5.4.5 Регламент технического обслуживания № 4 на оборудовании связи организуется начальником РРС и проводится личным составом смены, свободной от несения дежурства, на закреплённом оборудовании в дни и часы, установленные «Годовым планом основных мероприятий по технической эксплуатации», под руководством заместителя начальника РРС - инженера.

5.4.6 РТО № 4 проводится одновременно на всех РРС ТРРЛ в феврале, мае, августе, ноябре месяцах. Для этого предусматривается одно закрытие связи продолжительностью не менее 10 часов.

5.4.7 Для проведения РТО № 4 на оборудовании связи, не позднее, чем за 3 дня до начала регламента, заместитель начальника РРС - инженер - разрабатывает «План подготовки и проведения РТО № 4», который доводится до сведения личного состава и хранится в деле по «Технической эксплуатации средств, сооружений связи и технических систем».

5.4.8 Контроль за полнотой и качеством проведения РТО № 4 осуществляется специалистами ОРиР РРЦ непосредственно с главной руководящей станции центра, а также с выездом на РРС.

5.4.9 В течение года специалисты ОРиР РРЦ должны проконтролировать проведение регламента на всех РРС центра (с выездом на места). Наряду с контролем качества выполнения РТО № 4 на них возлагаются следующие обязанности:

1) выявление и ремонт неисправных блоков и узлов;

2) проверка и при необходимости настройка параметров оборудования в объёме РТО № 6:

- КСВ передающих АВТ;

- система АРУ и автокорреляционный приёмник;

- УБС передатчиков;

- герметичность АВТ;

- диаграмма уровней РРС;

3) проверка наличия и технического состояния ЗИП.

5.4.10 Личному составу РРС при проведении РТО № 4 без письменного разрешения РРЦ запрещается вскрывать опломбированные блоки и узлы. Отметка о выполнении регламента проводится в «Журнале учёта регламентных и ремонтных работ», протоколы измерений подшиваются в дело и один экземпляр направляется в РРЦ.

5.4.11. Организация и проведение регламента технического обслуживания № 6 на оборудовании связи.

Основными принципами организации РТО № 6 на оборудовании связи одновременно на всех РРС ТРРЛ (участка ТРРЛ) являются:

- проведение поверки и ремонта средств измерений до начала РТО № 6 на оборудовании связи;

- планируемые в текущем году РТО № 6 (7) на энергооборудовании выполняются до начала РТО № 6 на оборудовании связи данной ТРРЛ;

- одновременное проведение регламентных работ на оборудовании связи одного направления на всех РРС ТРРЛ (участка ТРРЛ) между главными руководящими станциями линейного тракта (ГРСЛТ);

- руководство регламентными работами на РРС ТРРЛ осуществляют непосредственно заместитель начальника РРУ главный инженер с главной руководящей станции центра и начальник отдела средств связи РРУ с главной руководящей станции линейного тракта (опорной, оконечной РРС);

- сосредоточение на период проведения РТО № (4 - 6) закрытий связи по ТРРЛ;

- проведение линейных измерений на ТРРЛ перед началом РТО № 6 при различных входных сигналах приёмных устройств;

- определение шумящих участков ТРРЛ (оборудование РРС) в ходе линейных измерений;

- доведение до норм ТУ параметров стоек и устранение причин увеличения шумов на ТРРЛ (участке ТРРЛ);

- проведение ревизии оборудования с целью повышения надёжности, прогнозирования и предотвращения его отказов;

- централизованное внедрение модернизаций оборудования на всех РРС;

- проведение линейных измерений по окончании РТО № 6 с целью определения качественных показателей ТРРЛ (участка ТРРЛ);

- сдача ТРРЛ (участка ТРРЛ) в эксплуатацию заместителю начальника РРЦ - старшему инженеру и главной РРС.

5.4.12 Подготовка и проведение регламента технического обслуживания № 6 на оборудовании связи организуется и проводится, в основном, в соответствии с требованиями главы 5.6 НТЭСС - 87 г. и с учётом следующих изменений и дополнений.

Регламент технического обслуживания № 6 на оборудовании связи организуется начальником РРУ и проводится штатными отделениями регламента и ремонта РРЦ, силами отдела средств связи РРУ и личным составом РРС в течение 2 - 3 недель в сроки, предусмотренные «Годовым планом основных мероприятий по технической эксплуатации» и приказом начальника РРУ. РТО № 6 проводится одновременно на всех РРС ТРРЛ (ТРРЛ-101, 104) или участках ТРРЛ (РРС 1/103 - 4/103; 4/103 - 10/103; 4/103 - 5/60 и т.д.).

5.4.13 Руководство регламентными работами на РРС ТРРЛ осуществляет непосредственно заместитель начальника РРУ - главный инженер (начальник отдела средств связи РРУ). При проведении регламентных работ на участках ТРРЛ, входящих в зону действия двух РРУ организуется взаимодействие - уточняется единое время выполнения РТО, назначается руководитель работ.

5.4.14 На участке РРС 4/103 - 10/103 руководителем работ назначается заместитель начальника РРУ - главный инженер Западного РРУ.

5.4.15 Подготовка РРУ к проведению РТО № 6 включает:

- укомплектование выездных бригад на РРС;

- проведение учебно-методического сбора;

- поверку и ремонт средств измерений на РРС;

- заказ закрытий связи по ТРРЛ на период проведения РТО № 6;

- подготовку необходимой документации (схем, инструкций, форм протоколов измерений, методик по проведению измерений, настроечных, ремонтных работ, внедрению модернизаций и т.п.);

- комплектование запасными частями, эксплуатационными материалами, инструментом, защитными средствами в соответствии с опытом эксплуатации оборудования, заявками РРС и содержанием дефектных ведомостей;

- ремонт неисправных блоков, поступивших с РРС;

- составление плана проведения работ;

- утверждение маршрута движения и оформление необходимых перевозочных и проездных документов.

5.4.16 Выездные бригады на РРС укомплектовываются личным составом отдела средств связи РРУ, отделений регламента и ремонта РРЦ в составе:

- инженер-радист по приёмному оборудованию;

- инженер-радист по передающему оборудованию;

- инженер (техник) по аппаратуре систем передачи.

В состав бригад включается магистральный инженер главной РРС, начальник (сменный инженер) ПУС. С целью усиления состава, повышения квалификации, обмена опытом в состав бригад включается 1 - 2 специалиста соседнего РРЦ.

5.4.17 Учебно-методический сбор регламентного расчёта проводится перед проведением РТО № 6 на главной РРС (в мастерской РРЦ) под руководством заместителя начальника - главный инженер РРУ. На сборе проводятся занятия по методике измерений параметров, настройке основных блоков и узлов оборудования, внедрению модернизаций.

5.4.18 Поверка и ремонт средств измерений на РРС осуществляется выездными бригадами специалистов отделения и группы измерительной техники РРУ и РРЦ накануне проведения РТО № 6. На отдельных РРС специалисты-метрологи работают и в период проведения РТО.

5.4.19 Для проведения РТО № 6 по ТРРЛ и внедрения модернизаций планируются и заказываются 4 - 6 закрытий связи.

5.4.20 РТО № 6 проводится по типовому план-графику. В ходе его проведения внедряются все модернизации.

Перед началом и после окончания РТО № 6 на ТРРЛ проводятся линейные измерения. Измеренные параметры ТРРЛ при различных входных сигналах приёмных устройств анализируются, выявляются и устраняются источники помех, сравниваются с паспортными данными. По окончании РТО № 6 ТРРЛ сдаётся в эксплуатацию заместителю командира - старшему инженеру РРЦ.

5.5 Планово-профилактический метод обслуживания энергооборудования

5.5.1 Оперативно-техническое обслуживание энергооборудовании организуется в соответствии с требованиями «Наставления по технической эксплуатации...», и «Регламента технического обслуживания», часть III. Они предусматривают своевременное планирование, чёткую организацию и качественное выполнение всех мероприятий по технической эксплуатации, осуществление постоянного и систематического контроля со стороны должностных лиц за техническим состоянием средств.

5.5.2 ОТО № 6 (7) на энергооборудовании выполняется силами регламентного расчёта в составе:

- начальник регламентного расчёта;

- инженер-энергетик-электрик;

- инженер-энергетик-механик;

- техник-энергетик-аккумуляторщик.

5.5.3 Главный инженер узла, старший инженер центра не менее 1 раза в год лично возглавляют подготовку и проведение на РРС одного из регламентов № 6.

5.5.4 В период подготовки к РТО № 6 должны быть проведены РТО № 3, 5 на следующем оборудовании:

- низковольтных сетях;

- электронагревательных приборах;

- аварийных ДЭС и котельных;

- форсунках АФ-65 и горелках ПНГ-2;

- насосах;

- компрессорах;

- оборудовании насосной;

- электросварочном оборудовании.

5.5.5 Результаты РТО № 3, 5 должны быть занесены в «Журнал учёта регламентных работ».

5.5.6 В период подготовки к РТО № 7 (летний РТО № 6) должно быть проведено техническое обслуживание указанного выше оборудования, а также в объёме РТО № 6 систем отопления, водоснабжения и канализации.

5.5.7 РТО № 6 (7) проводится в течение 2 - 3-х недель силами регламентного расчёта совместно с личным составом РРО и контролируется представителем РРУ.

5.5.8 При обслуживании энергооборудования вахтовым методом периодичность и объём РТО не меняются, однако:

РТО № 3 следует планировать для выполнения двумя вахтами на закреплённом оборудовании (то есть разделить по вахтам);

РТО № 5 проводить силами расчёта свободного от несения дежурства и резервных специалистов. РТО № 5 организуется начальником ЦС и выполняется под руководством заместителя начальника ЦС - старшего инженера. Контроль за подготовкой и проведением РТО № 5, предшествующего РТО № 6 осуществляется с выездом инженеров ОРиР на РРС;

сезонное техническое обслуживание (СТО) проводится личным составом РРО, свободным от несения дежурства и резервными специалистами, которые включаются в состав дежурной смены дополнительно.

5.5.9 Руководство сезонными работами на системе теплоснабжения и теплотрассах осуществляет инженер-механик.

5.5.10 Качество СТО контролирует начальник РРО. По окончании СТО проводится проверка качества и объёма работ комиссией, назначаемой начальником РРО с составлением акта.

5.5.11 РТО № 6 проводится в течение 4-х недель регламентным расчётом РРЦ (4 человека) с привлечением личного состава РРО. Кроме того, в проведении РТО № 6 участвуют инженер-механик центра связи, заместитель начальника ЦС - старший инженер. Начальник ЦС прибывает через 2 недели после начала РТО № 6, осуществляет общее руководство РТО совместно с начальником ОРиР и производит приём и оценку оборудования после выполнения регламентных работ.

5.6 Функции главных руководящих станций РРЦ (ГРСЦ)

5.6.1 РРС подразделяются на узловые, промежуточные и оконечные.

Станции, находящиеся на концах линии, называются оконечными (ОРС), а станции, находящиеся между ОРС, - промежуточными (ПРС). Станция, находящаяся на пересечении или стыке двух линий, называется узловой (УРС). Каждой станции присваивается номер. ОРС передает и принимает информацию с одного направления, а ПРС - с двух. Географическая сторона, куда ведется передача информации, называется направлением связи и обозначается:

направление А - прием с севера (востока), передача на юг (запад);

направление Б - прием с юга (запада), передача на север (восток).

5.6.2 Узловым радиорелейным станциям ТРРЛ «Север» с учётом схемы организации связи присвоено название главных руководящих станций центров. Распоряжения ГРСЦ обязательны к выполнению для всех радиорелейных станций в закреплённой за ней зоне.

5.6.3 ГРСЦ на ТРРЛ в своей зоне действия выполняет следующие функции:

- руководит работой подчинённых РРС;

- контролирует качество работы трактов и каналов, а также исходное положение средств связи подчинённых РРС;

- получает от подчинённых РРС сведения о состоянии КО, авариях, повреждениях и изменениях исходного положения средств, сооружений связи и технических систем;

- при авариях и повреждениях уточняет поврежденный участок ТРРЛ, принимает меры по устранению аварий и повреждений, производит тщательное расследование причин, вызвавших нарушение нормальной работы трактов и каналов, руководит измерениями и работами по приведению электрических параметров трактов и каналов к паспортным нормам после устранения аварий и повреждений;

- немедленно докладывает на ПУС РРУ об авариях и повреждениях на ТРРЛ, а после восстановления связи об их причинах;

- взаимодействует с другими ГРСЦ сети ТРРЛ;

- участвует в подготовке и проведении плановых измерений электрических характеристик трактов и каналов, принимает меры к приведению этих параметров к паспортным нормам;

- следит за соблюдением установленного режима работы средств связи, а также дисциплины связи на подчинённом участке ТРРЛ;

- ведёт учёт работы ТРРЛ, аварий и повреждений, а также случаев нарушения требований Руководства по оперативно-технической службе на ТРРЛ «Север»;

- организует работу средств аварийной служебной связи и обходных каналов и своевременное их представление;

- решает другие, дополнительно определённые вопросы контроля и управления ТРРЛ;

- ежемесячно сверяет со всеми подчинёнными станциями, а также предприятиями связи и арендаторами данные о случаях некачественной работы ТРРЛ;

- ежесуточно составляет сводку о работе ТРРЛ и передаёт её на ПУС РРУ;

- выполняет функции ИП, а в отдельных случаях - пункты управления связью РРУ.

6 ТЕХНИЧЕСКОЕ ОБСЛУЖИВАНИЕ АНТЕННО-ВОЛНОВОДНОГО КОМПЛЕКСА

6.1 Антенно-волноводный комплекс РРС состоит из:

- антенно-мачтовых сооружений (АМС);

- антенно-волноводных трактов (АВТ);

- антенн радиостанций аварийной связи;

- облучающих устройств;

- антенного поля;

- индикаторных рупорных антенн с линиями питания;

- системы закачки осушенного воздуха в волноводные тракты (СЗОВ);

- светового освещения мачт.

6.2 При эксплуатации АВК необходимо соблюдать следующие правила:

- категорически запрещается разбирать тракт и проводить регламентные работы при включенной связи;

- не допускать на свое рабочее место лиц, не имеющих отношения к работе с антенно-волноводным трактом;

- все работы с наружным трактом на высоте 3 м производить с обязательным применением предохранительных поясов. К высотным работам допускаются лица, прошедшие инструктаж и специальную медицинскую комиссию;

- проводить регламентные работы с наружным трактом при скорости ветра не более 5 м/сек, при отсутствии осадков и тумана и при достаточной освещенности места работы.

6.3 Техническое обслуживание АВК заключается в проведении плановых регламентов технического обслуживания РТО № 1 - 6 и дополнительных освидетельствований, направленных на определение соответствия механических и электрических характеристик АВК нормам технического проекта и техническим условиям.

6.4 Регламенты технического обслуживания № 1 - 6 организуются и проводятся в соответствии с «Наставлением по технической эксплуатации средств, сооружений связи и технических систем ТРРЛ «Север», 1987 г.

6.5 Дополнительные освидетельствования включают:

- вертикальную геодезическую выверку зеркал антенн для определения их положения в пространстве и выявления возможных отклонений от требования проекта;

- нивелирование фундаментов АМС, волноводных мостов, подставок рупорных облучателей для выявления возможных изменений высотного положения (осадок и выпучиваний);

- проверку ориентировки осей зеркал антенн на корреспондента;

- определение прогибов подкосов;

- определение изгибов волноводных трактов в горизонтальной и вертикальной плоскостях;

- технический контроль металлоконструкций в полном объеме с целью выявления дефектов, возникших напряжений и деформаций, измерений уменьшения величин сечений несущих конструкций;

- технические осмотры.

6.6 Технические осмотры проводятся ответственным за оборудование личным составом РРС (один раз в месяц, а также после сильных ветров, обильных дождей и снегопада) и регламентными расчетами при выполнении РТО № 6.

6.7 Осмотры проводятся без подъема на высоту с использованием бинокля и каждые полгода (при РТО № 5, 6) - с подъемом на высоту.

6.8 Результаты осмотра заносятся в «Журнал технических осмотров АВК». О выявленных дефектах и отклонениях начальник РРС немедленно докладывает по команде.

6.9 Один раз в три года или по мере необходимости осмотр производится инженером по металлоконструкциям радиорелейного узла. Результаты отражаются в акте, в котором определяются техническое состояние и меры по устранению дефектов, если таковые имели место, или указывается необходимость проведения технического контроля в полном объеме. Один экземпляр акта хранится на РРС, второй - в РРЦ, третий - в РРУ.

6.10 Вертикальная геодезическая выверка зеркал и ориентировка антенн в пространстве, нивелировка фундаментов, определение прогибов подкосов и волноводов выполняются в соответствии с «Инструкцией по техническому контролю состояния металлоконструкций АВК ТРРЛ «Север», 1986 г.

Результаты выполненных работ оформляются актом, один экземпляр которого хранится па РРС, второй - в РРЦ, третий - в РРУ. В акте отражаются техническое состояние и необходимые меры по устранению дефектов, если таковые имели место.

6.11 Технический контроль металлоконструкций в полном объеме производится по плановой системе с периодичностью 1 раз в 10 лет или по мере необходимости специализированными предприятиями ТЦУМС на основании составленных договоров.

6.12 Работы по техническому контролю заканчиваются разработкой проекта производства работ по устранению выявленных дефектов и отклонений от норм организацией, производившей контроль.

6.13 Выполнение работ по восстановлению лакокрасочного покрытия АМС производится РСУ ТЦУМС в сроки, установленные планом капитального ремонта в соответствии с «Инструкцией по восстановлению покрытий на поверхностях металлоконструкций АВК ТРРС «Север», 1987 г.

7 ОСНОВНЫЕ НОРМАТИВНО-ТЕХНИЧЕСКИЕ ДОКУМЕНТЫ ПО ЭКСПЛУАТАЦИИ ТРРЛ

7.1 Техническая документация подразделяется на проектную и эксплуатационно-техническую. Последняя, в свою очередь, подразделяется на руководящую и учетную документацию.

7.2 Проектная документация отрабатывается проектными и монтажными организациями в объёме, предусмотренном требованиями по проектированию, и передаётся на РРС одновременно со сдачей оборудования и сооружений связи в эксплуатацию.

Проектная документация включает:

- технический проект и рабочие чертежи, составленные проектной организацией, а также изменения, внесенные в проект заказчиком, если они имели место в процессе строительства;

- исполнительную документацию с протоколами измерений, актами приёмки оборудования и скрытых работ;

- генеральный план строительства РРС, утверждённый начальником узла и согласованный с другими организациями.

7.3 Все последующие изменения в монтаже, составе аппаратуры и сооружений связи РРС, внесённые в процессе эксплуатации, должны записываться в исполнительную документацию за подписями лиц, осуществляющих строительные и монтажные работы, с указанием основания, по которому производились изменения.

Проектная документация должна находиться у начальника РРС, который несёт ответственность за её сохранность и правильное ведение.

7.4 Эксплуатационно-техническая документация предназначена для отражения фактического состояния средств связи, технических сооружений и должна содержать все сведения, необходимые для их эксплуатации.

Перечень и правила ведения эксплуатационно-технической документации изложены в «Наставлении по технической эксплуатации средств, сооружений связи и технических систем ТРРЛ «Север», 1986 г. и в «Руководстве по оперативно-технической службе на ТРРЛ «Север», 1986 г.

Требования к содержанию и правилам ведения основной эксплуатационно-технической документации приведены в приложении Б.

7.5 Планирование технической эксплуатации осуществляется должностными лицами в соответствии с их функциональными обязанностями.

Руководство планированием осуществляют начальники радиорелейных узлов, центров и станций.

7.6 Исходными документами и данными при планировании технической эксплуатации средств, сооружений связи и технических систем являются:

- организационные указания по боевой подготовке;

- план боевой подготовки;

- приказы и директивы вышестоящих командиров и штабов;

- график закрытия связи и работы в режиме «Предупреждение» ТРРЛ «Север»;

- перспективный план покраски АМС;

- фактическое наличие и состояние средств, сооружений связи и технических систем;

- объём и сроки модернизации (замены) средств, сооружений связи и технических систем;

- сроки поверок средств измерений;

- объём и сроки ремонта средств, сооружений связи и технических систем;

- производственно-финансовый план;

- планы ремонта, реконструкции и строительства.

7.7 Основными планирующими документами по технической эксплуатации средств, сооружений связи и технических систем являются:

- годовой план основных мероприятий по технической эксплуатации;

- годовой план эксплуатации АВК;

- план мероприятий по подготовке средств связи к сложным условиям распространения радиоволн;

- годовой план-график эксплуатации дизель-генераторов;

- годовой график плановых переключений источников электропитания;

- годовой план мероприятий по технике безопасности и пожарной безопасности;

- годовой план-график поверки средств измерений;

- пятилетний план РТО № 7 на оборудовании электропитания и технических системах;

- месячный план мероприятий по технической эксплуатации РРС.

Планирование всех мероприятий технической эксплуатации проводится в сроки, обеспечивающие своевременное доведение планов до исполнителей, качественную подготовку и выполнение всех работ личным составом в предусматриваемое планами время.

7.8 В радиорелейных узлах, центрах, станциях разрабатываются и ведутся документы по оперативно-технической службе (ОТС).

К основным документам по ОТС относятся:

- приказ начальника РРУ по организации дежурства;

- приказ начальника РРЦ о составе смен и расчетов;

- приказ начальника РРЦ (ЦС) о подготовке вахты;

- приказ начальника РРЦ (ЦС) о заступлении на вахту;

- схема приказ узлу, центру и станции;

- схема действующей связи РРУ и РРЦ;

- схема резервирования оборудования и каналов (линий) связи;

- аппаратный журнал ПУС РРУ, ТЗ РРС;

- журнал приема и сдачи вахты;

- журнал основных режимов приемо-передающего оборудования;

- аппаратный журнал радиостанции аварийной связи;

- аппаратный журнал РРЛ;

- журнал суточных сводок о работе ТРРЛ, РРС;

- оперативный журнал работы источников электропитания;

- журнал учета работы ДГА;

- оперативный журнал котельной;

- журнал задач, поставленных вахте;

- журнал рапортов начальника дежурной смены РРС;

- график дежурства на ПУС и РРС;

- журнал приказаний (распоряжений);

- схема линий связи привязки и соединительных линий РРС;

- схема электроснабжения РРУ, РРЦ, РРС с указанием основного, резервного и аварийного источников;

- план выполнения регламентных работ на оборудовании и каналах связи;

- план выполнения работ на вахте;

- основные нормативы и нормы;

- инструкции должностным лицам дежурного персонала РРУ, РРС;

- маршрутные карты;

- справочные документы по оперативно-технической службе.

Приложение А

Основные действующие нормативно-технические документы в части технической эксплуатации конкретных объектов

1 Временные правила приемки в эксплуатацию законченных строительством объектов связи общего пользования в Российской Федерации. Приказ Госкомсвязи РФ № 146 от 19.12.96 г.

2 Руководство по оперативно-технической службе на ТРРЛ «Север», 1986 г.

3 Наставления по технической эксплуатации средств, сооружений связи и технических систем ТРРЛ «Север», 1987 г.

4 Регламент технического обслуживания аппаратуры тропосферной станции, часть 1 - 3.

5 Инструкция по техническому контролю состояния металлоконструкций АВК ТРРЛ «Север», 1986 г.

6 Инструкция по восстановлению покрытий на поверхностях металлоконструкций АВК ТРРС «Север», 1987 г.

7 Методика проведения линейных измерений на ТРРЛ, 1994 г.

8 ГОСТ 22348-86 Система связи автоматизированная единая. Термины и определения.

9 ГОСТ 24375-80 Радиосвязь. Термины и определения.

10 ОСТ 45.65-96. Организация ремонта средств электросвязи. Основные положения.

Приложение Б

Эксплуатационно-техническая документация на ТРРЛ

1 Общие указания по ведению документации

Чёткая организация оперативно-технического обслуживания ТРРЛ требует тщательного ведения на всех РРС и ПУС РРУ руководящей и учётной технической и оперативно-технической документации и содержания её в надлежащем порядке.

2 Годовой план основных мероприятий

В годовом плане основных мероприятий по технической эксплуатации средств, сооружений связи и технических систем предусматриваются работы:

- по выполнению регламентов технического обслуживания № 3, 5, 6 с указанием конкретных дат начала и окончания работ по каждой РРС;

- по проведению линейных измерений на ТРРЛ;

- по замене, модернизации, вводу средств, сооружений связи и технических систем в эксплуатацию;

- по совершенствованию технической эксплуатации средств, сооружений связи и технических систем, организации и качества проведения РТО;

- по предупреждению аварий и поломок оборудования и обеспечению мер безопасности при его эксплуатации и ремонте.

Кроме того, в плане указываются: сроки отпусков регламентным расчётам, проведения учебно-методических сборов регламентных расчётов, заместителей начальников РРС - инженеров и инженеров-механиков; оказание помощи в организации, проведении и контроле регламентов в РРЦ и на РРС.

Планы разрабатываются главным (старшим) инженером узла (центра) и утверждаются начальником узла (центра).

Один экземпляр плана узла представляется в войсковую часть 54395.

3 Годовой план эксплуатации АВК

Годовой план эксплуатации АВК разрабатывается под руководством главного инженера начальником отделения эксплуатации оборудования связи и начальником отделения строительства и эксплуатации зданий и сооружений, утверждается начальником узла и предусматривает:

- проведение технических осмотров АВК;

- геодезическую выверку АМС;

- нивелировку фундаментов АМС;

- ремонт металлоконструкций;

- доведение электрических характеристик АВТ до норм ТУ;

- ремонт бетонных оснований фундаментов;

- проведение мероприятий по борьбе с оврагообразованием и термокарстовыми явлениями на антенном поле;

- подсыпку грунта и планировку антенного поля;

- герметизацию внешних волноводных трактов;

- сроки покраски АМС, доставки красителей на РРС.

4 План мероприятий по подготовке средств связи к периодам сложных условий распространения радиоволн

План разрабатывается в РРУ с учётом особенностей каждой РРС и доводится до исполнителей к 1 февраля и 1 сентября.

5 Годовой план эксплуатации ДГА

План разрабатывается старшим инженером РРЦ при непосредственном участии начальника отделения регламента и ремонта (энергетика), утверждается начальником центра и включает:

- даты остановок агрегатов для проведения плановых регламентов и замены дизель-генераторов;

- учёт работы (в моточасах) и распределение времени работы между дизель-генераторами;

- даты и время централизованных переходов между ДГА по каждому фидеру.

На основании плана эксплуатации ДГА определяется потребность в ремонтных средствах и контролируется моторесурс агрегатов.

6 Годовой график переключений источников электропитания

График разрабатывается начальником отделения технической эксплуатации и ремонта энергооборудования узла и утверждается главным инженером. В графике указываются дата и время переключений, назначенные с учётом прохождения связи и загрузки каналов, и номер очередного РТО.

В РРЦ для РРС, имеющих устройства переключений хознагрузки на технологический фидер, разрабатывается и утверждается начальником РРЦ график включения хозяйственных потребителей на один из технологических фидеров.

7 Годовые планы мероприятий по технике безопасности и пожарной безопасности

Планы разрабатываются соответственно отделом технической эксплуатации и начальником противопожарной службы и утверждаются начальником узла. В планах указываются мероприятия, направленные на улучшение состояния, организации и контроля техники безопасности и пожарной безопасности, ответственные лица и сроки исполнения.

На основании планов узла соответствующие планы разрабатываются в РРЦ и выписки из них доводятся до РРС.

8 Годовой план-график поверки средств измерений

План-график разрабатывается начальником отделения измерительной техники, утверждается главным инженером узла и включает:

- даты и сроки поверки и ремонта средств измерений по каждой РРС;

- состав ремонтно-поверочных групп;

- сроки представления образцовых СИ на поверку в органы Госнадзора или ремонтные предприятия;

- подготовку специалистов-метрологов и т.д.

При разработке сроков плана учитываются сроки проведения РТО № 6.

9 Пятилетний план РТО № 7 на источниках электропитания и технических системах

План разрабатывается в узле и утверждается начальником узла. Планом устанавливаются сроки выполнения РТО № 7 согласно Перечню регламентов технического обслуживания оборудования энергокомплекса.

10 Месячный план мероприятий по технической эксплуатации средств, сооружений связи и технических систем РРС

План составляется заместителем начальника РРС - инженером на основании выписки из годового плана основных мероприятий и из годового плана эксплуатации ДГА, руководящих документов и указаний старшего инженера РРЦ за 5 дней до начала месяца и утверждается начальником РРС.

В план включается проведение регламентов на средствах, сооружениях связи и технических системах, модернизации, переходы на источниках электропитания, замена оборудования и т.д.

11 Планирование всех мероприятий технической эксплуатации проводится в сроки, обеспечивающие своевременное доведение планов до исполнителей, качественную подготовку и выполнение всех работ личным составом в предусматриваемое планами время.

12 Приказ начальника РРУ об организации дежурства на год

В приказе указываются:

- задачи, возложенные на узел, центр и РРС по обеспечению связи;

- порядок комплектования и изменения состава смен и расчётов РРС;

- время заступления и продолжительность несения дежурства расчётами;

- время и место отдыха дежурных смен и расчётов;

- порядок приёма пищи дежурным расчётом;

- форма одежды дежурного расчёта;

- типовой план подготовки смены к заступлению на дежурство;

- время проведения комплексных тренировок;

- порядок сверки суточных сводок о работе ТРРЛ с МТС и РУС;

- содержание суточной сводки РРС и РРЦ;

- порядок подведения итогов несения дежурства;

- дни и часы занятий с личным составом смен и расчётов по боевой подготовке;

- задействование расчётов для несения внутренней службы;

- порядок предоставления отдыха офицерам - начальникам смен и расчётов;

- организация дежурства на ПУС РРУ.

13 Схема-приказ радиорелейному узлу

В схеме-приказе указываются направления связи с обозначением условных номеров и видов связей, типов используемой аппаратуры, пунктов переприёмов по НЧ и транзитов по ВЧ. Схема-приказ может содержать текстуальную часть, определяющую режимы работы связи. Схема-приказ РРУ подписывается начальником узла и находится у сменного инженера ПУС РРУ.

Схема-приказ радиорелейному центру разрабатывается на основании схемы-приказа радиорелейному узлу и подписывается начальником РРЦ.

Схема-приказ РРС разрабатывается на основании схемы-приказа РРЦ и подписывается начальником РРС. На ней указываются условные номера направлений и виды связей, обеспечиваемых данной РРС, типы используемой для обеспечения связи аппаратуры, прохождения каналов связи с обозначением их технических номеров и номеров устройств коммутации. Схема-приказ РРС находится на посту дежурного начальника расчёта.

Схемы-приказы корректируются при изменении задач по связи, состава АСП, схемы прохождения каналов, но не реже одного раза в год.

14 Приказ начальника РРЦ о составе смены расчетов

В приказе определяется пофамильный состав смены расчётов на полугодие и учитываются периоды призыва и подготовленность специалистов. Изменения в составе расчётов РРС производятся с разрешения начальника РРЦ.

15 Приказ начальника РРЦ (ЦС) о подготовке к вахте

В приказе отражаются вопросы получения технического вещевого имущества, помывки и медицинского осмотра личного состава и др. Планируемый состав смены расчётов передаётся телеграммой в адрес РРУ.

16 Приказ начальника РРЦ (ЦС) о заступлении на вахту

Издаётся в соответствии с приложением № 12 «Руководства по оперативно-технической службе на ТРРЛ «Север» и доводится в день вылета на вахту.

17 Схема резервирования оборудования и каналов связи

Разрабатывается в РРУ, РРЦ и РРС и предусматривает возможные варианты замены вышедшего из строя оборудования, каналов связи, источников электропитания на резервные и аварийные. Степень детализации схемы резервирования должна быть достаточной для выполнения должностными лицами дежурной смены в аварийных ситуациях мероприятий, предусмотренных схемой резервирования, без обращения к другим должностным лицам. Схема резервирования находится на ПУС РРУ и постах РРС и корректируется по мере необходимости, но не реже одного раза в год.

18 Аппаратный журнал РРС (ПУС РРУ)

Аппаратный журнал является первичным документом учёта работы связей и постов. В этом же журнале лица дежурных смен расписываются в приёме и сдаче дежурства.

19 Аппаратный журнал РРЛ

Аппаратный журнал ведётся начальником дежурного расчёта ГРСЦ и предназначен для регистрации всех изменений состояния связи на ТРРЛ.

20 Журнал суточных сводок о работе РРС (ТРРЛ)

Журнал отражает работу РРС и ТРРЛ за истёкшие сутки, суточная сводка составляется:

- в РРУ - сменным инженером ПУС;

- на РРС - начальником дежурного расчёта.

Сводка сверяется с взаимодействующими предприятиями связи и арендаторами, а также соседними ГРСЦ, ПУС РРУ, СОУ ТЦМС и подписывается начальниками РРС, РРЦ и РРУ, их заместителями, инженерами, старшими и главными инженерами соответственно и передаётся в вышестоящий штаб.

21 Оперативный журнал работы источников электропитания

Журнал ведётся дежурным механиком энергетиком РРС и предназначен для оформления приёма-сдачи дежурства, регистрации всех изменений состояния источников электропитания, записи задания дежурному механику-энергетику, отметок об их исполнении, а также результатов проверки несения дежурства должностными лицами.

22 Журнал учета работы ДГА

Журнал ведётся дежурным механиком энергетиком и инженером-механиком РРС и предназначен для записи сведений о работе, авариях, повреждениях и техническом обслуживании ДГА.

23 Оперативный журнал котельной

Журнал ведётся дежурным слесарем-трубопроводчиком РРС и предназначен для оформления приёма-сдачи дежурства, регистрации всех изменений состояния технических систем, записи заданий дежурному слесарю-трубопроводчику, отметок об их исполнении, а также результатов проверки несения дежурства должностными лицами.

24 Журнал рапортов

Журнал рапортов является документом, отражающим состояние связи и качество несения дежурства личным составом смены РРС за неделю. В рапорте отражаются сведения о фактическом состоянии связи на ТРРЛ, авариях и повреждениях трактов, каналов и оборудования, регламентных работах, изменениях в схеме организации связи, случаях нарушения воинской дисциплины и дисциплины дежурства. В рапорте могут отражаться и другие вопросы, учитывающие специфику выполняемых задач. Рапорт докладывается начальнику РРС (РРУ).

25 Журнал приема и сдачи вахты

Журнал ведётся дежурным начальником РРО и содержит записи о приеме-сдаче вахты, состоянии средств связи, жилых и вспомогательных помещений, недостатки, выявленные во время вахты результаты проверок и другую информацию.

26 Схема электроснабжения

Схема электроснабжения разрабатывается для ПУС РРУ, РРС в целом и каждого поста в отдельности. На схеме указываются основные, резервные и аварийные источники, щиты и распределительные устройства, марка (номер) кабеля или провода, его длина и адрес, коммутационная аппаратура с указанием номиналов, названия и мощности потребителей.

27 Разрабатываемые в РРУ для каждого должностного лица, несущего дежурство на ПУС РРУ, а также для каждого номера дежурного расчёта РРС инструкции содержат порядок действий по обеспечению живучести и восстановлению связи в различных условиях (в аварийных ситуациях, при возникновении и ликвидации последствий пожара, стихийных бедствиях, экстремальных климатических условиях и др.).

28 Маршрутные карты разрабатываются РРУ для каждого номера дежурного расчёта и определяют порядок и объём проверки исходного положения средств, сооружений связи и технических систем при приёме, сдаче и несении дежурства.

29 Кроме основной эксплуатационно-технической документации, на постах РРУ и РРС ведутся также документы, предусмотренные действующими приказами, наставлениями, руководствами, положениями, правилами и инструкциями по организации и обеспечению связи, эксплуатации оборудования и каналов (линий) связи.

Приложение В

Таблицы измерений электрических характеристик тропосферного радиорелейного линейного тракта

Сводная таблица электрических характеристик тропосферного РРЛТ

Наименование электрических характеристик

Измерено

Норма

Примечание

1 Средняя мощность сигнала на входе приемника, дБм

 

-98,1

Таблица 1

2 Частота сигнала ПЧ, МГц и эффективное значение девиации частоты, создаваемой измерительным уровнем одного канала ТЧ, кГц

 

70 или 100

Таблица 2

3 Амплитудно-частотная характеристика линейного тракта

 

 

Таблица 3

4 Отклонение АЧХ линейного тракта, дБ

 

23,0 ± 1,0

Таблица 4

5 Амплитудная характеристика линейного тракта

 

 

Таблица 5

6 Отклонение амплитудной характеристики, дБ

 

±1,0

Таблица 6

7 Среднеминутная величина псофометрической мощности суммарных шумов в интервале времени, равном 40 часам, в полосе канала ТЧ, в точке нулевого относительного уровня при загрузке белым шумом с номинальным уровнем 10 дБ и при перегрузке 3 дБ

 

*1); 2)

Таблица 7

* 1) В 20 % времени любого месяца

Pдоп1 = 10L (пкВт)

(для гипотетической эталонной цепи длиной L = 2500 км Pдоп1 = 25000 пкВт).

2) Pдоп2 = 63000 пкВт в течение не более  времени наихудшего месяца (L - протяженность линии, км).

Таблица 1

Средняя мощность сигнала на входе приемника

Направление передачи

№ РРС

Вход Пм

Средняя мощность сигнала на входе приемника, дБм ПерА(Б)

Мощность передатчика, кВт

Выход ПерА(Б)

Измерено

Норма

А-Б (Б-А)

 

1

 

 

 

1

2

 

 

2

 

1

 

 

 

1

2

 

 

2

 

1

 

 

 

1

2

 

 

2

 

1

 

 

 

1

2

 

 

2

 

1

 

 

 

1

2

 

 

2

 

1

 

 

 

1

2

 

 

2

Измерения производили                                                              Дата

Таблица 2

Частота сигнала ПЧ и эффективное значение девиации частоты, создаваемой измерительным уровнем одного канала ТЧ

РРС

Направление передачи

Мд

Частота ПЧ

Девиация частоты

Измерено, МГц

Норма, МГц

Напряжение вх. сигнала, мВ

Измерено, кГц

Норма, кГц

 

А-Б (Б-А)

1

 

70,0 ± 5 × 10-4

 

 

70 или 100

2

 

 

 

 

1

 

 

 

2

 

 

 

 

1

 

 

 

2

 

 

 

 

1

 

 

 

2

 

 

 

 

1

 

 

 

2

 

 

 

Измерения производили                                                              Дата

Таблица 3

Амплитудно-частотная характеристика линейного тракта тропосферной радиорелейной линии

Направление передачи

Мд

Дм

Частота, кГц

50

60

70

80

90

100

110

120

130

140

150

А-Б (Б-А)

1

1

 

 

 

 

 

 

 

 

 

 

 

2

 

 

 

 

 

 

 

 

 

 

 

2

1

 

 

 

 

 

 

 

 

 

 

 

2

 

 

 

 

 

 

 

 

 

 

 

 

160

170

180

190

200

210

220

230

240

250

260

1

1

 

 

 

 

 

 

 

 

 

 

 

2

 

 

 

 

 

 

 

 

 

 

 

2

1

 

 

 

 

 

 

 

 

 

 

 

2

 

 

 

 

 

 

 

 

 

 

 

 

270

280

290

300

310

320

330

340

350

360

370

1

1

 

 

 

 

 

 

 

 

 

 

 

2

 

 

 

 

 

 

 

 

 

 

 

2

1

 

 

 

 

 

 

 

 

 

 

 

2

 

 

 

 

 

 

 

 

 

 

 

 

380

390

400

410

420

430

440

450

460

470

480

1

1

 

 

 

 

 

 

 

 

 

 

 

2

 

 

 

 

 

 

 

 

 

 

 

2

1

 

 

 

 

 

 

 

 

 

 

 

2

 

 

 

 

 

 

 

 

 

 

 

 

490

500

510

520

530

540

550

 

 

 

 

1

1

 

 

 

 

 

 

 

 

 

 

 

2

 

 

 

 

 

 

 

 

 

 

 

2

1

 

 

 

 

 

 

 

 

 

 

 

2

 

 

 

 

 

 

 

 

 

 

 

Примечание: Мд 1 (2) и Дм 1 (2) включать на всех РРС.

Измерения производили                                                              Дата

Таблица 4

Отклонение АЧХ линейного тракта

Направление передачи

№ РРС

Мд

Дм

Норма, дБ

Отклонение АЧХ, дБ на частотах, кГц

60

100

200

300

400

500

А-Б (Б-А)

 

1

1

23,0 ± 1,0

 

 

 

 

 

 

2

 

 

 

 

 

 

2

1

 

 

 

 

 

 

2

 

 

 

 

 

 

 

1

1

 

 

 

 

 

 

2

 

 

 

 

 

 

2

1

 

 

 

 

 

 

2

 

 

 

 

 

 

Измерения производили                                                              Дата

Таблица 5

Амплитудная характеристика линейного тракта

Направление передачи

Частота, кГц

Мд

Дм

Перегрузка, дБ

0

10

11

12

13

14

15

16

17

18

19

20

21

22

23

А-Б (Б-А)

64

1

1

 

 

 

 

 

 

 

 

 

 

 

 

 

 

 

2

 

 

 

 

 

 

 

 

 

 

 

 

 

 

 

2

1

 

 

 

 

 

 

 

 

 

 

 

 

 

 

 

2

 

 

 

 

 

 

 

 

 

 

 

 

 

 

 

300

1

1

 

 

 

 

 

 

 

 

 

 

 

 

 

 

 

2

 

 

 

 

 

 

 

 

 

 

 

 

 

 

 

2

1

 

 

 

 

 

 

 

 

 

 

 

 

 

 

 

2

 

 

 

 

 

 

 

 

 

 

 

 

 

 

 

550

1

1

 

 

 

 

 

 

 

 

 

 

 

 

 

 

 

2

 

 

 

 

 

 

 

 

 

 

 

 

 

 

 

2

1

 

 

 

 

 

 

 

 

 

 

 

 

 

 

 

2

 

 

 

 

 

 

 

 

 

 

 

 

 

 

 

Измерения производили                                                              Дата

Таблица 6

Отклонение амплитудной характеристики

Направление передачи

Частота, кГц

Мд

Дм

Отклонение амплитудной характеристики

Норма

Uвых. 0, дВн

Uвых. 18, дВн

К, дВн

А-Б (Б-А)

64

1

1

 

 

 

 

2

 

 

 

 

2

1

 

 

 

 

2

 

 

 

 

550

1

1

 

 

 

 

2

 

 

 

 

2

1

 

 

 

 

2

 

 

 

 

Измерения производили                                                              Дата

Таблица 7

Среднеминутная величина псофометрической мощности суммарных шумов в интервале времени, равном 40 часам, в полосе канала ТЧ, в точке нулевого относительного уровня при загрузке белым шумом с нормальным уровнем 10 дБ и при перегрузке 3 дБ

№ сеанса

Направление передачи

А

Б

Канал 70 кГц

Канал 534 кГц

Примечание

Мд

Дм

Мд

Дм

 

 

 

 

 

А-Б (Б-А)

1

1

1

1

 

 

 

 

 

2

2

 

 

 

 

2

1

2

1

 

 

 

 

2

2

 

 

 

 

1

1

1

1

 

 

 

 

2

2

 

 

 

 

2

1

2

1

 

 

 

 

2

2

 

 

 

 

Измерения производили                                                              Дата

Приложение Г

Таблицы измерений технических характеристик оборудования тропосферной радиорелейной станции

Перечень измеряемого оборудования

Наименование устройства

Номер таблицы

Примечание

1 Стойка Пм

1

 

2 Стойка ПЧ «ТР-120»

2

 

3 Пульт КС

3

 

4 Стойка ФЧ

4

 

5 Передатчик «Гейзер»

5

 

6 Волноводный тракт

6

 

Таблица 1

Стойка Пм

Наименование измеряемого параметра

Величина по ТУ

Измерено

Примечание

номинальная

допуст. отклон.

Стойка №

 

 

1 Полоса пропускания 1-го комплекта (по уровню минус 3 дБ относительно уровня на рабочей частоте), МГц, не менее

18,0

-

 

 

Станции № (или указать название)

2 Полоса пропускания 2-го комплекта (по уровню минус 3 дБ относительно уровня на рабочей частоте), МГц, не менее

18,0

-

 

 

3 Неравномерность АЧХ 1-го комплекта в полосе 16 МГц, дБ не более

±1

-

 

 

4 Неравномерность АЧХ 2-го комплекта в полосе 16 МГц, дБ не более

±1

-

 

 

5 Коэффициент усиления 1-го комплекта, дБ

45

±1,5

 

 

6 Коэффициент усиления 2-го комплекта, дБ

45

±1,5

 

 

7 Шумовая температура 1-го комплекта, К, не более

300

-

 

 

8 Шумовая температура 2-го комплекта, К, не более

300

-

 

 

9 Средняя мощность сигнала на входе

 

 

 

 

Приёмник № 1, дБВт

-98,1

-85,3

 

 

Приёмник № 2, дБВт

-98,1

-85,3

 

 

Измерения производили                                                              Дата

Таблица 2

Стойка ПЧ «ТР-120»

Наименование измеряемого параметра

Величина по ТУ

Измерено

Примечание

номинальная

допуст. отклон.

Стойка №

 

 

1 АРУ стойки должно обеспечивать постоянство сигнала на выходах УПЧ с точностью, дБ

0

±4,0

 

 

Станции № (или указать название)

2 При сдвоенном приеме уровень сигнала на выходе блока ОС должен возрастать по сравнению с одинарным приёмом на, дБ

6

±1

 

 

3 Измерительное напряжение одного ТФ канала на выходе стойки на нагрузке 75 Ом, мВ

55

±5

 

 

4 Псофометрическая мощность переходных помех в телефонном канале, пВт, не более

2000

-

 

 

Измерения производили                                                              Дата

Таблица 3

Пульт КС

Наименование измеряемого параметра

Величина по ТУ

Измерено

Примечание

номинальная

допуст. отклон.

Направление

А

Б

1 Сигналы на выходе группового тракта передачи должны иметь номинальное напряжение, мВ:

 

 

 

 

Станции № (или указать название)

- телефонный канал

6,0

±0,2

 

 

- контрольная частота

1,3

±0,2

 

 

- участковый служебный канал (УСС)

6,0

±0,7

 

 

- постанционный служебный канал (ПСС)

6,0

±0,7

 

 

- канал ТО

3,0

±0,5

 

 

2 Напряжение сигнала телефонного канала на выходе группового тракта приёма, мВ

25,0

±1,0

 

 

 

 

 

 

 

4 Система контроля

соотв.

-

 

 

Измерения производили                                                              Дата

Таблица 4

Стойка ФЧ

Наименование измеряемого параметра

Величина по ТУ

Измерено

Примечание

номинальная

допуст. отклон.

Стойка №

 

 

1 Эффективное напряжение сигнала ПЧ на выходе стойки ВЫХ ПЧ-1 на нагрузке 75 Ом, В, не менее

1,0

-

 

 

Станции № (или указать название)

2 Эффективное напряжение сигнала ПЧ на выходе стойки ВЫХ ПЧ-2 на нагрузке 75 Ом, В, не менее

1,0

-

 

 

3 Эффективное напряжение задающей частоты на выходе стойки ВЫХ ЗЧ-1 на нагрузке 75 Ом, В

1,5

±0,2

 

 

4 Эффективное напряжение задающей частоты на выходе стойки ВЫХ ЗЧ-2 на нагрузке 75 Ом, В

1,5

±0,2

 

 

5 Крутизна модуляционной характеристики, МГц/В

28,0

±1,5

 

 

6 Псофометрическая мощность шумов, вносимых стойкой в телефонные каналы, пВт, не более

200,0

 

 

 

7 Частота сигнала ПЧ-1, МГц

70,0

±5 × 10-4

 

 

8 Частота сигнала ПЧ-2, МГц

70,0

±5 × 10-4

 

 

9 Девиация частоты: Мд-1; Мд-2, кГц

70/100

±10

 

 

10 Напряжение вх. сигнала Мд-1; Мд-2, мВ

4,3

±0,4

 

 

Измерения производили                                                              Дата

Таблица 5

Передатчик «ГЕЙЗЕР»

Наименование измеряемого параметра

Величина по ТУ

Измерено

Примечание

номинальная

допуст. отклон.

Напр. А

Напр. Б

1 Мощность на выходе при паспортном режиме прибора КУ-337, кВт, не менее

0,94Pн

-

 

 

 

 

Станция № (или указать название)

2 Полоса пропускания относительно литерной частоты по уровню минус 3 дБ, МГц, не менее

±6,0

-

 

 

 

 

3 Срабатывание защиты, отключение высоковольтного выпрямителя (ВвВ) и аварийная сигнализация при:

 

 

 

 

 

 

- токе в фокусирующей системе, А, более

6,6

±0,4

 

 

 

 

- токе в фокусирующей системе, А, менее

4,0

±0,3

 

 

 

 

- ускоряющем напряжении, кВ, более

11,5

±0,5

 

 

 

 

- общем токе прибора КУ 337, А, более

1,35

±0,1

 

 

 

 

Измерения производили                                                              Дата

Таблица 6

Волноводный тракт

Наименование измеряемого параметра

Величина по ТУ

Измерено

Примечание

номинальная

допуст. отклон.

Направление

А

Б

1 Затухание приёмного тракта № 1, дБ, не более

1,4

1,2 - 1,4

 

 

Станции № (или указать название)

2 Затухание приёмного тракта № 2, дБ, не более

1,4

1,2 - 1,4

 

 

3 Коэффициент стоячей волны (КСВ) приемного тракта № 1, ед, не более

1,5

-

 

 

4 Коэффициент стоячей волны (КСВ) приемного тракта № 2, ед, не более

1,5

-

 

 

5 Затухание передающего тракта № 1, дБ, не более

2,0

1,8 - 2,0

 

 

6 Затухание передающего тракта № 1, дБ, не более

2,0

1,8 - 2,0

 

 

7 Коэффициент стоячей волны (КСВ) передающего тракта № 1, ед, не более

1,35

-

 

 

8 Коэффициент стоячей волны (КСВ) передающего тракта № 1, ед, не более

1,35

-

 

 

Измерения производили                                                              Дата

Приложение Д

Основные технические данные тропосферных систем

Параметр

«Горизонт»

«Горизонт-М»

«Рубеж»

«Аккорд»

ТР-120

Диапазон рабочих частот, ГГц

0,8 - 1,0

0,8 - 1,0

4,5

0,8 - 1,0

0,8 - 1,0

Емкость системы:

 

 

 

 

 

каналы ТЧ

60

72

-

60

120

канал ТВ + зв. сопр.

 

 

1

 

 

Модуляция

частичная

Антенны, м

20×20 или 30×30

5

20×20 или 30×30

Фидерные линии волноводные, мм

270×135

48×24

кабель KWV-75-78-D 270×135

Мощность передатчика (макс), кВт

10

2,5

3

3

5

Охлаждение передатчика

водяное

воздушное

Эффективная девиация частоты, кГц/кан

50

50

-

100

70 или 100

Размах дев. ПЧ от сигн. изобр., МГц

 

 

8

 

 

Ширина полосы пропускания тракта ПЧ приемника по уровню минус 3 дБ, МГц

6

6

18

6

8

Коэффициент шума приемника, дБ

8

3,5

8

3,5

2,5

Промежуточная частота, МГц

70

70

70

70

70

Кратность разнесения

2

4

4

4

4

Сложение сигналов

по ПЧ

по ПЧ и по НЧ

по ПЧ и по НЧ

по ПЧ и по НЧ

по ПЧ с исп. автокорреляц. приема

Мощность, потребл. оконечной станцией от трехфазной сети Uн = 380 B, не более, кВт

100

40

40

40

60

СОДЕРЖАНИЕ

1 область применения. 2

2 обозначения и сокращения. 3

3 организация связи по тррл.. 4

3.1 Общие сведения. 4

3.2 Типы тропосферных радиорелейных станций (ТРРС) 4

3.3 Состав оборудования ТРРС.. 4

3.4 Организация телефонных каналов на ТРРЛ.. 6

3.5 Служебная связь (СС) и телеобслуживание. 7

4 предприятия и подразделения, осуществляющие эксплуатацию тррл.. 8

5 организация технического обслуживания тррл.. 9

5.1 Организация и руководство технической эксплуатацией. 9

5.2 Оперативно-техническое обслуживание. 10

5.3 Техническое обслуживание. 10

5.4 Планово-профилактический метод обслуживания средств связи. 11

5.5 Планово-профилактический метод обслуживания энергооборудования. 14

5.6 Функции главных руководящих станций РРЦ (ГРСЦ) 15

6 техническое обслуживание антенно-волноводного комплекса. 16

7 основные нормативно-технические документы по эксплуатации тррл.. 18

Приложение А. Основные действующие нормативно-технические документы в части технической эксплуатации конкретных объектов. 20

Приложение Б. Эксплуатационно-техническая документация на ТРРЛ.. 20

Приложение В. Таблицы измерений электрических характеристик тропосферного радиорелейного линейного тракта. 24

Приложение Г. Таблицы измерений технических характеристик оборудования тропосферной радиорелейной станции. 27

Приложение Д. Основные технические данные тропосферных систем.. 30