РОССИЙСКОЕ ОТКРЫТОЕ АКЦИОНЕРНОЕ ОБЩЕСТВО
ЭНЕРГЕТИКИ И ЭЛЕКТРИФИКАЦИИ «ЕЭС РОССИИ»

_________

ДЕПАРТАМЕНТ НАУЧНО-ТЕХНИЧЕСКОЙ ПОЛИТИКИ И РАЗВИТИЯ

МЕТОДИЧЕСКИЕ УКАЗАНИЯ
ПО СОЗДАНИЮ АСУ ТП
ВОДОПОДГОТОВИТЕЛЬНЫХ УСТАНОВОК (ВПУ)
ЭЛЕКТРОСТАНЦИЙ

СО 34.35.146-2003

Разработано Филиалом ОАО «Инженерный центр ЕЭС» - «Фирма ОРГРЭС»

Исполнитель Л.И. ЦВЕТАЕВА

Согласовано с ОАО «Институт Теплоэлектропроект» 22.01.2003 г.

Исполнительный директор А.С. ЗЕМЦОВ

с ОАО «ВТИ» 22.01.2003 г.

Заместитель генерального директора А.Г. ТУМАНОВСКИЙ

Утверждено Департаментом научно-технической политики и развития ОАО РАО «ЕЭС России» 31.01.2003 г.

Начальник А.П. ЛИВИНСКИЙ

Настоящие Методические указания разработаны Филиалом ОАО «Инженерный центр ЕЭС» - «Фирма ОРГРЭС» по поручению Департамента научно-технической политики и развития ОАО РАО «ЕЭС России» и являются собственностью Общества.

МЕТОДИЧЕСКИЕ УКАЗАНИЯ ПО СОЗДАНИЮ АСУ ТП ВОДОПОДГОТОВИТЕЛЬНЫХ УСТАНОВОК (ВПУ) ЭЛЕКТРОСТАНЦИЙ

СО 34 35.146-2003

Введено впервые

Дата введения 2003-09-01

год месяц число

Настоящие Методические указания являются обязательными для проектных и других организаций, выполняющих разработку и внедрение АСУ ТП для вновь создаваемых ВПУ, и рекомендательными - при создании и внедрении АСУ ТП при модернизации действующих ВПУ. Материалы приложений настоящих Методических указаний носят информационный и рекомендательный характер.

1. ОБЩИЕ СВЕДЕНИЯ

1.1. Данные Методические указания ориентированы на АСУ ТП ВПУ, выполняемые на базе современной микропроцессорной техники, которая позволяет создать полнофункциональную систему, реализовать сложные алгоритмы управления, значительно повысить экономичность технологии и резко уменьшить номенклатуру технических средств и площадь щитовых помещений.

1.2. При создании АСУ ТП ВПУ необходимо руководствоваться нормативными документами, приведенными в приложении А, с учетом специфики ВПУ как объекта автоматизации, изложенной в настоящих Методических указаниях. При этом объем датчиков технологического и химического контроля и измерения параметров, используемых в АСУ ТП ВПУ, должен соответствовать СО 34.35.101 «Методические указания по объему технологических измерений, сигнализации, автоматического регулирования на тепловых электростанциях». При создании АСУ ТП ВПУ дублирование измерений параметров традиционными средствами по концепции настоящих Методических указаний не предусматривается.

1.3. При создании АСУ ТП ВПУ в части взаимодействия с другими ПТК АСУ ТП химического цеха должны учитываться положения РД 153-34.1-37.532.4-2001 «Общие технические требования к системам химико-технологического мониторинга водно-химических режимов тепловых электростанций» и РД 153.34.1-02.408-2001 «Методические указания по автоматизации химического и теплотехнического контроля сточных вод ТЭС».

1.4. Автоматизированная система управления технологическими процессами ВПУ входит в состав АСУ ТП химического цеха, которая взаимодействует с ПТК (программно-технический комплекс) водно-химического режима энергоблоков, ПТК блочной обессоливающей установки турбинного конденсата, а также с ПТК установок тепловой сети и с информационной подсистемой «Водосбросы стоков ТЭС». Обобщенная структурная схема АСУ ТП химического цеха показана на рисунке 1.

1.5. Особое внимание в настоящих Методических указаниях уделено периферийным устройствам АСУ ТП ВПУ, главным образом, исполнительным механизмам к запорной и регулирующей арматуре, надежность действия которых является для химических цехов определяющей составляющей надежности всей системы.

В настоящих Методических указаниях приняты следующие сокращения:

АБП - автомат бесперебойного питания;

АВР - аварийное включение резерва;

АИ - автомат исполнительный;

АР - автоматическое регулирование;

АРМ - автоматизированное рабочее место;

АРМ ЭЛ - автоматизированное рабочее место лаборанта экспресс-лаборатории;

АСУ ТП - автоматизированная система управления технологическим процессом;

АХК - автоматический химический контроль;

АЭС - атомная электростанция;

БЗК - бак запаса конденсата;

БИВ - бак известкованной воды;

БОУ - блочная обессоливающая установка;

БРВ - бак регенерационных вод;

БСПТ - блок сигнализации положения токовый;

БШВ - бак шламовых вод;

ВПУ - водоподготовительная установка;

ДУ - дистанционное управление;

Ж - жесткость воды;

ЗО - запорный орган;

ИВЭП - источники вторичного электропитания;

ИМ - исполнительный механизм;

КТП СН - комплексная трансформаторная подстанция собственных нужд;

ЛВС - локальная вычислительная связь;

МЗО - механизм запорный однооборотный;

МСН - механизм собственных нужд;

МРО - механизм регулирующий однооборотный;

МФК - многофункциональный контроллер;

МФ - механический фильтр;

МЩУ - местный щит управления;

НС ХЦ - начальник смены химического цеха;

ОТ - оператор-технолог;

ОТК - отдел технического контроля;

ПАС - предупредительная и аварийная сигнализация;

ПГП - пневмо- или гидропреобразователь;

ПТК - программно-технический комплекс;

ПЧ - преобразователь частоты;

РК - регулирующий клапан;

РО - регулирующий орган;

РТЗО - распределитель трехфазный закрытый одностороннего обслуживания;

СК - сухой контакт;

СКУ - система контроля и управления;

СН - собственные нужды;

СХР - склад химических реагентов;

ТБ - технологические блокировки;

ТЗ - технологические защиты;

ТК - традиционный контроль;

ТКМ - технологический контроллер моноблочный;

ТЭП - технико-экономические показатели;

ТЭС - тепловая электростанция;

УСО - устройство связи с объектом;

ФГО - функциональные группы оборудования;

ФГУ - функционально-групповое (или программно-логическое) управление;

ХВО - химическая водоочистка;

ХК - химический контроль;

ШН - шкаф управления насосом;

ШУ-60 - шкаф управления 60 единицами арматуры;

Що - щелочность общая;

Щфф - щелочность общая по фенолфталеину;

ЩУ ВПУ - щит управления водоподготовительной установки.


Рисунок 1 - Обобщенная структурная схема АСУ ТП химического цеха


2. КРАТКАЯ ХАРАКТЕРИСТИКА ВПУ КАК ОБЪЕКТА УПРАВЛЕНИЯ

2.1. Общая характеристика ВПУ

2.1.1. Водоподготовительная установка в составе ТЭС, АЭС и других объектов предназначена для химической обработки сырой воды (речной, артезианской и т.п.) с целью получения обессоленной (умягченной) воды нормируемого качества и подачи ее в цикл станции (или других объектов).

Исходная вода последовательно проходит несколько стадий обработки: методом осаждения в осветлителях удаляются часть солей и взвешенные вещества, далее на фильтрах разного назначения удаляются соли до получения на выходе установки качества воды, соответствующего нормам, установленным для котлов или тепловой сети.

Технологический режим работы ВПУ, входящих в химический цех, непрерывный. Отличительной особенностью технологического режима ВПУ является то, что при непрерывном режиме работы всей установки большая часть оборудования работает периодически с определенной цикличностью.

Оборудование ВПУ, включая арматуру, работает на низком давлении pраб = 0,6 МПа. Производительность разных ВПУ колеблется от 1,0 т/ч для котельных до нескольких тысяч т/ч для крупных ТЭС с отбором пара на производство и тепловой сети с открытым водоразбором.

Рабочая среда: вода и растворы химических реагентов, в том числе:

- растворы серной кислоты 1,5 - 3 %-ные и 75 или 92 %-ные;

- растворы щелочи (NaOH) 1,5 - 4 %-ные и 42 %-ный;

- известковое молоко с содержанием взвешенных твердых частиц до 15 %, размеры частиц до 1 мм;

- растворы коагулянта 3 - 20 %-ные;

- растворы соды 7 - 10 %-ные;

- растворы поваренной соли концентрацией 8 - 15 %-ные и 26 %-ный и т.п.

В технологии ВПУ используется также сжатый воздух давлением 0,3 МПа и водяной пар.

В отдельных случаях рабочая среда содержит значительные механические примеси (шламовая вода) или представляет собой концентрированную смесь твердых частиц вещества с водой (известковое молоко).

Рабочая среда имеет температуру до +20 ÷ +40 °C (в отдельных случаях, например производственный конденсат, до +90 °C).

Окружающий воздух содержит пары химически активных веществ, в том числе серной кислоты до 1 мг/м3, едкого натра до 0,5 мг/м3 и имеет повышенную влажность до 100 % при температуре воздуха +35 °C и запыленность 4 ÷ 6 мг/м3.

Поверхности трубопроводов, арматуры, фильтров, элементов приборов, соприкасающиеся с агрессивной и абразивной рабочей средой, должны иметь антикоррозионное покрытие или быть выполнены из коррозионно-стойкого материала (нержавеющая сталь, покрытия из фторопласта, резиновой смеси и т.п.).

Оборудование ВПУ может размещаться:

- в отдельно стоящем здании с примкнувшим помещением СХР на отметке 0;

- в отдельно стоящих зданиях с осветлителями, фильтрами, СХР (каждое на расстоянии до 500 м по кабельной трассе) на отметке 0;

- в главном корпусе электростанции с этажной компоновкой фильтров;

- в главном корпусе на отметке 0 с одноэтажной компоновкой фильтров.

Помещения ВПУ, оборудование которых размещено вне главного корпуса, относятся к категории невзрывоопасных.

На ВПУ предусматривается одно или несколько помещений щитов управления в зависимости от состава, назначения и размещения технологического оборудования, а также от производительности ВПУ. В неоперативном контуре размещаются пробоотборные точки для производства оперативных ручных химических анализов.

Организационная структура управления ВПУ обеспечивает круглосуточное оперативное управление оборудованием. Управление выполняется ОТ установки.

Производство переключений в схеме установки и выполнение ручных химических анализов осуществляют аппаратчики ВПУ (численность зависит от производительности установки, размещения оборудования и др.).

Обслуживание СХР (как правило, только в дневную смену) выполняет аппаратчик СХР, в обязанности которого входит приготовление растворов реагентов для ВПУ, БОУ, энергоблоков и др.

Контроль за работой ВПУ, БОУ, водно-химическим режимом теплосилового и теплосетевого оборудования, за локализацией аварий, восстановлением режима работы, а также подготовкой оборудования к производству работ, взаимоотношениями с персоналом цехов ТЭС, связанных по работе с химическим цехом, выполняется НС ХЦ.

Рабочие места ОТ и НС ХЦ размещаются, как правило, на щите ВПУ; НС ХЦ может размещаться в отдельном помещении здания ВПУ.

2.1.2. Оборудование ВПУ (основное и вспомогательное) различается по задачам автоматизации и делится на четыре категории:

- осветлители с устройствами дозирования реагентов;

- фильтры разного назначения и конструкции;

- баки (мерники) с устройствами подачи среды (насосами, эжекторами);

- склад химических реагентов.

2.1.2.1. Технологический процесс в осветлителях с устройствами дозирования реагентов непрерывный. Из функций АСУ ТП основной является автоматическое регулирование технологических параметров, в том числе нагрузки каждого осветлителя, дозирования коагулянта в каждый осветлитель и др. Обслуживание осветлителей - дежурное. Основную долю информации в АСУ ТП ВПУ от участка «Осветлители» составляет аналоговая информация.

2.1.2.2. Фильтры выполняют различные технологические функции и имеют различные конструктивные схемы (механические, катионитные, анионитные, смешанного действия, прямоточные, противоточные и др.). Технологический процесс на фильтре - периодический (режимы: работа → регенерация → работа или резерв). Обслуживание фильтров - дежурное. Из функций АСУ ТП основной является ФГУ регенерацией фильтров с участием автоматических регуляторов, работающих периодически по программе. Основную долю информации в АСУ ТП ВПУ от участка «Фильтры» составляет дискретная информация, в основном, от ИМ запорной арматуры. В количественном отношении она преобладает в общем потоке информации от ВПУ.

2.1.2.3. Баки (мерники) разного назначения с устройствами подачи среды работают в периодическом режиме (все, кроме установленных на основном потоке воды). Обслуживание - дежурное. Из функций АСУ ТП основной является ФГУ, в том числе:

- заполнение баков (мерников) растворами кислоты, щелочи и других реагентов;

- приготовление в баках (мерниках) растворов рабочей концентрации объемным способом (концентрат + вода → перемешивание);

- нейтрализация регенерационных вод в баках (заполнение → нейтрализация → сброс заполнение).

Основную долю информации в АСУ ТП от участка «Баки (мерники) разного назначения» составляет дискретная информация.

2.1.2.4. Оборудование СХР составляют ячейки хранения извести, коагулянта, соли, фильтры соли и коагулянта, баки кислоты и щелочи, насосы. Склад химических реагентов назначен для хранения суточного (месячного) запаса концентрированных реагентов и подачи их на ВПУ, БОУ, энергоблок (для коррекционной обработки питательной и котловой воды). Из функций АСУ ТП основной является контроль уровней в баках хранения, расходных баках разного назначения. Основной информацией в АСУ ТП ВПУ является аналоговая информация.

Примерные периодичность выполнения технологических операций и объем химического контроля (автоматического и ручного лабораторного) на ВПУ, выполненной по схеме двухступенчатого обессоливания, приведены в разделе Б.5 приложения Б.

2.2. Состав и краткая характеристика оборудования

В состав оборудования ВПУ (в обобщенном виде) входят:

- осветлители со вспомогательным оборудованием;

- разнофункциональные фильтры со вспомогательным оборудованием;

- оборудование СХР.

2.2.1. Осветлители со вспомогательным оборудованием

Осветлители представляют собой аппараты безнапорного типа и предназначены для предварительной обработки сырой воды химическим методом осаждения солей в виде шлама.

Осветлители различаются по производительности (номенклатурный ряд от 50 до 1000 т/ч) и составу вводимых для обработки воды химических реагентов: коагулянта, извести, соды, полиакриламида, щелочи.

Основными условиями качественной работы осветлителей являются поддержание гидравлического и температурного режимов, а также непрерывное дозирование химических реагентов для обработки воды.

Дозирование реагентов осуществляется из мерников с помощью РК, поршневых насосов-дозаторов с регулируемой подачей или насосов-дозаторов с постоянной подачей.

Мерники заполнены растворами реагентов рабочей концентрации, которая приготавливается в мернике объемным способом (вода + концентрат) или смешением воды и концентрата в потоке с подачей готового раствора в мерник.

Кроме сырой воды, в осветлитель подается вода из цикла ВПУ с целью повторного использования. Для этого установлен бак (баки) с насосами, подающими воду в осветлитель (периодически или постоянно в зависимости от производительности ВПУ и качества сырой воды).

Шлам, образующийся в осветлителе, сбрасывается в баки шламовых вод (непрерывная и периодическая продувки), а затем насосами подается на шламозолоотвал или фильтр-прессы, что решается отдельно для конкретного объекта.

Осветленная вода на выходе из осветлителя должна иметь прозрачность (концентрацию взвешенного в воде шлама) не более 30 мг/л.

2.2.2. Разнофункциональные фильтры со вспомогательным оборудованием

Осветленная вода после осветлителей собирается в баки и насосами подается на осветлительные (механические) и далее на ионообменные фильтры. Фильтры загружены зернистым материалом, обладающим способностью задерживать механические примеси или ионы солей. Фильтры представляют из себя напорные аппараты (pраб = 0,6 МПа) и различаются не только по выполняемым функциям, но и конструктивно (прямоточные, противоточные, смешанного действия, одно-, двух- и трехкамерные и т.п.). Типовой ряд диаметров фильтров от 1,0 до 3,4 м.

Схемы соединения фильтров разделяются на параллельные (однофункциональные фильтры в количестве, обеспечивающем заданную производительность, подключаются по входу и выходу к общим коллекторам) и блочные (разнофункциональные фильтры, соединяются в последовательную цепочку (блок), обеспечивающую полный цикл обработки воды).

В зависимости от производительности ВПУ для группы однофункциональных фильтров предусматриваются один, два и более комплектов оборудования регенерационного узла, с которого на фильтр (блок фильтров) поступают растворы реагентов и вода на СН.

В состав оборудования регенерационного узла входят мерники реагентов с дозирующими устройствами (РК, насосы-дозаторы, эжекторы) и баки с насосами для подачи воды на СН фильтра (блока фильтров).

Для сбора и нейтрализации регенерационных вод фильтров устанавливаются баки-нейтрализаторы с насосами рециркуляции и дозирующими устройствами нейтрализующего реагента (как правило, известкового молока).

2.2.3. Насосное оборудование и режимы его работы

Насосы ВПУ подразделяются:

- по режиму работы на:

работающие постоянно, установленные на основном потоке воды (коагулированно-известкованной, частично-обессоленной и обессоленной (умягченной));

работающие периодически (в составе ФГУ с заданной цикличностью):

- по типу на:

центробежные;

мембранные;

поршневые с постоянной (нерегулируемой) подачей (в схемах ВПУ используются также в качестве регулирующего устройства в режиме импульсного дозирования реагента);

поршневые с регулируемой подачей (в схемах ВПУ используются в качестве регулирующего устройства в режиме непрерывного дозирования реагента);

- по характеристикам электропривода на:

трехфазный асинхронный двигатель с напряжением питания схемы управления - 220 В;

- по способам управления:

на ВПУ с АСУ ТП - с ЩУ ВПУ и по месту (аварийная кнопка «Стоп»);

на действующих ВПУ, не оснащенных АСУ ТП - с ЩУ ВПУ и (или) по месту (кнопки «Пуск», «Стоп»).

2.2.4. Запорная арматура и режимы ее работы

Водоподготовительные установки оснащаются разнотипной запорной арматурой: задвижками, клапанами, вентилями, затворами.

В качестве привода к арматуре применяются:

- электроприводы (одно- и многооборотные);

- гидро- или пневмоприводы с преобразователями сигналов и системой подготовки, разводки и подачи управляющей воды (или сжатого воздуха).

По условиям работы запорная арматура должна иметь:

- плотность закрытия по классу А;

- время полного закрытия для Dу до 150 мм не более 30 с, для Dy 200 ÷ 400 мм - не более 45 с. Для ВПУ, выполненных по новым противоточным технологиям, требуется время полного закрытия до 5 ÷ 7 с.

Для выполнения задач управления ВПУ рекомендуется к применению запорная арматура двухпозиционного действия: полностью «Открыть/Закрыть» (промежуточного положения не требуется). Периодичность полного открытия/закрытия запорной арматуры составляет в среднем ~ 10 циклов в сутки.

В связи с основной долей ФГУ в общем объеме управления ВПУ надежность действия арматуры с приводом и устройствами контроля её положения должна быть на уровне остальных элементов системы управления (вероятность безотказной работы не ниже 0,98 в течение гарантийного срока).

Запорная и регулирующая арматура управляется:

- с ЩУ ВПУ (АРМ ОТ) - для ВПУ с АСУ ТП;

- по месту (как правило) - для ВПУ, не оснащенных АСУ ТП.

При создании АСУ ТП для действующих ВПУ требуется, в большинстве случаев, замена запорной арматуры и ИМ.

Для управления запорной и регулирующей арматурой используются следующие исполнительные механизмы:

- пневмо- или гидропривод с напряжением питания схем управления ~ 127 В. Управление пневмо- или гидроприводами осуществляется непосредственно от АСУ ТП через пневмо- или гидропреобразователи;

- электромеханизмы с напряжением питания схем управления ~ 220 В;

- электромеханизмы нового поколения с напряжением питания схем управления ~ 220 В/= 24 В.

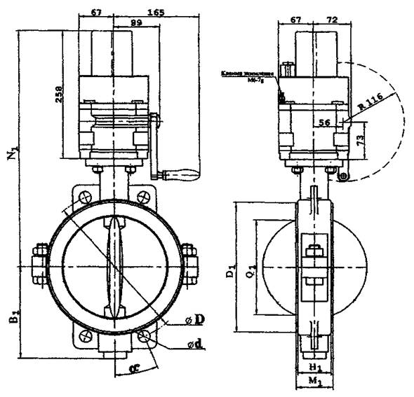
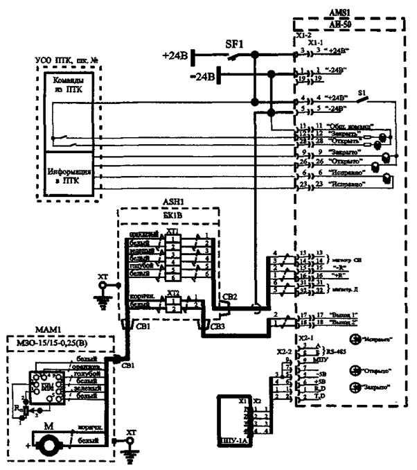
В разделе Б.1 приложения Б приведены характеристики электромеханизмов нового поколения типа МЗО и МРО. Структурные схемы АСУ ТП ВПУ, выполненные с их применением, показаны на рисунке 2.


Рисунок 2 - Структурная схема АСУ ТП, нижний уровень которой выполнен на базе электроприводов типа МЗО, МРО с блоками управления АИ (3 варианта)


Вариант 1:

- управление АИ осуществляется дискретными сигналами;

- в АСУ и АИ содержатся преобразователи (адаптеры) из цифровой информации в дискретную и обратно;

- образуется разветвленная кабельная сеть связей АСУ со шкафами управления арматурой.

Вариант 2:

- управление АИ, расположенными в шкафах, осуществляется через те же преобразователи (адаптеры), но с использованием контроллера цифрового канала управления, например, PROFIBUS (Р/В);

- сокращается число связей между АСУ и шкафом, но внутришкафная система связей между адаптерами и АИ сохраняется по варианту 1.

Вариант 3:

- управление АИ осуществляется по цифровым каналам SPI, но с использованием контроллера преобразователя скоростного канала по связи с АСУ и низкоскоростных каналов SPI по стыковке с АИ;

- в данной схеме управления отсутствуют преобразователи дискретных сигналов в АСУ и АИ, упрощаются информационные связи внутри шкафа управления арматурой.

Управление электромеханизмами МЗО и МРО осуществляется непосредственно от АСУ ТП напряжением = 24 В. Механизмы отличаются высокой надежностью информации о конечных положениях арматуры (запорной и регулирующей), малым энергопотреблением и др.

2.2.5. Регулирующие устройства

На ВПУ применяются четыре вида регулирующих устройств-

- регулирующие клапаны с исполнительным механизмом типа МЭОФ и др. с напряжением питания схем управления ~ 220 В;

- регулирующие клапаны с исполнительными механизмами типа МЗО, МРО с напряжением питания схем управления ~ 220 В или = 24 В в зависимости от мощности;

- насосы-дозаторы с постоянной (нерегулируемой) подачей для импульсного дозирования реагентов с напряжением питания схем управления ~ 220 В;

- насосы-дозаторы с регулируемой подачей с напряжением питания схем управления ~ 220 В.

Блок-схемы управления исполнительными механизмами, насосами и арматурой ВПУ от АСУ ТП приведены в разделе Б.2 приложения Б.

2.2.6. Особенности внедрения АСУ ТП на действующих ВПУ

При создании АСУ ТП для действующих ВПУ необходимо выполнить в схемах насосов установку дополнительных элементов (реле) для обеспечения требований по формированию сигналов обратной связи с АСУ ТП, а также предусмотреть на переходный период внедрение системы двойное управление: от АСУ ТП и управление по существующим схемам.

2.2.7. Размещение устройств управления насосами, запорной и регулирующей арматурой

В состав объекта автоматизации ВПУ, кроме технологических систем, входят элементы электроснабжения СН:

- выключатели вводов рабочего и резервного питания КТП СН - 0,4 кВт;

- выключатели линии питания сборок - 0,4 кВт;

- шкафы управления насосами;

- сборки РТЗО;

- шкафы управления запорной и регулирующей арматурой с электромеханизмами МЗО и МРО - ШУ-60 (в одном шкафу размещается управление 60 шт. ЗО и (или) РК).

На ВПУ с АСУ ТП предусматривается три способа размещения устройств управления:

- шкафы управления насосами, запорной и регулирующей арматурой устанавливаются по месту у оборудования ВПУ. Контроллеры ПТК АСУ ТП с УСО устанавливаются в неоперативном контуре ЩУ ВПУ;

- шкафы управления насосами, запорной и регулирующей арматурой устанавливаются по месту у оборудования ВПУ. Контроллеры ПТК АСУ ТП с УСО устанавливаются также по месту у оборудования. При этом должны быть удовлетворены метрологические характеристики ПТК АСУ ТП ВПУ;

- шкафы управления запорной и регулирующей арматурой и контроллеры ПТК АСУ ТП устанавливаются в неоперативном контуре ЩУ ВПУ. С целью сокращения кабельных связей блоки УСО могут быть размещены в шкафах управления арматурой (см. рисунок 2 вариант 2);

- шкафы с частотными преобразователями насосов рекомендуется устанавливать в непосредственной близости к ним с целью снижения уровня помех.

2.2.8. Контроль параметров ВПУ

Объем контроля параметров ВПУ должен соответствовать РД 34.35.101-88 «Методические указания по объему технологических измерений, сигнализации и автоматического регулирования на тепловых электростанциях».

В качестве датчиков на ВПУ применяются:

- термопреобразователи сопротивления с натуральным сигналом (Ом) - на действующих ВПУ, с видом сигнала 4 ÷ 20 мА постоянного тока - для вновь проектируемых ВПУ;

- датчики давления, уровня, расхода, концентрации химических реагентов, электропроводности, прозрачности, жесткости, рН водной среды с видом сигнала 0 ÷ 5 мА (как правило) на действующих ВПУ, с видом сигнала 4 ÷ 20 мА постоянного тока - для вновь проектируемых ВПУ;

- датчики давления, уровня и расхода с дискретным сигналом типа «сухой контакт».

Перечень применяемых типов датчиков технологических и химических параметров, используемых в АСУ ТП ВПУ, приведены в разделе Б.4 приложения Б.

В процессе проектирования типы датчиков могут быть изменены с соблюдением рекомендаций настоящих Методических указаний, в том числе:

- для аналоговых датчиков предпочтительным является сигнал типа 4 ÷ 20 мА постоянного тока;

- для дискретных датчиков предпочтительным является сигнал типа 0 ÷ 24 В.

При этом предпочтительны датчики с цифровой индикацией измерений.

2.3. Режим работы ВПУ

2.3.1. Водоподготовительная установка предназначена для непрерывной подачи обессоленной (умягченной) воды на подпитку котлов (тепловой сети).

При включенном технологическом оборудовании ВПУ ПТК АСУ ТП должен постоянно находиться в работе (в проектном объеме) и обеспечивать выполнение заданных функций.

Эксплуатационные режимы работы ВПУ подразделяются на:

- нормальные;

- предаварийные;

- аварийные.

2.3.2. При работе ВПУ в нормальном эксплуатационном режиме должны удовлетворяться следующие требования:

- поддержание заданной нагрузки ВПУ и нормативных показателей качества готовой воды, установленных для конкретных параметров пара (давления и температуры) основного оборудования ТЭС или тепловой сети (карбонатный индекс, санитарные нормы и т.п.);

- поддержание заданных значений или соотношений регулируемых параметров;

- поддержание нерегулируемых параметров в заданных пределах;

- выполнение в соответствии с заданной режимной картой работы ВПУ периодических процессов (регенераций фильтров, нейтрализации, приготовления растворов реагентов и т.п.), которые должны обеспечить непрерывную работу ВПУ;

- корректировка режимов работы оборудования по данным химических анализов рабочей среды, полученных с помощью автоматических приборов и выполненных вручную.

2.3.3. Предаварийные режимы вызываются различными причинами, в том числе неисправностями оборудования и арматуры, неисправностями устройств контроля и управления, ошибками оператора и пр.

В условиях предаварийного режима должны быть выполнены следующие требования:

- удержание параметров в пределах, предотвращающих развитие аварии (например, переход на ДУ при отказе регулятора);

- включение резервных механизмов СН или отключение рабочих (например, включение резервного насоса при несрабатывании АВР или отключение перекачивающего насоса при переливе в мернике кислоты и др.).

2.3.4. Аварийные режимы связаны с повреждением оборудования или недопустимым отклонением параметров (например, при несрабатывании защиты по превышению расхода воды на взрыхление фильтра происходит выброс ионита в дренаж или при аварийном превышении электропроводности готовой воды - засолению готовой воды и др.).

При возникновении аварийных режимов должны быть аварийно отключены:

- часть оборудования без потери функционирования ВПУ на заданной или пониженной нагрузке;

- вся ВПУ не более чем на 2 ч (время зависит от запаса готовой воды в БЗК).

2.4. Концепция контроля и управления технологическим оборудованием ВПУ

На ВПУ могут быть реализованы следующие виды контроля и управления:

- основной контроль и управление с ЩУ ВПУ. При этом местные щиты управления и управление по месту (кроме аварийного останова насосов) не предусматриваются;

- автономные системы контроля и управления частью оборудования ВПУ (осветлители, механические фильтры и т.п.), расположенного в удаленных зданиях, и связанные с ПТК АСУ ТП ВПУ;

- аварийный останов насосов ВПУ;

- автономный контроль и управление оборудованием СХР с МЩУ и (или) по месту со связью с ПТК АСУ ТП ВПУ. Автоматизированная система управления технологическими процессами ВПУ управляет насосами, перекачивающими реагенты с СХР и получает информацию об их запасах в баках хранения.

2.4.1. Основной контроль и управление с ЩУ ВПУ

Основной контроль и управление с ЩУ ВПУ должен осуществляться с АРМ ОТ ВПУ с использованием дисплеев, манипуляторов типа «мышь» и функциональных промышленных клавиатур.

Основной контроль и управление с ЩУ ВПУ распространяется на основное оборудование ВПУ (осветлители, фильтры и пр.) и часть оборудования СХР.

2.4.2. Автономные системы контроля и управления, связанные с ПТК

При размещении оборудования ВПУ в удаленных друг от друга зданиях должны предусматриваться автономные СКУ (СКУ осветлителей, СКУ механических фильтров), связанные с ПТК ВПУ (АРМ ОТ), размещенном в здании с ионообменными фильтрами. При реализации полнофункциональных автономных СКУ дежурный персонал может не предусматриваться.

2.4.3. Аварийный останов насосов ВПУ

Аварийный останов насосов ВПУ выполняется по месту (кнопка «Стоп»).

2.4.4. Автономный контроль и управление оборудованием СХР

При размещении СХР в отдельно стоящем, удаленном от ВПУ здании от АСУ ТП управляются насосы, перекачивающие на ВПУ химические реагенты и работающие в составе ФГУ ВПУ. Информация об уровнях в расходных баках СХР и о состоянии отдельных исполнительных устройств также поступает в АСУ ТП ВПУ.

Передача информации с СХР в АСУ ТП ВПУ выполняется посредством системных шин или прямых кабельных связей.

При размещении СХР в одном здании с оборудованием ВПУ объем задач по контролю и управлению СХР может быть расширен за счет выполнения автоматической промывки (ФГУ промывки) фильтров соли, коагулянта, ФГУ приготовлением реагентов рабочей концентрации и др.

2.4.5. Автоматизированное рабочее место ОТ для ВПУ большой производительности

Два АРМ ОТ и более должны предусматриваться для крупных ВПУ с большим количеством оборудования, с размещением в одном здании различных схем обработки воды (обессоливающая установка, установка подготовки воды для тепловой сети и др.).

При размещении основного оборудования ВПУ, требующего дежурного обслуживания, в отдельных удаленных друг от друга зданиях предусматриваются отдельные АРМ:

- АРМ ОТ-1 - ВПУ I;

- АРМ ОТ-2 - ВПУ II

или:

- АРМ ОТ-1 - ионообменных фильтров со вспомогательным оборудованием (главный пост управления);

- АРМ аппаратчика механических фильтров и осветлителей, которое может не предусматриваться при выполнении полнофункциональной системы управления и высокой надежности (на уровне надежности СКУ) запорной арматуры с приводом.

Пример структурной схемы АСУ ТП ВПУ, выполненной по схеме обессоливания речной воды на 3800 входов/выходов информации, приведен на рисунке 3.

Примечания

1. Архивная станция может быть совмещена с АРМ НС ХЦ.

2. В качестве контроллеров показаны контроллеры ЗАО «Текон».

Рисунок 3 - Структурная схема АСУ ТП ВПУ, выполненной по схеме обессоливания речной воды на 3800 входов/выходов информации

3. СТРУКТУРА И ФУНКЦИОНИРОВАНИЕ АСУ ТП ВПУ

3.1. Функциональная структура ПТК АСУ ТП ВПУ

Функциональная структура ПТК АСУ ТП ВПУ должна состоять из взаимосвязанных подсистем, которые классифицируются по исполняемым функциям:

- сбора и первичной обработки значений технологических параметров и состояния исполнительных механизмов насосов, запорной и регулирующей арматуры;

- ручного ввода параметров, необходимых для выполнения расчетов в составе ФГУ, формирования ведомостей и расчета ТЭП;

- графического отображения состояния технологического оборудования, исполнительных механизмов насосов, запорной и регулирующей арматуры;

- предупредительной и аварийной сигнализации отклонения от задания технологических параметров и нарушений хода программ ФГУ;

- регистрации значений технологических параметров и хода программ ФГУ;

- автоматического регулирования;

- функционально-группового управления процессами регенерации фильтров, приготовления и подачи химических реагентов, нейтрализации сбросов ВПУ и т.п.;

- технологических блокировок, АВР насосов;

- технологических защит;

- дистанционного управления исполнительными механизмами насосов, вентиляторов, запорной и регулирующей арматуры, а также отдельными операциями ФГУ (пооперационное управление регенерацией фильтров: взрыхление, пропуск кислоты и т.п.);

- обработки приоритетов и формирования выходных команд управления исполнительными механизмами насосов и арматуры;

- обеспечение связи АРМ НС и АРМ ОТ с АСУ ТП станции.

3.2. Описание структурной схемы АСУ ТП ВПУ

3.2.1. На ЩУ ВПУ в оперативном контуре управления располагается АРМ ОТ, с которого осуществляется контроль и управление оборудованием установки.

Автоматизированное рабочее место ВПУ должно иметь системную связь с АРМ НС ХЦ и АРМ инженера АСУ. Автоматизированное рабочее место НС ХЦ должно иметь системную связь с АРМ аппаратчика БОУ, АРМ ЭЛ и АРМ оперативного персонала других цехов электростанции, связанных технологическими режимами с химическим цехом. Объем информации, поступающей на АРМ НС ХЦ, должен быть достаточным для оперативного ведения водно-химического режима станции. В неоперативном контуре ЩУ ВПУ должно быть размещено АРМ инженера АСУ для обслуживания ПТК АСУ ТП ВПУ: конфигурирования, отладки ПО и др.

Обобщенная структурная схема АСУ ТП ВПУ показана на рисунках 4 и 5.

Рисунок 4 - Обобщенная структурная схема АСУ ТП ВПУ

Рисунок 5 - Структурная схема АСУ ТП ВПУ

3.2.2. Автоматизированное рабочее место ОТ должно содержать:

- не менее двух (количество зависит от производительности ВПУ, топографии размещения оборудования и др.) дублирующих рабочих станций, обеспечивающих функционирование АРМ ОТ;

- не менее двух цветных графических дисплеев размером не менее 21 дюйма;

- функциональную клавиатуру;

- устройства координатного указания (мышь) в промышленном исполнении.

3.2.3. Одна из рабочих станций АРМ ОТ должна выполнять функцию вывода сигнальной видео- и аудиоинформации. Программные средства рабочих станций должны обеспечивать оперативное назначение конкретной станции для выполнения функций сигнальной станции.

Автоматизированное рабочее место ОТ выполняет следующие функции:

- обработку команд оперативного ДУ технологическим оборудованием, поступающих от ОТ и передача их в контроллеры;

- отображение состояния технологического оборудования, значений технологических параметров, событий функции ПАС;

- отображение состояния задач управления (включение/выключение, ввод/вывод, срабатывание, переключение режимов и др.);

- отображение информации о ходе и результатах выполнения программ ФГУ.

3.2.4. На верхнем уровне АСУ ТП в зоне неоперативного контура ЩУ ВПУ устанавливаются рабочие станции АРМ НС ХЦ и инженера АСУ ТП.

3.2.5. Автоматизированное рабочее место НС ХЦ должно быть оснащено:

- рабочей станцией;

- цветным графическим дисплеем с размером экрана 21 дюйм;

- унифицированной клавиатурой;

- устройством координатного указания типа «мышь»;

- лазерным принтером формата А4.

3.2.6. Автоматизированное рабочее место НС ХЦ выполняет следующие функции:

- отображение состояния технологического оборудования на видеограммах фрагментов технологической схемы в объеме, достаточном для обобщенного контроля функционирования оборудования ВПУ, БОУ и другого оборудования, связанного с химическим цехом;

- отображение информации о событиях технологической сигнализации, работе задач ТЗ и ТБ, о ходе и результатах выполнения программ ФГУ.

3.2.7. Автоматизированное рабочее место инженера АСУ должно быть оснащено:

- рабочей станцией;

- цветным графическим дисплеем с размером экрана 21 дюйм;

- унифицированной клавиатурой;

- устройством координатного указания типа «мышь»;

- лазерным черно-белым принтером формата А4.

3.2.8. Автоматизированное рабочее место инженера АСУ выполняет следующие функции:

- отображение состояния технологического оборудования ВПУ;

- отображение информации о состоянии и работоспособности компонентов ПТК АСУ ТП;

- отображение подробной информации о состоянии и работоспособности оборудования АСУ ТП, установленного по месту;

- ручное санкционированное включение/выключение задач ТЗ и ТБ;

- предоставление программного аппарата для проведения режимной наладки автоматических регуляторов;

- ручное изменение следующих настроечных параметров задач:

коэффициентов настройки автоматических регуляторов;

скорости хода исполнительных устройств;

параметров настройки фильтров входных аналоговых сигналов;

- формирование информации, сохраняемой на сервере базы данных АСУ ТП, и вывод на печать протоколов по запросу пользователей.

3.2.9. Автоматизированная система управления технологическим процессом ВПУ должна иметь иерархическое трехуровневое построение, при котором верхний и средний уровень ПТК построены на компьютерном оборудовании и функционируют в локальной вычислительной сети, а нижний уровень обеспечивает ее связь с технологическим оборудованием (см. рисунок 5).

Нижний уровень системы образуют датчики с нормированным выходом (исключение - датчики температуры), датчики непосредственного контроля и прямого действия, контактные концевые выключатели арматуры (или бесконтактные преобразователи информации о конечных положениях арматуры), контактные реле, органы местного управления, в том числе аварийные кнопки.

Нижний уровень системы должен быть построен таким образом, чтобы была обеспечена возможность ремонта, опробования механизмов без связи с верхними уровнями АСУ и аварийного оперативного отключения механизма в случае отказа среднего и верхнего уровней системы.

Для входных аналоговых сигналов предпочтительным является сигнал 4 ÷ 20 мА, для дискретных - 0 ÷ 24 В.

Оборудование ВПУ должно быть разделено на функциональные группы по технологическому принципу.

Установка обессоливания речной воды производительностью - 200 т/ч может состоять из следующих ФГО:

- осветлителей 1, 2;

- баков БИВ-1, 2, БРВ, БШВ с перекачивающими рабочую среду насосами;

- мерников коагулянта с дозирующими устройствами;

- мерников полиакриламида с дозирующими устройствами;

- мерников щелочи для осветлителей с дозирующими устройствами;

- мерников щелочи для тепловой сети с дозирующими устройствами;

- механических фильтров (с оборудованием узла промывки общего для МФ 1 - 5);

- блоков фильтров обессоливания (всего 3 блока);

- регенерационного узла кислоты для БФ 1 - 3;

- регенерационного узла щелочи для БФ 1 - 3;

- баков-нейтрализаторов 1, 2;

- ячеек (1, 2, 3) и баков (1, 2) коагулянта с перекачивающими насосами;

- баков щелочи СХР с перекачивающими насосами;

- баков кислоты СХР с перекачивающими насосами;

- ячеек (1, 2, 3) и баков соли с перекачивающими насосами;

- ячеек (1, 2) извести с перекачивающими насосами;

- приямков СХР.

Размещение в шкафах схем управления запорной и регулирующей арматур должно быть выполнено по технологическому принципу и соответствовать делению на ФГО.

Средний уровень системы в структуре АСУ ТП представляет собой микропроцессорные контроллеры в составе локальной вычислительной сети Ethernet АСУ ТП и обеспечивает:

- прием и аналого-цифровое преобразование сигналов, поступающих с нижнего уровня;

- формирование пакетов этой информации и передачу их по локальной сети на верхний уровень;

- выполнение программ контроля и управления, в том числе автоматического регулирования, блокировки и АВР;

- прием с верхнего уровня сети и преобразование цифровых сигналов в аналоговые и релейные в соответствии с заданными алгоритмами;

- передачу команд на объект управления.

На среднем уровне реализуются функции ТБ и ДУ наиболее ответственными ИМ, а также АР и ТЗ АСУ ТП ВПУ. Оборудование среднего уровня должно быть приспособлено к условиям окружающей среды в месте установки (у технологического оборудования или на ЩУ ВПУ).

Размещение модулей ввода/вывода в шкафах контроллеров должно соответствовать делению на ФГО, принятые для шкафов управления арматурой.

В таблице 1 приведено количество исполнительных устройств и входных/выходных сигналов ПТК АСУ ТП для ВПУ с разным набором оборудования, оснащенной арматурой с электроприводами МЗО и МРО.

Верхний уровень системы предназначен для реализации алгоритмов ФГУ технологическим оборудованием и связанными с ним ДУ и ТБ исполнительных устройств, алгоритмов расчетного характера, а также для формирования поста оперативного управления ВПУ. Верхний уровень должен иметь необходимую вычислительную мощность и мониторы с экранами достаточно большого формата.

Таблица 1 - Количество исполнительных устройств и входных/выходных сигналов ПТК АСУ ТП ВПУ (пример)

1.1. Количество исполнительных устройств

Наименование устройств

Питание схемы управления

Количество

Запорная арматура (МЗО)

~ 220 В/= 24 В

518

Регулирующие устройства:

регулирующий клапан (МРО)

~ 220 В/= 24 В

30

насосы-дозаторы с частотным регулированием (НД)

~ 220 В

14

Механизмы собственных нужд

~ 220 В

44

Итого

606

1.2. Количество входных/выходных сигналов

Категория сигнала

Тип сигнала

Количество

Аналоговые входные сигналы

Унифицированный токовый сигнал от датчиков контроля и ПЧ насосов-дозаторов

4 ÷ 20 мА

106 (99)

Унифицированный токовый сигнал:

4 ÷ 20 мА

от УП

30

от термосопротивлений

2

Итого

138 (131)

Аналоговые выходные сигналы

Команды управления НД

4 ÷ 20 мА

14 (7)

Итого

14 (7)

Дискретные входные сигналы

«Сухой» контакт

= 24 СК

1940

Итого

1940

Дискретные выходные сигналы

Команды управления МСН

~ 220 В

116

Команды управления ЗО

= 24 В

1036

Команды управления РО

= 24 В

60

Итого

1212

Всего сигналов

3304 (3290)

Примечание - В скобках указано количество сигналов при использовании одного преобразователя частоты (ПЧ) для управления двумя (основным и резервным) насосами-дозаторами.

3.3. Требования к надежности АСУ ТП ВПУ

Требования к показателям надежности устанавливаются в соответствии с ГОСТ 24.701-86 «Единая система стандартов автоматизированных систем управления. Надежность автоматизированных систем управления. Основные положения».

Надежность системы (включая надежность периферийных устройств) должна обеспечить техническое обслуживание ее в одну дневную смену.

3.4. Требования к АСУ ТП ВПУ по безопасности, эргономике и технической эстетике, эксплуатации, защите информации от несанкционированного доступа, сохранности информации при авариях, стандартизации и унификации

Эти требования являются общими для промышленных систем, кроме указанных в настоящих Методических указаниях и должны быть выполнены при их создании.

3.4.1. Технические средства АСУ ТП с размещением их непосредственно у оборудования должны надежно работать в условиях следующих характеристик окружающей среды:

- для отдельно стоящего здания:

температура окружающего воздуха +10 ÷ +30 °С;

влажность окружающего воздуха до 100 % при температуре +35 °C; содержание химически активных веществ: кислоты до 1 мг/м3, едкого натра до 0,5 мг/м3;

запыленность воздуха до 4 ÷ 6 мг/м3;

- при размещении ВПУ в главном корпусе (машзал, отметка 0) близость мощных источников и потребителей электроэнергии, характерная для машзала (генераторы и возбудители, высоковольтные электродвигатели с их коммутационной аппаратурой), создает возможность дополнительного влияния электромагнитных полей и более высокой температуры окружающего воздуха на функционирование устройств АСУ ТП, установленных у оборудования ВПУ:

температура окружающего воздуха +10 ÷ +40 °C;

вибрация в диапазоне частот 0,5 ÷ 50 Гц с амплитудой 0,15 мм (группа № 1);

внешние магнитные поля постоянного и переменного тока с частотой 50 Гц и напряженностью до 400 А/м;

внешние электрические поля напряженностью до 10 ± 1 кВ/м.

3.4.2. Основным источником электропитания технических средств АСУ ТП ВПУ должна быть трехфазная сеть переменного тока напряжением ~ 380/220 В, частотой 50 Гц, выполненная с резервированием от двух источников (например, разные секции РУСН 0,4 кВ).

При потере электропитания от одного источника и последующем восстановлении (АВР питания) не должны выдаваться ложные команды или ложная информация.

При проектировании должны быть обеспечены меры по резервированию электропитания переменного напряжения. Верхний и средний уровень должны быть оснащены аварийными источниками электропитания типа UPS, время поддержки (не менее 2 мин) предотвратит потерю оперативных данных и прекращение функционирования системы на время подключения стационарного источника бесперебойного питания.

4. ФУНКЦИИ АСУ ТП ВПУ

4.1. Общесистемные функции

К общесистемным функциям относятся:

- опрос и первичная обработка информации от аналоговых и дискретных источников;

- контроль достоверности входной информации;

- формирование команд управления;

- контроль реализации команд управления;

- непрерывный автоматический контроль функционирования устройств ПТК АСУ ТП;

- сбор и обработка данных о состоянии и функционировании технических и программных средств ПТК АСУ ТП;

- обеспечение связи АРМ ОТ ВПУ с АРМ НС ХЦ по цифровым линиям связи.

4.2. Информационные функции

К информационным функциям относятся:

- технологическая предупредительная и аварийная сигнализация;

- отображение информации на АРМ ОТ ВПУ;

- регистрация информации (сохранение в системном архиве), в том числе регистрация аварийных событий;

- автоматическое ведение документации.

4.3. Управляющие функции

К управляющим функциям относятся:

- дистанционное управление исполнительными механизмами насосов, вентиляторов, запорной и регулирующей арматуры, входящих в состав АСУ ТП;

- технологические защиты оборудования ВПУ;

- технологические блокировки (в том числе АВР насосов);

- автоматическое регулирование технологических и химических параметров;

- программно-логическое управление регенерациями разнофункциональных фильтров и другими процессами ВПУ.

4.4. Требования к общесистемным функциям

4.4.1. Циклы (периоды) опроса и первичной обработки входной информации

Циклы опроса и первичной обработки входной информации должны быть следующими:

- 0,1 ÷ 1,0 с для всех (кроме аналоговых датчиков температуры) аналоговых и дискретных (в том числе сигналы обратной связи из схем управления ИМ, от ключей и кнопок) датчиков технологических параметров;

- 1,0 ÷ 20,0 с для сигналов от аналоговых датчиков температуры.

4.4.2. Формирование команд управления

Команды управления ИМ должны формироваться в соответствии с уровнями приоритетов:

- команды от ключей (кнопок) аварийного отключения насосов (вентиляторов) (наивысший приоритет);

- команды ТЗ должны формироваться с запретом противоположного действия;

- команды блокировок в режиме нормальной эксплуатации ВПУ, формирующих команды по изменению состояний ИМ и команды ДУ ИМ с АРМ ОТ;

- команды ФГУ процессами регенерации фильтров и другими процессами.

4.4.3. Временные характеристики при формировании команд управления

При формировании команд управления используются следующие временные характеристики:

- для ДУ и ФГУ:

максимальная задержка прохождения команды от кнопки виртуального блока управления до ИМ - не более 1 с;

максимальная задержка от момента нажатия ОТ кнопки виртуального блока управления до получения подтверждающей информации на дисплее АРМ ОТ - не более 2 с;

- для ТЗ:

максимальная задержка прохождения команды от задачи защиты до ИМ - не более 0,1 с;

- для АР:

диапазон изменения длительности управляющего импульса - 0,1 ÷ 3,0 с;

дискретность изменения длительности управляющего импульса - 0,05 с;

минимальное значение паузы между управляющими импульсами - 0,2 с.

4.5. Требования к информационным функциям

4.5.1. Технологическая предупредительная и аварийная сигнализация

Весь массив событий ПАС должен быть разделен на следующие категории:

- сообщения аварийной технологической сигнализации                      - АС1;

- сообщения предупредительной технологической сигнализации      - ПС1;

- сообщения о срабатывании ТЗ                                                               - АС2;

- сообщения о срабатывании ТБ                                                               - ИС1;

- сообщения об автоматическом отключении задач                               - ИС2;

- сообщения об отказах измерительных каналов                                    - ДС1;

- сообщения об отказах ИМ                                                                      - ДС2;

- сообщения об отказах ПТК                                                                     - ДС3.

Перечень категорий событий ПАС должен быть уточнен на этапе разработки алгоритмического обеспечения функции.

4.5.1.1. В качестве основного технического средства сигнализации на АРМ ОТ должны использоваться «активные» дисплеи АРМ ОТ.

Одна из рабочих станций АРМ ОТ должна выполнять функцию вывода сигнальной видео- и аудиоинформации. Программные средства рабочих станций должны обеспечивать оперативное назначение конкретной станции для выполнения функций сигнальной станции.

Звуковой системой оповещения должны оснащаться две рабочие станции АРМ ОТ. Одна из них должна выполнять функции сигнальной станции штатно, другая должна быть предназначена для резервирования при отказе первой. Остальные рабочие станции АРМ ОТ должны обеспечивать вывод визуальной информации функции ПАС без звукового сопровождения.

Звуковая сигнализация должна выводиться только с одной из двух предназначенных для этого станций.

4.5.1.2. Функция технологической ПАС должна быть реализована с применением принципа «темного табло», т.е. должны сигнализироваться только те события, появление которых правомерно по технологическим условиям работы оборудования.

Для этой цели должен быть реализован автоматический ввод/вывод функций сигнализации по состоянию технологического оборудования и (или) значениям параметров сред.

4.5.1.3. Сигналы технологической ПАС (категории АС1 и ПС1) должны иметь зону гистерезиса на отключение.

4.5.1.4. События ПАС категорий АС1, АС2, ПС1 должны отображаться на сигнальном дисплее АРМ ОТ с помощью индивидуальных или групповых индикаторов (виртуальных табло сигнализации).

4.5.1.5. События ПАС категорий ИС1, ИС2, ДС1, ДС2 должны отображаться на сигнальном дисплее с помощью обобщенных индикаторов, количество которых соответствует количеству категорий событий.

4.5.1.6. Появление каждого нового события должно отображаться мигающим цветом индикаторов, после квитирования сообщений до полного исчезновения события (всех событий группы) индикатор должен быть окрашен немигающим цветом, соответствующим категории события.

4.5.1.7. Дополнительным средством информирования оператора о возникающих и действующих событиях функции ПАС должны быть видеограммы, отображающие в табличной форме текстовые сообщения, в краткой форме формулирующие суть события. Текстовые сообщения должны быть сгруппированы для вывода в таблицы в соответствии с их принадлежностью к той или иной категории событий.

Управление выводом таблиц текстовых сообщений должно производиться с помощью виртуальных кнопок, одновременно выполняющих функции индикаторов появления событий каждой из категорий. Количество кнопок должно соответствовать количеству категорий событий.

4.5.1.8. При нажатии на любую из кнопок-индикаторов должна вызываться видеограмма с таблицей, имеющая три закладки - новые события, действующие события, архив событий.

4.5.1.9. Сообщения на страницах новых событий должны сохраняться (и накапливаться при возникновении новых) независимо от текущего состояния события, вызвавшего формирование сообщения, до момента ознакомления с ними оператора (квитирования событий).

4.5.1.10. После квитирования до исчезновения события, вызвавшего формирование сообщения, текстовые сообщения о событиях переносятся на страницу действующих событий и сопровождаются меткой времени квитирования события.

4.5.1.11. После квитирования при исчезновении события, вызвавшего формирование сообщения, оно должно переноситься со страницы действующих событий на страницу локального архива событий и сопровождаться меткой времени исчезновения события. В локальном архиве сообщения должны сохраняться в течение не менее 8 ÷ 12 ч.

4.5.1.12. События категорий АС1, ПС1, ДС1, ДС2 должны дополнительно отображаться на видеограммах фрагментов технологической схемы изменением цвета индикаторов параметров и ИМ.

Неквитированные оператором события категорий АС1 и ПС1 должны отображаться мигающим цветом (желтым - для ПС1, красным - для АС1), после квитирования мигание должно выключаться, цвет индикатора должен соответствовать текущему состоянию параметра: красный, если параметр находится в зоне аварийных уставок; желтый, если параметр находится в зоне предупредительных уставок.

4.5.1.13. Появление событий ПАС всех категорий должно сопровождаться формированием звукового сигнала. Длительность сигнала определяется категорией события: для категорий АС1, АС2, ПС1 она должна составлять 5 ÷ 10 с, для категорий ИС1, ИС2, ДС1, ДС2 - не более 1 ÷ 2 с. Тональность сигнала должна определяться категорией события. Квитирование события должно отменять текущие звуковые сигналы всех категорий.

4.5.1.14. Квитирование мигания индикаторов событий ПАС должно производиться посредством вызова оператором страниц новых событий (отдельно для каждой категории событий). Квитирование звуковых сигналов может производиться специальной виртуальной кнопкой на сигнальном дисплее.

4.5.1.15. На каждом АРМ должна быть предусмотрена функция маскирования сигналов разных категорий для реализации целевого вывода сообщений, соответствующих возложенным на соответствующее АРМ функциям. «Включение/выключение» вывода категорий событий на АРМ должно производиться средствами этого АРМ; одновременно для АРМ оперативного контура и для отдельных АРМ неоперативного контура должен быть обеспечен обязательный (неотключаемый) вывод категорий событий, обязательных для данного АРМ и соответствующих выполняемым им функциям.

4.5.1.16. Все сообщения ПАС (появление события, квитирование его оператором, исчезновение события) должны регистрироваться в архиве системы с метками времени их возникновения.

4.5.2. Отображение информации на АРМ ОТ ВПУ

4.5.2.1. Дисплейный операторский интерфейс реализуется в форме активных мнемосхем:

а) видеокадры всей ВПУ со следующей информацией:

- измерения основных технологических и химических показателей процессов, разнесенных по группам оборудования (уровни в баках, мерниках, расходы среды на основных потоках и т.п.);

- обозначения состояния оборудования на основных потоках рабочей среды (насос «Включен/Выключен», РК «Открыт на ... %» и т.п.), режимов ФГУ («Работа», «Резерв», «Регенерация», «Заполнение мерника», «Нейтрализация» и т.п.);

- сигнализации отклонений от нормы параметров и срабатывания защит, блокировок и АВР насосов (вентиляторов) в виде обобщенной цветосигнализации для групп оборудования и текстовых сообщений;

б) видеокадры ФГО. Деление технологической схемы на мнемосхемы (видеокадры) должно соответствовать группам оборудования, на которые по технологическому принципу разделена ВПУ.

В обобщенном виде ВПУ делится на следующие ФГО:

- осветлители;

- фильтры;

- склад химреагентов.

Пример деления конкретной ВПУ на ФГО и объем информации по ФГО показан на рисунке 6;

Примечание - На среднем уровне АСУ ТП установлены контроллеры ЗАО «Текон».

Рисунок 6 - Объем информации АСУ ТП ВПУ по ФГО (пример ВПУ для подпитки тепловой сети)

в) видеокадры выбора режимов работы насосов и хода выполнения ФГУ.

При работе ФГУ на видеокадре должны:

- выделяться технологические линии одной или нескольких одновременно выполняемых операций ФГУ;

- выдаваться текстовое сообщение о состоянии ФГУ («Работа», «Заполнение» и т.п.) с отчетом по шагам (ход программы ФГУ с перечнем операций, индикацией их выполнения либо отказа);

- обозначаться текущее и заданное время выполняемой операции (если операция выполняется по времени) или текущее значение параметра, по которому запрограммировано окончание операции (количество воды или реагента в м3, значение электропроводности и т.п.); рекомендуется представление этой информации выполнять в виде гистограмм;

- предусматриваться ручной ввод параметров, участвующих в расчетах в составе ФГУ для оперативного их изменения (расхода реагента на регенерацию, концентрации раствора в мернике и т.п.);

- обозначаться все технологические связи данного видеокадра с другим оборудованием и арматура без привода.

Пример видеокадра Na-катионитного фильтра с отчетом о работе ФГУ показан на рисунках 7 и 8.

4.5.2.2. Быстродействие функций отображения оперативной информации:

- полная смена кадра на экранах видеодисплея - не более 4,0 с;

- период обновления информации на экране видеодисплея - не более 2,0 с;

- задержка с момента вызова информации на экран видеодисплея до начала вывода на экран - не более 1,0 с.

4.5.3. Регистрация информации, в том числе регистрация аварийных событий

4.5.3.1. Функция должна обеспечивать такие виды регистрации как:

- регистрация значений всех технологических параметров, вводимых в систему;

- регистрация состояний всех источников дискретных сигналов, вводимых в систему;

- регистрация состояния ИМ (обработанные значения);

- регистрация состояния ТЗ;

- регистрация состояния ТБ;

- регистрация состояния АР;

- регистрация действий оператора по ДУ ИМ с пульта АРМ ОТ и с местных пультов управления;

- регистрация действий пользователей по управлению состояниями задач с АРМ ОТ и АРМ инженера АСУ ТП;

- регистрация событий функции ПАС;


Рисунок 7 - Видеокадр Na-катионитного фильтра


Рисунок 8 - Отчет о работе ФГУ

- регистрация времени наработки вращающихся механизмов;

- регистрация времени наработки ВПУ;

- регистрация невыполнения команд управления ИМ;

- регистрация сообщений функции диагностики состояния датчиков параметров;

- регистрация сообщений функции диагностики состояния ПТК.

4.5.3.2. Информация из массивов системного архива должна представляться пользователям по запросу в виде протоколов или графиков изменения параметров, которые могут быть выведены для просмотра на АРМ инженера АСУ ТП или распечатаны на принтере, подключенном к АРМ.

4.5.3.3. Для обеспечения быстрого доступа оператора к ретроспективной информации, касающейся его непосредственной текущей деятельности, должен быть реализован локальный архив рабочей станции АРМ ОТ. В локальном архиве регистрируются значения технологических параметров в течение не более 10 ч.

В локальном архиве должны регистрироваться только значения технологических параметров, назначенных в наборы параметров для отображения их в виде графиков или таблиц.

В локальном архиве должны сохраняться все значения упомянутых параметров с минимальным интервалом 1,0 с.

Архив должен быть организован в виде кольцевого массива, т.е. при переполнении массива следующее значение записывается на место первого значения в массиве.

Доступ к информации локального архива должен осуществляться только с АРМ ОТ путем отображения сохраненной информации в виде графиков или таблиц.

4.5.3.4. Основной архив системы должен быть реализован с применением двух компьютеров, работающих в режиме «горячего» резервирования функций.

В основном архиве должна сохраняться информация об изменениях параметров, состояний исполнительных механизмов или задач, состояний дискретных переменных.

Основной архив должен быть организован в виде массива (файла) заданного размера.

Длительность сохранения информации в одном файле должна быть не менее 10 сут.

После заполнения текущий файл должен закрываться и автоматически открываться новый. Заполненный массив должен автоматически переписываться на магнитооптический диск, при этом подсистема регистрации должна автоматически присваивать уникальное имя файлу, формировать его сигнатуру (цифровую подпись) для защиты содержимого массива от модификации и вести библиотеку томов.

4.5.3.5. Должен быть реализован механизм защиты информации архива от несанкционированной модификации. Информация не должна теряться и (или) искажаться в случаях нарушений электропитания. Должна обеспечиваться защита от возможных искажений при любых операциях с любого АРМ.

4.5.4. Автоматическое ведение документации

4.5.4.1. Программный аппарат функции должен обеспечивать автоматическое формирование отчетов по заданным формам (протоколам, ведомостям) по запросу пользователя или на момент окончания рабочей смены для последующей печати этих отчетов на системных принтерах.

4.5.4.2. Должны формироваться следующие виды протоколов:

а) протоколы, обеспечивающие анализ работы технологического оборудования за сутки (смену), т.е. суточная (сменная) ведомость основных технологических параметров.

Суточные ведомости контроля работы ВПУ (по стадиям обработки воды) по данным автоматических измерений параметров с помощью датчиков температуры, давления, расхода, уровня и химического контроля и по данным ручного ввода параметров, измерение которых не обеспечено средствами автоматического контроля (Ж, Що, Щфф, прозрачность и т.п.).

По данным автоматических измерений система должна выполнить расчет их интегральных значений; по данным ручного ввода - расчет средних значений за смену, сутки.

Сменные значения переменных рассчитываются непрерывно в течение всей смены и служат основой для расчета суточных показателей.

Ведомости регенераций каждого фильтра, в которую внесены результаты расчетов количества воды на собственные нужды (отмывку и т.п.), емкости поглощения, удельных расходов воды и реагентов и других показателей.

На основании ведомостей отдельных регенераций система должна формировать сводную ведомость регенераций;

б) протоколы, обеспечивающие анализ действий автоматики в течение смены или за заданный период;

в) протоколы, обеспечивающие анализ возникновения внештатных ситуаций в течение смены или за заданный период;

г) протоколы, обеспечивающие анализ действий персонала в течение смены или за заданный период;

д) протоколы, обеспечивающие анализ работы оборудования за заданный период;

е) протоколы, обеспечивающие анализ состояния автоматики на конец смены или на заданный момент времени;

ж) протоколы регистрации аварийных ситуаций, обеспечивающие анализ состояния оборудования и действий автоматики при выяснении причин срабатывания ТЗ и формирующиеся по специальному алгоритму.

4.5.4.3. Заполнение протоколов должно производиться на основе выходных данных функции регистрации.

Протоколы, отражающие изменения значений параметров или состояний ИМ и задач, в первой строке таблицы должны содержать значения (состояния), действовавшие на момент времени, указанный как начало периода формирования протокола (т.е. срез состояний на начальный момент).

Информация в протоколах должна разделяться по ФГО ВПУ.

Пользователи должны иметь возможность задавать форму и содержание дополнительных протоколов (в дополнение к стандартным формам протоколов) для получения необходимой информации.

Протоколы, сформированные в процессе работы функции автоматизированного ведения оперативной документации, должны храниться на сервере архива не менее 5 сут.

Формы отчетных документов по работе оборудования ВПУ в качестве примера приведены в разделе В.1 приложения В.

4.5.5. Расчет оперативных технико-экономических показателей

4.5.5.1. Алгоритм этой функции должен предусматривать оперативный 15 минутный расчет ТЭП и вывод их по вызову ОТ на экран дисплея.

4.5.5.2. Функция предназначена для расчета ТЭП ВПУ с целью:

- оперативного анализа и корректировки режима работы оборудования оперативным персоналом ВПУ;

- анализа работы оборудования эксплуатационным персоналом ВПУ;

- составления отчетных форм об экономичности работы ВПУ.

4.5.5.3. В составе функции должны решаться следующие задачи:

- подготовка массивов информации для расчета ТЭП;

- расчет ТЭП ВПУ.

4.5.5.4. Функция должна формировать выходную информацию в виде:

- видеограмм на АРМ ОТ, отражающих основные текущие параметры экономичности работы оборудования;

- протоколов, содержащих основные параметры экономичности работы оборудования за смену и за сутки.

Объем расчетов ТЭП для ВПУ обессоливания и тепловой сети в качестве примера показан в разделе В.3 приложения В.

4.6. Требования к управляющим функциям АСУ ТП ВПУ

4.6.1. Дистанционное управление исполнительными механизмами насосов, вентиляторов, запорной и регулирующей арматуры, входящих в состав АСУ ТП ВПУ

Дистанционное управление ИМ должно выполняться:

- с АРМ ОТ;

- в аварийных режимах с местных щитов управления насосами (останов насоса).

Информация от кнопок аварийного останова должна поступать в АСУ ТП для регистрации и архивирования.

4.6.1.1. Дистанционное управление программой ФГУ

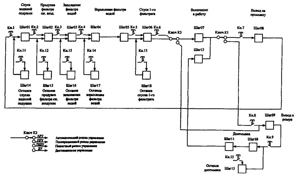
Программа ФГУ имеет пошаговую структуру и представляет собой повторяющийся цикл, команду на выполнение которого дает ОТ или АСУ ТП ВПУ. Схема алгоритма управления механическими фильтрами приведена на рисунке 9.


Рисунок 9 - Схема алгоритма управления механическими фильтрами


Как показано на схеме программы могут выполняться в автоматическом (АРУ), пошаговом (ПШУ) или в пооперационном (ПРУ) режимах управления.

Предусмотрено ДУ ИМ.

При ДУ ИМ ключ К2 устанавливается в положение «ДУ».

Для пуска программы в АРУ необходимо ключ К2 установить в положение «АРУ» и нажать кнопку «Пуск».

При выполнении программы в АРУ, если выполнены определенные условия и нет команды запрета, взводится память шага, формируются команды на ИМ, логические команды внутри шага, команды сигнализации. При выполнении всех условий шаг считается выполненным и происходит автоматический переход к последующему шагу, если нет запрета на его выполнение. Сброс предыдущего шага и его контрольного времени происходит от последующего выполняемого шага.

При невыполнении команд шага за контрольное время шага или за время, необходимое для выполнения определенных команд, а также при отсутствии других условий выполнения шага, программа останавливается и формируются команды сигнализации, определяющие неисправность. Продолжение выполнения программы возможно после устранения причин, вызвавших ее останов.

В ПРУ после выбора шага, если для этого шага нет условий, разрешающих его выполнение, производится сигнализация отсутствующих условий. Можно запустить выбранный шаг, если нет запрета выполнения шага. После выполнения шага программа останавливается.

Для пуска программы в ПШУ необходимо:

- ключ К2 установить в положение ПШУ;

- выбрать нужный шаг;

- нажать кнопку «Пуск».

Можно запустить программу в ПРУ, а затем перейти к АРУ для чего после пуска программы необходимо ключ К2 установить в положение «АРУ».

Можно запустить программу в АРУ, затем перейти в ПРУ, тогда программа должна остановиться на том шаге, который был выбран в ПРУ.

Дистанционный режим работы ФГУ предусматривается для:

- ввода ФГУ в работу в автоматическом режиме;

- аварийного останова ФГУ;

- ввода ФГУ группой шагов, достаточных для выполнения технологически законченной (автономной) операции, например, «Пропуск кислоты» или «Рециркуляция в баках-нейтрализаторах» и т.п. При этом останов программы по завершении операции выполняется автоматически;

- ввода ФГУ в работу в пошаговом режиме. По окончании программы шага останов выполняется автоматически.

4.6.1.2. Автоматический режим ФГУ

Автоматический режим работы ФГУ периодическими процессами ВПУ предусматривается как основной. Переход на дистанционное пооперационное управление выполняется в условиях технологической необходимости; пошаговое управление применяется при поиске неисправностей и пусконаладочных работах.

4.6.2. Технологические блокировки

В функции ТБ должна предусматриваться возможность санкционированного ручного включения/выключения блокировки с АРМ ПТК.

Задачи АВР МСН являются разновидностью блокировок. Оператор-технолог должен управлять включением/выключением АВР посредством назначения режимов работы МСН «Рабочий», «Резервный», «Выключен (в ремонте)». Переключение режимов работы МСН должно производиться до включения двигателя МСН (для ФГУ - до начала работы).

В АСУ ТП ВПУ должны быть предусмотрены следующие автоматические блокировки насосов:

- запрет пуска насоса или его аварийного включения при минимальном уровне в выбранном оператором баке (мернике) переключателем выбора;

- запрет пуска насоса при закрытой линии всаса или открытой напорной линии (пуск центробежного насоса должен осуществляться на закрытую задвижку в отличие от поршневых насосов-дозаторов, которые включаются только на открытую напорную линию). При этом открытой считается линия, на которой открыты все последовательно установленные задвижки, а закрытой - линия, на которой закрыта хотя бы одна из последовательно установленных задвижек;

- аварийное отключение насоса, если через 2 мин после его пуска напорная линия не открылась либо расход остается вблизи нулевого значения;

- автоматическое открытие задвижки на всасе насоса и задвижки на выходе из выбранного бака (мерника) после того, как осуществлен выбор рабочего насоса (переключателем выбора режима насоса) и выбор бака (мерника);

- автоматическое закрытие напорной задвижки после выбора насоса рабочим;

- автоматическое закрытие задвижек по факту отключения рабочего насоса (согласно алгоритму ФГУ);

- аварийное отключение насоса по стандартному алгоритму АВР.

Дистанционное отключение насоса возможно всегда и никакие блокировки не налагают на него запрета. Запрещается включение насоса, находящегося в ремонте.

Перечень ТЗ, АР и ФГУ для типовой установки, входящих в АСУ ТП ВПУ, приведен в разделе В.2 приложения В.

4.6.3. Автоматическое регулирование технологических и химических параметров

Автоматические регуляторы должны быть реализованы по стандартным законам совместно с ИМ:

- постоянной скорости (типа МЭОФ с БСПТ) и формировать импульсные управляющие команды «Больше/Меньше» на регулирующие устройства;

- постоянной скорости (типа поршневого насоса-дозатора с постоянной подачей) и формировать импульсные управляющие команды «Включить/Выключить»;

- регулируемой скорости (типа поршневого насоса-дозатора с частотным регулированием подачи) и формировать аналоговые управляющие команды.

Каждый контур регулирования должен быть связан с отдельным виртуальным блоком управления, обеспечивающим следующие функции управления режимами работы контура и отображения его состояния:

- индикацию текущего режима управления исполнительным механизмом (автоматического, дистанционного);

- индикацию положения РК (по сигналу от датчика положения); для насоса - значение расхода рабочей среды при текущем режиме работы (по показаниям датчика или в результате выполненного системой расчета);

- индикацию текущего значения величины разбаланса регулятора;

- переключение режима управления РК («ДУ/АР»);

- запрет выдачи регулятором сигналов при определенных условиях;

- дистанционное управление РК командами «Больше/Меньше», насосом-дозатором - «Включить/Выключить»;

- ручное изменение значений заданий величины регулируемого параметра.

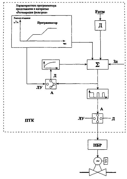
Примеры структурных схем АР, работающих постоянно и периодически в составе ФГУ приведены на рисунках 10 и 11.

Примечание - Fотм - расход осветленной воды на отмывку фильтров.

Рисунок 10 - Структурная схема АР расхода воды на отмывку фильтров, входящего в ФГУ «Регенерация фильтра № ...»

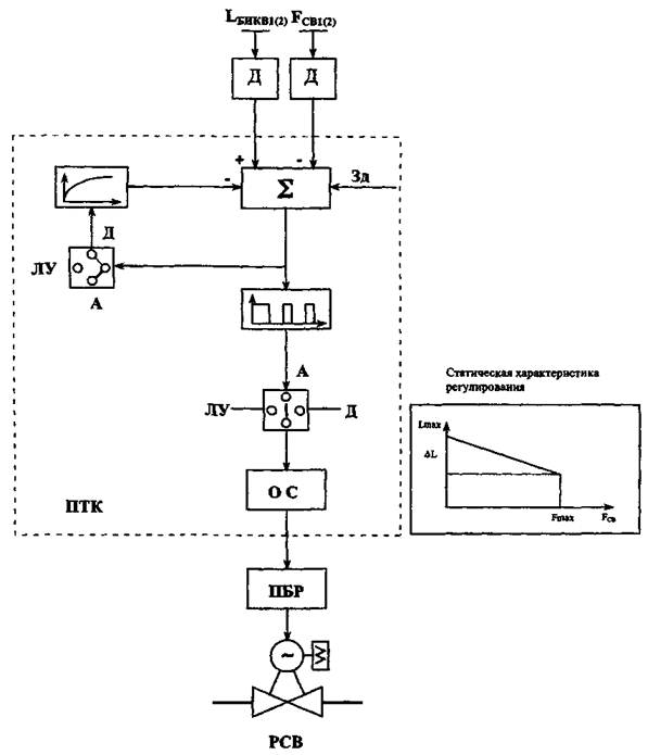
Примечание - LБИКВ - уровень в баке известково-коагулированной воды; FСВ - расход сырой воды в осветлитель; РСВ - регулирующий клапан подачи сырой воды в осветлитель; ОС - ограничитель скорости изменения расхода сырой воды; ПБР - пускатель реверсивный бесконтактный.

Рисунок 11 - Структурная схема АР производительности осветлителя

Приложение А

ПЕРЕЧЕНЬ НОРМАТИВНЫХ ДОКУМЕНТОВ, РЕКОМЕНДУЕМЫХ ДЛЯ ИСПОЛЬЗОВАНИЯ ПРИ РАЗРАБОТКЕ АСУ ТП

ГОСТ 34.602-89. Информационная технология. Комплекс стандартов на автоматизированные системы. Техническое задание на создание автоматизированной системы.

Общеотраслевые руководящие методические материалы по созданию и применению АСУ ТП в отраслях промышленности (ОРММ-3, АСУ ТП). - М.: ГКНТ, 1986.

РД 153-34.1-35.127-2002. Общие технические требования к программно-техническим комплексам для АСУ ТП тепловых электростанций. М.: СПО ОРГРЭС, 2002.

РД 153-34.1-35.137-00. Технические требования к подсистеме технологических защит, выполненных на базе микропроцессорной техники. - М.: СПО ОРГРЭС, 2000.

ГОСТ 24.701-86. Единая система стандартов автоматизированных систем управления. Надежность автоматизированных систем управления. Основные положения.

ГОСТ 12.1.004-91. ССБТ. Пожарная безопасность. Общие требования.

ГОСТ 12.2.003-91. ССБТ. Оборудование производственное. Общие требования безопасности.

ГОСТ 12.2.007.0-75. ССБТ. Изделия электротехнические. Общие требования безопасности.

ГОСТ 12.1.010-76. ССБТ. Взрывобезопасность. Общие требования.

Правила устройства электроустановок. Москва. Минэнерго СССР. 1986.

ГОСТ 12.1.030-81. ССБТ. Электробезопасность. Защитное заземление, зануление.

ГОСТ 12.1.006-84. ССБТ. Электромагнитные поля радиочастот. Допустимые уровни на рабочих местах и требования к проведению контроля.

ГОСТ 12.1.002-84. ССБТ. Электрические поля промышленной частоты. Допустимые уровни напряженности и требования к проведению контроля на рабочих местах.

ГОСТ 12.1.045-84. ССБТ. Электростатические поля. Допустимые уровни на рабочих местах и требования к проведению контроля.

ГОСТ 12.1.003-83. ССБТ. Шум. Общие требования безопасности.

ГОСТ 12.1.012-90. ССБТ. Вибрационная безопасность. Общие требования.

РД 34.20.501-95. Правила технической эксплуатации электрических станций и сетей Российской Федерации. - М.: СПО ОРГРЭС, 1996.

ГОСТ 12.1.044-89. ССБТ. Пожаровзрывоопасность веществ и материалов. Номенклатура показателей и методы их определения.

ГОСТ 12.2.049-80. ССБТ. Оборудование производственное. Общие эргономические требования.

ГОСТ 22269-76. Система «человек-машина». Рабочее место оператора. Взаимное расположение элементов рабочего места. Общие эргономические требования.

ГОСТ 20.39.108-85. КСОТТ. Требования к эргономике, обитаемости и технической эстетике. Номенклатура и порядок выбора.

ГОСТ 24.104-85. ЕССАСУ. Автоматизированные системы управления. Общие требования.

ГОСТ 15150-69. Машины, приборы и другие технические изделия. Исполнения для различных климатических районов. Категории, условия эксплуатации, хранения и транспортирования в части воздействия климатических факторов внешней среды.

ГОСТ 12997-84. Изделия ГСП. Общие технические условия.

ГОСТ 6651-94. Термопреобразователи сопротивления. Общие технические требования и методы испытания.

РД 34.11.321-96. Нормы погрешности измерений технологических параметров тепловых электростанций и подстанций. - М.: Рот ВТИ, 1997.

РД 153-34.0-11.204-97. Методика приемки из наладки в эксплуатацию измерительных каналов информационно-измерительных систем. - М.: СПО ОРГРЭС, 1999.

РД 34.11.202-95. Методические указания. Измерительные каналы информационно-измерительных систем. Организация и порядок проведения метрологической аттестации. - М.: СПО ОРГРЭС, 1997.

ГОСТ 34.603-92. Информационная технология. Виды испытаний автоматизированных систем.

ГОСТ 34.201-89. Информационная технология. Комплекс стандартов на автоматизированные системы. Виды, комплектность и обозначение документов при создании автоматизированных систем.

РД 34.35.101-88. Методические указания по объему технологических измерений, сигнализации и автоматического регулирования на тепловых электростанциях. - М.: СПО Союзтехэнерго, 1988.

ГОСТ 6.10.4-84. УСД. Придание юридической силы документам на машинном носителе и машинограмме, создаваемым средствами вычислительной техники. Основные положения.

ГОСТ 14691-69. Устройства исполнительные для систем автоматического регулирования. Термины.

ГОСТ 7192-89. Механизмы исполнительные электрические постоянной скорости ГСП. Общие технические условия.

ГОСТ Р 50356-92. Преобразователи измерительные для термоэлектрических преобразователей и термопреобразователей сопротивления. Общие технические требования и методы испытаний.

РД 34.11.103-95. Рекомендации по составлению перечня рабочих средств измерений, применяемых на энергопредприятиях, для наблюдения за технологическими параметрами, точность измерения которых не нормируется. - М.: СПО ОРГРЭС, 1997.

РД 153-34.0-11.201-97. Методика определения обобщенных метрологических характеристик измерительных каналов ИИС и АСУ ТП по метрологическим характеристикам агрегатных средств измерений. - М.: СПО ОРГРЭС, 1999.

МИ 222-80. Методика расчета метрологических характеристик измерительных каналов информационно-измерительных систем по метрологическим характеристикам компонентов.

РД 34.11.202-95. Методические указания. Измерительные каналы информационно-измерительных систем. Организация и порядок проведения метрологической аттестации. - М.: СПО ОРГРЭС, 1997.

ГОСТ 8.009-84. ГСИ. Нормируемые метрологические характеристики средств измерений.

ГОСТ 8.513-84. ГСИ. Поверка средств измерений. Организация и порядок проведения.

ГОСТ 14254-96. Степени защиты, обеспечиваемые оболочками (код IP).

ГОСТ 17516.1-90. Изделия электротехнические. Общие требования в части стойкости к механическим воздействующим факторам.

ГОСТ 12.2.020-76. Система стандартов безопасности труда. Энергооборудование взрывозащищенное. Термины и определения. Маркировка.

РД 34.49.101-87. Инструкция по проектированию противопожарной защиты энергетических предприятий. - М.: Информэнерго, 1987.

ГОСТ 21.657-84. Электрическая изоляция изделий ГСП. Технические требования. Методы испытаний.

РД 34.37.201. Методические указания по автоматизации действующих водоподготовительных установок тепловых электростанций. - М.: СПО Союзтехэнерго, 1986.

РД 34.37.502. Руководящие указания по коагуляции воды на электростанциях. - М.: СЦНТИ ОРГРЭС, 1973.

РД 34.37.518. Руководящие указания по известкованию воды на электростанциях. - М.: Рот. ВТИ, 1989.

РД 153-34.1-37.532.4-2001. Общие технические требования к системам химико-технологического мониторинга водно-химических режимов тепловых электростанций (ОТТ СХТМ ВХР ТЭС). - М.: 2001.

РД 153.34.1-02.408-2001. Методические указания по автоматизации химического и теплотехнического контроля сточных вод ТЭС. - М.: ВТИ, 2001.

ГОСТ Р 8.596-2002. ГСИ. Метрологическое обеспечение измерительных систем. Основные положения.

МИ 2439-97. Рекомендация. Государственная система обеспечения единства измерений. Метрологические характеристики измерительных систем. Номенклатура. Принципы регламентации, определения и контроля.

МИ 2440-97. Рекомендация. ГСИ. Методы экспериментального определения и контроля характеристик погрешности измерительных каналов, измерительных систем и измерительных комплексов.

МИ 2441-97. ГСИ. Испытания для целей утверждения типа измерительных систем. Общие требования.

ПР 50.2.009-94. ГСИ. Порядок проведения испытаний и утверждения типа средств измерений.

Приложение Б

ПОЯСНЯЮЩИЕ МАТЕРИАЛЫ К РАЗДЕЛУ 2 НАСТОЯЩИХ МЕТОДИЧЕСКИХ УКАЗАНИЙ

Б.1. РЕКОМЕНДАЦИИ ПО ПРИМЕНЕНИЮ В АСУ ТП ВПУ ИНТЕЛЛЕКТУАЛЬНЫХ ЭЛЕКТРОПРИВОДОВ НОВОГО ПОКОЛЕНИЯ

В состав оборудования для автоматизации ВПУ входит запорная и регулирующая электроприводная арматура в антикоррозионном исполнении Dy 10 ÷ 400 мм с блоками управления (исполнительными автоматами), блоками коммутационными и шкафами управления. При использовании исполнительных автоматов с дискретным интерфейсом в состав комплекта оборудования включается переносной пульт управления, индикации и настройки электроприводов.

Этот комплект оборудования отличается повышенной надежностью, большим сроком службы (до 15 лет без замены смазки в электромеханизмах), малыми габаритными размерами, упрощающими компоновочные решения на действующих установках, малым энергопотреблением, не требует дополнительных устройств для управления электроприводами от ПТК АСУ ТП.

Каждый электропривод состоит из электромеханизма и исполнительного автомата. Каждый электромеханизм устанавливается непосредственно на фланце пробкового регулирующего крана, шарового крана или дискового поворотного затвора. Примеры установочных чертежей показаны на рисунках Б.1 и Б.2 настоящего приложения. Степень защиты от внешних воздействий для электромеханизмов - IP67 по ГОСТ 14254-96. Исполнительные автоматы АИ-50, АИ-50М или АИ-401А, АИ-401АМ устанавливаются в модули М-10 (до 10 исполнительных автоматов в один модуль), смонтированные в напольных шкафах управления (600´600´1800 мм).

В каждый шкаф управления устанавливаются до 7 модулей М-10, т.е. до 70 шт. исполнительных автоматов, выключатели автоматические (автоматы защиты) на каждый электропривод, источник вторичного питания ИВЭП с выходным напряжением 220 В переменного тока и 24 В постоянного тока (рисунок Б.3 данного приложения).

Исполнительные автоматы АИ-50 и АИ-401А имеют 2 интерфейса: один цифровой RS-232 и один дискретный. Цифровой интерфейс используется для настройки электропривода под конкретную арматуру, диагностики электропривода и арматуры в эксплуатации. Настройка и диагностика электроприводов осуществляются в исполнительных автоматах посредством переносного пульта управления, индикации и настройки ППУ-1А без вскрытия электромеханизмов. Дискретный интерфейс используется для управления электроприводом от АСУ ТП. Управление электроприводами от АСУ ТП и сигнализация в АСУ ТП о состоянии электроприводов осуществляется через дискретный интерфейс напряжением 24 В ± 20 % при токе управления не более 10 мА и токе сигнализации до 20 мА (рисунок Б.4 данного приложения).

PN 0,6; 1,0 МПа

DN, мм

Размеры, мм

Масса, кг

D

N1

B1

D1

Q1

H1

M1

d

Материал корпуса

Чугун

Сталь

200

295

470

180

255

186

64

71

23

22,5

31,5

32,5

250

350

530

222

310

230

64

71

23

15,0

39,5

40,5

Рисунок Б.1 - Затворы поворотные дисковые с защитным покрытием с электромеханизмом МРО-250/20-0,5

Dy, мм

Ру, МПа

D, мм

D1, мм

L, мм

Н, мм

Масса, кг

15

1,6 - 3,0

65; 75

95; 105

116

181

3,8; 4,6

20

1,6 - 4,0

75

105

148

181

4,9

25

1,6 - 4,0

85

115

142

181

5,4

Примечания

1. Длина соединительного кабеля 1,6 + 0,1 м.

2. Электропитание электромеханизма должно осуществляться от блока АИ-50 или АИ-50М ЮТАГ.421243.012 ТУ.

Рисунок Б.2 - Краны шаровые фланцевые с электромеханизмом МЗО-15/15-0,25 (МЗО-15/15-0,25В)

Примечание - Электропитание исполнительных автоматов должно осуществляться:

АИ-401А:

- силовая часть: напряжением 220 В  переменного тока или напряжением 220 В ± 20 % постоянного тока;

- информационная часть напряжением 24 В ± 10 % постоянного тока;

АИ-50:

- силовая часть: напряжением 24 В ± 20 % постоянного тока;

- информационная часть: напряжением 24 В ± 10 % постоянного тока

Рисунок Б.3 - Модуль М-10 с исполнительными автоматами АИ-50(М) и АИ-401А(М)

Позиц. обозн.

Наименование

Кол-во

AMS1

Исполнительный автомат АИ-50

1

SF1

Выключатель автоматический CLS6-C1-1P

1

(MOELLER) Iнр = 1А, Iотс = (3 … 5) ± Iнр

ASH1

Блок коммутационный БК1В

1

МАМ1

Электромеханизм МЗО-15/15-0,25(В)

1

Примечание - Пульт управления ППУ-1А используется для настройки и диагностики электропривода по ЮТАГ.421243.012 РЭ.

Рисунок Б.4 - Управление электромеханизмом МЗО-15/15-0,25(В) с АИ-50

Исполнительные автоматы АИ-50 и АИ-401А обеспечивают выполнение следующих функций:

- исполнения рабочих команд, поступающих от АСУ ТП через дискретный интерфейс: «Закрыть/Открыть»;

- автоматического отключения электродвигателя при достижении выходным органом электромеханизма положений «Закрыто» или «Открыто»;

- автоматического отключения электродвигателя при неисполнении в течение 1,5 ÷ 3,0 с рабочих команд;

- контроля исправности электропривода;

- сигнализации:

исправности электропривода - на лицевой панели исполнительного автомата и в АСУ ТП;

положений «Закрыто» и «Открыто» выходного органа электромеханизма - на лицевой панели исполнительного автомата и в АСУ ТП;

исполнения рабочих команд - на лицевой панели исполнительного автомата (пульсирующий сигнал «Закрыто» или «Открыто» в процессе исполнения команды);

управления исполнительным автоматом от ППУ-1А - в АСУ ТП;

- настройки электропривода:

значений конечных и промежуточных положений выходного органа электромеханизма;

значений максимального и пускового момента на выходном органе электромеханизма;

режимов исполнения рабочих команд;

скорости перемещения выходного органа электромеханизма.

Исполнительные автоматы АИ-50М и АИ-401АМ также имеют 2 интерфейса: один цифровой RS-485 и один дискретный. Цифровой интерфейс используется для управления электроприводом от АСУ ТП и для настройки электропривода под конкретную арматуру, диагностики электропривода и арматуры в эксплуатации. Настройка и диагностика электроприводов осуществляются от АСУ ТП также без вскрытия электромеханизмов. Дискретный интерфейс используется для резервного управления электроприводом от АСУ ТП.

Исполнительные автоматы АИ-50М и АИ-401АМ через цифровой интерфейс RS-485 (протокол связи - MOD BUS, скорость передачи информации - 115 кБод) обеспечивают исполнение рабочих команд «УСТАНОВИТЬ ВЫХОДНОЙ ОРГАН ЭЛЕКТРОМЕХАНИЗМА В ЗАДАННОЕ ПОЛОЖЕНИЕ В % ОТ ПОЛНОГО ХОДА АРМАТУРЫ», поступающих от АСУ ТП, и сигнализацию в АСУ ТП о состоянии электропривода и положении выходного органа электромеханизма (рисунок Б.5 данного приложения).

Рисунок Б.5 - Управление электромеханизмом МЗО-15/15-0,25(В) с АИ-50М (управление по каналу RS-485, протокол MOD BUS, резервное управление - сигналами +24 В, < 10 мА)

Через дискретный интерфейс исполнительными автоматами АИ-50М и АИ-401АМ осуществляется исполнение рабочих команд «Закрыть/Открыть». Сигнализация исправности электропривода, положений «Закрыто/Открыто» и исполнения рабочих команд осуществляется только на лицевой панели исполнительных автоматов АИ-50М и АИ-401АМ.

Электропитание исполнительных автоматов АИ-401А и АИ-401АМ осуществляется от однофазного источника переменного тока напряжением 220 В  %, частотой 50 Гц ± 3 % и от ИВЭП напряжением 24 В ± 10 % постоянного тока. Электропитание исполнительных автоматов АИ-50 и АИ-50М осуществляется от ИВЭП напряжением 24 В ± 10 % постоянного тока. Электропитание ИВЭП может осуществляться от источника переменного тока напряжением 220 В ± 20 %, частотой 50 Гц ± 3 % или от источника постоянного тока напряжением 220 В ± 20 %. В каждом шкафу управления устанавливаются 2 ИВЭП постоянного тока, электропитание которых должно осуществляться от различных фидеров.

Подключение исполнительных автоматов к источнику электропитания осуществляется через индивидуальные автоматы защиты, установленные в шкафу управления.

Шкафы управления двухстороннего обслуживания имеют 2 дверцы. Лицевая дверца выполнена прозрачной, сквозь нее видны светодиоды сигнализации («Исправно», «Открыто», «Закрыто»), размещенные на лицевых панелях каждого исполнительного автомата.

Подключение электромеханизмов к кабельной сети объекта осуществляется через блоки коммутационные БК1, БК2 или БК3, монтируемые вблизи арматуры.

При управлении запорной арматурой режим работы всех электромеханизмов повторно-кратковременный, при нагрузке от холостого хода до максимальной. Допускается до 30 рабочих циклов в час с перерывами между открытием и закрытием арматуры продолжительностью не менее 15 с или до 12 рабочих циклов подряд без перерывов между открытием и закрытием арматуры с последующим перерывом продолжительностью не менее 10 мин.

При управлении регулирующей арматурой режим работы всех электромеханизмов повторно-кратковременный, при нагрузке от холостого хода до максимальной по таблице Б.1, п. 2 с частотой до 630 включений в час и относительной продолжительностью перемещения выходного органа до 25 %.

Гарантийный срок на поставляемые электроприводы - 4 года с момента их приемки ОТК предприятия-изготовителя. Гарантийный срок хранения - 2 года.

Номенклатура, длина и стоимость соединительных кабелей согласовываются с заказчиком на этапе проектирования АСУ ТП ВПУ.

Комплектная поставка оборудования для автоматизации ВПУ осуществляется ЗАО НПП «ЭМКО-Динамика», г. Москва.

Таблица Б.1 - Основные параметры электроприводов

Электромеханизмы однооборотные

Значение

№ п п

Параметр

МЗО-15/15-0,25

МЗО-40/10-0,25

МЗО-125/15-0,25

МРО-250/20-0,5

МРО-630/25-0,25

1

Номинальный противодействующий момент нагрузки, Нм

10

40

125

250

630

2

Максимальный противодействующий момент нагрузки, Нм

15

60

175

450

1100

3

Максимальный сопутствующий момент нагрузки Нм

8

10

50

125

250

4

Пусковой момент на выходном органе, не менее, Нм

18

70

220

470

1200

5

Максимальный момент на выходном органе, создаваемый посредством ручного привода, Нм

30

80

200

430 .. 520

1000 .. 1300

6

Номинальное значение полного хода выходного органа, град

90

90

90

180

90

7

Максимальное значение полного хода выходного органа, град

96

96

96

200

200

8

Номинальное значение времени полного хода выходного органа, с

15

10

15

20

25

9

Номинальная мощность электродвигателя, Вт

4,2

11

15

90

90

10

Масса электромеханизма, кг

2,0

3,7

7,5

17

22,5

11

Исполнительный автомат

АИ-50 или АИ-50М

АИ-50 или АИ-50М

АИ-50 или АИ-50М

АИ-401А или АИ-401АМ

АИ-401А или АИ-401АМ

12

Потребляемая мощность (при Мном) от источника электропитания:

- постоянного тока (24 В), Вт

12

20

45

6

6

- переменного тока (220 В), Вт

-

-

-

150

150

Примечание - Условия эксплуатации

- для электромеханизмов группы исполнения С2 по ГОСТ 12997-84 диапазон температуры окружающего воздуха от -40 до +70 °C, относительная влажность до 98 % при температуре +30 °C и более низкой с конденсацией влаги;

- для электромеханизмов группы исполнения Д3 по ГОСТ 12997-84 диапазон температуры окружающего воздуха от -55 до +70 °C, относительная влажность до 95 % при температуре +35 °C и более низкой с конденсацией влаги;

- для исполнительных автоматов диапазон температуры окружающего воздуха от +5 до +45 °C, относительная влажность до 95 % при температуре +35 °C и более низкой без конденсации влаги

Б.2. БЛОК-СХЕМЫ УПРАВЛЕНИЯ ИСПОЛНИТЕЛЬНЫМИ МЕХАНИЗМАМИ, НАСОСАМИ И АРМАТУРОЙ ВПУ ОТ АСУ ТП

Б.2.1. Насосы

Б.2.2. Запорная арматура

а) Асинхронный электродвигатель в т.ч. МЭО без БСПТ

в) Запорная арматура с пневмо- или гидроприводом

Б.2.3. Регулирующая арматура и ИМ

а) МЭОФ с БСПТ

б) МРО

в) Насосы-дозаторы с нерегулируемой подачей

Б.3. НАСОСЫ-ДОЗАТОРЫ С РЕГУЛИРУЕМОЙ ПОДАЧЕЙ

Структурная схема ввода, обработки информации и формирования выходных команд ДУ, АР, ФГУ, ТБ и ТЗ, применяемая на ВПУ, реализуется по одному каналу:

Б.4. ПЕРЕЧЕНЬ ТИПОВ ДАТЧИКОВ ТЕХНОЛОГИЧЕСКИХ И ХИМИЧЕСКИХ ПАРАМЕТРОВ, ИСПОЛЬЗУЕМЫХ В АСУ ТП ВПУ

Параметр

Наименование среды

Параметры среды

Наименование и характеристика прибора

Тип прибора

Температура

Вода промышленная

30 - 40 °С

Термопреобразователь сопротивления с унифицированным выходным сигналом 4 - 20 мА

ТСМУ9313-33.06-0,5 %

или термопреобразователь

ТСП-03-20

Давление

Вода, растворы реагентов: химически активные среды (кислые и щелочные) с pH 2 ÷ 14

До 0,6 МПа

Манометр показывающий сигнализирующий с магнитным поджатием контактов с радиальным штуцером без фланца

ДМ2005Сг

с разделителем сильфонным фланцевым

Материал сильфона - фторопласт

BАM-F5016Af

Датчик избыточного давления

Выходной сигнал 4 - 20 мА

Сапфир 20МТ

Расход

Вода, растворы реагентов: химически активные среды (кислые и щелочные) с pH 2 ÷ 14

До 1000 м3

Расходомер-счетчик воды ультразвуковой

Выходной сигнал 4 - 20 мА

UАM001

(УРСВ-010М)

Расходомер-счетчик электромагнитный

Выходной сигнал 4 - 20 мА

ЭРСВ-011

Вода через воздушник фильтра

Наличие расхода

Датчик-реле с длиной электрода 0,1

РОС-301 и др.

Уровень

Вода, растворы реагентов: химически активные среды (кислые и щелочные) с pH 2 ÷ 14

До 15 м

Индикатор-сигнализатор уровня

Выходной сигнал 4 - 20 мА

ИСУ 125М-3.0С (УЗС 210)

Датчик избыточного давления

Выходной сигнал 4 - 20 мА

Сапфир-22МП

Концентрация

Растворы реагентов: кислота, щелочь, соль, коагулянт

1 - 26 %

Концентратомер КАЦ-021 с блоком измерительным КАЦ-021-139

Выходной сигнал 4 - 20 мА

КАЦ-021

(или «Кварц-2», АЖК-3101)

Электропроводность

Вода

До 500 мкСм/см

Кондуктометр КАЦ-037 с блоком измерения

Выходной сигнал 4 - 20 мА

КАЦ-037

(или «Кварц-2», АЖК-3101)

Прозрачность

Вода светленная (после осветлителя)

30 - 80 мг/л

Анализатор концентрации взвешенных в жидкости твердых частиц

Выходной сигнал 4 - 20 мА

АЖТ-94/1

Замутненность

Вода со шламом в точках 7, 9 в осветлителе

21 %

Датчик шламового режима

Выходной сигнал 4 - 20 мА

ДШР-91/2

pH

Вода

9 - 14 pH

Комплект рН-220-5 с преобразователем промышленным

Выходной сигнал 4 - 20 мА

рН-011

Кварц рН/2, преобразователь П-215 (215И)

pNa

Обессоленная вода

От 1 мкг/дм3 до 1000 мг/дм3

АН-012, pNa-205

Жесткость

Умягченная вода

До 100 мкг-экв/кг

Жесткомер

ЛЮМЭКС

Содержание нефтепродуктов

Сточные воды

До 10 мг/л

Флюорат АР-2

Б.5. ПЕРИОДИЧНОСТЬ ВЫПОЛНЕНИЯ ОПЕРАЦИЙ И ОБЪЕМ ХИМИЧЕСКОГО КОНТРОЛЯ НА ВПУ

№ пп.

Среда

Наименование операции

Частота операции

Контролируемый показатель

Периодичность контроля

 

1

2

3

4

5

6

 

1.

Известь, коагулянт

Приготовление раствора рабочей концентрации в мешалке

При срабатывании объема рабочей мешалки (мерника)

Концентрация раствора выполняется ручным анализом

1 раз при приготовлении раствора в мешалке и 1 раз при приемке и сдаче смены

 

2.

Коагулянт

Приготовление раствора рабочей концентрации в смесителе

При срабатывании объема рабочего мерника

Концентрация раствора измеряется автоматическим кондуктометром

Непрерывный контроль при заполнении мерников

 

3.

Кислота, щелочь

1. Разгрузка и заполнение баков хранения

По потребности в зависимости от производительности установки, качества воды;

Концентрация раствора выполняется ручным анализом

1 раз при разгрузке и заполнении баков хранения

 

2. Заполнение расходных мерников

при срабатывании объема рабочего расходного мерника - 1 - 2 раза в месяц

 

3. Приготовление раствора рабочей концентрации

1. При регенерации фильтров (периодически)

 

4. Заполнение мерника раствором рабочей концентрации

2. При срабатывании объема расходного мерника

Измеряется автоматическим кондуктометром

Непрерывный контроль при регенерации фильтров (этап: пропуск кислоты (щелочи).

Непрерывный контроль при заполнении мерника

 

4.

Сырая (исходная) вода

-

-

Ж, Щ, , окисляемость,

1 раз в сутки выполняется ручным анализом

Мутность

Выполняется автоматическим прибором

5.

Вода после осветлителя

-

-

Ж

Щ

1 раз в 2 ч

окисляемость

1 раз в 2 ч (выполняется ручным анализом)

pH в точке 2

мутность

измеряется автоматическим прибором

6.

Вода после механических фильтров

Промывка фильтра

Периодически по времени (примерно через 24 ч) или по количеству обработанной воды

Ж

Щ

1 раз в 4 ч выполняется ручным анализом

7.

H-катионированная вода (I ступень)

Н-фильтры 1-ой ступени

Ж

1 раз в 2 ч

К

1 раз в 2 ч

1. Работа

Na+

1 раз в сутки выполняется ручным анализом

2. Регенерация

Периодически 1 раз в 3 - 4 ч по одному регенерационному узлу

8.

Анионированная вода (I ступень)

А-фильтры 1-ой ступени

Cl-

Щ (К)

1 раз в 2 ч выполняется ручным анализом

1. Работа

2. Регенерация

Периодически 1 раз в 6 - 8 ч

9.

Частично обессоленная вода

-

-

СO2, Щ (К)

1 раз в 2 ч выполняется ручным анализом

10.

Н-катионированная вода (II ступень)

Н-фильтры 2-ой ступени

К

1 раз в 2 ч

Na+, Ж

1 раз в сутки выполняется ручным анализом

1. Работа

2. Регенерация

Периодически 1 раз в сутки

11.

Обессоленная вода (II ступень)

А-фильтры 2-ой ступени

Щ,

1 раз в 2 - 4 ч

Ж

Na+

1 раз в сутки измеряется автоматическим прибором

1. Работа

2. Регенерация

Периодически 1 раз в 8 - 16 ч

12.

Обессоленная вода из баков готовой воды

Подача в главный корпус

1 раз в 4 ч (экспресс-лаборатория)

Ж

1 раз в сутки выполняется ручным анализом

Na+

измеряется автоматическим прибором

13.

Сбросные кислые и щелочные воды

Нейтрализация

Периодически в зависимости от производительности установки, объема баков, количества регенераций, качества исходной воды

pH

Непрерывно в процессе нейтрализации, измеряется автоматическим прибором

Примечание - Ж - жесткость воды; Щ - щелочность воды; К - кислотность воды, Na+ - содержание натрия; Cl- - содержание хлоридов;  - содержание кремниевой кислоты; СO2 - содержание углекислоты после декарбонизатора.

Приложение В

ПОЯСНЯЮЩИЕ МАТЕРИАЛЫ К РАЗДЕЛУ 4 НАСТОЯЩИХ МЕТОДИЧЕСКИХ УКАЗАНИЙ

В.1. ФОРМЫ ОТЧЕТНЫХ ДОКУМЕНТОВ ПО РАБОТЕ ОБОРУДОВАНИЯ ВПУ

В.1.1. Суточная ведомость

Дата, время

Суточная ведомость № 1 контроля химводоочистки

 

Время

Исходная вода

Осветлитель № 1

 

Tсв

F

Fнп

Fрц

ОС

Ж

Щф

Що

CI

с/с

 

Дата, ч

мг-экв/дм3

мг/дм3

град С

м3

витки

 

 

 

 

Аппаратчик

Вахта №

За смену, т

0,00

0,00

Среднее за смену

0,00

0,00

0,00

0,00

0,00

 

Аппаратчик

Вахта

За смену, т

0,00

0,00

Среднее за смену

0,00

0,00

0,00

0,00

0,00

За сутки, т

0,00

0,00

Среднее за сутки

######

####

####

####

####

Начальник цеха ________________.


В.1.2. Технико-экономические показатели работы ВПУ

Дата, время

Технико-экономические показатели работы ВПУ за месяц, квартал, год

Месяц/год

Потребление исходной воды

Количество воды выработанное механическими фильтрами, QМФ

QОСВ1

QОСВ2

Qисх. общее

QМФ1

QМФ2

QМФ3

QМФ4

QМФ5

QМФ6

QМФ7

QМФ8

QМФ9

QМФ10

QМФ11

QМФ12

QМФ13

QМФ14

QМФ15

QМФ общее

т

т

1

2

3

4

5

6

7

8

9

10

11

12

13

14

15

16

17

18

19

20

Январь

0,00

Февраль

0,00

0,00

Март

0,00

0,00

Апрель

0,00

0,00

Май

0,00

0,00

Июнь

0,00

0,00

Июль

0,00

0,00

Август

0,00

0,00

Сентябрь

0,00

0,00

Октябрь

0,00

0,00

Ноябрь

0,00

0,00

Декабрь

0,00

0,00

Квартал № 1

0,00

0,00

0,00

0,00

0,00

0,00

0,00

0,00

0,00

0,00

0,00

0,00

0,00

0,00

0,00

0,00

0,00

0,00

0,00

Квартал № 2

0,00

0,00

0,00

0,00

0,00

0,00

0,00

0,00

0,00

0,00

0,00

0,00

0,00

0,00

0,00

0,00

0,00

0,00

0,00

Квартал № 3

0,00

0,00

0,00

0,00

0,00

0,00

0,00

0,00

0,00

0,00

0,00

0,00

0,00

0,00

0,00

0,00

0,00

0,00

0,00

Квартал № 4

0,00

0,00

0,00

0,00

0,00

0,00

0,00

0,00

0,00

0,00

0,00

0,00

0,00

0,00

0,00

0,00

0,00

0,00

0,00

За год

0,00

0,00

0,00

0,00

0,00

0,00

0,00

0,00

0,00

0,00

0,00

0,00

0,00

0,00

0,00

0,00

0,00

0,00

0,00

Год

Начальник цеха __________________.


В.1.3. Ведомость регенерации Na-фильтра №

1. Номер фильтроцикла по порядку

2. Длительность работы за фильтроцикл, ч

3. Объем загрузки фильтра, м3

4. Время начала фильтроцикла

5. Время окончания фильтроцикла

6. Количество обработанной воды за фильтроцикл, м3

7. Средняя жесткость осветленной воды за фильтроцикл после МФ за фильтроцикл, мг-экв/дм3

8. Рабочая обменная емкость катионита, г-экв/м3

9. Удельный расход соли на регенерацию, г/г-экв

10. Удельный расход воды на отмывку, м3 воды/м3 катионита

11. Начало взрыхления, ч

12. Окончание взрыхления, ч

13. Общее время взрыхления, ч

14. Количество воды на взрыхление, м3

15. Среднечасовой расход воды при взрыхлении, м3

16. Начало пропуска соли, ч

17. Окончание пропуска соли, ч

18. Среднечасовой расход воды при пропуске соли, м3

19. Средняя концентрация регенерационного раствора соли, %

20. Количество регенерационного раствора соли, м3

21. Количество 100 %-ной соли, поданной на фильтр, т

22. Удельное количество 100 %-ной соли, поданной на фильтр, кг/м3

23. Время начала отмывки (1-й этап), ч

24. Время окончания отмывки (1-й этап), ч

25. Среднечасовой расход воды на отмывку (1-й этап), м3

26. Общее время отмывки (1-й этап), ч

27. Количество воды на отмывку (1-й этап), м3

28. Время начала отмывки (2-й этап), ч

29. Время окончания отмывки (2-й этап), ч

30. Среднечасовой расход воды на отмывку (2-й этап), м3

31. Время отмывки (2-й этап), ч

32. Количество воды на отмывку (2-й этап), м3

33. Общее время отмывки (оба этапа), ч

34. Общее количество воды на отмывку за два этапа, м3

В.2. ПЕРЕЧЕНЬ (ОРИЕНТИРОВОЧНЫЙ) ТЗ, АР И ФГУ, ВХОДЯЩИХ В АСУ ТП ВПУ

В.2.1. Технологические защиты в составе АСУ ТП ВПУ:

- по превышению расхода воды на взрыхление разнофункциональных фильтров;

- по превышению давления на напоре поршневых насосов-дозаторов реагентов;

- по повышению электропроводности обессоленной воды на подаче в баки готовой воды;

- по превышению концентрации регенерационного раствора кислоты при регенерации фильтров первой ступени.

В.2.2. Автоматические регуляторы ВПУ в составе АСУ ТП ВПУ:

- температуры воды, поступающей на осветлители (установлен в турбинном цехе);

- нагрузки каждого осветлителя (пример структурной схемы показан на рисунке 10 настоящих Методических указаний);

- дозирования коагулянта в каждый осветлитель;

- дозирования известкового молока в каждый осветлитель;

- дозирования полиакриламида в каждый осветлитель;

- дозирования раствора соды в каждый осветлитель;

- расхода возвращаемых вод в осветлитель;

- расхода воды в осветлитель на рециркуляцию;

- непрерывной продувки каждого осветлителя;

- уровня шлама в осветлителе и шламоуплотнителе;

- концентрации раствора коагулянта (при приготовлении «на ходу»);

- расхода воды на взрыхление механических фильтров (в составе ФГУ);

- давления сжатого воздуха на взрыхление механических фильтров (в составе ФГУ);

- расхода воды на блок фильтров (при блочной компоновке фильтров);

- уровня в баках частично обессоленной воды;

- уровня в баках обессоленной воды;

- расхода разбавляющей воды для приготовления рабочего раствора кислоты (в составе ФГУ);

- расхода разбавляющей воды для приготовления рабочего раствора щелочи (в составе ФГУ);

- концентрации раствора кислоты (в составе ФГУ);

- концентрации раствора щелочи (в составе ФГУ);

- давления в коллекторе нижних дренажей (для этажной компоновки);

- расходов воды на СН фильтров, блоков фильтров (пример структурной схемы АР в составе ФГУ показан на рисунке 11 настоящих Методических указаний).

В.2.3. Функционально-групповое управление в составе АСУ ТП ВПУ:

- осветлители:

ФГУ подачей из БРВ регенерационных вод в осветлитель;

ФГУ приготовлением (заполнением) расходных мерников реагентов для осветлителей (извести, коагулянта, полиакриламида, соли, щелочи);

ФГУ рециркуляцией осветлителей;

- фильтры:

ФГУ промывкой механических фильтров;

ФГУ регенерацией ионнообменных фильтров (блоков фильтра);

ФГУ заполнения мерников кислоты, щелочи, соли;

ФГУ гидроперегрузкой фильтров;

ФГУ нейтрализацией регенерационных вод;

- склад химических реагентов:

ФГУ промывкой фильтров соли, коагулянта.

В.3. ОБЪЕМ РАСЧЕТОВ ТЭП ВПУ

Наименование

Единицы измерения

Формулы

Показатели работы ВПУ:

т/мес

QСВ - суммирование расходов по 2 линиям сырой воды по расходомерам

1. Расход сырой воды на ВПУ

2. Расход сырой воды на СН ВПУ

т/мес

QСВ.СН = QСВ - QОБ - QТС

3. Выработка обессоленной воды

т/мес

4. Выработка обессоленной воды в БЗК

т/мес

QБЗК - суммирование расходов обессоленной воды в БЗК по расходомерам

5. Расход обессоленной воды на СН ВПУ

т/мес

QОБ.СН = QОБ - QБЗК

6. Расход химически очищенной воды на подпитку тепловой сети

т/мес

QТС - суммирование расхода воды на подпитку тепловой сети по расходомеру

7. Количество сбросов из баков нейтрализаторов

т/мес

QБН - суммирование количества сбросов из БН1, БН2 и БН3 по уровнемерам

8. Расход осветленной воды на СН ВПУ

т/мес

9. Расход сырой воды на СН предочистки

т/мес

Показатели СХР:

т/мес

где VК.ВПУ - суммарный объем 92 %-ной серной кислоты, израсходованный из мерников ВПУ, л/мес

1. Расход 100 %-ной серной кислоты на ВПУ

2. Расход 100 %-ной щелочи на ВПУ

т/мес

где VЩ.ВПУ - суммарный объем 44 %-ной щелочи, израсходованный из мерников ВПУ, л/мес

3. Расход поваренной соли на Na-катионирование

т/мес

где Vc - суммарный объем С %-ного раствора поваренной соли, израсходованного из бака, м3/мес

4. Удельный расход серной кислоты на ВПУ (ΣK - сумма катионов)

г/г-экв

5. Удельный расход щелочи на ВПУ (ΣА - сумма анионов)

г/г-экв

 

6. Удельный расход поваренной соли на ВПУ

г/г-экв

7. Расход 100 %-ной серной кислоты на химический цех

т/мес

где VК.ХЦ - суммарный объем 92 %-ной серной кислоты, израсходованной из баков, л/мес

8. Расход 100 %-ной щелочи на химический цех

т/мес

где VЩ.ХЦ - суммарный объем 44 %-ной щелочи, израсходованной из баков, л/мес

Показатели работы предочисткн:

мг-экв/кг

ЖСВ СР

1. Жесткость сырой воды (средняя за месяц)

2. Окисляемость сырой воды (средняя за месяц)

мг/кг

ОСВ СР

3. Щелочность сырой воды (средняя за месяц)

мг-экв/кг

ЩСВ СР

4. Окисляемость осветленной воды (средняя за месяц)

мгO2/кг

ООВ СР

5. Щелочность осветленной воды (средняя за месяц)

мг-экв/кг

ЩОВ СР

6. Содержание кремниевой кислоты в сырой воде (среднее за месяц)

мг/кг

SiO3 СВ СР

7. Содержание кремниевой кислоты в осветленной воде (среднее за месяц)

мг/кг

SiO3 ОВ СР

8. Доза коагулянта (средняя за месяц)

мг-экв/кг

Дкг СР = ЩСВ СР - ЩОВ СР

9. Расход сырой воды на осветлитель (с момента первого включения после промывки)

т/мес

QОСВ - суммирование расхода по расходомеру

Показатели работы фильтра тепловой сети:

т

где N - количество регенераций за месяц

1. Количество очищенной воды за фильтроцикл

2. Жесткость химически очищенной воды (средняя за месяц)

мг-экв/кг

ЖХОВ СР

3. Удельный расход поваренной соли

г/г-экв

4. Расход поваренной соли на 1 т очищенной воды

г/г

5. Выработка химически очищенной воды

т/мес

QNa, - суммирование расхода по расходомеру

6. Расход поваренной соли на 1 регенерацию

т

где N - количество регенераций за месяц

7. Количество поваренной соли на регенерацию

т/мес

где VС Na - суммарный объем С %-ного раствора поваренной соли, израсходованного из бака, м3/мес

8. Расход осветленной воды на СН за регенерацию, за месяц

т/рег

QNa СН БРВ - суммирование расхода на БРВ по расходомеру

т/мес

QNa СН БН - суммирование расхода на БН по расходомеру

Показатели работы блока фильтров:

т/мес

QБФ - суммирование расхода по расходомеру

1. Выработка обессоленной воды с первого включения после регенерации

2. Выработка обессоленной воды за фильтроцикл

т

,

где N - количество регенераций за месяц

3. Расход обессоленной воды на СН за регенерацию

т/мес

QБФ ОБ СН - суммирование расхода обессоленной воды по линиям разбавления кислоты и щелочи по расходомерам

4. Расход осветленной воды на СН за регенерацию, за месяц

т/рег

QБФ ОВ СН БН - суммирование расхода осветленной воды на взрыхление фильтров и отмывку в БН по расходомерам

т/мес

QБФ ОВ СН БРВ - суммирование расхода воды на взрыхление в БРВ по расходомеру

5. Содержание углекислоты после декарбонизации (среднее за месяц)

мг/кг

СO2 СР

6. Кислотность воды после Н1 (средняя за месяц)

мг-экв/кг

Kh1 cp

7. Ионная нагрузка (средняя за месяц)

мг-экв/л

8. Обменная способность (средняя за месяц)

кг/м3

по катионам

где VКА - объем катионита, м3

по анионам

где VАН - объем анионита, м3

9. Удельные расходы реагентов:

H2SO4

г/т

NaOH

г/т

H2SO4

г/г-экв

NaOH

г/г-экв

10. Расход серной кислоты на регенерацию

л/мес

VКБФ - суммарный объем 92 %-ной серной кислоты

11. Расход щелочи за регенерацию

л/мес

VЩБФ - суммарный объем 44 %-ной щелочи

Показатели работы механического фильтра:

1. Расход воды на фильтр с момента первого включения после регенерации

т/мес

QМФ - суммирование расхода воды на фильтр по расходомеру

2. Расход осветленной воды на взрыхление фильтра в БРВ за регенерацию, за месяц

т/рег т/мес

QМФ СВ В - суммирование расхода на взрыхление фильтра по расходомеру

СОДЕРЖАНИЕ

1. Общие сведения. 1

2. Краткая характеристика ВПУ как объекта управления. 5

2.1. Общая характеристика ВПУ.. 5

2.2. Состав и краткая характеристика оборудования. 7

2.3. Режим работы ВПУ.. 12

2.4. Концепция контроля и управления технологическим оборудованием ВПУ.. 13

3. Структура и функционирование АСУ ТП ВПУ.. 15

4. Функции АСУ ТП ВПУ.. 22

Приложение А. Перечень нормативных документов, рекомендуемых для использования при разработке АСУ ТП.. 37

Приложение Б. Поясняющие материалы к разделу 2 настоящих Методических указаний. 40

Приложение В. Поясняющие материалы к разделу 4 настоящих Методических указаний. 54