Switches for household and similar fixed electrical installations. General reguirements and tesy methods

ФЕДЕРАЛЬНОЕ АГЕНТСТВО
ПО ТЕХНИЧЕСКОМУ РЕГУЛИРОВАНИЮ И МЕТРОЛОГИИ

НАЦИОНАЛЬНЫЙ
СТАНДАРТ
РОССИЙСКОЙ
ФЕДЕРАЦИИ

ГОСТ Р
51324.1-2005

(МЭК 60669-1:2000)

 

ВЫКЛЮЧАТЕЛИ ДЛЯ БЫТОВЫХ
И АНАЛОГИЧНЫХ СТАЦИОНАРНЫХ
ЭЛЕКТРИЧЕСКИХ УСТАНОВОК

Часть 1

Общие требования и методы испытаний

 

IEC 60669-1:2000
Switches for household and similar fixed
electrical installations - Part 1: General requirements
(MOD)

 

 

Предисловие

Цели и принципы стандартизации в Российской Федерации установлены Федеральным законом от 27 декабря 2002 г. № 184-ФЗ «О техническом регулировании», а правила применения национальных стандартов Российской Федерации - ГОСТ Р 1.0 - 2004 «Стандартизация в Российской Федерации. Основные положения»

Сведения о стандарте

1. ПОДГОТОВЛЕН Федеральным государственным унитарным предприятием Всероссийский научно-исследовательский институт стандартизации и сертификации в машиностроении (ФГУП «ВНИИНМАШ») на основе собственного аутентичного перевода стандарта, указанного в пункте 4

2. ВНЕСЕН Техническим комитетом по стандартизации ТК 331 «Низковольтная коммутационная аппаратура и комплектные устройства распределения, защиты, управления и сигнализации»

3. УТВЕРЖДЕН И ВВЕДЕН В ДЕЙСТВИЕ Приказом Федерального агентства по техническому регулированию и метрологии от 30 декабря 2005 г. № 569-ст

4. Настоящий стандарт является модифицированным по отношению к международному стандарту МЭК 60669-1-2000 (издание 3.1) «Выключатели для бытовых и аналогичных стационарных электрических установок. Часть 1. Общие требования» (IEC 60669-1: 2000 «Switches for household and similar fixed electrical installations. - Part 1: General requirements») путем внесения дополнительных требований и технических отклонений, пояснение которых приведено во введении к настоящему стандарту

5. ВЗАМЕН ГОСТ Р 51324.1-99 (МЭК 60669-1-98)

Информация об изменениях к настоящему стандарту публикуется в указателе «Национальные стандарты», а текст этих изменений и поправок - в ежемесячно издаваемых информационных указателях «Национальные стандарты». В случае пересмотра или отмены настоящего стандарта соответствующее уведомление будет опубликовано в ежемесячно издаваемом информационном указателе «Национальные стандарты». Соответствующая информация, уведомление и тексты размещаются также в информационной системе общего пользования - на официальном сайте Федерального агентства по техническому регулированию и метрологии в сети Интернет

 

СОДЕРЖАНИЕ

1. Область применения. 3

2. Нормативные ссылки. 4

3. Термины и определения. 6

4. Общие требования. 8

5. Общие требования к испытаниям.. 8

6. Номинальные значения. 10

7. Классификация. 10

8. Маркировка. 12

9. Проверка размеров. 16

10. Защита от поражения электрическим током.. 17

11. Заземление. 19

12. Контактные зажимы.. 20

13. Требования к конструкции. 30

14. Механизм.. 38

15. Устойчивость к старению, защита, обеспечиваемая корпусами выключателей, и влагоустойчивость. 39

16. Сопротивление и электрическая прочность изоляции. 41

17. Превышение температуры.. 45

18. Включающая и разрывная мощность. 46

19. Нормальная работа. 48

20. Механическая прочность. 52

21. Нагревостойкость. 57

22. Винты, токоведущие части и соединения. 58

23. Пути утечки тока, воздушные зазоры и расстояния через заливочную массу. 60

24. Стойкость изоляционных материалов к аномальному нагреву, огню и трекингостойкость. 60

25. Коррозиестойкость. 62

26. Требования к электромагнитной совместимости. 62

Приложение А Рисунки, поясняющие текст стандарта. 63

Приложение B Обозначение образцов, необходимых для испытаний. 83

Приложение C Требования к протоколу испытаний выключателей. 83

Приложение D Сведения о соответствии ссылочных международных стандартов национальным стандартам Российской Федерации, использованным в настоящем стандарте в качестве нормативных ссылок. 84

Библиография. 86

 

Введение

Настоящий стандарт содержит нормы, требования, правила и методы испытаний, которые дополняют или заменяют соответствующие разделы и /или пункты МЭК 60669-1:2000 в том числе:

- введены определения составных элементов выключателей (3.21, 3.22);

- введены дополнительные общие требования к испытаниям выключателей (5.2, 5.4);

- введено номинальное значение к степеням защиты выключателей (6.3);

- введено дополнение по классификации выключателей по степеням защиты (7.1.4, 7.1.9);

- введены два дополнительные требования к маркировке (8.1 - 8.3, 8.8);

- пункт 10.1 дополнен требованиями по электробезопасности;

- пункты 11.2, 11.3, 13.9, 13.11, 13.13, 15.2, 19.1, 20.2, 22.5, абзацы 7 - 9 - изложены в новой редакции;

- пункт 13.12 второй абзац изложен в новой редакции;

- раздел 17 дополнен пунктом 17.2;

- раздел 18 дополнен вторым абзацем;

- пункт 19.1 дополнен новым абзацем;

- раздел 29, третий абзац изложен в новой редакции;

- пункт 22.5, абзацы 7 - 9 изложены в новой редакции.

Дополнительные требования к выключателям, отражающие особенности национальной системы стандартов, набраны курсивом.

Дополнения выделены петитом.

Изменение наименования раздела «Термины и определения» вызвано необходимостью приведения в соответствие с ГОСТ Р 1.5-2004.

В настоящем стандарте раздел «Нормативные ссылки» изложен в соответствии с ГОСТ Р 1.5-2004.

Сведения о соответствии ссылочных межгосударственных стандартов международным стандартам приведены в приложении D.

Для приведения в соответствие с ГОСТ Р 1.5-2004 изменено наименование подразделов 3.1 - 3.6, а текст пункта 3.1 примененного международного стандарта перенесен в сноску к разделу 3 настоящего стандарта.

Настоящий стандарт может быть использован при оценке соответствия электроустановочных изделий требованиям технических регламентов.

 

НАЦИОНАЛЬНЫЙ СТАНДАРТ РОССИЙСКОЙ ФЕДЕРАЦИИ

ВЫКЛЮЧАТЕЛИ ДЛЯ БЫТОВЫХ И АНАЛОГИЧНЫХ СТАЦИОНАРНЫХ
ЭЛЕКТРИЧЕСКИХ УСТАНОВОК

Часть 1

Общие требования и методы испытаний

Switches for household and similar fixed electrical
installations. General requirements and tests methods

Дата введения - 2007-01-01

1. Область применения

Настоящий стандарт распространяется на установочные выключатели (далее - выключатели) общего назначения, приводимые в действие вручную, предназначенные для бытовых и аналогичных стационарных электрических установок переменного и (или) постоянного тока на номинальное напряжение не более 440 В и номинальный ток не более 63 А при внутренней и наружной установках в помещениях.

Для выключателей с безвинтовыми зажимами номинальный ток - 16 А.

Настоящий стандарт распространяется на монтажные коробки для выключателей, за исключением монтажных коробок для выключателей скрытой установки.

Примечание - Общие требования к монтажным коробкам для выключателей скрытой установки - по ГОСТ Р 50827.

Настоящий стандарт распространяется также на:

- полупроводниковые выключатели по ГОСТ Р 51324.2.1;

- выключатели с дистанционным управлением (ВДУ) по ГОСТ Р 51324.2.2;

- выключатели с устройством задержки времени (таймеры) по ГОСТ Р 51324.2.3;

- сочетания выключателей с другими приборами (за исключением комбинации выключателей с плавкими предохранителями);

- выключатели с выводом и удерживанием гибких кабелей;

Примечание - Минимальную длину гибких кабелей для этих выключателей указывают в соответствующих стандартах.

Выключатели, удовлетворяющие требованиям настоящего стандарта, могут использоваться при температуре окружающей среды, обычно не превышающей 25 °C, но иногда достигающей 35 °C.

Примечание - Выключатели, удовлетворяющие требованиям настоящего стандарта, могут быть установлены на оборудовании только таким образом и в таком месте, которые бы исключали возможность повышения температуры окружающей среды свыше 35 °C.

Номинальные значения климатических факторов - по ГОСТ 15150 и ГОСТ 15543.1.

Выключатели, предназначенные для работы в специальных средах, должны соответствовать ГОСТ 24682.

В местах с особыми условиями, например на средствах водного и сухопутного транспорта, используют выключатели специальной конструкции.

Настоящий стандарт не распространяется на автоматические выключатели для бытовых и аналогичных установок, выключатели для электроприборов и выключатели, вмонтированные в электрошнур.

Графический материал стандарта следует использовать при разработке рабочих чертежей калибров или шаблонов для проверки установок для испытаний выключателей.

2. Нормативные ссылки

В настоящем стандарте использованы ссылки на следующие стандарты:

ГОСТ Р 15.201-2000 Система разработки и постановки продукции на производство. Продукция производственно-технического назначения. Порядок разработки и постановки продукции на производство

ГОСТ Р ИСО 5725-2-2002 Точность (правильность и прецизионность) методов и результатов измерений. Часть 2. Основной метод определения повторяемости и воспроизводимости стандартного метода измерений

ГОСТ Р ИСО 5725-6-2002 Точность (правильность и прецизионность) методов и результатов измерений. Часть 6. Использование значений точности на практике

ГОСТ Р ИСО 9000-2001 Системы менеджмента качества. Основные положения и словарь

ГОСТ Р ИСО 9001-2001 Системы менеджмента качества. Требования

ГОСТ Р 50043.1-92 (МЭК 998-1-90) Соединительные устройства для низковольтных цепей бытового и аналогичного назначения. Часть 1. Общие требования

ГОСТ Р 50043.2-92 (МЭК 998-2-1-90) Соединительные устройства для низковольтных цепей бытового и аналогичного назначения. Часть 2 - 1. Частные требования для соединительных устройств с винтовыми зажимами

ГОСТ Р 50043.3-2000 (МЭК 60998-2-2-91) Соединительные устройства для низковольтных цепей бытового и аналогичного назначения. Часть 2 - 2. Дополнительные требования к безвинтовым контактным зажимам для присоединения медных проводников

ГОСТ Р 50779.71-99 (ИСО 2859-1-89) Статистические методы. Процедуры выборочного контроля по альтернативному признаку. Часть 1. Планы выборочного контроля последовательных партий на основе приемлемого уровня качества AQL

ГОСТ Р 51324.2.1-99 (МЭК 60669-2-1-96) Выключатели для бытовых и аналогичных стационарных электрических установок. Часть 2 - 1. Дополнительные требования к полупроводниковым выключателям и методы испытаний

ГОСТ Р 51324.2.2-99 (МЭК 60669-2-2-96) Выключатели для бытовых и аналогичных стационарных электрических установок. Часть 2 - 2. Дополнительные требования к выключателям с дистанционным управлением (ВДУ) и методы испытаний

ГОСТ Р 51324.2.3-99 (МЭК 60669-2-3-97) Выключатели для бытовых и аналогичных стационарных электрических установок. Часть 2 - 3. Дополнительные требования к выключателям с задержкой времени (таймеры) и методы испытаний

ГОСТ Р 51672-2000 Метрологическое обеспечение испытаний продукции для целей подтверждения соответствия. Основные положения

ГОСТ Р 51686.1-2000 (МЭК 60999-1-99) Соединительные устройства. Требования безопасности к контактным зажимам. Часть 1. Требования к винтовым и безвинтовым контактным зажимам для соединения медных проводников с номинальным сечением от 0,2 до 35 мм2

ГОСТ Р МЭК 60227-4-2002 Кабели с поливинилхлоридной изоляцией на номинальное напряжение до 450/750 В включительно. Кабели и оболочки для стационарной прокладки

ГОСТ Р МЭК 60227-5-2002 Кабели с поливинилхлоридной изоляцией на номинальное напряжение до 450/750 В включительно. Гибкие кабели (шнуры)

ГОСТ Р МЭК 60245-4-2002 Кабели с резиновой изоляцией на номинальное напряжение до 450/750 В включительно. Шнуры и гибкие кабели

ГОСТ 9.005-72 Единая система защиты от коррозии и старения. Металлы, сплавы, металлические и неметаллические неорганические покрытия. Допустимые и недопустимые контакты с металлами и неметаллами

ГОСТ 9.302-88 Единая система защиты от коррозии и старения. Покрытия металлические и неметаллические неорганические. Методы контроля

ГОСТ 27.003-90 Надежность в технике. Состав и общие правила задания требований по надежности

ГОСТ 1761-92 Полосы и ленты из оловянно-фосфористой и оловянно-цинковой бронзы. Технические условия

ГОСТ 8594-80 Коробки для установки выключателей, переключателей и штепсельных розеток при скрытой электропроводке. Общие технические условия

ГОСТ 8724-2002 (ИСО 261-98) Основные нормы взаимозаменяемости. Резьба метрическая. Диаметры и шаги

ГОСТ 10434-82 Соединения контактные электрические. Классификация. Общие технические требования

ГОСТ 14254-96 (МЭК 529-89) Степени защиты, обеспечиваемые оболочками (Код IP)

ГОСТ 15150-69 Машины, приборы и другие технические изделия. Исполнения для различных климатических районов. Категории, условия эксплуатации, хранения и транспортирования в части воздействия климатических факторов внешней среды

ГОСТ 15543.1-89 Изделия электротехнические. Общие требования в части стойкости к климатическим внешним воздействующим факторам

ГОСТ 16504-81 Система государственных испытаний продукции. Испытания и контроль качества продукции. Основные термины и определения.

ГОСТ 16962.1-89 (МЭК 68-2-1-74) Изделия электротехнические. Методы испытаний на устойчивость к климатическим внешним воздействующим факторам

ГОСТ 16962.2-90 Изделия электротехнические. Методы испытаний на стойкость к механическим внешним воздействующим факторам

ГОСТ 18175-78 Бронзы безоловянные, обрабатываемые давлением. Марки

ГОСТ 18321-73 Статистический контроль качества. Методы случайного отбора выборок штучной продукции

ГОСТ 23216-78 Изделия электротехнические. Хранение, транспортирование, временная противокоррозионная защита, упаковка. Общие требования и методы испытаний

ГОСТ 24622-91 (ИСО 2039-2-87) Пластмассы. Определение твердости. Твердость по Роквеллу

ГОСТ 24682-81 Изделия электротехнические. Общие технические требования в части воздействия специальных сред

ГОСТ 27473-87 (МЭК 112-79) Материалы электроизоляционные твердые. Метод определения сравнительного и контрольного индексов трекингостойкости во влажной среде

ГОСТ 27483-87 (МЭК 695-2-1-80) Испытания на пожароопасность. Методы испытаний. Испытания нагретой проволокой

ГОСТ 28312-89 (МЭК 417-73) Аппаратура радиоэлектронная профессиональная. Условные графические обозначения

Примечание - При пользовании настоящим стандартом целесообразно проверить действие ссылочных стандартов в информационной системе общего пользования - на официальном сайте Федерального агентства по техническому регулированию и метрологии в сети Интернет или по ежегодно издаваемому информационному указателю «Национальные стандарты», который опубликован по состоянию на 1 января текущего года, и по соответствующим ежемесячно издаваемым информационным указателям, опубликованным в текущем году. Если ссылочный стандарт заменен (изменен), то при пользовании настоящим стандартом следует руководствоваться замененным (измененным) стандартом. Если ссылочный стандарт отменен без замены, то положение, в котором дана ссылка на него, применяется в части, не затрагивающей эту ссылку.

3. Термины и определения

В настоящем стандарте применены следующие термины с соответствующими определениями:

3.1 выключатель (switch): Устройство для включения и отключения тока и напряжения1) в одной или более электрических цепях.

1) При отсутствии других указаний под понятиями «напряжение» и «ток» подразумевают их среднеквадратичные значения.

3.1.1 кнопочный выключатель (push-button switch): Выключатель, управляемый с помощью кнопки, имеющей привод, для оперирования силой, создаваемой частью человеческого тела, обычно ладонью или пальцем руки, и имеющий устройство возврата накопленной энергии, например пружину.

3.1.2 выключатель с самовозвратом (momentary contact switch): Отключающее устройство, которое после срабатывания возвращается автоматически в исходное положение.

Примечание - Контакты выключателей с самовозвратом применяют в выключателях с выдержкой времени и дистанционным управлением.

3.1.3 кнопочный выключатель с самовозвратом (momentary push-button switch): Кнопочный выключатель, который возвращается в исходное положение автоматически после срабатывания.

3.1.4 шнурковый выключатель (cord-operated switch): Выключатель, в котором исполнительным механизмом является шнурок, натяжением которого изменяют положение контактов.

3.2 операция (one operation): Перемещение подвижных контактов из одного рабочего положения в другое.

3.3 зажим (terminal): Проводящая часть одного полюса, состоящая из одного или более зажимного устройства и изолированная, если необходимо.

3.4 зажим винтового типа (terminal with screw clamping): Зажим для присоединения путем прижатия внешнего жесткого или внешнего гибкого проводника.

3.5 зажимное устройство (clamping unit): Элемент(ы) зажима, необходимый(ые) для механической фиксации и электрического соединения проводника.

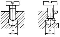
3.6 торцевой зажим (pillar terminal): Зажим винтового типа, в котором проводник вставляют в отверстие и прижимают торцом винта. Силу зажима могут прилагать непосредственно винтом или с помощью промежуточной прижимной детали, к которой прилагают силу винта.

Примечание - Пример торцевого зажима приведен на рисунке А.1 (см. приложение А).

3.7 зажим с крепежной головкой (screw terminal): Зажим винтового типа, в котором жилу проводника прижимают головкой винта. Силу прижима могут прилагать головкой винта или через промежуточную деталь, например шайбу, прижимную пластину или устройство для самоотвинчивания.

Примечание - Пример винтового зажима приведен на рисунке А.2 (см. приложение А).

3.8 зажим под гайку (stud terminal): Зажим винтового типа, в котором проводник прижимают гайкой. Силу прижима могут прилагать непосредственно фасонной гайкой или через промежуточную деталь, например шайбу, прижимную пластину или устройство для самоотвинчивания.

Примечание - Пример болтового зажима приведен на рисунке А.2 (см. приложение А).

3.9 зажим с прижимной планкой (saddle terminal): Зажим, в котором проводник прижимают планкой с помощью двух или более винтов.

Примечание - Пример зажима с прижимной планкой приведен на рисунке А.3 (см. приложение А).

3.10 зажим под наконечник (lug terminal): Зажим под винт или шпильку, в котором присоединительный зажим кабеля, провода или шины прижимается винтом или гайкой.

Примечание - Пример зажима под наконечник приведен на рисунке А.4 (см. приложение А).

3.11 зажим под колпачок (mantle terminal): Зажим винтового типа, в котором проводник прижимают к вырезу в резьбовом болте шайбой особой формы с помощью гайки с центральным штифтом, если гайка является колпачковой, или другим эквивалентным эффективным средством для передачи давления от гайки к проводнику.

Примечание - Пример зажима под колпачок приведен на рисунке А.5 (см. приложение А).

3.12 безвинтовой зажим (screwless terminal): Устройство для соединения и последующего разъединения жесткого (сплошного или скрученного) или гибкого проводника или для взаимного соединения двух проводников, которые в дальнейшем можно будет разъединить, причем соединение может быть прямое или непрямое и может быть выполнено с помощью пружин, деталей в виде уголка эксцентричной или конической формы и т.п., без специальной подготовки проводников, за исключением снятия с них изоляции.

3.13 самонарезающий формующий винт (thread-forming screw): Самонарезающий винт, имеющий непрерывную резьбу, который, вращаясь, формирует резьбу вытеснением материала.

Примечание - Пример такого винта приведен на рисунке А.6 (см. приложение А).

3.14 самонарезающий режущий винт (thread-cutting screw): Самонарезающий винт, имеющий непрерывную резьбу, который, вращаясь, формирует резьбу с удалением материала.

Примечание - Пример такого винта приведен на рисунке А.7 (см. приложение А).

3.15 механическое устройство выдержки времени (mechanical timedelay device): Устройство, которое с помощью приспособления срабатывает спустя некоторое время после того, как будут созданы необходимые условия для его срабатывания.

3.16 основание (base): Часть выключателя, на которую крепятся токоведущие части и механизм выключателя.

3.17 номинальное напряжение (rated voltage): Напряжение, установленное для выключателя изготовителем.

3.18 номинальный ток (rated current): Ток, установленный для выключателя изготовителем.

3.19 управляющий элемент (operating member): Часть шнуркового выключателя, которая соединяет внутренний механизм с натянутым шнуром, обычно закрепляемая за передаточную деталь выключателя.

3.20 полюс (выключателя) (pole [of a switch]): Часть выключателя, связанная одной токопроводящей частью (путем), образованной отдельными частями, общими с другими проводящими частями выключателя, с его цепью (цепями), имеющая контакты, предназначенные для замыкания и размыкания самой цепи, исключая те части, которые служат для монтажа и оперирования полюсами совместно.

3.21 исполнительный элемент (actuating member): Часть, которую тянут, на которую нажимают, которую поворачивают или перемещают иным образом, чтобы изменить положение контактов выключателя.

3.22 индикаторное устройство (pilot light): Устройство, включающее индикаторную лампочку, встроенную или соединенную с выключателем, сигнализирующее о положении исполнительного элемента выключателя.

3.23 выключатель с выводом гибкого кабеля: выключатель, имеющий средство для вывода гибкого кабеля.

3.24 высота падения: расстояние между положением контрольной точки в момент опускания маятника и положением этой точки в момент удара.

4. Общие требования

Конструкцией выключателей и их монтажных коробок должна быть предусмотрена возможность обеспечения в нормальных условиях эксплуатации надежной и безопасной для обслуживающего персонала и окружающей среды работы.

Соответствие проверяют проведением всех предписанных испытаний.

5. Общие требования к испытаниям

5.1. Испытания в соответствии с настоящим стандартом являются типовыми.

Выключатели подвергают приемосдаточным, периодическим, типовым, квалификационным и сертификационным испытаниям по ГОСТ 16504. Порядок их проведения должен соответствовать ГОСТ Р 15.201.

Выбор образцов проводят в соответствии с ГОСТ 18321 с учетом рекомендаций по ГОСТ Р 50779.71.

Периодичность испытаний, программы испытаний и условия их проведения устанавливают в стандартах и технических условиях на выключатели конкретных серий и типов.

5.2. Если нет других указаний, выключатели испытывают в нормальных условиях эксплуатации.

Если не указано иное, выключатели с сигнализацией испытывают, как выключатели без сигнализации.

Результаты испытаний оценивают так же, как и для выключателей обычного исполнения.

Выключатели для скрытой установки, которые не подходят под общепринятые стандартные условия, испытывают вместе с соответствующей монтажной коробкой.

5.3. Испытания проводят в порядке следования пунктов стандарта при температуре окружающей среды 15 °C - 35 °C, если нет других указаний. Если есть сомнения, испытания проводят при температуре окружающей среды (20 ± 5) °C.

5.4. Для испытания выключателей, маркированных одним значением номинального напряжения и одним значением номинального тока, необходимо иметь девять образцов.

Три образца подвергают всем необходимым испытаниям, кроме испытания, указанного в 19.2, для которого используют другой комплект из трех образцов (или два других комплекта образцов со схемой 2), а для испытания, указанного в разделе 24, используют последние три образца.

Для испытаний по 24.2 могут потребоваться три дополнительных образца.

Для испытания по 12.3.2 необходимы еще три дополнительных образца.

Для испытания по 12.3.11 требуются дополнительные образцы выключателей, имеющих в общем не менее пяти безвинтовых зажимов.

Для испытаний по 12.3.12 необходимы три дополнительных образца выключателей; на каждом образце проверяют одно прижимное устройство.

Для каждого испытания, указанного в 13.15.1 и 13.15.2, требуются три дополнительных образца, отдельных сальниковых вводов или выключателей, имеющих сальниковые вводы.

Для испытания по разделу 16 могут потребоваться три дополнительных выключателя, в случае выключателей с индикацией.

Для шнурковых выключателей три дополнительных образца используют для испытания по 20.9.

Для выключателей, маркированных двумя значениями номинального напряжения и соответствующими номинальными токами, необходимы 15 образцов.

Для каждых из двух комбинаций номинального напряжения и номинального тока, маркированных на выключателе, три образца подвергают всем необходимым испытаниям, кроме испытания по 19.2, где используют два (или четыре для образцов со схемой 2) дополнительных комплекта из трех образцов.

Выключатель, имеющий маркировку 250/380 В, испытывают, как выключатель на напряжение 380 В.

Выключатели с самовозвратом, предназначенные для оперирования звонками, электромагнитные ВДУ или выключатели с выдержкой времени (таймеры) не предоставляют на испытания по 18.2 и 19.2.

Примечание - Число образцов, необходимых для испытаний, приведено в приложении В.

5.5. Образцы, предоставленные на все соответствующие испытания, должны удовлетворять требованиям всех предписанных испытаний.

Если один образец не удовлетворяет испытанию вследствие сборки или дефекта изготовления, это испытание и любое предшествующее, которое могло повлиять на результаты испытания, должны быть проверены в необходимой последовательности на другом полном комплекте образцов, из которых все должны соответствовать требованиям.

Примечания

1. Вместе с образцами, указанными в 5.4, заказчик может предоставить дополнительный комплект образцов, которые могут понадобиться в случае, если один образец не выдержит испытания. В этом случае испытательная лаборатория без специального запроса испытывает дополнительные образцы и может забраковать их, если следующий образец не выдержит испытания. Если дополнительный комплект образцов не предоставляется, то повреждение образца повлечет за собой отказ.

2. Изготовитель вправе внедрять отдельные положения системы менеджмента качества в соответствии с особенностями производства своей продукции.

Изготовитель может сертифицировать свою систему менеджмента качества на соответствие ГОСТ Р ИСО 9000 и ГОСТ Р ИСО 9001.

3 Испытание выключателей на надежность по ГОСТ 27.003 при постановке их на производство повторяют в процессе серийного изготовления.

Периодичность испытаний выключателей на надежность устанавливают в ТУ на продукцию.

Проверку стойкости выключателей к климатическим и механическим внешним воздействующим факторам по ГОСТ 16962.1 и ГОСТ 16962.2 проводят при постановке их на производство.

Проверку сохранности выключателей при хранении и транспортировании по ГОСТ 23216 проводят при постановке их на производство.

6. Номинальные значения

6.1. Предпочтительно выключатели должны иметь номинальные напряжения из ряда: 130, 230, 250, 277, 380, 415 и 440 В.

Для выключателей с самовозвратом, предназначенных для включения звонков, электромагнитных ВДУ или выключателей с выдержкой времени (таймеры) стандартными номинальными напряжениями являются 130 и 250 В.

При использовании других напряжений их значения должны быть не ниже 120 В.

6.2. Предпочтительно выключатели должны иметь номинальные токи из ряда: 6, 10, 16, 20, 25, 32, 40 и 63 А.

Номинальный ток должен быть не менее 6 А, кроме номинальных токов 1, 2 и 4 А для выключателей с самовозвратом, предназначенных для включения звонков, электромагнитных ВДУ или выключателей с выдержкой времени.

Выключатели на номинальный ток не более 16 А, кроме выключателей со схемами 3 и 03 и выключателей с самовозвратом, должны иметь номинальный ток для люминесцентных ламп, равный номинальному.

Для выключателей на номинальный ток свыше 16 до 25 А включительно проведение испытаний с люминесцентными лампами необязательно.

Соответствие требованиям 6.1 и 6.2 проверяют осмотром маркировки.

6.3. Предпочтительно выключатели должны иметь степень защиты из ряда: IP20, IP40, IP44 или IP55 (по ГОСТ 14254).

7. Классификация

7.1. Выключатели классифицируют:

7.1.1 в зависимости от способа соединения (см. рисунок А.8, приложение А):

однополюсные выключатели.................................................................. 11)

1) Здесь и далее цифры означают номер схемы.

двухполюсные выключатели................................................................... 2

трехполюсные выключатели................................................................... 3

трехполюсные выключатели плюс коммутируемая нейтраль............. 03

переключатели однополюсные на два направления............................. 6

выключатели однополюсные для двух цепей с общим вводом.......... 5

переключатели однополюсные на два направления и с одним положением «включено»  4

переключатели двухполюсные на два направления............................. 6/2

переключатели реверсивные на два направления (двухполюсные или промежуточные выключатели)  7

Примечания

1. Два или более выключателей, имеющие одинаковые или разные схемы, могут быть установлены на одном общем основании.

2. Номер схемы с положением «выключено» также относится к кнопочным выключателям и выключателям с самовозвратом.

7.1.2 в зависимости от зазора между контактами на выключатели:

- с нормальным зазором;

- с минимальным зазором;

- с микрозазором;

- без контактного зазора (полупроводниковые выключающие устройства).

Примечания

1. Выключатели с минимальным зазором имеют расстояние между контактами в отключенном положении от 3 до 1,2 мм.

2. Выключатели с микрозазором имеют расстояние между контактами в отключенном положении менее 1,2 мм.

3. Выключатели, имеющие полупроводниковое коммутирующее устройство, не имеют зазора.

4. Выключатели, соответствующие настоящему стандарту, имеют функциональное назначение.

Для поставок внутри страны допускается изготавливать выключатели:

а) со следующими способами соединения, рисунок А.8 (см. приложение А):

- однополюсные на две цепи без отключенного положения контактов - схема 04,

- однополюсные на три цепи - схема 05;

б) с короткозамкнутыми неподвижными контактами - схемы 5 и 05.

7.1.3 свободные.

7.1.4 в зависимости от степени защиты от вредного проникновения воды на выключатели:

- обычные со степенью защиты IPX0;

- брызгозащищенные со степенью защиты IPX4;

- струезащищенные со степенью защиты IPX5.

Примечания

1. В настоящем стандарте термин «обычный» касается только степени защиты от проникновения воды.

2. Для объяснения кодов IP см. ГОСТ 14254.

7.1.5 в зависимости от метода действия на выключатели:

- поворотные;

- перекидные;

- клавишные;

- кнопочные;

- шнурковые.

7.1.6 в зависимости от метода установки на выключатели:

- открытого типа;

- скрытого типа;

- полускрытого типа;

- панельного типа;

- карнизного типа.

7.1.7 в зависимости от способа установки, обусловленного конструкцией, на выключатели, в которых крышку или накладку:

- можно снять без отсоединения проводников (конструкция А);

- нельзя снять без отсоединения проводников (конструкция В).

Примечание - Если выключатель имеет основание (главную часть), которое нельзя отделить от крышки или накладки, и он нуждается в дополнительной пластине, которую можно снимать в процессе ремонта стены (на которую выключатель установлен), не отсоединяя проводов, то такой выключатель можно отнести к конструкции А при условии, что промежуточная пластина будет удовлетворять требованиям, установленным для крышек и накладок.

7.1.8 в зависимости от типа зажимов на выключатели:

- с зажимами винтового типа;

- с безвинтовыми зажимами только для жестких проводников;

- с безвинтовыми зажимами для жестких и гибких проводников.

7.1.9 по степени защиты от проникновения внешних твердых предметов на:

- IP2X: защищенные от проникновения внешних твердых предметов диаметром не менее 12,5 мм;

- IP4X: защищенные от проникновения внешних твердых предметов диаметром не менее 1,0 мм;

- IP5X: пылезащищенные.

7.1.10 в зависимости от наличия вывода гибкого кабеля - на выключатели:

- без вывода гибкого кабеля;

- с выводом гибкого кабеля.

7.2. Предпочтительные сочетания числа полюсов и номинальных значений приведены в таблице 1.

Таблица 1 - Предпочтительные сочетания числа полюсов и номинальных значений

Номинальный ток, А

Число полюсов

Номинальное напряжение от 120 до 250 В включ.

Номинальное напряжение св. 250 В переменного тока

1, 2, 4, 6

1

-

10

1

1

2

2

-

3

-

4

16, 20, 25, 32, 40 и 63

1

1

2

2

3

3

4

4

8. Маркировка

8.1. Выключатели должны иметь следующую маркировку:

- номинальный ток в амперах (А) или номинальную нагрузку люминесцентных ламп в амперах (АХ), или комбинация из этих двух значений, если эти значения различны (см. 6.2 и примеры маркировки в 8.2);

- номинальное напряжение в вольтах;

- символ вида источника питания;

- наименование, товарный или отличительный знак предприятия-изготовителя;

- обозначение типа;

- символ выключателя с минимальным зазором, если применимо;

- символ выключателя с микрозазором, если применимо;

- символ полупроводниковых коммутирующих устройств, если применимо;

- если первая характерная цифра в символе степени защиты от доступа к опасным токопроводящим частям и от проникновения внешних твердых частиц выше 2, то вторая характерная цифра должна быть отменена;

- если вторая цифра в символе степени защиты от опасного проникновения воды выше 0, то первая характерная цифра также должна быть отменена.

Примечания

1. Рекомендуется указывать номер схемы в соответствии с 7.1.1, если при внешнем осмотре выключателя будут неясны соединения. Указанный номер схемы может быть частью обозначения типа выключателя.

2. Если на одном основании установлено два или более выключателей с самостоятельными приводными устройствами, то рекомендуется указывать номера их схем, например 1 + 6 или 1 + 1 + 1.

В дополнение, выключатели с безвинтовыми зажимами должны иметь маркировку относительно пригодности присоединения только жестких проводников для выключателей, которые имеют на это ограничение. Эту информацию прикладывают к упаковке выключателя или упаковочной единице.

8.2. Должны применяться следующие символы:

- амперы:

ток люминесцентных ламп......................................................................................... АХ

другие токи................................................................................................................... А

- напряжение (вольты)................................................................................................. V1)

1) Для поставок внутри страны допускается использование буквы «В» вместо «V».

- переменный ток.......................................................................................................... ~

- нейтраль...................................................................................................................... N

- проводник (фаза)........................................................................................................ L

- заземление................................................................................................................... ^

- положение «выключено».......................................................................................... О

- положение «включено»............................................................................................. |

- конструкция с минимальным зазором..................................................................... m

- конструкция с микрозазором.................................................................................... µ

Примечание - Символ «О» применяют на выключателях с нормальным зазором.

- степени защиты.......................................................................................................... IPXX

Примечания

1. Более подробное описание символов - согласно ГОСТ 28312.

2. В условном обозначении степени защиты буква «X», указывающая защиту от попадания твердых тел, может заменяться соответствующей цифрой.

3. Линии, образованные конструкцией инструмента, не рассматривают как часть маркировки.

Для маркировки тока люминесцентных ламп символ АХ может заменяться символом X. Для маркировки номинального тока и номинального напряжения могут применяться только цифры. Маркировку вида электрического тока выключателей помещают после маркировки номинального тока и номинального напряжения.

Примечание - Маркировка тока, напряжения и вида тока может, например, иметь следующий вид:

10 АХ, 250 V ~                            или 10X/250 ~,                             или  ~;

20 А - 16 АХ 250 V ~                 или 20 - 16 X/250 ~,                    или  ~;

10 AX 400 V ~                             или 10Х/400~,                              или  ~;

25 А 400 V ~                                или 25/400 ~,                                или  ~;

25 А 250 V ~                                или 25/250 ~,                                или  ~;

25 А 440 V ~                                или 25/440 ~,                                или  ~.

8.3. Следующая маркировка должна быть расположена на основной части выключателя:

- номинальный ток, номинальное напряжение, вид электрического тока;

- наименование, товарный или отличительный знак предприятия-изготовителя,

- длина снятой изоляции перед вставлением проводника в безвинтовой зажим, если необходимо;

- если необходимо, символ конструкции с минимальным зазором, микрозазором или полупроводникового коммутирующего устройства;

- обозначение типа.

Примечание - Обозначение типа может быть заменено на каталожный номер или условное наименование серии (при условии наличия обозначения типа в сопроводительной документации и на упаковке).

Такие детали, как крышки, необходимые для безопасности и предназначенные для продажи отдельно, должны иметь маркировку с указанием товарного или отличительного знака предприятия-изготовителя и обозначение типа.

Символ IP степени защиты выключателя от проникновения воды (если это необходимо) должен наноситься на наружной стороне корпуса так, чтобы он был виден, когда выключатель установлен как при нормальной эксплуатации.

Маркировка должна быть ясно видна невооруженным глазом. Обязательную часть маркировки следует располагать на внутренней стороне крышки, не закрываемой контуром основания, чтобы ее можно было легко различить при снятой крышке или закрывающей пластине, когда выключатель устанавливают и соединяют с проводкой, как при нормальной эксплуатации. Эту маркировку не следует наносить на частях, которые могут сниматься без применения инструмента.

Примечания

1. Обозначение типа может дополнительно маркироваться на основной части: снаружи или внутри корпуса.

2. Термин «основная часть» означает части выключателя, на которых расположены контакты и другие, связанные с ним детали; к ним относятся кнопка, рукоятка и подобные им детали, а также части, предназначенные для продажи отдельно.

8.4. Зажимы, предназначенные для соединения фазных (питающих) проводников, должны иметь отличительную маркировку, кроме случаев, когда способ соединения не имеет значения, очевиден или указан на электрической схеме. Такая маркировка может быть выполнена в виде буквы L, а в случае более одного зажима - в виде букв и цифр L1, L2, L3 и т.д., рядом с которыми может быть указана стрелка в направлении соответствующего зажима или зажимов.

Эти обозначения нельзя наносить на винты или другие легкоснимаемые детали.

Поверхность таких зажимов может быть без покрытия из латуни или меди, а другие зажимы могут быть покрыты металлическим слоем другого цвета.

В выключателях со схемами 2, 3, 03 и 6/2 зажимы, относящиеся к какому-нибудь одному полюсу, должны иметь одинаковое обозначение (там, где это имеет место) в отличие от зажимов, относящихся к другим полюсам, кроме случаев, когда различие между ними очевидно.

Для поставок внутри страны требование распространяется на выключатели со схемой 05.

Примечания

1. Электрическая схема может находиться в инструкции, поставляемой вместе с выключателем.

2. Легкоснимаемые части - это те части, которые могут быть сняты при нормальной установке выключателя.

8.5. Зажимы, предназначенные только для нейтрального проводника, должны быть обозначены буквой N.

Заземляющие зажимы должны быть обозначены символом .

Эти обозначения нельзя наносить на винты или другие легкоснимаемые детали.

Зажимы, предназначенные для подсоединения проводников, относящихся к основным цепям, должны быть четко обозначены, если их назначение неочевидно, или обозначены на электрической схеме, которая должна быть приложена к комплекту.

Идентификацию контактных зажимов достигают за счет их маркировки:

- графическими символами согласно ГОСТ 28312 или расцветкой и/или алфавитно-цифровой системой;

- физической величиной или относительным расположением.

Для этой цели не применяют неоновые указатели или индикаторы.

8.6. Выключатели со схемами 2, 3 и 03 и выключатели на номинальное напряжение свыше 250 В или номинальный ток свыше 16 А должны иметь такую маркировку, чтобы на ней было отчетливо указано направление перемещения приводного элемента выключателя в различные положения или фактическое положение выключателя. На выключателях, имеющих более одного приводного элемента, маркировка должна указывать действие, выполняемое каждым таким элементом.

Эти обозначения должны быть отчетливо видны на лицевой стороне выключателя в сборе с крышкой или накладкой.

Если эти обозначения наносят на крышку, накладку или съемный приводной элемент, то нельзя устанавливать крышку или накладку в такое положение, в котором эти обозначения оказались бы неправильными.

Символы «Вкл.» и «Отк.» не должны использоваться для индикации положения выключателя, если одновременно они четко не указывают направление движения приводного элемента.

Примечание - Для указания положения выключателя допускается использовать другие подходящие средства, например индикаторную лампочку.

Символ |, обозначающий положение «включено», должен быть радиальным для поворотных выключателей, перпендикулярным к оси вращения подвески для перекидных и клавишных выключателей и вертикальным для кнопочных выключателей при вертикальной установке.

Эти требования не относятся к выключателям, приводимым в действие с помощью шнура, и выключателям со схемами 6, 6/2 и 7.

Примечание - Указанные обозначения являются необязательными для кнопочных выключателей.

Соответствие требованиям 8.1 - 8.6 проверяют внешним осмотром.

8.7. Кнопку включения окрашивают в красный цвет, если она служит для размыкания цепи, в которой установлена. Кроме того, она может служить для замыкания вспомогательных контактов цепей управления, контрольных ламп и т.д.

8.8. Если при установке выключателя необходимо соблюдать специальные меры безопасности, то они должны быть указаны в инструкции, поставляемой вместе с выключателем.

Инструкция должна быть составлена на официальном языке страны, в которую поставляются выключатели.

Требования 8.7 и 8.8 проверяют внешним осмотром.

Примечания

1. Специальные меры безопасности могут, например, понадобиться для выключателей открытой установки и выключателей для панельного монтажа.

2. Для того чтобы после установки выключателя были созданы необходимые условия для соответствия требованиям настоящего стандарта, в инструкции должны быть указаны следующие сведения:

- размеры пространства, необходимого для установки выключателя;

- размеры и место установки опорных и крепежных деталей выключателя в пределах этого пространства;

- минимальные расстояния между различными частями выключателя и соседними устройствами в месте установки;

- минимальные размеры вентиляционных отверстий, если они необходимы, и их правильное расположение;

- характеристики индикаторной лампочки, которую нужно использовать в выключателях с индикацией.

8.9. Маркировка должна быть долговечной и хорошо читаемой. Маркировку проверяют внешним осмотром и следующим испытанием.

Испытание проводят путем протирания маркировки в течение 15 с сначала куском ткани, смоченной водой, а затем в течение 15 с куском ткани, смоченной бензином.

Примечания

1. Этому испытанию не подвергают маркировку, выполненную путем оттиска, отливки, штамповки или гравировки.

2. Рекомендуется, чтобы бензин был на базе гексанового растворителя, с максимальным содержанием ароматических соединений 0,1 % по объему, каури-бутаноловым числом 29, с начальной температурой кипения примерно 65 °C, точкой испарения примерно 69 °C и плотностью примерно 0,68 г/см3.

8.10. Маркировка выключателей для поставок внутри страны должна дополнительно соответствовать следующим требованиям:

- при кооперированном изготовлении выключателей предприятие-изготовитель отдельных деталей свой товарный знак не ставит;

- указывают климатическое исполнение по ГОСТ 15150;

- допускается не наносить обозначение климатического исполнения УХЛ;

- указывают дату изготовления - месяц, год;

- наносят надпись «Сделано в России» (при изготовлении на экспорт - на языке, указанном в договоре между предприятием-изготовителем и внешнеэкономической организацией).

Для выключателей, на которые невозможно и нецелесообразно наносить маркировку в полном объеме, число маркировочных данных может быть сокращено. Наличие товарного знака, основных технических параметров и даты изготовления является обязательным.

Все виды дополнительной маркировки выключателей или отсутствие некоторых обозначений маркировки, а также способ нанесения маркировки должны быть указаны в технических условиях на выключатели конкретных серий и типов.

9. Проверка размеров

Выключатели и их монтажные коробки должны соответствовать стандартам, если таковые имеются.

Проверку проводят измерениями.

9.1. Основные размеры оснований выключателей степени защиты IP20 по ГОСТ 14254 должны соответствовать указанным на рисунке А.9 (см. приложение А).

Отверстия или пазы для крепления оснований выключателей должны изготовляться по одному из вариантов, указанных на рисунке А.9 (см. приложение А). Межосевое расстояние А должно быть равно:

(38 ± 0,6) мм - для отверстий;

 мм - для пазов.

Допускается изготовление оснований выключателей без паза для прохода проводов, при этом конструкция выключателей должна обеспечивать расстояние не менее 7 мм между:

- основанием и боковой внутренней поверхностью крышки в зоне расположения отверстий для крепления основания в выключателях для открытой установки;

- основанием и дном монтажной коробки в выключателях для скрытой установки.

9.2. Установочные размеры выключателей для скрытой установки должны соответствовать указанным на рисунке А.10 а) (см. приложение А) и обеспечивать возможность их установки в монтажные коробки по ГОСТ 8594 с помощью распорных лапок.

Допускается изготавливать выключатели для скрытой установки с другим способом крепления в монтажные коробки, требования к которому должны быть указаны в технических условиях на выключатели конкретных типов и серий.

9.3. Установочные размеры выключателей степени защиты выше IP20 должны соответствовать указанным на рисунке А.10 б) (см. приложение А).

Допускается располагать отверстия или пазы для крепления в наружных приливах с размерами по одному из вариантов, указанных на рисунке А.10 в) (см. приложение А).

Примечание - Рисунки А.9 и А.10 (см. приложение А) не определяют конструкцию выключателей, крышек и корпусов выключателей.

9.4. Габаритные размеры выключателей должны соответствовать установленным в технических условиях на выключатели конкретных серий и типов.

Соответствие требованиям 9.1 - 9.4 проверяют измерениями.

10. Защита от поражения электрическим током

10.1. Конструкцией выключателей, установленных как при нормальной эксплуатации, должна быть предусмотрена возможность обеспечения недоступности прикосновения к их токоведущим частям даже после удаления частей, которые могут быть сняты без применения инструмента.

Выключатели с индикацией и номинальными напряжениями, отличными от сверхнизких (более 25 В), не должны допускать контакта с корпусом лампочки.

Проверку проводят внешним осмотром и, в случае необходимости, следующим испытанием.

Для выключателей с выводом гибкого кабеля испытание проводят без установленного гибкого кабеля.

Образец монтируют как для нормальной эксплуатации и подсоединяют проводники с наименьшим сечением, указанным в разделе 12. Затем испытание повторяют с использованием проводников с наибольшим сечением, указанным в разделе 12.

Стандартный испытательный палец, указанный на рисунке А.11 (см. приложение А), согласно ГОСТ 14254 прикладывают во всех возможных положениях, а электрический индикатор на напряжение не менее 40 и не более 50 В указывает на наличие контакта с соответствующей частью корпуса.

Выключатели, имеющие крышки, изготовленные из термопласта или эластичных материалов, подлежат дополнительному испытанию, которое проводят при температуре окружающей среды, равной (35 ± 2) °C.

При дополнительном испытании к выключателю прикладывают в течение 1 мин силу, равную 75 Н, прилагаемую к наконечнику прямого неразъемного испытательного пальца, имеющего размеры, идентичные стандартному испытательному пальцу.

Палец с электрическим индикатором прикладывают, как указано выше, ко всем местам выключателя, где ухудшение изоляционного материала может снизить электробезопасность, за исключением тонкостенных пробиваемых диафрагм, к которым прикладывают силу 10 Н.

Во время испытания выключатели и их монтажные устройства не должны деформироваться настолько, чтобы палец мог коснуться токоведущих частей.

Примечание - Диафрагмы, мембраны или подобные части испытывают по 13.15.1.

10.2. Рукоятки, рычаги управления, кнопки, балансиры и аналогичные детали должны быть изготовлены из изоляционного материала, за исключением случаев, когда их открытые металлические части отделены от металлических частей механизма двойной или усиленной изоляцией или когда они надежно соединены с землей.

Соответствие проверяют внешним осмотром и испытанием по разделам 16 и 23.

Примечание - Требование не распространяется на подвижные кнопки или промежуточные части, такие как цепочки или штоки.

10.3. Части выключателей обычного исполнения на номинальный ток не более 16 А, доступные для прикосновения, должны быть изготовлены из изоляционного материала, за исключением:

a) винтов и подобных деталей, изолированных от токоведущих частей и используемых для крепления оснований, крышек и накладок;

b) деталей, приводящих выключатели в действие в соответствии с 10.2;

c) крышек и накладок из металла при соблюдении требований 10.3.1 и 10.3.2.

10.3.1. Крышки и накладки из металла должны быть защищены дополнительной изоляцией, выполненной изолирующими прокладками и перегородками.

Изолирующие прокладки или перегородки должны:

- прикрепляться к крышкам или накладкам, или корпусу выключателя таким образом, чтобы их нельзя было снять без повреждения;

- иметь такую конструкцию, чтобы:

их нельзя было поставить в неправильное положение;

при их отсутствии выключатель считался бы непригодным к эксплуатации;

исключалась бы возможность случайного прикосновения между токоведущими частями и металлическими крышками или накладками, например через их крепежные винты, даже в том случае, если проводник выпадает из своего зажима;

соблюдались бы меры, не допускающие уменьшения путей утечки и воздушных зазоров до значений, менее указанных в разделе 23.

Соответствие проверяют внешним осмотром.

Указанные прокладки и перегородки следует проверять испытанием по разделам 16 и 23.

Примечание - Изоляционное покрытие внутри и снаружи металлических крышек или накладок не относят к изоляционным прокладкам или перегородкам, рассматриваемым в настоящем разделе.

10.3.2 Металлические крышки или накладки во время установки заземляют с помощью проводника, имеющего низкое сопротивление.

Примечание - Допускается использование крепежных винтов или других средств крепления.

Соответствие проверяют внешним осмотром и испытанием по 11.4.

10.4. Металлические части механизма, например ось или шарнир подвески или балансира, не изолированные от токоведущих частей, не должны выступать из кожуха.

В выключателях, работающих с помощью подвижной кнопки или аналогичной детали, эти металлические части механизма должны быть изолированы от токоведущих частей.

Соответствие проверяют внешним осмотром.

Примечание - Если приводная деталь выключателя вышла из строя, проверку проводят после испытания по разделу 23.

10.5. Металлические части механизма, например ось или шарнир подвески и т.п., не должны оставаться доступными после установки выключателя в рабочее положение.

Они должны быть изолированы от доступных металлических частей, включая металлические каркасы, удерживающие основание выключателей для скрытой установки, которые должны устанавливаться в металлические коробки, и от винтов, крепящих основание выключателя к опорной поверхности.

Дополнительные требования не применяют, если металлические части механизма отделены от токоведущих частей настолько, что расстояния путей утечек тока и воздушные зазоры превышают не менее чем в два раза значения, указанные в разделе 23, или, например, если они надежно заземлены.

Соответствие проверяют внешним осмотром и испытаниями по разделам 10 и 16.

Примечания

1. При проверке доступности к металлическим частям механизма выключателей открытой установки или выключателей для карнизной проводки учитывают защищенность выключателя, обусловленную обычным способом его установки.

2. Для открытых выключателей пакетного типа, у которых металлическая шарнирная ось находится на металлической пластине основания, дополнительное требование означает, что расстояния путей утечки тока и воздушные зазоры между токоведущими частями и осью, а также между металлическими частями механизма и пластиной основания должны превышать не менее чем в два раза значения, указанные в разделе 23.

10.6. Выключатели, управляемые с помощью подвижной кнопки или промежуточной детали, например шнура, цепочки или штока, должны иметь такую конструкцию, чтобы кнопка или промежуточная деталь касались только тех частей, которые изолированы от токоведущих частей.

Кнопка или промежуточная деталь должны быть изолированы от металлических частей механизма, за исключением случаев, когда расстояния путей утечек тока и воздушные зазоры между токоведущими частями и металлическими частями механизма превышают не менее чем в два раза значения, указанные в разделе 23.

Соответствие проверяют внешним осмотром и испытанием по 16.2.

Примечание - Лак и эмаль не относят к изоляционным материалам, отвечающим требованиям 10.1 - 10.6.

10.7. Конструкцией выключателей, приводимых в действие с помощью шнурка, который может быть порван или заменен потребителем, должна быть предусмотрена возможность недопущения прикосновения к токоведущим частям, когда происходит обрыв или замена приводного шнурка.

Соответствие проверяют визуальным осмотром.

11. Заземление

11.1. Доступные прикосновению металлические части выключателя с заземляющим контактным зажимом, которые могут оказаться под напряжением в случае повреждения изоляции, должны быть снабжены или постоянно и надежно соединены с заземляющим контактным зажимом.

Примечания

1. Требование не распространяется на металлические накладки, упомянутые в 10.3.1.

2. При этом небольшие винты и подобные им детали, изолированные от токоведущих частей и предназначенные для крепления основания, крышек или накладок, не считают доступными прикосновению частями, которые могут оказаться под напряжением в случае повреждения изоляции.

11.2. Заземляющие контактные зажимы должны быть зажимами с креплением под винт или безвинтовыми зажимами и соответствовать требованиям раздела 12.

Они должны иметь те же размеры, что и соответствующие зажимы для питающих проводников, за исключением некоторых дополнительных внешних заземляющих контактных зажимов, допускающих присоединение проводников сечением 6 мм2.

11.3. Выключатели открытого типа с корпусом из изоляционного материала, с символом защиты IP выше, чем IPX0, имеющие более одного кабельного ввода, должны иметь внутренний заземляющий зажим (или адекватное пространство для безвинтового зажима) для подключения входящего и выходящего проводников для постоянного соединения с заземляющим контуром.

Раздел 12 не распространяется на безвинтовые зажимы.

Соответствие требованиям 11.1 - 11.3 проверяют внешним осмотром и испытанием по разделу 12. Соответствие адекватного пространства для безвинтового зажима проверяют пробным подключением.

11.4. Соединение между заземляющим контактным зажимом и доступными прикосновению металлическими частями, которые к нему присоединяют, должны иметь малое электрическое сопротивление.

Соответствие проверяют следующим испытанием: ток от источника переменного тока с напряжением холостого хода не более 12 В, равный 1,5-кратному значению номинального тока или 25 А, что является большим значением, пропускают поочередно через заземляющий зажим и каждую доступную для прикосновения металлическую часть.

При этом измеряют падение напряжения между заземляющим контактным зажимом и доступной для прикосновения металлической частью и рассчитывают сопротивление по току и падению напряжения.

Электрическое сопротивление должно быть не более 0,05 Ом.

Примечание - При испытании необходимо принять меры, чтобы переходное сопротивление между наконечником измерительного щупа и металлической частью не повлияло на результаты испытания.

12. Контактные зажимы

12.1. Общие положения

Выключатели должны иметь винтовые или безвинтовые контактные зажимы.

Детали для крепления проводников в контактных зажимах не должны использоваться для крепления других частей, хотя они могут служить для закрепления самих контактных зажимов и препятствовать их смещению.

Все испытания зажимов, за исключением 12.3.11, следует проводить после испытания по 15.1.

12.2. Винтовые зажимы для наружных медных проводов

12.2.1. Выключатели должны иметь контактные зажимы, позволяющие присоединять медные проводники сечений, указанных в таблице 2.

Таблица 2 - Соотношение между номинальными токами и сечением присоединяемых медных проводников

Номинальный ток, А

Жесткий проводник (одно- или многопроволочный)1)

Номинальное сечение, мм2

Наибольший диаметр проводника, мм

До 4 включ.2)

От 0,75 до 1,50 включ.

1,45

Св. 4 » 6 »

» 0,75 до 1,50 »

1,45

» 6 » 103) »

» 1,00 » 2,50 »

2,13

» 10 » 163) »

» 1,50 » 4,00 »

2,72

» 16 » 25 »

» 2,50 » 6,00 »

3,34

» 25 » 32 »

» 4,00 » 10,00 »

4,34

» 32 » 40 »

» 6,00 » 10,00 »

5,46

» 40 » 63 »

» 10,00 » 25,00 »

6,85

1) Допускается использование гибких проводников.

2) Для специальных целей, например для сверхнизких значений напряжения, для которого применяются гибкие проводники (сечением от 0,50 до 1,00 мм2 включ.).

Требование распространяется на выключатели схемы 0,5.

3) Каждый питающий зажим выключателей, кроме схем 3, 03 и 7, должен позволять присоединение двух проводников сечением 2,5 мм2. Для выключателей на номинальное напряжение не свыше 250 В достаточно круглого отверстия для присоединения двух проводников сечением 2,5 мм2.

Выключатели должны иметь винтовые контактные зажимы, рассчитанные на присоединение одно- или многопроволочных медных, алюминиевых или алюмомедных проводников сечением, указанным в таблице 2, без специальной подготовки. Зажимы должны соответствовать требованиям ГОСТ 10434.

Пространство для размещения провода в контактных зажимах должно быть не менее значений, указанных на рисунках А.1 - А.5 (см. приложение А).

Соответствие проверяют внешним осмотром и присоединением проводников наименьших и наибольших из предусмотренных сечений.

12.2.2. Винтовые зажимы должны обеспечивать присоединение проводников без специальной подготовки.

Соответствие проверяют внешним осмотром.

Примечание - Термин «специальная подготовка» означает лужение жилы проводника, изготовление колец и т.д., но не изменение формы проводника перед введением его в контактный зажим или скручивание гибкого проводника для ужесточения его конца.

12.2.3. Винтовые контактные зажимы должны иметь необходимую механическую прочность.

Винты и гайки для зажима проводников должны иметь метрическую резьбу по ГОСТ 8724 или резьбу, адекватную ей по размеру шага и механической прочности.

Винты не следует изготовлять из мягкого или легкоподдающегося деформации металла, например цинка или алюминия.

Соответствие проверяют внешним осмотром и испытаниями по 12.2.6 и 12.2.8.

Примечание - Условно нормальную метрическую резьбу S1 Британской ассоциации стандартов ВА и американскую унифицированную крупную резьбу UN считают совместимыми по размеру шага и механической прочности с метрической резьбой по ГОСТ 8724.

12.2.4. Винтовые зажимы должны быть устойчивы к коррозии.

Контактные зажимы, изготовленные из меди или медных сплавов в соответствии с 22.5, отвечают настоящему требованию.

12.2.5. Конструкцией зажимов винтового типа должна быть предусмотрена возможность исключения повреждения проводника(ов) при закреплении его (их) в зажиме.

Соответствие проверяют следующим испытанием.

Зажим испытуемого выключателя размещают согласно рисунку А.12 (см. приложение А) и оснащают круглым (одно- или многопроволочным) проводником согласно таблице 2, вначале с наименьшим, а затем с наибольшим сечением, зажимая винт(ы) или гайку(и) крутящим моментом по таблице 3.

Таблица 3 - Крутящий момент для проверки механической прочности зажимов винтового типа

Номинальный диаметр резьбы, мм

Крутящий момент, Н · м

1

2

3

4

5

6

7

До 2,8 включ.

0,20

-

0,4

-

0,4

-

Свыше 2,8 » 3,0 »

0,25

-

0,5

-

0,5

-

» 3,0 » 3,2 »

0,30

-

0,6

-

0,6

-

» 3,2 » 3,6 »

0,40

-

0,8

-

0,8

-

» 3,6 » 4,1 »

0,70

1,2

1,2

1,2

1,2

-

» 4,1 » 4,7 »

0,80

1,2

1,8

1,8

1,8

-

» 4,7 » 5,3 »

0,80

1,4

2,0

2,0

2,0

-

» 5,3 » 6,0 »

-

1,8

2,5

3,0

3,0

-

» 6,0 -

-

-

-

-

-

0,8

Примечания

1. Значения графы 2 относят к винтам без головок, если винт в затянутом положении не выступает из отверстия, и к другим винтам, которые не могут быть затянуты с помощью отвертки с лезвием шире, чем диаметр винта.

Значение графы 3 относят к гайкам зажимов под колпачок, которые затягивают с помощью отвертки.

Значение графы 4 относят к другим типам винтов, которые затягивают с помощью отвертки.

Значение графы 5 относят к гайкам зажимов под колпачок, которые затягивают с помощью других средств без отвертки.

Значение графы 6 относят к винтам или гайкам, кроме гаек зажимов под колпачок, которые затягивают с помощью других средств без отвертки.

Значения графы 7 относят к гайкам, которые крепят с помощью центрального отверстия.

Если винт имеет шестигранную головку со шлицем для затягивания его с помощью отвертки, а значения крутящего момента в графах 4 и 6 неодинаковы, то испытание проводят дважды. Сначала к шестигранной головке прикладывают крутящий момент, указанный в графе 6, а затем крутящий момент, указанный в графе 4. Если значения крутящего момента в графах 4 и 6 одинаковы, то проводят только испытание с помощью отвертки.

2. В зажимах под колпачок номинальный диаметр является диаметром штифта со шлицем.

3. Форма лезвия испытательной отвертки должна соответствовать размеру головки испытуемого винта.

4. Винты и гайки не должны затягиваться рывками.

5. Значения, приведенные в таблице, - временные.

Для выключателей с выводом гибкого кабеля испытание повторяют с гибкими кабелями соответствующего размера (см. 13.15), следуя той же методике.

Длина испытательного проводника должна быть на 75 мм больше, чем высота Н, указанная в таблице 4.

Таблица 4 - Параметры испытаний на изгиб и вытягивание для медных проводников

Сечение проводника1) мм2

Диаметр отверстия гильзы2), мм

Высота Н, мм ± 15

Масса для проводника, кг

0,5

6,5

260

0,3

0,75

0,4

1,0

0,4

1,5

2,5

9,5

280

0,7

4,0

0,9

6,0

1,4

10,0

2,0

16,0

13,0

300

2,9

25,0

4,5

1) Размеры приведены в ГОСТ Р 51686.1.

2) Если диаметр отверстия в гильзе недостаточно велик для размещения проводника без перекручивания, может быть использована гильза с отверстием большего размера.

Конец проводника пропускают через соответствующую гильзу в пластине, расположенной на высоте Н, ниже выключателя. Гильзу следует вставить в горизонтальную пластину так, чтобы ее центральная линия описывала круг диаметром 75 мм концентрично центру вывода в горизонтальной плоскости; при этом пластину вращают с частотой (10 ± 2) об/мин.

Расстояние между отверстием вывода и верхней поверхностью гильзы должно отличаться от высоты, указанной в таблице 4 на ± 15 мм.

Во избежание застревания, скручивания или проворачивания проводника гильза может быть смазана.

К концу проводника подвешивают груз массой, указанной в таблице 4.

Продолжительность испытания приблизительно 15 мин.

Во время испытания проводник не должен ни выскальзывать из вывода, ни ломаться близ вывода, быть поврежденным до такой степени, что делает его непригодным к дальнейшему использованию.

Испытание должно быть повторено с круглыми однопроволочными проводниками, если они имеются в соответствующем стандарте и если первыми были испытаны круглые многопроволочные проводники. В случае отсутствия многопроволочных проводников испытания проводят только с круглыми однопроволочными проводниками.

Проводники считают поврежденными, если в многопроволочных проводниках прорезаются более 25 % проволок, а в однопроволочных - деформация превышает 50 % диаметра проводника.

12.2.6. Конструкцией винтовых зажимов должна быть предусмотрена возможность обеспечения надежного зажима проводника между металлическими поверхностями.

Соответствие проверяют внешним осмотром и следующим испытанием.

В зажимы вставляют круглые многопроволочные проводники наименьшего и наибольшего сечений из указанных в таблице 2. Винтовые зажимы затягивают крутящим моментом, равным 2/3 момента, указанного в таблице 3.

Если винт имеет шестигранную головку со шлицем, то прилагаемый крутящий момент должен быть равен 2/3 крутящего момента, указанного в графе 3 таблицы 3.

Затем каждый проводник подвергают натяжению силой, указанной в таблице 5, прикладываемой без рывков вдоль оси проводника в течение 1 мин.

Таблица 5 - Параметры для испытания на натяжение

Сечение проводников, присоединяемых к зажиму, мм2

От 0,5 до 1,0 включ.

От 0,75 до 1,5 включ.

От 1,5 до 2,5 включ.

От 2,5 до 4,0 включ.

От 4,0 до 6,0 включ.

От 6,0 до 10,0 включ.

От 10,0 до 16,0 включ.

От 16,0 до 25,0 включ.

Сила натяжения, Н

30

40

50

50

60

80

90

100

Если контактный зажим предназначен для присоединения двух проводников, то проводники натягивают поочередно каждый в отдельности.

За время испытаний проводник не должен иметь заметных смещений в зажиме.

Для зажима, предназначенного для присоединения более двух проводников, рекомендации по испытательным требованиям приведены в ГОСТ Р 50043.1 - ГОСТ Р 50043.3.

Испытания повторяют с круглыми однопроволочными проводниками в случае, если они имеются в соответствующем стандарте и если первыми были испытаны круглые многопроволочные проводники.

В случае, когда круглые многопроволочные проводники не предусмотрены, испытания проводят только округлыми однопроволочными проводниками.

12.2.7. Конструкцией винтовых зажимов должна быть предусмотрена возможность, чтобы ни жесткий однопроволочный проводник, ни проволока многопроволочного проводника не могли выскользнуть при затягивании винтов или гаек.

Это требование не относится к зажимам для кабельных наконечников.

Соответствие проверяют следующим испытанием.

К контактным зажимам присоединяют проводники с наибольшим сечением, указанным в таблице 2.

Контактные зажимы проверяют как с жесткими однопроволочными, так и многопроволочными проводниками.

Контактные зажимы, предназначенные для бифилярных проводников из двух или трех проводников, проверяют после установки в них допустимого числа проводников.

К контактным зажимам присоединяют проводники, имеющие структуру, указанную в таблице 6.

Таблица 6 - Структура и размеры проводников

Номинальное сечение, мм2

Число проволок и их номинальный диаметр, мм

Жесткий однопроволочный проводник

Жесткий многопроволочный проводник

1,0

1 · 1,13

7 · 0,42

1,5

1 · 1,38

7 · 0,52

2,5

1 · 1,78

7 · 0,67

4,0

1 · 2,25

7 · 0,86

6,0

1 · 2,76

7 · 1,05

10,0

1 · 3,57

7 · 1,35

16,0

-

7 · 1,70

25,0

-

7 · 2,14

Перед вводом в зажимное устройство проволоки жестких (одно- и многопроволочных) проводников выпрямляют, жесткие многопроволочные проводники могут быть, кроме того, скручены для максимального восстановления их формы.

Проводники вставляют в зажимное устройство вывода на минимально допустимое расстояние, а если расстояние не указано, то до тех пор, пока проводник не выйдет из другого конца зажима, его располагают в устройстве зажима таким образом, чтобы он был надежно закреплен. Затем зажимной винт затягивают крутящим моментом, равным 2/3 указанного в таблице 3.

После испытания ни одна проволочка проводника не должна выпадать из контактного зажима так, чтобы уменьшились расстояния утечек и воздушные зазоры до значений, меньше указанных в разделе 23.

12.2.8. Винтовые контактные зажимы должны быть установлены и размещены в выключателе так, чтобы при затянутых или ослабленных винтах или гайках контактные зажимы не выпадали.

Примечания

1. Эти требования не исключают смещения или проворачивания контактного зажима, однако любое их перемещение должно быть ограничено, чтобы не нарушались требования настоящего стандарта.

2. Для предотвращения выпадания контактного зажима рекомендуется использовать компаунд или смолу при условии, что:

- компаунд или смола не подвергаются действию нагрузки в рабочем положении;

- эффективность действия компаунда или смолы не ослабевает при температурах нагрева контактных зажимов в наиболее неблагоприятных условиях работы, указанных в настоящем стандарте.

Соответствие проверяют внешним осмотром, измерением и следующим испытанием:

В контактный зажим вставляют жесткий однопроволочный медный проводник с наибольшим сечением, указанным в таблице 2.

Винты и гайки затягивают и ослабляют пять раз с помощью специальной отвертки или гаечного ключа, при этом крутящий момент должен удовлетворять большему из двух значений, указанных в соответствующей графе таблицы 3 или в таблицах к рисункам А.1 - А.4 (см. приложение А).

Проводник перемещают каждый раз, когда винт или гайка ослабляются.

Во время испытания зажимы не должны расслабляться и не должно быть повреждений, таких как излом винта, повреждение головок, шлицев, резьбы, шайбы или скобы, что делает невозможным дальнейшее использование зажима.

Допускается применение алюминиевых и алюмомедных проводников наибольшего сечения из указанных в таблице 2. При этом винтовые контактные зажимы должны иметь компенсирующие элементы (например, тарельчатые пружины), препятствующие изменению контактного нажатия.

12.2.9. Зажимные винты или гайки заземляющих винтовых зажимов должны быть защищены от случайного ослабления и должна быть исключена возможность самопроизвольного ослабления их без помощи инструмента.

Соответствие проверяют вручную.

В основном конструкции контактных зажимов, указанных на рисунках А.1 - А.5 (см. приложение А), обеспечивают достаточную упругость, соответствующую настоящему требованию.

Для других конструкций контактных зажимов могут быть предусмотрены специальные требования, такие как использование специальных упругих частей, которые гарантируют от случайной разборки.

12.2.10. Заземляющие винтовые зажимы не должны подвергаться коррозии при контактировании частей зажима с медным заземляющим проводником или другим металлом, находящимся в контакте с зажимом.

Заземляющий зажим должен быть изготовлен из латуни или другого не менее коррозиестойкого металла, если не является частью металлического корпуса или кожуха, когда винт или гайка должны быть изготовлены из латуни или другого металла не менее коррозиестойкого.

Если заземляющий контактный зажим является частью корпуса или кожуха из сплавов алюминия, то следует принять меры по защите от коррозии при контактировании меди с алюминием или его сплавами.

Соответствие проверяют внешним осмотром.

Примечание - Винты или гайки, изготовленные из стали с покрытием и выдержавшие испытание на коррозиестойкость, считают изготовленными из металла, не менее устойчивого к коррозии, чем латунь.

12.2.11. В торцевых зажимах расстояние между зажимным винтом и концом проводника, полностью введенного в зажим, должно быть не менее указанного на рисунке А.1 (зажимы с прижимной пластиной, см. приложение А).

Примечание - Минимальное расстояние между зажимным винтом и концом проводника относится только к торцевым зажимам, в которых проводник не может пройти насквозь.

В зажимах под колпачок расстояние между фиксирующей частью и концом провода, полностью введенного в зажим, должно быть не менее указанного на рисунке А.5 (см. приложение А).

Соответствие проверяют измерением после того, как жесткий однопроволочный проводник с наибольшим сечением из указанных для соответствующего номинального тока в таблице 2, будет полностью введен в зажим и зажат.

12.2.12. Зажимы под наконечник применяют только для выключателей с номинальным током не менее 40 А. Если такие зажимы предусмотрены, то они должны иметь пружинные шайбы или аналогичные им стопорные устройства.

Соответствие проверяют внешним осмотром.

12.3. Безвинтовые зажимы для внешних медных проводников.

12.3.1. Безвинтовые зажимы могут быть предназначены только для жестких медных проводников либо для жестких и для гибких медных проводников.

Для выводов второго типа испытания проводят сначала с жесткими проводниками, а затем с гибкими.

Примечание - Этот подраздел не применяют к выключателям, оснащенным:

- безвинтовыми выводами, требующими фиксации специальных устройств к проводникам перед закреплением в безвинтовом зажиме, например плоский втычной соединитель;

- безвинтовыми выводами, требующими скручивания проводников, например соединения скруткой;

- безвинтовыми выводами, обеспечивающими контакт с проводниками посредством краев или точек, проникающих в изоляцию.

Безвинтовые зажимы должны соответствовать ГОСТ Р 50043.3.

12.3.2. Безвинтовые выводы должны быть снабжены зажимами, осуществляющими соединение жестких или жестких и гибких проводников с номинальными сечениями, указанными в таблице 7.

Таблица 7 - Соотношение между номинальными токами и сечениями присоединяемых медных проводников для безвинтовых зажимов.

Номинальный ток, А

Проводники

Номинальное сечение, мм2

Диаметр наибольшего жесткого проводника, мм

Диаметр наибольшего гибкого проводника, мм

4

0,75 до 1,00

1,19

-

6

1,00 » 1,50

1,45

1,73

Св. 10 до 16 включ.1)

1,50 » 2,50

2,13

2,21

1) Каждый питающий вывод выключателей, кроме выключателей со схемами 3, 03 и 7, должен позволять присоединение двух проводников сечением 2,5 мм2. В таких случаях должен быть использован вывод с отдельными независимыми зажимными устройствами для каждого проводника.

Соответствие проверяют внешним осмотром и установкой проводников с наименьшими и наибольшими сечениями, указанными в таблице 7.

12.3.3. Безвинтовые зажимы должны позволять присоединение проводников без специальной подготовки.

Соответствие проверяют внешним осмотром.

Примечание - Термин «специальная подготовка» означает пропаивание проволок проводника, использование наконечников и т.п., но не изменение формы проводника перед введением в зажим или скручивание гибкого проводника для уплотнения конца.

12.3.4. Части безвинтовых зажимов, через которые проходит ток, должны быть изготовлены из материалов, указанных в 22.5.

Соответствие проверяют внешним осмотром и химическим анализом.

Примечание - Пружины, упругие детали, зажимные пластины и аналогичные детали не считают частями, через которые проходит рабочее напряжение.

12.3.5. Конструкцией безвинтовых контактных зажимов должна быть предусмотрена возможность зажимания проводника с достаточным контактным давлением и без его повреждения.

Проводник должен быть зажат между металлическими поверхностями.

Соответствие проверяют внешним осмотром и испытанием по 12.3.10.

12.3.6. Безвинтовой контактный зажим должен обеспечивать четкое и простое присоединение и отсоединение жил проводников.

Отсоединение проводника должно выполняться с помощью обычного инструмента или без него, но не путем вытягивания проводника.

Отверстие для инструмента, предназначенного для присоединения и отсоединения проводника, должно четко отличаться от отверстия, предназначенного для самого проводника.

Соответствие проверяют внешним осмотром и испытанием по 12.3.10.

12.3.7. Конструкцией безвинтовых зажимов, предназначенных для совместного соединения двух и более проводников, должно быть предусмотрено, чтобы:

- во время ввода действие зажимных устройств на одном из проводников было независимо от действия на других проводниках;

- при разъединении проводники отсоединялись одновременно либо раздельно;

- каждый проводник вставлялся в отдельное зажимное устройство (необязательно в отдельные отверстия).

Должно быть возможным надежное крепление любого количества проводников до максимального из предусмотренных в стандарте.

Соответствие проверяют внешним осмотром и испытаниями с подходящими проводниками.

12.3.8. Конструкцией безвинтовых контактных зажимов должна быть предусмотрена возможность исключения неправильного введения проводника.

Примечание - Для выполнения этого требования соответствующая маркировка, указывающая длину изоляции, снимаемой перед введением проводника в безвинтовой зажим, может быть нанесена на выключатель или дана в инструкции по эксплуатации, которая прикладывается к выключателю.

Конструкцией безвинтовых зажимов выключателей должна быть предусмотрена возможность ограничения чрезмерного введения проводника, если дальнейшее его введение может повлечь за собой уменьшение путей утечки и/или воздушных зазоров, требуемых по таблице 20, или повлиять на механизм выключателя.

Соответствие проверяют внешним осмотром и испытанием по 12.3.10.

12.3.9. Безвинтовые зажимы должны быть надежно закреплены в выключателях.

Они не должны ослабевать, когда проводники присоединяют или отсоединяют во время монтажа.

Соответствие проверяют внешним осмотром и испытанием по 12.3.10.

Заливка изолирующего компаунда без применения других способов закрепления недостаточна. Однако для крепления выводов, не подверженных механическим нагрузкам при нормальной эксплуатации, допускается использовать самоотвердевающие смолы.

12.3.10. Безвинтовые зажимы должны выдерживать механические нагрузки, возможные при нормальной эксплуатации.

Соответствие проверяют следующими испытаниями, проводимыми с неизолированными проводниками на одном безвинтовом зажиме каждого образца, используя новый образец для каждого испытания.

Испытания проводят с жесткими однопроволочными медными проводниками: сначала с проводниками, имеющими наибольшее сечение, затем с проводниками, имеющими наименьшее сечение, указанные в 12.3.2.

Проводники присоединяют и отсоединяют пять раз, каждый раз используя новые проводники, кроме пятого раза, когда проводники, использованные для четвертого соединения, крепят на то же место. Для каждого соединения проводники либо проталкивают как можно дальше в зажим, либо вводят так, что достаточное соединение очевидно.

После каждого присоединения проводники подвергают тянущей силой 30 Н, прикладываемой без рывков, в течение 1 мин, в направлении продольной оси проводника.

Во время приложения силы проводник не должен выходить из безвинтового зажима.

Испытание затем повторяют с жесткими многопроволочными медными проводниками, как с наибольшим сечением, так и с наименьшим, указанными в 12.3. Однако эти проводники должны быть соединены и разъединены только один раз.

Безвинтовые зажимы, предназначенные для жестких и гибких проводников, должны быть испытаны также с гибкими проводниками проведением соединений и разъединений.

Каждый проводник безвинтовых зажимов в течение 15 мин вращают с частотой (10 ± 2) об/мин, используя устройство, приведенное на рисунке А.12 (см. приложение А).

Проводники подвергают воздействию тянущей силы, указанной в таблице 5.

Во время испытаний проводники не должны заметно перемещаться в зажимном устройстве.

После этих испытаний ни зажимы, ни средства крепления не должны быть ослаблены, и проводники не должны иметь ухудшений, препятствующих дальнейшему использованию.

12.3.11. Безвинтовые зажимы должны выдерживать электрические и тепловые нагрузки, возникающие при нормальной эксплуатации.

Соответствие проверяют следующими испытаниями, которые проводят на пяти безвинтовых зажимах, не использованных при других испытаниях.

Оба испытания проводят с новыми медными проводниками.

а) испытание проводят при нагрузке безвинтовых зажимов в течение 1 ч переменным током, как указано в таблице 8, с присоединением жестких однопроволочных проводников длиной 1 м и сечением, указанным в таблице 8.

Испытание проводят на каждом зажимном устройстве.

Таблица 8 - Испытательный ток для проверки электрических и тепловых нагрузок при нормальной эксплуатации безвинтовых зажимов

Номинальный ток, А

Испытательный ток, А

Сечение проводника, мм2

4

9,0

0,75

6

13,5

1,00

10

17,5

1,50

16

22,0

2,50

Примечание - Для выключателей, имеющих другие номинальные токи, чем указанные, испытательный ток определяют интерполяцией между ближайшими меньшим и большим из указанных номинальных токов, а сечение выбирается равным сечению, соответствующему большему номинальному току.

Во время испытания ток не проводят через выключатель, а только через зажимы.

Сразу после этого измеряют падение напряжения на каждом безвинтовом зажиме при номинальном токе.

Падение напряжения не должно быть свыше 15 мВ.

Измерения проводят для каждого безвинтового зажима и как можно ближе к месту контакта.

Если обратное соединение вывода недоступно, вторая соединяющая точка, в случае выключателей на два направления может быть использована для возвращающегося проводника.

В случае выключателя на одно направление образцы могут быть подготовлены изготовителем, при этом должна быть проявлена осторожность, чтобы не повлиять на поведение вывода.

Необходимо обратить внимание на то, чтобы во время испытания, включая измерения, проводник и средства измерения заметно не передвигались.

б) безвинтовые зажимы, подвергнутые определению падения напряжения, приведенному в перечислении а), испытывают следующим образом.

Во время испытания пропускают ток, равный значению испытательного тока из таблицы 8.

Все испытательные устройства, включая проводники, не должны перемещаться до тех пор, пока измерения падения напряжения не будут завершены.

Зажимы должны быть подвергнуты 192 температурным циклам, каждый цикл длительностью около 1 ч. Испытания проводят следующим образом:

- ток пропускают примерно 30 мин;

- следующие примерно 30 мин ток не пропускают.

Падение напряжения в каждом безвинтовом зажиме определяют, как при испытании в перечислении а) после каждых 24 температурных циклов и после завершения 192 циклов.

Падение напряжения не должно превышать 22,5 мВ или двухкратного значения падения напряжения после 24-го цикла, что меньше.

После этого испытания при осмотре невооруженным глазом не должно быть выявлено никаких изменений, препятствующих дальнейшему использованию зажимов, таких как трещины, деформации и т.п.

Затем повторяют испытание на механическую прочность в соответствии с 12.3.10, и все образцы должны выдержать это испытание.

12.3.12. Конструкцией безвинтовых зажимов должно быть предусмотрено, чтобы жесткий одножильный проводник оставался зажатым, даже когда он отклоняется во время нормального монтажа, например во время установки в коробку, и отклоняющая нагрузка передавалась зажимному устройству.

Соответствие проверяют следующим испытанием, которое проводят на дополнительном комплекте из трех образцов выключателей, не использованных для других испытаний (см. приложение В).

Конструкцией испытательной установки, принцип действия которой показан на рисунке А.13 а) (см. приложение А), должно быть предусмотрено, чтобы:

- проводник, правильно введенный в зажим, отклонялся в любом из 12 направлений, отличающихся друг от друга на 30° с допустимым отклонением в каждом направлении ± 5°, и

- стартовая точка могла быть смещена на 10° и 20° от первоначальной.

Примечание - Указания отправной точки не требуется.

Отклонение проводника от его прямого положения на испытательные позиции должно осуществляться посредством подходящего устройства, действующего с указанной силой на проводник на определенном расстоянии от вывода.

Конструкцией отклоняющего устройства должно быть предусмотрено, чтобы:

- сила прикладывалась в направлении, перпендикулярном к неотклоненному проводнику;

- отклонение достигалось без вращения или перемещения внутри зажимного узла и

- сила оставалась приложенной, пока проводят измерение падения напряжения.

Обеспечение испытания должно быть таким, чтобы падение напряжения на испытуемом зажимном узле могло быть измерено, когда проводник присоединен, как показано на рисунке А.13 б) (см. приложение А).

Образец устанавливают на зафиксированной части испытательного устройства таким образом, чтобы указанный проводник, введенный в зажимной узел, при испытании мог быть свободно отклонен.

Во избежание окисления изоляция провода должна быть удалена непосредственно перед началом испытания.

Примечания

1. При необходимости, введенный проводник может быть изогнут вокруг препятствий, чтобы они не влияли на результаты испытаний.

2. В некоторых случаях, за исключением направляющего приспособления проводников, рекомендуется снимать те части образцов, которые не позволяют проводу отклоняться в соответствии с приложенной силой.

Зажимное устройство подготавливают, как для нормального использования жесткого одножильного медного проводника с наименьшим сечением, указанным в таблице 9, и подвергают первому испытательному циклу. То же самое зажимное устройство подвергают второму испытательному циклу, используя проводник, имеющий наибольшее сечение, если не было отказа в первом испытательном цикле.

Сила для отклонения проводника приведена в таблице 10. Расстояние 100 мм измеряют от края зажима, включая направляющее устройство для проводника, если оно имеется, до точки приложения силы к проводнику.

Испытание проводят в продолжительном режиме (ток не выключают и не включают в течение испытания). Должен быть использован подходящий источник питания, и соответствующее сопротивление должно быть введено в цепь, чтобы колебания тока не превышали ± 5 % во время испытания.

Таблица 9 - Сечения жестких медных проводников для испытания на отклонение в безвинтовых зажимах

Номинальный ток выключателя, А

Сечение испытуемого проводника, мм2

Первый испытательный цикл

Второй испытательный цикл

До 6 включ.

1,01)

1,5

Св. 6 » 16 »

1,5

2,5

1) При использовании проводников с сечением 1,0 мм2 в стационарных установках.

Таблица 10 - Отклоняющая испытательная сила

Сечение испытуемого проводника, мм2

Сила для отклонения испытуемого проводника1), Н

1,0

0,25

1,5

0,50

2,5

1,00

1) Силу выбирают так, что она нагружает проводник близко к пределу его эластичности.

Испытательный ток, равный номинальному току выключателя, пропускают через зажимное устройство. К проводнику, введенному в зажимное устройство при испытании в одном из 12 направлений, указанных на рисунке А.13 а) (см. приложение А), прикладывают силу в соответствии с таблицей 10 и измеряют падение напряжения на зажимном устройстве. Затем действие силы прекращают.

После этого силу прикладывают в каждом из 11 оставшихся направлений, указанных на рисунке А.13 а) (см. приложение А), следуя такому же методу испытания.

Если в каком-либо из 12 испытательных направлений падение напряжения больше 25 мВ, силу поддерживают в этом направлении до тех пор, пока падение напряжения не уменьшится до значения менее 25 мВ в течение не более 1 мин. После того, как падение напряжения достигнет значения менее 25 мВ, силу поддерживают в том же направлении еще 30 с, в течение которых падение напряжения не должно возрасти.

Два другие образца выключателей из комплекта испытывают по той же методике, смещая 12 направлений силы так, чтобы они отличались приблизительно на 10° для каждого образца. Если один образец не выдержит испытание в одном направлении приложения силы, испытания повторяют на другом комплекте образцов, из которых все образцы должны выдержать повторные испытания.

13. Требования к конструкции

13.1. Изоляционные прокладки, перегородки и т.п. должны иметь соответствующую механическую прочность и быть надежно установлены.

Соответствие проверяют внешним осмотром после испытания по разделу 20.

13.2. Конструкцией выключателя должна быть предусмотрена возможность:

- легкого введения и присоединения проводника к контактному зажиму;

- правильного расположение проводников;

- простой установки выключателя на стене или в коробке;

- достаточного пространства между нижней частью основания и поверхностью, на которой монтируют основание, или между боковыми поверхностями основания и кожуха (крышкой или коробкой), чтобы после установки выключателя изоляция проводников не соприкасалась с токоведущими частями различной полярности или с подвижными частями механизма, например с осью поворотного выключателя.

Конструкцией выключателей наружной установки должно быть предусмотрено, чтобы крепежные устройства не повреждали изоляцию кабелей при установке.

Примечания

1. Настоящее требование не означает, что металлические части зажимов должны быть обязательно защищены изолирующими перегородками и т.п. для исключения соприкосновения с изоляцией проводника в результате неправильного монтажа металлических частей контактного зажима.

2. В соответствии с настоящим требованием выключатели для открытой установки, устанавливаемые на монтажном основании, должны иметь отверстие для ввода проводов.

Кроме того, выключатели конструкции А должны обеспечивать простоту установки и снятия крышки или накладки без перемещения проводников.

Соответствие проверяют внешним осмотром и испытанием с установленными проводниками с наибольшим сечением, указанным в таблице 2 для подходящего диапазона номинальных токов.

Крышки выключателей для открытой установки степени защиты IP20 должны иметь два паза, расположенные на линии, перпендикулярной к оси, проходящей через отверстия, или пазы для крепления основания, и перекрытые пленкой.

Размеры паза должны соответствовать указанным на рисунке А.14 (см. приложение А).

Допускаются:

- согласованию с потребителем формы и размеры паза, отличные от указанных на рисунке А.14 (см. приложение А); при этом форма и размеры паза должны быть указаны в технических условиях на выключатели конкретных серий и типов;

- выкрашивание пленки одного из пазов, не выходящее за его пределы, или изготовление одного паза открытым при сохранении пленки на втором пазе.

Проверку проводят внешним осмотром и измерениями.

13.3. Крышки, накладки и приводные элементы или части к ним, которые предназначены для обеспечения защиты от электрического удара, должны надежно крепиться в двух или более точках.

Крышки, накладки обычных выключателей, кроме того, крепятся не менее чем в двух или более точках надежными креплениями, которые можно снять только с помощью инструмента.

Примечания

1. Рекомендуется, чтобы эти фиксирующие устройства крышек, накладок или приводных элементов были предохранены от выпадения.

2. Незаземленные металлические части, отделенные от токоведущих частей таким образом, что пути утечек и воздушные зазоры имеют значения, указанные в таблице 8, не считают доступными, если требования касаются этого подпункта.

Использование уплотнительных прокладок (шайб) из картона или аналогичного материала является одним из способов защиты от самопроизвольного выпадения винтов крепления.

Если крепления крышек, накладок или приводных элементов выключателей типа А служат также для крепления основания, то должны быть приняты меры по удержанию основания в прежнем положении даже после снятия крышек, накладок или приводных элементов.

Соответствие проверяют согласно 13.3.1, 13.3.2 или 13.3.3.

13.3.1. Для крышек, накладок или приводных элементов, имеющих фиксирующие устройства резьбового типа, предусмотрен только внешний осмотр.

13.3.2. Для крышек, накладок или приводных элементов, имеющих невинтовое фиксирующее устройство, удаление которых возможно приложением силы в направлении, примерно перпендикулярном к монтажно-опорной поверхности (см. таблицу 11), если при их удалении:

- имеется доступ к токоведущим частям стандартным испытательным пальцем - испытание по 20.4;

- стандартный испытательный палец касается незаземленных металлических частей, отделенных от токоведущих частей таким образом, что пути утечек и воздушные зазоры имеют значения, указанные в таблице 12, - испытание по 20.5;

- стандартный испытательный палец касается только:

1) изолирующих частей или

2) заземленных металлических частей, или

3) металлических частей, отделенных от токоведущих частей двойными значениями путей утечек и воздушных зазоров, указанных в таблице 12, или

4) токоведущих частей со сверхнизким безопасным напряжением (БСНН) не свыше 25 В переменного тока - испытание по 20.6.

Таблица 11 - Сила, прикладываемая к крышкам, накладкам или приводным элементам, крепящимся без помощи винтов

Доступность испытательным пальцем после удаления крышек, накладок или их частей

Пункт настоящего стандарта

Прикладываемая сила, Н

Выключатели, соответствующие 20.7 и 20.8

Выключатели, не соответствующие 20.7 и 20.8

Неудаление

Удаление

Неудаление

Удаление

К токоведущим частям

20.4

40

120

80

120

К незаземленным металлическим частям, отделенным от токоведущих частей расстояниями утечки по таблице 8

20.5

10

120

20

120

К изолирующим частям, заземленным металлическим частям, токоведущим частям БСНН £ 25 В или металлическим частям, отделенным от токоведущих частей двойными значениями расстояний утечек и воздушных зазоров по таблице 8

20.6

10

120

10

120

Таблица 12 - Пути утечки, воздушные зазоры и расстояния через заливочную массу

Место измерения

Расстояние, мм

Пути утечки

 

1. Между разделенными токоведущими частями, когда контакты разомкнуты

3

2. Между токоведущими частями различной полярности

41)

3. Между токоведущими частями и:

 

- доступными поверхностями частей из изоляционного материала;

 

- доступными металлическими частями, включая заземляющую цепь;

 

- металлическими опорными рамами основания выключателей скрытого типа;

 

- винтами или устройствами для крепления оснований, крышек или накладок;

 

- металлическими частями механизма, если требуется изоляция от токоведущих частей (см. 10.4)

3

4. Между металлическими частями механизма, если требуется изоляция от доступных металлических частей (см. 10.5), и:

 

- винтами или устройствами для крепления оснований, крышек или накладок;

 

- металлическими опорными рамами основания выключателей скрытого типа;

 

- доступными металлическими частями

3

5. Между токоведущими частями и доступными незаземленными металлическими частями, кроме винтов и т.п.

61)

Воздушные зазоры

 

6. Между токоведущими частями, разделенными, когда контакты разомкнуты

33)4)

7. Между токоведущими частями различной полярности

3

8. Между токоведущими частями и:

 

- доступными поверхностями из изоляционного материала;

 

- заземленными металлическими частями, включая заземляющую цепь, не упомянутыми в пунктах 9 и 11;

 

- металлическими опорными рамами основания выключателей скрытого типа;

 

- винтами или устройствами для крепления оснований, крышек или накладок;

 

- металлическими частями механизма, если требуется изоляция от токоведущих частей (см. 10.4)

3

9. Между токоведущими частями и:

 

- исключительно заземленными металлическими коробками5) с выключателем, установленным в самом неблагоприятном положении;

3

- незаземленными металлическими коробками без изоляционной прокладки с выключателем, установленным в самом неблагоприятном положении

4,5

10. Между металлическими частями механизма, если требуется изоляция от доступных металлических частей (см. 10.5) и:

 

- винтами или устройствами для крепления оснований, крышек или накладок;

 

- металлическими опорными рамами для крепления основания выключателей для скрытого типа;

 

- доступными металлическими частями, когда основание закрепляется непосредственно на стене

3

11. Между токоведущими частями и поверхностью, на которой установлено основание выключателя для скрытой установки, когда основание закрепляется непосредственно на стене.

6

12. Между токоведущими частями и дном паза для внешних проводников, если имеется, для выключателей открытой установки

3,0

Расстояния через заливочную массу

 

13. Между токоведущими частями, покрытыми компаундом, толщиной не менее 2 мм и поверхностью, на которой установлено основание выключателя для открытой установки

4,01)

14. Между токоведущими частями, покрытыми компаундом, толщиной не менее 2 мм и дном паза для внешних проводников, если имеется, для выключателей открытого типа

2,5

1) Допускается значение 3 мм для выключателей с номинальным напряжением до 250 В включительно.

2) Допускается значение 4,5 мм для аппаратов, имеющих номинальное напряжение до 250 В включительно.

3) Допускается значение 1,2 мм при разомкнутых контактах для токоведущих частей выключателей с минимальным зазором, которые изменяются при размыкании контактов.

4) Значение не устанавливают, когда контакты разомкнуты, для токоведущих частей выключателей с микрозазором, которые изменяются во время отключения контактов.

5) Исключительно заземленные металлические коробки - это коробки, которые используются в установках, где требуется их заземление.

Примечания

1. Любую металлическую часть, находящуюся в контакте с металлической частью механизма, считают металлической частью механизма.

2. В выключателях с двумя разрывами цепи значения путей утечки, указанные в пункте 1 таблицы, или значение воздушного зазора, указанное в пункте 5 таблицы, представляют собой сумму значений путей утечки или воздушного зазора между одним неподвижным контактом и подвижной частью и между подвижной частью и другим неподвижным контактом.

3. Паз шириной менее 1 мм учитывают в расстоянии пути утечки только его шириной.

4. При подсчете полного воздушного зазора воздушный промежуток менее 1 мм не учитывают.

5. Поверхность, на которой монтируют основание выключателя для открытой установки, включает в себя любую поверхность, находящуюся в контакте с основанием при установке выключателя. Если на задней стороне основания имеется металлическая пластина, ее не считают монтажной поверхностью.

13.3.3. Для крышек, накладок или приводных элементов, крепящихся без помощи винтов и удаляющихся с применением инструмента согласно инструкциям изготовителя, приведенным в паспорте или каталоге, проверки проводят такими же испытаниями по 13.3.2, за исключением крышек, накладок, приводных элементов или их частей, не нуждающихся в снятии, при приложении силы не более 120 Н в направлении, перпендикулярном к монтажно-опорной поверхности.

13.4. Конструкцией выключателей обычного типа должно быть предусмотрено, чтобы в установленном состоянии и с подключенными для нормальной эксплуатации проводниками в корпусе не было свободных отверстий согласно степеням защиты IP.

Соответствие проверяют внешним осмотром и пробным монтажом с проводниками наименьшего сечения, указанного в таблице 2.

Примечание - Небольшими зазорами между корпусом и кабельным вводом или кабелями, или между корпусом и средствами управления следует пренебречь.

13.5. Рукоятки поворотных выключателей должны быть надежно соединены с валом или другой деталью, приводящей механизм в движение.

Соответствие проверяется следующим испытанием.

К рукоятке в течение 1 мин прикладывают осевую силу 100 Н.

После этого рукоятки выключателей, имеющих только одно направление оперирования, поворачивают, если это возможно, без излишней силы 100 раз в обратном направлении. Во время испытания рукоятка не должна сниматься.

13.6. Винты или другие средства монтажа выключателя на поверхности в монтажной коробке или кожухе должны быть доступными с лицевой стороны. Эти средства не должны служить для крепления с другой целью.

13.7. Конструкцией блоков выключателей или выключателей и штепсельных розеток с индивидуальными основаниями должна быть предусмотрена возможность однозначного расположения каждого основания. Каждое основание должно иметь независимое крепление к монтажной поверхности.

Соответствие требованиям 13.6 и настоящего пункта проверяют внешним осмотром.

13.8. Аппараты, комбинируемые с выключателями, должны удовлетворять соответствующим стандартам при отсутствии стандартов на комбинацию.

13.9. Выключатели для открытой установки с символом защиты выше, чем IP20 должны быть оснащены ввинченным кабельным вводом или кабелями с изоляцией как при нормальной эксплуатации.

Выключатели для открытой установки со степенью защиты IPX4 или IPX5 должны иметь открывающиеся отверстия.

Если выключатели для открытой установки имеют открывающиеся дренажные отверстия, то отверстия должны быть диаметром не менее 5 мм или площадью 20 мм2, шириной и длиной не менее 3 мм.

Если конструкция выключателя допускает только один вариант установки, то дренажное отверстие должно быть эффективным в этом положении. Дренажные отверстия, кроме того, должны быть эффективными, по крайней мере, в двух положениях выключателя, когда он монтируется на вертикальной стене: одно - с вводом провода сверху выключателя, а другое - снизу.

Пружины крышки, если таковые имеются, следует изготовлять из антикоррозийного материала, например бронзы или нержавеющей стали.

Соответствие проверяют внешним осмотром, измерениями и соответствующими испытаниями по 15.2.

Примечание - Дренажное отверстие с обратной стороны корпуса может быть эффективным, если конструкция корпуса обеспечивает зазор от стены не менее 5 мм или предусматривает сточную канавку не менее указанного выше размера.

13.10. Выключатели, устанавливаемые в монтажной коробке, должны иметь такую конструкцию, при которой концы проводников могут быть подготовлены после установки монтажной коробки, но перед монтажом выключателя в коробку.

Основание выключателя должно обладать достаточной устойчивостью при установке его в монтажную коробку.

Соответствие проверяют внешним осмотром и пробным монтажом с проводниками наибольшим сечением для подходящих номинальных токов по таблице 2.

13.11. Конструкцией выключателей открытой установки со степенью защиты выше чем IP20 и схемами 1, 5 и 6, с корпусом, имеющим более одного входного отверстия, должна быть предусмотрена возможность поддержания непрерывности цепи второго токопроводящего заземляющего проводника с установленным дополнительным зажимом, соответствующим требованиям раздела 12.

Соответствие проверяют внешним осмотром и соответствующим испытанием по разделу 12.

13.12. Вводные отверстия должны позволять введение трубопровода или изоляции кабеля так, чтобы обеспечить полную механическую защиту.

Конструкцией обычных выключателей для открытой установки должна быть предусмотрена такая возможность, чтобы трубопровод или изоляция кабеля входили в оболочку не менее чем на 1 мм.

В выключателях для открытой установки вводные отверстия для трубопровода или по крайней мере два из них, если их более одного, должны обеспечивать ввод трубопровода размерами 16, 20, 25 или 32" или их комбинацию не менее чем из двух этих размеров, за исключением двух одинаковых размеров.

Соответствие проверяют внешним осмотром во время испытания по 13.10 и измерениями.

В выключателях открытой установки вводные отверстия для кабельных вводов предпочтительно должны быть способными к присоединению кабелей, имеющих размеры согласно таблице 13 или указанные изготовителем.

Примечание - Вводные отверстия соответствующего размера могут быть получены путем пробивания тонкостенных диафрагм или введения в них соответствующих деталей.

Таблица 13 - Пределы внешнего диаметра кабелей для выключателей открытой установки

Номинальный ток, А

Номинальное сечение, мм2

Число проводников

Пределы внешнего диаметра кабелей, мм

Не менее

Не более

6

1,5

2

7,6

11,5

3

12,5

4

13,5

5

15,0

10

От 1,5 до 2,5 включ.

2

7,6

13,5

3

14,5

4

15,5

5

17,0

16

От 1,5 до 4,0 включ.

2

7,6

15,0

3

16,0

4

18,0

5

19,5

20, 25

От 2,5 до 6,0 включ.

2

8,6

18,5

3

20,0

4

22,0

5

24,5

32

От 4,0 до 10,0 включ.

2

9,6

24,0

3

25,5

4

28,0

5

30,5

40

От 6,0 до 16,0 включ.

2

10,5

27,5

3

29,5

4

32,0

5

35,5

63

От 10,0 до 25,0 включ.

2

13,0

31,5

3

34,0

4

37,5

5

41,5

Примечание - Внешние диаметры кабелей базируются на типах 60 227 IEC 10 по ГОСТ Р МЭК 60227-4 и 245 IEC 66 по ГОСТ Р МЭК 60 245-4 и приводятся для информации.

Выключатели для открытой установки степени защиты IP21 и выше должны иметь сальниковый ввод с резьбой 1/2" труб, обеспечивающий уплотнение проводов или кабелей наружным диаметром от 6 до 12 мм. По согласованию с заказчиком допускается применение вводов других размеров.

13.13. Конструкцией обычных выключателей открытой установки, если они предназначены для обратного ввода от трубопровода, должна быть предусмотрена возможность для обратного ввода от трубопровода перпендикулярно к монтажной поверхности выключателя.

Соответствие проверяют внешним осмотром.

13.14. Если выключатель снабжен мембранами или подобными деталями для вводных отверстий, они должны быть взаимозаменяемыми.

Соответствие проверяют внешним осмотром.

13.15. Требования к мембранам входных отверстий

13.15.1. Мембраны должны быть надежно закреплены и не должны смещаться при механических и термических воздействиях, имеющих место при нормальной эксплуатации.

Соответствие проверяют следующим испытанием:

Мембраны испытывают в собранном выключателе.

Вначале выключатели с установленными мембранами подвергают обработке согласно 15.1.

Выключатели помещают на 2 ч в нагретую камеру, как описано в 15.1, температурой (40 ± 2) °C.

Сразу после этого воздействия прикладывают силу 30 Н в течение 5 с к различным частям мембран концом жесткого неразъемного испытательного пальца с размерами, как у стандартного испытательного пальца, показанного на рисунке А.11 (см. приложение А).

Во время этих испытаний мембраны не должны деформироваться в такой степени, чтобы токоведущие части становились доступными.

К мембранам, где вероятно воздействие осевой силы в нормальной эксплуатации, в течение 5 с прикладывается осевая сила 30 Н.

Во время этого испытания мембраны не должны выталкиваться.

Затем испытание повторяют с мембранами, которые не подвергались какому-нибудь воздействию.

13.15.2. Рекомендуется, чтобы конструкцией мембраны была предусмотрена возможность изготовления их из такого материала, чтобы введение кабелей в выключатель допускалось при низкой окружающей температуре.

Соответствие проверяют следующим испытанием.

Выключатели оснащают мембранами, которые не подвергались какому-нибудь воздействию старением и не были вскрыты путем пробивания.

Выключатели выдерживают в течение 2 ч в камере холода при температуре минус (15 ± 2) °C.

После этого выключатели извлекают из камеры холода и сразу же, пока они холодные, через мембраны без приложения силы вводят кабели самого неблагоприятного типа, указанного изготовителем.

После испытаний по 13.15.1 и 13.15.2 мембраны не должны иметь вредных деформаций, трещин или подобных повреждений, которые привели бы к несоответствию настоящему стандарту.

13.16. Конструкцией выключателя с вводом гибкого кабеля должна быть предусмотрена возможность введения через соответствующее отверстие или сальник соответствующего гибкого кабеля по ГОСТ Р МЭК 60245-4 (кодовое обозначение 245 IEC 66) или по ГОСТ Р МЭК 60227-5 (кодовое обозначение 60227 IEC 53), или указанного изготовителем.

Вход должен быть наибольших допускаемых размеров (внешняя оболочка) соответствующего гибкого кабеля, имеющего проводники площадью поперечного сечения по таблице 14, согласно номинальному току выключателя, но не менее 1,5 мм2, и вход должен быть такой формы, чтобы предотвратить повреждение гибкого кабеля.

Таблица 14 - Внешние размеры гибких кабелей

Номинальный ток, А

Сечение проводников, мм2

Число проводников

Внешний размер гибких кабелей, мм

Не менее

Не более

6

От 0,75 до 1,50 включ.

2

3,8 · 6

5,2 · 7,6

6,0

11,5

3

12,5

4

13,5

5

15,0

10

От 1,00 до 2,50 включ.

2

7,6

13,5

3

14,5

4

15,5

5

17,0

16

От 1,50 до 4,00 включ.

2

15,0

3

16,0

4

18,0

5

19,5

20 - 25

От 2,50 до 6,00 включ.

2

8,6

18,5

3

20,0

4

22,0

5

24,5

Примечание - Внешние размеры кабелей базируются на типах 60227 IEC 53 по ГОСТ Р МЭК 60227-5, 245 IEC 66 по ГОСТ Р МЭК 60245-4 и приводятся для сведения.

Примечание - Для этого испытания цепь заземления считают полюсом.

Кабельное анкерное крепление для гибкого кабеля должно предохранять проводники от натяжения или скручивания в месте их присоединения к зажимам или деталям вывода.

Кабельное анкерное крепление должно иметь прижимную планку из изоляционного материала или из металла. В последнем случае оно должно иметь изолирующую прокладку, прикрепленную к металлическим частям.

Кабельные анкерные крепления должны надежно крепить гибкий кабель к выключателю.

Конструкция должна обеспечивать:

- невозможность ослабления кабельного анкерного крепления с внешней стороны;

- крепление кабеля без специального инструмента.

Винты, которые используют для крепления гибких кабелей, не должны служить для крепления других деталей, кроме случая, когда выключатель поставляется очевидно неукомплектованным, когда детали отсутствуют или размещены в неправильном положении, или детали, предназначенные для крепления, не могут быть сняты без использования инструмента.

Соответствие проверяют осмотром и следующим испытанием.

Выключатели оснащают гибким кабелем по ГОСТ Р МЭК 60227-5 (кодовое обозначение 60227 МЭК 53), имеющим номинальное сечение 1,5 мм2 и число жил, соответствующих числу полюсов выключателя.

Проводники вводят в зажимы и крепежные винты затягивают усилием, достаточным для того, чтобы предотвратить легкое изменение положения проводников.

Кабельный анкерный зажим используют в нормальном положении с затянутыми, если необходимо, крутящим моментом, равным 2/3 от приведенного в таблице 3, винтами.

После этой подготовки должно быть невозможно ввести гибкий кабель внутрь выключателя без нарушения безопасности или ослабления кабельного анкерного крепления.

Гибкий кабель затем подвергают 25 раз натяжению с силой 30 Н.

Натяжения проводят без рывков в наиболее неблагоприятном направлении, длительностью 1 с каждое.

Сразу после этого гибкий кабель подвергают в течение 1 мин воздействию крутящего момента, равного 0,15 Н · м, приложенного как можно ближе к кабельному вводу.

Вышеуказанное испытание затем повторяют на выключателе, оснащенном гибким кабелем наибольшего предназначенного диаметра в соответствии с ГОСТ Р МЭК 60245-4, (кодовое обозначение 245 IEC 66). Силу натяжения увеличивают до 60 Н, а крутящий момент - до 0,35 Н · м.

После испытания гибкий кабель не должен сместиться более чем на 2 мм.

Для измерения продольного перемещения делают отметку на гибком кабеле до начала натяжения на расстоянии приблизительно 20 мм от кабельного анкерного крепления. После испытания перемещение отметки на гибком кабеле по отношению к кабельному анкерному креплению измеряют, пока гибкий кабель не подвергнется натяжению снова.

Напряжение 2000 В переменного тока прикладывают в течение 1 мин между проводниками и анкерным креплением.

Во время испытания изоляция гибкого кабеля не должна повреждаться. Пробой или перекрытие считают повреждением гибкого кабеля.

14. Механизм

14.1. Приводной элемент выключателя после срабатывания должен автоматически занять положение, соответствующее положению подвижных контактов, за исключением шнурковых и однокнопочных выключателей, в которых приводной элемент должен занимать одно и то же положение.

14.2. Конструкцией выключателей должна быть предусмотрена возможность нахождения подвижных контактов только в положении «включено» и «отключено», промежуточное положение для этих контактов может быть предусмотрено только в случае, если приводной элемент тоже имеет промежуточное положение и если между подвижными и неподвижными контактами имеется достаточная изоляция.

При необходимости изоляцию между неподвижными и подвижными контактами в промежуточном положении можно проверить на электрическую прочность в соответствии с 16.2, при этом испытательное напряжение прикладывают к соответствующим зажимам без снятия крышки или накладки выключателя.

Соответствие требованиям 14.1 и 14.2 проверяют внешним осмотром и испытанием вручную.

14.3. Конструкцией выключателей должна быть предусмотрена возможность исключения появления дуги при медленном оперировании выключателем.

Соответствие проверяют в конце испытания по 19.1, выключая электрическую цепь дополнительно 10 раз, медленно перемещая при этом приводной элемент с интервалом в 2 с, а подвижные контакты, останавливая, если это возможно, в промежуточном положении, отпуская при этом привод.

Во время испытания не должно быть продолжительной дуги.

14.4. В выключателях со схемами 2, 3, 03 и 6/2 все полюса должны включаться и отключаться практически одновременно, за исключением выключателей со схемой 03, в которых нейтральный полюс не должен включаться позже или выключаться раньше других полюсов.

Соответствие проверяют внешним осмотром и испытанием вручную.

Действие механизма выключателя, снабженного крышкой или накладкой, которую можно снимать при установке выключателя, не должно зависеть от наличия крышки или накладки.

Примечание - В некоторых конструкциях приводной элемент может служить одновременно крышкой.

Соответствие проверяют последовательным соединением выключателя без установленной крышки или накладки с лампой и нажатием на приводной элемент без излишней силы как при нормальной эксплуатации.

Во время испытания лампа не должна мигать.

Шнурковые выключатели должны производить изменение из положения «отключено» в положение «включено» и, наоборот, приложением и постепенным увеличением тянущей силы не более 45 Н, воздействующей вертикально, и 65 Н, приложенной под углом (45 ± 5)° к вертикали и в плоскости, перпендикулярной к монтажной плоскости, когда выключатель установлен как при нормальной эксплуатации.

Соответствие проверяют испытанием вручную.

Примечание - Термин «как при нормальной эксплуатации» обозначает, что выключатель установлен, как указано изготовителем.

15. Устойчивость к старению, защита, обеспечиваемая корпусами выключателей, и влагоустойчивость

15.1. Устойчивость к старению

Выключатели должны быть устойчивы к старению.

Соответствие проверяют следующим испытанием.

Выключатели и коробки, смонтированные как при нормальной эксплуатации, подвергают испытанию в термокамере в атмосфере, имеющей состав и давление окружающего воздуха и вентилируемой естественной циркуляцией.

Выключатели, отличные от обычных и степень защиты которых выше чем IPX0, испытывают после их монтажа и сборки в соответствии с 15.2.1.

Температура испытания - (70 ± 2) °С.

Образец выдерживают в камере в течение 7 сут. (168 ч).

Рекомендуется использовать камеру с электронагревателем.

Естественная циркуляция воздуха может обеспечиваться отверстиями в стенках камеры.

После воздействия образцы извлекают из камеры и выдерживают при комнатной температуре и относительной влажности от 45 % до 55 % не менее 4 сут. (96 ч).

Образцы не должны иметь трещин, видимых невооруженным глазом, а материал образцов не должен стать вязким или липким. Проверяют это следующим образом.

Указательным пальцем, обернутым куском сухой грубой ткани, надавливают на испытуемый образец с силой приблизительно 5 Н.

На испытуемом образце не должно остаться следов ткани, а материал образца не должен прилипать к ткани.

После испытания образец не должен иметь повреждений, которые могли бы привести к несоответствию настоящему стандарту.

Примечание - Силу приблизительно в 5 Н достигают следующим образом. Образец помещают на одну чашу весов, а другую нагружают грузом, равным массе образца плюс 500 г. Равновесие чаш весов восстанавливают нажатием на испытуемый образец указательным пальцем, обернутым куском сухой грубой ткани.

15.2. Защита от доступа к опасным частям

Корпуса выключателей, отличных от обычных, должны иметь степень защиты от доступа к токоведущим частям, проникновения внешних твердых предметов и попадания воды в соответствии с классификацией выключателей.

Соответствие проверяют следующими испытаниями по 15.2.1, 15.2.2.

15.2.1. Защита от доступа к токоведущим частям и от проникновения внешних твердых предметов

Корпуса обычных выключателей должны иметь степень защиты от доступа к опасным частям и внешних твердых предметов в соответствии с классификацией степени защиты выключателя.

Соответствие проверяют испытаниями по ГОСТ 14254 при условиях, указанных ниже.

Выключатели устанавливают как при нормальной эксплуатации.

Выключатели для скрытой и полускрытой установки устанавливают в соответствующие монтажные коробки согласно рекомендациям изготовителя.

Выключатели с ввинчиваемыми уплотнениями или мембранами монтируют и соединяют с кабелем в пределах присоединяемого диапазона, указанного в таблице 2.

Винты, крепящие оболочку, затягивают крутящим моментом, равным 2/3 от соответствующих значений, указанных в таблице 5.

Уплотнительные элементы затягивают крутящим моментом, равным 2/3 крутящего момента, прикладываемого при испытании по 20.3.

Детали, которые могут быть сняты без помощи инструмента, снимают.

Если выключатель выдерживает испытание, то такое же испытание выдержит комбинация из таких же одиночных выключателей.

Примечание - Уплотнительные элементы не скрепляют компаундом или аналогичным материалом.

15.2.1.1. Защита от доступа к опасным частям

Соответствие проверяют испытаниями по ГОСТ 14254 (см. также раздел 10).

15.2.1.2. Защита от проникновения внешних инородных твердых частиц

Соответствие проверяют испытаниями по ГОСТ 14254 при условиях, указанных ниже.

Испытания выключателей с дренажными отверстиями не проводят.

Для испытания по первой характеристической цифре 5 защиту считают удовлетворительной, если после окончания испытания внутри выключателя не будет скопления пыли.

15.2.2. Защита от проникновения воды

Оболочки выключателей, отличных от обычных, должны иметь степень защиты от проникновения воды в соответствии с классификацией выключателей.

Соответствие проверяют соответствующими испытаниями согласно ГОСТ 14254 при условиях, указанных ниже.

Выключатели скрытой и полускрытой установки устанавливают на вертикальной стене в соответствующие монтажные коробки согласно рекомендациям изготовителя.

Если в инструкции изготовителя не указан другой тип испытательной стены, то эти требования к стенке должны быть подробно указаны (см. 8.8).

Если в инструкции изготовителя не указан другой тип испытательной стенки, то используют стену согласно рисунку А.15 (см. приложение А). Испытательная стенка, показанная на рисунке А.15 (см. приложение А), изготовлена из кирпичей, имеющих гладкую поверхность. Монтажную коробку, размещенную в стене, устанавливают так, чтобы вода не могла просочиться между коробкой и стеной.

Примечания:

1. При использовании герметика для монтажа коробки в стену необходимо обратить внимание на то, чтобы герметик не влиял на изолирующие свойства уплотнения образца.

2. На рисунке А.15 (см. приложение А) приведен пример, как грани монтажной коробки установлены в соответствующей плоскости. Другие положения возможны согласно инструкции изготовителя.

Испытания проводят в вертикальной плоскости.

Выключатели открытой установки устанавливают как при нормальной эксплуатации на вертикальной поверхности и оснащают проводниками с максимальным и минимальным сечениями согласно таблице 2.

Винты, крепящие корпус, затягивают с крутящим моментом, равным 2/3 от значений, указанных в таблице 3.

Уплотнительные элементы затягивают с крутящим моментом, равным 2/3 от значений, указанных в таблице 15.

Таблица 15 - Крутящий момент для проверки механической прочности сальника

Диаметр испытательного стержня, мм

Крутящий момент, Н · м

Металлические сальники

Сальники из литьевого материала

До 14 включ.

6,25

3,75

Св. 14 » 20 »

7,50

5,00

» 20

10,00

7,50

Примечание - Сальники не устанавливают с применением герметика.

Детали, снимаемые без помощи инструмента

Если во время испытания дренажное отверстие, при его наличии, выключателей со степенью защиты меньше чем IPX5, то они должны быть открыты, что подтверждают внешним осмотром, чтобы любая влага не накапливалась и опасно не влияла на соединения.

Образцы должны выдерживать испытание на электрическую прочность, как указано в 16.2, которое начинают в пределах 5 минимумов завершения испытаний, согласно этому предписанию.

15.3. Влагоустойчивость

Выключатели должны быть стойкими к воздействию влаги, которая имеет место при нормальной эксплуатации.

Соответствие проверяют воздействием влаги, описанным в настоящем разделе, затем измерением сопротивления изоляции и проверкой электрической прочности изоляции по разделу 16.

Вводные отверстия, если таковые имеются, оставляют открытыми. Если предусмотрены пробиваемые диафрагмы, то одна из них должна быть вскрыта.

Удаляемые без применения инструмента детали снимают и подвергают воздействию влаги вместе с основной частью. Пружинящие крышки открыты во время этого воздействия.

Увлажнение проводят во влагокамере при относительной влажности воздуха от 91 % до 95 %.

Температуру воздуха в камере, в которую помещены образцы, поддерживают с погрешностью ± 1 °C при любом удобном значении t от 20 °C до 30 °C.

До помещения во влагокамеру образцы доводят до температуры от t до t + 4 °С.

Образцы выдерживают во влагокамере:

- 2 сут. (48 ч) - для обычных выключателей со степенью защиты IPX0;

- 7 сут. (168 ч) - для выключателей, отличных от обычных, с символом защиты выше чем IPX0.

Примечания

1. При необходимости, выдержка образцов до достижения требуемой температуры t в камере должна продолжаться не менее 4 ч до помещения его во влагокамеру.

2. Относительная влажность воздуха во влагокамере 91 % - 95 % может быть обеспечена использованием насыщенного раствора сульфата натрия (Na2SO4) или нитрата калия (KNO3) в воде с достаточно большой поверхностью контакта с воздухом.

3. Для достижения в камере нужных условий необходимо обеспечить постоянную циркуляцию воздуха и использовать камеру с термоизоляцией.

После этого воздействия образцы не должны иметь отклонений от настоящего стандарта.

16. Сопротивление и электрическая прочность изоляции

Сопротивление изоляции и электрическая прочность изоляции выключателей должны соответствовать нормируемым значениям.

Один полюс любой контрольной лампы разъединяют при испытании по этому разделу.

Соответствие проверяют следующими испытаниями, которые проводят непосредственно после испытаний по 15.3 во влагокамере или в помещении, в котором образцы доводят до предписанной температуры, после повторной сборки тех деталей, которые можно снять без помощи инструмента и были сняты для испытания.

16.1. Сопротивление изоляции измеряют при напряжении постоянного тока приблизительно 500 В спустя 1 мин после приложения напряжения.

Измерения проводят последовательно в порядке, указанном в таблице 16.

Положение выключателя и соединения, необходимые для измерения по пунктам 1 - 3 таблицы 16, - в соответствии с таблицей 17.

Примечание - При размещении металлической фольги на наружной или на внутренней части изолирующих деталей ее прижимают к отверстиям или углублениям без ощутимой силы с помощью прямого испытательного пальца, имеющего те же размеры, что стандартный испытательный палец, указанный на рисунке А.11 (см. приложение А).

Таблица 16 - Испытательное напряжение, точки приложения и минимальные значения сопротивления изоляции для проверки диэлектрических свойств

Место измерений

Минимальное значение сопротивления изоляции, МОм

Испытательное напряжение, В, выключателей на номинальное напряжение

до 130 В включ.

св. 130 В

1. Между всеми полюсами, соединенными вместе, и корпусом при положении выключателя «вкл.»

5

1250

2000

2. Между каждым полюсом поочередно и всеми остальными полюсами, соединенными с корпусом, при положении выключателя «вкл.»

2

1250

2000

3. Между зажимами, которые при включенном выключателе электрически соединены, при положении выключателя «откл.»:

 

 

 

- конструкция с нормальным и минимальным зазорами

2

1250

2000

- конструкция с микрозазором

2

500 (см. примечание 1)

1250 (см. примечание 2)

- полупроводниковое выключающее устройство.

 

См. примечание 3

 

4. Между металлическими частями механизма, изолированными от токоведущих частей, и:

 

 

 

- токоведущими частями

5

1250

2000

- металлической фольгой, соприкасающейся с поверхностью рукоятки или аналогичного приводного элемента

5

1250

2000

- ключом в выключателях, приводимых в действие с помощью ключа, если требуется изоляция (см. 10.6)

5

1250

2000

- точкой крепления шнура, цепочки или штока выключателей, приводимых в действие с помощью этих деталей, если требуется изоляция (см. 10.6)

5

1250

2000

- открытыми металлическими частями основания, включая крепежные винты, если требуется изоляция (см. 10.5)

5

1250

2000

5. Между любой металлической оболочкой и металлической, соприкасающейся с внутренней поверхностью изоляционных прокладок, если таковые имеются (см. примечание 4)

5

1250

2000

6. Между токоведущими частями и доступными металлическими частями, если металлические части механизма не изолированы от токоведущих частей

-

1250

3000

7. Между токоведущими частями и металлическими частями механизма:

 

 

 

- если последние не изолированы от доступных металлических частей (см. 10.5)

-

2000

3000

- если последние не изолированы от точки контакта со съемным ключом или приводным шнуром, цепочкой или штоком (см. 10.6)

-

2000

3000

8. Между токоведущими частями и металлическими рукоятками, нажимными кнопками и аналогичными деталями (см. 10.2)

-

2500

4000

Примечания

1. Значение по пункту 3 применяют для испытания электрической прочности изоляции после нормальной работы.

2. Для выключателей на номинальное напряжение до 250 В включ. значение снижают до: 750 В после испытания на влагоустойчивость, 500 В - после нормальной работы.

3. Испытания для проверки в отключенном положении полупроводниковых выключающих устройств.

4. Испытания по пункту 5 проводят, если изоляция необходима.

Таблица 17 - Точки приложения испытательного напряжения для проверки сопротивления изоляции

Схема

Диаграмма соединений

Положение

Приложение напряжения1)

Между зажимами

Между корпусом (В) вместе с зажимами

1

Откл.

1

В + 2

2

В + 1

Вкл.

1 - 2

В

2

Откл.

1 + 3

В + 2 + 4

2 + 4

В + 1 + 3

Вкл.

1 - 2

В + 2 - 4

1 - 2 + 3 - 4

В

3

Откл.

1 + 3 + 5

В + 2 + 4 + 6

2 + 4 + 6

В + 1 + 3 + 5

Вкл.

1 - 2

В + 3 - 4 - 6

3 - 4

В + 1 - 2 + 5 - 6

5 - 6

В + 1 - 2 + 3 - 4

03

Откл.

1 + 3 + 5 + 7

В + 2 + 4 + 6 + 8

2 + 4 + 6 + 8

В + 1 + 3 + 5 + 7

Вкл.

1 - 2 + 5 - 6

В + 3 - 4 + 7 - 8

1 - 2 + 7 - 8

В + 3 - 4 + 5 - 6

4

Отк.

1

В + 2 + 3

Вкл.

1 - 2

В + 3

1 - 3

В + 2

04

Откл.

1 + 2

В + 1

1 - 3

В + 2 + 3

2 - 3

Вкл.

1 + 2

В + 1

1 - 3

В + 2 + 3

2 - 3

5

Откл.

2 + 3

В + 1

1

В + 2 + 3

Вкл.

1 - 3

В + 2

1 - 2 - 3

В

05

Откл.

2 - 3

В + 1

1 - 2

В + 2 + 3 + 4

2 - 4

1 - 3

3 - 4

1 - 4

Вкл.

1 - 2

В + 1

1 - 3

В + 2 + 3 + 4

1 - 4

6

-

1 - 3

В + 2

1 - 2

В + 3

6/2

-

1 - 3

В + 5 + 6

1 - 2

В + 3 + 4

7

-

1 - 2

В + 3 - 4

3 - 4

В + 1 - 2

1 - 2

В + 2 - 3

3 - 4

В + 1 - 4

1) Знак «-» означает существующее электрическое соединение, знак «+» электрическое соединение для испытания.

Под термином «корпус» подразумевают металлические части, доступные для прикосновения, металлические опорные рамы, на которых крепят основание выключателей для скрытой установки, приводные ключи, металлическую фольгу, соприкасающуюся с внешней поверхностью доступных наружных частей и клавиш из изоляционного материала, точки крепления шнура, цепочки или штока выключателей, приводимых в действие с помощью этих деталей, крепежные винты оснований или крышек и накладок, винты крепления наружных деталей, заземляющие зажимы и любые металлические части механизма, которые должны быть изолированы от токоведущих частей (см. 10.4).

При выполнении измерений по пунктам 1 и 2 таблицы 16 металлическую фольгу прикладывают таким образом, чтобы была возможность эффективно испытать заливочную массу.

Испытание по пункту 5 таблицы 16 проводят лишь при наличии изоляционной прокладки.

Сопротивление изоляции должно быть не менее значений, указанных в таблице 16.

16.2. Изоляцию проверяют напряжением практически синусоидальной формы частоты 50 или 60 Гц, прикладываемым в течение 1 мин. Значения испытательного напряжения и точки приложения указаны в таблице 16.

Сначала подают не более половины испытательного напряжения, а затем его быстро повышают до полного значения.

Во время испытания не должно быть пробоя или перекрытия.

Примечания

1. Конструкцией высоковольтного трансформатора, используемого для проведения испытания, должно быть предусмотрено, чтобы при короткозамкнутых выходных контактных зажимах и при установленном выходном испытательном напряжении требуемой величины выходной ток был не менее 200 мА.

2. Реле тока перегрузки не должно срабатывать при выходном токе менее 100 мА.

3. Необходимо иметь в виду, что значение испытательного напряжения должно измеряться с точностью ± 3 %.

4. Тлеющим разрядом на испытуемом образце без заметного падения напряжения пренебрегают.

17. Превышение температуры

17.1. Конструкцией выключателей должно быть предусмотрено, чтобы превышение температуры при нормальной эксплуатации не было чрезмерным.

Материал и форма контактов должны быть такими, чтобы они не вызывали окисления или других неблагоприятных эффектов, которые могли бы отрицательно повлиять на работу выключателя.

Соответствие проверяют следующим испытанием.

Выключатели устанавливают вертикально как при нормальной эксплуатации, присоединяют круглые жесткие медные проводники с поливинилхлоридной изоляцией в соответствии с таблицей 18. Винты и гайки зажимов затягивают крутящим моментом, равным 2/3 значения, указанного в таблице 3.

Для обеспечения нормального охлаждения зажимов провода, присоединяемые к ним, должны иметь длину не менее 1 м.

Примечание - Круглые жесткие проводники могут быть одно- или многопроволочными, что применяется.

Выключатели в течение 1 ч нагружают переменным током, значения которого приведены в таблице 18.

Примечание - Испытательные токи для выключателей, предназначенных для других значений номинального тока, определяют путем интерполяции между соседними низшим и высшим значениями.

Для выключателей со схемами 4, 5, 6, 6/2 и 7 нагрузку подают только на одну цепь.

Таблица 18 - Токи и сечения медных проводников при испытании на превышение температуры

Номинальный ток, А

Испытательный ток, А

Номинальное сечение проводников, мм2

Номинальный ток, А

Испытательный ток, А

Номинальное сечение проводников, мм2

1

1,5

0,50

16

20,0

4,001)

2

3,0

0,75

20

25,0

4,00

4

5,0

1,00

25

32,0

6,00

6

8,0

1,50

32

38,0

10,00

10

13,5

2,50

40

46,0

16,00

 

 

 

63

75,0

25,00

1) Для выключателей с номинальным напряжением не более 250 В, кроме схем 3 и 03, и если зажим используют на номинальный ток 10 А, при испытании необходимо применять проводники сечением 2,50 мм2.

Выключатели скрытого монтажа устанавливают в монтажную коробку. Коробку помещают в блок, изготовленный из массива сосны, покрывают коробку слоем штукатурки так, чтобы края коробки не выступали наружу и были не более чем на 5 мм ниже фронтальной поверхности блока.

Примечание - Испытательное оборудование должно быть просушено не менее семи дней до начала испытания.

Размеры блока, который может быть изготовлен из более чем одного куска древесины сосны, должны быть такими, чтобы оставался зазор 25 мм от внутренних сторон блока для штукатурки. Штукатурку накладывают толщиной от 10 до 15 мм вокруг максимальных размеров коробки с боковых и тыльной сторон.

Примечание - Боковые стороны ниши в сосновом блоке могут иметь цилиндрическую форму.

Кабели, присоединенные к выключателю, должны входить через верх коробки, место(а) ввода должно(ы) быть закрыты для предотвращения циркуляции воздуха. Длина каждого проводника - (80 ± 10) мм.

Выключатели наружной установки должны устанавливаться на поверхности деревянной плиты с размерами: толщиной не менее 20 мм, шириной - 500, высотой - 500 мм.

Выключатели других типов допускается устанавливать по инструкциям изготовителя или, в отсутствие таких инструкций, в положение нормальной эксплуатации, которое считают наиболее неблагоприятным.

Испытательное оборудование при испытании следует размещать в условиях отсутствия сквозняков.

Температуру определяют с помощью плавких элементов, индикаторов изменения цвета или термопар, которые подбирают и устанавливают так, чтобы они оказывали минимальное влияние на определяемую температуру.

Превышение температуры зажимов не должно быть более 45 °C.

Во время испытания на превышение температуры необходимо выполнить измерения для испытания по 21.3.

Примечания

1. Нежелательного окисления контактов можно избежать путем применения контактов скользящего действия или использования контактов из серебра или покрытых серебром.

2. В качестве плавящихся частиц допускается использовать шарики пчелиного воска (точка плавления 65 °C) диаметром 3 мм.

3. Для комбинаций выключателей испытание проводят отдельно на каждом выключателе.

17.2. У выключателей с присоединенными или встроенными сигнальными лампами при нормальном применении температура осязаемых поверхностей не должна превышать номинальных значений.

Соответствие проверяют следующим испытанием.

Выключатель с сигнализацией, установленный и присоединенный по 17.1, постоянно функционирует в течение 1 ч.

Превышение температуры поверхности выключателя не должно превышать:

- 60 °C - при восприятии поверхности кнопок, ручек и т.п., изготовленных из неметаллических материалов;

- 70 °C - для других частей из неметаллических материалов;

- 40 °C - при восприятии поверхности кнопок, ручек и т.п. из металлических материалов;

- 50 °C - для других частей из металлических материалов.

Примечание - Устройства сигнализации выключателей, использующие неоновые лампочки, не испытывают.

Для поставок внутри страны проверку проводят с алюминиевыми или алюмомедными проводниками номинальным сечением в соответствии с таблицей 18.

18. Включающая и разрывная мощность

Выключатели должны обладать достаточной включающей и разрывной мощностью.

Для этого испытания индикаторную лампу отключают.

Соответствие проверяют испытанием по 18.1, а выключатели с номинальным током не более 16 А и номинальным напряжением до 250 В включительно, а также выключатели со схемами 3 и 03 и номинальным напряжением свыше 250 В - дополнительными испытаниями по 18.2.

Шнурковые выключатели испытывают установленными как при нормальной эксплуатации, с силой натяжения не более 50 Н, достаточной при всех испытаниях, направленной под углом 30° ± 5° к вертикали в плоскости, перпендикулярной к плоскости монтажа.

Испытания проводят с помощью устройств, принцип действия которых приведен на рисунке А.16 (см. приложение А).

Схемы электрических соединений указаны на рисунке А.17 (см. приложение А).

Выключатели монтируют проводниками, как при испытании по разделу 17.

18.1. Выключатели испытывают при напряжении 1,1 номинального значения и токе, равном 1,25 номинального значения.

Их подвергают 200 операциям с частотой:

- 30 операций в минуту, если номинальный ток не более 10 А;

- 15 операций в минуту, если номинальный ток свыше 10 А, но ниже 25 А;

- 7,5 операций в минуту, если номинальный ток составляет не менее 25 А.

Для выключателей поворотного типа, действующих в обоих направлениях, приводной элемент поворачивают в одном направлении, производя до половины общего числа операций, а затем в обратную сторону оставшееся число операций.

Выключатели испытывают переменным током (cosj = 0,3 ± 0,05). Активные и индуктивные сопротивления не включают параллельно, кроме случаев, когда применяют катушку индуктивности с воздушным сердечником, при этом сопротивление, отводящее примерно 1 % тока катушки индуктивности, соединяют с нею параллельно.

Допускается применение катушек индуктивности со стальным сердечником при пропускании тока, имеющего практически синусоидальную форму волны.

Для испытаний, проводимых в цепи трехфазного тока, применяют катушки индуктивности с тремя сердечниками.

Металлическая опора выключателя, если имеется, на которой монтируют выключатель, и доступные металлические части выключателя, если имеются, должны быть заземлены через предохранительный элемент, который не должен перегореть во время испытания. Предохранительный элемент состоит из медной проволоки диаметром 0,1 мм и длиной не менее 50 мм.

Для выключателей со схемами 6, 6/2 и 7 селекторный выключатель S, приведенный на рисунке А.13 (см. приложение А), переключают после выполнения части операций, указанных в таблице 19.

Таблица 19 - Части общего числа операций

Номер схемы

Тип выключателя

Части общего числа операций для выключателя S

1, 2, 4 или 5

Поворотный выключатель в оба направления Выключатель других типов

-

3 или 03

Поворотный выключатель в оба направления Выключатель других типов

6, 6/2 или 7

Поворотный выключатель в оба направления Выключатель других типов

1/4 и 3/4

1/2

Выключатели со схемой 5 с одним механизмом подвергают испытанию 200 раз с нагрузками: в одной цепи номинальным током Iном и 0,25Iном, а затем 200 раз с нагрузкой каждой цепи током 0,625Iном.

Выключатели схемы 05 испытывают аналогично.

Выключатели со схемой 5 с двумя самостоятельными механизмами испытывают, как два выключателя со схемой 1 последовательно.

Выключатели со схемой 05 с тремя самостоятельными механизмами испытывают, как три выключателя со схемой 1 последовательно.

При испытании одной части выключателя другая часть должна быть в положении «отключено».

Во время испытания не должно быть устойчивой дуги.

После испытания образцы не должны иметь повреждений, которые сделали бы невозможным их дальнейшее использование.

Разрыв заменяемого приводного шнурка, не являющегося входящей частью в шнурковый выключатель, не считается отказом при испытании.

Примечания

1. Необходимо обращать внимание на то, чтобы с помощью испытательного устройства приводной элемент выключателя работал плавно и чтобы испытательное устройство не мешало нормальной работе механизма выключателя и свободному перемещению приводного элемента.

2. Во время испытания образцы не смазывают.

18.2. Выключатели обычно испытывают при нормальном напряжении и токе, равном 1,2 номинального значения.

Испытание проводят с использованием нескольких вольфрамовых ламп накаливания мощностью 200 Вт каждая.

Если в наличии нет ламп накаливания с номинальным напряжением, равным номинальному напряжению выключателя, то необходимо использовать лампы накаливания с ближайшим меньшим значением напряжения.

Примечание - Рекомендуется, чтобы номинальное напряжение ламп накаливания составляло не менее 95 % номинального напряжения выключателя.

Испытательным напряжением должно быть номинальное напряжение ламп. Для испытания берут такое наименьшее число ламп, которое дает испытательный ток, равный не менее 1,2-кратного номинального тока выключателя.

Допустимый ток короткого замыкания должен быть не менее 1500 А. Другие условия испытания аналогичны описанным в 18.1.

Во время испытания не должно возникать ни устойчивой электрической дуги, ни приваривания контактов.

Примечание - Залипание контактов, которое не препятствует следующей операции, не считают привариванием.

После испытания образцы не должны иметь повреждений, которые препятствуют их дальнейшему использованию.

Пример. Необходимо испытать выключатели на ток 10 А и напряжение 250 В. Наибольшим допустимым напряжением для вольфрамовых ламп накаливания мощностью 200 Вт является 240 В.

Испытательным напряжением будет 240 В, а число ламп:

19. Нормальная работа

19.1. Выключатели должны выдерживать без чрезмерного износа или других вредных факторов механические, электрические и тепловые нагрузки, которые могут возникать при нормальной эксплуатации.

При испытании контрольную лампу отсоединяют.

Соответствие проверяют следующим испытанием.

Выключатели испытывают при номинальном напряжении и номинальном токе с соединениями, указанными в разделе 18.

Отклонение для испытательного напряжения + 5 %.

Если нет других указаний, то электрическая цепь и порядок работы выключателя должны быть, как описано в 18.1.

Количество операций указано в таблице 20.

Частота выполнения операций указана в 18.1.

Таблица 20 - Число операций для испытаний на нормальную работу

Номинальный ток

Число операций

До 16 А включ. Для выключателей с номинальным напряжением не более 250 В переменного тока, кроме схем 3 и 03

400001)

До 16 А включ. Для выключателей с номинальным напряжением св. 250 В переменного тока и для схем 3 и 03

20000

Св. 16 до 40 А включ.

10000

Св. 40 А

5000

1) Для поставок внутри страны для выключателей, в которых оба контакта коммутирующей пары изготовлены из меди или медных сплавов, число циклов ВО при cosj не менее 0,9 должно быть для всех схем соединений не менее 25000.

Продолжительность включенного положения 25+5 % и отключенного положения 75-5 % от продолжительности всего цикла.

Для выключателей поворотного типа со схемой 5, предназначенных для работы в любом направлении, привод поворачивают сначала в одну сторону до половины общего нормируемого числа операций, а затем в обратную сторону - оставшееся число операций.

Для других выключателей поворотного типа, предназначенных для работы в любом направлении, часть общего числа операций S выполняют в направлении по часовой стрелке, а оставшееся число операций - в противоположном направлении.

Шнурковые выключатели следует испытывать установленными как при нормальной эксплуатации, с силой натяжения шнурка, достаточной при оперировании, но не более 50 Н, направленной под углом 30° ± 5° к вертикали в плоскости перпендикулярной к плоскости монтажа.

Выключатели испытывают на переменном токе (cosj = 0,6 ± 0,05).

Выключатели со схемой 2 испытывают вначале на комплекте из трех образцов при последовательном соединении полюсов. Для второго комплекта из трех образцов один полюс испытывают при полной нагрузке, производя до половины числа операций.

Если два полюса неодинаковы, то испытание повторяют на другом полюсе.

Два полюса выключателей схем 4 и 5 испытывают, как два выключателя со схемой 1. Если полюса одинаковые, испытывают только один полюс.

Для выключателей схемы 5 с одним механизмом каждая цепь имеет нагрузку, равную 0,5 номинального тока.

Выключатели со схемой 6 испытывают, произведя до половины числа операций на одном полюсе, а оставшееся число на другом полюсе.

Выключатели схемы 6/2 испытывают, как один выключатель со схемой 6, если две пары полюсов одинаковы. В противном случае - как два выключателя схемы 6.

Выключатели со схемой 7 испытывают, как двойной выключатель схемы 6. Пока испытывают одну часть, другая часть находится в положении «отключено».

Выключатели со схемой 05 с тремя самостоятельными механизмами испытывают, как три выключателя со схемой 1, и испытания проводят последовательно.

Испытуемые образцы соединяют с испытательной цепью проводами длиной (0,3 ± 0,015) м так, чтобы измерение превышения температуры можно было произвести без нарушения зажима.

Во время испытания образцы должны нормально функционировать.

После испытания образцы должны быть подвергнуты испытанию на электрическую прочность изоляции в соответствии с разделом 16, при этом испытательное напряжение 4000 В должно быть снижено на 1000 В, а другие испытательные напряжения - на 500 В, и испытанию на превышение температуры в соответствии с разделом 17, при этом испытательный ток должен быть равен номинальному току.

После испытания испытуемые образцы не должны иметь:

- износа, препятствующего их дальнейшей эксплуатации;

- несоответствия между положением приводного элемента и подвижных контактов, если положение приводного элемента указано;

- нарушения оболочек, изоляционных прокладок или перегородок до такой степени, что выключатель не пригоден к дальнейшей работе или не соблюдаются требования раздела 10;

- просачивания компаундной массы;

- ослабления электрических и механических соединений;

- относительного смещения подвижных контактов выключателей со схемами 2, 3, 03 или 6/2.

Примечания

1. Перед проверкой электрической прочности изоляции по настоящему разделу воздействие влагой по 15.3 не проводят.

2. Во время испытания образцы не смазывают.

После этого проводят испытание по 14.3.

19.2. Нормальная работа для цепей люминесцентных ламп

Выключатели, предназначенные для люминесцентных ламповых нагрузок, должны выдерживать без чрезмерного износа или других негативных эффектов электрические и термические нагрузки, возникающие, когда цепь управления люминесцентной лампы находится при соответствующем коэффициенте мощности и нагрузке, включенной между зажимами испытательной цепи, как показано на рисунке А.18 (см. приложение А), при следующих условиях испытаний.

Ожидаемый ток короткого замыкания источника питания должен быть 3 и 4 кА при cosj = 0,9 ± 0,05 (отстающий); F - плавкий элемент из медной проволоки с номинальным диаметром 0,1 мм, имеющий длину не менее 50 мм;

R1 - резистор, ограничивающий ток до 100 А.

Двухжильный кабель должен иметь подходящую длину, чтобы сопротивление R3 в испытательной цепи нагрузки было равно 0,25 Ом. Он должен иметь сечение 1,5 мм2, если испытывают выключатели на номинальный ток до 10 А включительно, и 2,5 мм2, если испытывают выключатели на номинальный ток свыше 10 до 20 А включительно.

Нагрузка А должна состоять из:

- конденсатора С1 емкостью 70 мкФ ± 10 % - для выключателя на ток 6 А и емкостью 140 мкФ ± 10 % для других выключателей. Конденсаторы должны быть соединены проводниками сечением 2,5 мм2 возможно более короткой длины;

- катушки индуктивности L1 и резистора R2 для регулировки значений коэффициента мощности до 0,9 ± 0,05 (отстающий) и тока через образец до  %.

Нагрузка В должна состоять из:

- конденсатора С2 емкостью 7,3 мкФ ± 10 %;

- катушки индуктивности L2 индуктивностью (0,5 ± 0,1) Гн, имеющей сопротивление не более 15 Ом, измеренной при постоянном токе.

Примечание - Токовые параметры выбираются исходя из практического применения нагрузок люминесцентных ламп.

Соответствие проверяют следующим испытанием.

Для испытания используют новые образцы. Выключатели, кроме схем 3 и 03, испытывают при номинальном напряжении, номинальном токе аппаратов и соединениями, указанными в 18.1.

Отклонения испытательного напряжения - ± 5 %, испытательного тока - + 5 %. Подробности цепи и способ действия селекторного выключателя S описаны в 18.1.

Число операций следующее:

Для выключателей с номинальным током люминесцентных ламп от 6 до 10 А включительно - 10000 операций с частотой 30 операций в минуту.

Для выключателей с номинальным током свыше 10 до 20 А включительно - 5000 операций с частотой 15 операций в минуту.

Для поворотных выключателей со схемой 5 с оперированием в оба направления приводной элемент вращают, произведя до половины общего числа операций в одном направлении, а вторую половину операций - в обратном направлении.

Для других поворотных выключателей с оперированием в оба направления, 3/4 общего числа операций производят в направлении по часовой стрелке и оставшуюся часть операций - в обратном направлении.

Шнурковые выключатели испытывают установленными как при нормальной эксплуатации, с силой натяжения шнурка, достаточной для оперирования, но не более 50 Н, приложенной под углом 30° ± 5° к вертикали в плоскости, перпендикулярной к монтажной поверхности.

Выключатели со схемой 2 испытывают вначале на выборке из трех образцов с последовательным соединением полюсов. Затем выборку испытывают при полной нагрузке только на одном полюсе, произведя до половины числа операций.

Если два полюса неодинаковы, испытание повторяют на другом полюсе.

Двухполюсные выключатели со схемой 4 и 5 испытывают, как два выключателя со схемой 1. Если полюса одинаковы, испытывают только один полюс.

Выключатели схемы 6 испытывают, произведя половину числа операций на одном полюсе, а оставшуюся половину - на другом полюсе.

Выключатели со схемой 6/2 испытывают, как один выключатель со схемой 6, если две пары полюсов одинаковы, если две пары полюсов неодинаковы испытывают, как два выключателя со схемой 6.

Выключатели со схемой 7 испытывают, как двойной выключатель со схемой 6.

Испытуемые образцы должны присоединяться к испытательной цепи кабелями длиной (0,3 ± 0,015) м так, чтобы можно было измерить превышение температуры без нарушения зажимов. Нагрузка должна соответствовать указанной на рисунке А.18, приложение А (нагрузка А).

После установленного числа операций нагрузку А заменяют нагрузкой В, и проводят 100 операций в этой цепи при номинальном напряжении.

Металлическое основание, если имеется, на котором выключатель установлен, и доступные части выключателя, если имеются, должны быть заземлены через проволочный предохранительный элемент, который не должен перегореть во время испытания. Предохранительный элемент состоит из медной проволоки диаметром 0,1 мм и длиной не менее 50 мм.

Во время этого испытания выключатель должен действовать так, чтобы испытательное устройство не мешало нормальной работе механизма выключателя и свободному движению приводного элемента.

Не должно быть вынужденного действия. Время включения должно составлять 25+5 % времени цикла, а время отключения - 75-5 %.

Во время испытания образцы должны функционировать правильно. Не должно быть длительной дуги или приваривания контактов. Залипание контактов, которое не препятствует следующей операции выключателя, не считают привариванием.

Залипание контактов допускается, если контакты могут быть разъединены силой, приложенной к приводу, не повреждающей выключатель механически.

После испытания, без нарушения соединений образца при испытании, выполняют измерение превышения температуры, как указано в разделе 17, при испытательном токе, равном номинальному.

Превышение температуры зажимов не должно быть более 45 °С.

После этих испытаний должны быть возможны включение и отключение выключателя вручную в испытательной цепи, и образец не должен иметь:

- износа, препятствующего дальнейшему использованию;

- противоречия между положением приводного элемента и подвижными контактами, если положение приводного элемента указано;

- ухудшения оболочек, изолирующих прокладок или перегородок до такой степени, что выключатель не может дальше действовать или не соблюдаются требования раздела 10;

- ослабления электрических или механических соединений;

- просачивания компаундной массы;

- относительного смещения подвижных контактов выключателей со схемой 2, 3 или 6/2.

Повреждение заменяемого шнурка, не являющегося входящей частью шнуркового выключателя, не считают отказом при испытании.

20. Механическая прочность

Выключатели, монтажные коробки и ввинчиваемые уплотнения выключателей, отличных от обычных, должны иметь достаточную механическую прочность, чтобы выдерживать нагрузки, возникающие в процессе монтажа и эксплуатации.

Соответствие проверяют следующими испытаниями:

- для выключателей по 20.1 и 20.2;

- для монтажных коробок - 20.1;

- для ввинчиваемых уплотнений выключателей, отличных от обычных, по 20.3.

Примечание - Блоки выключателей или выключателей с розетками испытывают следующим образом:

- при одной общей крышке - как одно изделие;

- при отдельных крышках - как отдельные изделия.

20.1. Образцы подвергают ударам с помощью испытательной установки, указанной на рисунках А.19 - А.22 (см. приложение А).

Ударный элемент имеет полусферическую поверхность радиусом 10 мм и изготовлен из полиамида, имеющего твердость по Роквеллу 100 HR и массу (150 ± 1) г.

Он жестко закреплен в нижней части стальной трубки наружным диаметром 9 мм и с толщиной стенок 0,5 мм, которая на шарнирах укреплена в верхней части таким образом, что может качаться только в вертикальной плоскости.

Ось вращения расположена на расстоянии (1000 ± 1) мм от оси ударного элемента.

Твердость по Роквеллу полиамидного бойка определяют с помощью шарика диаметром (12,7000 ± 0,0025) мм с первоначальной нагрузкой (100 ± 2,0) Н и дополнительной нагрузкой (500 ± 2,5) Н.

Примечание - Дополнительная информация, содержащая определение твердости по Роквеллу пластиков, приводится в ГОСТ 24622.

Конструкцией установки должна быть предусмотрена возможность удержания ударного элемента в горизонтальном положении в случае приложения силы от 1,9 до 2,0 Н к его лицевой поверхности.

Испытуемый образец устанавливают на квадратном листе фанеры со стороной размером около 175 мм и толщиной 8 мм, который в верхнем и нижнем углах крепят к жестким кронштейнам, являющимися частями основания монтажного устройства.

Монтажное основание должно иметь массу, равную (10 ± 1) кг, и монтироваться на жесткой раме с помощью шарниров. Раму крепят к прочной стене.

Конструкцией установки должна быть предусмотрена возможность:

- размещения проверяемого образца так, чтобы точка удара лежала в вертикальной плоскости по оси шарнира;

- движения проверяемого образца в горизонтальном направлении и вращение его вокруг оси, перпендикулярной к поверхности фанерного листа;

- вращения фанерной плиты вокруг вертикальной оси на 60° в оба направления.

Выключатели и монтажные коробки устанавливают на фанерном листе как при нормальной эксплуатации.

Вводные отверстия выключателей, которые не имеют пробиваемых диафрагм, оставляют открытыми. Если имеются пробиваемые диафрагмы, то одну из них пробивают.

Для выключателей скрытой установки образец устанавливают в углубление бруска из граба или аналогичного материала, который крепят к листу фанеры, а не в монтажную коробку. При использовании бруска направление волокон древесного волокна должно быть перпендикулярно к направлению удара.

Выключатели для скрытой установки с винтовым креплением следует крепить винтами к кронштейнам, утопленным в бруске. Аналогичные выключатели с креплением с помощью распорных лапок крепят к бруску посредством лапок.

Перед испытанием на удар крепежные винты оснований и крышек затягивают крутящим моментом, равным 2/3 соответствующего значения, указанного в таблице 3.

Образцы устанавливают так, чтобы точка нанесения удара лежала в вертикальной плоскости, проходящей по оси шарнира.

Ударный элемент должен падать с высоты, которая указана в таблице 21.

Части выключателей, предназначенные исключительно для монтажа в стеновой панели, подвергаются ударам, которые наносят ударным элементом с высоты 100 мм; удары наносят только по частям, которые выступают после монтажа выключателя в стеновой панели.

Примечание - На все части образца, за исключением частей А, действует энергия удара, определяемая той частью образца, которая более всего выступает над монтажной поверхностью.

Таблица 21 - Высота падения для испытания на удар

Высота падения, мм

Части оболочек, подвергаемых удару1)

Выключатели с кодом защиты IPX0

Выключатели с кодом защиты выше чем IPX0

100

А и В

-

150

С

А и В

200

D

С

250

-

D

1) А - части на фронтальной поверхности, включая части, имеющие углубления;

В - части, которые не выступают более чем на 15 мм от монтажной поверхности (расстояние от стены) после монтажа как при нормальной эксплуатации, за исключением частей А;

С - части, которые выступают более чем на 15 мм, но не более 25 мм от монтажной поверхности (расстояние от стены) после монтажа как при нормальной эксплуатации, за исключением частей А;

D - части, которые выступают более чем на 25 мм от монтажной поверхности (расстояние от стены) после монтажа как при нормальной эксплуатации, за исключением частей А.

Контрольную точку отмечают на поверхности ударного элемента в том месте, где линия, проходящая через точку пересечения оси стальной трубки маятника и оси ударного элемента, перпендикулярна к плоскости, проходящей через обе оси, и пересекает поверхность ударного элемента.

Примечание - Теоретически центром тяжести ударного элемента должна быть контрольная точка. Однако поскольку на практике центр тяжести определить трудно, контрольную точку находят указанным выше способом.

Испытуемые образцы подвергают девяти ударам, которые наносят равномерно по всему образцу. Удары не наносят на пробиваемую диафрагму. Удары наносят следующим образом:

- для частей А: один удар в центре, по одному удару в каждой неблагоприятной точке между центром и краями после того, как образец будет перемещен по горизонтали, и затем после поворота образца на 90° вокруг его оси, перпендикулярной к фанерному листу, по одному удару в подобные точки;

- для частей В (насколько приемлемо), С и D - четыре удара:

- два удара по каждой из двух сторон образца, по которым удары могут быть нанесены после того, как фанерный лист будет повернут на 60° в каждом из двух противоположных направлений;

- два удара по каждой из двух других сторон образца, по которым удары могут быть нанесены после того, как образец будет повернут на 90° вокруг его оси, перпендикулярной к фанерному листу, который будет повернут на 60° в каждом из двух противоположных направлений.

Если выключатель имеет вводные отверстия, то образец устанавливают таким образом, чтобы две точки нанесения ударов были как можно ближе равноудалены от этого отверстия.

Накладки и другие крышки многоместных выключателей испытывают, как накладки и крышки отдельных выключателей.

Для выключателей, отличных от обычных, испытание проводят с закрытыми крышками, и, кроме того, соответствующее число ударов наносят на те части, которые остаются незащищенными при открытой крышке.

После испытания образцы не должны иметь повреждений, нарушающих требования настоящего стандарта. В частности, токоведущие части не должны стать доступными.

После испытания на глазках (окошки для сигнальных лампочек) могут быть трещины и/или они могут быть выбиты, но не должно быть доступа к токоведущим частям:

- стандартным шарнирным испытательным пальцем в условиях, указанных в 10.1;

- стандартным жестким испытательным пальцем в условиях, указанных в 10.1, но с силой 10 Н.

В случае сомнения проверяют возможность снятия и замены наружных частей, таких как коробки, оболочки крышки и накладки без повреждения этих частей или их изоляционных прокладок.

Если накладка, опирающаяся на внутреннюю крышку, будет повреждена, то повторное испытание проводят на внутренней крышке, которая после испытания должна остаться неповрежденной.

Примечание - Не принимают во внимание повреждение поверхности, небольшие вмятины, которые не влияют на снижение путей утечки или воздушных зазоров ниже значений, указанных в 23.1, и мелкие осколки, которые отрицательно не сказываются на защите выключателя от электрического удара.

Не принимают во внимание трещины, не видимые невооруженным глазом, и поверхностные трещины волокнистых отливок и т.п.

Не принимают во внимание трещины или отверстия на наружной поверхности какой-либо части выключателя, если он соответствует требованиям настоящего стандарта даже без этой части. Если декоративная крышка опирается на внутреннюю, то скол декоративной крышки не принимают во внимание, если внутренняя крышка выдержит испытание при снятой декоративной крышке.

20.2. Основания выключателей обычного типа для открытой установки сначала прикрепляют к цилиндру из жесткой листовой стали, имеющему радиус в 4,5 раза больше, чем расстояние между отверстиями для крепления, но в любом случае не менее 200 мм.

Оси отверстий должны быть расположены в плоскости, перпендикулярной к оси цилиндра и параллельно радиусу, проходящему через центр расстояния между отверстиями.

Крепежные винты постепенно затягивают максимальным крутящим моментом, равным 0,5 Н · м для винтов с диаметром резьбы до 3 мм включительно и 1,2 Н · м - для винтов с большим диаметром резьбы.

Затем основания крепят аналогичным образом к плоскому стальному листу.

После испытаний на основаниях не должны появляться повреждения, препятствующие их дальнейшему использованию.

20.3. Ввинчиваемые сальники собирают с цилиндрическим металлическим стержнем, имеющим диаметр, равный ближайшему меньшему внутреннему диаметру уплотнения.

Затем сальник затягивают соответствующим гаечным ключом, к которому в течение 1 мин прилагают крутящий момент, указанный в таблице 15.

После испытания сальники и оболочки образцов не должны иметь повреждений, нарушающих требования настоящего стандарта.

20.4. Если испытательную силу необходимо приложить к крышкам, накладкам или приводным элементам, выключатели устанавливают как при нормальной эксплуатации.

Выключатели скрытого типа закрепляют в подходящей монтажной коробке, которую устанавливают как при нормальной эксплуатации так, чтобы края коробок были утоплены в стенах, и оборудуют их крышками, накладками и приводными элементами. Если ее снабжают запирающими устройствами, которые могут устанавливаться без помощи инструмента, эти коробки не запирают.

Соответствие проверяют испытаниями по 20.4.1 и 20.4.2.

20.4.1. Проверка несъемных крышек, накладок или приводных элементов

Силу постепенно прикладывают в направлении, перпендикулярном к монтажным поверхностям, чтобы в результате сила, действующая в центре крышек, накладок, приводных элементов или их частей составляла:

- 40 Н - для крышек, накладок, приводных элементов или их частей, соответствующих испытаниям 20.7 и 20.8;

- 80 Н - для других крышек, накладок и приводных элементов.

Силу прикладывают в течение 1 мин.

Крышки, накладки или приводные элементы не должны приводить к выключению.

Затем испытание повторяют на новых образцах, при этом крышки или накладки устанавливают на стене, подложив вокруг опорной рамы лист твердого материала толщиной (1 ± 0,1) мм, как показано на рисунке А.23 (см. приложение А).

Примечание - Лист твердого материала используют вместо обоев, и он может состоять из нескольких кусков.

После испытания образцы не должны иметь повреждений, приводящих к несоответствию настоящему стандарту.

20.4.2. Проверка съемных крышек, накладок или приводных элементов

Силу, не превышающую 120 Н, прикладывают постепенно в направлении, перпендикулярном к монтажной/опорной поверхностям, к крышкам, накладкам, приводным элементам или их частям посредством крючка, прикладывая ее к каждому из желобков, отверстий или аналогичных мест, предусмотренных для их снятия.

Крышки, накладки или приводные элементы не должны приводить к выключению.

Испытание проводят по 10 раз на каждой части, не зафиксированной винтами (точки приложения распределяют насколько реально), движущую силу прикладывают каждый раз к различным желобкам, отверстиям или подобным местам, предназначенным для снятия отдельных деталей.

Затем испытание повторяют на новых образцах, при этом крышки или накладки устанавливают на стене, подложив вокруг опорной рамы лист твердого материала толщиной (1,0 ± 0,1) мм, как показано на рисунке А.23 (см. приложение А).

После испытания образцы не должны иметь повреждений, приводящих к несоответствию настоящему стандарту.

20.5. Испытание проводят согласно 20.4, но с приложением для проверок по 20.4.1 следующих сил:

- 10 Н - для крышек или накладок, или приводных элементов с испытанием по 20.7 и 20.8;

- 20 Н - для других крышек или накладок, или приводных элементов.

20.6. Испытание проводят согласно 20.4, но с приложением для проверок по 20.4.1 силы 10 Н для всех крышек, накладок или приводных элементов.

20.7. Калибром, соответствующим рисунку А.24 (см. приложение А), нажимают на каждую сторону крышки, накладки или приводного элемента, которые устанавливают без винтов на монтажной или опорной поверхности, как показано на рисунке А.25 (см. приложение А).

При испытании калибр прикладывают к прямому углу каждой стороны, поверхностью В, опираясь на монтажную/опорную поверхность, а поверхностью А - перпендикулярно к ней.

Если крышка или накладка прикреплена без винтов к другой крышке или накладке или к монтажной коробке, имеющей одни и те же контурные размеры, поверхность В калибра должна быть размещена на уровне, где находится стык. Контур крышки или накладки не должен выступать за контур опорной поверхности.

Расстояния между поверхностью С калибра и контуром стороны при испытании, измеренные параллельно поверхности В, не должны уменьшаться (за исключением желобков, отверстий или подобных частей, размещенных на расстоянии менее 7 мм от плоскости, содержащей поверхность В, и соответствующих испытанию по 20.8), когда измерения повторяют, начиная от точки X в направлении стрелки Y (см. рисунок А.26, приложение А).

20.8. Калибр, соответствующий рисунку А.27 (см. приложение А), приложенный с силой 1 Н, не должен входить более чем на 1 мм от верхней части любой канавки, отверстия или обратного уклона или подобной части, когда калибр прикладывают к ним параллельно монтажной/опорной поверхности и к прямым углам частей, подлежащих испытанию, как показано на рисунке А.28 (см. приложение А).

Примечание - Если калибр, соответствующий рисунок А.27 (см. приложение А), проник более чем на 1 мм, проверку проводят относительно поверхности, перпендикулярной к поверхности В, включая верхнюю часть контура канавок, отверстий, обратных уклонов или подобных частей.

20.9. Приводной элемент шнуркового выключателя должен иметь достаточную прочность.

Соответствие проверяют на новых образцах следующим испытанием.

Выключатели монтируют на опору как при нормальной эксплуатации.

Силу 100 Н прикладывают в течение 1 мин к приводному элементу как при нормальной эксплуатации, после чего силу 50 Н прикладывают в течение 1 мин в наиболее неблагоприятном направлении по конусообразной поверхности, где центром служит приводной шнурок, а угол не превышает 80° к вертикали.

После испытания выключатель не должен иметь повреждений, приводящих к несоответствию настоящему стандарту. Приводной элемент не должен иметь поломок, и шнурковый выключатель остается действующим.

Узел крепления выключателей для скрытой установки в монтажной коробке по ГОСТ 8594 должен выдерживать силу, равную (90 ± 5) Н.

Проверку прочности узла крепления выключателей для скрытой установки проводят с помощью шаблона, указанного на рисунке А.29 (см. приложение А). Проверку проводят со снятой крышкой выключателя. Резьбовые соединения узла крепления затягивают динамометрическим инструментом с крутящим моментом, указанным в таблице 3.

Измеряют расстояние между распорными лапками, которое должно соответствовать указанному на рисунке А.10 а) (см. приложение А).

Затем резьбовые соединения узла крепления ослабевают, и выключатель устанавливают в шаблон. Резьбовые соединения узла крепления затягивают крутящим моментом, указанным в таблице 3. К основанию выключателя с помощью специальных захватов (типа скобы или хомута) прикладывают силу, направленную вдоль оси приспособления, плавно увеличивая ее от 0 до (90 ± 5) Н со скоростью, позволяющей проводить визуальный контроль значения прикладываемой силы. После (60 ± 5) с воздействия силы ее плавно уменьшают до нуля. Резьбовые соединения узла крепления ослабевают, и выключатель извлекают из шаблона.

Затем резьбовые соединения узла крепления выключателя затягивают крутящим моментом, указанным в таблице 3, и проводят измерение расстояния между распорными лапками.

Метод испытания выключателей, имеющих способ крепления в монтажной коробке, отличный от указанного на рисунке А.10 а) (см. приложение А) должен быть указан в технических условиях на выключатели конкретных типов.

Считают, что выключатели выдержали испытание при условии, что:

- после приложения силы выключатель остался в приспособлении;

- расстояние между распорными лапками выключателей до и после приложения силы соответствует указанному на рисунке А.10 а) (см. приложение А);

- отсутствуют механические повреждения, препятствующие их дальнейшей эксплуатации.

21. Нагревостойкость

Выключатели и монтажные коробки должны быть устойчивы к нагреву.

Соответствие проверяют:

а) для поверхности коробок открытого монтажа, съемных крышек и отдельных накладок - испытанием по 21.3;

б) для выключателей, за исключением частей, если имеются, указанных в перечислении а), - испытаниями по 21.1 - 21.3 (за исключением частей выключателей, изготовленных из натурального или синтетического каучука или из их смеси).

21.1. Образцы выдерживают в течение 1 ч в термокамере при температуре (100 ± 2) °С.

Во время испытания они не должны претерпевать изменений, затрудняющих их дальнейшую эксплуатацию, и не должен плавиться компаунд до такой степени, чтобы токоведущие части стали незащищенными.

После испытания образцы охлаждают приблизительно до комнатной температуры, при этом токоведущие части должны оставаться недоступными для прикосновения, когда образцы смонтированы как для нормальной эксплуатации, даже если стандартный испытательный палец прикладывают с силой, не превышающей 5 Н.

Маркировка после испытания должна быть четкой и легкочитаемой.

Изменением цвета, вздутием или небольшим вытеканием компаунда можно пренебречь, если при этом не нарушаются требования настоящего стандарта.

21.2. Части из изоляционного материала, на которых крепятся токоведущие части, и части заземляющей цепи подвергают испытанию давлением шарика с помощью устройства, приведенного на рисунке А.30 (см. приложение А), за исключением изолирующих частей, на которых закрепляют заземляющие зажимы в коробке, которые испытывают в соответствии с 21.3.

Примечание - Если невозможно провести испытание на выключателе, то испытание проводят на куске толщиной не менее 2 мм, который вырезают из образца. Если это невозможно, то могут быть использованы до четырех слоев включительно, каждый из которых вырезают из того же образца, при этом общая толщина слоев не должна быть менее 2,5 мм.

Поверхность испытуемой части образца устанавливают в горизонтальном положении, и стальной шарик диаметром 5 мм вдавливают в поверхность с силой 20 Н.

Испытательную нагрузку и опорное устройство размещают в термокамере на время, достаточное для того, чтобы они достигли установившейся температуры до начала испытания.

Испытание проводят в термокамере при температуре (125 ± 2) °С.

Через 1 ч шарик убирают с образца, затем образец охлаждают до комнатной температуры в течение 10 с путем погружения в холодную воду.

Диаметр оттиска должен быть не более 2 мм.

21.3. Части изоляционного материала, не предназначенные для крепления токоведущих частей и частей заземляющей цепи, даже если они контактируют с ними, испытывают давлением шарика в соответствии с 21.2, но испытание проводят при температуре (70 ± 2) °С или (40 ± 2) °С плюс наибольшее превышение температуры, измеренное для соответствующих частей во время испытания по разделу 17, в зависимости от того, какое из этих значений будет больше.

22. Винты, токоведущие части и соединения

22.1. Электрические и механические соединения должны выдерживать механические нагрузки, возникающие при нормальной эксплуатации.

Механические соединения, используемые при сборке аппаратов, могут выполняться самонарезающими формирующими винтами или самонарезающими режущими винтами, только если винты поставляют вместе с частями, в которые они должны устанавливаться. Кроме того, самонарезающие режущие винты, предназначенные для использования при сборке, должны быть соединены с соответствующей частью аппарата.

Винты или гайки, передающие контактное давление, должны ввинчиваться в металлическую резьбу.

Соответствие проверяют внешним осмотром для винтов и гаек, предназначенных для подключения внешних проводников и монтажа выключателя при установке, следующим испытанием.

Примечание - Требования для проверки зажимов указаны в разделе 12.

Винты или гайки затягивают и отпускают:

- 10 раз для винтов, ввинчивающихся в резьбу из изолирующего материала;

- 5 раз во всех остальных случаях.

Винты или гайки, ввинчивающиеся в резьбу из изолирующего материала, каждый раз полностью ввинчивают и вывинчивают.

Испытание проводят с помощью соответствующей испытательной отвертки или другого инструмента с приложением крутящего момента, указанного в 12.2.5.

Проводник перемещают каждый раз, когда ослабляют винт или гайку.

Во время испытания не должны возникать повреждения, препятствующие дальнейшему использованию винтовых соединений, таких как излом винтов или повреждение шлицев (делающее невозможным применение соответствующей отвертки), резьбы, шайб или хомутиков.

Примечания

1. К винтам или гайкам, применяемым при монтаже принадлежностей, относят винты для крепления крышек или накладок и т.п., однако не относят соединительные детали для ввинчиваемых кабельных вводов и винты для крепления основания выключателя.

2. Винтовые соединения считают частично проверенными испытаниями по разделам 19 и 20.

22.2. Для винтов, ввинчиваемых в электроизоляционный материал и предназначенных для монтажа выключателя, должно быть гарантировано правильное введение в резьбовое отверстие или гайку.

Соответствие проверяют внешним осмотром.

Примечание - Требование к правильному введению винта может быть соблюдено, например, при наличии направляющего устройства на фиксирующей части, применении утопленной гаечной резьбы или винтов со снятой начальной резьбой.

22.3. Конструкцией электрических соединений должна быть предусмотрена невозможность передачи контактного давления через изолирующий материал, кроме керамики, чистой слюды или других материалов с аналогичными техническими данными, за исключением случаев, когда металлические детали обладают достаточной упругостью и могут при этом компенсировать возможную усадку или сжатие изолирующего материала.

Соответствие проверяют внешним осмотром и испытанием вручную.

Примечание - Пригодность применяемых материалов рассматривают в отношении стабильности размеров.

22.4. Винты и заклепки, служащие в качестве электрических и механических соединений, должны иметь устройство, препятствующее их ослаблению или развинчиванию.

Соответствие проверяют внешним осмотром.

Примечания

1. В качестве устройства от самоотвинчивания может служить пружинная шайба.

2. Для заклепок достаточными являются некруглое тело заклепки или наличие соответствующих канавок.

3. Компаунд, который при нагревании размягчается, может служить удовлетворительным средством от самоотвинчивания только для тех винтовых соединений, которые при нормальной эксплуатации не должны отвинчиваться.

22.5. Токоведущие части, включая зажимы (также зажимы заземления), следует изготовлять из металла, имеющего механическую прочность, электропроводность и коррозиеустойчивость для использования по назначению при условиях, имеющих место в оборудовании.

Соответствие проверяют внешним осмотром и, если необходимо, химическим анализом. Примерами таких материалов, используемых в диапазоне допустимой температуры и при нормальных условиях химического загрязнения, являются:

- медь;

- сплав, содержащий не менее 58 % меди, для частей, изготовляемых из холоднокатаных листов, или не менее 50 % меди - для других частей;

- нержавеющая сталь, содержащая не менее 13 % хрома и не более 0,12 % углерода;

- сталь с цинковым гальванопокрытием по ИСО 2081 [1], имеющая толщину покрытия не менее:

5 мкм для обычного оборудования (условия эксплуатации № 1),

12 мкм для капле- и брызгозащищенного оборудования (условия эксплуатации № 2),

25 мкм для струезащищенного и водонепроницаемого оборудования (условия эксплуатации № 3);

- сталь с никелевым и хромовым гальванопокрытием по ИСО 1456 [2] толщиной покрытия не менее:

20 мкм для обычного оборудования (условия эксплуатации № 2),

30 мкм для капле- и брызгозащищенного оборудования (условия эксплуатации № 3),

40 мкм для струезащищенного и водонепроницаемого оборудования (условия эксплуатации № 4);

- сталь с оловянным гальванопокрытием по ИСО 2093 [3] толщиной не менее:

12 мкм для обычного оборудования (условия эксплуатации № 2),

20 мкм для каплезащищенного и брызгозащищенного оборудования (условия эксплуатации № 2),

30 мкм для струезащищенного и водонепроницаемого оборудования (условия эксплуатации № 4).

Токопроводящие части, которые могут подвергаться механическому износу, не должны быть изготовлены из стали с гальванопокрытием.

Металлы, показывающие большую разность электрохимических потенциалов во влажных условиях по отношению друг к другу, не следует использовать в контакте друг с другом.

Примечание - Настоящее требование не относится к винтам, гайкам, шайбам, зажимным пластинам и аналогичным частям зажимов.

Токоведущие пружинные детали выключателей следует изготовлять из оловянно-фосфористой бронзы по ГОСТ 1761 или бериллиевой бронзы по ГОСТ 18175.

Токоведущие непружинящие детали (кроме винтов контактных зажимов) следует изготовлять из медных сплавов или биметалла томпак-сталь с двухсторонней плакировкой толщиной слоя не менее 10 % от общей толщины материала.

Винты контактных зажимов и другие конструкционные металлические детали следует изготовлять из медных сплавов, коррозиестойкого металла, биметаллов или стали с коррозиеустойчивым покрытием.

22.6. Контакты, которые при нормальной эксплуатации подвергаются трению, следует изготовлять из коррозиестойкого металла.

Соответствие требованиям 22.5 и 22.6 проверяют внешним осмотром и химическим анализом.

22.7. Самонарезающие формующие винты и самонарезающие режущие винты не следует использовать для соединения токопроводящих частей. Их допускается использовать для цепи заземления в том случае, если при нормальной эксплуатации соединения не будут разъединяться и для каждого соединения используются не менее двух винтов.

Соответствие проверяют внешним осмотром.

23. Пути утечки тока, воздушные зазоры и расстояния через заливочную массу

Значения путей утечки тока, воздушных зазоров, расстояний через заливочную массу не должны быть менее значений, указанных в таблице 12.

Соответствие проверяют измерениями.

Измерения проводят на выключателе с присоединенными проводниками с наибольшим сечением, указанным в разделе 12, а также без проводников.

Расстояния через пазы и отверстия в наружных частях из изолирующего материала измеряют до металлической фольги, соприкасающейся с доступной поверхностью.

Фольгу заталкивают в углы и другие аналогичные выемки с помощью неразъемного испытательного пальца, имеющего размеры, как и стандартный испытательный палец, изображенный на рисунке А.11 (см. приложение А), но при этом фольга не должна вдавливаться в отверстия.

Проводник должен быть вставлен в зажим и присоединен так, чтобы изоляция жилы касалась металлических частей зажимного устройства, или, если изоляция жилы конструктивно защищена от прикосновения к металлическим частям, находилась снаружи препятствия.

Для обычных выключателей открытого типа в выключатель на расстояние 1 мм вводят наиболее неблагоприятный кабель или вводят в соответствии с 13.12. Если металлическая рама для крепления основания выключателя скрытого типа подвижна, то ее устанавливают в наиболее неблагоприятное положение.

Изолирующая заливочная масса не должна выходить за пределы полости, в которую ее помещают.

Соответствие проверяют внешним осмотром.

24. Стойкость изоляционных материалов к аномальному нагреву, огню и трекингостойкость

24.1. Стойкость к аномальному нагреву и огню

Части изоляционного материала, которые могут испытывать термические нагрузки под воздействием электрического тока и нарушение которых может привести к снижению электрической безопасности выключателя, не должны чрезмерно поражаться аномальным нагревом и огнем.

24.1.1. Испытание раскаленной проволокой

Испытание выполняют по ГОСТ 27483 при следующих условиях:

а) для частей из изоляционного материала, на которых закрепляют токоведущие части и части заземляющей цепи - испытанием при температуре 850 °C, кроме частей из изоляционного материала, на которых установлен зажим заземления в коробке, которую следует испытывать при температуре 650 °C;

б) для частей из изоляционного материала, на которых не закрепляют токоведущие части и части заземляющей цепи, даже если они контактируют с ними, - испытанием при температуре 650 °С.

Если указанные испытания проводят в нескольких местах одного и того же образца, необходимо обращать внимание на то, чтобы любые нарушения образца, вызванные предыдущими испытаниями, не повлияли на результат последующего испытания.

Небольшие детали, у которых каждая поверхность расположена полностью внутри круга диаметром 15 мм или у которых какая-нибудь часть поверхности находится за пределами круга диаметром 15 мм и невозможно расположить круг диаметром 8 мм на любой поверхности, они не подвергаются испытанию этого раздела (см. рисунок А.31, приложение А).

Примечание - Если испытуемая поверхность имеет выступы и отверстия, наибольший размер которых не превышает 2 мм, ими пренебрегают.

Испытание не проводят на частях из керамики.

Примечание - Раскаленную испытательную проволоку прикладывают к поверхности испытательного образца, чтобы гарантировать, что электрически нагретая испытательная проволока при определенных условиях не станет причиной зажигания изоляционных частей или что часть из изоляционного материала, которая может воспламениться от раскаленной испытательной проволоки при определенных условиях, имеет ограниченное время горения, без перехода огня в пламя или выпадания горящих частиц или капель из испытуемой детали на сосновую доску, накрытую папиросной бумагой.

По возможности, в качестве испытуемого образца следует брать собранный выключатель.

Примечание - Если испытание нельзя провести на собранном выключателе, то испытывают часть, вырезанную из него.

Испытание проводят на одном образце. В случае сомнения испытание проводят еще на двух образцах.

Перед испытанием образец выдерживают в течение 24 ч в нормальных климатических условиях окружающей среды в соответствии с ГОСТ 27473.

Раскаленную проволоку прикладывают один раз к поверхности испытательного образца.

Образец располагают во время испытания в самое неблагоприятное положение из его предполагаемого применения (поверхность, подлежащую испытанию, располагают в вертикальном положении). Конец раскаленной проволоки прикладывают к поверхности испытуемого образца в соответствии с условиями предполагаемого применения, при котором нагретый или раскаленный проволочный элемент мог бы войти в контакт с испытуемым образцом.

Во время приложения раскаленной проволоки и 30 с после этого необходимо наблюдать за образцом и расположенным рядом с ними деталями, включая слой под образцом.

Время, когда происходит воспламенение образца, и/или время, когда огонь затухает во время или после приложения проволоки, измеряют и записывают.

Считают, что образец выдержал испытание раскаленной проволокой, если:

- отсутствует видимое пламя и устойчивое свечение;

- пламя и свечение на образце прекратятся в течение 30 с после удаления от него раскаленной проволоки.

Не должно быть возгорания папиросной бумаги или подпаливания доски.

24.2. Трекингостойкость

В выключателях, отличных от обычных, части из изоляционного материала, удерживающие токоведущие части, должны быть изготовлены из материала, устойчивого к токам утечки.

Соответствие проверяют по ГОСТ 27473.

Для материалов, кроме керамических, соответствие данному требованию устанавливают следующим испытанием.

Плоские поверхности испытуемой детали размером не менее 15 · 15 мм располагают в горизонтальном положении на испытательном устройстве.

Материал при испытании должен выдерживать при контрольном индексе трекингостойкости 175 В при использовании раствора А с интервалом между каплями (30 ± 5) с.

Не должно возникнуть короткого замыкания или пробоя между электродами до того, как упадет 50 капель.

При отсутствии на образцах поверхности размером 15 · 15 мм допускается проводить проверку на круглых дисках диаметром (50 ± 1) мм или треугольных образцах с размером сторон (30 ± 0,5) мм, изготовленных из такого же материала.

25. Коррозиестойкость

Металлические части, включая крышки и монтажные коробки, должны быть надежно защищены от коррозии.

Соответствие проверяют следующим испытанием.

Смазочные вещества удаляют с испытуемых частей путем погружения их на 10 мин в раствор четыреххлористого углерода, треххлористого этана или аналогичного обезжиривающего вещества.

После этого испытуемые части погружают на 10 мин в 10 %-ный раствор нашатырного спирта с водой при температуре (20 ± 5) °С.

Стряхнув капли, испытуемые части без просушки помещают на 10 мин в камеру, содержащую воздух, насыщенный влагой, при температуре (20 ± 5) °С. После того, как испытуемые части будут просушены в термокамере при температуре (100 ± 5) °C в течение 10 мин, на их поверхностях не должно быть следов коррозии.

Примечания

1. Следы коррозии на острых краях и желтоватую пленку, которую удаляют путем протирания, не учитывают.

2. Слой смазки, наносимый на небольшие пружины и аналогичные им детали, а также на закрытые части, подверженные истиранию, может служить надежной защитой от коррозии.

Указанные детали испытывают только в том случае, если возникает сомнение относительно эффективности смазочного покрытия, и в этом случае испытание проводят без предварительного удаления с детали смазки.

Материалы или гальванические покрытия, соприкасающиеся между собой деталей контактных зажимов и присоединяемых проводников должны соответствовать требованиям ГОСТ 9.005.

Качество гальванических покрытий металлических деталей проверяют по ГОСТ 9.302.

26. Требования к электромагнитной совместимости

26.1. Стойкость к помехам

Выключатели в пределах требований настоящего стандарта устойчивы к электромагнитным помехам, поэтому испытания не являются необходимыми.

26.2. Создание помех

Электромагнитные помехи создаются выключателем только при коммутационных операциях. Поскольку они непродолжительны, в испытаниях нет необходимости.

Приложение А

(обязательное)

Рисунки, поясняющие текст стандарта

Зажимы без прижимной пластины

Отверстие зажима размера 2а

Зажимы с прижимной пластиной

Сечение проводника в зажиме, мм2

Минимальный диаметр D или минимальные размеры места расположения проводника, мм

Минимальное расстояние g между зажимным винтом и концом проводника, полностью вставленного в зажим, мм

Крутящий момент, Н · м

11)

31)

41)

Один винт

Два винта

Один винт

Два винта

Один винт

Два винта

Один винт

Два винта

1,5

2,5

1,5

1,5

0,20

0,20

0,4

0,4

0,4

0,4

2,5 (цилиндрическое отверстие)

2,0

1,5

1,5

0,25

0,20

0,5

0,4

0,5

0,4

2,5 (эллиптическое отверстие)

2,5 · 4,5

1,5

1,5

0,25

0,20

0,5

0,4

0,5

0,4

4

3,6

1,8

1,5

0,40

0,20

0,8

0,4

0,8

0,4

6

4,0

1,8

1,5

0,40

0,25

0,8

0,5

0,8

0,5

10

4,5

2,0

1,5

0,70

0,25

1,2

0,5

1,2

0,5

16

5,5

2,5

2,0

0,80

0,70

2,0

1,2

2,0

1,2

25

7,0

3,0

2,0

1,20

0,70

2,5

1,2

3,0

1,2

1) Относится к винтам, указанным в соответствующих графах таблицы 3. Часть зажима, имеющая отверстие с резьбой, и часть зажима, в которой зажимается проводник, могут представлять собой две самостоятельные детали, как, например, в случае зажима, снабженного хомутом.

Форма места расположения проводника может быть иной при условии, что в нее можно вписать окружность диаметром, равным минимальному значению, указанному для D, или минимальные размеры, указанные для проводника 2,5 мм2.

Рисунок А.1 - Торцевые зажимы

Зажимы, не требующие применения прокладки, прижимной пластины или специальной прижимной детали

Зажимы, требуемые применения прокладки, прижимной пластины или специальной прижимной детали

Рисунок А.2 - Зажимы с крепежной головкой и зажимы под гайку, лист 1

Зажимы с крепежной головкой

Зажимы под гайку

1 - возможный вариант; 2 - неподвижная деталь; 3 - прокладка или прижимная пластина; 4 - специальная прижимная деталь; 5 - гайка; D - место расположения проводника

Сечение проводника в зажиме, мм2

Минимальный диаметр D места расположения проводника, мм

Крутящий момент, Н · м

41)

51)

Один винт

Два винта

Один винт

Два винта

1,5

1,7

0,5

-

0,5

-

2,5

2,0

0,8

-

0,8

-

4,0

2,7

1,2

0,5

1,2

0,5

6,0

3,6

2,0

1,2

2,0

1,2

10,5

4,3

16,0

5,5

25,0

7,0

2,5

2,0

3,0

2,0

1) Относится к винтам, указанным в соответствующих графах таблицы 3.

Деталь, удерживающая проводник в определенном положении, может быть изготовлена из изоляционного материала при условии, что давление, необходимое для зажатия проводника, не будет передаваться через изоляционный материал.

Второе возможное место расположения проводника для зажима размера 2 может быть использовано для присоединения второго проводника при необходимости подключения двух проводников сечением 2,5 мм2.

Рисунок А.2, лист 2

1 - прижимная планка; 2 - неподвижная деталь; 3 - шпилька; D - место расположения проводников

Сечение проводника в зажиме, мм2

Минимальный диаметр D места расположения проводника, мм

Крутящий момент, Н · м

До 4

3,0

0,5

» 6

4,0

0,8

» 10

4,5

1,2

» 16

5,5

1,2

» 25

7,0

2,0

Форма места расположения проводника может быть иной по сравнению с изображенной на рисунке при условии, что в нее можно будет вписать окружность диаметром, равным минимальному значению, указанному для D.

Форма верхней и нижней сторон прижимной планки может быть неодинаковой, что обусловлено различными размерами сечения проводника, и поэтому при зажатии проводника ее можно переворачивать.

Рисунок А.3 - Зажимы с прижимной планкой

1 - стопорная деталь; 2 - кабельный наконечник или шина; 3 - неподвижная деталь; 4 - шпилька

Сечение проводника в зажиме, мм2

Минимальное расстояние g между краем отверстия и концом прижимной детали, мм

Крутящий момент, Н · м

41)

51)

До 16

7,5

2,0

2,0

» 25

7,5

2,0

2,0

1) Относится к шпилькам, указанным в соответствующих графах таблицы 3.

 

Для зажимов этого типа должны быть предусмотрены упругая шайба или аналогичная надежная стопорная деталь и ровная поверхность в месте прижима.

Для выключателей некоторых типов возможно применение зажимов под наконечник меньших размеров по сравнению с указанным.

Рисунок А.4 - Зажимы под наконечник

1 - неподвижная деталь; D - место расположения проводника

Сечение проводника в зажиме, мм2

Минимальный диаметр D места расположения проводника1), мм

Минимальное расстояние между неподвижной деталью и концом проводника, полностью вставленного в зажим, мм

1,5

1,7

1,5

2,5

2,0

1,5

4,0

2,7

1,8

6,0

3,6

1,8

10,0

4,3

2,0

16,0

5,5

2,5

25,0

7,0

3,0

1) Значения прилагаемых крутящих моментов указаны соответственно в графе 3 или 5 таблицы 3.

Рисунок А.5 - Зажимы под колпачок

Рисунок А.6 - Самонарезающий формующий винт

Рисунок А.7 - Самонарезающий режущий винт

Схемы, показывающие клеммы выключателей при испытаниях

Рисунок А.8 - Классификация выключателей в зависимости от вида соединения

* Размеры для справок.

Рисунок А.9 - Основные размеры оснований выключателей степени защиты IP20

* Размеры для справок.

Рисунок А.10 - Установочные размеры выключателей и варианты их крепления

1 - упор; 2 - рукоятка; 3 - ограждение; 4 - изоляционный материал; 5 - соединение

Материал - металл, если не указано иное.

Неуказанные допуски:

- на угловые размеры.................................................... от 0° до - 10°,

- на линейные размеры:

до 25 мм включительно................................................ от 0 до - 0,005 мм,

свыше 25 мм.................................................................... ± 0,2 мм

Оба соединения должны допускать перемещение в одной плоскости и одном направлении на 90° с допуском от 0° до + 10°.

Рисунок А.11 - Испытательный палец

1 - контактный зажим; 2 - плата; 3 - втулка; 4 - груз

Примечание - Следует обратить внимание, что отверстие изготовляют так, чтобы была уверенность, что сила, прикладываемая к кабелю, является тянущей и что передача любого вращающего момента соединению в зажимных средствах отсутствует.

Рисунок А.12 - Устройство для контроля повреждения проводников

Направление приложения сил

а) Принцип действия испытательной установки для проверки на изгиб безвинтовых контактных зажимов

б) Принципиальная схема для определения падения напряжения во время испытаний на изгиб безвинтовых контактных зажимов

А - амперметр; S - выключатель; mV - милливольтметр; 1 - образец; 2 - испытуемое прижимное устройство; 3 - проводник; 4 - прогнутый проводник; 5 - точка приложения силы; 6 - направление отклоняющей силы

Рисунок А.13 - Испытание на изгиб

Рисунок А.14 - Размеры паза в крышке выключателя для открытой установки степени защиты IP20

1 - кирпич; 2 - строительный раствор; 3 - монтажная коробка; 4 - плоскость установки

1) Размер для справок.

Примечание - Все швы строительного раствора толщиной (10 ± 5) мм, если не указано иначе.

Рисунок А.15 - Блок испытательной стены для проведения испытаний в соответствии с требованиями 15.2.2

Рисунок А.16 - Устройство для проверки включающей и разрывной мощности и нормальной работы выключателя

Стрелки, показывающие соединение фазных проводников, приведены исключительно в качестве примера.

Если обозначения предприятия-изготовителя указывают другой порядок соединений, то необходимо следовать этим обозначениям.

Рисунок А.17 - Электрические схемы для проверки выключающей и разрывной мощности и нормальной работы выключателя

Рисунок А.18 - Принципиальная схема для испытаний выключателей для люминесцентных ламп под нагрузкой

1 - рама; 2 - образец; 3 - основание для крепления образца

Рисунок А.19 - Устройство для испытания на удар

Рисунок А.20 - Устройство маятника для испытания на удар

1 - шарнир; 2 - лист фанеры

Рисунок А.21 - Основание для крепления образца

1 - брусок из граба; 2 - лист фанеры

Размеры паза в бруске из граба даны в качестве примера.

Рисунок А.22 - Основание для крепления выключателей скрытой установки

1 - лист твердого материала; 2 - защитный кожух; 3 - опорная рама; 4 - монтажная коробка; 5 - стена

Рисунок А.23 - Устройство для испытания крышек и закрывающих пластин

Рисунок А.24 - Калибр (толщина около 2 мм) для проверки габаритов крышек для закрывающих пластин

1 - монтажная поверхность; 2 - выключатель; 3 - опора; 4 - расположение детали, имеющей ту же толщину, что и опорная часть

Рисунок А.25 - Пример использования калибра на рисунке А.24, установленного за выключателем, который смонтирован на монтажной поверхности или опорной поверхности

Случаи а) и b) - не соответствуют; случаи с), d), e) и f) - соответствуют (соответствие должно быть проверено требованиями 20.8, используя калибр, представленный на рисунке А.23)

Рисунок А.26 - Примеры применения калибра на рисунке А.24 в соответствии с требованиями 20.7

Испытательный стержень (металлический)

Рисунок А.27 - Калибр для проверки пазов, отверстий и обратных конусов

1 - выключатель; 2 - монтажная поверхность

Рисунок А.28 - Схема, показывающая направление приложения калибра согласно рисунку А.24

* Размеры для справок.

Рисунок А.29 - Шаблон для проверки прочности крепления выключателя для скрытой установки

1 - образец; 2 - стальной шарик диаметром 5 мм

Рисунок А.30 - Установка для испытания прочности материалов

Рисунок А.31 - Схема испытания по 24.1.1

Приложение B

(обязательное)

Обозначение образцов, необходимых для испытаний

Таблица B.1 - Число образцов, необходимых для испытаний в соответствии с 5.4

Разделы и пункты настоящего стандарта

Число образцов

для испытания

дополнительных для двойного номинального тока

6. Номинальные значения

А

-

7. Классификация

А

-

8. Маркировка

А

-

9. Проверка размеров

А, В, С

-

10. Защита от поражения электрическим током

А, В, С

-

11. Заземление

А, В, С

-

12. Контактные зажимы1)

А, В, С

J, K, L

13. Требования к конструкции2)

А, В, С

-

14. Механизм

А, В, С

-

15. Устойчивость к старению, защита, обеспечиваемая корпусом выключателя, и влагоустойчивость

А, В, С

-

16. Сопротивление и электрическая прочность изоляции

А, В, С

-

17. Превышение температуры

А, В, С

J, К, L

18. Включающая и разрывная мощность

А, В, С

J, К, L

19. Нормальная работа3)

А, В, С

J, К, L

20. Механическая прочность4)

А, В, С

-

21. Нагревостойкость

А, В, С

-

22. Винты, токоведущие части и соединения

А, В, С

-

23. Пути утечки, воздушные зазоры и расстояния через заливочную массу

А, В, С

-

19.2. Нормальная работа для цепей люминесцентных ламп

D, E, F

М, N, O

24.1. Стойкость к аномальному нагреву и огню

G, Н, I

-

24.2. Трекингостойкость5)

G, Н, I

-

25. Коррозиестойкость

G, Н, I

-

Общее число

9

6

1) Пять дополнительных зажимов используют для испытания по 12.3.11 и один дополнительный комплект образцов используют для испытания по 12.3.12.

2) Дополнительный комплект мембран необходим для каждого из испытаний по 13.15.1 и 13.15.2.

3) Для выключателей схемы 2 используют дополнительный комплект образцов.

4) Один дополнительный комплект образцов шнурковых выключателей необходим для испытания по 20.9.

5) Может быть использован один дополнительный комплект образцов.

Приложение C

(справочное)

Требования к протоколу испытаний выключателей

C.1. Протокол испытаний должен содержать достоверные, объективные и точные результаты испытаний, данные об условиях испытаний и погрешности измерений, заключение о соответствии испытуемых выключателей требованиям нормативных документов и конструкторской документации представлять точно, четко и недвусмысленно результаты испытаний и другую относящуюся к ним информацию.

C.2. Протокол испытаний должен содержать следующие основные сведения:

- наименование и адрес испытательной лаборатории;

- регистрационный номер испытательной лаборатории, дату выдачи и срок действия аттестата аккредитации, наименование аккредитующей организации, выдавшей аттестат;

- номер и дату регистрации протокола испытаний, подпись руководителя испытаний, печать испытательной лаборатории на каждой странице протокола испытаний, а также общее количество пронумерованных страниц;

- полное наименование выключателя;

- код ОКП;

- наименование организации или фамилию, имя и отчество заказчика и его адрес;

- дату получения заявки на испытания;

- дату проведения испытаний;

- место проведения испытаний;

- климатические условия проведения испытаний (температуру, влажность, давление);

- вид испытаний (приемосдаточные, контрольные, для целей сертификации и т.д.);

- программу испытаний (объем испытаний в виде перечисления пунктов / разделов нормативного документа);

- нормативный документ, на соответствие требованиям которого проведены испытания (например, стандарт);

- перечень применяемого испытательного оборудования и средства измерения с указанием наименования и типа испытательного оборудования и средства измерений, диапазона и точности измерений, данных о номере метрологического аттестата или свидетельства и дате последней и очередной аттестации и государственной поверке с учетом требований ГОСТ Р 51672;

- значения показателей по нормативным документам и допусков при необходимости;

- фактическое значение показателей испытанных выключателей с указанием погрешности (не более ± 10 %) и достоверности измерений (не менее 0,9), с учетом требований ГОСТ Р 51672, ГОСТ Р ИСО 5725-2 и ГОСТ Р ИСО 5725-6:

- наименование и тип устройства для калибровки измерительной цепи до и после проведения испытаний, при необходимости;

- вывод о соответствии нормативному документу по каждому показателю;

- информацию о дополнительном протоколе испытаний, выполненных на условиях субподряда (при его наличии);

- заключение о соответствии (или несоответствии) испытанных выключателей требованиям стандартов или других нормативных документов;

- подписи и должности лиц, ответственных за проведение испытаний и оформление протокола испытаний, включая руководителя испытательной лаборатории;

- печать испытательной лаборатории (или организации) на всех листах протокола;

- указание о недопустимости частичной или полной перепечатки или размножения без разрешения заказчика или испытательной лаборатории (на титульном листе);

C.3. Исправления дополнения в тексте протокола испытаний после его выпуска не допускается. При необходимости исправления и дополнения оформляют только в виде отдельного документа «Дополнение к протоколу испытаний» с указанием номера и даты в соответствии с приведенными выше требованиями к протоколу.

На конкретные виды испытаний могут оформляться отдельные протоколы, входящие в состав общего протокола испытаний.

C.4. В протоколе испытаний не допускается помещать рекомендации и советы по устранению недостатков или совершенствованию испытанных выключателей.

C.5. Копии протоколов испытаний подлежат хранению в испытательной лаборатории не менее шести лет.

Приложение D

(обязательное)

Сведения о соответствии ссылочных международных стандартов национальным стандартам Российской Федерации, использованным в настоящем стандарте в качестве нормативных ссылок

Таблица D.1

Обозначение ссылочного национального стандарта Российской Федерации

Обозначение и наименование ссылочного международного стандарта и условное обозначение степени его соответствия ссылочному национальному стандарту

ГОСТ Р ИСО 9000-2001

ИСО 9000-2000 Системы менеджмента качества. Основные положения и словарь

ГОСТ Р ИСО 9001-2001

ИСО 9001:2000 Системы менеджмента качества. Требования (NFQ)

ГОСТ Р ИСО 5725-2-2002

ИСО 5725-2:2002 Точность (правильность и прецизионность) методов и результатов измерений. Часть 2. Основной метод определения повторяемости и воспроизводимости стандартного метода измерений (NEQ)

ГОСТ Р ИСО 5725-6-2002

ИСО 5725-2:2002 Точность (правильность и прецизионность) методов и результатов измерений. Часть 6. Использование значений точности на практике (NEQ)

ГОСТ Р 50043.1-2001

МЭК 60998-1:1990 Соединительные устройства для низковольтных цепей бытового и аналогичного назначения. Часть 1. Общие требования (MOD)

ГОСТ Р 50043.2-92

МЭК 60998-2-1:1990 Соединительные устройства для низковольтных цепей бытового и аналогичного назначения. Часть 2 - 1. Частные требования для соединительных устройств с винтовыми зажимами (MOD)

ГОСТ Р 50043.3-2000

МЭК 60998-2-2:1991 Соединительные устройства для низковольтных цепей бытового и аналогичного назначения. Часть 2 - 2. Частные требования к безвинтовым зажимам для присоединения медных проводников (MOD)

ГОСТ Р 50779.71-99

ИСО 2859-1-89 Статистические методы. Процедуры выборочного контроля по альтернативному признаку. Часть 1. Планы выборочного контроля последовательных партий на основе приемлемого уровня качества AQL (NEQ)

ГОСТ Р 50827-95

МЭК 60670:1989 Корпусы для аппаратов, устанавливаемые в стационарные электрические установки бытового и аналогичного назначения (MOD)

ГОСТ Р 51324.2-1-99

МЭК 60669-2-1:1996 Выключатели для бытовых и аналогичных стационарных электрических установок. Часть 2 - 1. Частные требования к полупроводниковым выключателям и методы (MOD)

ГОСТ Р 51324.2-2-99

МЭК 60669-2-2:1996 Выключатели для бытовых и аналогичных стационарных электрических установок. Часть 2 - 2. Частные требования к выключателям с дистанционным управлением (ВДУ) (MOD)

ГОСТ Р 51324.2-2-99

МЭК 60669-2-2:1996 Выключатели для бытовых и аналогичных стационарных электрических установок. Часть 2 - 2. Частные требования к выключателям с дистанционным управлением (ВДУ) (MOD)

ГОСТ Р 51324.2-3-99

МЭК 60669-2-3:1997 Выключатели для бытовых и аналогичных стационарных электрических установок. Часть 2 - 3. Частные требования к выключателям с задержкой времени (таймеры) (MOD)

ГОСТ Р 51686.1-2000

МЭК 60999-1:1999 Соединительные устройства. Требования к контактным зажимам. Часть 1. Требования к винтовым и безвинтовым контактным зажимам для соединения медных проводников с номинальным сечением от 0,2 до 35 мм2 (MOD)

ГОСТ Р 60227-4-2002

МЭК 60227-4:1999 Кабели с поливинилхлоридной изоляцией. Напряжение до 450/750 В. Кабели в оболочке для неподвижной прокладки (NEQ)

ГОСТ Р 60227-5-2002

МЭК 60227-5:1999 Кабели с поливинилхлоридной изоляцией. Напряжение до 450/750 В. Гибкие кабели (NEQ)

ГОСТ Р 60245-4-2002

МЭК 60245-1:1997 Кабели с резиновой изоляцией. Напряжение до 450/750 В. Шнуры и гибкие кабели (NEQ)

ГОСТ 9.302-88

ИСО 1463:1982 Металлические и оксидные покрытия. Измерение толщины покрытия. Метод микрофотокопирования (MOD)

ИСО 2178:1982 Безмагнитные покрытия на магнитных основаниях. Измерение толщины покрытия. Магнитный метод (MOD)

ГОСТ 9.005-84

ИСО 2274:1981 Единая система защиты от коррозии и старения. Металлы, сплавы, металлические и неметаллические неорганические покрытия. Допустимые и недопустимые контакты с металлами и неметаллами (MOD)

ГОСТ 8724-2002

ИСО 261-98 Основные нормы взаимозаменяемости. Резьба метрическая. Диаметры и шаги (NEQ)

ГОСТ 14254-96

МЭК 60529:2003 Степени защиты, обеспечиваемые оболочками (Код IP) (NEQ)

ГОСТ 16962.1-89

МЭК 6068-2-1-74 Изделия электротехнические. Методы испытаний на устойчивость к климатическим внешним воздействующим факторам (NEQ)

ГОСТ 24622-91

ИСО 2039-2-87 Пластмассы. Определение твердости. Твердость по Роквеллу (NEQ)

ГОСТ 27473-87

МЭК 60112:1979 Метод определения сравнительного и контрольного индексов трекингостойкости во влажной среде. (NEQ)

ГОСТ 27483-87

МЭК 60695-2-1-80 Испытания на пожароопасность. Методы испытаний. Испытания нагретой проволокой (NEQ)

ГОСТ 28312-89

МЭК 60417:2004 Аппаратура радиоэлектронная профессиональная. Условные графические обозначения. (NEQ)

Примечание - В настоящей таблице использованы следующие условные обозначения степени соответствия стандартов:

- (MOD) - модифицированные стандарты;

- (NEQ) - неэквивалентные стандарты.

Библиография

[1] ИСО 2081-91 Металлическое покрытие: цинк на сталь электролитическим осаждением

[2] ИСО 1456-88 Металлическое покрытие: никель-хромовое и медно-никелевое покрытие электролитическим осаждением

[3] ИСО 2093-86 Металлическое покрытие: залуживание электролитическим осаждением. Спецификация и методы испытаний

 

Ключевые слова: установочные выключатели, общие требования, методы испытаний, требования безопасности