Mechanical structures for radio-electronic equipment. Injector/extractor handle. Dimensions of mechanical structures of the 482,6 mm (19 in) series

ФЕДЕРАЛЬНОЕ АГЕНТСТВО
ПО ТЕХНИЧЕСКОМУ РЕГУЛИРОВАНИЮ И МЕТРОЛОГИИ

НАЦИОНАЛЬНЫЙ
СТАНДАРТ
РОССИЙСКОЙ
ФЕДЕРАЦИИ

ГОСТ Р МЭК
60297-3-102-2006

Конструкции несущие базовые радиоэлектронных
средств

РУКОЯТКА ИНЖЕКТОРА-ЭКСТРАКТОРА

Размеры конструкций серии 482,6 мм (19 дюймов)

IEC 60297-3-102:2004
Mechanical structures for electronic equipment - Dimensions of mechanical
structures of the 482,6 mm (19 in) series - Part 3-102: Injector/extractor handle
(IDT)

 

Москва

Стандартинформ

2007

 

Предисловие

Цели и принципы стандартизации в Российской Федерации установлены Федеральным законом от 27 декабря 2002 г. № 184-ФЗ «О техническом регулировании», а правила применения национальных стандартов Российской Федерации - ГОСТ Р 1.0-2004 «Стандартизация в Российской Федерации. Основные положения»

Сведения о стандарте

1 ПОДГОТОВЛЕН Автономной некоммерческой организацией «Измерительно-информационные технологии» (АНО «Изинтех») и Закрытым акционерным обществом «Авангард-ТехСт» (ЗАО «Авангард-ТехСт») на основе выполненного российской комиссией экспертов МЭК/ТК 48D аутентичного перевода стандарта, указанного в пункте 4

2 ВНЕСЕН Межгосударственным техническим комитетом по стандартизации МТК 420 «Базовые несущие конструкции, печатные платы, сборка и монтаж электронных модулей», подкомитетом МПК-1 «Базовые несущие конструкции радиоэлектронных средств (РЭС)»

3 УТВЕРЖДЕН И ВВЕДЕН В ДЕЙСТВИЕ Приказом Федерального агентства по техническому регулированию и метрологии от 27 декабря 2006 г. № 384-ст

4 Настоящий стандарт идентичен международному стандарту МЭК 60297-3-102-2004 «Механические конструкции для электронного оборудования. Размеры механических конструкций серии 482,6 мм (19 дюймов). Часть 3-102. Рукоятка инжектора-экстрактора». (IEC 60297-3-102-2004 «Mechanical structures for electronic equipment - Dimensions of mechanical structures of the 482,6 mm (19 in) series - Part 3-102: Injector/extractor handle»).

Наименование настоящего стандарта изменено относительно наименования указанного международного стандарта для приведения в соответствие с ГОСТ Р 1.5-2004 (пункт 3.5).

При применении настоящего стандарта рекомендуется использовать вместо ссылочных международных стандартов соответствующие им национальные стандарты Российской Федерации, сведения о которых приведены в дополнительном приложении А

5 ВВЕДЕН ВПЕРВЫЕ

Информация об изменениях к настоящему стандарту публикуется в ежегодно издаваемом информационном указателе «Национальные стандарты», а текст изменений и поправок - в ежемесячно издаваемых информационных указателях «Национальные стандарты». В случае пересмотра (замены) или отмены настоящего стандарта соответствующее уведомление будет опубликовано в ежемесячно издаваемом информационном указателе «Национальные стандарты». Соответствующая информация, уведомление и тексты размещаются также в информационной системе общего пользования - на официальном сайте Федерального агентства по техническому регулированию и метрологии в сети Интернет

СОДЕРЖАНИЕ

1 Область применения. 2

2 Нормативные ссылки. 2

3 Термины и определения. 2

4 Компоновка лицевой панели с установленными рукоятками инжектора-экстрактора типа А.. 2

5 Сопрягающиеся размеры блочного каркаса для лицевой панели с установленными рукоятками инжектора-экстрактора типа А.. 3

6 Сопрягающиеся размеры вставного блока с печатной платой для лицевой панели с установленными рукоятками инжектора-экстрактора типа А.. 3

7 Компоновка печатной платы с установленными рукоятками инжектора-экстрактора типа В.. 4

8 Сопрягающиеся размеры блочного каркаса для печатной платы с установленными рукоятками инжектора-экстрактора типа В.. 4

9 Размеры печатной платы с установленными рукоятками инжектора-экстрактора типа В.. 4

10 Размеры, используемые в рисунках 1 - 6. 5

Приложение А. Сведения о соответствии национальных стандартов Российской Федерации ссылочным международным стандартам.. 5

Введение

Национальный стандарт подготовлен на основе международного стандарта МЭК 60297-3-102, разработанного подкомитетом 48D «Механические конструкции для электронного оборудования» технического комитета МЭК/ТК 48 «Электромеханические компоненты и механические конструкции для электронного оборудования».

Международный стандарт МЭК 60297-3-102:2004 отменяет и заменяет стандарт МЭК 60297-4:1995, поправку 1 (1999) к нему и МЭК 60297-5-101:2001.

Серия стандартов МЭК 60297-3 под общим наименованием «Механические конструкции для электронного оборудования. Размеры механических конструкций серии 482,6 мм (19 дюймов)» состоит из следующих частей:

- часть 3-101 Блочные каркасы и связанные с ними вставные блоки;

- часть 3-102 Рукоятка инжектора/экстрактора;

- часть 3-103 Система ключей и ловитель для установки.

НАЦИОНАЛЬНЫЙ СТАНДАРТ РОССИЙСКОЙ ФЕДЕРАЦИИ

Конструкции несущие базовые радиоэлектронных средств

РУКОЯТКА ИНЖЕКТОРА-ЭКСТРАКТОРА

Размеры конструкций серии 482,6 мм (19 дюймов)

Mechanical structures for radio-electronic equipment. Injector-extractor handle.
Dimensions of mechanical structures of the 482,6 mm (19 in) series

Дата введения - 2008-01-01

1 Область применения

Настоящий стандарт распространяется на дополнительные размеры рукояток инжектора-экстрактора, используемых в блочных каркасах и вставных блоках в соответствии с требованиями МЭК 60297-3-101. Настоящий стандарт может применяться совместно с МЭК 60297-3-103.

2 Нормативные ссылки

В настоящем стандарте использованы нормативные ссылки на следующие международные стандарты:

МЭК 60297-3-101-2004 Механические конструкции для электронного оборудования. Размеры механических конструкций серии 482,6 мм (19 дюймов). Часть 3-101. Блочные каркасы и связанные с ними вставные блоки

МЭК 60917-1:1998 Модульный принцип построения механических несущих конструкций для электронного оборудования

3 Термины и определения

В настоящем стандарте применены термины по МЭК 60917-1.

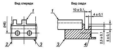
4 Компоновка лицевой панели с установленными рукоятками инжектора-экстрактора типа А

При использовании рукоятки инжектора-экстрактора типа А блочный каркас отличается от типового каркаса, соответствующего МЭК 60297-3-101 (см. рисунок 1).

1 - типовой монтажный фланец блочного каркаса; 2 - печатная плата; 3 - соединитель; 4 - рукоятка инжектора-экстрактора, установленная на лицевой панели;
5 - типовая направляющая; 6 - типовая горизонтальная деталь

Рисунок 1 - Компоновка лицевой панели с установленными рукоятками инжектора-экстрактора типа А

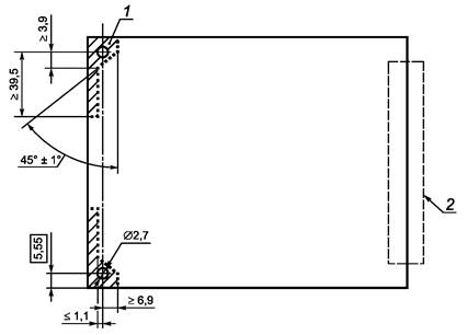
5 Сопрягающиеся размеры блочного каркаса для лицевой панели с установленными рукоятками инжектора-экстрактора типа А

При оснащении лицевой панели рукоятками инжектора-экстрактора к размерам блочного каркаса по МЭК 60297-3-101 необходимо добавить дополнительные размеры (см. таблицу 1 и рисунок 2).

Таблица 1 - Сопрягающиеся размеры проема блочного каркаса

Размеры в миллиметрах

Высота каркаса

3U

6U

9U

Проем Н21 ± 0,3

129,2

262,55

395,9

1 - типовой монтажный фланец блочного каркаса; 2 - первая линия шага выводов; 3 - передняя/задняя плоскость закрепления; 4 - первая линия шага выводов

Примечание - Показан только вид спереди. Вид сзади является его зеркальным изображением. Недостающие размеры - в соответствии с МЭК 60297-3-101.

Рисунок 2 - Сопрягающиеся размеры блочного каркаса для лицевой панели с установленными рукоятками инжектора-экстрактора типа А

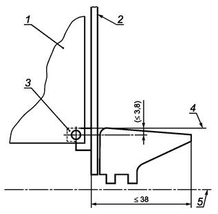
6 Сопрягающиеся размеры вставного блока с печатной платой для лицевой панели с установленными рукоятками инжектора-экстрактора типа А

Ширина рукоятки инжектора-экстрактора может быть любой кратности горизонтальному шагу (> 1 HP). Рукоятка инжектора-экстрактора не должна выступать за горизонтальные линии шага выводов и проникать в пространство, используемое для компонентов передней панели. Рукоятка инжектора-экстрактора не должна выступать над плоскостью разделения блочного каркаса (см. рисунок 3).

Размер в скобках указан в соответствии с МЭК 60297-3-101.

1 - печатная плата; 2 - лицевая панель; 3 - монтажная область для платы; 4 - пространство, используемое для компонентов лицевой панели; 5 - плоскость разделения блочного каркаса

Примечание - Недостающие размеры - в соответствии с МЭК 60297-3-101.

Рисунок 3 - Сопрягающиеся размеры вставного блока с печатной платой для лицевой панели с установленными рукоятками инжектора-экстрактора типа А

7 Компоновка печатной платы с установленными рукоятками инжектора-экстрактора типа В

Компоновка печатной платы с установленными рукоятками инжектора-экстрактора типа В приведена на рисунке 4.

1 - типовой монтажный фланец блочного каркаса; 2 - соединитель; 3 - печатная плата; 4 - рукоятка инжектора-экстрактора, установленная на печатной плате; 5 - типовая направляющая; 6 - типовая горизонтальная деталь

Рисунок 4 - Компоновка печатной платы с установленными рукоятками инжектора-экстрактора типа В

8 Сопрягающиеся размеры блочного каркаса для печатной платы с установленными рукоятками инжектора-экстрактора типа В

Ширина выступа на горизонтальной детали блочного каркаса для зацепления рукоятки инжектора-экстрактора должна быть кратной горизонтальному шагу выводов или занимать всю ширину блочного каркаса. В случае если вся ширина каркаса отводится под рукоятки, становится невозможной установка вставных блоков с кожухами по МЭК 60297-3-101 из-за измененной высоты вертикального проема блочного каркаса (см. рисунок 5).

1 - направляющая; 2 - горизонтальная линия шага выводов; 3 - горизонтальная деталь блочного каркаса; 4 - передняя плоскость закрепления

Примечание - Недостающие размеры и размер в скобках - в соответствии с МЭК 60297-3-101.

Рисунок 5 - Сопрягающиеся размеры блочного каркаса для печатной платы с установленными рукоятками инжектора-экстрактора типа В

9 Размеры печатной платы с установленными рукоятками инжектора-экстрактора типа В

Размеры печатной платы с установленными рукоятками инжектора-экстрактора типа В приведены на рисунке 6.

1 - заштрихованная зона должна быть оставлена для компонента рукоятки (с обеих сторон печатной платы); 2 - зона соединителя

Примечание - Вставные блоки в виде печатной платы высотой 3U могут быть оснащены как одной, так и двумя рукоятками. Вставные блоки в виде печатной платы высотой 6U и 9U должны оснащаться двумя рукоятками.

Недостающие размеры - в соответствии с МЭК 60297-3-101.

Рисунок 6 - Размеры печатной платы с установленными рукоятками инжектора-экстрактора типа В

10 Размеры, используемые в рисунках 1 - 6

По высоте:

Н21 - вертикальный размер проема блочного каркаса, необходимый для установки лицевой панели и ее фиксации с помощью рукояток инжектора-экстрактора.

Приложение А
(справочное)

Сведения о соответствии национальных стандартов Российской Федерации ссылочным международным стандартам

Таблица А.1

Обозначение ссылочного международного стандарта

Обозначение и наименование соответствующего национального стандарта

МЭК 60297-3-101-2004

ГОСТ Р МЭК 60297-3-101-2006 Конструкции несущие базовые радиоэлектронных средств. Блочные каркасы и связанные с ними вставные блоки. Размеры конструкций серии 482,6 мм (19 дюймов)

МЭК 60917-1:19981)

*

* Соответствующий национальный стандарт отсутствует. До его утверждения рекомендуется использовать перевод на русский язык данного международного стандарта. Перевод данного международного стандарта находится в Федеральном информационном фонде технических регламентов и стандартов.

1) В Российской Федерации термины в данной области установлены в ГОСТ Р 51676-2000 и ГОСТ Р 52003-2003.

 

Ключевые слова: радиоэлектронные средства, базовые несущие конструкции; рукоятка инжектора-экстрактора; размеры конструкций серии 482,6 мм (19 дюймов)