|
Открытое акционерное общество |
ТЕХНОЛОГИЧЕСКАЯ
КАРТА
НА УСТРОЙСТВО СООРУЖЕНИЙ ГО
ИЗ
СБОРНООМОНОЛИТНЫХ КОНСТРУКЦИЙ
МОССТРОЙКОМИТЕТ
ПКТИпромстрой
Москва 1989
АННОТАЦИЯ
Технологическая карта на возведение сооружений гражданской обороны в сборно-монолитных конструкциях серии У-01-01/80 разработана на основе результатов обобщения и анализа архитектурно-планировочных и конструктивных решений объектов гражданской обороны, а также практического опыта возведения их в системе ПСО Моспромстрой.
При разработке карты были использованы материалы научно-исследовательских организаций (ЦЦНИИОМТП, НИИМосстроя и других) и нормативные документы (СНиП, ЕНиР).
В состав карты входят следующие разделы: область применения, технико-экономические показатели, технология производства работ, организация и методы труда рабочих, материально-технические ресурсы.
Внедрение технологической карты на объектах ПСО Моспромстрой позволит упорядочить технологию производства работ, повысить производительность труда и улучшить качество работ при возведении сооружений Г.О.
Технологическая карта разработана отделом внедрения новой техники: начальник отдела Белов Л.В., гл. технолог отдела Алексапольский Ю.И., ведущий инженер Быстрова А.П.
СОДЕРЖАНИЕ
|
2. Технико-экономические показатели. 5 3. Организация и технология строительного процесса. 5 4. Организация и методы труда рабочих. 25 |
1.1. Технологическая карта разработана на устройство заглубленных встроенных сооружений гражданской обороны из сборно-монолитных конструкций серии У-01-01/80 в летний период.
1.2. В качестве примера принято сооружение (рис. 1) имеющее в плане размеры 15´18 метров с сеткой колонн (6 + 3 + 6) ´ 6.
1.3. Глубина заложения сооружения принята 4 метра ниже уровня земли. Отношение заложения откосов котлована к его глубине 1:1.
1.4. Технологическая карта предусматривает производство строительно-монтажных работ с помощью кранов КБ-404, КС-8161, имеющихся в подразделениях ПСО Моспромстрой.
1.5. Основные показатели встроенного сооружения:
общая площадь помещений - 229 м2
строительный объем - 1358 м3
объем сборно-монолитных конструкций - 620 м3
в том числе:
сборных - 224 м3
монолитных - 396 м3
1.6. Днище и колонны - монолитные железобетонные, стены из сборных железобетонных панелей, сборно-монолитное железобетонное перекрытие.
1.7. Подготовка под днищем толщиной 100 мм из бетона класса В 5.
1.8. Бетон сборных и монолитных конструкций принят класса В 23.
1.9. Рабочая арматура сборных и монолитных железобетонных конструкций принята класса А-III, конструктивная - класса А-I.
Экспликация основных помещений
|
Наименование помещений |
Площадь, м2 |
|
|
1 |
Предтамбур входа № 1 |
5,6 |
|
2 |
Тамбур-шлюз входа № 1 |
7,3 |
|
3 |
Тамбур входа № 2 |
3,7 |
|
4 |
Склад |
149,8 |
|
5 |
Женский санузел |
4,3 |
|
6 |
Мужской санузел |
4,3 |
|
7 |
Фильтровентиляционная камера |
25,8 |
|
8 |
Насосная станция перекачки |
4,0 |
|
9 |
Расширительная камера приточн. |
4,3 |
Примечания:
1. Внутренние стены из блоков ФБС.
2. Лестничная клетка и выходы из убежища не показаны.
3. Раскладку стеновых панелей, плит перекрытия и порядок их монтажа см. на листе № 8.
4. Армирование в узлах - см. альбом типового проекта серия У-01-01/80. Выпуск 0-2.
РИС. 1 ПЛАН И РАЗРЕЗЫ СООРУКЕНИЯ Г.О.
1. Трудоемкость устройства сооружения Г.О. - 218 чел.-дн
2. Трудоемкость на 1 м3 сооружения Г.О. - 016 чел.-дн
3. Трудоемкость на 1 м2 помещения - 0,95 чел.-дн
4. Выработка на 1 рабочего в смену - 2,84 м3
5. Потребность в монтажном кране на сооружение - 27 маш.-см
В технологической карте приведены две схемы монтажа сборных элементов сооружения Г.О. с помощью крана нулевого цикла (КБ-404) и гусеничного крана марки КС-8161 (максимальной грузоподъемности 100 тн).
Работы, связанные с устройством монолитных конструкций (фундаментной плиты, колонн, лестничной клетки и перекрытия), выполняются с помощью тех же кранов.
Схема № 1. Предусматривает монтаж сборных элементов краном КБ-404. Вариант использования крана КБ-404 для монтажа конструкций с максимальной массой сборного элемента 9,6 т является наиболее экономичным, так как этот кран наиболее широко используется в практике строительства для монтажа конструкций нулевого цикла. При расположении монтажного крана с одной стороны строящегося сооружения имеется возможность более рационального, складирования сборных элементов и материалов, сокращается протяженность временных дорог. При длине стрелы 28,9 м грузоподъемность крана позволяет монтировать сборные элементы по наиболее удаленной от крана оси сооружения. Последовательность монтажа сборных элементов приведена на рис № 2 лист № 8.
Схема № 2. Приведен вариант монтажа сборных элементов с помощью крана КС-8161. Характеристика грузоподъемности этого крана при принятой глубине заложения сооружения позволяет монтировать сборные элементы массой 9,6 т только между осями «Б» и «В». Поэтому по этой схеме монтаж сборных элементов осуществляется с двух сторон строящегося сооружения. Применение этого крана требует устройства временной дороги с трех сторон строящегося сооружения (Рис. 3 лист № 9).
|
Порядковый номер монтажа |
Марка элемента |
Вес элемента, тн |
|
1 |
ПС1-5а |
9,5 |
|
2 |
-"- |
-"- |
|
3 |
-"- |
-"- |
|
4 |
-"- |
-"- |
|
5 |
-"- |
-"- |
|
6 |
-"- |
-"- |
|
7 |
ПС2-1 |
9,4 |
|
8 |
ПС1-5 |
9,5 |
|
9 |
-"- |
-"- |
|
10 |
-"- |
-"- |
|
11 |
ПС2-1 |
9,4 |
|
12 |
ПС1-5а |
9,5 |
|
13 |
-"- |
-"- |
|
14 |
-"- |
-"- |
|
15 |
-"- |
-"- |
|
16 |
-"- |
-"- |
|
17 |
-"- |
-"- |
|
18 |
ПС2-1 |
9,4 |
|
19 |
ПС1-5 |
9,5 |
|
20 |
-"- |
-"- |
|
21 |
-"- |
-"- |
|
22 |
ПС2-1 |
9,4 |
|
23 |
Б6 |
6,8 |
|
24 |
-"- |
-"- |
|
25 |
Б7 |
6,8 |
|
26 |
-"- |
-"- |
|
27 |
Б6 |
6,8 |
|
28 |
-"- |
-"- |
|
29 |
П2-6 |
5,6 |
|
30 |
П3-1 |
1,9 |
|
31 |
П2-6 |
5,6 |
|
32 |
-"- |
-"- |
|
33 |
П3-1 |
1,9 |
|
34 |
П2-6 |
5,6 |
|
35 |
-"- |
-"- |
|
36 |
П3-1 |
1,9 |
|
37 |
П2-6 |
5,6 |
|
38 |
-"- |
-"- |
|
39 |
П3-1 |
1,9 |
|
40 |
П2-6 |
5,6 |
|
41 |
-"- |
-"- |
|
42 |
П3-1 |
1,9 |
|
43 |
П2-6 |
5,6 |
|
44 |
-"- |
-"- |
|
45 |
П3-1 |
1,9 |
|
46 |
П2-6 |
5,6 |
Примечания:
1. Стеновые панели ПС1-5а по ряду «Г» монтировать при положении стрелы крана ^-но подкрановым путям.
2. Крайние стоянки крана №№ 1, 2 располагать по осям 1; 4.
3. Заделку стыков панелей начинать с оси 1 при расположении крана М/О3-4 (монтаж эл-ов с пор. номера 12). Опалубку стыков см. - рис. № 17 лист № 17.
4. Внутренние стены сооружения монтировать из блоков ФБС-…
РИС. 2 СХЕМА МОНТАЖА СБОРНЫХ Ж.Б. КОНСТРУКЦИЙ С ПОМОЩЬЮ КРАНА КБ-404
Деталь привязки крана КС-8161
|
Стоянки крана |
Порядк. номер монтажа |
Марка элемен. |
Вес элемент. тн |
|
I |
1 |
ПС1-5 |
9,5 |
|
2 |
-"- |
-"- |
|
|
3 |
ПС2-1 |
9,4 |
|
|
4 |
ПС1-5а |
9,5 |
|
|
5 |
-"- |
-"- |
|
|
II |
6 |
-"- |
-"- |
|
7 |
-"- |
-"- |
|
|
III |
8 |
-"- |
-"- |
|
9 |
-"- |
-"- |
|
|
10 |
ПС2-1 |
9,4 |
|
|
11 |
ПС1-5 |
9,5 |
|
|
12 |
-"- |
-"- |
|
|
IV |
13 |
ПС1-5 |
9,5 |
|
14 |
ПС2-1 |
9,4 |
|
|
15 |
ПС1-5 |
9,5 |
|
|
16 |
-"- |
-"- |
|
|
V |
17 |
-"- |
-"- |
|
18 |
-"- |
-"- |
|
|
VI |
19 |
-"- |
-"- |
|
20 |
-"- |
|
|
|
21 |
ПС2-1 |
9,4 |
|
|
22 |
ПС1-5 |
9,5 |
|
|
Стоянки крана |
Порядк. номер монтажа |
Марка элемен. |
Вес элемент. тн |
|
VI |
1 |
Б6 |
6,8 |
|
2 |
П2-6 |
5,6 |
|
|
V |
3 |
Б7 |
6,8 |
|
4 |
П2-6 |
5,6 |
|
|
5 |
-"- |
-"- |
|
|
IV |
6 |
Б6 |
6,8 |
|
7 |
П2-6 |
5,6 |
|
|
8 |
-"- |
-"- |
|
|
9 |
-"- |
-"- |
|
|
III |
10 |
Б6 |
6,8 |
|
11 |
П3-1 |
1,9 |
|
|
12 |
П2-6 |
5,6 |
|
|
II |
13 |
Б7 |
6,8 |
|
14 |
П3-1 |
1,9 |
|
|
15 |
П2-6 |
5,6 |
|
|
16 |
П3-1 |
1,9 |
|
|
17 |
П2-6 |
5,6 |
|
|
I |
18 |
Б6 |
6,8 |
|
19 |
П3-1 |
1,9 |
|
|
20 |
П2-6 |
5,6 |
|
|
21 |
П3-1 |
1,9 |
|
|
22 |
П2-6 |
5,6 |
|
|
23 |
П3-1 |
1,9 |
|
|
24 |
П2-6 |
5,6 |
|
Примечания:
1. Особое внимание уделять точности складирования сборных эл-тов, устройству временных путей и соблюдения последовательности монтажа.
2. Указания по производству работ см. лист № 14.
РИС. 3 СХЕМА МОНТАЖА СБОРНЫХ Ж.Б. КОНСТРУКЦИЙ С ПОМОЩЬЮ КРАНА КС-8161
3.1. Устройство монолитной фундаментной плиты
До начала работ по устройству монолитной фундаментной плиты должны быть выполнены бетонная подготовка и изоляционные работы согласно указаний проекта. Подачу бетона при бетонировании бетонной подготовки осуществляют при медленном перемещении бункера вдоль полосы бетонирования. Бетон разравнивается вручную на толщину 1 - 2 см превышающую толщину бетонной подготовки.
Бетон уплотняют виброрейкой. При этом бортовая опалубка досок рабочих швов полосы шириной 2,5 м является направляющей при перемещении виброрейки.
На поверхность бетонной подготовки вынести масляной краской положение бортовой опалубки плиты. Бортовая опалубка выполняется из комбинированных щитов конструкции Мосспецпромпроекта.
Армирование фундаментной плиты выполняют плоскими каркасами, сетками, отдельными стержнями по рабочим чертежам согласно серии У-01-01/80, выпуски №№ 1, 4. Подачу арматуры в зону монтажа пакетами и сетками, а также бетона осуществляют с помощью крана по одной из схем, приведенных на листах № 11, 12.
Строповка арматуры осуществляется в соответствии с требованиями листа № 13.
Нижние сетки следует устанавливать на пластмассовые фиксаторы для образования защитного слоя бетона. Одновременно с установкой арматуры размечают положение рабочих швов, отделяющих блоки бетонирования. В местах рабочих швов между верхней и нижней арматурными сетками натягивают тканую металлическую сетку. Верхние сетки укладывают на смонтированные каркасы ребер пазов фундаментной плиты. Положение между сетками фиксируют приваркой вспомогательных поперечных стержней. Установленная арматура плиты должна быть принята с оформлением акта на скрытые работы. Одновременно с арматурой плиты устанавливают выпуска арматуры колонн и конструкций лестницы.
Указания по производству работ
1. Перед укладкой рабочей смеси арматура фундаментной плиты и перекрытия должна быть принята с оформлением акта на скрытые работы.
2. Фундаментная плита бетонируется в два этапа:
На первом этапе бетонируется плита толщиной 500 мм по блокам, указанным на схеме, объем бетона в блоке составляет ≈ 25 м3. Рабочий шов между блоками выполняется из металлической тканой сетки. На втором этапе бетонируются пазы фундаментной плиты (стаканная часть стеновых панелей и колонн).
3. Плиту перекрытия бетонировать по блокам, указанным на схеме.
Примечания:
1. Общие указания по производству работ см. листы №№ 10, 16.
РИС. 4. СХЕМА БЕТОНИРОВАНИЯ фундаментной плиты и плиты ПЕРЕКРЫТИЯ С ПОМОЩЬЮ КРАНА КБ-404
Указания по производству работ
1. Перед укладкой бетонной смеси арматура фундаментной плиты и перекрытия должна быть принята с оформлением акта на скрытые работы.
2. Фундаментная плита бетонируется в два этапа:
На первом этапе бетонируется плита толщиной 500 мм по блокам, указанным на схеме. Объем бетона в блоке составляет ≈ 25 м3. Рабочий шов между блоками выполнить из тканой металлической сетки. На втором этапе бетонируются пазы фундаментной плиты (стаканная часть стеновых панелей и колонн).
3. Плиту перекрытия бетонировать по блокам, указанным на схеме.
Примечания:
1. Общие указания по производству работ см. листы №№ 10, 16.
РИС. 5. СХЕМА БЕТОНИРОВАНИЯ Фундаментной плиты И ПЛИТЫ ПЕРЕКРЫТИЯ С ПОМОЩЬЮ КРАНА КС-8161
|
Марка |
Масса, ТС |
№ схем стропов |
Стропы |
|||||||
|
при разгруз. |
при монтаже |
ветви |
Qt |
l, м |
P, кг |
Обознач. |
Арх. № |
|||
|
Балка |
Б6; Б7 |
5,8 |
1 |
1 |
4 |
10 |
5 |
108 |
4СК-10.0 |
СКБ МОССТРОЙ |
|
Плита |
П2-6 |
5,6 |
2 |
2 |
4 |
0 |
5 |
-"- |
-"- |
-"- |
|
Плита |
П3-1 |
1,9 |
3 |
3 |
4 |
0 |
5 |
-"- |
-"- |
-"- |
|
Стеновые панели |
ПС1-5а; ПС1-5; ПС2-1 |
9,5 |
4 |
4 |
2 |
0 |
5 |
55 |
2СК-10.0 |
|
|
9,4 |
||||||||||
|
Бункер с бетоном |
- |
2,8 |
5 |
- |
4 |
0 |
5 |
108 |
4СК-10.0 |
|
|
Подвески |
Карачаровск. завод |
0,77 |
6, 7 |
- |
4 |
0 |
5 |
-"- |
-"- |
-"- |
|
Ящик с бетоном |
- |
0,8 |
8 |
- |
4 |
0 |
5 |
-"- |
-"- |
-"- |
|
Арм. сетки |
- |
- |
9 |
- |
4 |
0 |
5 |
-"- |
-"- |
-"- |
|
Арм. каркасы |
- |
- |
10 |
- |
4 |
0 |
5 |
-"- |
-"- |
-"- |
Примечания:
1. Общие указания по производству работ см. лист № 10.
2. Схемы строповки разработаны для производства работ кранами на гусеничном ходу или краном-нулевиком типа КБ-404.
Рабочие швы для бетонирования фундаментной плиты выполняют из тканой металлической сетки с ячейками 3 - 5 мм (по ГОСТ 2715-75*) в процессе монтажа арматуры.
Бетонирование фундаментной плиты осуществляют в два этапа. На первом этапе бетонируют фундаментную плиту толщиной 500 мм по блокам, разделенным рабочими швами в соответствии с листами 11, 12. Объем бетона в блоке равен ≈ 25 м3.
По окончании бетонирования плиты устанавливают опалубку ребер пазов фундаментной плиты (Рис. 6). Опалубку изготовляют из щитов, а для пазов щиты укрупняют в короба. Высота сбрасываемого бетона не должна превышать 50 - 60 см от верха пазов. Уплотнение бетонной смеси осуществляют глубинными вибраторами с гибким валом марки ИВ-47А.
Работы по установке опалубки, армированию и бетонированию должны производиться при строгом соблюдении всех требований, изложенных в главе «Техника безопасности в строительстве» (СНиП III-4-80), «Противопожарные нормы» (СНиП 2.01.02-85).
3.2. Монтаж стеновых панелей и возведение монолитных колонн
Монтаж сборных конструкций осуществляют по одной из схем, приведенных в технологической карте. До начала работ по монтажу стеновых панелей необходимо: разметить на ребрах пазов фундаментной плиты оси и контуры панелей; выровнять дно паза цементным раствором под один монтажный горизонт; завезти и подать на рабочее место монтажные приспособления и инструменты; завезти и складировать сборные элементы в точном соответствии со схемами на листах 8, 9.
Примечания:
1. Армирование фундаментной плиты выполнять по тип. альбому серии У-01-01/80.0-2.
Рис. 6. ФУНДАМЕНТНАЯ ПЛИТА. ВАРИАНТЫ ОПАЛУБКИ
Монтаж панелей разрешается осуществлять после достижения бетоном конструкции фундаментной плиты прочности не менее 50 % от проектной. Временное крепление стеновых панелей в пазе фундаментной плиты осуществляется клиньями (Рис. 7).
Последовательность монтажа панелей указана на схемах (Рис. 2, 3). Параллельно с монтажом стеновых панелей осуществляют монтаж блоков стен подвала и засыпку песчаным грунтом корыта фундаментной плиты.
Заделка стеновых панелей в пазах фундаментной плиты должна производиться бетоном на водонепроницаемом или расширяющемся цементе, либо на портландцементе с уплотняющими добавками.
Одновременно с монтажом панелей осуществляют установку арматурных каркасов в полость стыка панелей и установку арматурных каркасов монолитных колонн. Затем устанавливают опалубку колонн и производят бетонирование.
3.3. Устройство сборно-монолитного перекрытия
Плиты марок П2-6, П3-1, используемые в качестве опалубки монолитной части перекрытия, монтируют после полного замоноличивания стыков стеновых панелей и замоноличивания зазоров между балками марок Б-6 и Б-7.
Рис. 7 ВРЕМЕННОЕ КРЕПЛЕНИЕ СТЕНОВЫХ ПАНЕЛЕЙ. ОПАЛУБКА СТЫКОВ.
До монтажа плит выверяют монтажный горизонт по опорным поверхностям балок и стеновых панелей. При необходимости осуществляют подливку цементным раствором под монтажный уровень.
Положение сборных плит должно быть зафиксировано на стеновых панелях и балках рисками. При этом разметка положения плит должна быть выполнена с точностью обеспечивающей сварку стыков стеновых панелей и плит перекрытия по осям 1 и 4.
Бортовую опалубку монолитной части плиты перекрытия закрепляют к смонтированной арматуре подкосами.
Перед монтажом арматуры стыки смежных плит должны быть заделаны цементным раствором.
Бетонирование монолитной части плиты перекрытия осуществляют по одной из схем, приведенных в технологической карте.
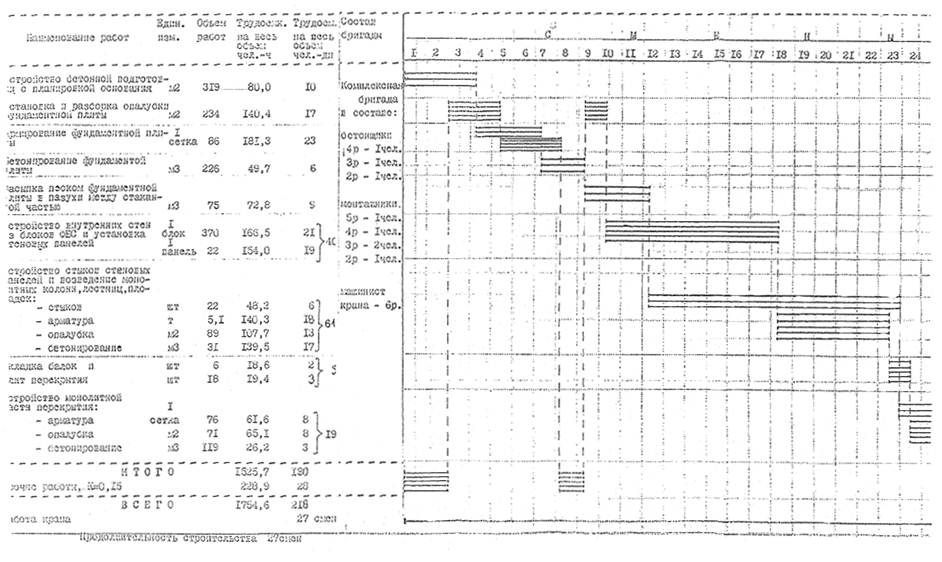
3.4. График производства работ по возведению сборно-монолитного сооружения Г.О. (лист № 9) составлен на основании калькуляции затрат труда (лист № 28). Нормы времени приняты по сборникам ЕНиР.
4.1. Состав комплексной бригады по профессиям
|
Состав звена по профессиям |
Разряд |
Кол-во человек |
Перечень работ, выполняемых звеном |
|
|
1. |
Монтажник-арматурщик |
5 |
1 (М1) |
Монтаж опалубки, арматуры и сварка стыков. Монтаж сборных ж/б стеновых панелей, балок, плит перекрытия, устройство растворной постели, сварка закладн. деталей |
|
-"- |
4 |
1 ((М2) |
||
|
-"- |
3 |
1 (М3) |
||
|
-"- |
2 |
1 (М4) |
||
|
Электросварщик-монтажник |
5 |
1 (Э) |
||
|
2. |
Бетонщики-арматурщики |
4 |
1 (Б1) |
Арматурные работы. Бетонирование монолитных конструкций и стыков сборных элементов |
|
-"- |
3 |
1 (Б2) |
||
|
-"- |
2 |
1 (Б3) |
4.2. Методы и приемы труда
4.2.1. Устройство фундаментной плиты
По отметкам, вынесенным на колышки, бетонщики-арматурщики (Б1 - Б3) выравнивают основание со срезкой неровностей грунта, устанавливают по контуру сооружения бортовую опалубку из досок на высоту бетонной подготовки. Габариты бетонной подготовки (по длине и ширине) превышают размеры монолитной плиты на 200 мм (по 100 мм на каждую сторону). Устанавливают поперечные доски в рабочих швах в полосе бетонирования. Доски устанавливают под отметку верха бетонирования подготовки. Подачу бетона осуществляют в поворотных бункерах емкостью 1 м3 с помощью крана.
На поверхность бетонной подготовки бетонщики-арматурщики (Б1 - Б3) выносят несмываемой краской положение осей и границы устанавливаемой мелкощитовой опалубки Мосспецпромпроекта, применяемой в качестве бортовой опалубки фундаментной плиты. Монтажники (М1 - М4) подают и раскладывают элементы опалубки, устанавливают ее и выполняют заготовку элементов опалубки для образования пазов в фундаментной плите. Одновременно с устройством бортовой опалубки, монтажники-арматурщики (М1 - М4) сортируют и подают в зону монтажа сетки, каркасы и отдельные стержни арматуры плиты.
Монтаж арматуры начинают при установке более 50 % бортовой опалубки. Два монтажника-арматурщика (М3 и М4) подготавливают арматурные сетки и каркасы к строповке на площадке складирования армоизделий, при необходимости очищают сетки и каркасы от грязи и отслаивающейся ржавчины, а затем осуществляют их строповку.
По команде монтажника-арматурщика (М3) машинист крана поднимает сетку (каркас) и перемещает ее (его) к месту установки, приостанавливая спуск на высоте 0,5 м от места установки. Монтажники-арматурщики (М1 и М2), взявшись за сетку (каркас) обеими руками, фиксируют сетку (каркас) над местом установки. По команде монтажника-арматурщика (М1) машинист крана плавно опускает ее (его) на опорную поверхность, монтажник-арматурщик (М1) проверяет правильность установки сетки (каркаса) в проектное положение. При этом монтажники-арматурщики (М1 и М2) при необходимости рихтуют сетку (каркас) монтажными ломиками. После установки сетки (каркаса) в проектное положение монтажники-арматурщики (М1 и М2) расстроповывают сетку (каркас).
При необходимости электросварщик-монтажник (Э) производит сварку стыков стержней каркасов, сеток и отдельных стержней.
Бетонирование фундаментной плиты осуществляют по блокам в два этапа. В первую очередь бетонируют фундаментную плиту без ребер пазов. Подача бетона в блоки бетонирования осуществляется по одной из схем технологической карты. При бетонировании бетонщик-арматурщик (Б3) принимает бетон из кузова самосвала в бункера, осуществляет строповку бункера. Бетонщики-арматурщики (Б1 и Б2) принимают бункер с бетоном и равномерно распределяют бетон в блоке бетонирования. Бетонщик-арматурщик (Б1) уплотняет бетон вибратором. По окончании бетонирования более 50 % плоской плиты монтажники-арматурщики (М3 и М4) устанавливают опалубку ребер пазов фундаментной плиты. При этом особое внимание обращается на соответствие установленной опалубки габаритным размерам пазов.
4.2.2. Монтаж панелей и блоков стен подвалов
Монтаж стеновых панелей и блоков стен подвалов начинают после набора бетоном фундаментной плиты прочности не менее 50 % проектной. Монтажник-арматурщик (М1) наносит на ребра пазов несмываемой краской риски, фиксирующие положение осевых линий и мест установки каждой стеновой панели. Монтажники-арматурщики (М2 и М3) осуществляют выравнивание цементным раствором под монтажный уровень дно пазов и места установки блоков ФБС.
Монтажник-арматурщик М4 осуществляет строповку элементов согласно листа № 13 и подает сигнал машинисту крана. Машинист крана подводит панель к месту установки с внешней стороны сооружения так, чтобы стрела крана не проходила над рабочим местом монтажников-арматурщиков. По команде монтажника-арматурщика (М1) машинист фиксирует положение панели на высоте 20 - 30 см над ребром паза. Монтажники-арматурщики (М1 и М2), стоя у торцов панели, принимают ее, фиксируют положение над местом установки и по рискам устанавливают на растворную постель. После установки панели монтажник-арматурщик (М1) проверяет совпадение рисок на панели и ребрах фундаментной плиты, а при помощи отвеса-рейки вертикальность ее. Установленную панель временно раскрепляют клиньями (количество и расположение клиньев указано на листе № 17).
Закрепив панель и проверив надежность временного закрепления монтажник-арматурщик (М1) подает команд машинисту крана ослабить натяжение стропа. Затем монтажник-арматурщик (М1) окончательно проверяет проектное положение панели. Расстроповку осуществляет монтажник-арматурщик (М2) со стремянки. Монтажники-арматурщики (М3 и М4) устанавливают пространственный арматурный каркас в стык панелей. Замоноличивание пазов осуществляют бетонщики-арматурщики (Б1 и Б2) после установки стеновых панелей по всей стороне сооружения. При переносе панелей особое внимание обращать на недопустимость ударов по ранее установленным панелям.
Установку опалубки стыков панелей и бетонирование осуществляют бетонщики-арматурщики (Б1 - Б3) с панельных подмостей.
4.2.3. Устройство перекрытия
Монтаж сборных элементов перекрытия осуществляют в последовательности рекомендуемой схемами на листах № 8, 9.
При монтаже балок и плит перекрытия монтажники-арматурщики (М1 и М2) принимают и устанавливают сборные элементы находясь на панельных подмостях. Монтажник-арматурщик (М4) осуществляет строповку элементов в соответствии со схемами на листе 13 технологической карты и подает сигналы машинисту крана.
Монтажники-арматурщики (М3 и М4) осуществляют подготовку к армированию плиты перекрытия (сортировку, очистку и т.д.). После установки сборного элемента на опорную поверхность и выверки его проектного положения электросварщик-монтажник (Э) осуществляет сварку стыков. Монтажники-арматурщики (М3 и М4) подготавливают арматурные сетки и каркасы на площадке складирования армоизделий, при необходимости очищают сетки и каркасы от грязи и отслаивающейся ржавчины, а затем стропят их.
По сигналу монтажника-арматурщика (М3) машинист крана поднимает сетку (каркас) и перемещает ее (его) к месту установки, приостанавливая спуск на высоте 0,5 м от места установки. Монтажники-арматурщики (М1 и М2) взявшись за сетку (каркас) обеими руками фиксируют сетку (каркас) над местом установки. По команде монтажника-арматурщика (М1) машинист крана плавно опускает ее (его) на опорную поверхность. Монтажник-арматурщик (М1) проверяет правильность установки сетки (каркаса) в проектное положение. При этом монтажники-арматурщики (М1 и М2) при необходимости рихтуют сетку (каркас) монтажными ломиками. После установки сетки (каркаса) в проектное положение монтажники-арматурщики (М1 и М2) расстроповывают сетку (каркас).
При необходимости электросварщик-монтажник (Э) производит сварку стыков стержней каркасов, сеток и отдельных стержней.
После монтажа сборных элементов монтажники-арматурщики (М1 - М3) устанавливают бортовую опалубку и арматуру монолитной части перекрытия. После приемки арматуры плиты с оформлением акта на скрытые работы звено бетонщиков-арматурщиков (Б1 - Б3) бетонирует монолитную часть плиты по одной из схем, приведенных в карте.
А. Основные конструкции и материалы
|
Наименование |
Марка |
Количество, шт. |
|
|
1. |
Балки |
Б6 |
4 |
|
Б7 |
2 |
||
|
2. |
Плиты перекрытия |
П2-6 |
12 |
|
П3-1 |
6 |
||
|
3. |
Стеновые панели |
ПС1-5а |
12 |
|
ПС1-5 |
6 |
||
|
ПС2-1 |
4 |
||
|
4. |
Блоки стен |
ФБС |
370 |
|
5. |
Бетон |
М-300 |
399 м3 |
|
6. |
Арматура |
|
31,0 т |
|
7. |
Раствор |
|
3 м3 |
|
8. |
Песок |
|
75 м3 |
Б. Машины, оборудование, механизированный инструмент, инвентарь и приспособления
|
Наименование |
Тип |
Марка, ГОСТ, № чертежа |
К-во шт. на бригаду |
Технический характер |
|
|
1 |
Кран |
Нулевик |
КБ-404 для схемы № 1 |
1 |
Длина стрелы = 28,9 м |
|
Гусеничный |
КС-8161 для схемы № 2 |
1 |
Стрела = 20 м с гуськом = 10 м |
||
|
2. |
Бункер для бетона |
Поворотный |
1043-36 СКБ Мосстрой |
2 |
Емк. 1,0 м3 |
|
3. |
Строп 4СК-10,0 |
Четырехветвевой |
ОСТ 24.090.48-79 СКБ Мосстрой |
1 |
Грузоподъем. 10 т |
|
-"- 2СК-10,0 |
Двухветвевой |
1 |
10 т |
||
|
4. |
Нивелир |
- |
ГОСТ 10528-76* |
1 |
- |
|
5. |
Теодолит |
|
1 |
|
|
|
6. |
Метр стальной |
- |
- |
2 |
- |
|
7. |
Рулетка стальная |
- |
ГОСТ 7502-80 |
2 |
- |
|
8. |
Лом монтажный |
- |
1 |
- |
|
|
9. |
Ломик-гвоздодер |
- |
1 |
|
|
|
10. |
Кусачки арматурные |
|
ГОСТ 7282-75*Е |
2 |
- |
|
11. |
Отвес |
|
2 |
- |
|
|
12. |
Трансформатор |
ТДМ-503 |
ТУ 16.739.254-80 |
1 |
- |
|
13. |
Лопата строительная подборочная |
- |
4 |
|
|
|
14. |
Вибратор ИВ-47А |
|
ТУ 22-4666-80 |
2 |
|
|
15. |
Кельма |
для камен. |
1 |
|
|
|
16. |
Щетка стальная |
- |
ТУ 494-01-104-76 |
1 |
|
|
17. |
Подмости |
Панельные |
Проект № ПП6 Карачаровского механич. з-да |
2 |
|
|
18. |
Площадка монтажника |
Передвижн. |
Проект № 2648 Мосоргстроя |
|
|
|
19. |
Уровень |
УС-1-300 |
|
|
|
|
20. |
Пояс монтажный |
|
ГОСТ 14185-77* |
8 |
каждому члену бригады |
|
21. |
Каска защитная |
|
8 |
- " - |
Калькуляция затрат труда на устройство заглубленных сооружений Г.О. и сборно-монолитных конструкций серии У-01-01/80
|
Шифр и обоснование норм |
Наименование работ |
Един. изм. |
Объем работ |
Норма времени на един. измер., чел.-ч |
Затраты труда на весь объем работ, чел.-ч |
Расценка на един. измерения, руб.-коп. |
Заработная плата на весь объем работ, руб.-коп. |
|
|
1 |
2 |
3 |
4 |
5 |
6 |
7 |
8 |
9 |
|
I. Устройство фундаментной плиты |
||||||||
|
1. |
§ Е2-1-60 стр. 5 |
Планировка основания под рейку со срезкой неровностей до 0,1 м в грунте II категории |
м2 |
340 |
0,165 |
56,1 |
0-11,6 |
39-44 |
|
2. |
§ Е19-38 стр. 1 |
Устройство бетонного подстилающего слоя толщиной 100 мм |
м2 |
319 |
0,075 |
23,9 |
0-05 |
15-95 |
|
3. |
§ Е4-1-44 Б, табл. 2, В |
Установка армокаркасов весом до 100 кг вручную |
1 сетка или каркас |
120 |
0,47 |
56,4 |
0-24 |
28-80 |
|
4. |
§ Е4-1-44 А, табл. 1, а, 1 |
Установка сеток весом до 0,3 т краном |
то же |
46 |
0,42 |
19,3 |
0-28,5 |
13-11 |
|
5. |
§ Е4-1-44 А, табл. 1, б, 1 |
Установка сеток весом до 0,6 т краном |
-"- |
28 |
0,81 |
22,7 |
0-54,9 |
15-37 |
|
6. |
§ Е4-1-46 В, 1 |
Установка арматуры диаметром до 12 мм отдельными стержнями |
т |
1,2 |
12,0 |
14,4 |
8-58 |
10-30 |
|
7. |
§ Е22-1-6, г, 1 |
Сварка стыков арматуры внахлестку с катетом шва до 6 мм |
1 м шва |
100 |
0,25 |
25,0 |
0-17,5 |
17-50 |
|
8. |
§ Е4-1-42, а, 1 |
Установка закладных деталей весом до 4 кг без вырезки и заделки отверстий |
1 закл. дет. |
150 |
0,29 |
43,5 |
0-21,6 |
32-40 |
|
9. |
§ Е4-1-37 табл. 2 |
Установка и разборка инвентарной опалубки фундаментной плиты |
м2 |
234 |
0,6 |
140,4 |
0-43,2 |
101-09 |
|
10. |
§ Е4-1-49 табл. 1 |
Бетонирование фундаментной плиты |
м3 |
226 |
0,22 |
49,7 |
0-15,7 |
35-48 |
|
11. |
§ Е2-1-58 табл. 2, б, 1 |
Обратная засыпка песчаным грунтом фундаментной плиты в пазухи между стаканной частью с проливной водой и послойным трамбованием |
м3 |
75 |
0,97 |
72,8 |
0-59,7 |
44-78 |
|
|
|
ИТОГО |
|
|
|
524,2 |
|
354-22 |
|
II. Устройство наружных и внутренних стен и колонн |
||||||||
|
1. |
§ Е4-1-4 табл. 2, В, 7 |
Монтаж наружных стеновых панелей массой до 10 т |
1 панель |
22 |
7,0 |
154,0 |
5-24 |
115-28 |
|
2. |
§ Е4-1-44, Б табл. 2, б |
Установка пространственных арматурных каркасов массой до 50 кг вручную в полость стыка стеновых панелей |
1 каркас |
22 |
0,24 |
5,3 |
0-15,8 |
3-48 |
|
3. |
§ Е4-1-44, Б табл. 2, В |
Установка пространственных армокаркасов массой до 100 кг монолитных колонн вручную |
то же |
8 |
0,47 |
3,8 |
0-24 |
1-92 |
|
4. |
§ Е4-1-34, Б табл. 3 |
Установка и разборка опалубки колонн |
м2 |
60 |
0,55 |
33,0 |
0-38,7 |
23-22 |
|
5. |
§ Е4-1-49, Б табл. 2 |
Бетонирование колонн |
м3 |
16 |
1,1 |
17,6 |
0-78,7 |
12-59 |
|
6. |
§ Е4-1-34, Б, табл. 3, а, б, 1 |
Установка и разборка опалубки стыков стеновых панелей из щитов |
м2 |
45 |
0,72 |
32,4 |
0-50,6 |
22-77 |
|
7. |
Укладка бетона в полость стыка стеновых панелей |
м3 |
7,0 |
1,5 |
10,5 |
1-07 |
7-49 |
|
|
8. |
§ Е4-1-3 табл. 2, а, 2 |
Монтаж внутренних стен из блоков ФБС массой до 1 т |
1 блок |
370 |
0,45 |
166,5 |
0-32 |
118-40 |
|
9. |
§ Е4-1-46, 13, г |
Установка и вязка арматуры отдельными стержнями в лестницах и площадках |
т |
5,1 |
27,5 |
140,3 |
21-31 |
108-68 |
|
10. |
§ Е4-1-34, Ж, табл. 8 |
Устройство и разборка опалубки лестничных маршей и площадок |
м2 |
89 |
1,21 |
107,7 |
0-85,2 |
75-83 |
|
11. |
§ Е4-1-49, г табл. 4 |
Бетонирование лестничных маршей и площадок |
м3 |
31 |
4,5 |
139,5 |
3-22 |
99-82 |
|
|
|
ИТОГО |
|
|
|
810,6 |
|
589-48 |
|
III. Устройство сборно-монолитного перекрытия |
||||||||
|
1. |
§ Е4-1-6 табл. 2, а, 6 |
Монтаж балок массой до 8 т |
1 балка |
6 |
3,1 |
18,6 |
2-32 |
13-92 |
|
2. |
§ Е4-1-25, Б табл. 2 |
Устройство и разборка опалубки отдельными местами в стыке балок и бетонирование стыков |
1 узел |
8 |
2,64 |
21,1 |
1-96,7 |
15-74 |
|
3. |
§ Е4-1-7, а, 9 |
Монтаж плит покрытия площадью до 10 м2 |
1 плита |
6 |
0,84 |
5,0 |
0-59,4 |
3-56 |
|
4. |
§ Е4-1-7, а, 11 |
То же плит покрытия площадью до 20 м2 |
то же |
12 |
1,2 |
14,4 |
0-84,9 |
10-19 |
|
5. |
§ Е4-1-44, Б табл. 2, б |
Установка армокаркасов массой до 50 кг вручную |
шт. |
77 |
0,24 |
18,5 |
0-15,8 |
12-17 |
|
6. |
§ Е4-1-44, Б табл. 2 В |
То же массой до 100 кг |
шт. |
34 |
0,36 |
12,3 |
0-23,8 |
8-09 |
|
7. |
§ Е4-1-44, А табл. 1, а |
Установка арматурных сеток массой до 0,3 т краном |
1 сетка |
4 |
0,42 |
1,7 |
0-28,5 |
1-14 |
|
8. |
§ Е4-1-44, А табл. 1, б |
Установка арматурных сеток массой до 0,6 т краном |
то же |
12 |
0,81 |
9,7 |
0-54,9 |
6-59 |
|
9. |
§ Е4-1-34, А табл. 2, 1 а |
Устройство бортовой опалубки |
м2 |
71 |
0,62 |
44,0 |
0-44,3 |
31-45 |
|
10. |
Установка закладных деталей массой до 4 кг |
шт. |
29 |
0,67 |
19,4 |
0-49,9 |
14-47 |
|
|
11. |
Бетонирование плиты перекрытия |
м3 |
119 |
0,22 |
26,2 |
0-15,7 |
18-68 |
|
|
|
|
ИТОГО |
|
|
|
190,9 |
|
136-00 |
|
|
|
ИТОГО по объекту |
|
|
|
1525,7 |
|
1079-70 |