ФЕДЕРАЛЬНОЕ АГЕНТСТВО
ПО ТЕХНИЧЕСКОМУ РЕГУЛИРОВАНИЮ И МЕТРОЛОГИИ
|
|
НАЦИОНАЛЬНЫЙ |
ГОСТ Р (МЭК 60432-1:1999) |
ТРЕБОВАНИЯ
БЕЗОПАСНОСТИ
ДЛЯ ЛАМП НАКАЛИВАНИЯ
Часть 1
Лампы накаливания вольфрамовые для бытового
и аналогичного общего освещения
IEC 60432-1:1999
Incandescent lamps - Safety specifications - Part 1: Tungsten filament lamps
for domestic and similar general lighting purposes
(MOD)
|
|
Москва Стандартинформ 2007 |
Предисловие
Цели и принципы стандартизации в Российской Федерации установлены Федеральным законом от 27 декабря 2002 г. № 184-ФЗ «О техническом регулировании», а правила применения национальных стандартов Российской Федерации - ГОСТ Р 1.0-2004 «Стандартизация в Российской Федерации. Основные положения»
Сведения о стандарте
1 ПОДГОТОВЛЕН Открытым акционерным обществом «Всероссийский научно-исследовательский институт источников света имени А.Н. Лодыгина» (ОАО «Лисма-ВНИИИС») на основе собственного аутентичного перевода стандарта, указанного в пункте 4
2 ВНЕСЕН Техническим комитетом по стандартизации ТК 332 «Светотехнические изделия»
3 УТВЕРЖДЕН И ВВЕДЕН В ДЕЙСТВИЕ Приказом Федерального агентства по техническому регулированию и метрологии от 26 марта 2007 г. № 40-ст
4 Настоящий стандарт является модифицированным по отношению к международному стандарту МЭК 60432-1:1999 «Лампы накаливания. Требования безопасности. Часть 1. Лампы накаливания вольфрамовые для бытового и аналогичного общего освещения» с изменением № 1:2005 (IEC 60432-1:1999 «Incandescent lamps - Safety specifications - Part 1: Tungsten filament lamps for domestic and similar general lighting purposes») путем внесения технических отклонений, объяснение которых приведено во введении к настоящему стандарту
5 ВЗАМЕН ГОСТ Р МЭК 60432-1-99
Информация об изменениях к настоящему стандарту публикуется в ежегодно издаваемом указателе «Национальные стандарты», а текст изменений и поправок - в ежемесячно издаваемых информационных указателях «Национальные стандарты». В случае пересмотра (замены) или отмены настоящего стандарта соответствующее уведомление будет опубликовано в ежемесячно издаваемом информационном указателе «Национальные стандарты». Соответствующая информация, уведомление и тексты размещаются также в информационной системе общего пользования - на официальном сайте Федерального агентства по техническому регулированию и метрологии в сети Интернет
Введение
Наименование настоящего стандарта изменено относительно наименования указанного международного стандарта для приведения в соответствие с ГОСТ Р 1.5-2004 (подраздел 3.5).
В настоящий стандарт включены дополнительные по отношению к международному стандарту МЭК 60432-1:1999 требования, отражающие потребности национальной экономики Российской Федерации, выделенные в тексте стандарта курсивом.
Исключен раздел 3 и связанное с ним приложение F, поскольку описанная в них процедура подтверждения соответствия противоречит правилам подтверждения соответствия, принятым в Российской Федерации.
В стандарт введен раздел «Приемка» для оценки продукции изготовителем. Раздел разработан с учетом требований ГОСТ Р ИСО 2859-1-2007 «Статистические методы. Процедуры выборочного контроля по альтернативному признаку. Часть 1. Планы выборочного контроля последовательных партий на основе приемлемого уровня качества». Установленные в стандарте значения приемлемого уровня качества (AQL) соответствуют приведенным в МЭК 60432-1:1999.
Дополнительно включены приложения J «Калибры для проверки защиты от случайного прикосновения», К «Калибры для проверки взаимозаменяемости и размеров цоколей», заменяющие ссылочные международные стандарты МЭК, не принятые в качестве национальных, приложение L «Проверка пути утечки, наличия плавкого предохранителя и способности ламп выдерживать токовые перегрузки» и приложение М «Сведения о соответствии ссылочных международных стандартов национальным стандартам Российской Федерации, использованным в настоящем стандарте в качестве нормативных ссылок».
СОДЕРЖАНИЕ
ГОСТ Р 52712-2007
(МЭК 60432-1:1999)
НАЦИОНАЛЬНЫЙ СТАНДАРТ РОССИЙСКОЙ ФЕДЕРАЦИИ
ТРЕБОВАНИЯ БЕЗОПАСНОСТИ ДЛЯ ЛАМП НАКАЛИВАНИЯ
Часть 1
Лампы накаливания вольфрамовые для бытового
и аналогичного общего освещения
Safety requirements for incandescent lamps.
Part 1. Tungsten filament lamps for domestic and similar general lighting purposes
Дата введения - 2008-01-01
Настоящий стандарт устанавливает требования безопасности и взаимозаменяемости вольфрамовых ламп накаливания для бытового и аналогичного общего освещения (далее - лампы):
- номинальной мощностью до 200 Вт включительно;
- номинальным напряжением от 50 до 250 В включительно;
- с колбами форм* А, В, С, G, M, P, PS, PAR или R, а также других форм, но предназначенных для тех же целей, что и лампы с вышеуказанными колбами;
- с колбами, имеющими покрытие;
- с цоколями В15d, B22d, Е12, Е14, Е17, Е26, E26d, Е26/50×39, Е27 или Е27/51×39.
* Описание буквенных символов приведено в [1]. Взаимосвязанные наименования следующие:
- грушевидная форма - A, PS;
- грибовидная - М;
- круглая - Р;
- шаровая - G;
- рефлекторная - R;
- рефлекторная с параболическим
отражателем - PAR;
- свечеобразная - В, С.
Настоящий стандарт содержит только требования, касающиеся безопасности ламп. Характеристики вольфрамовых ламп накаливания для бытового и аналогичного общего освещения (световой поток, мощность, продолжительность горения) приведены в ГОСТ Р 52706.
В настоящем стандарте использованы нормативные ссылки на следующие стандарты:
ГОСТ Р ИСО 2859-1-2007 Статистические методы. Процедуры выборочного контроля по альтернативному признаку. Часть 1. Планы выборочного контроля последовательных партий на основе приемлемого уровня качества
ГОСТ Р 50470-93 (МЭК 360-87) Стандартный метод измерения превышения температуры на цоколелампы
ГОСТ Р 52706-2007 (МЭК 60064:1993) Лампы накаливания вольфрамовые для бытового и аналогичного общего освещения. Эксплуатационные требования
ГОСТ Р МЭК 60432-2-99 Требования безопасности для ламп накаливания. Часть 2. Лампы вольфрамовые галогенные для бытового и аналогичного общего освещения
ГОСТ Р МЭК 60598-1-2003 Светильники. Часть 1. Общие требования и методы испытаний
ГОСТ 14254-96 (МЭК 529-89) Степени защиты, обеспечиваемые оболочками (Код IP)
ГОСТ 16504-81 Система государственных испытаний продукции. Испытания и контроль качества продукции. Основные термины и определения
ГОСТ 18321-73 Статистический контроль качества. Методы случайного отбора выборок штучной продукции
ГОСТ 28108-89 Цоколи для источников света. Типы, основные и присоединительные размеры, калибры
Примечание - При пользовании настоящим стандартом целесообразно проверить действие ссылочных стандартов в информационной системе общего пользования - на официальном сайте Федерального агентства по техническому регулированию и метрологии в сети Интернет или по ежегодно издаваемому указателю «Национальные стандарты», который опубликован по состоянию на 1 января текущего года, и по соответствующим ежемесячно издаваемым информационным указателям, опубликованным в текущем году. Если ссылочный стандарт заменен (изменен), то при пользовании настоящим стандартом следует руководствоваться заменяющим (измененным) стандартом. Если ссылочный стандарт отменен без замены, то положение, в котором дана ссылка на него, применяется в части, не затрагивающей эту ссылку.
В настоящем стандарте применены термины по ГОСТ 16504, ГОСТ Р ИСО 2859-1, а также следующие термины с соответствующими определениями:
1.3.1 категория (category): Совокупность ламп, имеющих одинаковые конструкцию (форму колбы, габаритные размеры, тип цоколя и тела накала), номинальное напряжение, номинальную мощность и исполнение колбы.
Примечания
1 В настоящем стандарте предполагают, что:
a) лампы прозрачные, матированные и с эквивалентным матированию покрытием имеют колбы одного и того же исполнения;
b) колбы ламп с белым и других цветов покрытиями, а также из молочного стекла относят к разным исполнениям.
2 Лампы, различающиеся только цоколями (например, Е27 и B22d), относят к лампам различных категорий, но одного и того же типа в соответствии с ГОСТ Р 52706.
1.3.2 тип (type): Совокупность ламп, имеющих одинаковые световые и электрические параметры независимо от типа цоколя.
1.3.3 класс (class): Совокупность ламп, имеющих одинаковые конструкцию (форму колбы, габаритные размеры, тип цоколя и тела накала), номинальную мощность и исполнение колбы и различающихся только номинальными напряжениями, находящимися в одном из диапазонов (например: 100 - 150 В; 200 - 250 В).
1.3.4 номинальное напряжение (rated voltage): Напряжение или диапазон напряжения, заданное(ый) в соответствии с настоящим стандартом.
Примечание - Если в маркировке на лампе приведен диапазон напряжения, это значит, что возможна эксплуатация ламп при любом значении напряжения в пределах этого диапазона.
1.3.5 испытательное напряжение (test voltage): Номинальное напряжение или, при маркировке диапазоном напряжения, среднее значение диапазона напряжения, если не указано иное.
1.3.6 номинальная мощность (rated wattage): Мощность, заданная в соответствии с настоящим стандартом.
1.3.7 окончание продолжительности горения [перегорание] (end of life): Момент, когда лампа под напряжением прекращает излучать свет.
1.3.8 превышение температуры цоколя (cap temperature rise) Δts: Превышение температуры поверхности стандартного испытательного патрона, в который помещен цоколь, над температурой окружающей среды.
1.3.9 испытание безопасности конструкции (design test): Испытание, проводимое на образце в целях проверки соответствия конструкции ламп, категории, класса или группы категорий требованиям соответствующего пункта настоящего стандарта.
1.3.10 партия (batch): Совокупность ламп одной категории, одновременно предъявляемых для испытания на соответствие требованиям настоящего стандарта.
1.3.11 лампа с зеркальным куполом (bowl mirror lamp): Лампа, у которой верхняя часть колбы покрыта материалом, который значительную часть света отражает преимущественно в направлении цоколя.
1.3.12 максимальная температура на цоколе (maximum cap temperature): Температура, которую должны выдерживать составные части лампы вблизи цоколя в течение расчетной продолжительности горения.
1.3.13 базовый диаметр горла лампы (lamp neck reference diameter): Диаметр горла лампы, обеспечивающий защиту от случайного прикосновения и измеряемый на определенном расстоянии от припаянной контактной пластинки.
Пример - Для ламп с цоколями Е14 это расстояние составляет 30 мм.
Лампы должны быть сконструированы таким образом, чтобы при правильной эксплуатации они были безопасны для потребителя или окружающей среды.
Лампы должны удовлетворять требованиям настоящего раздела.
2.2.1 На лампе должны быть отчетливо и прочно нанесены следующие обозначения, читаемые после проведения испытаний по А.1 приложения А:
a) товарный знак (в виде торговой марки, марки изготовителя или ответственного поставщика);
b) номинальное напряжение или диапазон напряжения в вольтах (В или вольт);
c) номинальная мощность в ваттах (Вт или ватт);
d) дата изготовления (квартал и год).
На лампах диаметром колбы 40 мм и более и номинальной мощностью не более 14 Вт обозначение мощности допускается не наносить.
На индивидуальной или групповой упаковке ламп с дихроичным покрытием параболического отражателя (холодный луч) и ламп с зеркальным куполом должен быть нанесен соответствующий символ, указанный в приложении В.
2.2.3 Лампы с ограничением рабочих положений
На индивидуальной или групповой упаковке ламп с ограничением рабочих положений, таких как некоторые свечеобразные и шаровые лампы номинальной мощностью 60 Вт с цоколем B22d или Е27, удовлетворяющие требованию по превышению температуры цоколя в любом положении горения лампы, кроме «цоколем вверх», должен быть нанесен соответствующий символ, указанный в приложении В.
Примечание - Требования, приведенные в 2.2.2 и 2.2.3, предназначены для информирования потребителя лампы.
Размеры ламп с резьбовыми цоколями должны быть такими, чтобы была обеспечена безопасность от случайного прикосновения. Соответствие проверяют калибрами, указанными в ГОСТ 28108 и в приложении J, для проверки ламп в части защиты от случайного прикосновения; номера рисунков на калибры приведены в таблице 1.
Таблица 1
|
Номер рисунка на калибр |
Тип цоколя |
Номер рисунка на калибр |
|
|
Е12 |
- |
Е26/50×39 |
- |
|
Е14 |
E26d |
||
|
Е17 |
- |
Е27/25 |
|
|
Е26/24 |
- |
Е27/27 |
|
|
Е26/25 |
- |
Е27/51×39 |
Примечание - Прочерк в графе «Номер рисунка на калибр» означает, что в настоящее время такая испытательная система не разработана.
2.3.1 Лампы с цоколями Е14 должны удовлетворять следующим требованиям:
a) свечеобразные лампы следует изготовлять с цоколями Е14/25 × 17 и проверять калибром, указанным на рисунке J.1 приложения J;
b) шаровые, трубчатые и рефлекторные лампы, базовый диаметр горла которых составляет не менее 21 мм, следует изготовлять с цоколями Е14/25×17 и проверять калибром, указанным на рисунке J.1 приложения J;
c) шаровые, грушевидные, трубчатые и рефлекторные лампы, базовый диаметр горла которых составляет от 16 до 21 мм, следует изготовлять с цоколями Е14/23 × 15 или Е14/20;
d) шаровые, грушевидные, трубчатые и рефлекторные лампы, базовый диаметр горла которых составляет от 14 до 16 мм, следует изготовлять с цоколями Е14/20.
В случаях с) и d) калибр не требуется, поскольку выбор цоколей гарантирует такую же степень безопасности, что и в случаях a) и b).
2.4.1 Среднее значение превышения температуры цоколя для ламп каждого класса не должно превышать значений, приведенных в таблице 2, кроме тех случаев, когда установлена более низкая температура по таблице Н.1 приложения Н. Среднее значение превышения температуры цоколя для таких ламп должно быть не менее чем на 45 °С (К) ниже значений, приведенных в таблице 2. При оценке допускается отклонение среднего значения на 5 %.
Таблица 2
|
Форма колбы |
Среднее значение Δts, °С (К), не более, для цоколей |
||||||||
|
B15d |
B22d |
Е12 |
Е14 |
Е17 |
Е26/24 |
Е26/25 |
Е27 |
||
|
25 и 30 |
A, PS, M и другие формы колб для ламп, предназначенных для использования в тех же светильниках |
- |
- |
- |
- |
- |
95 |
65 |
- |
|
40 |
85 |
||||||||
|
60 |
125 |
120 |
95 |
120 |
|||||
|
100 |
135 |
110 |
130 |
||||||
|
150 и 200 |
100 |
||||||||
|
40 |
В и G (диаметром не более 45 мм), P и другие формы колб для ламп, предназначенных для использования в тех же светильниках |
135 |
140 |
1403), 4) |
130 |
- |
1403), 4) |
- |
140 |
|
60 |
145 |
1255) |
1653), 4) |
140 |
1653), 4) |
1205) |
|||
|
15 |
С и F и другие формы колб для ламп, предназначенных для использования в тех же светильниках |
- |
- |
- |
- |
906) |
- |
90 |
- |
|
25 |
120 |
1106) |
120 |
110 |
|||||
|
40 |
1403), 4) |
1306) |
1403),4) |
130 |
|||||
|
60 |
1653), 4) |
1653), 4) |
|||||||
|
25 и 40 |
G (диаметром более 45 мм) |
- |
110 |
- |
110 |
||||
|
60 и 110 |
- |
||||||||
|
25 |
P и G (диаметром не более 45 мм) с зеркальным покрытием купола |
110 |
|||||||
|
40 |
135 |
135 |
135 |
- |
135 |
||||
|
60 |
- |
- |
|||||||
|
60 |
А и PS с зеркальным покрытием купола |
- |
130 |
- |
130 |
||||
|
100 |
135 |
135 |
|||||||
|
150 и 200 |
- |
||||||||
|
25 |
R и другие формы колб для ламп, используемых в тех же светильниках |
- |
85 |
- |
|||||
|
40 |
120 |
120 |
120 |
95 |
1454) |
95 |
120 |
||
|
60 |
- |
130 |
- |
105 |
105 |
130 |
|||
|
100, 150, 200 |
135 |
- |
1454), 7) |
110 |
135 |
||||
|
75 |
PAR8) |
- |
- |
- |
- |
1454) |
85 |
150 |
|
|
100 |
100 |
||||||||
|
150 |
125 |
||||||||
|
150 |
PAR с дихроичным покрытием параболического отражателя8 |
175 |
150 |
175 |
|||||
1) Для ламп промежуточной номинальной мощностью применимы значения, установленные для большей последующей номинальной мощности.
2) Рабочее положение ламп некоторых классов может быть ограничено изготовителем: «цоколем вниз».
3) Рабочее положение ламп некоторых классов может быть ограничено изготовителем: «цоколем вниз» или от «цоколем вниз» до «горизонтального».
4) Изготовитель может поставлять лампы некоторых классов с указанием, что их следует применять в высокотемпературных патронах, т. к. низкотемпературные патроны могут разрушиться.
5) Это может вызвать ограничение рабочего положения.
6) В стадии рассмотрения.
7) Лампы некоторых классов следует применять в высокотемпературных патронах при максимальной температуре на цоколе 260 °С.
8) Лампы с цоколями Е26/50×39, Е27/51×39 и т. д., имеющими юбки.
2.4.2 Соответствие проверяют измерением превышения температуры цоколя ламп одного класса по методике, приведенной в ГОСТ Р 50470.
Если лампа маркирована диапазоном напряжения, то превышение температуры цоколя измеряют при среднем значении диапазона напряжения, но при этом предельные значения напряжения не должны отличаться более чем на 2,5 % от среднего значения напряжения. Для ламп с более широким диапазоном напряжения измерение проводят при наивысшем маркированном напряжении.
Примечание - В таблице 2 приведены верхние пределы значений для среднего превышения температуры цоколя, которые применимы ко всем лампам с указанными мощностью, колбой и цоколем. Некоторые особенности конструкции, такие как высота светового центра, форма ножки и отделка колбы, влияющие на превышение температуры цоколя, учтены в каждом значении.
2.4.3 При испытании выборки в 20 ламп, среднее значение температуры не должно превышать приведенного в 2.4.1 с допустимым отклонением 9 °С (К).
2.5.2 При приложении крутящего момента в соответствии с таблицей 3 при испытании по С.1 приложения С цоколь не должен смещаться относительно колбы. При механическом креплении цоколя допускается относительное смещение колбы и цоколя, но не более чем на 10°.
Таблица 3
|
Значение крутящего момента, Н · м |
|
|
B15d |
1,15 |
|
B22d |
3,00 |
|
Е12 |
0,80 |
|
Е14 |
1,15 |
|
Е17 |
1,50 |
|
Е27, Е27/51×39 |
3,00 |
|
Е26, E26d, Е27, Е26/50×39, Е27/51×39 |
3,00 |
Цоколь не должен смещаться относительно колбы при приложении крутящего момента в соответствии с таблицей 4 после испытания на нагрев по С.2 приложения С при температуре, указанной в таблице Н.1 приложения Н. При механическом креплении цоколя допускается относительное смещение колбы и цоколя, но не более чем на 10°.
Таблица 4
|
Значение крутящего момента, Н · м |
|
|
B15d |
0,30 |
|
B22d |
0,75 |
|
Е12 |
0,50 |
|
Е14 |
1,00 |
|
Е17 |
1,00 |
|
Е26, E26d, Е26/50×39, Е27, Е27/51×39 |
2,5 |
Сопротивление изоляции между корпусом цоколя и контактами ламп со штифтовыми цоколями или между корпусом и изолированной юбкой ламп с резьбовыми цоколями должно быть не менее 2 МОм при измерении по методу, приведенному в А.3 приложения А.
2.7.1 Металлические части, изолированные от частей, находящихся под напряжением, не должны оказываться под напряжением. Любой подвижный проводящий материал должен быть установлен без применения инструмента в наиболее неблагоприятное положение до проверки в соответствии с А.4 приложения А.
2.7.2 На штифтовых цоколях пайка контактных пластинок не должна выступать из металлических изолированных частей более чем на 1 мм.
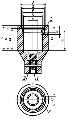
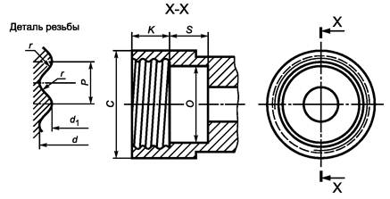
2.7.3 На резьбовых цоколях боковая пайка на корпусе цоколя не должна выступать более чем на 3 мм над поверхностью цоколя (рисунок 1).
Рисунок 1
Наименьший путь утечки по поверхности изоляции между металлическим корпусом цоколя и контактами должен соответствовать приведенному в ГОСТ 28108 для цоколя соответствующего типа.
При испытаниях на безопасность в конце продолжительности горения отказ лампы не должен сопровождаться разрушением колбы или ее отделением от цоколя. У ламп со штифтовыми цоколями не должно быть короткого замыкания внутри цоколя.
Безопасность ламп проверяют при:
- испытании на специально вызванный отказ в соответствии с приложением D или по приложению А ГОСТ Р МЭК 60432-2 и
- испытании на ресурс до отказа в соответствии с приложением Е.
Примечания
1 Испытания по приложениям D и Е являются предпочтительными.
2 Испытание на специально вызванный отказ по приложению D не применяют для ламп на номинальное напряжение менее 100 В; лампы на номинальное напряжение менее 100 В могут быть испытаны по приложению А ГОСТ Р МЭК 60432-2.
3 При получении положительного результата испытания на специально вызванный отказ испытания на ресурс до отказа не проводят.
4 При условиях, указанных в F.3 приложения F, испытание на ресурс до отказа может быть проведено вместо испытания на специально вызванный отказ.
Взаимозаменяемость ламп обеспечивают применением цоколей по ГОСТ 28108. Соответствие проверяют калибрами для проверки размеров цоколей согласно таблице 5.
Таблица 5
|
Размеры цоколя, подлежащие проверке калибрами |
Номер рисунка на калибр |
|
|
B15d, B22d |
Aмин |
63 ГОСТ 28108 |
|
Aмакс, D1макс, Nмин |
64 ГОСТ 28108 |
|
|
Допустимое отклонение размеров штифтов и их взаимного расположения на цоколе |
60, 61 ГОСТ 28108 |
|
|
Е12 |
Наибольший диаметр резьбы |
|
|
Дополнительный «проходной» калибр для резьбы |
||
|
Наименьший основной диаметр резьбы цоколя |
||
|
Е14 |
Наибольшие размеры резьбы |
|
|
Наименьший основной диаметр резьбы |
||
|
Размер S1 |
||
|
Е17 |
Наибольшие размеры резьбы |
|
|
Наименьший основной диаметр резьбы |
||
|
Е26, E26d, Е26/50×39 |
Наибольшие размеры резьбы |
|
|
Наименьший основной диаметр резьбы |
||
|
Е27, Е27/51×39 |
Наибольшие размеры резьбы |
58 ГОСТ 28108 |
|
Наименьший основной диаметр резьбы цоколя |
59 ГОСТ 28108 |
|
|
Размер S1 |
58а ГОСТ 28108 |
Информация для расчета светильника приведена в приложении Н.
Лампы мощностью 25 Вт и более должны иметь плавкий предохранитель, являющийся составной частью токового ввода и предотвращающий разрушение колбы при токовых перегрузках.
3.1 Для проверки соответствия ламп требованиям настоящего стандарта изготовитель проводит приемо-сдаточные, периодические и типовые испытания.
3.2 Приемо-сдаточным испытаниям подвергают каждую партию ламп. Состав приемо-сдаточных испытаний указан в таблице 6.
Таблица 6
|
Пункты |
AQL, %, не более |
||
|
требований |
методов испытаний |
||
|
Проверка четкости и прочности маркировки |
2,5 |
||
|
Наличие требуемого символа |
Приложение В |
2,5 |
|
|
Проверка наличия плавкого предохранителя |
0,4 |
||
|
Случайное прикосновение1) |
Приложение J |
1,5 |
|
|
Сопротивление крутящему моменту (начальные значения)2) |
0,65 |
||
|
Сопротивление изоляции3) |
0,4 |
||
|
Части, случайно оказавшиеся под напряжением |
-4) |
||
1) Выборку формируют из ламп, проверяемых калибром одного типа.
2) Выборку формируют из ламп всех типов с одинаковой мастикой и одинаковым цоколем.
3) Выборку формируют из ламп всех классов с цоколями B15d, B22d, Е26/50×39, Е27/51×39.
4) Проверяют в процессе производства сплошным контролем.
3.3 Периодические испытания проводят в соответствии с таблицей 7 на лампах, прошедших приемо-сдаточные испытания.
Таблица 7
|
Пункты |
Периодичность испытания, не реже |
AQL,%, не более |
||
|
требований |
методов испытаний |
|||
|
Взаимозаменяемость |
Приложение К |
Один раз в месяц |
2,5 |
|
|
Способность ламп выдерживать токовые перегрузки1) |
0,4 |
|||
|
Сопротивление крутящему моменту после нагрева2) |
Один раз в год |
0,65 |
||
|
Превышение температуры цоколя |
0,65 |
|||
|
Ресурс до отказа1) |
Приложение Е |
0,25 |
||
1) Выборку формируют из ламп различных типов.
2) Выборку формируют из ламп всех типов с одинаковой мастикой и одинаковыми цоколями, для ламп с механическим креплением цоколя - типовые испытания.
3.4 Типовые испытания на соответствие требованиям настоящего стандарта проводят при изменении конструкции, технологии изготовления ламп или смене используемых материалов и полуфабрикатов. Испытания проводят на соответствие требованиям, зависящим от этих изменений.
Типовые испытания проводят в соответствии с таблицами 6, 7 и 8.
Таблица 8
|
Пункты |
||
|
требований |
методов испытаний |
|
|
Специально вызванный отказ1) |
||
|
Путь утечки (для ламп с цоколем B15d или B22d)2) |
ГОСТ 28108, L.1 приложения L |
|
1) Выборку формируют из ламп с разным диапазоном напряжения, но с одинаковой мощностью и одинаковыми цоколями.
2) Выборку формируют из ламп всех типов с одинаковой мастикой и одинаковыми цоколями.
3.5 Конкретные планы контроля и критерии приемки должны быть установлены техническими условиями на лампы конкретного типа. Планы контроля приемо-сдаточных и периодических испытаний формируют по ГОСТ Р ИСО 2859-1 в зависимости от значений AQL, приведенных в таблицах 6 и 7.
3.6 Испытания ламп проводят на образцах, отобранных методом случайного отбора по ГОСТ 18321 по возможности из 1/3 общего числа упаковок в партии, но не менее чем из десяти. Лампы, отобранные для одного испытания, могут быть использованы и для испытаний других видов.
С целью заменить лампы, вышедшие из строя по случайным причинам, не связанным с испытаниями, отбирают для испытаний дополнительное число ламп. Эти лампы используют только для замены, если необходимо обеспечить требуемое число ламп для испытания.
Нецелесообразно заменять случайно разбитую лампу, если результаты испытания не зависят от этой замены и если имеется требуемое число ламп для последующего испытания. При замене такую лампу не учитывают при вычислении результатов испытания.
(обязательное)
А.1.1 Наличие и четкость маркировки проверяют внешним осмотром.
А.1.2 Прочность маркировки проверяют до всех испытаний ламп протиранием ее вручную мягкой тканью, увлажненной водой, в течение 15 с.
А.1.3 Маркировку на индивидуальной или групповой упаковке ламп проверяют внешним осмотром.
А.2 Применение калибров для контроля цоколей
Калибры для контроля цоколей - по ГОСТ 28108 и приложениям J, К.
А.3.1 Измерение электрического сопротивления изоляции проводят на соответствующем испытательном оборудовании при напряжении постоянного тока 500 В.
А.3.2 Испытания проводят на готовых лампах непосредственно после обжига ламп в течение 1 ч при номинальном напряжении.
А.4 Выступающие металлические части (пайка)
Выступающие металлические части, боковую пайку и (или) пайку контактных пластинок (2.7) проверяют с помощью соответствующей автоматической системы или внешним осмотром. Кроме того, проводят регулярный ежедневный метрологический контроль оборудования (приборов) или процедуру подтверждения эффективности осмотра.
(обязательное)
Высота графических символов, показанных на рисунках В.1 и В.2, должна быть не менее 5 мм, а букв на упаковке лампы - не менее 2 мм.
В.1 Лампы с дихроичным покрытием параболического отражателя (холодный луч) и лампы с зеркальным покрытием купола
Символы, показанные ниже, позволяют исключить применение ламп в несоответствующих осветительных установках. Необходимо, чтобы и светильники (ГОСТ Р МЭК 60598-1) были маркированы этими символами.
Примеры символов
Для лампы с дихроичным покрытием параболического отражателя (холодный луч)

Для лампы с зеркальным покрытием купола
Рисунок В.1
Примечание - Цоколь, изображенный на символе, может быть штифтовым или резьбовым. Изображение символа может изменяться в зависимости от формы колбы лампы.
В.2 Лампы с ограничениями рабочего положения
Символы, показанные на рисунке В.2, означают, что из-за возможного перегрева работа ламп допускается только в положении от «цоколем вниз» до горизонтального.
Рядом с символом должен быть поясняющий текст во избежание разночтения.
Примеры символов
Для лампы со свечеобразной колбой

Для лампы с шаровой колбой
Рисунок В.2
Примечание - Изображение символа может изменяться в зависимости от формы колбы лампы.
(обязательное)
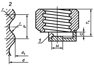
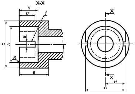
С.1 Сопротивление крутящему моменту (начальные значения)
С.1.1 Обозначения размеров патронов для испытания на сопротивление крутящему моменту показаны на рисунке С.1 для цоколей В15а и В22а, на рисунке С.2 - для цоколей Е12, Е14, Е17, Е26, E26d и E27.
1 - пазы, симметричные оси
Рисунок С.1 - Патрон для испытания на сопротивление крутящему моменту ламп со штифтовыми цоколями
Рисунок приведен только для иллюстрации основных размеров патрона, которые необходимо проверять, если возникают сомнения при проведении испытаний.
Обозначения, размеры и предельные отклонения размеров патрона приведены в таблице С.1.
Таблица С.1 В миллиметрах
|
Номинальный размер патрона для цоколя типа |
Предельное отклонение |
||
|
B15d |
B22d |
||
|
А |
15,27 |
22,27 |
+0,03 |
|
В |
19,0 min |
- |
|
|
С |
21,0 min |
28,0 min |
- |
|
D |
9,5 min |
- |
|
|
Е |
3,0 |
+0,17 |
|
|
G |
18,3 |
24,6 |
± 0,3 |
|
Н |
9,0 min |
12,15 min |
- |
|
К |
12,7 |
± 0,3 |
|
|
R |
~ 1,5 |
- |
|
Рисунок С.2 - Патрон для испытания на сопротивление крутящему моменту ламп с резьбовыми цоколями
Рисунок приведен только для иллюстрации основных размеров патрона, которые необходимо проверять, если возникают сомнения при проведении испытаний.
Обозначения, размеры и предельные отклонения размеров патрона приведены в таблице С.2.
Таблица С.2 В миллиметрах
|
Номинальный размер патрона для цоколей |
Предельное отклонение |
|||||
|
Е12 |
Е14 |
Е17 |
Е26 и E26d |
Е27 |
||
|
C |
15,27 |
20,0 |
20,0 |
32,0 min |
- |
|
|
K |
9,0 |
11,5 |
10,0 |
11,0 |
0 - 0,3 |
|
|
O |
9,5 |
12,0 |
14,0 |
23,0 |
+0,1 -0,1 |
|
|
S |
4,0 |
7,0 |
8,0 |
12,0 min |
- |
|
|
d |
11,890 |
13,890 |
16,640 |
26,492 |
26,45 |
+0,1 |
|
d1 |
10,620 |
12,290 |
15,270 |
24,816 |
24,26 |
- |
|
P |
2,540 |
2,822 |
2,822 |
3,629 |
3,629 |
- |
|
r |
0,792 |
0,822 |
0,897 |
1,191 |
1,025 |
- |
Примечание - Шероховатость поверхности резьбы Ra не менее 0,4 мкм. Более гладкая поверхность вызовет механическую перегрузку цоколя (С.1.2).
С.1.2 Перед каждым применением испытательный патрон для резьбовых цоколей должен быть полностью очищен от смазки.
С.1.3 Цоколь испытуемой лампы должен быть установлен в соответствующий патрон. Допускается механическое крепление цоколя или колбы.
С.1.4 Крутящий момент прикладывают плавно к соответствующей части лампы.
Приложение крутящего момента осуществляют по одной из следующих схем:
a) прикладывают крутящий момент, значения которого устанавливают по таблице 3;
b) прикладывают крутящие моменты более высоких значений для того, чтобы вызвать отказ. В этом случае оборудование должно быть обеспечено соответствующими средствами для измерения крутящего момента в широком диапазоне.
С.2 Сопротивление крутящему моменту после нагрева
С.2.1 Лампы помещают в печь.
С.2.1.1 Значение температуры в рабочем пространстве печи, где размещают лампы, устанавливают в соответствии с таблицей Н.1 приложения Н.
С.2.1.2 В печи поддерживают стабильную температуру с допустимыми отклонениями 0 °С, минус 5 °С.
С.2.1.3 Испытуемые лампы нагревают непрерывно в течение 1,5-кратной расчетной продолжительности горения.
С.2.2 После нагревания по С.2.1.3 допускается охлаждать лампы до комнатной температуры.
С.2.3 измерение сопротивления крутящему моменту
Выполняют требования С.1.1 - С.1.4 со следующими дополнениями:
a) при использовании схемы С.1.4, перечисление а), прикладывают крутящий момент, значение которого установлено в таблице 4 для цоколя соответствующего типа;
b) при использовании схемы С.1.4, перечисление b), прикладывают крутящий момент более высоких значений для того, чтобы вызвать отказ. Допускается дополнительное крепление цоколя, чтобы штифты у штифтовых цоколей не сломались при испытании.
(обязательное)
D.1 Схема испытания и оборудование
D.1.1 Схема испытания приведена на рисунке D.1.
Рисунок D.1
В состав указанной схемы испытания входят:
a) сетевой источник питания частоты 50 или 60 Гц напряжением, равным номинальному напряжению лампы с допустимым отклонением минус 2 %.
Испытательным напряжением для ламп, маркированных диапазоном напряжения, является среднее значение диапазона напряжения;
b) выключатель S;
c) индуктивность L (катушка без сердечника), создающая общую индуктивность, равную заданной в D.1.2;
d) резистор R, обеспечивающий общее сопротивление, равное указанному в D.1.2;
e) патрон Н, который для ламп с цоколями В15d и B22d должен иметь заземленный корпус;
f) предохранительный кожух безопасности, предназначенный для защиты в случае разрушения лампы;
д) предохранитель F на ток не менее 25 А для ламп на напряжение 220 - 250 В и не менее 15 А (в стадии рассмотрения) - для ламп на напряжение 100 - 150 В;
h) генератор импульсов, обеспечивающий создание импульса со следующими характеристиками, измеренными на испытуемой лампе:
- пиковое значение, кВ: от 2,9 до 3,1 - для ламп номинальной мощностью до 100 Вт включительно,
от 2,4 до 3,1 - для ламп номинальной мощностью свыше 100 Вт;
- длительность импульса tw (при 40 % пикового значения), мкс:
от 8 до 20 - для ламп номинальной мощностью до 100 Вт включительно,
не более 10 - для ламп номинальной мощностью более 100 Вт;
- время нарастания tr, мкс, не более - 1;
- сдвиг по фазе импульса ф - 70° ± 10°.
Форма импульсов показана на рисунках D.2 и D.3.
Рисунок D.2
1 - мгновенное напряжение; 2 - пиковое напряжение
Рисунок D.3
Примечание - Пиковое значение измеряют с нулевого значения напряжения.
D.1.2 Индуктивность и сопротивление схемы, включая элементы различных компонентов по D.1.1, любой предохранитель и всю проводку, должны удовлетворять следующим требованиям:
a) для ламп на номинальное напряжение от 200 до 250 В:
- сопротивление 0,4 - 0,45 Ом;
- индуктивность 0,6 - 0,65 мГн;
b) для ламп на номинальное напряжение от 100 до 150 В:
- сопротивление 0,3 - 0,35 Ом;
- индуктивность 0,6 - 0,65 мГн.
D.2 Методика испытания
D.2.1 Лампу, предназначенную для испытания, вставляют в патрон и устанавливают кожух безопасности.
D.2.2 Лампу включают на применяемое линейное напряжение и через 5 с подают импульс высокого напряжения. Если лампа продолжает гореть, то можно повторить подачу импульса 5 раз.
D.2.3 Если лампа все еще продолжает гореть, то ее можно включить на повышенное напряжение на время, равное 60 % расчетной продолжительности горения (G.2.3 приложения G). Затем на нее опять подают импульс высокого напряжения по D.2.2.
Значение продолжительности горения ламп при номинальном напряжении в случае испытания их при повышенном напряжении рассчитывают по формуле
(D.1)
где L0 - продолжительность горения при номинальном напряжении;
L - продолжительность горения при повышенном напряжении;
U0 - номинальное напряжение;
U - повышенное напряжение;
n = 13 для вакуумных ламп и n = 14 для газополных ламп.
D.3 Условия проведения испытаний
Испытания проводят при линейном напряжении.
D.3.1 Условия, устанавливаемые испытательной лабораторией
Допускается перенапряжение до 10 %.
Любое перегорание при этом учитывают при окончательной оценке. Воспроизводимость результатов испытаний обеспечивают предельными значениями полного сопротивления схемы, показанной на рисунке D.1.
D.3.2 Условия, устанавливаемые изготовителем
Допускается перенапряжение до 30 %. Если перенапряжение составляет более 10 % или испытательный стенд не соответствует требованиям, то перегорание не учитывают при окончательной оценке.
Примечание - Требования, предъявляемые испытательной лабораторией, должны отличаться от требований, предъявляемых изготовителем, с целью обеспечить условия, исключающие неумышленное создание испытательной лабораторией нереальных напряжений на лампах при этих испытаниях. С другой стороны, это позволит изготовителю сэкономить время испытания и другие расходы благодаря использованию известных знаний относительно напряжений, которые могут выдержать лампы.
D.4 Осмотр и оценка
После испытания проводят внешний осмотр каждой лампы.
Если в результате осмотра обнаруживают, что:
a) произошло нарушение целостности колбы или
b) колба отделилась от цоколя, или
c) имеется короткое замыкание между одним из контактов и корпусом штифтового цоколя, - то лампу считают не выдержавшей испытание и оценивают как не соответствующую стандарту. Если лампа остается горящей после испытания по D.2.3, то ее считают выдержавшей испытание.
(обязательное)
Испытание проводят при следующих условиях.
Е.1 Испытание проводят до перегорания ламп при номинальном напряжении. Допускается перенапряжение до 10 % (ускоренные испытания). Для напряжения, когда границы диапазона напряжения превышают на 2,5 % среднее значение, испытания проводят при наивысшем маркируемом напряжении с допустимым отклонением 10 %. Длительность испытания должна быть не более 250 % расчетной продолжительности горения или эквивалентной ей продолжительности горения при ускоренных испытаниях.
Е.2 Положение ламп при горении должно быть цоколем вверх, если иное не указано изготовителем. Ось патрона на испытательных стендах не может отклоняться от заданного положения горения более чем на 5°.
Е.3 Испытательное оборудование должно удовлетворять следующим требованиям:
- патроны на испытательных стендах должны быть прочной конструкции, обеспечивать надежный электрический контакт и предотвращать перегрев;
- падение напряжения между точкой измерения на питающем проводе и контактами цоколя не должно превышать 0,1 % испытательного напряжения;
- для штифтовых патронов цоколь должен иметь такой же потенциал, что и контакт, который не присоединен к основному источнику питания;
- при работе ламп значение температуры в месте соединения цоколя с колбой не должно превышать соответствующего предельного значения, приведенного в таблице Н.1 приложения Н;
- лампы не должны работать при высоких температурах окружающей среды и перегреваться другими лампами;
- лампы должны работать при отсутствии заметных вибраций. Не должно быть заметных вибраций или толчков при прикосновении к патрону во время горения или переключения;
- лампы выключают дважды в сутки не менее чем на 15 мин.
Примечание - Не рекомендуется использовать патроны с пружинными плунжерами для длительного испытания.
Е.4 Для ламп на номинальное напряжение от 100 до 250 В испытательный стенд должен иметь характеристики, приведенные в таблице Е.1. Характеристики стенда измеряют методом, приведенным в приложении G.
Таблица Е.1
|
Значение для ламп на напряжение, В |
||
|
100 - 150 |
200 - 250 |
|
|
Сопротивление, Ом |
В стадии рассмотрения |
0,5 ± 0,1 |
|
Индуктивность, мГн |
(0,5 ± 0,1)* |
|
|
Ток индивидуального внешнего предохранителя лампы, А, не менее |
10, медленного действия |
|
|
Колебания напряжения, В |
По ГОСТ Р 52706 |
|
* Допускается, использовать более высокие уровни индуктивности, при этом полное внутреннее сопротивление не должно превышать 0,7 Ом. При источнике питания частоты 60 Гц индуктивность должна быть пропорционально меньше (значение в стадии рассмотрения).
Е.5 Для испытательного стенда на 200 - 250 В наибольший ток нагрузки одновременно включаемых ламп не должен превышать 16 А.
(обязательное)
Это испытание является типовым, его проводят при изменении конструкции.
При испытаниях на специально вызванный отказ положение ламп должно быть цоколем вверх, если иное не обусловлено.
F.1 Группирование
Группирование выборки осуществляют по классам ламп, при этом:
a) классы, различающиеся только цоколями, могут быть сгруппированы следующим образом:
B15d и B22d,
Е14 и Е27,
Е12, Е17 и Е26;
b) классы, различающиеся только исполнением колбы, например белые, цветные, зеркальные, могут быть сгруппированы так, чтобы испытания были проведены предпочтительнее на лампах тех классов, которые имеют покрытие, а не на прозрачных или матированных. Из ламп с покрытием выбирают лампы с внутренним покрытием.
F.2 Выборка
F.2.1 Если оценивают только один класс (или классы, сгруппированные в соответствии с F.1), то берут выборку из 125 ламп. В зависимости от результата испытаний может потребоваться вторая выборка из 125 ламп (F.4.1).
F.2.2 Если оценивают несколько классов (или классы, сгруппированные в соответствии с F.1), то выборка на каждый класс может быть уменьшена, но не менее чем до 50 ламп для того, чтобы общая выборка на все классы была бы не менее 1000 ламп, а первоначальные выборки из каждого класса приблизительно равны.
F.2.3 Если при испытании на специально вызванный отказ не всегда происходит перегорание, то окончательный результат может быть принят в том случае, если в каждом испытанном классе будет не менее 25 перегоревших ламп. Если перегорает менее 25 ламп, то применяют одну из двух нижеследующих методик.
F.2.3.1 Число ламп, подвергаемых испытанию, увеличивают и продолжают испытания до получения 25 перегоревших ламп. Если этого недостаточно для получения требуемого числа перегораний, то число дополнительных ламп должно быть подвергнуто испытанию по методикам D.2.3 и D.4 приложения D. Окончательный результат может быть принят, если в каждом испытанном классе будет обнаружено не менее 25 перегоревших ламп.
F.2.3.2 Для получения минимального числа перегоревших ламп, указанного в F.2.3, объем выборки не увеличивают, а подвергают испытаниям по методикам D.2.3 и D.4 приложения D достаточное число ламп из имеющейся выборки. Окончательный результат может быть принят, если в каждом испытанном классе будет обнаружено не менее 25 перегоревших ламп.
F.3 Альтернативное испытание
F.3.1 Если выполняют требования F.1, F.2.1 и F.2.2, то для обязательного испытания конструкции допускается применение методики испытания по приложению Е вместо приложения D.
F.3.2 Если конструкцию не меняют, то данные по ресурсу до отказа, накопленные за любой период, могут быть использованы полностью или частично для подтверждения соответствия требованиям на специально вызванный отказ.
F.4 Условия соответствия
F.4.1 Если оценивают только один класс (F.2.1), то рассматривают результат по первым 125 лампам:
- нет несоответствий* - результат считают удовлетворительным;
- два или более несоответствия - результат считают неудовлетворительным;
- одно несоответствие - берут вторую выборку из 125 ламп, при этом результат испытания считают удовлетворительным, если в ней отсутствуют несоответствующие лампы.
* Несоответствие определяют по D.4.
Если берут вторую выборку, то требования F.2.3 применимы отдельно к этой выборке.
F.4.2 Если применяют уменьшенный объем выборки в соответствии с F.2.2, то оценку проводят на общем числе всех классов вместе, а если в любом отдельном классе (или классе, сгруппированном в соответствии с F.1), то:
а) при двух или более несоответствиях результаты испытаний считают неудовлетворительными для всех классов;
b) при одном несоответствии берут дополнительные выборки этого класса для испытаний, при этом общая выборка на класс достигает 250 ламп. Результаты испытаний класса считают удовлетворительными, если несоответствующих ламп больше нет.
Если все классы оценивают отдельно, то определяют число ламп во всех классах вместе и проводят оценку по таблице F.1. Результаты испытаний всех классов считают удовлетворительными, если число несоответствий не превышает соответствующего приемочного числа или оценочного предела в процентах.
Когда оценивают малое число классов ламп, при котором объем выборки не уменьшается, обработку результатов проводят индивидуально по каждому классу в соответствии с F.4.1.
Таблица F.1 В штуках
|
Приемочное число |
Число ламп |
Оценочный предел, % |
|
|
До 315 включ. |
2 |
2001 |
0,485 |
|
316 - 500 |
3 |
2200 |
0,48 |
|
501 - 635 |
4 |
2600 |
0,46 |
|
636 - 800 |
5 |
3300 |
0,44 |
|
801 - 1040 |
6 |
4200 |
0,42 |
|
1041 - 1250 |
7 |
5400 |
0,40 |
|
1251 - 1500 |
8 |
7200 |
0,38 |
|
1501 - 1750 |
9 |
10000 |
0,36 |
|
1751 - 2000 |
10 |
F.5 Примеры, иллюстрирующие формирование выборок для испытания на специально вызванный отказ
F.5.1 При оценке ламп следующих классов:
- на напряжение 200 - 250 В, мощностью 40 Вт, с моноспиральным телом накала, в матированной колбе;
- на напряжение 200 - 250 В, мощностью 40 Вт, с биспиральным телом накала, в колбах с внутренним белым покрытием;
- на напряжение 200 - 250 В, мощностью 40 Вт, с биспиральным телом накала, в колбах с красным, синим, зеленым и желтым покрытиями (наружная глазурь);
- на напряжение 200 - 250 В, мощностью 60 Вт, с биспиральным телом накала, в матированных колбах;
- на напряжение 200 - 250 В, мощностью 60 Вт, с биспиральным телом накала, в колбах с зеркальным покрытием купола
отбирают:
- 125 ламп мощностью 40 Вт, с моноспиральным телом накала, в матированных колбах;
- 125 ламп мощностью 40 Вт, с биспиральным телом накала, в колбах с внутренним белым покрытием;
- 125 ламп мощностью 60 Вт, с биспиральным телом накала, в колбах с зеркальным куполом.
В каждом случае может потребоваться вторая выборка из 125 ламп, если будет одно несоответствие.
F.5.2 При оценке 11 классов берут по 91 лампе каждого класса (общая выборка - 1001 лампа).
F.5.3 При оценке 25 классов первоначально берут по 50 ламп каждого класса (общая выборка - 1250 ламп).
F.5.4 После проведения испытаний выборки по примеру F.5.2 в одном классе из 91 лампы:
- перегорело 27 без каких-либо повреждений колбы в соответствии с D.4 приложения D. Поскольку число перегораний превышает 25 и нет несоответствий по 91 испытанной лампе, то результат испытаний по данному классу считают удовлетворительным;
- перегорело только 13 ламп. Берут другую выборку, чтобы достигнуть 25 перегораний. На это может потребоваться еще 85 ламп, или можно испытать 12 ламп в соответствии с F.2.3.2 приложения F и D.4 приложения D для получения результата поданному классу;
- перегорело 39 ламп, но одна лампа не удовлетворяет требованиям D.4 приложения D. Берут другую выборку из 159 ламп. При этом перегорает 70 ламп, но нет ни одной лампы, не соответствующей D.4 приложения D. Теперь испытано 250 ламп этого класса, что дало 109 перегораний и одну лампу, не соответствующую требованиям D.4. Это соответствует требованию к индивидуальному классу, но результаты всех 11 классов должны быть просуммированы и оценены по таблице F.1.
F.5.5 В примере F.5.1 испытание 125 ламп мощностью 40 Вт с внутренним белым покрытием дает 103 перегорания и одно несоответствие. Берут еще 125 ламп с 87 перегораниями и еще одним несоответствием. Оценку проводят по результатам испытания 250 ламп и двум несоответствиям. Таким образом, все лампы на напряжение 200 - 250 В, мощностью 40 Вт, с биспиральным телом накала, с внутренним белым покрытием и цветные считают несоответствующими.
F.5.6 После проведения испытаний выборки по примеру F.5.1 (125 ламп мощностью 60 Вт с зеркальным куполом) произошло 7 перегораний и не было обнаружено ни одного несоответствия. 18 ламп подвергают испытаниям на продолжительность горения, при этом одна лампа не соответствует D.4 приложения D. Берут другую выборку из 125 ламп. При испытании на специально вызванный отказ 11 ламп перегорели и не было обнаружено ни одного несоответствия. До достижения 25 перегораний испытывают 14 ламп в соответствии с F.2.3.2 и D.4 приложения D, при этом не должно быть ни одной лампы, не удовлетворяющей требованию D.4 приложения D в конце продолжительности горения.
Результатом является теперь одно несоответствие из 250 испытанных ламп. Следовательно, результат испытания считают удовлетворительным.
(обязательное)
Метод позволяет измерить полное сопротивление сети с достаточной точностью, чтобы показать, что условия испытания удовлетворяют требованиям D.2 приложения D и Е.4 приложения Е.
Этот метод предусматривает использование токов, возникающих при нормальных рабочих условиях, для поддержания сетевого напряжения.
По принципу «измерения ΔU» измеренная разность потенциалов U получается на больших резисторных и индуктивных нагрузках. На рисунке G.1 представлена мостовая схема.
Рисунок G.1 - Мостовая схема
Следует определить полное сопротивление схемы между зажимами a и b.
Электродвижущая сила (ЭДС) сети - Em, а ее полное сопротивление Zm = Rm + jXm.
Когда R21 или X22 включают в схему, мост сбалансирован, если выключатель S не изменяет напряжения Uвс, т.е. ΔU = 0.
Условиями равновесия являются:
(G.1)
(G.2)
где R21 и X22 - нагрузки, создающие ток около 10 А.
Постоянный резистор R4 и магазин сопротивлений R3 (регулируемый в пределах трех декад) вместе составляют высокоомную ветвь. Вместо выключателя S можно использовать триак, анод которого подключен к нулевой точке тока. Для измерения ΔU используют измерительные приборы, имеющие чувствительность, достаточную для фиксации нулевой точки. Перед определением Rm и Xm должны быть внесены небольшие поправки на Xm и (Rm + R22) соответственно. R22 сравнительно мало, но оно является сопротивлением нагрузки Х22. Ошибка при определении Rm будет незначительна.
Ошибка при измерении Хm, составляет обычно несколько процентов, поэтому также будет незначительной. Если она превышает 10 %, то должна быть внесена поправка в соответствии с правилами электротехники.
(справочное)
Н.1 Руководство по безопасной работе лампы
Для безопасной работы лампы необходимо соблюдать следующие рекомендации.
Н.2 Максимальная температура на цоколе
Светильники должны быть рассчитаны так, чтобы значение максимальной температуры на цоколе не превышало заданных значений.
Кроме того, должно быть учтено превышение температуры цоколя лампы по таблице 2.
С целью исключить нарушение теплостойкости материалов лампы необходимо эксплуатировать при температурах на цоколе, не превышающих указанных в таблице Н.1.
Таблица Н.1
|
Температура, °С |
|
|
B15d, B22d, Е12, Е14, Е27, Е26/24 |
210* |
|
Е17, Е26/25 |
165 |
|
Е26/50×39 |
250** |
|
Е27/51×39, для формы колбы PAR |
250 |
|
Е27/51×39, для формы колбы PAR, с дихроичным покрытием параболического отражателя (холодный луч) |
300* |
* 65 °С для ламп некоторых классов номинальной мощностью 15 Вт и менее, кроме рефлекторных и с зеркальным куполом.
** В стадии рассмотрения.
Н.3 Метод измерения
Температуру на цоколе измеряют на лампе, установленной в соответствующий патрон/светильник, по ГОСТ Р МЭК 60598-1 с помощью термоэлектрического преобразователя. Используют два метода измерения температуры на цоколе.
a) Метод 1
Рабочий конец термоэлектрического преобразователя размещают на корпусе цоколя на расстоянии не более 2 мм от места соединения цоколя с колбой.
b) Метод 2
Этот метод используют в сомнительных случаях.
Рабочий конец термоэлектрического преобразователя помещают в мастику через отверстие, просверленное в цоколе на расстоянии 1 - 2 мм от места соединения цоколя с колбой. Должно быть выбрано наиболее неблагоприятное положение на корпусе цоколя (обычно ближе к середине тела накала).
Примечание - Для ламп с механически закрепленными цоколями отверстие не просверливают. Термоэлектрический преобразователь крепят к цоколю на расстоянии 1 - 2 мм от соединения цоколя с колбой (для цоколей с юбками это относится к соединению юбки с колбой) в наиболее неблагоприятном положении.
Температура, измеренная после тепловой стабилизации, не должна превышать рабочей температуры на цоколе, приведенной в таблице Н.1.
Температура, измеренная после тепловой стабилизации, может быть на 5 °С (К) выше соответствующей температуры на цоколе, приведенной в таблице Н.1, из-за воздействия излучения лампы на рабочий конец термоэлектрического преобразователя.
Предупреждение - При измерении температуры на цоколе недопустимо прикосновение к корпусу цоколя, находящемуся под напряжением.
Н.4 Специальные светильники
Лампы с дихроичным покрытием параболического отражателя и с зеркальным куполом, маркируемые в соответствии с 2.2.2, используют в специальных светильниках. Такие лампы не используют в незащищенных светильниках, в которых допускается применять лампы подобных форм, из-за возможного перегрева. Соответствующие требования к маркировке светильников указаны в ГОСТ Р МЭК 60598-1.
Н.5 Рабочее положение лампы
Некоторые лампы, такие как лампы со свечеобразными и шаровыми колбами, рабочее положение которых ограничено и которые маркированы в соответствии с 2.2.3, не должны быть установлены в светильниках в положении «цоколем вверх».
Н.6 Защита от попадания воды
Колба ламп номинальной мощностью 15 Вт и менее, цветные лампы номинальной мощностью 25 Вт и менее и PAR с номинальным диаметром 38 мм любой мощности выдерживают попадание на них воды, например капель, брызг, и поэтому в светильнике не требуется дополнительная защита.
Другие лампы, на которые распространяются требования настоящего стандарта, должны быть защищены от попадания воды, например капель, брызг, светильником степени защиты IPX1 по ГОСТ 14254 или более.
Примечание - Буква X в номере IP означает пропущенное число, а на светильнике маркируют два соответствующих числа.
(обязательное)
(Настоящее приложение заменяет ссылку
на международный стандарт МЭК 60061-3:1969
с изменением № 34:2004, не принятый в
качестве национального.)
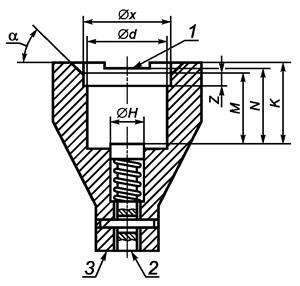
Калибр для проверки защиты от случайного прикосновения для цоколей Е14 показан на рисунке J.1.
1 - поверхность W; 2 - поверхность V
Рисунок J.1
Рисунок приведен только для иллюстрации основных размеров калибра.
Калибр показан в испытательном положении. В нерабочем положении поверхность плунжера W должна быть выше плоскости корпуса калибра V.
Назначение: Для проверки защиты от случайного прикосновения.
Проверка: Форму лампы относительно защиты от случайного прикосновения считают правильной, если при ввернутом в калибр до упора цоколе лампы плоскость W не будет выступать над плоскостью V.
Этот калибр применяют для ламп со свечеобразными, шаровыми и бытовыми трубчатыми колбами.
Обозначения, размеры и предельные отклонения размеров калибра приведены в таблице J.1.
Таблица J.1 В миллиметрах
|
Размер |
Предельное отклонение |
Обозначение |
Размер |
Предельное отклонение |
|
|
D |
13,97 |
+0,02 -0,00 |
H |
7,50 |
± 0,10 |
|
F |
18,10 |
+0,05 -0,00 |
M |
27,50 |
± 0,10 |
|
G |
19,00 |
+0,02 -0,00 |
N |
28,50 |
+0,00 -0,02 |
|
P |
10,00 |
± 0,10 |
r |
< 0,5 |
|
|
Q |
15,00 |
+0,00 -0,10 |
r1 |
2,50 |
+0,50 -0,00 |
|
R |
Около 12,5 |
α |
35° |
± 30′ |
|
|
U |
8 |
± 0,10 |
|||
Калибр для проверки защиты от случайного прикосновения для цоколей Е26, Е26/50×39, Е26/51×39 и E26d показан на рисунке J.2.
1 - поверхность X; 2 - поверхность W; 3 - поверхность V
Рисунок J.2
Рисунок приведен только для иллюстрации основных размеров калибра.
Калибр показан в испытательном положении. В нерабочем положении поверхность плунжера W должна быть выше плоскости корпуса калибра V.
Назначение: Для проверки размеров ламп, относящихся к контактированию в патронах Е26, Е26/50×39, Е26/51×39 или Е26d.
Проверка: Форму лампы в части крепления в патроне считают правильной, если цоколь лампы может быть ввернут в калибр до тех пор, пока поверхность W не достигнет поверхности V или не выступит над ней.
Для ламп с цоколями Е26/24, когда поверхности V и W совпадают, верх цоколя, включая припой или проводящий материал, не должен быть выше поверхности X.
Обозначения, размеры и предельные отклонения размеров калибра приведены в таблице J.2.
Таблица J.2 В миллиметрах
|
Размер |
Предельное отклонение |
Обозначение |
Размер |
Предельное отклонение |
|
|
d |
26,52 |
+0,00 -0,02 |
N3) |
25,40 |
+0,02 -0,00 |
|
Н |
14,00 |
+0,10 -0,10 |
x |
28,19 |
+0,00 -0,020 |
|
K |
27,941) |
+0,05 -0,00 |
Z |
4,50 |
+0,10 -0,10 |
|
M |
24,432) |
+0,05 -0,00 |
α |
45° |
+30 -30 |
1) Для ламп с цоколями Е26/24. Для ламп с цоколями Е26/25 размер K равен 29,3 мм.
2) Для ламп с цоколями Е26/24. Для ламп с цоколями Е26/25 размер M равен 25,9 мм.
3) Только для цоколей Е26/24.
Калибр для проверки защиты от случайного прикосновения для цоколей Е27 показан на рисунке J.3.
1 - поверхность W; 2 - поверхность V; 3 - для припоя
Рисунок J.3
Рисунок приведен только для иллюстрации основных размеров калибра.
Калибр показан в испытательном положении. В бездействующем состоянии поверхность W должна быть глубже поверхности V.
Назначение: Для проверки защиты от случайного прикосновения.
Проверка: Расположение лампы считают правильным, если при ввернутом до упора в калибр цоколе лампы поверхность W не выступает над поверхностью V.
Обозначения, размеры и предельные отклонения размеров калибра приведены в таблице J.3.
Таблица J.3 В миллиметрах
|
Размер |
Предельное отклонение |
Обозначение |
Размер |
Предельное отклонение |
|
|
D |
26,55 |
+0,00 -0,02 |
N |
32,00 |
+0,00 -0,02 |
|
F |
27,20 |
+0,05 -0,00 |
O |
34,00 |
+0,00 -0,20 |
|
G |
32,00 |
+0,02 -0,00 |
P |
6,00 |
± 0,10 |
|
L |
14,00 |
±0,10 |
Q |
3,00 |
± 0,10 |
|
J |
36,00 |
+0,02 -0,00 |
U |
10,00 |
± 0,10 |
|
K |
28,40 |
+0,00 -0,02 |
r |
2,50 |
+0,50 -0,00 |
|
M |
30,80 |
+0,00 -0,02 |
Калибр для проверки защиты от случайного прикосновения для цоколей Е27/51×39 показан на рисунке J.4
1 - поверхность W; 2 - поверхность V; 3 - для припоя
Рисунок J.4
Рисунок приведен только для иллюстрации основных размеров калибра.
Калибр показан в испытательном положении. В бездействующем состоянии поверхность W должна быть глубже поверхности V.
Назначение: Для проверки защиты от случайного прикосновения.
Проверка: Положение цоколя считают правильным в части защиты от случайного прикосновения, если при вворачивании цоколя лампы в калибр, насколько возможно, поверхность W не будет выступать за поверхность V.
Обозначения, размеры и предельные отклонения размеров калибра приведены в таблице J.4.
Таблица J.4 В миллиметрах
|
Размер |
Предельное отклонение |
Обозначение |
Размер |
Предельное отклонение |
|
|
D |
26,55 |
+0,00 -0,02 |
N |
35,00 |
+0,00 -0,02 |
|
F |
27,20 |
+0,05 -0,00 |
O |
37,00 |
+0,00 -0,20 |
|
G |
32,00 |
+0,02 -0,00 |
P |
8,00 |
± 0,10 |
|
L |
14,00 |
± 0,10 |
Q |
6,00 |
± 0,10 |
|
J |
36,00 |
+0,20 -0,00 |
U |
10,00 |
± 0,10 |
|
K |
31,40 |
+0,00 -0,02 |
r |
2,50 |
+0,50 -0,00 |
|
M |
33,80 |
+0,00 -0,02 |
(обязательное)
(Настоящее приложение заменяет ссылку на международный стандарт МЭК 60061-3:1969
с изменением № 34:2004, не принятый в качестве
национального.)
«Проходной» калибр для цоколей Е12 показан на рисунке К.1.
1 - поверхность X; 2 - деталь резьбы (правая резьба)
Рисунок К.1
Этот калибр используют только совместно с калибром по рисунку К.2.
Рисунок приведен только для иллюстрации основных размеров калибра. Острая часть кромки резьбы должна быть скруглена радиусом от 0,2 до 0,3 мм.
Назначение: Для проверки наибольших размеров резьбы и размера Т1 min цоколей Е12.
Проверка: При полностью ввернутом в калибр цоколе лампы центральный контакт должен касаться поверхности X. При удалении лампы из калибра должно потребоваться не менее двух полных витков для расцепления резьбы.
Обозначения, размеры и предельные отклонения размеров калибра приведены в таблице К.1.
Таблица К.1 В миллиметрах
|
Размер |
Предельное отклонение |
Обозначение |
Размер |
Предельное отклонение |
|
|
C |
1,600 |
+0,000 -0,025 |
d |
11,887 |
+0,025 -0,000 |
|
H |
4,750 |
+0,025 -0,0250 |
d1 |
10,617 |
+0,025 -0,000 |
|
P |
2,540 |
- |
r |
0,792 |
- |
|
T1 |
11,170 |
+0,000 -0,025 |
«Проходной» дополнительный калибр для цоколей Е12 показан на рисунке К.2.
Этот калибр используют совместно с калибром по рисунку К.1.
Рисунок К.2
Рисунок приведен только для иллюстрации основных размеров калибра.
Назначение: Для проверки наибольшего наружного диаметра - размера d цоколей Е12.
Проверка: Калибр должен проходить по резьбе цоколя лампы. Используют наибольшее усилие 4,5 Н.
Обозначения, размеры и предельные отклонения размеров калибра приведены в таблице К.2.
Таблица К.2 В миллиметрах
|
Размер |
Предельное отклонение |
|
|
U |
0,500 |
+0,100 -0,100 |
|
V |
7,000 |
+0,200 -0,200 |
|
d |
11,887 |
+0,005 -0,000 |
|
α |
Около 45° |
|
«Непроходной» калибр для цоколей Е12 показан на рисунке К.3.
1 - поверхность X
Рисунок К.3
Рисунок приведен только для иллюстрации основных размеров калибра.
Назначение: Для проверки наименьшего наружного диаметра резьбы d1 цоколей Е12.
Проверка: При помещении калибра на резьбу цоколя лампы, расположенной цоколем вверх, центральный контакт не должен выступать над поверхностью X.
Обозначения, размеры и предельные отклонения размеров калибра приведены в таблице К.3.
Таблица К.3 В миллиметрах
|
Размер |
Предельное отклонение |
Обозначение |
Размер |
Предельное отклонение |
|
|
L |
7,50 |
+0,10 -0,10 |
W |
1,00 |
+0,10 -0,10 |
|
P |
3,00 |
+0,50 -0,00 |
d |
11,56 |
+0,10 -0,01 |
|
U |
1,00 |
+0,00 -0,10 |
α |
Около 45° |
|
|
V |
9,50 |
+0,05 -0,00 |
Масса* |
0,116 кг |
+10 % -10 % |
* При проверке должна быть использована только масса самого калибра.
«Проходной» калибр для цоколей Е14 показан на рисунке К.4.
1 - поверхность X; 2 - деталь резьбы (правая резьба)
Рисунок К.4
Рисунок приведен только для иллюстрации основных размеров калибра.
Острая кромка резьбы должна быть скруглена радиусом от 0,2 до 0,3 мм.
Назначение: Для проверки наибольших размеров резьбы и размера Т1 min цоколей Е14.
Проверка: При полностью ввернутом в калибр цоколе лампы центральный контакт должен совпадать с поверхностью X или выступать над ней.
Обозначения, размеры и предельные отклонения размеров калибра приведены в таблице К.4.
Таблица К.4 В миллиметрах
|
Размер |
Предельное отклонение |
Обозначение |
Размер |
Предельное отклонение |
|
|
Р |
2,822 |
- |
O |
15,000 |
± 0,20 |
|
Т |
16,000 |
+0,00 -0,03 |
r |
0,822 |
- |
|
d |
13,890 |
+0,03 -0,00 |
V |
12,500 |
± 0,10 |
|
d1 |
12,290 |
+0,03 -0,00 |
W |
2,000 |
|
|
L |
9,500 |
+0,10 -0,10 |
«Непроходной» калибр для цоколей Е14 показан на рисунке К.5.
1 - поверхность X
Рисунок К.5
Рисунок приведен только для иллюстрации основных размеров калибра.
Назначение: Для проверки наименьшего внешнего диаметра - размера d цоколей Е14.
Проверка: При помещении калибра на резьбовую часть цоколя лампы, расположенной цоколем вверх, центральный контакт не должен выступать над поверхностью X. При этой проверке в качестве усилия используют только собственную массу калибра.
Обозначения, размеры и предельные отклонения размеров калибра приведены в таблице К.5.
Таблица К.5 В миллиметрах
|
Размер |
Предельное отклонение |
Обозначение |
Размер |
Предельное отклонение |
|
|
L |
9,50 |
± 0,10 |
d |
13,60 |
+0,00 -0,01 |
|
U |
1,00 |
+0,00 -0,10 |
α |
Около 45° |
|
|
V |
12,00 |
+0,05 -0,00 |
Масса |
0,100 кг |
± 10 % |
|
W |
1,50 |
± 0,10 |
|||
«Проходной» калибр для проверки размера S1 цоколей Е14 показан на рисунке К.6.
1 - поверхность X; 2 - поверхность W; 3 - поверхность Y; 4 - кромка слегка скошена; 5 - острая кромка
Рисунок К.6
Рисунок приведен только для иллюстрации основных размеров калибра.
Калибр показан в испытательном положении. В бездействующем состоянии поверхность W должна быть глубже поверхности Y.
Плунжер показан в испытательном положении. В нерабочем состоянии плунжера поверхность W должна быть выше поверхности X.
Назначение: Для проверки размеров S1min и S1max цоколей Е14.
Проверка: Когда цоколь лампы ввернут в калибр до упора, поверхность W плунжера должна совпадать с поверхностью X или выступать над ней, но не должна выступать над поверхностью Y корпуса.
Обозначения, размеры и предельные отклонения размеров калибра приведены в таблице К.6.
Таблица К.6 В миллиметрах
|
Размер |
Предельное отклонение |
Обозначение |
Размер |
Предельное отклонение |
|
|
о |
12,00 |
± 0,03 |
d |
13,94 |
+0,03 -0,00 |
|
s |
4,50 |
+0,01 -0,00 |
h |
7,50 |
+0,10 -0,01 |
|
v |
1,00 |
+0,02 -0,00 |
m |
11,00 |
+0,10 -0,01 |
«Проходной» калибр для цоколей Е17 показан на рисунке К.7.
1 - поверхность X; 2 - деталь резьбы (правая резьба)
Рисунок К.7
Рисунок приведен только для иллюстрации основных размеров калибра, обеспечивающих взаимозаменяемость.
Острая часть кромки резьбы у входа калибра должна быть скруглена радиусом от 0,2 до 0,3 мм.
Назначение: Для проверки наибольших размеров резьбы и размера T1min цоколей Е17.
Проверка: При полностью ввернутом в калибр цоколе лампы центральный контакт должен касаться поверхности X. При извлечении лампы из калибра должно потребоваться не менее двух полных витков для расцепления резьбы.
Обозначения, размеры и предельные отклонения размеров калибра приведены в таблице К.7.
Таблица К.7 В миллиметрах
|
Размер |
Предельное отклонение |
Обозначение |
Размер |
Предельное отклонение |
|
|
C |
2,360 |
+0 -0,050 |
d |
16,640 |
+0,025 -0 |
|
H |
4,750 |
+0,050 -0,500 |
d1 |
15,270 |
+0,025 -0 |
|
P |
2,822 |
- |
r |
0,897 |
- |
|
T1 |
15,240 |
+0 -0,025 |
«Непроходной» калибр для цоколей Е17 показан на рисунке К.8.
1 - поверхность X
Рисунок К.8
Рисунок приведен только для иллюстрации основных размеров калибра, обеспечивающих взаимозаменяемость.
Назначение: Для проверки наименьшего наружного диаметра резьбы d цоколей Е17.
Проверка: При помещении калибра на резьбу цоколя лампы, расположенной цоколем вверх, центральный контакт не должен выступать над поверхностью X.
При этой проверке в качестве усилия используют только собственную массу калибра.
Обозначения, размеры и предельные отклонения размеров калибра приведены в таблице К.8.
Таблица К.8 В миллиметрах
|
Размер |
Предельное отклонение |
Обозначение |
Размер |
Предельное отклонение |
|
|
U |
1,00 |
+0,00 -0,10 |
α |
Около 45° |
- |
|
V |
13,00 |
+0,05 -0,00 |
Масса |
0,129 кг |
+10 % -10 % |
|
d |
16,28 |
+0,00 -0,01 |
«Проходной» калибр для цоколей Е26, Е26/50×39, Е26/51×39 и E26d показан на рисунке К.9.
1 - деталь резьбы (правая резьба); 2 - острая часть кромки резьбы; 3 - поверхность X
Рисунок К.9
Рисунок приведен только для иллюстрации основных размеров калибра.
Острая часть кромки резьбы у входа калибра должна быть скруглена радиусом от 0,2 до 0,3 мм.
Назначение: Для проверки наибольших размеров резьбы и размера T1min цоколей Е26, Е26/50×39, Е26/51×39 и E26d.
Проверка: Когда цоколь лампы полностью ввернут в калибр, центральный контакт должен касаться поверхности X. При извлечении лампы из калибра должно потребоваться не менее двух полных витков для расцепления резьбы.
Обозначения, размеры и предельные отклонения размеров калибра приведены в таблице К.9.
Таблица К.9 В миллиметрах
|
Размер |
Предельное отклонение |
Обозначение |
Размер |
Предельное отклонение |
|
|
L |
6,000 |
+0,10 +0,10 |
d1 |
24,720 |
+0,03 0 |
|
Т1 |
19,560 |
0 -0,03 |
P |
3,629 |
- |
|
V |
12,700 |
+0,15 -0,15 |
r |
1,191 |
|
|
d |
26,410 |
+0,03 0 |
«Непроходной» калибр для цоколей Е26, Е26/50×39, Е26/51×39 и E26d показан на рисунке К.10.
1 - поверхность X; 2 - направление введения цоколя
Рисунок К.10
Рисунок приведен только для иллюстрации размеров калибра.
Назначение: Для проверки наименьшего наружного диаметра резьбы d цоколей Е26, Е26/50×39, Е26/51×39 или E26d.
Проверка: При помещении калибра на резьбу цоколя лампы, расположенной цоколем вверх, центральный контакт не должен выступать над поверхностью X.
При этой проверке в качестве усилия используют только собственную массу калибра.
Обозначения, размеры и предельные отклонения размеров калибра приведены в таблице К.10.
Таблица К.10 В миллиметрах
|
Размер |
Предельное отклонение |
Обозначение |
Размер |
Предельное отклонение |
|
|
U |
1,00 |
+0,00 -0,10 |
α |
Около 45° |
|
|
V |
17,00 |
+0,05 -0,00 |
Масса |
0,15 кг |
+10 % -10 % |
|
d |
26,05 |
+0,00 -0,01 |
|||
(обязательное)
L.1 Проверка пути утечки
Проверку пути утечки проводят при испытании конструкции на пяти образцах. Измерения проводят любыми средствами измерений, обеспечивающими требуемую чертежами точность измерения. Если все пять образцов из выборки удовлетворяют требованиям 2.8, то результаты испытаний считают удовлетворительными. При неудовлетворительных результатах берут повторную выборку из пяти образцов. При повторных испытаниях отказы не допускаются, результаты испытаний являются окончательными.
L.2 Проверка наличия плавкого предохранителя и способности ламп выдерживать токовые перегрузки
Проверку наличия плавкого предохранителя проводят внешним осмотром.
Проверку способности ламп выдерживать токовые перегрузки (2.12) проводят следующим образом: на лампу, помещенную в защитный кожух, подают напряжение 380 - 450 В, силу тока ограничивают до 15 А дополнительным сопротивлением, включенным последовательно с лампой. Лампы считают выдержавшими испытания, если не произошло разрушения колбы.
(справочное)
Таблица М.1
|
Обозначение ссылочного
национального |
Обозначение и наименование
ссылочного международного стандарта и условное |
|
ИСО 2859-1:1999 «Процедуры выборочного контроля по альтернативному признаку. Часть 1. Планы выборочного контроля последовательных партий на основе приемлемого уровня качества AQL» (IDT) |
|
|
ГОСТ Р 50470-93 (МЭК 360-87) |
МЭК 60360:1987 «Стандартный метод измерения превышения температуры на цоколе лампы» (MOD) |
|
ГОСТ Р 52706-2007 (МЭК 60064:1993) |
МЭК 60064:1993 «Лампы накаливания вольфрамовые для бытового и аналогичного общего освещения. Эксплуатационные требования» (MOD) |
|
МЭК 60432-2:1994 «Лампы накаливания. Требования безопасности. Часть 2. Лампы вольфрамовые галогенные для бытового и аналогичного общего освещения» (IDT) |
|
|
МЭК 60598-1:1999 «Светильники. Часть 1. Общие требования и методы испытаний» (IDT) |
|
|
ГОСТ 14254-96 (МЭК 529-89) |
МЭК 60529:1989 «Степени защиты, обеспечиваемые оболочками (код IP)» (MOD) |
|
- |
|
|
- |
|
|
МЭК 60061-1:1969 «Цоколи и патроны ламп, а также калибры для проверки их взаимозаменяемости и безопасности. Часть 1. Цоколи» (NEQ) МЭК 60061-3:1969 «Цоколи и патроны ламп, а также калибры для проверки их взаимозаменяемости и безопасности. Часть 3. Калибры» (NEQ) |
Примечание - В настоящей таблице использованы следующие условные обозначения степени соответствия стандартов:
- IDT - идентичные стандарты;
- MOD - модифицированные стандарты;
- NEQ - неэквивалентные стандарты.
|
[1] |
Международный стандарт МЭК 60887:2003 |
Система обозначения стеклянных колб ламп |
|
(IEC 60887:2003) |
(Glass bulb designation system for lamps) |
Ключевые слова: требования безопасности, лампы накаливания вольфрамовые для бытового и аналогичного общего освещения