|
ФЕДЕРАЛЬНОЕ
АГЕНТСТВО |
||
|
|
НАЦИОНАЛЬНЫЙ |
ГОСТ Р (ДИН 34801:1999-12) |
БОЛТЫ
СО ЗВЕЗДООБРАЗНОЙ ГОЛОВКОЙ
И БОЛЬШИМ ФЛАНЦЕМ
Технические условия
DIN 34801:1999-12
Bolts and screws with external hexalobular driving feature with
large flange
(MOD)
|
|
Москва Стандартинформ 2008 |
Предисловие
Цели и принципы стандартизации в Российской Федерации установлены Федеральным законом от 27 декабря 2002 г. № 184-ФЗ «О техническом регулировании», а правила применения национальных стандартов Российской Федерации - ГОСТ Р 1.0-2004 «Стандартизация в Российской Федерации. Основные положения»
Сведения о стандарте
1. ПОДГОТОВЛЕН Федеральным государственным унитарным предприятием «Центральный ордена Трудового Красного Знамени научно-исследовательский автомобильный и автомоторный институт» (ФГУП «НАМИ») на основе собственного перевода стандарта, указанного в пункте 4
2. ВНЕСЕН Техническим комитетом по стандартизации ТК 229 «Крепежные изделия»
3. УТВЕРЖДЕН И ВВЕДЕН В ДЕЙСТВИЕ Приказом Федерального агентства по техническому регулированию и метрологии от 27 декабря 2007 г. № 497-ст
4. Настоящий стандарт является модифицированным по отношению к германскому национальному стандарту ДИН 34801:1999-12 «Болты и винты с наружной звездообразной головкой и большим фланцем» (DIN 34801:1999-12 «Bolts and screws with external hexalobular driving feature with large flange»), при этом в него не включены ссылки на использование нержавеющих сталей, указывать которые в данном стандарте преждевременно из-за отсутствия идентичных национальных стандартов на нержавеющие стали для холодной высадки и химическую обработку поверхности изделий из этих сталей.
Наименование настоящего стандарта изменено относительно наименования указанного национального стандарта для приведения в соответствие с ГОСТ Р 1.5-2004 (подраздел 3.5).
Сведения о соответствии ссылочных международных стандартов национальным стандартам Российской Федерации, использованным в настоящем стандарте в качестве нормативных ссылок, приведены в приложении Б
5. ВВЕДЕН ВПЕРВЫЕ
СОДЕРЖАНИЕ
ГОСТ Р 52855-2007
(ДИН 34801:1999-12)
НАЦИОНАЛЬНЫЙ СТАНДАРТ РОССИЙСКОЙ ФЕДЕРАЦИИ
|
БОЛТЫ СО ЗВЕЗДООБРАЗНОЙ ГОЛОВКОЙ И БОЛЬШИМ ФЛАНЦЕМ Технические условия Bolts with star-type head and large flange. Specifications |
Дата введения - 2009-01-01
Настоящий стандарт устанавливает размеры, механические характеристики болтов со звездообразной головкой и большим фланцем (далее - болты), номинальным диаметром резьбы от 4 до 20 мм, крупным и мелким шагом, из стали с классами прочности 8.8 и 10.9 для болтов классов точности А и В.
Проверка калибрами звездообразной головки установлена в приложении А.
В настоящем стандарте использованы ссылки на следующие стандарты:
ГОСТ Р 52627-2006 (ИСО 898-1:1999) Болты, винты и шпильки. Механические свойства и методы испытаний
ГОСТ 9.301-86 Единая система защиты от коррозии и старения. Покрытия металлические и неметаллические неорганические. Общие требования
ГОСТ 1759.0-87 Болты, винты, шпильки и гайки. Технические условия
ГОСТ 1759.1-82 Болты, винты, шпильки, гайки и шурупы. Допуски. Методы контроля размеров и отклонений формы и расположения поверхностей
ГОСТ 1759.2-82 Болты, винты и шпильки. Дефекты поверхности и методы контроля
ГОСТ 8724-2002 (ИСО 261-98) Основные нормы взаимозаменяемости. Резьба метрическая. Диаметры и шаги
ГОСТ 12414-94 (ИСО 4753-83) Концы болтов, винтов и шпилек. Размеры
ГОСТ 16093-2004 (ИСО 965-1:1998, ИСО 965-3:1998) Основные нормы взаимозаменяемости. Резьба метрическая. Допуски. Посадки с зазором
ГОСТ 17769-83 (ИСО 3269-88) Изделия крепежные. Правила приемки
ГОСТ 24705-2004 (ИСО 724:1993) Основные нормы взаимозаменяемости. Резьба метрическая. Основные размеры
ГОСТ 27148-86 Изделия крепежные. Выход резьбы. Сбеги, недорезы и проточки. Размеры
Примечание - При пользовании настоящим стандартом целесообразно проверить действие ссылочных стандартов в информационной системе общего пользования - на официальном сайте Федерального агентства по техническому регулированию и метрологии в сети Интернет или по ежегодно издаваемому информационному указателю «Национальные стандарты», который опубликован по состоянию на 1 января текущего года, и по соответствующим ежемесячно издаваемым информационным указателям, опубликованным в текущем году. Если ссылочный стандарт заменен (изменен), то при пользовании настоящим стандартом следует руководствоваться заменяющим (измененным) стандартом. Если ссылочный стандарт отменен без замены, то положение, в котором дана ссылка на него, применяется в части, не затрагивающей эту ссылку.
В настоящем стандарте применены следующие термины с соответствующим определением:
звездообразная головка: Головка, имеющая выпукло-вогнутую боковую поверхность, выполненную по радиусам.
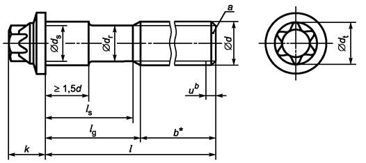
Размеры указаны на рисунках 1 и 2, а также в таблице 1.
* Размер для справок.
a - резьбовой конец согласно
исполнения «Конец с фаской» по ГОСТ 12414; b - участок неполной резьбы u £
2Р;
с - пресс-контур; d - форма ступеньки допускается по
выбору изготовителя; е - относительная линия для dw.
Рисунок 1 - Болт с полным цилиндрическим стержнем. Форма С

Болты длиной ³ 10d должны иметь полный цилиндрический подголовок.
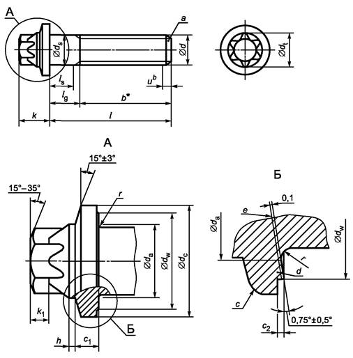
* Размер для справок.
a - конец с фаской по ГОСТ
12414; b - участок неполной резьбы u £
2P;
c - болты с длинами выше
ступенчатой линии по таблице 1 имеют резьбу до головки amax = 3P.
Рисунок 2 - Болт с уменьшенным цилиндрическим стержнем или с резьбой до головки. Форма В
Таблица 1 - Размеры
Размеры в миллиметрах
|
Резьба d |
М5 |
М6 |
M8 М8´1 |
M10 М10´1 М10´1,25 |
M12 М12´1,25 М12´1,5 |
M14 М14´1,5 |
M16 М16´1,5 |
M18 М18´1,25 М18´2 |
M20 М20´1,5 М20´2 |
||||||||||||
|
Pа) |
0,8 |
1 |
1,25 |
1,5 |
1,75 |
2 |
2 |
2,5 |
2,5 |
||||||||||||
|
b |
40 |
50 |
65 |
80 |
80 |
80 |
80 |
80 |
80 |
||||||||||||
|
с1, |
не менее |
1,45 |
1,75 |
2,65 |
3,60 |
4,10 |
5,10 |
5,50 |
6,00 |
6,50 |
|||||||||||
|
не более |
1,70 |
2,0 |
2,90 |
3,90 |
4,40 |
5,40 |
5,80 |
6,40 |
6,90 |
||||||||||||
|
с2, не более |
0,5 |
0,5 |
0,6 |
0,6 |
0,6 |
0,6 |
0,8 |
0,8 |
0,8 |
||||||||||||
|
dа, не более |
5,7 |
6,8 |
9,2 |
11,2 |
13,70 |
15,7 |
17,7 |
20,2 |
22,4 |
||||||||||||
|
dс, не более |
11,80 |
14,20 |
17,90 |
21,80 |
26 |
29,90 |
34,50 |
38,60 |
42,80 |
||||||||||||
|
dr |
приблизительно равен среднему диаметру резьбы |
||||||||||||||||||||
|
ds, |
не более |
5 |
6 |
8 |
10 |
12 |
14 |
16 |
18 |
20 |
|||||||||||
|
не менее |
4,82 |
5,82 |
7,78 |
9,78 |
11,73 |
13,73 |
15,73 |
17,73 |
19,67 |
||||||||||||
|
dt ном |
7,3 |
9,2 |
10,95 |
12,65 |
16,4 |
18,15 |
21,85 |
25,4 |
28,9 |
||||||||||||
|
dw, не менее |
9,80 |
12,20 |
15,80 |
19,60 |
23,80 |
27,60 |
31,90 |
35,90 |
39,90 |
||||||||||||
|
h, не более |
0,9 |
0,9 |
0,9 |
1,3 |
1,3 |
1,3 |
1,3 |
1,4 |
1,4 |
||||||||||||
|
k |
не более |
6,50 |
7,50 |
10,0 |
12,00 |
14,00 |
16,00 |
19,00 |
21,50 |
24,00 |
|||||||||||
|
не менее |
6,25 |
7,25 |
9,75 |
11,75 |
13,75 |
15,75 |
18,75 |
21,25 |
23,75 |
||||||||||||
|
k1, не менее |
1,80 |
2,00 |
3,10 |
3,70 |
3,90 |
4,50 |
6,10 |
7,10 |
8,70 |
||||||||||||
|
r, не менее |
0,2 |
0,25 |
0,4 |
0,4 |
0,6 |
0,6 |
0,6 |
0,6 |
0,8 |
||||||||||||
|
Условное обозначение звездообразной головкиb) |
Е 8 |
Е 10 |
Е 12 |
Е 14 |
Е 18 |
Е 20 |
Е 24 |
Е 28 |
Е 32 |
||||||||||||
|
Iс) |
Is не менее |
Ig не более |
Is не менее |
Ig не более |
Is не менее |
Ig не более |
Is не менее |
Ig не более |
Is не менее |
Ig не более |
Is не менее |
Ig не более |
Is не менее |
Ig не более |
Is не менее |
Ig не более |
Is не менее |
Ig не более |
|||
|
Номинальный |
не менее |
не более |
|||||||||||||||||||
|
10 |
9,71 |
10,29 |
|||||||||||||||||||
|
12 |
11,65 |
12,35 |
|||||||||||||||||||
|
16 |
15,65 |
16,35 |
|||||||||||||||||||
|
20 |
19,58 |
20,42 |
|||||||||||||||||||
|
25 |
24,58 |
25,42 |
|||||||||||||||||||
|
30 |
29,58 |
30,42 |
|||||||||||||||||||
|
35 |
34,5 |
35,5 |
Резьба до головки только для болтов с уменьшенным диаметром цилиндрического стержня (форма В) |
||||||||||||||||||
|
40 |
39,5 |
40,5 |
|||||||||||||||||||
|
45 |
44,5 |
45,5 |
- |
5 |
|||||||||||||||||
|
50 |
49,5 |
50,5 |
6 |
10 |
|||||||||||||||||
|
55 |
54,4 |
55,6 |
- |
5 |
|||||||||||||||||
|
60 |
59,4 |
60,6 |
6 |
10 |
|||||||||||||||||
|
65 |
64,4 |
65,6 |
|||||||||||||||||||
|
70 |
69,4 |
70,6 |
- |
5 |
|||||||||||||||||
|
80 |
79,4 |
80,6 |
8,75 |
15 |
|||||||||||||||||
|
90 |
89,3 |
90,7 |
- |
10 |
- |
10 |
- |
10 |
- |
10 |
- |
10 |
- |
10 |
|||||||
|
100 |
99,3 |
100,7 |
12,5 |
20 |
11,25 |
20 |
10 |
20 |
10 |
20 |
- |
20 |
- |
20 |
|||||||
|
110 |
109,3 |
110,7 |
21,25 |
30 |
20 |
30 |
20 |
30 |
17,5 |
30 |
17,5 |
30 |
|||||||||
|
120 |
119,3 |
120,7 |
31,25 |
40 |
30 |
40 |
30 |
40 |
27,5 |
40 |
27,5 |
40 |
|||||||||
|
130 |
129,3 |
130,8 |
40 |
50 |
40 |
50 |
37,5 |
50 |
37,5 |
50 |
|||||||||||
|
140 |
139,2 |
140,8 |
50 |
60 |
50 |
60 |
47,5 |
60 |
47,5 |
60 |
|||||||||||
|
150 |
149,2 |
150,8 |
60 |
70 |
57,5 |
70 |
57,5 |
70 |
|||||||||||||
|
160 |
159,2 |
160,8 |
67,5 |
80 |
67,5 |
80 |
|||||||||||||||
|
180 |
179,2 |
180,8 |
70 |
80 |
87,5 |
100 |
87,5 |
100 |
|||||||||||||
|
200 |
199,075 |
200,925 |
107,5 |
120 |
107,5 |
120 |
|||||||||||||||
|
a) P шаг нормальной резьбы. b) проверка звездообразной головки в соответствии с приложением А, подразделы А.2 - А.4. c) наименьшей стандартной длиной является 2d. |
|||||||||||||||||||||
Таблица 2
|
Материал |
Сталь |
|
|
Общие требования |
Обозначение стандарта |
|
|
Резьба |
Допуск |
6g |
|
Обозначение стандарта |
||
|
Механические свойства |
Классы прочности |
8.8 10.9 |
|
Обозначение стандарта |
||
|
Предельные размеры, допуски формы и расположения |
Классы точности |
Для l< 10d или 150 мма) - А Для l > 10d или 150 мма) - В |
|
Обозначение стандарта |
||
|
Поверхность изделия |
После изготовления |
|
|
Требования для гальванической защиты наружной поверхности по ГОСТ 9.301 |
||
|
Предельные значения для дефектов поверхности установлены в ГОСТ 1759.2 |
||
|
Приемочный контроль |
||
|
а) В любом случае необходимо использовать меньшее значение. |
||
Пример условного обозначения болта со звездообразной головкой с большим фланцем, полным цилиндрическим стержнем (форма С), резьбой М10, номинальной длиной l = 110 мм и классом прочности 8.8:
Болт со звездообразной головкой С М10´110 - 8.8 ГОСТ Р 52855-2007
Тоже, с уменьшенным цилиндрическим стержнем (форма В), резьбой М10, номинальной длиной l = 110 мм и классом прочности 8.8:
Болт со звездообразной головкой В М10´110 - 8.8 ГОСТ Р 52855-2007
Обозначение формы и исполнения болта с дополнительными требованиями при заказе по ГОСТ 1759.0.
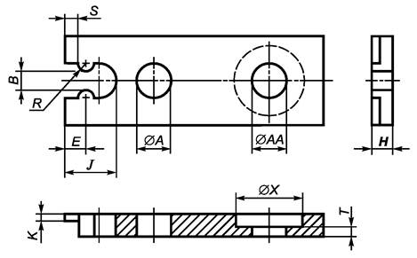
А.1. Общие положения
Проверку звездообразной головки выполняют проходными и непроходными калибрами в соответствии с рисунком А.1а) с размерами по рисунку А.2 и таблице А.1.
А.2. Проверка минимальной высоты зацепления ключом
Звездообразную головку, как указано на рисунке А.1б), вводят в калибр А.
Верхний край головки болтов должен быть на одном уровне с верхней поверхностью ступенчатого калибра или выступать над ним.
А.3. Проверка наружного диаметра «звездообразной головки
Звездообразная головка должна входить на всю высоту зацепления ключом в калибр В, см. рисунок А.1с).
А.4. Проверка НЕ-проходным калибром звездообразной головки
Звездообразную головку, как указано на рисунке А.1d), вводят в калибр С. Верхняя поверхность головки болтов не должна выступать над верхней поверхностью калибра.
1 - калибр А; 2 - калибр В; 3 - калибр С
а) Калибры для проверки звездообразной головки
Рисунок А.1 - Проверка звездообразной головки
Таблица А.1 - Проверяемые размеры
Размеры в миллиметрах
|
А |
АА |
В |
K |
Т |
R |
S |
X |
J |
E |
Н |
|
|
+0,008 |
+0,008 |
+0,008 |
+0,127 |
0 |
0 |
+0,38 |
+0,127 |
+0,25 |
+0,25 |
+0,38 |
|
|
-0,003 |
-0,003 |
-0,008 |
0 |
-0,025 |
-0,005 |
-0,38 |
-0,127 |
-0,25 |
0 |
-0,38 |
|
|
Е 8 |
7,366 |
6,883 |
5,258 |
1,448 |
1,600 |
1,613 |
3,02 |
16,14 |
11,61 |
4,75 |
6,35 |
|
Е 10 |
9,271 |
8,839 |
6,756 |
1,829 |
2,007 |
2,324 |
3,91 |
17,12 |
15,72 |
6,35 |
6,35 |
|
Е 12 |
11,024 |
10,312 |
7,874 |
2,286 |
2,540 |
2,400 |
4,62 |
20,44 |
17,27 |
7,14 |
6,35 |
|
Е 14 |
12,751 |
11,862 |
9,169 |
3,023 |
2,692 |
2,629 |
5,18 |
24,98 |
19,30 |
7,92 |
9,53 |
|
Е 18 |
16,485 |
15,291 |
11,836 |
3,734 |
3,658 |
3,366 |
6,05 |
33,05 |
24,05 |
9,53 |
9,53 |
|
Е 20 |
18,263 |
16,891 |
13,157 |
4,089 |
4,115 |
3,632 |
7,37 |
35,43 |
27,00 |
11,10 |
9,53 |
|
Е 24 |
21,946 |
20,396 |
15,697 |
5,639 |
5,359 |
4,724 |
9,50 |
38,77 |
33,99 |
14,27 |
9,53 |
|
Е 28 |
25,502 |
23,724 |
18,263 |
6,934 |
6,325 |
5,461 |
10,36 |
43,61 |
38,68 |
15,88 |
12,70 |
|
Е 32 |
29,007 |
26,670 |
21,311 |
8,026 |
6,883 |
5,715 |
11,68 |
48,26 |
42,44 |
17,45 |
12,70 |
Рисунок А.2 - Проверяемые размеры
|
Обозначение ссылочного |
Обозначение и наименование
ссылочного международного (регионального) стандарта и |
|
ДИН 962:2001 Болты и гайки. Указания по обозначению. Формы и исполнения (NEQ) |
|
|
ИСО 4759-1:2000 Изделия крепежные. Допуски. Часть 1: Болты, винты, шпильки и гайки. Классы точности А, В и С (NEQ) |
|
|
ИСО 6157-1:1998 Изделия крепежные - Дефекты поверхности. Часть 1. Болты, винты и шпильки общего назначения (NEQ) |
|
|
ИСО 898-1:1999 Механические свойства крепежных изделий из углеродистых и легированных сталей. Часть 1. Болты, винты и шпильки (MOD) |
|
|
ИСО 261:1998 Метрическая резьба ИСО общего назначения. Общий план (MOD) |
|
|
ИСО 4753:1999 Изделия крепежные. Концы деталей с наружной метрической резьбой ИСО (NEQ) |
|
|
ИСО 4755:1983 Изделия крепежные. Резьбовые проточки с наружной метрической резьбой ИСО (MOD) |
|
|
ИСО 965-1:1998 Резьбы метрические ИСО общего назначения. Допуски. Часть 1. Принципы и основные данные (MOD) ИСО 965-3:1998 Резьбы метрические ИСО общего назначения. Допуски. Часть 3. Предельные отклонения для конструкционных резьб (MOD) |
|
|
ИСО 3269:2000 Изделия крепежные. Приемочный контроль (NEQ) |
|
|
ИСО 724:1993 Резьба метрическая ИСО общего назначения. Основные размеры (MOD) |
|
|
ИСО 4042:1999 Изделия крепежные. Электролитические покрытия (NEQ) |
|
|
Примечание - В настоящей таблице использованы следующие условные обозначения системы соответствия стандартов: - MOD - модифицированные стандарты; - IDT - идентичные стандарты; - NEQ - неэквивалентные стандарты. |
|
Ключевые слова: звездообразная головка, фланец, болт