Федеральное государственное унитарное предприятие
«Всероссийский научно-исследовательский институт
метрологической службы»
(ФГУП «ВНИИМС»)

РЕКОМЕНДАЦИЯ

ГОСУДАРСТВЕННАЯ СИСТЕМА ОБЕСПЕЧЕНИЯ
ЕДИНСТВА ИЗМЕРЕНИЙ

МОЩНОСТЬ НАГРУЗКИ ТРАНСФОРМАТОРОВ
НАПРЯЖЕНИЯ. МЕТОДИКА ВЫПОЛНЕНИЯ
ИЗМЕРЕНИЙ БЕЗ ОТКЛЮЧЕНИЯ ЦЕПЕЙ

МИ 3195-2009

Москва
2009

ПРЕДИСЛОВИЕ

1 РАЗРАБОТАНА ФГУП «ВНИИМС»

ИСПОЛНИТЕЛИ: Киселев В.В., к.т.н., Удовиченко Е.А.

РАЗРАБОТАНА ОАО «ВНИИЭ»

ИСПОЛНИТЕЛИ: 3агорский Я.Т.

2 УТВЕРЖДЕНА ФГУП «ВНИИМС» 19 февраля 2009 г.

3 ЗАРЕГИСТРИРОВАНА ФГУП «ВНИИМС» 05 марта 2009 г.

4 ВВЕДЕНА ВПЕРВЫЕ

СОДЕРЖАНИЕ

1 Область применения. 1

2 Нормативные ссылки. 1

3 Общие положения. 2

4 Требования к погрешности измерений. 2

5 Средства измерений. 2

6 Метод измерений. 3

7 Требования безопасности. 6

8 Требования к квалификации операторов. 6

9 Условия выполнения измерений. 6

10 Подготовка к выполнению измерений. 6

11 Выполнение измерений. 7

12 Обработка (вычисление) результатов измерений. 7

13 Периодичность измерений. 8

14 Оформление результатов измерений. 8

Приложение А. Протокол измерений мощности нагрузки ТН.. 9

Приложение Б. Определение мощности нагрузки ТН.. 10

Библиография. 11

РЕКОМЕНДАЦИЯ

ГОСУДАРСТВЕННАЯ СИСТЕМА ОБЕСПЕЧЕНИЯ ЕДИНСТВА ИЗМЕРЕНИЙ

МОЩНОСТЬ НАГРУЗКИ ТРАНСФОРМАТОРОВ НАПРЯЖЕНИЯ. МЕТОДИКА ВЫПОЛНЕНИЯ ИЗМЕРЕНИЙ БЕЗ ОТКЛЮЧЕНИЯ ЦЕПЕЙ

МИ 3195-2009

1 Область применения

Настоящая рекомендация устанавливает порядок измерения мощности нагрузки измерительных трансформаторов напряжения (далее - ТН) в условиях эксплуатации без отключения вторичных цепей.

2 Нормативные ссылки

В настоящей рекомендации использованы ссылки на следующие нормативные документы:

1) ГОСТ 12.2.007.0-75 ССБТ. Изделия электротехнические. Общие требования безопасности;

2) ГОСТ 12.2.007.3-75 ССБТ. Электротехнические устройства на напряжение свыше 1000 В. Требования безопасности;

3) ГОСТ 12.3.019-80 Испытания и измерения электрические. Общие требования безопасности;

4) ГОСТ Р 8.563-96 Государственная система обеспечения единства измерений. Методики выполнения измерений;

5) ГОСТ Р 1.5-2004 Стандартизация в Российской Федерации. Стандарты национальные Российской Федерации. Правила построения, изложения, оформления и обозначения;

6) РМГ 29-99 ГСИ. Метрология. Основные термины и определения;

7) ГОСТ 1983-2001 Трансформаторы напряжения. Общие технические условия;

8) МИ 1317-2004 Государственная система обеспечения единства измерений. Результаты измерений и характеристики погрешности измерений. Формы представления. Способы использования при испытаниях образцов продукции и контроле их параметров;

9) МИ 2083-90 Государственная система обеспечения единства измерений. Измерения косвенные. Определение результатов измерений и оценивание их погрешностей.

3 Общие положения

Разработка настоящей рекомендации обусловлена необходимостью получения легитимной измерительной информации о значении мощности нагрузки стационарных электромагнитных измерительных трансформаторов напряжения, изготовленных по ГОСТ 1983, при проведении:

- паспортизации измерительных комплексов учета электроэнергии (измерительных каналов - в составе автоматизированных информационно-измерительных систем учета электроэнергии или в составе автоматизированных систем контроля и учета электроэнергии) в соответствии с [2];

- подготовки к ревизии и ревизии средств учета электроэнергии в части соответствия мощности нагрузки трансформаторов напряжения требованиям ГОСТ 1983 или технической документации на трансформаторы напряжения;

- энергетических обследований систем учета электроэнергии на энергообъектах.

При разработке настоящей рекомендации учтены требования ГОСТ Р 1.5 и ГОСТ Р 8.563.

4 Требования к погрешности измерений

Приписанная характеристика погрешности результата измерений мощности нагрузки ТН - доверительные границы допускаемой относительной погрешности результата измерений мощности нагрузки ТН при доверительной вероятности 0,95 по данной рекомендации не превышает:

±11 % при выполнении измерений в нормальных условиях эксплуатации, указанных в разделе 9;

±15 % при выполнении измерений в рабочих условиях эксплуатации, указанных в разделе 9.

5 Средства измерений

5.1 При выполнении измерений по данной рекомендации допускается применение СИ из числа зарегистрированных в Государственном реестре СИ с характеристиками не хуже указанных в таблице 1.

5.2 Применяемые СИ должны быть поверены и иметь действующие свидетельства о поверке.

Таблица 1 - Характеристики средств измерений

Наименование

Измеряемая величина

Метрологические характеристики

1. Измеритель с токовыми клещами

Действующее значение силы тока

Диапазон измерений: (0 - 10) А

Пределы допускаемой относительной основной погрешности (δI): ±7 %.

Действующее значение напряжения

Диапазон измерений: (0,8 - 1,15)·Uном

Пределы допускаемой относительной основной погрешности (δU): ±7 %

2. Термометр

Температура окружающего воздуха

Диапазон измерений: (0 ... +40) °С;

цена деления шкалы 1 °С.

Пределы допускаемой абсолютной основной погрешности: ±1 °С.

3. Психрометр

Относительная влажность воздуха

Диапазон измерения (3 - 95) %

Пределы допускаемой абсолютной основной погрешности: ±5 %

5.3 Перечень рекомендуемых СИ:

для проведения измерений действующих значений силы тока и напряжения - мультиметр «Ресурс-ПЭ», вольтамперфазометр «Парма ВАФ-Т», прибор энергетика многофункциональный для измерения электроэнергетических величин «ПЭМ-02 И»;

для проведения измерений температуры и влажности - приборы комбинированные ТКА-ПКМ (модель 20).

6 Метод измерений

6.1 Измерение мощности нагрузки ТН выполняют измерителем с функциями измерения действующего значения силы тока и напряжения (далее - измеритель) методом «вольтметра-амперметра» без разрыва вторичных цепей ТН. При этом фактическая мощность нагрузки ТН характеризуется полной мощностью, потребляемой вторичной цепью ТН, выраженной в вольтамперах.

При расчете полной мощности ТН следует учитывать следующие особенности включения:

- для трехфазных трехобмоточных трансформаторов с основными и дополнительной вторичными обмотками равна сумме полных мощностей нагрузки вторичных основных и дополнительной обмоток;

- для однофазных трехобмоточных трансформаторов с основной и дополнительной вторичными обмотками фактическая мощность равна сумме полных мощностей нагрузки вторичной основной и дополнительной обмоток;

- для однофазных двухобмоточных трансформаторов с двумя основными вторичными обмотками фактическая мощность равна сумме полных мощностей нагрузки вторичной основной 1 и основной 2 обмоток.

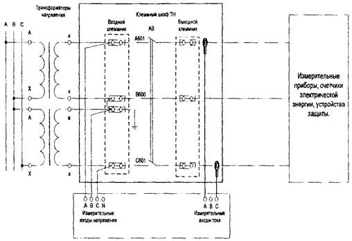
6.2 На рисунке 1 представлена схема измерения действующих значений токов и напряжений для трехфазного трансформатора в трехфазной четырехпроводной сети.

6.3 На рисунке 2 представлена схема измерения действующих значений токов и напряжений для однофазных трансформаторов трехфазной группы.

6.4 На рисунке 3 представлена схема измерения действующих значений токов и напряжений для двух однофазных трансформаторов напряжения трехфазной группы, включенных на линейное напряжение по трехпроводной схеме.

Рис. 1 Схема измерения токов и напряжений вторичной цепи трехфазного трансформатора.

АВ1 - автоматический выключатель вторичных цепей основной измерительной обмотки (звезда);

АВ2 - автоматический выключатель вторичных цепей дополнительной обмотки (разомкнутый треугольник);

А, В, С - высоковольтные выводы первичной обмотки ТН;

а, в, с, о - выводы основной измерительной вторичной обмотки;

аА - хА - выводы дополнительной вторичной обмотки;

А601, В600, С601, 0601; Н, К - маркировка основных и дополнительных вторичных цепей ТН.

Рис. 2 Схема измерения токов и напряжений вторичной цепи однофазных трансформаторов трехфазной группы.

АВ1 - автоматический выключатель вторичных цепей основных измерительных обмоток;

АВ2 - автоматический выключатель вторичных цепей дополнительных обмоток;

А - X - выводы первичной обмотки ТН;

а - х - выводы основных измерительных вторичных обметок (звезда собрана на входном клеммнике);

аА - хА - выводы дополнительных вторичных обмоток (разомкнутый треугольник собран на входном клеммнике);

А601, В600, С601, 0601; Н, К - маркировка основных и дополнительных вторичных целей ТН.

Рис. 3 Схема измерения токов и напряжений вторичной цепи двух однофазных трансформаторов трехфазной группы, включенных на линейное напряжение по трехпроводной схеме.

АВ - автоматический выключатель вторичных цепей;

А - Х - выводы первичных обмоток;

а - х - выводы вторичных обмоток (средняя точка собрана на клеммнике);

А601, В600, С601 - маркировка вторичных цепей ТН.

7 Требования безопасности

7.1 При выполнении измерений мощности нагрузки ТН соблюдают требования безопасности в соответствии с ГОСТ 12.2.007.0, ГОСТ 12.2.007.3, ГОСТ 12.3.019, РД 34.20.501, [4], эксплуатационными документами на ТН и СИ.

7.2 Корпуса измерительных приборов должны быть заземлены.

8 Требования к квалификации операторов

8.1 К выполнению измерений и обработке их результатов допускают лиц, подготовленных в соответствии с требованиями пункта 7.1, имеющих группу по электробезопасности не ниже III и обученных выполнению измерений мощности нагрузки ТН. В электроустановках до и выше 1000 В работы проводит бригада в составе не менее двух человек.

8.2 В состав бригады должен быть включен представитель службы релейной защиты и автоматики организации, на территории которой проводятся измерения по настоящей рекомендации.

8.3 К выполнению измерений допускаются лица, изучившие руководство по эксплуатации измерителя и освоившие технику работы с ним.

8.4 К обработке результатов измерений допускают лиц с образованием не ниже среднего специального.

9 Условия выполнения измерений

При выполнении измерений соблюдают условия, приведенные в таблице 2.

Таблица 2 - Условия выполнения измерений

Наименование измеряемой величины

Наименование влияющей величины

Значение влияющей величины

номинальное (нормальное)

допускаемое (рабочее)

1. Действующее значение силы тока

Температура окружающего воздуха

(20 ± 5) °С

(0 ... 40) °С

2. Действующее значение напряжения

Относительная влажность воздуха

(30 - 80) %

90 % при 30 °С

10 Подготовка к выполнению измерений

10.1 При подготовке к выполнению измерений проводят следующие работы:

- подготавливают перечень проверяемых ТН в соответствии с протоколом, приведенным в приложении А, принципиальные и монтажные схемы включения ТН и их вторичных цепей;

- проверяют наличие или отсутствие документов, подтверждающих положительные результаты плановых проверок состояния ТН и их вторичных цепей в соответствии с [2] (паспорт-протокол, инструкция по обслуживанию ТН и их вторичных цепей и др.);

- проверяют целостность пломб на конструкциях решеток и дверей камер, в которых установлены предохранители на стороне высокого напряжения ТН, и на рукоятках приводов разъединителей ТН, используемых для расчетного (коммерческого) учета электроэнергии;

- проверяют комплектность ТН и вторичных цепей на месте эксплуатации, а также соответствие данных, указанных на табличке ТН, требованиям ГОСТ 1983, характеристикам в его эксплуатационной документации;

- визуально проверяют состояние и целостность изоляции, маркировку и состояние выводов обмоток ТН, вторичных цепей; затяжку и состояние контактных (резьбовых) соединений, наличие необходимых пломб, клейм, этикеток; надежность заземлений выводов обмоток, вторичных цепей; отсутствие влаги и масла на выводах вторичных обмоток ТН в соответствии с ГОСТ 1983.

10.2 При подготовке рабочего места для выполнения измерений проводят следующие работы:

- проверяют меры безопасности, указанные в эксплуатационной документации на СИ, ТН и по пункту 7.1;

- подготавливают формы протоколов измерений мощности нагрузки ТН, приведенные в приложении А, заполняют вводную часть и пункты 1, 2 протокола;

- проводят подготовку и настройку режимов работы СИ согласно их эксплуатационной документации;

- в местах выполнения измерений определяют значения влияющих величин;

- проводят мероприятия по обеспечению требуемых условий выполнения измерений при превышении влияющими величинами допускаемых значений по рекомендации;

- записывают в протокол результаты измерений влияющих величин в границах, допускаемых рекомендацией (приложении А).

11 Выполнение измерений

11.1 При выполнении измерений мощности нагрузки ТН по настоящей рекомендации проводят следующие операции:

- определяют схему соединения обмоток ТН и подлежащие измерениям токи и напряжения;

- подключают СИ тока и напряжения согласно рисунку 1 (2, 3);

- измеряют токи фаз у шкафа зажимов ТН без разрыва вторичной цепи ТН с помощью токовых клещей, входящих в комплект измерителя;

- измеряют фазные или междуфазные напряжения с помощью измерителя у шкафа зажимов ТН;

- записывают в протокол полученные значения тока и напряжения.

11.2 Операции по измерению тока и напряжения производят однократно и одновременно в соответствии с инструкцией на измеритель.

12 Обработка (вычисление) результатов измерений

12.1 Обработку результатов измерений мощности нагрузки ТН выполняют в следующей последовательности:

- вычисляют фактическую мощность нагрузки каждой фазы ТН в соответствии с формулами, приведенными в приложении Б;

- записывают в протокол вычисленные значения мощности нагрузки фаз Sa, Sb, Sc.

12.2 Если измеренные (рабочие) значения вторичного напряжения отличаются от номинального значения Uн, указанного в паспорте ТН, то производят пересчет рассчитанной мощности S на номинальное напряжение по формуле приведенной мощности Sпр

    (12.1)

Вычисленные по формуле (12.1) значения мощности нагрузки ТН записывают в протокол.

12.3 Результаты вычислений округляют до сотых долей вольтампер.

12.4 Фактическую мощность нагрузки ТН сопоставляют с номинальной. В соответствии с ГОСТ 1983 фактическая мощность нагрузки ТН должна находиться в диапазоне (25 - 100) % от номинальной, если иного не указано в технической документации на ТН конкретного типа.

12.5 Заключение о соответствии (или несоответствии) фактической мощности нагрузки ТН требованию ГОСТ 1983 отражают в протоколе.

12.6 В случае проведения измерений в нормальных условиях допускаемые доверительные границы основной относительной погрешности измерения мощности нагрузки ТН при доверительной вероятности 0,95 рассчитывают по формуле

                                                                                        (12.2)

где δU - предел допускаемой основной относительной погрешности измерения действующего значения напряжения;

δI - предел допускаемой основной относительной погрешности измерения действующего значения силы тока.

12.7 В случае проведения измерений в рабочих условиях допускаемые доверительные границы относительной погрешности измерения мощности нагрузки ТН при доверительной вероятности 0,95 рассчитывают по формуле

                                                                (12.3)

где δUt - дополнительная погрешность от температуры при измерении напряжения, %;

δIt - дополнительная погрешность от температуры при измерении тока, %.

12.8 При расчете погрешности измерений суммарной полной мощности нагрузки на вторичные обмотки трехфазных трехобмоточных ТН, однофазных трехобмоточных ТН, однофазных двухобмоточных ТН вычисления проводят следующим образом:

12.8.1 Вычисляют относительную погрешность измерения мощности нагрузки (Sпр_i) на каждую i-ую вторичную обмотку ТН (δSi) в соответствии с указаниями п.п. 12.5 или 12.6;

12.8.2 Вычисляют погрешность измерения суммарной полной мощности нагрузки на вторичные обмотки ТН

                                                                                (12.4)

13 Периодичность измерений

13.1 Основной целью периодического контроля мощности нагрузки ТН является проверка правильности и соблюдения условий эксплуатации ТН, регламентированных в ГОСТ 1983.

13.2 Периодический контроль мощности нагрузки ТН проводят один раз в четыре года или через интервалы времени, установленные согласно местным инструкциям энергообъекта.

13.3 Периодический (внеочередной) контроль мощности нагрузки ТН также проводят при:

- изменении схемы вторичных цепей ТН;

- замене дополнительных СИ напряжения, тока во вторичных цепях на СИ других типов;

- замене ТН или после его ремонта;

- изменении условий выполнения измерений.

14 Оформление результатов измерений

14.1 Результаты измерений мощности нагрузки ТН оформляют протоколом, форма которого приведена в Приложении А. При этом в протоколе делают заключение о соответствии (или несоответствии) фактической мощности нагрузки ТН требованию ГОСТ 1983.

14.2 Результаты измерений оформляются документально. Протокол измерений удостоверяет лицо, проводившее измерения от уполномоченной организации, а также административно ответственное лицо от организации-заказчика (руководитель, главный инженер, главный метролог предприятия, начальник цеха, участка или другое лицо).

Протокол измерения используется для заполнения паспорта-протокола в соответствии [2] или иным нормативным документом.

ПРИЛОЖЕНИЕ А
(обязательное)

Протокол измерений мощности нагрузки ТН

Организация, проводящая работы                                 Организация-Заказчик

_________________________                               _________________________

(наименование)                                                                                (наименование)

Протокол № ______ от ___ _____________ 20__ г.

1. Наименование присоединения

__________________________________________________________________________

2. Трансформатор напряжения

__________________________________________________________________________

(тип, год выпуска, зав. номер)

Обозначение фазы

Заводской номер

Класс точности

Номинальная мощность, Sном, В·А

Схема соединения вторичных обмоток и нагрузок

А (AB)

В (BC)

С (AC)

3. Метод измерений в соответствии

__________________________________________________________________________

4. Результаты измерений:

Обозначение фазы

Измеренное значение

Фактическая мощность нагрузки фаз S, B·A

Погрешность измерений δS, %

U, B

I, A

рассчитанная

приведенная

А (AB)

В (BC)

С (AC)

5. Средства измерений:

Тип _________________, № _____________, св-во о поверке № ____________________

действ. до ________________

Тип _________________, № _____________, св-во о поверке № ____________________

действ. до ________________

6. Условия выполнения измерений

Температура окружающего воздуха: ___________________________________________

Влажность воздуха: _________________________________________________________

7. Заключение

Фактическая мощность нагрузки _____________________________________________

(соответствует, не соответствует ГОСТ 1983;

__________________________________________________________________________

ТН перегружен, недогружен (указать фазы))

Измерения выполнили: ________________________ (                                                        )

________________________ (                                                         )

Протокол проверил       ________________________ (                                                         )

ПРИЛОЖЕНИЕ Б
(справочное)

Определение мощности нагрузки ТН

Таблица Б

Схема соединения обмоток ТН

Наименование ТН и схемы включения

Измеряемая величина

Расчетная формула

Два однофазных двухобмоточных ТН (НОС, НОМ, НОЛ) по схеме открытого треугольника

Iа; Uab

Ic; Uac

SТН1 = Iа·Uab

SТН2 = Ic·Uac

Три однофазных двухобмоточных ТН (НОС, НОМ, НОЛ) по схеме звезды

Iа; Uab

Ib; Ubc

Ic; Uca

Три однофазных трехобмоточных ТН (ЗНОМ, ЗНОЛ, НКФ, НДЕ) по схеме звезды с выведенной нейтралью

Iа; Uab

Ib; Ubc

Ic; Uca

или

Iа; Ua0

Ib; Ub0

Ic; Uc0

 

Трехфазный двухобмоточный ТН (НТМК)

Iа; Uab

Ib; Ubc

Ic; Uca

Трезфазный трехобмоточный ТН (НТМИ)

Iа; Uab

Ib; Ubc

Ic; Uca

или

Iа; Ua0

Ib; Ub0

Ic; Uc0

 

БИБЛИОГРАФИЯ

1. РД 153-34.0-11.209-99. Рекомендации. Автоматизированные системы контроля и учета электроэнергии и мощности. Типовая методика выполнения измерений электроэнергии и мощности;

2. РД 34.09.101-94. Типовая инструкция по учету электроэнергии при ее производстве, передаче и распределении;

3. РД 34.20.501-95 Правила технической эксплуатации электрических станций и сетей РФ;

4. РД 153-34.0-03.150-00 Межотраслевые правила по охране труда (правила безопасности) при эксплуатации электроустановок. ПОТ Р М-016-2001;

5. Правила устройства электроустановок (ПУЭ). Седьмое издание. - М.: НЦЭНАС, 2007;

6. Автоматизированные информационно-измерительные системы коммерческого учета электрической энергии (мощности) субъекта ОРЭ. Технические требования (Приложение № 11.1 к Договору о присоединении к торговой системе оптового рынка);

7. Вавин В.Н. Трансформаторы напряжения и их вторичные цепи. Москва, «Энергия», 1977;

8. Техническое обслуживание измерительных трансформаторов тока и напряжения. Сост. Ф.Д. Кузнецов; под ред. Б.А. Алексеева. Москва, Изд-во НЦ ЭНАС, 2004.