Федеральное государственное унитарное предприятие
УРАЛЬСКИЙ
НАУЧНО-ИССЛЕДОВАТЕЛЬСКИЙ ИНСТИТУТ МЕТРОЛОГИИ
(ФГУП УНИИМ) ГОССТАНДАРТА РОССИИ
|
УТВЕРЖДАЮ Директор ФГУП УНИИМ В.В. Леонов «29» декабря 2003 г. |
РЕКОМЕНДАЦИЯ
Государственная система
обеспечения единства измерений.
КОЛИЧЕСТВО
ЭЛЕКТРИЧЕСКОЙ ЭНЕРГИИ И МОЩНОСТЬ.
Методика
выполнения измерений в филиалах ОАО
«Тюменьэнерго»
МИ 2846-2003
Дата введения 2004-01-01
ИНФОРМАЦИОННЫЕ ДАННЫЕ
РАЗРАБОТАНА ФГУП УНИИМ.
ИСПОЛНИТЕЛИ: Ю.И. Дидик (руководитель темы), к.т.н. Н.Е. Миронюк.
АТТЕСТОВАНА ФГУП УНИИМ 29 декабря 2003 г.
ВВЕДЕНА ВПЕРВЫЕ
УТВЕРЖДЕНА ФГУП УНИИМ 29 декабря 2003 г.
ЗАРЕГИСТРИРОВАНА ФГУП ВНИИМС 30 декабря 2003 г.
Настоящий документ распространяется на количество активной и реактивной электрической энергии (электроэнергии) и мощность и устанавливает методику выполнения измерений (МВИ) этих величин, предназначенную для контроля и коммерческого учета при производстве, передаче, распределении и потреблении электроэнергии в филиалах (подразделениях) ОАО «Тюменьэнерго».
МВИ предназначена для измерений электроэнергии и мощности измерительными комплексами, установленными на энергообъекте в соответствии с требованиями Правил устройства электроустановок (ПУЭ) и нормативных документов, как в качестве самостоятельных средств измерений, так и входящих в состав автоматизированных информационно-измерительных систем (АИИС).
В документе учтены требования ГОСТ Р 8.563, МИ 1317, РД 34.11.333, РД 34.11.334.
В настоящей методике использованы ссылки на следующие нормативные документы:
ГОСТ Р 8.563-96 ГСИ. Методики выполнения измерений;
ГОСТ Р 8.596-2002 ГСИ. Метрологическое обеспечение измерительных систем;
ГОСТ 12.1.038-82 ССБТ. Электробезопасность. Предельно допустимые уровни напряжений прикосновения и токов;
ГОСТ 12.2.007.0-75 Изделия электротехнические. Общие требования безопасности;
ГОСТ 12.2.007.3-75 ССБТ. Электротехнические устройства на напряжение свыше 1000 В. Требования безопасности;
ГОСТ 12.3.019-80 Испытания и измерения электрические. Общие требования безопасности;
ГОСТ 1983-2001 Трансформаторы напряжения. Общие технические условия;
ГОСТ 6570-96 Счетчики активной и реактивной энергии индукционные. Общие технические условия;
ГОСТ 7746-2001 Трансформаторы тока. Общие технические условия;
ГОСТ 13109-97 Электрическая энергия. Совместимость технических средств электромагнитная. Нормы качества электрической энергии в системах электроснабжения общего назначения;
ГОСТ 22261-94 Средства измерений электрических и магнитных величин. Общие технические условия;
ГОСТ 26035-83 Счетчики электрической энергии переменного тока электронные. Общие технические условия;
ГОСТ 30206-94 (МЭК 687-92) «Статические счетчики ватт-часов активной энергии переменного тока (классы точности 0,2S и 0,5S)»;
ГОСТ 30207-94 (МЭК 1036-90) Статические счетчики ватт-часов активной энергии переменного тока (классы точности 1 и 2);
МИ 1317-86 ГСИ. Результаты и характеристики погрешности измерений. Формы представления. Способы использования при испытаниях образцов продукции и контроле их параметров;
ПОТ Р М-016-2001 РД 153-34.0-03.150-00 Межотраслевые правила по охране труда (Правила безопасности) при эксплуатации электроустановок;
РД 34.09.101-94 Типовая инструкция по учету электроэнергии при ее производстве, передаче и распределении;
РД 34.11.321-96 Нормативные документы для тепловых электростанций и котельных. Нормы погрешности измерений технологических параметров тепловых электростанций и подстанций;
РД 34.11.333-97 Типовая методика выполнения измерений количества электрической энергии;
РД 34.11.334-97 Типовая методика выполнения измерений электрической мощности.
МВИ - методика выполнения измерений;
ПУЭ - правила устройства электроустановок;
ПКЭ - показатели качества электрической энергии по ГОСТ 13109;
ИК - измерительный комплекс по РД 34.09.101 или измерительный канал по ГОСТ Р 8.596;
СИ - средство измерений;
ИТ - измерительный трансформатор;
ТТ - измерительный трансформатор тока по ГОСТ 7746;
ТН - измерительный трансформатор напряжения по ГОСТ 1983;
СА - счетчик активной составляющей электроэнергии;
СР - счетчик реактивной составляющей электроэнергии;
УСПД - устройство сбора и передачи данных по РД 34.09.101;
УСД _ устройство сбора данных;
АРМ - автоматизированное рабочее место;
АСКУЭ - автоматизированная система контроля и учета электроэнергии и мощности по РД 34.09.101;
АИИС - автоматизированная информационно-измерительная система.
4.1 Пределы допускаемой относительной погрешности измерений активной составляющей электрической энергии (мощности) в зависимости от характеристик энергообъекта приведены в таблице 1.
4.2 Согласно настоящей МВИ за погрешности измерений при номинальных режимных параметрах и нормальных условиях эксплуатации СИ принимают:
а) для отдельного ИК - граничное значение погрешности измерений активной составляющей электроэнергии (мощности) ИК, определяемое совокупностью пределов допускаемых погрешностей СИ, входящих в ИК (таблица 2);
б) для группы ИК - граничное значение погрешности измерений электроэнергии (мощности) для объекта учета группой ИК, определяемое по заданному алгоритму через граничные значения погрешностей ИК, входящих в эту группу, которое не превышает наибольшего граничного значения погрешности измерений электроэнергии (мощности) ИК в этой группе.
Таблица 1 - Нормы погрешности измерений электрической энергии и мощности на энергообъектах ОАО «ТЮМЕНЬЭНЕРГО» (по РД 34.11.321)
|
Пределы допускаемой относительной погрешности, % |
||
|
для расчетного учета |
для технического учета |
|
|
1 |
2 |
3 |
|
1. Количество электроэнергии, вырабатываемое генераторами: |
||
|
а) менее 50 МВт: |
||
|
- активная составляющая, |
±1,4 |
|
|
- реактивная составляющая |
±2,8 |
|
|
б) более 50 МВт: |
||
|
- активная составляющая, |
±0,8 |
|
|
- реактивная составляющая |
±2,0 |
|
|
2. Количество электроэнергии на собственные и хозяйственные нужды через трансформаторы: |
||
|
а) до 63 МВА: |
||
|
- активная составляющая, |
±1,4 |
|
|
- реактивная составляющая |
±2,8 |
|
|
б) более 63 МВА: |
||
|
- активная составляющая, |
±1,0 |
|
|
- реактивная составляющая |
±2,0 |
|
|
3. Количество электроэнергии через автотрансформаторы на границах балансовой принадлежности сетей: |
||
|
- активная составляющая, |
±1,0 |
|
|
- реактивная составляющая |
±2,0 |
|
|
4. Количество электроэнергии по линиям, присоединенным к шинам основного напряжения собственных нужд: |
||
|
- активная составляющая, |
±2,6 |
|
|
- реактивная составляющая |
±3,7 |
|
|
5. Количество электроэнергии и мощности по линиям, принадлежащим потребителям и присоединенным к шинам электростанций: |
||
|
а) напряжением 110 кВ и более: |
||
|
- активная составляющая, |
±1,4 |
|
|
- реактивная составляющая |
±2,6* |
±2,8 |
|
б) напряжением 110 кВ и менее: |
||
|
- активная составляющая, |
±2,6 |
|
|
- реактивная составляющая |
±2,6* |
±3,7 |
|
6. Количество электроэнергии и передаваемая электрическая мощность по межсистемным линиям электропередачи: |
(для электроэнергии и мощности) |
(только для электроэнергии) |
|
а) напряжением до 220 кВ: |
||
|
- активная составляющая, |
±1,4 |
|
|
- реактивная составляющая |
±2,6* |
±2,8 |
|
б) напряжением более 220 кВ: |
||
|
- активная составляющая, |
±1,0 |
|
|
- реактивная составляющая |
±1,4* |
±2,0 |
|
в) напряжением 500 и более кВ: |
||
|
- активная составляющая, |
±0,5 |
|
|
- реактивная составляющая |
±0,8* |
±2,0 |
_____________
* при расчетах за реактивную электроэнергию
Таблица 2 - Граничные значения погрешностей измерений электроэнергии (мощности) ИК при нормальных условиях и номинальных режимных параметрах СИ
|
Коэффициент мощности сети, не менее |
Погрешности ИК по МВИ |
||||
|
1 |
2 |
3 |
4 |
5 |
6 |
|
ТТ |
ТН |
СА |
СР |
cos φ |
ΔWa (%) |
|
0,2 |
0,2 |
0,2 |
0,5 |
0,82 |
0,5 |
|
0,2 |
0,2 |
0,2 |
0,5 |
0,58 |
0,7 |
|
0,2 |
0,5 |
0,2 |
0,5 |
0,82 |
0,8 |
|
0,2 |
0,5 |
0,2 |
0,5 |
0,75 |
0,9 |
|
0,5 |
0,5 |
0,2 |
0,5 |
0,90 |
1,0 |
|
0,5 |
0,5 |
0,2 |
0,5 |
0,73 |
1,3 |
|
0,5 |
0,5 |
1 |
1 |
0,95 |
1,4 |
Примечание - Нормальные условия для счетчиков согласно ГОСТ 30206:
температура: tn ± 2 °C;
напряжение: Un (1 ± 0,01);
частота тока: fn (1 ± 0,003);
коэффициент несинусоидальности тока kI и напряжения kU: не более 2 %;
индукция внешнего магнитного поля Bm при номинальной частоте: не более 0,05 мТл.
5.1 В соответствии с РД 34.09.101 при выполнении измерений электроэнергии (мощности) используют ИК, в состав которых входят следующие основные и вспомогательные СИ.
Основные СИ:
измерительные трансформаторы тока;
измерительные трансформаторы напряжения;
счетчики электроэнергии индукционные или электронные;
СИ времени.
Вспомогательные СИ и технические средства:
СИ потерь напряжения в линии присоединения счетчиков к ТН;
СИ параметров вторичных нагрузок ИТ;
СИ напряжения сети;
СИ частоты тока электрической сети;
СИ индукции внешнего переменного магнитного поля в месте расположения электросчетчика;
СИ температуры окружающей среды в месте расположения электросчетчика;
СИ ПКЭ;
СИ коэффициента третьей гармоники электрического тока в сети;
линии связи.
Рекомендуемые типы основных СИ и пределы параметров, характеризующих условия их применения, приведены в приложении А
Рекомендуемые типы вспомогательных СИ приведены в приложении Б.
5.2 При использовании АСКУЭ к ИК могут дополнительно быть подключены УСД, УСПД, линии связи, АРМ, оснащенные программным обеспечением для работы с измерительной информацией и т.д. Эти средства совместно с ИК образуют измерительный канал, а совокупность каналов - АИИС.
5.3 Типы СИ и схемы их подключения в точках учета контролируемой сети соответствуют технической документации энергообъекта и требованиям ПУЭ. ИК имеют паспорт-протокол, а основные и вспомогательные СИ - действующие свидетельства о поверке или сертификаты о калибровке.
5.4 Технические и метрологические характеристики ТТ, ТН, счетчиков индукционных и электронных, применяемых в измерениях, отвечают требованиям паспортных данных и ГОСТ 7746, ГОСТ 1983, ГОСТ 6570, ГОСТ 30206, ГОСТ 30207, ГОСТ 26035, ГОСТ 22261.
6.1 Измерения электроэнергии осуществляют путем снятия показаний с электронных либо индукционных счетчиков электроэнергии, входящих в ИК. Измерения включают в себя считывание с занесением в учетный журнал (или накопление в электронном архиве при наличии АСКУЭ или микропроцессорных счетчиков) показаний счетчиков на заданных интервалах времени.
6.2 Измерения режимных параметров (напряжения, частоты и коэффициента мощности в электросети в месте установки ИК, ПКЭ и коэффициента третьей гармонической составляющей тока, температуры окружающей среды и индукции магнитного поля в месте расположения электросчетчика) проводят с целью косвенного учета влияющих факторов на погрешности ИК и результаты измерений электроэнергии.
6.3 Определение электроэнергии по каждому объекту учета проводят косвенным методом путем суммирования (вычитания) показаний счетчиков группой ИК в соответствии со схемой объекта.
6.4 Измерения мощности осуществляют косвенным методом на основе измерений электроэнергии W электрическими счетчиками в течение заданного интервала времени DT или за учетный период Т.
7.1 При выполнении измерений электроэнергии соблюдают требования безопасности в соответствии с ГОСТ 12.3.019, ГОСТ 12.2.007.0, «Правилами технической эксплуатации электрических станций и сетей», Правилами безопасности ПОТ Р М-016 РД 153-34.0-03.150.
7.2 Требования безопасности ТТ и ТН соответствуют ГОСТ 7746, ГОСТ 1983, ГОСТ 12.2.007.3. Вторичные обмотки этих трансформаторов заземляют.
7.3 Требования безопасности счетчиков соответствуют ГОСТ 22261, ГОСТ 12.1.038, а по способу защиты человека от поражения электрическим током требованиям ГОСТ 12.2.007.0.
8.1 К выполнению измерений по данной методике допускают лиц, подготовленных в соответствии с «Правилами технической эксплуатации электрических станций и сетей», имеющих квалификационную группу по технике безопасности не ниже III, прошедших обучение выполнению измерений при учете электроэнергии и изучивших настоящую рекомендацию.
8.2 К обработке результатов измерений допускают лиц с образованием не ниже среднего, изучивших настоящую рекомендацию.
9.1 Измерения проводят в рабочих условиях, которые приведены в приложении А (графы 5 и 6) и соответствуют требованиям нормативных документов на применяемые средства измерений (ГОСТ 1983, ГОСТ 6570, ГОСТ 7746, ГОСТ 30206, ГОСТ 30207, ГОСТ 26035).
9.2 Напряжения и нагрузки в контролируемом присоединении трехфазной системы симметричны (ГОСТ 13109).
9.3 Потери в линии присоединения ТН к счетчикам: не более 0,25 %.
10.1 При подготовке к выполнению измерений проверяют соблюдение требований по выбору класса точности СИ (таблица 2) требованиям норм точности (таблица 1) и определяют соответствие рабочих условий выполнения измерений нормативным требованиям стандартов (раздел 9).
10.2 При отсутствии информации о рабочих условиях дополнительно:
- определяют потери напряжения в линиях присоединения счетчиков к ТН, значения коэффициента мощности во вторичной цепи ТТ, коэффициента мощности во вторичной цепи ТН, вторичные нагрузки ИТ (результаты измерений заносят в паспорт-протокол ИК и графу 6 таблицы приложения А).
- измеряют параметры влияющих величин (температуру окружающей среды, напряжение, частоту и коэффициент мощности сети, индукцию внешнего магнитного поля, ПКЭ, ток третьей гармоники) и заносят результаты в графу 6 таблицы приложения А.
10.3 При отклонении параметров влияющих величин, перечисленных в 10.2, свыше допускаемых нормативных значений проводят мероприятия по обеспечению требуемых условий.
Выполнение измерений (снятие и регистрацию показаний СИ) проводят в соответствии с порядком, установленным организационно-распорядительными документами энергообъекта, включающими местную инструкцию по учету электроэнергии, а также описание мероприятий, связанных с дополнительными измерениями. При этом для каждого ИК записывают:
- астрономическое время выполнения измерений (моменты времени считывания показаний счетчика, например, с интервалом времени DT = 15 мин.) за учетный период Т, например, Т2 - Т1 = 24 ч;
- нарастающие показания счетчика(ов) для активной и реактивной составляющих электроэнергии в заданные моменты времени с интервалом DT за учетный период Т;
- параметры влияющих величин за учетный период Т с интервалом времени DT.
12.1 Вычисление результата и погрешностей измерений электрической энергии (мощности) отдельным ИК при непрерывно нарастающих показаниях счетчика за учетный период (примеры приведены в приложении В).
12.1.1 Определяют значения активной Wai и реактивной Wpi составляющих электроэнергии, в киловатт-часах или квар-часах, в заданные моменты времени ti за учетный период Т на интервале времени DTi, ограниченном начальным ti1 и конечным ti2 моментами времени при соответствующих показаниях N(а)i1, N(а)i2 счетчика активной и показаниях N(р)i1, N(р)i2 счетчика реактивной электроэнергии:
Wаi = K·(N(а)i2 - N(а)i1), (1)
Wрi = K·(N(р)i2 - N(р)i1), (1а)
где К - коэффициент, учитывающий постоянную счетчика и коэффициенты масштабного преобразования тока и напряжения ТТ и ТН соответственно.
12.1.2 Проводят корректировку значений электроэнергии Wаik и Wрik, в киловатт-часах или квар-часах, с учетом систематической поправки dл, в процентах, на потери напряжения в линии присоединения ТН к счетчику:
Wаiк = Wаi·(1 + 0,01∙dл), (2)
Wрiк = Wрi·(1 + 0,01∙dл). (2а)
12.1.3 Определяют в моменты времени ti тангенс угла фазового сдвига tg ji между током и напряжением и ток нагрузки Ii(А) в контролируемом присоединении электросети через показания счетчиков активной Wai и реактивной Wpi электроэнергии, коэффициенты трансформации трансформатора тока Kт, трансформатора напряжения Кн и одного из фазных напряжений U, в вольтах, во вторичной цепи ТН электросети в момент времени ti за интервал DTi в часах:
tg ji = Wрi:Wаi, (3)
Ii = 1000·Wai: U:cos(ar ctg ji):DTi:Kт: Kн:l, (4)
где l = 1 для однофазных счетчиков, l = 3 для трехфазных счетчиков.
12.1.4 В заданные моменты времени ti рассчитывают коэффициенты токовой нагрузки ni, в процентах, и mi, в относительных единицах, для ТТ и счетчиков:
- активной электроэнергии:
ni = 100∙Ii:In, (5)
- реактивной электроэнергии:
mi = U×Ii·sin ji:Un:In; (6)
где In - номинальное значение тока (5 А или 1 А),
Un - номинальное значение напряжения (100:
В или 100
В).
12.1.5 В соответствии с значениями коэффициента ni и классом точности ТТ в контролируемом присоединении по таблице 8 ГОСТ 7746 методом линейной интерполяции определяют в процентах и соответственно в минутах предельные токовые dIi и угловые qIi погрешности ТТ.
12.1.6 В таблице 17 ГОСТ 1983 по заданному классу точности ТН находят предельные значения погрешностей ТН: угловых qU, в минутах, и по напряжению dU, в процентах.
12.1.7 Вычисляют в процентах погрешности измерения активной - d(а)Qi и реактивной - d(р)Qi составляющих электроэнергии, обусловленные угловыми погрешностями ТТ и ТН:
d(а)Qi = ±0,029·Qi·tg ji; (8)
d(р)Qi = ±0,029·Qi:tg ji. (9)
12.1.8 В соответствии со значениями коэффициентов ni и mi, коэффициента мощности cos(ji) или sin(ji) в точке учета электросети, а также в зависимости от типа электросчетчика (ГОСТ 6570, ГОСТ 30206, ГОСТ 30207 - для счетчиков активной энергии и ГОСТ 26035 - для счетчиков реактивной энергии) определяют методом линейной интерполяции пределы допускаемых значений основных погрешностей dс.а(i), dс.р(i) счетчиков активной и реактивной энергии.
12.1.9 В заданные моменты времени ti определяют отклонения DxJ(i) влияющих величин xJ(i) от номинальных xJn(i) или нулевых значений. Перечень таких величин и их вклад к основной погрешности счетчика, например, статических электронных класса 0,2S и 0,5S приведен в таблице 11 ГОСТ 30206. Для остальных типов и классов точности - в других стандартах на счетчики. Например, влияющими величинами могут быть отклонения частоты и напряжения электросети контролируемого присоединения, температуры окружающей среды от номинальных значений, а также третья гармоника в спектре тока, несимметрия напряжений, внешние электромагнитные поля и т.д.
Пределы по модулю изменений влияющих величин DxJ(i) в рабочих условиях применения счетчика выражают в процентах или в единицах этих величин за учетный период в заданные моменты времени ti:
DxJ(i) = 100 (xJ(i): xJn(i) - 1), (10)
DxJ(i) = xJ(i) - xJn(i). (11)
Добавки dj(i), в процентах к основной погрешности счетчика от влияющих величин, вычисляют по формуле
dj(i) = Кj(i) · DxJ(i), (12)
где Кj(i) - предельные значения коэффициентов изменения составляющих относительной погрешности счетчика - определяют методом линейной интерполяции по таблицам из ГОСТ 30206, ГОСТ 30207, ГОСТ 6570, ГОСТ 26035 в процентах на единицу влияющей величины, или % / % в заданные моменты времени ti.
Конкретные примеры учета влияющих величин на погрешности ИК приведены в приложении В настоящей рекомендации.
12.1.10 В заданные моменты времени ti за интервалы времени DTi вычисляют в процентах предельные относительные погрешности d(a)wi, d(р)wi измерения электроэнергии Wаiк и Wрiк ИК при трансформаторном включении счетчика следующим образом:
где dy.с - относительная погрешность по паспортным данным устройства сбора и передачи данных при наличии АСКУЭ,
n - число влияющих на погрешности счетчика величин.
12.1.11 Определяют суммарные абсолютные погрешности Dw(а)к, Dw(р)к измерений активной и соответственно реактивной составляющих электроэнергии за учетный период Т:
где L - количество результатов измерений электроэнергии за учетный период T.
12.1.12 Определяют количество активной Wаk и реактивной Wрk составляющих электроэнергии за учетный период Т:
12.1.13 Определяют, в процентах, относительные погрешности d(a)w, d(р)w измерений активной и реактивной составляющих электроэнергии за учетный период Т:
где dDT - предел допускаемой относительной погрешности измерений времени, в процентах (определяют по паспортным данным СИ времени).
12.1.14 Определяют текущие активные Р(а)ik, в киловаттах, и реактивные Р(p)ik, в кварах, значения мощности в заданные моменты времени ti за интервалы времени DTi, выраженные в минутах:
Р(а)ik =Wаik∙60:DTi, (17)
Р(р)ik = Wрik∙60:DTi. (17а)
12.1.15 Определяют в процентах относительные погрешности измерений активной d(a)pi и реактивной d(р)pi мощности в заданные моменты времени ti:
12.1.16 Определяют средние значения активной - Р(а)k в киловаттах и реактивной - Р(p)k, в кварах, мощностей за учетный период T, в часах:
12.1.17 Относительные погрешности в процентах d(a)р, d(р)р измерений активной и реактивной составляющих электрической мощности за учетный период Т определяют из равенств
d(a)p = d(a)w; (20)
d(a)p = d(р)w. (20а)
12.2 Вычисление результата и погрешностей измерения электрической энергии (мощности) группой ИК за учетный период (примеры в приложении В).
12.2.1 При косвенных измерениях группой из нескольких (m) ИК в i-м узле учета активную и реактивную электроэнергию Wim, в киловатт-часах или квар-часах, рассчитывают как алгебраическую сумму*, т.е. с учетом знака значений электроэнергии Wj, измеренных каждым ИК этой группы:
12.2.2 Определяют абсолютные погрешности Dwim, в киловатт-часах или квар-часах, значений электроэнергии, измеренных группой ИК в моменты времени tk на интервале времени DTk:
(22)
или за учетный период T
где относительные погрешности dwj ИК вычисляют в процентах по формулам (13, 13а) на интервалах времени DTk или для усредненного значения электроэнергии за учетный период T соответственно по формулам (16, 16а), а Dwjt определяют в киловатт-часах или квар-часах через предел допускаемой абсолютной погрешности средств измерений времени DDT, в секундах, за учетный период времени Т, в часах, каждым ИК в группе:
Dwjt = DDT·Wj:(3600 Т). (23)
12.2.3 Рассчитывают, в процентах, относительную погрешность измерений электроэнергии dwim на объекте учета как отношение
dwim = 100·Dwim:Wim. (24)
12.2.4 Определяют в киловатт-часах или квар-часах средневзвешенное значение электроэнергии W при измерениях в одном и том же узле учета двумя независимыми группами ИК со значениями электроэнергии W1, W2, в киловатт-часах или квар-часах, и абсолютными погрешностями соответственно Dw1, Dw2, в этих же единицах:
W = (D2w1×W2 + D2w2×W1):(D2w2 + D2w1). (25)
* Примечание - В тех ситуациях, когда измеряемая группой ИК электроэнергия представляет собой сумму значений электроэнергии, измеренных каждым ИК, относительная погрешность суммарной энергии не превышает наибольшей погрешности в данной группе ИК. Если же результирующую электроэнергию находят через разность значений электроэнергии, измеренных группой ИК, то относительная погрешность может не только превысить наибольшую погрешность ИК в данной группе, но и выйти за пределы нормативных требований к погрешности измерений, регламентированных в настоящей МВИ. Это означает, что следует пересмотреть схему расположения ИК на объекте учета.
12.2.5 Рассчитывают абсолютную погрешность Dw средневзвешенного значения электроэнергии в киловатт-часах или квар-часах через погрешности групп ИК:
(26)
12.2.6 Вычисляют относительную погрешность средневзвешенного значения электроэнергии в процентах:
dw =100·Dw:W. (27)
12.2.7 При косвенных измерениях группой из нескольких (m) ИК на i-ом объекте учета рассчитывают электрическую мощность Рim, в киловаттах или кварах, за интервал времени DТi, в минутах:
Рim = 60·Wim:DТi. (28)
12.2.8 Определяют абсолютную погрешность измерений электрической мощности DРim за интервал времени DТi группой ИК по формуле
DРim = 60·Dwim:DТi. (29)
12.2.9 Рассчитывают, в процентах, относительную погрешность измерений электроэнергии dРim на объекте учета:
dРim = 100·DРim:Рim, %. (30)
12.2.10 Вычисляют, в киловаттах или кварах, средневзвешенное значение мощности Р при измерениях в одном и том же узле учета двумя независимыми группами ИК со значениями мощности Р1, Р2 и абсолютными погрешностями соответственно DР1, DР2, в киловаттах или кварах:
Р = (D2Р1·Р2 + D2Р2×Р1):(D2Р1 + D2Р2) (31)
12.2.11 Рассчитывают абсолютную погрешность DР, в киловаттах или кварах, средневзвешенного значения мощности через погрешности групп ИК:
(32)
12.2.12 Определяют в процентах относительную погрешность средневзвешенного значения мощности:
dР = 100·DР:Р. (33)
13.1 Результаты измерений оформляют в виде записей в журнале, где хранят исходные данные, промежуточные и окончательные результаты измерений и расчетов в соответствии с эксплуатационной документацией на ИК.
13.2 Персоналу, ведущему контроль показаний счетчиков, рекомендуется вести отдельный журнал, в который заносят эти показания.
13.3 Результаты измерений, оформленные документально (протоколы), удостоверяет лицо, проводившее измерения, а при необходимости - административно-ответственное лицо (например, руководитель, главный инженер, главный метролог предприятия, начальник цеха, участка или другое лицо в соответствии с организационно-распорядительными документами предприятия).
14.1 Контроль погрешности результатов измерений (далее - контроль погрешности) проводят:
- периодически не реже одного раза в год;
- если фактический небаланс электроэнергии, определенный в соответствии с РД 34.09.101 по результатам измерений, больше допускаемого небаланса, рассчитанного с учетом относительных погрешностей измерительных комплексов õwi;
- при расхождении результатов измерений по показаниям дублирующих счетчиков, установленных на границах раздела сети (по балансовой принадлежности);
- при изменении параметров вторичных цепей ИТ;
- при замене СИ ИК на другие типы;
- если показатели качества измеряемой электроэнергии в электросети выходят за допускаемые пределы, установленные ГОСТ 13109;
- если параметры вторичных цепей ИТ выходят за пределы, нормированные стандартами;
- если потери напряжения в линиях связи ТН со счетчиками больше, чем установлено в настоящей рекомендации.
14.2 Контроль погрешности осуществляют по пунктам соответствующих разделов настоящей рекомендации при создании нормальных условий измерений, задании номинальных режимных параметров СИ ИК (влияющие факторы при расчете погрешностей не учитывают), обеспечении ПКЭ в пределах нормативных значений и симметрии напряжений и нагрузок.
14.3 Основной целью контроля погрешности является проверка выполнений требований к условиям выполнения измерений по разделам 4, 7, 9 и 10 настоящей рекомендации.
14.4 Результатами контроля погрешности являются выводы о соответствии или несоответствии погрешностей измерений количества электроэнергии (мощности) требованиям настоящей рекомендации и нормам точности на энергообъекте, а также выводы о необходимости проведения корректирующих мероприятий.
|
№ СИ |
Наименование СИ |
Тип СИ |
Параметры, характеризующие условия применения СИ |
Предельные отклонения |
|
|
Допускаемые по НД на СИ |
Фактические за учетный период |
||||
|
|
2 |
3 |
4 |
5 |
6 |
|
1 |
ТФНД, ТВЛ, ТШЛ, ТОЛ, ТФЗМ и др. |
Первичный ток, в процентах от номинального значения |
5 - 120 |
Определяют по показаниям счетчиков |
|
|
Предел вторичной нагрузки, в процентах от номинального значения |
25 - 100 |
50 |
|||
|
0,8 - 1 |
0,8 |
||||
|
2 |
Трансформатор напряжения |
ЗНОМ, НТМИ, НКФ, НОМ и др. |
Первичное напряжение, в процентах от номинального значения |
80 - 120 |
100 |
|
3 |
Счетчик электроэнергии |
Альфа, СЭТ3А и др. |
Напряжение, в процентах от номинального значения |
90 - 110 |
100 |
|
Частота тока в сети, в процентах от номинального значения |
95 - 105 |
99,98 - 100,02 |
|||
|
Ток третьей гармоники, в процентах от тока нагрузки |
0 - 10 |
0 - 5 |
|||
|
Внешнее поле магнитной индукции, мТл |
0 - 0,5 |
0,009 - 0,01 |
|||
|
Температура, °C |
10 ¸ 30 |
21 ¸ 24 |
|||
|
Коэффициент мощности сети (cos j) |
0,5 инд. - 0,5 емк. |
0,89 - 0,93 инд. |
|||
Примечание - Графу 6 заполняют по данным энергообъекта. Приведенные здесь численные значения использованы в приложении В.
|
Наименование и тип СИ |
Рекомендуемый класс точности |
Наименование измеряемой величины |
|
1 |
2 |
3 |
|
Вольтметр типа Ф584 |
0,5 |
Напряжение, В |
|
Термометр |
1,5 |
Температура окружающей среды, °C |
|
Прибор сравнения типа КНТ-03, КТ-01 |
0,5 |
Мощность вторичных нагрузок ИТ, ВА |
|
Частотомер типа Ч3-47А |
0,1 |
Частота сети, Гц |
|
Анализатор качества электроэнергии типа АПКЭ-1, ППКЭ-1-50М |
0,3 |
Показатели качества электроэнергии |
|
Измеритель индукции внешнего магнитного поля типа МПУ-1 |
5,0 |
Индукция магнитного поля в месте расположения электросчетчика, до 1 мТл |
|
Измеритель потерь в линии присоединения ТН к счетчику |
1,0 |
Напряжение, мВ |
Примеры расчетов погрешностей ИК
Пример В.1 - Расчет погрешности измерений электроэнергии ИК
В.1.1 Общие данные
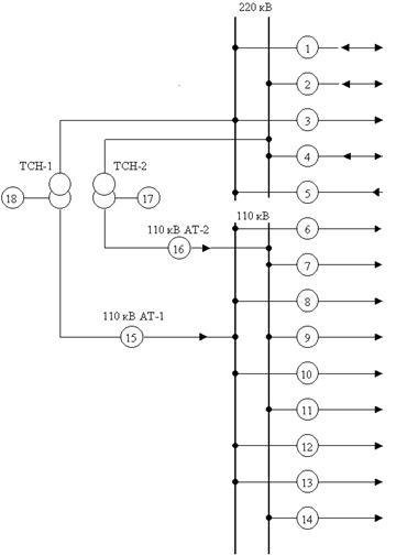
Объект учета - ИК № 6 в точке учета 110 кВ на энергообъекте (рисунок В.1)
Учетный период: 1 ч.
1 ... 18 - измерительные комплексы,
ТСН-1,ТСН-2 - трансформаторы собственных нужд,
АТ-1, АТ2 - автотрансформаторы.

Рисунок В.1 - Схема расположения ИК расчетного учета электроэнергии и мощности на энергообъекте
Допускаемая погрешность измерений (таблица 1):
- для коммерческого учета:
±1,4 % - активная составляющая электроэнергии;
±2,6 % - реактивная составляющая электроэнергии;
- для технического учета:
±2,8 % - активная составляющая электроэнергии.
Напряжения и нагрузки в точке учета электросети симметричные.
Необходимые исходные оперативные данные для оценки погрешности ИК приведены в таблице В.1, где
- графа 3 - метки времени ti с интервалом DTi = 15 мин за учетный период T = 1 ч;
- графы 4, 5 - непрерывно нарастающие показания счетчика для активной и реактивной составляющих электроэнергии;
- графы 6, 7 - дискретные нарастающие показания счетчика на интервалах DT = 15 мин для активной и реактивной составляющих электроэнергии:
Wа1 = 16087,5 - 7837,5 = 8250,00 (кВт∙ч);
Wp1 = 6187,5 - 2887,5 = 3300,00 (квар∙ч).
В.1.2 Данные СИ и вспомогательных средств.
Источник данных: паспорт-протокол ИК согласно РД 34.09.101.
Счетчик активной и реактивной электроэнергии трехфазный, электронный, класс точности 0,2S (приложение В), двухэлементный, схема включения - через трансформаторы тока и напряжения, нагрузка индуктивная.
Трансформаторы тока:
два трансформатора (на фазах А и С);
kт = 120;
класс точности 0,5,
номинальные первичные токи 600 А,
номинальные вторичные токи 5А,
вторичные нагрузки согласно ГОСТ 7746: в пределах нормативных значений, т.е. (25 - 100) % от номинального значения и коэффициенте мощности 0,8 - 1.
Трансформатор напряжения:
класс точности 0,5,
kн = 1100,
номинальное первичное напряжение 110:
,
(кВ),
номинальное вторичное напряжение 100:
,
(В),
мощность нагрузки согласно ГОСТ 1983: в пределах нормативных значений, т.е. (25 - 100) % от номинального значения и коэффициенте мощности 0,8 - 1.
Потери напряжения в линии присоединения счетчика к ТН: 0,25 %.
Предел допускаемой погрешности УСПД АСКУЭ dу.с = 0,05 %.
Предел абсолютной допускаемой погрешности средств измерений времени АСКУЭ 5 с за 24 ч (предел относительной погрешности dDT = 0,006 %).
В.1.3 Проводят корректировку значений электроэнергии Wаik и Wрik с учетом систематической поправки dл = -0,25 % на потери в линии присоединения ТН к счетчику по формулам (3, 3а) и результаты заносят в таблицу В.1 (графы 8, 9):
Wа1к = 8250∙(1 - 0,01∙0,25) = 8229 (кВт∙ч);
Wр1к = 3300∙(1 - 0,01∙0,25) = 3292 (квар∙ч).
В.1.4 Рассчитывают тангенс угла потерь, коэффициент мощности (cos ji, sin ji) и коэффициент токовой нагрузки ni по формулам (4 - 5а) для ТТ и счетчика активной электроэнергии, а также коэффициент нагрузки mi - для счетчиков реактивной электроэнергии и результаты заносят в таблицу В.1 (графы 15 - 17, 19 - 21):
tg j1 = 3292:8229 = 0,4,
j1 = arctg 0,4 = 21,8°,
cos 21,8° = 0,93,
sin 21,8° = 0,37,
I1 = 1000 × 8229: 57,8:0,93:0,25:120:1100:3 = 1,55 (А),
n1 = 100∙1,55:5 = 31 (%);
m1 = 57,8∙1,55:5:57,7∙0,37 = 0,2.
В.1.5 По коэффициенту токовой нагрузки ni методом линейной интерполяции определяют пределы допускаемых погрешностей ТТ по таблице 8 ГОСТ 7746 и результаты заносят в таблицу В.1 (графы 22 - 23).
dI1 = 0,5 + (100 - 31)∙(0,75 - 0,5):(100 - 20) = 0,72 (%);
qI1 = 30 + (100 - 31)∙(45 - 30):(100 - 20) = 43 (¢)
В.1.6 В графы (24 - 25) таблицы В.1 заносят пределы допускаемых погрешностей ТН из ГОСТ 1983.
В.1.7 По формулам (7 - 9) определяют составляющие погрешностей ИК, вызванные угловыми погрешностями ИТ, которые заносят в графы (26, 27) таблицы В.1:
![]()
d(а)Q1 = 0,029∙47,42·0,4 = 0,55 (%);
d(р)Q1 = 0,029·47,42:0,4 = 3,4 (%).
В.1.8 По таблице 9 ГОСТ 30206 в соответствии с коэффициентом токовой нагрузки ni и значением коэффициента мощности cos ji электросети в точке учета методом линейной интерполяции определяют предел допускаемой основной погрешности счетчика dс.а(i) для активной составляющей электроэнергии и результаты заносят в таблицу В.1 (графа 28):
dс.а(1) = 0,2 + (0,3 - 0,2)·(1 - 0,93):(1 - 0,5) = 0,21 (%).
В.1.9 По ГОСТ 26035 в соответствии с коэффициентом нагрузки счетчика mi и углом потерь (sinji) определяют предел допускаемой основной погрешности dс.р(i) счетчика реактивной энергии и результаты заносят в таблицу В.1 (графа 29):
dс.р(1) = 0,2·(0,9 + 0,02:0,11) = 0,22 (%).
В.1.10 По таблицам 11 и 12 ГОСТ 30206 определяют дополнительные погрешности счетчика активной энергии от влияющих величин по формулам (10 - 12) в соответствии с коэффициентами мощности (cosji) и нагрузки по току (ni), предполагая, что дополнительные погрешности с изменением влияющих величин меняются равномерно, и результаты заносят в таблицу В.1 (графы 30 - 44):
- по напряжению:
DU(1) = 100(57,8:57,7 - 1) = 0,17 (%);
kU(1) = 0,1∙(0,2 + (0,2 - 0,1)×(1 - 0,93):(1 - 0,5)) = 0,021 (%/%);
dU(1) = 0,021∙0,17 = 0,003 (%);
- по частоте:
Df(2) = 100(50,05∙50 - 1) = 0,1 (%);
kf(2) = 0,02∙(%/%);
df(2) = 0,02∙0,1 = 0,002 (%),
- по форме кривой тока:
DI3(2) = 3∙(%);
kI3(2) = 0,01∙(%/%);
dI3(2) = 3∙0,01 = 0,03 (%);
- по индукции внешнего переменного магнитного поля частотой, одинаковой с частотой тока сети:
DB(1) = 0,01 (мТл);
kВ(1) = 0,5:0,5 = 1 (%/мТл);
dВ(1) = 1∙0,01 = 0,01 (%);
- по температуре внешней среды в месте расположения счетчика:
Dt(1) = 21 - 20 = 1 (°C);
kt(1) = (0,01 + (0,02 - 0,01)×(1 - 0,93):(1 - 0,5)) = 0,011 (%/°C);
dt(1) = 0,011∙1 = 0,011 (%).
В.1.11 Вычисляют пределы допускаемой суммарной погрешности ИК для активной составляющей электроэнергии d(a)wi по формуле (13) на каждом интервале времени DTi=0,25 ч (результаты заносят в графу 46 таблицы В.1):
![]()
В.1.12 Вычисляют предел погрешности измерения активной электроэнергии ИК за учетный период 1 ч по формулам (14 - 16) (результат заносят в графу 48 таблицы В.1):
Dw(а) к = 0,01×(1,16×8229 + 1,24×8229 + 1,18×8641 + 1,22×8641):1,1 = 368 (кВт·ч);
W(а)к = 8229 + 8229 + 8641 + 8641 = 33740 (кВт∙ч);
![]()
В.1.13 Определяют дополнительные погрешности счетчика реактивной энергии от влияющих величин по формулам (10 - 12) настоящей рекомендации и ГОСТ 26035. Результаты заносят в таблицу В.1 (графы 49 - 55):
- по частоте
d¢f(2) = 0,5∙0,2 = 0,1 (%);
- по форме кривой тока:
DI3(2) = 3 (%);
k¢I3(2) = 0,01 (%/%);
d¢I3(2) = 3∙0,01 = 0,03 (%);
- по индукции внешнего переменного магнитного поля частотой, одинаковой с частотой тока сети:
DB(1) = 0,01 (мТл);
k¢В(1) = 0,5:0,2 = 2,5 (%/мТл);
d¢В(1) = 2,5∙0,01 = 0,025 (%);
- по температуре внешней среды в месте расположения счетчика:
Dt(1) = 21 - 20 = 1 (°C);
k¢t(1) = 0,01 (%/ °C);
d¢t(1) = 0,01∙1 = 0,01 (%).
В.1.14 Вычисляют пределы допускаемой суммарной погрешности ИК для реактивной составляющей электроэнергии d(р)wi по формуле (13а) на каждом интервале времени DTi= 0,25 ч (результаты заносят в графу 56 таблицы В.1):
![]()
В.1.15 Вычисляют пределы допускаемой суммарной погрешности ИК для реактивной составляющей электроэнергии d(р)wi по формулам (14а - 16а) за учетный период T = 1 ч (результаты заносят в графу 57 таблицы В.1):
Dw(р)к = 0,01×(3,9∙3292 + 3,2×4125 + 3,7×3703 + 3,2×4115):1,1 = 481 (квар.ч);
W(р)к = 3292 + 4115 + 3703 + 4115 = 15225 (квар.ч);
![]()
Таблица В.1 - Исходные и расчетные данные по оценке погрешностей ИК при измерениях электроэнергии
|
2 |
3 |
4 |
5 |
6 |
7 |
8 |
|
|
2 |
i |
1 |
2 |
3 |
4 |
5 |
6 |
|
3 |
ti,(ч) |
12,00 |
12,15 |
12,30 |
12,45 |
13,00 |
13,15 |
|
4 |
Wa, (кВт·ч) |
7837,50 |
16087,50 |
24337,5 |
33000 |
41662,50 |
50212,5 |
|
5 |
Wр, (квар.ч) |
2887,50 |
6187,5 |
10312,5 |
14025 |
18150 |
22275 |
|
6 |
Wai, (кВт·ч) |
8250,00 |
8250,00 |
8662,50 |
8662,5 |
8250,00 |
|
|
7 |
Wрi, (квар.ч) |
3300,00 |
4125,00 |
3712,5 |
4125,00 |
4125,00 |
|
|
8 |
Waiк, (кВт·ч) |
8229 |
8229 |
8641 |
8641 |
8229 |
|
|
9 |
Wрiк, (квар.ч) |
3292 |
4115 |
3703 |
4115 |
4115 |
|
|
10 |
UА, (В) |
57,8 |
57,9 |
57,9 |
57,7 |
57,7 |
57,7 |
|
11 |
Температура, (°С) |
21 |
22 |
23 |
23 |
24 |
|
|
12 |
Частота сети, (Гц) |
50,00 |
50,05 |
50,05 |
50,00 |
49,95 |
|
|
13 |
Внешняя магнитная индукция, (мТл) |
0,01 |
0,01 |
0,01 |
0,009 |
0,009 |
|
|
14 |
Коэфф. третьей гармоники тока, (%) |
0 |
3 |
5 |
4 |
2 |
|
|
15 |
tg ji |
0,4 |
0,5 |
0,43 |
0,48 |
0,5 |
|
|
16 |
cos ji |
0,93 |
0,89 |
0,92 |
0,9 |
0,89 |
|
|
17 |
sin ji |
0,37 |
0,46 |
0,39 |
0,44 |
0,46 |
|
|
18 |
DTi, (ч): |
0,25 |
0,25 |
0,25 |
0,25 |
0,25 |
|
|
19 |
Ii,(А) |
1,55 |
1,61 |
1,64 |
1,68 |
1,62 |
|
|
20 |
ni, (%) |
31 |
32 |
33 |
34 |
32 |
|
|
21 |
mi |
0,11 |
0,15 |
0,13 |
0,15 |
0,15 |
|
|
22 |
dIi, (%) |
0,72 |
0,71 |
0,71 |
0,71 |
0,71 |
|
|
23 |
qIi(΄) |
43 |
43 |
42,5 |
42,4 |
43 |
|
|
24 |
dUi, (%) |
0,5 |
0,5 |
0,5 |
0,5 |
0,5 |
|
|
25 |
qUi, (΄) |
20 |
20 |
20 |
20 |
20 |
|
|
26 |
d(а)Qi,(%) |
0,55 |
0,69 |
0,59 |
0,65 |
0,69 |
|
|
27 |
d(р)Qi, (%) |
3,4 |
2,8 |
3,2 |
2,8 |
2,8 |
|
|
28 |
dс.а(i), (%) |
0,21 |
0,22 |
0,22 |
0,22 |
0,22 |
|
|
29 |
dс.р(i), (%) |
0,22 |
0,21 |
0,21 |
0,21 |
0,21 |
|
|
30 |
DU(i), (%) |
0,17 |
0,35 |
0,35 |
0 |
0 |
|
|
31 |
kU(i), %/% |
0,021 |
0,022 |
0,022 |
0,022 |
0,022 |
|
|
32 |
dU(i), (%) |
0,003 |
0,008 |
0,008 |
0 |
0 |
|
|
33 |
Df(i), (%) |
0 |
0,1 |
0,1 |
0 |
0,1 |
|
|
34 |
kf(i), %/% |
0,02 |
0,02 |
0,02 |
0,02 |
0,02 |
|
|
35 |
df(i), (%) |
0 |
0,002 |
0,002 |
0 |
0,002 |
|
|
36 |
DI3(i), (%) |
0 |
3 |
5 |
4 |
2 |
|
|
37 |
kI3(i), %/% |
0,01 |
0,01 |
0,01 |
0,01 |
0,01 |
|
|
38 |
dI3(i), (%) |
0 |
0,03 |
0,05 |
0,04 |
0,02 |
|
|
39 |
DB(i), (мТл) |
0,01 |
0,01 |
0,01 |
0,009 |
0,009 |
|
|
40 |
kB(i), (%/мТл) |
1 |
1 |
1 |
1 |
1 |
|
|
41 |
dB(i), (%) |
0,01 |
0,01 |
0,01 |
0,009 |
0,009 |
|
|
42 |
Dt(i), (°C) |
1 |
2 |
3 |
3 |
4 |
|
|
43 |
kt(i), %/% |
0,011 |
0,012 |
0,011 |
0,012 |
0,011 |
|
|
44 |
dt(i), (%) |
0,011 |
0,024 |
0,033 |
0,036 |
0,044 |
|
|
45 |
dу.с, (%) |
0,05 |
0,05 |
0,05 |
0,05 |
0,05 |
|
|
46 |
d(a)wi |
1,16 |
1,24 |
1,18 |
1,22 |
1,25 |
|
|
47 |
dDT, (%) |
0,006 |
0,006 |
0,006 |
0,006 |
0,006 |
|
|
48 |
d(a)w, (%) |
1,2 |
|||||
|
49 |
d¢f(i), (%) |
0 |
0,1 |
0,1 |
0 |
0,1 |
|
|
50 |
k¢I3(i), %/% |
0,01 |
0,01 |
0,01 |
0,01 |
0,01 |
|
|
51 |
d¢I3(i), (%) |
0 |
0,03 |
0,05 |
0,04 |
0,02 |
|
|
52 |
k¢B(i), (%/мТл) |
2,5 |
2,5 |
2,5 |
2,5 |
2,5 |
|
|
53 |
d¢B(i), (%) |
0,025 |
0,025 |
0,025 |
0,025 |
0,025 |
|
|
54 |
kt(i), %/% |
0,01 |
0,01 |
0,01 |
0,01 |
0,01 |
|
|
55 |
d¢t(i), (%) |
0,01 |
0,02 |
0,03 |
0,03 |
0,04 |
|
|
56 |
d(р)wi, (%) |
3,9 |
3,2 |
3,7 |
3,2 |
3,2 |
|
|
57 |
d(р)w, (%) |
3,48 |
Пример В.2 - Расчет погрешности измерений электрической мощности ИК
Точка учета на энергообъекте и исходные данные взяты из предыдущего примера.
Текущие значения мощности определяют на интервалах DTi = 15 мин.
Среднее значение мощности вычисляют за учетный период Т = 1 ч.
В.2.1 Определяют текущие корректированные значения мощности по формулам (17, 17а) (результаты заносят в графы 6,7 таблицы В.2):
Р(а)1k = 8229∙60/15 = 32916 кВт;
Р(р)1k = 3292∙60/15 = 13168 квар.
В.2.2 Определяют текущие значения погрешностей измерений ИК электрической мощности по формулам (18 и 18а) (результаты заносят в графы 11, 12 таблицы В.2):
![]()
![]()
В.2.3 Определяют среднюю мощность за учетный период 1 ч по формулам (15, 15а, 19, 19а) (результаты заносят в графы 13, 14 таблицы В.2):
Р(а)k = 8229 + 8229 + 8641 + 8641:1 = 33740, (кВт);
Р(р)k = 3292 + 4115 + 3703 + 4115:1 = 15225, (квар).
В.2.4 Определяют погрешность измерения ИК средней мощности за учетный период 1 ч по формулам (20, 20а) (результаты заносят в графы 15, 16 таблицы В.2):
d(a)p = 1,2 (%);
d(a)p = 3,48 (%).
Таблица В.2 - Исходные и расчетные данные по оценке погрешностей ИК при измерениях электрической мощности
|
2 |
3 |
4 |
5 |
6 |
7 |
8 |
|
|
2 |
i |
1 |
2 |
3 |
4 |
5 |
6 |
|
3 |
ti,(ч) |
12,00 |
12,15 |
12,30 |
12,45 |
13,00 |
13,15 |
|
4 |
Waiк, (кВт·ч) |
8229 |
8229 |
8641 |
8641 |
8229 |
|
|
5 |
Wрiк, (квар.ч) |
3292 |
4115 |
3703 |
4115 |
4115 |
|
|
6 |
Р(a)iк, (кВт) |
32916 |
32916 |
34564 |
34564 |
32916 |
|
|
7 |
Р(р)iк, (квар) |
13168 |
16460 |
14812 |
16460 |
16460 |
|
|
8 |
dDT, (%) |
0,006 |
0,006 |
0,006 |
0,006 |
0,006 |
|
|
9 |
d(a)wi, (%) |
1,16 |
1,24 |
1,18 |
1,22 |
1,25 |
|
|
10 |
d(р)wi, (%) |
3,9 |
3,2 |
3,7 |
3,2 |
3,2 |
|
|
11 |
d(a)p1, (%) |
1,16 |
1,24 |
1,18 |
1,22 |
1,25 |
|
|
12 |
d(р)p1, (%) |
3,9 |
3,2 |
3,7 |
3,2 |
3,2 |
|
|
13 |
Р(а)k, (кВт) |
33740 |
|||||
|
14 |
Р(р)k, (квар) |
15225 |
|||||
|
15 |
d(a)pk, (%) |
1,2 |
|||||
|
16 |
d(р)pk, (%) |
3,48 |
Пример В.3 - Измерения электроэнергии и расчет погрешности ее измерений через показания группы ИК энергообъекта
Постановка задачи.
На рисунке В.1 приведена схема расположения ИК на энергообъекте (стрелками показаны направления потоков электроэнергии). Известны пределы допускаемых относительных погрешностей для всех ИК энергообъекта. Эти данные представлены в таблице В.3. Кроме того, там же приведены измеренные значения электроэнергии каждым ИК за период один месяц.
Спрашивается, насколько можно снизить погрешность измерений электроэнергии в узле № 5 по сравнению с погрешностью отдельного ИК, если учесть показания всех ИК энергообъекта?
При решении этой задачи исходят из того, что пределы допускаемых погрешностей ИК энергообъекта рассматривают как случайные величины с равномерным распределением.
В.3.1 Сначала выделяют две группы ИК. В первую группу включают ИК под номерами 15, 16, а во вторую - под номерами 6 - 14. Определяют алгебраические суммы W1, W2 энергии для каждой группы по формуле (21), суммарные абсолютные погрешности Dw1, Dw2 для каждой выделенной группы по формуле (22а). Затем вычисляют средневзвешенное значение электроэнергии, отпущенное с шин 220 кВ на шины 110 кВ и погрешность, с которой значение этой энергии определено, по формулам (25 - 27).
W1 = 27730363 + 28157608 = 55887971 (кВт·ч);
W2 = 823623 + 4 205 065 + 2273822 + 6448222 + 20653449 = 55905229 (кВт·ч);
![]()

W = (829∙9172∙55∙905∙229 + 583∙3692·55887∙971):(829∙9172 + 583∙3692) = 55899∙521 (кВт·ч);
![]()
dW = 100·477∙258:55∙899∙521 = 0,85 (%).
В.3.2 Объединяют в следующие две группы измеренные значения электроэнергии ИК. В группу 3 включают показания ИК под номерами 1, 2, 3, 4 и рассчитанное выше средневзвешенное значение электроэнергии W. В четвертую группу включены показания ИК5. Определяют модуль алгебраической суммы W3, W4 (отпущенная электроэнергия входит в алгебраическую сумму со знаком минус, а поступившая - со знаком плюс) энергии для каждой группы по формуле (21), суммарные абсолютные погрешности Dw3, Dw4 для каждой выделенной группы по формуле (22а). Затем вычисляют средневзвешенное значение электроэнергии W5 и погрешность dW5 в точке учета № 5 по формулам (25 - 27). Поскольку в четвертую группу входит единственный ИК5, то в качестве W4 и Dw4 принимают показания электроэнергии и погрешность этого ИК.
W3 = |2423080 - 6442550 + 9427116 - 2813129 + 1836982 - 12317498 - 55899521| = 63785520 (кВт·ч);

W4 = 64054122 (кВт·ч);
Dw4 = 960811 (кВт·ч);
W5 = (9608112 63785520 + 7602142·64054122):(9608112 + 7602142) = 63888933 (кВт·ч);
![]()
dW5 = 100·596172:63888933 = 0,93 (%).
Таким образом, проведено уточнение значения поступившей электроэнергии в узле учета № 5. При этом погрешность измерений электроэнергии с 1,5 % снижена до 0,93 % благодаря привлечению измерительной информации от других ИК энергообъекта.
Таблица В.3 - Учтенная за месяц поступившая и отпущенная активная составляющая электроэнергии на энергообъекте
|
Погрешность ИК dWI (%) |
Электроэнергия, отпущенная с шин (кВт ∙ ч) |
Электроэнергия, поступившая на шины (кВт ∙ ч) |
Абсолютная погрешность измерения отпущенной электроэнергии (кВт ∙ ч) |
Абсолютная погрешность измерения поступившей электроэнергии (кВт ∙ ч) |
|
|
1 |
±1,5 |
6442550 |
2423080,5 |
±96638 |
±36346 |
|
2 |
±1,4 |
2813129,5 |
9427116 |
±39384 |
±131980 |
|
3 |
±1,3 |
0 |
0 |
0 |
0 |
|
4 |
±1,1 |
12317498,5 |
1836982,5 |
±135492 |
±20207 |
|
5 |
±1,5 |
0 |
64054122 |
0 |
±960811 |
|
6 |
±1,2 |
823623,5 |
0 |
±9883 |
0 |
|
7 |
±1,0 |
4205065,5 |
0 |
±50461 |
0 |
|
8 |
±1,1 |
0 |
0 |
0 |
0 |
|
9 |
±1,3 |
2273822 |
0 |
±29560 |
0 |
|
10 |
±1,5 |
0 |
0 |
0 |
0 |
|
11 |
±1,4 |
0 |
0 |
0 |
0 |
|
12 |
±1,5 |
6448222 |
0 |
±96723 |
0 |
|
13 |
±1,4 |
20653449,5 |
0 |
±289148 |
0 |
|
14 |
±1,3 |
21501048 |
0 |
±279514 |
0 |
|
15 |
±1,5 |
27730363 |
0 |
±415955 |
0 |
|
16 |
±1,5 |
28157608 |
0 |
±422364 |
0 |
|
17 |
±2,0 |
0 |
0 |
0 |
0 |
|
18 |
±2,0 |
0 |
0 |
0 |
0 |
|
Итого |
77478408,5 |
77741301 кВт ∙ ч. |
|||
СОДЕРЖАНИЕ